BOSCH Schraube 1/4 UNF-LH X 1/2 | Ersatzteile für CLUB B17 | F016L20263

Artikelnummer: EB-F016L80391-F016L20263

Position: 525

Marke: BOSCH


Bitte Kompatibilität prüfen!

Bitte prüfen Sie unbedingt die 10-stellige Typennummer Ihrer Maschine / Ihres Gerätes. Das Ersatzteil ist nur kompatibel, wenn Sie die Typennummer Ihrer Maschine in der unten stehenden Produktbeschreibung finden.

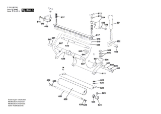
Bitte prüfen Sie ebenfalls detailliert die Explosionszeichnung mit Ihrem Artikelwunsch und der jeweiligen Pos-Nummer.

Alle Elemente, welche vom schwarzen Strich der Pos-Nummer ausgehend berührt / erfasst werden, gehören zu dieser Pos-Nummer und somit zu diesem Artikel. Jede Pos-Nummer ist ein eigenständiger Artikel, welchen Sie in der Auflistung finden.

Sie erhalten stets die aktuellste, neueste Produktversion zu der gewählten Pos-Nummer seitens des Herstellers. Es kann daher je nach Gerätealter vorkommen, dass Sie ggf. weitere, zugehörige Elemente, welche an diese Pos-Nummer grenzen, ebenfalls mittauschen müssen.

Nähere Informationen finden Sie unter dem Link
Hinweise zu Ihrer BOSCH Ersatzteilsuche

Preisübersicht

Einzelpreis: 5,17 €* (Brutto: 6,15 €)
Gesamtpreis: 5,17 €* 
Position:

Lieferzeit: 5 Werktage


Beschreibung

  • Schraube 1/4 UNF-LH X 1/2
  • Original Bosch Zubehör / BOSCH Ersatzteil (F016L20263)
  • im Gerät verbaut: 1
Dieses BOSCH Ersatzteil ist mit folgendem Gerät und Modell kompatibel:
  • BOSCH Gerätename: CLUB B17
  • BOSCH Explosionszeichnung: Position 525
  • BOSCH Typennummer: F016L80391
  • BOSCH Typennummer alternative Schreibweisen: F 016 L80 391, F016 L80 391, F.016.L80.391, F-016-L80-391
    Bitte prüfen Sie diese Typennummer auf Ihrem Gerät um die Kompatibilität des BOSCH Ersatzteils zu gewährleisten.
Weitere BOSCH Ersatzteile des Gerätes CLUB B17 (Rasenmäher) mit der Typennummer F016L80391 finden Sie in der nachfolgenden Darstellung und im Dropdown zu Ihrer Auswahl:

Pos.
1
BOSCH Beilegring | Ersatzteile für CLUB B17 | F016100060
Hersteller: BOSCH
Artikelnummer: EB-F016L80391-F016100060
nur Informationsartikel
Nie mehr lieferbar
keine Alternativen
Pos.
2
BOSCH Abdeckblende | Ersatzteile für CLUB B17 | F016101046
Hersteller: BOSCH
Artikelnummer: EB-F016L80391-F016101046
nur Informationsartikel
Nie mehr lieferbar
keine Alternativen
Pos.
3
BOSCH Plattform | Ersatzteile für CLUB B17 | F016L37219
Hersteller: BOSCH
Artikelnummer: EB-F016L80391-F016L37219
nur Informationsartikel
Nie mehr lieferbar
keine Alternativen
Pos.
4
BOSCH Seitenplatte | Ersatzteile für CLUB B17 | F016101446
Hersteller: BOSCH
Artikelnummer: EB-F016L80391-F016101446
nur Informationsartikel
Nie mehr lieferbar
keine Alternativen
Pos.
5
BOSCH Seitenplatte | Ersatzteile für CLUB B17 | F016L37083
Hersteller: BOSCH
Artikelnummer: EB-F016L80391-F016L37083
nur Informationsartikel
Nie mehr lieferbar
keine Alternativen
Pos.
6
BOSCH Kettenabdeckung | Ersatzteile für CLUB B17 | F016101053
Hersteller: BOSCH
Artikelnummer: EB-F016L80391-F016101053
nur Informationsartikel
Nie mehr lieferbar
keine Alternativen
Pos.
7
BOSCH Versteifungsblech 43 CM | Ersatzteile für CLUB B17 | F016101444
Hersteller: BOSCH
Artikelnummer: EB-F016L80391-F016101444
nur Informationsartikel
Nie mehr lieferbar
keine Alternativen
Pos.
8
BOSCH Ablenkplatte 17" | Ersatzteile für CLUB B17 | F016L32355
Hersteller: BOSCH
Artikelnummer: EB-F016L80391-F016L32355
nur Informationsartikel
Nie mehr lieferbar
keine Alternativen
Pos.
9
BOSCH Traggestell | Ersatzteile für CLUB B17 | F016100486
Hersteller: BOSCH
Artikelnummer: EB-F016L80391-F016100486
nur Informationsartikel
Nie mehr lieferbar
keine Alternativen
Pos.
10
BOSCH Untermesser | Ersatzteile für CLUB B17 | F016101015
Hersteller: BOSCH
Artikelnummer: EB-F016L80391-F016101015
nur Informationsartikel
Nie mehr lieferbar
keine Alternativen
Pos.
11
BOSCH Schraube | Ersatzteile für CLUB B17 | F016L20254
Hersteller: BOSCH
Artikelnummer: EB-F016L80391-F016L20254
Netto: 3,60 € zzgl. MwSt.
zzgl. 6,90 € Versand (brutto)
einmalig pro Bestellung

Lieferzeit: 5 Werktage

Pos.
12
BOSCH Scheibe | Ersatzteile für CLUB B17 | F016L09640
Hersteller: BOSCH
Artikelnummer: EB-F016L80391-F016L09640
nur Informationsartikel
Nie mehr lieferbar
keine Alternativen
Pos.
14
BOSCH Laufbolzen 5/16 UNF | Ersatzteile für CLUB B17 | F016L18691
Hersteller: BOSCH
Artikelnummer: EB-F016L80391-F016L18691
nur Informationsartikel
Nie mehr lieferbar
keine Alternativen
Pos.
15
BOSCH Scheibe | Ersatzteile für CLUB B17 | F016L09684
Hersteller: BOSCH
Artikelnummer: EB-F016L80391-F016L09684
nur Informationsartikel
Nie mehr lieferbar
keine Alternativen
Pos.
16
BOSCH Schraube 1/4 UNF X 1/2 NF | Ersatzteile für CLUB B17 | F016L20259
Hersteller: BOSCH
Artikelnummer: EB-F016L80391-F016L20259
nur Informationsartikel
Nie mehr lieferbar
keine Alternativen
Pos.
17
BOSCH Beilegring | Ersatzteile für CLUB B17 | F016L37227
Hersteller: BOSCH
Artikelnummer: EB-F016L80391-F016L37227
nur Informationsartikel
Nie mehr lieferbar
keine Alternativen
Pos.
18
BOSCH Schraube 1/4 UNF X 1/2 | Ersatzteile für CLUB B17 | F016L18167
Hersteller: BOSCH
Artikelnummer: EB-F016L80391-F016L18167
Netto: 3,60 € zzgl. MwSt.
zzgl. 6,90 € Versand (brutto)
einmalig pro Bestellung

Lieferzeit: 5 Werktage

Pos.
19
BOSCH Sicherungsscheibe | Ersatzteile für CLUB B17 | F016L18174
Hersteller: BOSCH
Artikelnummer: EB-F016L80391-F016L18174
nur Informationsartikel
Nie mehr lieferbar
keine Alternativen
Pos.
22
BOSCH Schraube 1/4 UNF X 5/8 | Ersatzteile für CLUB B17 | F016L18718
Hersteller: BOSCH
Artikelnummer: EB-F016L80391-F016L18718
nur Informationsartikel
Nie mehr lieferbar
keine Alternativen
Pos.
23
BOSCH Sicherungsscheibe 1/4 SQ SEC | Ersatzteile für CLUB B17 | F016L35319
Hersteller: BOSCH
Artikelnummer: EB-F016L80391-F016L35319
nur Informationsartikel
Nie mehr lieferbar
keine Alternativen
Pos.
25
BOSCH Versteifungsblech | Ersatzteile für CLUB B17 | F016100327
Hersteller: BOSCH
Artikelnummer: EB-F016L80391-F016100327
nur Informationsartikel
Nie mehr lieferbar
keine Alternativen
Pos.
26
BOSCH Mutter 1/4 UNF | Ersatzteile für CLUB B17 | F016L18208
Hersteller: BOSCH
Artikelnummer: EB-F016L80391-F016L18208
nur Informationsartikel
Nie mehr lieferbar
keine Alternativen
Pos.
27
BOSCH Schraube | Ersatzteile für CLUB B17 | F016L20851
Hersteller: BOSCH
Artikelnummer: EB-F016L80391-F016L20851
nur Informationsartikel
Nie mehr lieferbar
keine Alternativen
Pos.
28
BOSCH Hebelarm | Ersatzteile für CLUB B17 | F016L22637
Hersteller: BOSCH
Artikelnummer: EB-F016L80391-F016L22637
nur Informationsartikel
Nie mehr lieferbar
keine Alternativen
Pos.
32
BOSCH Schloss-Türschild | Ersatzteile für CLUB B17 | F016L32299
Hersteller: BOSCH
Artikelnummer: EB-F016L80391-F016L32299
nur Informationsartikel
Nie mehr lieferbar
keine Alternativen
Pos.
33
BOSCH Federscheibe 5/16 SW SE | Ersatzteile für CLUB B17 | F016L35307
Hersteller: BOSCH
Artikelnummer: EB-F016L80391-F016L35307
Netto: 3,60 € zzgl. MwSt.
zzgl. 6,90 € Versand (brutto)
einmalig pro Bestellung

Lieferzeit: 5 Werktage

Pos.
34
BOSCH Schraube 5/16 UNF X 5/8 | Ersatzteile für CLUB B17 | F016L20252
Hersteller: BOSCH
Artikelnummer: EB-F016L80391-F016L20252
Netto: 3,60 € zzgl. MwSt.
zzgl. 6,90 € Versand (brutto)
einmalig pro Bestellung

Lieferzeit: 5 Werktage

Pos.
36
BOSCH Kette 1/2X3/16X40 P | Ersatzteile für CLUB B17 | F016L03734
Hersteller: BOSCH
Artikelnummer: EB-F016L80391-F016L03734
nur Informationsartikel
Nie mehr lieferbar
keine Alternativen
Pos.
37
BOSCH Kette 1/2X3/16X35 PI | Ersatzteile für CLUB B17 | F016L09704
Hersteller: BOSCH
Artikelnummer: EB-F016L80391-F016L09704
nur Informationsartikel
Nie mehr lieferbar
keine Alternativen
Pos.
38
BOSCH Kettenglied 1/2X3/16 | Ersatzteile für CLUB B17 | F016L07127
Hersteller: BOSCH
Artikelnummer: EB-F016L80391-F016L07127
nur Informationsartikel
Nie mehr lieferbar
keine Alternativen
Pos.
39
BOSCH Dichtstreifen | Ersatzteile für CLUB B17 | F016L22435
Hersteller: BOSCH
Artikelnummer: EB-F016L80391-F016L22435
nur Informationsartikel
Nie mehr lieferbar
keine Alternativen
Pos.
40
BOSCH Auffangbehälter | Ersatzteile für CLUB B17 | F016A58176
Hersteller: BOSCH
Artikelnummer: EB-F016L80391-F016A58176
nur Informationsartikel
Nie mehr lieferbar
keine Alternativen
Pos.
41
BOSCH Schraube | Ersatzteile für CLUB B17 | F016L20735
Hersteller: BOSCH
Artikelnummer: EB-F016L80391-F016L20735
nur Informationsartikel
Nie mehr lieferbar
keine Alternativen
Pos.
42
BOSCH Sicherungsmutter 5/16 UNF | Ersatzteile für CLUB B17 | F016L06955
Hersteller: BOSCH
Artikelnummer: EB-F016L80391-F016L06955
nur Informationsartikel
Nie mehr lieferbar
keine Alternativen
Pos.
44
BOSCH Ersatzteil | Ersatzteile für CLUB B17 | F016101348
Hersteller: BOSCH
Artikelnummer: EB-F016L80391-F016101348
nur Informationsartikel
Nie mehr lieferbar
keine Alternativen
Pos.
45
BOSCH Ersatzteil | Ersatzteile für CLUB B17 | F016101185
Hersteller: BOSCH
Artikelnummer: EB-F016L80391-F016101185
nur Informationsartikel
Nie mehr lieferbar
keine Alternativen
Pos.
46
BOSCH Ersatzteil | Ersatzteile für CLUB B17 | F016101347
Hersteller: BOSCH
Artikelnummer: EB-F016L80391-F016101347
nur Informationsartikel
Nie mehr lieferbar
keine Alternativen
Pos.
47
BOSCH Schraube 5/16 UNF X 1-3/4 | Ersatzteile für CLUB B17 | F016L20255
Hersteller: BOSCH
Artikelnummer: EB-F016L80391-F016L20255
nur Informationsartikel
Nie mehr lieferbar
keine Alternativen
Pos.
48
BOSCH Schraube 5/16 UNF X 1/2 | Ersatzteile für CLUB B17 | F016L18049
Hersteller: BOSCH
Artikelnummer: EB-F016L80391-F016L18049
nur Informationsartikel
Nie mehr lieferbar
keine Alternativen
Pos.
49
BOSCH Ersatzteil | Ersatzteile für CLUB B17 | F016L20251
Hersteller: BOSCH
Artikelnummer: EB-F016L80391-F016L20251
nur Informationsartikel
Nie mehr lieferbar
keine Alternativen
Pos.
50
BOSCH Führungsplatte | Ersatzteile für CLUB B17 | F016101058
Hersteller: BOSCH
Artikelnummer: EB-F016L80391-F016101058
nur Informationsartikel
Nie mehr lieferbar
keine Alternativen
Pos.
52
BOSCH Innensechskantschraube 5/16 UNF | Ersatzteile für CLUB B17 | F016L24690
Hersteller: BOSCH
Artikelnummer: EB-F016L80391-F016L24690
Netto: 3,60 € zzgl. MwSt.
zzgl. 6,90 € Versand (brutto)
einmalig pro Bestellung

Lieferzeit: 5 Werktage

Pos.
53
BOSCH Versteifungsblech | Ersatzteile für CLUB B17 | F016101186
Hersteller: BOSCH
Artikelnummer: EB-F016L80391-F016101186
nur Informationsartikel
Nie mehr lieferbar
keine Alternativen
Pos.
54
BOSCH Unterlegscheibe 8,5 MM | Ersatzteile für CLUB B17 | F016L35411
Hersteller: BOSCH
Artikelnummer: EB-F016L80391-F016L35411
Netto: 3,60 € zzgl. MwSt.
zzgl. 6,90 € Versand (brutto)
einmalig pro Bestellung

Lieferzeit: 5 Werktage

Pos.
55
BOSCH Zahnriemen Z=128 | Ersatzteile für CLUB B17 | F016L23014
Hersteller: BOSCH
Artikelnummer: EB-F016L80391-F016L23014
nur Informationsartikel
Nie mehr lieferbar
keine Alternativen
Pos.
56
BOSCH Klebeschild | Ersatzteile für CLUB B17 | F016L32790
Hersteller: BOSCH
Artikelnummer: EB-F016L80391-F016L32790
nur Informationsartikel
Nie mehr lieferbar
keine Alternativen
Pos.
57
BOSCH Klebeschild | Ersatzteile für CLUB B17 | F016L32237
Hersteller: BOSCH
Artikelnummer: EB-F016L80391-F016L32237
nur Informationsartikel
Nie mehr lieferbar
keine Alternativen
Pos.
58
BOSCH Hinweisschild | Ersatzteile für CLUB B17 | F016L17696
Hersteller: BOSCH
Artikelnummer: EB-F016L80391-F016L17696
nur Informationsartikel
Nie mehr lieferbar
keine Alternativen
Pos.
59
BOSCH Hinweisschild | Ersatzteile für CLUB B17 | F016L24510
Hersteller: BOSCH
Artikelnummer: EB-F016L80391-F016L24510
nur Informationsartikel
Nie mehr lieferbar
keine Alternativen
Pos.
301
BOSCH Handgriff | Ersatzteile für CLUB B17 | F016101055
Hersteller: BOSCH
Artikelnummer: EB-F016L80391-F016101055
nur Informationsartikel
Nie mehr lieferbar
keine Alternativen
Pos.
302
BOSCH Auslösehebel | Ersatzteile für CLUB B17 | F016L37127
Hersteller: BOSCH
Artikelnummer: EB-F016L80391-F016L37127
Netto: 9,05 € zzgl. MwSt.
zzgl. 6,90 € Versand (brutto)
einmalig pro Bestellung

Lieferzeit: 5 Werktage

Pos.
303
BOSCH Handgriff | Ersatzteile für CLUB B17 | F016L36726
Hersteller: BOSCH
Artikelnummer: EB-F016L80391-F016L36726
nur Informationsartikel
Nie mehr lieferbar
keine Alternativen
Pos.
304
BOSCH Hebel | Ersatzteile für CLUB B17 | F016103833
Hersteller: BOSCH
Artikelnummer: EB-F016L80391-F016103833
nur Informationsartikel
Nie mehr lieferbar
keine Alternativen
Pos.
305
BOSCH Klemmbügel | Ersatzteile für CLUB B17 | F016102053
Hersteller: BOSCH
Artikelnummer: EB-F016L80391-F016102053
nur Informationsartikel
Nie mehr lieferbar
keine Alternativen
Pos.
306
BOSCH Sicherungskappe Ø8 MM SCHWARZ | Ersatzteile für CLUB B17 | F016T48990
Hersteller: BOSCH
Artikelnummer: EB-F016L80391-F016T48990
Netto: 3,60 € zzgl. MwSt.
zzgl. 6,90 € Versand (brutto)
einmalig pro Bestellung

Lieferzeit: 5 Werktage

Pos.
307
BOSCH Schraube M5x32 | Ersatzteile für CLUB B17 | F016L36722
Hersteller: BOSCH
Artikelnummer: EB-F016L80391-F016L36722
Netto: 3,60 € zzgl. MwSt.
zzgl. 6,90 € Versand (brutto)
einmalig pro Bestellung

Lieferzeit: 5 Werktage

Pos.
308
BOSCH Mutter M5 | Ersatzteile für CLUB B17 | F016L36836
Hersteller: BOSCH
Artikelnummer: EB-F016L80391-F016L36836
Netto: 3,60 € zzgl. MwSt.
zzgl. 6,90 € Versand (brutto)
einmalig pro Bestellung

Lieferzeit: 5 Werktage

Pos.
309
BOSCH Schraube | Ersatzteile für CLUB B17 | F016T48002
Hersteller: BOSCH
Artikelnummer: EB-F016L80391-F016T48002
Netto: 3,60 € zzgl. MwSt.
zzgl. 6,90 € Versand (brutto)
einmalig pro Bestellung

Lieferzeit: 5 Werktage

Pos.
310
BOSCH Mutter | Ersatzteile für CLUB B17 | F016L11228
Hersteller: BOSCH
Artikelnummer: EB-F016L80391-F016L11228
nur Informationsartikel
Nie mehr lieferbar
keine Alternativen
Pos.
311
BOSCH Halter | Ersatzteile für CLUB B17 | F016103834
Hersteller: BOSCH
Artikelnummer: EB-F016L80391-F016103834
Netto: 7,26 € zzgl. MwSt.
zzgl. 6,90 € Versand (brutto)
einmalig pro Bestellung

Lieferzeit: 64 Werktage

Pos.
312
BOSCH Verschlusskappe | Ersatzteile für CLUB B17 | F016L22812
Hersteller: BOSCH
Artikelnummer: EB-F016L80391-F016L22812
nur Informationsartikel
Nie mehr lieferbar
keine Alternativen
Pos.
313
BOSCH Kraftstoffbehälter GRUEN | Ersatzteile für CLUB B17 | F016L32867
Hersteller: BOSCH
Artikelnummer: EB-F016L80391-F016L32867
Netto: 16,70 € zzgl. MwSt.
zzgl. 6,90 € Versand (brutto)
einmalig pro Bestellung

Lieferzeit: 5 Werktage

Pos.
314
BOSCH Hahn SCHWARZ | Ersatzteile für CLUB B17 | F016L35380
Hersteller: BOSCH
Artikelnummer: EB-F016L80391-F016L35380
nur Informationsartikel
Nie mehr lieferbar
keine Alternativen
Pos.
315
BOSCH Kraftstoffschlauch | Ersatzteile für CLUB B17 | F016L12723
Hersteller: BOSCH
Artikelnummer: EB-F016L80391-F016L12723
Netto: 3,60 € zzgl. MwSt.
zzgl. 6,90 € Versand (brutto)
einmalig pro Bestellung

Lieferzeit: 5 Werktage

Pos.
316
BOSCH Spezialmutter | Ersatzteile für CLUB B17 | F016L22701
Hersteller: BOSCH
Artikelnummer: EB-F016L80391-F016L22701
Netto: 4,36 € zzgl. MwSt.
zzgl. 6,90 € Versand (brutto)
einmalig pro Bestellung

Lieferzeit: 5 Werktage

Pos.
317
BOSCH Federscheibe M6 | Ersatzteile für CLUB B17 | F016L22700
Hersteller: BOSCH
Artikelnummer: EB-F016L80391-F016L22700
Netto: 3,60 € zzgl. MwSt.
zzgl. 6,90 € Versand (brutto)
einmalig pro Bestellung

Lieferzeit: 5 Werktage

Pos.
318
BOSCH Unterlegscheibe 12,1X6,4X1,5 | Ersatzteile für CLUB B17 | F016L18129
Hersteller: BOSCH
Artikelnummer: EB-F016L80391-F016L18129
Netto: 3,60 € zzgl. MwSt.
zzgl. 6,90 € Versand (brutto)
einmalig pro Bestellung

Lieferzeit: 5 Werktage

Pos.
319
BOSCH Seilzug | Ersatzteile für CLUB B17 | F016L36724
Hersteller: BOSCH
Artikelnummer: EB-F016L80391-F016L36724
Netto: 9,75 € zzgl. MwSt.
zzgl. 6,90 € Versand (brutto)
einmalig pro Bestellung

Lieferzeit: 5 Werktage

Pos.
320
BOSCH Seilzug | Ersatzteile für CLUB B17 | F016L36723
Hersteller: BOSCH
Artikelnummer: EB-F016L80391-F016L36723
Netto: 12,50 € zzgl. MwSt.
zzgl. 6,90 € Versand (brutto)
einmalig pro Bestellung

Lieferzeit: 5 Werktage

Pos.
321
BOSCH Seilzug | Ersatzteile für CLUB B17 | F016L22777
Hersteller: BOSCH
Artikelnummer: EB-F016L80391-F016L22777
nur Informationsartikel
Nie mehr lieferbar
keine Alternativen
Pos.
322
BOSCH Teilesatz | Ersatzteile für CLUB B17 | F016L22530
Hersteller: BOSCH
Artikelnummer: EB-F016L80391-F016L22530
nur Informationsartikel
Nie mehr lieferbar
keine Alternativen
Pos.
324
BOSCH Laufbolzen | Ersatzteile für CLUB B17 | F016T46339
Hersteller: BOSCH
Artikelnummer: EB-F016L80391-F016T46339
nur Informationsartikel
Nie mehr lieferbar
keine Alternativen
Pos.
325
BOSCH Seil | Ersatzteile für CLUB B17 | F016L22664
Hersteller: BOSCH
Artikelnummer: EB-F016L80391-F016L22664
nur Informationsartikel
Nie mehr lieferbar
keine Alternativen
Pos.
326
BOSCH Griff | Ersatzteile für CLUB B17 | F016L11932
Hersteller: BOSCH
Artikelnummer: EB-F016L80391-F016L11932
nur Informationsartikel
Nie mehr lieferbar
keine Alternativen
Pos.
327
BOSCH Schneidring | Ersatzteile für CLUB B17 | F016L22692
Hersteller: BOSCH
Artikelnummer: EB-F016L80391-F016L22692
nur Informationsartikel
Nie mehr lieferbar
keine Alternativen
Pos.
328
BOSCH Schalthebel | Ersatzteile für CLUB B17 | F016L22758
Hersteller: BOSCH
Artikelnummer: EB-F016L80391-F016L22758
nur Informationsartikel
Nie mehr lieferbar
keine Alternativen
Pos.
329
BOSCH Mutter | Ersatzteile für CLUB B17 | F016L35309
Hersteller: BOSCH
Artikelnummer: EB-F016L80391-F016L35309
nur Informationsartikel
Nie mehr lieferbar
keine Alternativen
Pos.
330
BOSCH Unterlegscheibe | Ersatzteile für CLUB B17 | F016L35302
Hersteller: BOSCH
Artikelnummer: EB-F016L80391-F016L35302
Netto: 3,60 € zzgl. MwSt.
zzgl. 6,90 € Versand (brutto)
einmalig pro Bestellung

Lieferzeit: 5 Werktage

Pos.
337
BOSCH Klemmbügel | Ersatzteile für CLUB B17 | F016102054
Hersteller: BOSCH
Artikelnummer: EB-F016L80391-F016102054
nur Informationsartikel
Nie mehr lieferbar
keine Alternativen
Pos.
338
BOSCH Schalthebel | Ersatzteile für CLUB B17 | F016L36714
Hersteller: BOSCH
Artikelnummer: EB-F016L80391-F016L36714
nur Informationsartikel
Nie mehr lieferbar
keine Alternativen
Pos.
339
BOSCH Halter | Ersatzteile für CLUB B17 | F016L36717
Hersteller: BOSCH
Artikelnummer: EB-F016L80391-F016L36717
nur Informationsartikel
Nie mehr lieferbar
keine Alternativen
Pos.
340
BOSCH Buchse | Ersatzteile für CLUB B17 | F016L36719
Hersteller: BOSCH
Artikelnummer: EB-F016L80391-F016L36719
nur Informationsartikel
Nie mehr lieferbar
keine Alternativen
Pos.
341
BOSCH Reparatursatz | Ersatzteile für CLUB B17 | F016L37700
Hersteller: BOSCH
Artikelnummer: EB-F016L80391-F016L37700
nur Informationsartikel
Nie mehr lieferbar
keine Alternativen
Pos.
342
BOSCH Klebeschild | Ersatzteile für CLUB B17 | F016L22764
Hersteller: BOSCH
Artikelnummer: EB-F016L80391-F016L22764
nur Informationsartikel
Nie mehr lieferbar
keine Alternativen
Pos.
401
BOSCH Verschlusskappe | Ersatzteile für CLUB B17 | F016L09623
Hersteller: BOSCH
Artikelnummer: EB-F016L80391-F016L09623
Netto: 3,60 € zzgl. MwSt.
zzgl. 6,90 € Versand (brutto)
einmalig pro Bestellung

Lieferzeit: 5 Werktage

Pos.
402
BOSCH Lagerblock | Ersatzteile für CLUB B17 | F016L24627
Hersteller: BOSCH
Artikelnummer: EB-F016L80391-F016L24627
Netto: 10,62 € zzgl. MwSt.
zzgl. 6,90 € Versand (brutto)
einmalig pro Bestellung

Lieferzeit: 5 Werktage

Pos.
403
BOSCH Endwinkel | Ersatzteile für CLUB B17 | F016100351
Hersteller: BOSCH
Artikelnummer: EB-F016L80391-F016100351
nur Informationsartikel
Nie mehr lieferbar
keine Alternativen
Pos.
406
BOSCH Kugellager | Ersatzteile für CLUB B17 | F016L05150
Hersteller: BOSCH
Artikelnummer: EB-F016L80391-F016L05150
nur Informationsartikel
Nie mehr lieferbar
keine Alternativen
Pos.
407
BOSCH Scheibe | Ersatzteile für CLUB B17 | F016L09619
Hersteller: BOSCH
Artikelnummer: EB-F016L80391-F016L09619
nur Informationsartikel
Nie mehr lieferbar
keine Alternativen
Pos.
408
BOSCH Unterlegscheibe 1,213X630X028 | Ersatzteile für CLUB B17 | F016L09685
Hersteller: BOSCH
Artikelnummer: EB-F016L80391-F016L09685
Netto: 3,60 € zzgl. MwSt.
zzgl. 6,90 € Versand (brutto)
einmalig pro Bestellung

Lieferzeit: 5 Werktage

Pos.
409
BOSCH Maehspindel | Ersatzteile für CLUB B17 | F016100491
Hersteller: BOSCH
Artikelnummer: EB-F016L80391-F016100491
nur Informationsartikel
Nie mehr lieferbar
keine Alternativen
Pos.
410
BOSCH Lagerhalter | Ersatzteile für CLUB B17 | F016L24629
Hersteller: BOSCH
Artikelnummer: EB-F016L80391-F016L24629
nur Informationsartikel
Nie mehr lieferbar
keine Alternativen
Pos.
413
BOSCH Endwinkel | Ersatzteile für CLUB B17 | F016100350
Hersteller: BOSCH
Artikelnummer: EB-F016L80391-F016100350
nur Informationsartikel
Nie mehr lieferbar
keine Alternativen
Pos.
414
BOSCH Feder | Ersatzteile für CLUB B17 | F016L23146
Hersteller: BOSCH
Artikelnummer: EB-F016L80391-F016L23146
Netto: 4,80 € zzgl. MwSt.
zzgl. 6,90 € Versand (brutto)
einmalig pro Bestellung

Lieferzeit: 5 Werktage

Pos.
415
BOSCH Filzring | Ersatzteile für CLUB B17 | F016L09626
Hersteller: BOSCH
Artikelnummer: EB-F016L80391-F016L09626
Netto: 3,60 € zzgl. MwSt.
zzgl. 6,90 € Versand (brutto)
einmalig pro Bestellung

Lieferzeit: 5 Werktage

Pos.
416
BOSCH Scheibe | Ersatzteile für CLUB B17 | F016L09625
Hersteller: BOSCH
Artikelnummer: EB-F016L80391-F016L09625
nur Informationsartikel
Nie mehr lieferbar
keine Alternativen
Pos.
417
BOSCH Scheibe | Ersatzteile für CLUB B17 | F016L09620
Hersteller: BOSCH
Artikelnummer: EB-F016L80391-F016L09620
Netto: 3,60 € zzgl. MwSt.
zzgl. 6,90 € Versand (brutto)
einmalig pro Bestellung

Lieferzeit: 5 Werktage

Pos.
418
BOSCH Scheibe | Ersatzteile für CLUB B17 | F016L09621
Hersteller: BOSCH
Artikelnummer: EB-F016L80391-F016L09621
nur Informationsartikel
Nie mehr lieferbar
keine Alternativen
Pos.
419
BOSCH Sicherungsbügel | Ersatzteile für CLUB B17 | F016L09624
Hersteller: BOSCH
Artikelnummer: EB-F016L80391-F016L09624
nur Informationsartikel
Nie mehr lieferbar
keine Alternativen
Pos.
420
BOSCH Transportschiene | Ersatzteile für CLUB B17 | F016L23016
Hersteller: BOSCH
Artikelnummer: EB-F016L80391-F016L23016
nur Informationsartikel
Nie mehr lieferbar
keine Alternativen
Pos.
421
BOSCH Zahnriemenrad Z=46 | Ersatzteile für CLUB B17 | F016L22654
Hersteller: BOSCH
Artikelnummer: EB-F016L80391-F016L22654
nur Informationsartikel
Nie mehr lieferbar
keine Alternativen
Pos.
422
BOSCH Abstandshülse | Ersatzteile für CLUB B17 | F016L23015
Hersteller: BOSCH
Artikelnummer: EB-F016L80391-F016L23015
nur Informationsartikel
Nie mehr lieferbar
keine Alternativen
Pos.
501
BOSCH Sicherungsbügel 7/8" | Ersatzteile für CLUB B17 | F016L11931
Hersteller: BOSCH
Artikelnummer: EB-F016L80391-F016L11931
nur Informationsartikel
Nie mehr lieferbar
keine Alternativen
Pos.
503
BOSCH Lagerbuchse | Ersatzteile für CLUB B17 | F016L04399
Hersteller: BOSCH
Artikelnummer: EB-F016L80391-F016L04399
nur Informationsartikel
Nie mehr lieferbar
keine Alternativen
Pos.
504
BOSCH Rollwalze | Ersatzteile für CLUB B17 | F016100488
Hersteller: BOSCH
Artikelnummer: EB-F016L80391-F016100488
nur Informationsartikel
Nie mehr lieferbar
keine Alternativen
Pos.
506
BOSCH Ratsche | Ersatzteile für CLUB B17 | F016L09429
Hersteller: BOSCH
Artikelnummer: EB-F016L80391-F016L09429
nur Informationsartikel
Nie mehr lieferbar
keine Alternativen
Pos.
507
BOSCH Feder | Ersatzteile für CLUB B17 | F016L09635
Hersteller: BOSCH
Artikelnummer: EB-F016L80391-F016L09635
nur Informationsartikel
Nie mehr lieferbar
keine Alternativen
Pos.
508
BOSCH Ratsche | Ersatzteile für CLUB B17 | F016L09428
Hersteller: BOSCH
Artikelnummer: EB-F016L80391-F016L09428
Netto: 4,80 € zzgl. MwSt.
zzgl. 6,90 € Versand (brutto)
einmalig pro Bestellung

Lieferzeit: 5 Werktage

Pos.
509
BOSCH Staubschutzdeckel | Ersatzteile für CLUB B17 | F016L22280
Hersteller: BOSCH
Artikelnummer: EB-F016L80391-F016L22280
nur Informationsartikel
Nie mehr lieferbar
keine Alternativen
Pos.
510
BOSCH Rollwalze | Ersatzteile für CLUB B17 | F016100103
Hersteller: BOSCH
Artikelnummer: EB-F016L80391-F016100103
nur Informationsartikel
Nie mehr lieferbar
keine Alternativen
Pos.
511
BOSCH Mutter 5/8 UNF | Ersatzteile für CLUB B17 | F016L20261
Hersteller: BOSCH
Artikelnummer: EB-F016L80391-F016L20261
nur Informationsartikel
Nie mehr lieferbar
keine Alternativen
Pos.
512
BOSCH Scheibe | Ersatzteile für CLUB B17 | F016L09683
Hersteller: BOSCH
Artikelnummer: EB-F016L80391-F016L09683
nur Informationsartikel
Nie mehr lieferbar
keine Alternativen
Pos.
513
BOSCH Transportschiene Z=20 | Ersatzteile für CLUB B17 | F016L09693
Hersteller: BOSCH
Artikelnummer: EB-F016L80391-F016L09693
nur Informationsartikel
Nie mehr lieferbar
keine Alternativen
Pos.
514
BOSCH Schutzring | Ersatzteile für CLUB B17 | F016L09645
Hersteller: BOSCH
Artikelnummer: EB-F016L80391-F016L09645
nur Informationsartikel
Nie mehr lieferbar
keine Alternativen
Pos.
515
BOSCH Kragen | Ersatzteile für CLUB B17 | F016L09647
Hersteller: BOSCH
Artikelnummer: EB-F016L80391-F016L09647
Netto: 3,60 € zzgl. MwSt.
zzgl. 6,90 € Versand (brutto)
einmalig pro Bestellung

Lieferzeit: 5 Werktage

Pos.
516
BOSCH Lager | Ersatzteile für CLUB B17 | F016L06856
Hersteller: BOSCH
Artikelnummer: EB-F016L80391-F016L06856
nur Informationsartikel
Nie mehr lieferbar
keine Alternativen
Pos.
517
BOSCH Unterlegscheibe | Ersatzteile für CLUB B17 | F016L09631
Hersteller: BOSCH
Artikelnummer: EB-F016L80391-F016L09631
nur Informationsartikel
Nie mehr lieferbar
keine Alternativen
Pos.
518
BOSCH Lagerhalter | Ersatzteile für CLUB B17 | F016100338
Hersteller: BOSCH
Artikelnummer: EB-F016L80391-F016100338
nur Informationsartikel
Nie mehr lieferbar
keine Alternativen
Pos.
519
BOSCH Schutzring | Ersatzteile für CLUB B17 | F016L09646
Hersteller: BOSCH
Artikelnummer: EB-F016L80391-F016L09646
nur Informationsartikel
Nie mehr lieferbar
keine Alternativen
Pos.
520
BOSCH Rolle | Ersatzteile für CLUB B17 | F016L20284
Hersteller: BOSCH
Artikelnummer: EB-F016L80391-F016L20284
nur Informationsartikel
Nie mehr lieferbar
keine Alternativen
Pos.
521
BOSCH Mitnehmerfuss | Ersatzteile für CLUB B17 | F016L08156
Hersteller: BOSCH
Artikelnummer: EB-F016L80391-F016L08156
nur Informationsartikel
Nie mehr lieferbar
keine Alternativen
Pos.
522
BOSCH Sicherungsbügel | Ersatzteile für CLUB B17 | F016L09636
Hersteller: BOSCH
Artikelnummer: EB-F016L80391-F016L09636
nur Informationsartikel
Nie mehr lieferbar
keine Alternativen
Pos.
523
BOSCH Schutzring | Ersatzteile für CLUB B17 | F016L09628
Hersteller: BOSCH
Artikelnummer: EB-F016L80391-F016L09628
nur Informationsartikel
Nie mehr lieferbar
keine Alternativen
Pos.
524
BOSCH Unterlegscheibe | Ersatzteile für CLUB B17 | F016L09682
Hersteller: BOSCH
Artikelnummer: EB-F016L80391-F016L09682
nur Informationsartikel
Nie mehr lieferbar
keine Alternativen
Pos.
525
BOSCH Schraube 1/4 UNF-LH X 1/2 | Ersatzteile für CLUB B17 | F016L20263
Hersteller: BOSCH
Artikelnummer: EB-F016L80391-F016L20263
Netto: 5,17 € zzgl. MwSt.
zzgl. 6,90 € Versand (brutto)
einmalig pro Bestellung

Lieferzeit: 5 Werktage

Pos.
526
BOSCH Lagerhalter | Ersatzteile für CLUB B17 | F016100480
Hersteller: BOSCH
Artikelnummer: EB-F016L80391-F016100480
nur Informationsartikel
Nie mehr lieferbar
keine Alternativen
Pos.
601
BOSCH Einstellschraube | Ersatzteile für CLUB B17 | F016L22407
Hersteller: BOSCH
Artikelnummer: EB-F016L80391-F016L22407
nur Informationsartikel
Nie mehr lieferbar
keine Alternativen
Pos.
602
BOSCH Ersatzteil | Ersatzteile für CLUB B17 | F016101500
Hersteller: BOSCH
Artikelnummer: EB-F016L80391-F016101500
nur Informationsartikel
Nie mehr lieferbar
keine Alternativen
Pos.
603
BOSCH Laufbolzen 5/16 UNF X 3/4 | Ersatzteile für CLUB B17 | F016L20346
Hersteller: BOSCH
Artikelnummer: EB-F016L80391-F016L20346
nur Informationsartikel
Nie mehr lieferbar
keine Alternativen
Pos.
604
BOSCH Federscheibe | Ersatzteile für CLUB B17 | F016L13288
Hersteller: BOSCH
Artikelnummer: EB-F016L80391-F016L13288
nur Informationsartikel
Nie mehr lieferbar
keine Alternativen
Pos.
605
BOSCH Mutter | Ersatzteile für CLUB B17 | F016L18728
Hersteller: BOSCH
Artikelnummer: EB-F016L80391-F016L18728
nur Informationsartikel
Nie mehr lieferbar
keine Alternativen
Pos.
606
BOSCH Spezialmutter | Ersatzteile für CLUB B17 | F016L13910
Hersteller: BOSCH
Artikelnummer: EB-F016L80391-F016L13910
Netto: 6,75 € zzgl. MwSt.
zzgl. 6,90 € Versand (brutto)
einmalig pro Bestellung

Lieferzeit: 5 Werktage

Pos.
607
BOSCH Lagerbuchse | Ersatzteile für CLUB B17 | F016L07771
Hersteller: BOSCH
Artikelnummer: EB-F016L80391-F016L07771
nur Informationsartikel
Nie mehr lieferbar
keine Alternativen
Pos.
608
BOSCH Beilegring | Ersatzteile für CLUB B17 | F016L22389
Hersteller: BOSCH
Artikelnummer: EB-F016L80391-F016L22389
nur Informationsartikel
Nie mehr lieferbar
keine Alternativen
Pos.
611
BOSCH Einstellstück | Ersatzteile für CLUB B17 | F016101039
Hersteller: BOSCH
Artikelnummer: EB-F016L80391-F016101039
nur Informationsartikel
Nie mehr lieferbar
keine Alternativen
Pos.
612
BOSCH Mutter | Ersatzteile für CLUB B17 | F016L21109
Hersteller: BOSCH
Artikelnummer: EB-F016L80391-F016L21109
nur Informationsartikel
Nie mehr lieferbar
keine Alternativen
Pos.
613
BOSCH Sicherungsscheibe | Ersatzteile für CLUB B17 | F016L11107
Hersteller: BOSCH
Artikelnummer: EB-F016L80391-F016L11107
nur Informationsartikel
Nie mehr lieferbar
keine Alternativen
Pos.
614
BOSCH Ersatzteil | Ersatzteile für CLUB B17 | F016101178
Hersteller: BOSCH
Artikelnummer: EB-F016L80391-F016101178
nur Informationsartikel
Nie mehr lieferbar
keine Alternativen
Pos.
617
BOSCH Federaufnahme | Ersatzteile für CLUB B17 | F016L22938
Hersteller: BOSCH
Artikelnummer: EB-F016L80391-F016L22938
nur Informationsartikel
Nie mehr lieferbar
keine Alternativen
Pos.
618
BOSCH Feder | Ersatzteile für CLUB B17 | F016L22944
Hersteller: BOSCH
Artikelnummer: EB-F016L80391-F016L22944
nur Informationsartikel
Nie mehr lieferbar
keine Alternativen
Pos.
619
BOSCH Splint 1/8"X3/4" | Ersatzteile für CLUB B17 | F016L10121
Hersteller: BOSCH
Artikelnummer: EB-F016L80391-F016L10121
nur Informationsartikel
Nie mehr lieferbar
keine Alternativen
Pos.
622
BOSCH Ersatzteil | Ersatzteile für CLUB B17 | F016101436
Hersteller: BOSCH
Artikelnummer: EB-F016L80391-F016101436
nur Informationsartikel
Nie mehr lieferbar
keine Alternativen
Pos.
623
BOSCH Nippel | Ersatzteile für CLUB B17 | F016L17057
Hersteller: BOSCH
Artikelnummer: EB-F016L80391-F016L17057
Netto: 3,94 € zzgl. MwSt.
zzgl. 6,90 € Versand (brutto)
einmalig pro Bestellung

Lieferzeit: 5 Werktage

Pos.
624
BOSCH Beilegring | Ersatzteile für CLUB B17 | F016L34975
Hersteller: BOSCH
Artikelnummer: EB-F016L80391-F016L34975
nur Informationsartikel
Nie mehr lieferbar
keine Alternativen
Pos.
625
BOSCH Lager | Ersatzteile für CLUB B17 | F016L17058
Hersteller: BOSCH
Artikelnummer: EB-F016L80391-F016L17058
nur Informationsartikel
Nie mehr lieferbar
keine Alternativen
Pos.
628
BOSCH Sicherungsmutter | Ersatzteile für CLUB B17 | F016L06957
Hersteller: BOSCH
Artikelnummer: EB-F016L80391-F016L06957
nur Informationsartikel
Nie mehr lieferbar
keine Alternativen
Pos.
629
BOSCH Unterlegscheibe | Ersatzteile für CLUB B17 | F016L17849
Hersteller: BOSCH
Artikelnummer: EB-F016L80391-F016L17849
Netto: 3,60 € zzgl. MwSt.
zzgl. 6,90 € Versand (brutto)
einmalig pro Bestellung

Lieferzeit: 5 Werktage

Pos.
630
BOSCH Rolle | Ersatzteile für CLUB B17 | F016L34973
Hersteller: BOSCH
Artikelnummer: EB-F016L80391-F016L34973
nur Informationsartikel
Nie mehr lieferbar
keine Alternativen
Pos.
631
BOSCH Spindel | Ersatzteile für CLUB B17 | F016L34972
Hersteller: BOSCH
Artikelnummer: EB-F016L80391-F016L34972
nur Informationsartikel
Nie mehr lieferbar
keine Alternativen
Pos.
632
BOSCH Sicherungsmutter | Ersatzteile für CLUB B17 | F016L06956
Hersteller: BOSCH
Artikelnummer: EB-F016L80391-F016L06956
nur Informationsartikel
Nie mehr lieferbar
keine Alternativen
Pos.
635
BOSCH Lagerbuchse | Ersatzteile für CLUB B17 | F016L05343
Hersteller: BOSCH
Artikelnummer: EB-F016L80391-F016L05343
nur Informationsartikel
Nie mehr lieferbar
keine Alternativen
Pos.
636
BOSCH Zugfeder | Ersatzteile für CLUB B17 | F016L22943
Hersteller: BOSCH
Artikelnummer: EB-F016L80391-F016L22943
nur Informationsartikel
Nie mehr lieferbar
keine Alternativen
Pos.
637
BOSCH Feder | Ersatzteile für CLUB B17 | F016L22942
Hersteller: BOSCH
Artikelnummer: EB-F016L80391-F016L22942
nur Informationsartikel
Nie mehr lieferbar
keine Alternativen
Pos.
638
BOSCH Ersatzteil | Ersatzteile für CLUB B17 | F016101180
Hersteller: BOSCH
Artikelnummer: EB-F016L80391-F016101180
nur Informationsartikel
Nie mehr lieferbar
keine Alternativen
Pos.
639
BOSCH Rollenträger | Ersatzteile für CLUB B17 | F016100478
Hersteller: BOSCH
Artikelnummer: EB-F016L80391-F016100478
nur Informationsartikel
Nie mehr lieferbar
keine Alternativen
Pos.
640
BOSCH Mutter 5/16-UNF D/C | Ersatzteile für CLUB B17 | F016L20303
Hersteller: BOSCH
Artikelnummer: EB-F016L80391-F016L20303
Netto: 3,60 € zzgl. MwSt.
zzgl. 6,90 € Versand (brutto)
einmalig pro Bestellung

Lieferzeit: 5 Werktage

Pos.
641
BOSCH Sicherungsscheibe 1/2" | Ersatzteile für CLUB B17 | F016L18181
Hersteller: BOSCH
Artikelnummer: EB-F016L80391-F016L18181
Netto: 4,36 € zzgl. MwSt.
zzgl. 6,90 € Versand (brutto)
einmalig pro Bestellung

Lieferzeit: 5 Werktage

Pos.
642
BOSCH Zugstange | Ersatzteile für CLUB B17 | F016L22386
Hersteller: BOSCH
Artikelnummer: EB-F016L80391-F016L22386
nur Informationsartikel
Nie mehr lieferbar
keine Alternativen
Pos.
644
BOSCH Formscheibe | Ersatzteile für CLUB B17 | F016L18177
Hersteller: BOSCH
Artikelnummer: EB-F016L80391-F016L18177
nur Informationsartikel
Nie mehr lieferbar
keine Alternativen
Pos.
701
BOSCH Schraube | Ersatzteile für CLUB B17 | F016L03846
Hersteller: BOSCH
Artikelnummer: EB-F016L80391-F016L03846
nur Informationsartikel
Nie mehr lieferbar
keine Alternativen
Pos.
702
BOSCH Kupplungsstück | Ersatzteile für CLUB B17 | F016L09518
Hersteller: BOSCH
Artikelnummer: EB-F016L80391-F016L09518
nur Informationsartikel
Nie mehr lieferbar
keine Alternativen
Pos.
705
BOSCH Lagerbuchse | Ersatzteile für CLUB B17 | F016L09497
Hersteller: BOSCH
Artikelnummer: EB-F016L80391-F016L09497
Netto: 8,23 € zzgl. MwSt.
zzgl. 6,90 € Versand (brutto)
einmalig pro Bestellung

Lieferzeit: 5 Werktage

Pos.
706
BOSCH Mitnehmerfuss | Ersatzteile für CLUB B17 | F016L09495
Hersteller: BOSCH
Artikelnummer: EB-F016L80391-F016L09495
nur Informationsartikel
Nie mehr lieferbar
keine Alternativen
Pos.
707
BOSCH Splint 5/32" X 1.1/4" | Ersatzteile für CLUB B17 | F016L09496
Hersteller: BOSCH
Artikelnummer: EB-F016L80391-F016L09496
Netto: 3,60 € zzgl. MwSt.
zzgl. 6,90 € Versand (brutto)
einmalig pro Bestellung

Lieferzeit: 5 Werktage

Pos.
708
BOSCH Scheibenfeder 5/32" X 3/4 | Ersatzteile für CLUB B17 | F016L09494
Hersteller: BOSCH
Artikelnummer: EB-F016L80391-F016L09494
Netto: 3,60 € zzgl. MwSt.
zzgl. 6,90 € Versand (brutto)
einmalig pro Bestellung

Lieferzeit: 5 Werktage

Pos.
709
BOSCH Kupplungswelle 17" | Ersatzteile für CLUB B17 | F016L23011
Hersteller: BOSCH
Artikelnummer: EB-F016L80391-F016L23011
nur Informationsartikel
Nie mehr lieferbar
keine Alternativen
Pos.
710
BOSCH Seilzug | Ersatzteile für CLUB B17 | F016L22691
Hersteller: BOSCH
Artikelnummer: EB-F016L80391-F016L22691
nur Informationsartikel
Nie mehr lieferbar
keine Alternativen
Pos.
711
BOSCH Ersatzteil | Ersatzteile für CLUB B17 | F016100342
Hersteller: BOSCH
Artikelnummer: EB-F016L80391-F016100342
nur Informationsartikel
Nie mehr lieferbar
keine Alternativen
Pos.
714
BOSCH Feder | Ersatzteile für CLUB B17 | F016100341
Hersteller: BOSCH
Artikelnummer: EB-F016L80391-F016100341
nur Informationsartikel
Nie mehr lieferbar
keine Alternativen
Pos.
715
BOSCH Ersatzteil | Ersatzteile für CLUB B17 | F016L09746
Hersteller: BOSCH
Artikelnummer: EB-F016L80391-F016L09746
nur Informationsartikel
Nie mehr lieferbar
keine Alternativen
Pos.
716
BOSCH Kupplungsgabel | Ersatzteile für CLUB B17 | F016L22598
Hersteller: BOSCH
Artikelnummer: EB-F016L80391-F016L22598
nur Informationsartikel
Nie mehr lieferbar
keine Alternativen
Pos.
717
BOSCH Kupplungsgabel | Ersatzteile für CLUB B17 | F016L22597
Hersteller: BOSCH
Artikelnummer: EB-F016L80391-F016L22597
nur Informationsartikel
Nie mehr lieferbar
keine Alternativen
Pos.
719
BOSCH Einstellhülse | Ersatzteile für CLUB B17 | F016L09422
Hersteller: BOSCH
Artikelnummer: EB-F016L80391-F016L09422
Netto: 6,27 € zzgl. MwSt.
zzgl. 6,90 € Versand (brutto)
einmalig pro Bestellung

Lieferzeit: 5 Werktage

Pos.
720
BOSCH Regelhebel | Ersatzteile für CLUB B17 | F016100379
Hersteller: BOSCH
Artikelnummer: EB-F016L80391-F016100379
nur Informationsartikel
Nie mehr lieferbar
keine Alternativen
Pos.
721
BOSCH Kugellager | Ersatzteile für CLUB B17 | F016L03730
Hersteller: BOSCH
Artikelnummer: EB-F016L80391-F016L03730
nur Informationsartikel
Nie mehr lieferbar
keine Alternativen
Pos.
722
BOSCH Lagerhalter | Ersatzteile für CLUB B17 | F016102969
Hersteller: BOSCH
Artikelnummer: EB-F016L80391-F016102969
nur Informationsartikel
Nie mehr lieferbar
keine Alternativen
Pos.
723
BOSCH Zahnriemenrad | Ersatzteile für CLUB B17 | F016L22642
Hersteller: BOSCH
Artikelnummer: EB-F016L80391-F016L22642
Netto: 5,65 € zzgl. MwSt.
zzgl. 6,90 € Versand (brutto)
einmalig pro Bestellung

Lieferzeit: 5 Werktage

Pos.
726
BOSCH Regelhebel | Ersatzteile für CLUB B17 | F016100088
Hersteller: BOSCH
Artikelnummer: EB-F016L80391-F016100088
nur Informationsartikel
Nie mehr lieferbar
keine Alternativen
Pos.
727
BOSCH Bolzen | Ersatzteile für CLUB B17 | F016L09509
Hersteller: BOSCH
Artikelnummer: EB-F016L80391-F016L09509
nur Informationsartikel
Nie mehr lieferbar
keine Alternativen
Pos.
728
BOSCH Feder | Ersatzteile für CLUB B17 | F016L09482
Hersteller: BOSCH
Artikelnummer: EB-F016L80391-F016L09482
nur Informationsartikel
Nie mehr lieferbar
keine Alternativen
Pos.
731
BOSCH Schaltring | Ersatzteile für CLUB B17 | F016100329
Hersteller: BOSCH
Artikelnummer: EB-F016L80391-F016100329
nur Informationsartikel
Nie mehr lieferbar
keine Alternativen
Pos.
732
BOSCH Mitnehmerplatte | Ersatzteile für CLUB B17 | F016L09492
Hersteller: BOSCH
Artikelnummer: EB-F016L80391-F016L09492
nur Informationsartikel
Nie mehr lieferbar
keine Alternativen
Pos.
733
BOSCH Friktionsteller | Ersatzteile für CLUB B17 | F016L09491
Hersteller: BOSCH
Artikelnummer: EB-F016L80391-F016L09491
nur Informationsartikel
Nie mehr lieferbar
keine Alternativen
Pos.
734
BOSCH Mitnehmerplatte | Ersatzteile für CLUB B17 | F016L09493
Hersteller: BOSCH
Artikelnummer: EB-F016L80391-F016L09493
nur Informationsartikel
Nie mehr lieferbar
keine Alternativen
Pos.
735
BOSCH Antriebsvorrichtung | Ersatzteile für CLUB B17 | F016100330
Hersteller: BOSCH
Artikelnummer: EB-F016L80391-F016100330
nur Informationsartikel
Nie mehr lieferbar
keine Alternativen
Pos.
736
BOSCH Buchse | Ersatzteile für CLUB B17 | F016L12222
Hersteller: BOSCH
Artikelnummer: EB-F016L80391-F016L12222
nur Informationsartikel
Nie mehr lieferbar
keine Alternativen
Pos.
737
BOSCH Dichtung | Ersatzteile für CLUB B17 | F016101357
Hersteller: BOSCH
Artikelnummer: EB-F016L80391-F016101357
nur Informationsartikel
Nie mehr lieferbar
keine Alternativen
Pos.
738
BOSCH Scheibenfeder | Ersatzteile für CLUB B17 | F016L03845
Hersteller: BOSCH
Artikelnummer: EB-F016L80391-F016L03845
nur Informationsartikel
Nie mehr lieferbar
keine Alternativen
Pos.
739
BOSCH Kegelstift | Ersatzteile für CLUB B17 | F016L09498
Hersteller: BOSCH
Artikelnummer: EB-F016L80391-F016L09498
nur Informationsartikel
Nie mehr lieferbar
keine Alternativen
Pos.
741
BOSCH Lager | Ersatzteile für CLUB B17 | F016L22675
Hersteller: BOSCH
Artikelnummer: EB-F016L80391-F016L22675
nur Informationsartikel
Nie mehr lieferbar
keine Alternativen
Pos.
742
BOSCH Scheibe | Ersatzteile für CLUB B17 | F016L12114
Hersteller: BOSCH
Artikelnummer: EB-F016L80391-F016L12114
nur Informationsartikel
Nie mehr lieferbar
keine Alternativen
Pos.
743
BOSCH Sicherungsmutter M6 | Ersatzteile für CLUB B17 | F016L35388
Hersteller: BOSCH
Artikelnummer: EB-F016L80391-F016L35388
nur Informationsartikel
Nie mehr lieferbar
keine Alternativen
Pos.
747
BOSCH Schraube | Ersatzteile für CLUB B17 | F016L23020
Hersteller: BOSCH
Artikelnummer: EB-F016L80391-F016L23020
nur Informationsartikel
Nie mehr lieferbar
keine Alternativen
Pos.
749
BOSCH Beilegring | Ersatzteile für CLUB B17 | F016L23013
Hersteller: BOSCH
Artikelnummer: EB-F016L80391-F016L23013
nur Informationsartikel
Nie mehr lieferbar
keine Alternativen
Pos.
751
BOSCH Sicherungsmutter 1/2 UNF | Ersatzteile für CLUB B17 | F016L08388
Hersteller: BOSCH
Artikelnummer: EB-F016L80391-F016L08388
Netto: 3,60 € zzgl. MwSt.
zzgl. 6,90 € Versand (brutto)
einmalig pro Bestellung

Lieferzeit: 5 Werktage

Pos.
753
BOSCH Antriebs-Kupplung 17" | Ersatzteile für CLUB B17 | F016L23026
Hersteller: BOSCH
Artikelnummer: EB-F016L80391-F016L23026
nur Informationsartikel
Nie mehr lieferbar
keine Alternativen
Pos.
803
BOSCH Druckfeder | Ersatzteile für CLUB B17 | F016L37081
Hersteller: BOSCH
Artikelnummer: EB-F016L80391-F016L37081
nur Informationsartikel
Nie mehr lieferbar
keine Alternativen
Pos.
806
BOSCH Steuerleiste | Ersatzteile für CLUB B17 | F016L22679
Hersteller: BOSCH
Artikelnummer: EB-F016L80391-F016L22679
nur Informationsartikel
Nie mehr lieferbar
keine Alternativen
Pos.
807
BOSCH Bolzen | Ersatzteile für CLUB B17 | F016L09528
Hersteller: BOSCH
Artikelnummer: EB-F016L80391-F016L09528
nur Informationsartikel
Nie mehr lieferbar
keine Alternativen
Pos.
808
BOSCH Bolzen | Ersatzteile für CLUB B17 | F016100344
Hersteller: BOSCH
Artikelnummer: EB-F016L80391-F016100344
nur Informationsartikel
Nie mehr lieferbar
keine Alternativen
Pos.
809
BOSCH Kupplungswelle | Ersatzteile für CLUB B17 | F016L20249
Hersteller: BOSCH
Artikelnummer: EB-F016L80391-F016L20249
Netto: 20,80 € zzgl. MwSt.
zzgl. 6,90 € Versand (brutto)
einmalig pro Bestellung

Lieferzeit: 5 Werktage

Pos.
810
BOSCH Lagerbuchse | Ersatzteile für CLUB B17 | F016L09463
Hersteller: BOSCH
Artikelnummer: EB-F016L80391-F016L09463
nur Informationsartikel
Nie mehr lieferbar
keine Alternativen
Pos.
811
BOSCH Kettenrad | Ersatzteile für CLUB B17 | F016L20203
Hersteller: BOSCH
Artikelnummer: EB-F016L80391-F016L20203
nur Informationsartikel
Nie mehr lieferbar
keine Alternativen
Pos.
812
BOSCH Kettenrad | Ersatzteile für CLUB B17 | F016L09452
Hersteller: BOSCH
Artikelnummer: EB-F016L80391-F016L09452
nur Informationsartikel
Nie mehr lieferbar
keine Alternativen
Pos.
813
BOSCH Unterlegscheibe | Ersatzteile für CLUB B17 | F016L09470
Hersteller: BOSCH
Artikelnummer: EB-F016L80391-F016L09470
Netto: 3,60 € zzgl. MwSt.
zzgl. 6,90 € Versand (brutto)
einmalig pro Bestellung

Lieferzeit: 5 Werktage

Pos.
814
BOSCH Pressplatte | Ersatzteile für CLUB B17 | F016L09455
Hersteller: BOSCH
Artikelnummer: EB-F016L80391-F016L09455
nur Informationsartikel
Nie mehr lieferbar
keine Alternativen
Pos.
815
BOSCH Feder | Ersatzteile für CLUB B17 | F016L22968
Hersteller: BOSCH
Artikelnummer: EB-F016L80391-F016L22968
Netto: 3,60 € zzgl. MwSt.
zzgl. 6,90 € Versand (brutto)
einmalig pro Bestellung

Lieferzeit: 5 Werktage

Pos.
816
BOSCH Schraube 1/4 UNF X 3/8 | Ersatzteile für CLUB B17 | F016L20205
Hersteller: BOSCH
Artikelnummer: EB-F016L80391-F016L20205
nur Informationsartikel
Nie mehr lieferbar
keine Alternativen
Pos.
817
BOSCH Druckplatte | Ersatzteile für CLUB B17 | F016L34986
Hersteller: BOSCH
Artikelnummer: EB-F016L80391-F016L34986
nur Informationsartikel
Nie mehr lieferbar
keine Alternativen
Pos.
818
BOSCH Lagerkugel 125" DIA | Ersatzteile für CLUB B17 | F016L09712
Hersteller: BOSCH
Artikelnummer: EB-F016L80391-F016L09712
Netto: 3,60 € zzgl. MwSt.
zzgl. 6,90 € Versand (brutto)
einmalig pro Bestellung

Lieferzeit: 5 Werktage

Pos.
819
BOSCH Spezialmutter | Ersatzteile für CLUB B17 | F016L09676
Hersteller: BOSCH
Artikelnummer: EB-F016L80391-F016L09676
Netto: 3,60 € zzgl. MwSt.
zzgl. 6,90 € Versand (brutto)
einmalig pro Bestellung

Lieferzeit: 5 Werktage

Pos.
820
BOSCH Stange | Ersatzteile für CLUB B17 | F016L24633
Hersteller: BOSCH
Artikelnummer: EB-F016L80391-F016L24633
nur Informationsartikel
Nie mehr lieferbar
keine Alternativen
Pos.
821
BOSCH Ersatzteil | Ersatzteile für CLUB B17 | F016W25794
Hersteller: BOSCH
Artikelnummer: EB-F016L80391-F016W25794
nur Informationsartikel
Nie mehr lieferbar
keine Alternativen
Pos.
822
BOSCH Mutter | Ersatzteile für CLUB B17 | F016W25806
Hersteller: BOSCH
Artikelnummer: EB-F016L80391-F016W25806
nur Informationsartikel
Nie mehr lieferbar
keine Alternativen
Pos.
823
BOSCH Scheibe | Ersatzteile für CLUB B17 | F016L23404
Hersteller: BOSCH
Artikelnummer: EB-F016L80391-F016L23404
nur Informationsartikel
Nie mehr lieferbar
keine Alternativen
Pos.
824
BOSCH Mutter | Ersatzteile für CLUB B17 | F016L20250
Hersteller: BOSCH
Artikelnummer: EB-F016L80391-F016L20250
nur Informationsartikel
Nie mehr lieferbar
keine Alternativen
Pos.
825
BOSCH Stellring | Ersatzteile für CLUB B17 | F016T48549
Hersteller: BOSCH
Artikelnummer: EB-F016L80391-F016T48549
nur Informationsartikel
Nie mehr lieferbar
keine Alternativen
Pos.
826
BOSCH Ersatzteil | Ersatzteile für CLUB B17 | F016L09450
Hersteller: BOSCH
Artikelnummer: EB-F016L80391-F016L09450
nur Informationsartikel
Nie mehr lieferbar
keine Alternativen
Pos.
827
BOSCH Unterlegscheibe 3/8X3/4X15G | Ersatzteile für CLUB B17 | F016L18023
Hersteller: BOSCH
Artikelnummer: EB-F016L80391-F016L18023
nur Informationsartikel
Nie mehr lieferbar
keine Alternativen
Pos.
828
BOSCH Schraube M6X12 | Ersatzteile für CLUB B17 | F016W25797
Hersteller: BOSCH
Artikelnummer: EB-F016L80391-F016W25797
nur Informationsartikel
Nie mehr lieferbar
keine Alternativen
Pos.
829
BOSCH Feder | Ersatzteile für CLUB B17 | F016L24940
Hersteller: BOSCH
Artikelnummer: EB-F016L80391-F016L24940
nur Informationsartikel
Nie mehr lieferbar
keine Alternativen
Pos.
830
BOSCH Federaufnahme | Ersatzteile für CLUB B17 | F016L37228
Hersteller: BOSCH
Artikelnummer: EB-F016L80391-F016L37228
nur Informationsartikel
Nie mehr lieferbar
keine Alternativen
Pos.
831
BOSCH Mutter M5 | Ersatzteile für CLUB B17 | F016L11220
Hersteller: BOSCH
Artikelnummer: EB-F016L80391-F016L11220
nur Informationsartikel
Nie mehr lieferbar
keine Alternativen
Pos.
832
BOSCH Sechskantschraube | Ersatzteile für CLUB B17 | F016L35994
Hersteller: BOSCH
Artikelnummer: EB-F016L80391-F016L35994
nur Informationsartikel
Nie mehr lieferbar
keine Alternativen
Pos.
833
BOSCH Laufbolzen | Ersatzteile für CLUB B17 | F016T41058
Hersteller: BOSCH
Artikelnummer: EB-F016L80391-F016T41058
Netto: 3,94 € zzgl. MwSt.
zzgl. 6,90 € Versand (brutto)
einmalig pro Bestellung

Lieferzeit: 5 Werktage

Pos.
834
BOSCH Kurvenscheibe | Ersatzteile für CLUB B17 | F016L37082
Hersteller: BOSCH
Artikelnummer: EB-F016L80391-F016L37082
nur Informationsartikel
Nie mehr lieferbar
keine Alternativen

Angaben zur Produktsicherheit

Hersteller:
Robert Bosch Power Tools GmbH
Postfach 30 02 20
70442 Stuttgart

E-Mail:
kontakt@bosch.de