BOSCH Ratsche | Ersatzteile für CLUB B20 | F016L59544

Artikelnummer: EB-F016L80419-F016L59544

Position: 533

Marke: BOSCH


Bitte Kompatibilität prüfen!

Bitte prüfen Sie unbedingt die 10-stellige Typennummer Ihrer Maschine / Ihres Gerätes. Das Ersatzteil ist nur kompatibel, wenn Sie die Typennummer Ihrer Maschine in der unten stehenden Produktbeschreibung finden.

Bitte prüfen Sie ebenfalls detailliert die Explosionszeichnung mit Ihrem Artikelwunsch und der jeweiligen Pos-Nummer.

Alle Elemente, welche vom schwarzen Strich der Pos-Nummer ausgehend berührt / erfasst werden, gehören zu dieser Pos-Nummer und somit zu diesem Artikel. Jede Pos-Nummer ist ein eigenständiger Artikel, welchen Sie in der Auflistung finden.

Sie erhalten stets die aktuellste, neueste Produktversion zu der gewählten Pos-Nummer seitens des Herstellers. Es kann daher je nach Gerätealter vorkommen, dass Sie ggf. weitere, zugehörige Elemente, welche an diese Pos-Nummer grenzen, ebenfalls mittauschen müssen.

Nähere Informationen finden Sie unter dem Link
Hinweise zu Ihrer BOSCH Ersatzteilsuche

Preisübersicht

Einzelpreis: 57,11 €* (Brutto: 67,96 €)
Gesamtpreis: 57,11 €* 
Position:

Lieferzeit: 5 Werktage


Beschreibung

  • Ratsche
  • Original Bosch Zubehör / BOSCH Ersatzteil (F016L59544)
  • im Gerät verbaut: 1
Dieses BOSCH Ersatzteil ist mit folgendem Gerät und Modell kompatibel:
  • BOSCH Gerätename: CLUB B20
  • BOSCH Explosionszeichnung: Position 533
  • BOSCH Typennummer: F016L80419
  • BOSCH Typennummer alternative Schreibweisen: F 016 L80 419, F016 L80 419, F.016.L80.419, F-016-L80-419
    Bitte prüfen Sie diese Typennummer auf Ihrem Gerät um die Kompatibilität des BOSCH Ersatzteils zu gewährleisten.
Weitere BOSCH Ersatzteile des Gerätes CLUB B20 (Rasenmäher) mit der Typennummer F016L80419 finden Sie in der nachfolgenden Darstellung und im Dropdown zu Ihrer Auswahl:

Pos.
1
BOSCH Halter | Ersatzteile für CLUB B20 | F016101089
Hersteller: BOSCH
Artikelnummer: EB-F016L80419-F016101089
nur Informationsartikel
Nie mehr lieferbar
keine Alternativen
Pos.
260/10
BOSCH Schraube 5/16 UNF X 1/2 | Ersatzteile für CLUB B20 | F016L18049
Hersteller: BOSCH
Artikelnummer: EB-F016L80419-F016L18049
nur Informationsartikel
Nie mehr lieferbar
keine Alternativen
Pos.
260/5
BOSCH Abdeckblende | Ersatzteile für CLUB B20 | F016101551
Hersteller: BOSCH
Artikelnummer: EB-F016L80419-F016101551
nur Informationsartikel
Nie mehr lieferbar
keine Alternativen
Pos.
260/6
BOSCH Hinweisschild | Ersatzteile für CLUB B20 | F016L17696
Hersteller: BOSCH
Artikelnummer: EB-F016L80419-F016L17696
nur Informationsartikel
Nie mehr lieferbar
keine Alternativen
Pos.
260/7
BOSCH Klebeschild | Ersatzteile für CLUB B20 | F016L21924
Hersteller: BOSCH
Artikelnummer: EB-F016L80419-F016L21924
nur Informationsartikel
Nie mehr lieferbar
keine Alternativen
Pos.
260/8
BOSCH Abdeckblende | Ersatzteile für CLUB B20 | F016101641
Hersteller: BOSCH
Artikelnummer: EB-F016L80419-F016101641
nur Informationsartikel
Nie mehr lieferbar
keine Alternativen
Pos.
260/9
BOSCH Tülle | Ersatzteile für CLUB B20 | F016L12716
Hersteller: BOSCH
Artikelnummer: EB-F016L80419-F016L12716
nur Informationsartikel
Nie mehr lieferbar
keine Alternativen
Pos.
2
BOSCH Ersatzteil | Ersatzteile für CLUB B20 | F016L32446
Hersteller: BOSCH
Artikelnummer: EB-F016L80419-F016L32446
nur Informationsartikel
Nie mehr lieferbar
keine Alternativen
Pos.
3
BOSCH Mutter 5/16-UNF D/C | Ersatzteile für CLUB B20 | F016L20303
Hersteller: BOSCH
Artikelnummer: EB-F016L80419-F016L20303
Netto: 3,60 € zzgl. MwSt.
zzgl. 6,90 € Versand (brutto)
einmalig pro Bestellung

Lieferzeit: 5 Werktage

Pos.
4
BOSCH Sicherungsscheibe 1/2" | Ersatzteile für CLUB B20 | F016L18181
Hersteller: BOSCH
Artikelnummer: EB-F016L80419-F016L18181
Netto: 4,36 € zzgl. MwSt.
zzgl. 6,90 € Versand (brutto)
einmalig pro Bestellung

Lieferzeit: 5 Werktage

Pos.
5
BOSCH Kupplungslasche | Ersatzteile für CLUB B20 | F016100714
Hersteller: BOSCH
Artikelnummer: EB-F016L80419-F016100714
nur Informationsartikel
Nie mehr lieferbar
keine Alternativen
Pos.
6
BOSCH Ersatzteil | Ersatzteile für CLUB B20 | F016L36123
Hersteller: BOSCH
Artikelnummer: EB-F016L80419-F016L36123
nur Informationsartikel
Nie mehr lieferbar
keine Alternativen
Pos.
7
BOSCH Klauenring | Ersatzteile für CLUB B20 | F016L13695
Hersteller: BOSCH
Artikelnummer: EB-F016L80419-F016L13695
nur Informationsartikel
Nie mehr lieferbar
keine Alternativen
Pos.
8
BOSCH Aufnahmestück | Ersatzteile für CLUB B20 | F016100712
Hersteller: BOSCH
Artikelnummer: EB-F016L80419-F016100712
nur Informationsartikel
Nie mehr lieferbar
keine Alternativen
Pos.
9
BOSCH Schraube | Ersatzteile für CLUB B20 | F016L18730
Hersteller: BOSCH
Artikelnummer: EB-F016L80419-F016L18730
nur Informationsartikel
Nie mehr lieferbar
keine Alternativen
Pos.
10
BOSCH Ölbehälter | Ersatzteile für CLUB B20 | F016L16703
Hersteller: BOSCH
Artikelnummer: EB-F016L80419-F016L16703
Netto: 5,65 € zzgl. MwSt.
zzgl. 6,90 € Versand (brutto)
einmalig pro Bestellung

Lieferzeit: 5 Werktage

Pos.
11
BOSCH Greifring | Ersatzteile für CLUB B20 | F016L16704
Hersteller: BOSCH
Artikelnummer: EB-F016L80419-F016L16704
Netto: 3,60 € zzgl. MwSt.
zzgl. 6,90 € Versand (brutto)
einmalig pro Bestellung

Lieferzeit: 5 Werktage

Pos.
12
BOSCH Distanzstück | Ersatzteile für CLUB B20 | F016100709
Hersteller: BOSCH
Artikelnummer: EB-F016L80419-F016100709
nur Informationsartikel
Nie mehr lieferbar
keine Alternativen
Pos.
13
BOSCH Mutter | Ersatzteile für CLUB B20 | F016L18609
Hersteller: BOSCH
Artikelnummer: EB-F016L80419-F016L18609
nur Informationsartikel
Nie mehr lieferbar
keine Alternativen
Pos.
14
BOSCH Beilegring | Ersatzteile für CLUB B20 | F016100823
Hersteller: BOSCH
Artikelnummer: EB-F016L80419-F016100823
nur Informationsartikel
Nie mehr lieferbar
keine Alternativen
Pos.
15
BOSCH Spezialmutter | Ersatzteile für CLUB B20 | F016L20336
Hersteller: BOSCH
Artikelnummer: EB-F016L80419-F016L20336
nur Informationsartikel
Nie mehr lieferbar
keine Alternativen
Pos.
16
BOSCH Kettenabdeckung | Ersatzteile für CLUB B20 | F016101239
Hersteller: BOSCH
Artikelnummer: EB-F016L80419-F016101239
nur Informationsartikel
Nie mehr lieferbar
keine Alternativen
Pos.
17
BOSCH Schraube | Ersatzteile für CLUB B20 | F016L20402
Hersteller: BOSCH
Artikelnummer: EB-F016L80419-F016L20402
nur Informationsartikel
Nie mehr lieferbar
keine Alternativen
Pos.
18
BOSCH Mutter 1/2" | Ersatzteile für CLUB B20 | F016L20239
Hersteller: BOSCH
Artikelnummer: EB-F016L80419-F016L20239
Netto: 4,61 € zzgl. MwSt.
zzgl. 6,90 € Versand (brutto)
einmalig pro Bestellung

Lieferzeit: 5 Werktage

Pos.
19
BOSCH Platte | Ersatzteile für CLUB B20 | F016L20319
Hersteller: BOSCH
Artikelnummer: EB-F016L80419-F016L20319
nur Informationsartikel
Nie mehr lieferbar
keine Alternativen
Pos.
20
BOSCH Mutter M6 | Ersatzteile für CLUB B20 | F016L35329
Hersteller: BOSCH
Artikelnummer: EB-F016L80419-F016L35329
Netto: 3,94 € zzgl. MwSt.
zzgl. 6,90 € Versand (brutto)
einmalig pro Bestellung

Lieferzeit: 5 Werktage

Pos.
21
BOSCH Schraube | Ersatzteile für CLUB B20 | F016L33701
Hersteller: BOSCH
Artikelnummer: EB-F016L80419-F016L33701
Netto: 11,58 € zzgl. MwSt.
zzgl. 6,90 € Versand (brutto)
einmalig pro Bestellung

Lieferzeit: 5 Werktage

Pos.
22
BOSCH Unterlegscheibe 12,1X6,4X1,5 | Ersatzteile für CLUB B20 | F016L18129
Hersteller: BOSCH
Artikelnummer: EB-F016L80419-F016L18129
Netto: 3,60 € zzgl. MwSt.
zzgl. 6,90 € Versand (brutto)
einmalig pro Bestellung

Lieferzeit: 5 Werktage

Pos.
23
BOSCH Seitenplatte | Ersatzteile für CLUB B20 | F016101243
Hersteller: BOSCH
Artikelnummer: EB-F016L80419-F016101243
nur Informationsartikel
Nie mehr lieferbar
keine Alternativen
Pos.
24
BOSCH Schraube | Ersatzteile für CLUB B20 | F016L20344
Hersteller: BOSCH
Artikelnummer: EB-F016L80419-F016L20344
nur Informationsartikel
Nie mehr lieferbar
keine Alternativen
Pos.
25
BOSCH Auffangbehälter | Ersatzteile für CLUB B20 | F016L19193
Hersteller: BOSCH
Artikelnummer: EB-F016L80419-F016L19193
nur Informationsartikel
Nie mehr lieferbar
keine Alternativen
Pos.
26
BOSCH Seitenplatte | Ersatzteile für CLUB B20 | F016L33640
Hersteller: BOSCH
Artikelnummer: EB-F016L80419-F016L33640
nur Informationsartikel
Nie mehr lieferbar
keine Alternativen
Pos.
27
BOSCH Einstellschraube | Ersatzteile für CLUB B20 | F016L20375
Hersteller: BOSCH
Artikelnummer: EB-F016L80419-F016L20375
Netto: 6,27 € zzgl. MwSt.
zzgl. 6,90 € Versand (brutto)
einmalig pro Bestellung

Lieferzeit: 5 Werktage

Pos.
30
BOSCH Federscheibe 1/2" | Ersatzteile für CLUB B20 | F016L18182
Hersteller: BOSCH
Artikelnummer: EB-F016L80419-F016L18182
nur Informationsartikel
Nie mehr lieferbar
keine Alternativen
Pos.
31
BOSCH Sperrhebel | Ersatzteile für CLUB B20 | F016100711
Hersteller: BOSCH
Artikelnummer: EB-F016L80419-F016100711
nur Informationsartikel
Nie mehr lieferbar
keine Alternativen
Pos.
32
BOSCH Lagerzapfen | Ersatzteile für CLUB B20 | F016L20376
Hersteller: BOSCH
Artikelnummer: EB-F016L80419-F016L20376
Netto: 6,75 € zzgl. MwSt.
zzgl. 6,90 € Versand (brutto)
einmalig pro Bestellung

Lieferzeit: 5 Werktage

Pos.
33
BOSCH Laufbolzen | Ersatzteile für CLUB B20 | F016W25673
Hersteller: BOSCH
Artikelnummer: EB-F016L80419-F016W25673
Netto: 3,60 € zzgl. MwSt.
zzgl. 6,90 € Versand (brutto)
einmalig pro Bestellung

Lieferzeit: 5 Werktage

Pos.
34
BOSCH Schraube | Ersatzteile für CLUB B20 | F016L20345
Hersteller: BOSCH
Artikelnummer: EB-F016L80419-F016L20345
nur Informationsartikel
Nie mehr lieferbar
keine Alternativen
Pos.
35
BOSCH Federscheibe | Ersatzteile für CLUB B20 | F016L18028
Hersteller: BOSCH
Artikelnummer: EB-F016L80419-F016L18028
Netto: 3,60 € zzgl. MwSt.
zzgl. 6,90 € Versand (brutto)
einmalig pro Bestellung

Lieferzeit: 5 Werktage

Pos.
36
BOSCH Unterlegscheibe | Ersatzteile für CLUB B20 | F016L13811
Hersteller: BOSCH
Artikelnummer: EB-F016L80419-F016L13811
Netto: 3,60 € zzgl. MwSt.
zzgl. 6,90 € Versand (brutto)
einmalig pro Bestellung

Lieferzeit: 5 Werktage

Pos.
37
BOSCH Plattform | Ersatzteile für CLUB B20 | F016101102
Hersteller: BOSCH
Artikelnummer: EB-F016L80419-F016101102
nur Informationsartikel
Nie mehr lieferbar
keine Alternativen
Pos.
38
BOSCH Tragschiene | Ersatzteile für CLUB B20 | F016101097
Hersteller: BOSCH
Artikelnummer: EB-F016L80419-F016101097
nur Informationsartikel
Nie mehr lieferbar
keine Alternativen
Pos.
39
BOSCH Ersatzteil | Ersatzteile für CLUB B20 | F016101092
Hersteller: BOSCH
Artikelnummer: EB-F016L80419-F016101092
nur Informationsartikel
Nie mehr lieferbar
keine Alternativen
Pos.
41
BOSCH Laufbolzen | Ersatzteile für CLUB B20 | F016L20388
Hersteller: BOSCH
Artikelnummer: EB-F016L80419-F016L20388
Netto: 3,60 € zzgl. MwSt.
zzgl. 6,90 € Versand (brutto)
einmalig pro Bestellung

Lieferzeit: 5 Werktage

Pos.
42
BOSCH Träger | Ersatzteile für CLUB B20 | F016101101
Hersteller: BOSCH
Artikelnummer: EB-F016L80419-F016101101
nur Informationsartikel
Nie mehr lieferbar
keine Alternativen
Pos.
43
BOSCH Zugstange | Ersatzteile für CLUB B20 | F016L33683
Hersteller: BOSCH
Artikelnummer: EB-F016L80419-F016L33683
nur Informationsartikel
Nie mehr lieferbar
keine Alternativen
Pos.
44
BOSCH Handgriff | Ersatzteile für CLUB B20 | F016L37634
Hersteller: BOSCH
Artikelnummer: EB-F016L80419-F016L37634
nur Informationsartikel
Nie mehr lieferbar
keine Alternativen
Pos.
46
BOSCH Laufbolzen | Ersatzteile für CLUB B20 | F016L20492
Hersteller: BOSCH
Artikelnummer: EB-F016L80419-F016L20492
nur Informationsartikel
Nie mehr lieferbar
keine Alternativen
Pos.
47
BOSCH Abstandshülse | Ersatzteile für CLUB B20 | F016100701
Hersteller: BOSCH
Artikelnummer: EB-F016L80419-F016100701
nur Informationsartikel
Nie mehr lieferbar
keine Alternativen
Pos.
48
BOSCH Verschlussbolzen | Ersatzteile für CLUB B20 | F016L20341
Hersteller: BOSCH
Artikelnummer: EB-F016L80419-F016L20341
nur Informationsartikel
Nie mehr lieferbar
keine Alternativen
Pos.
49
BOSCH Seilzug | Ersatzteile für CLUB B20 | F016L34688
Hersteller: BOSCH
Artikelnummer: EB-F016L80419-F016L34688
nur Informationsartikel
Nie mehr lieferbar
keine Alternativen
Pos.
50
BOSCH Abdeckblende | Ersatzteile für CLUB B20 | F016101082
Hersteller: BOSCH
Artikelnummer: EB-F016L80419-F016101082
Netto: 5,17 € zzgl. MwSt.
zzgl. 6,90 € Versand (brutto)
einmalig pro Bestellung

Lieferzeit: 5 Werktage

Pos.
51
BOSCH Handgriff | Ersatzteile für CLUB B20 | F016101088
Hersteller: BOSCH
Artikelnummer: EB-F016L80419-F016101088
nur Informationsartikel
Nie mehr lieferbar
keine Alternativen
Pos.
52
BOSCH Kabelhalter | Ersatzteile für CLUB B20 | F016L11580
Hersteller: BOSCH
Artikelnummer: EB-F016L80419-F016L11580
nur Informationsartikel
Nie mehr lieferbar
keine Alternativen
Pos.
53
BOSCH Kabelbaum | Ersatzteile für CLUB B20 | F016L33650
Hersteller: BOSCH
Artikelnummer: EB-F016L80419-F016L33650
nur Informationsartikel
Nie mehr lieferbar
keine Alternativen
Pos.
54
BOSCH Kabelklemme | Ersatzteile für CLUB B20 | F016W25328
Hersteller: BOSCH
Artikelnummer: EB-F016L80419-F016W25328
nur Informationsartikel
Nie mehr lieferbar
keine Alternativen
Pos.
55
BOSCH Klammer | Ersatzteile für CLUB B20 | F016L33649
Hersteller: BOSCH
Artikelnummer: EB-F016L80419-F016L33649
nur Informationsartikel
Nie mehr lieferbar
keine Alternativen
Pos.
56
BOSCH Feder | Ersatzteile für CLUB B20 | F016L33648
Hersteller: BOSCH
Artikelnummer: EB-F016L80419-F016L33648
nur Informationsartikel
Nie mehr lieferbar
keine Alternativen
Pos.
57
BOSCH Maschinenplatte | Ersatzteile für CLUB B20 | F016L33967
Hersteller: BOSCH
Artikelnummer: EB-F016L80419-F016L33967
nur Informationsartikel
Nie mehr lieferbar
keine Alternativen
Pos.
58
BOSCH Handgriff | Ersatzteile für CLUB B20 | F016101085
Hersteller: BOSCH
Artikelnummer: EB-F016L80419-F016101085
Netto: 20,47 € zzgl. MwSt.
zzgl. 6,90 € Versand (brutto)
einmalig pro Bestellung

Lieferzeit: 5 Werktage

Pos.
59
BOSCH Griffschale | Ersatzteile für CLUB B20 | F016101643
Hersteller: BOSCH
Artikelnummer: EB-F016L80419-F016101643
nur Informationsartikel
Nie mehr lieferbar
keine Alternativen
Pos.
60
BOSCH Klebeschild | Ersatzteile für CLUB B20 | F016L21925
Hersteller: BOSCH
Artikelnummer: EB-F016L80419-F016L21925
nur Informationsartikel
Nie mehr lieferbar
keine Alternativen
Pos.
61
BOSCH Schalter | Ersatzteile für CLUB B20 | F016L13455
Hersteller: BOSCH
Artikelnummer: EB-F016L80419-F016L13455
nur Informationsartikel
Nie mehr lieferbar
keine Alternativen
Pos.
62
BOSCH Klemmstück | Ersatzteile für CLUB B20 | F016100721
Hersteller: BOSCH
Artikelnummer: EB-F016L80419-F016100721
nur Informationsartikel
Nie mehr lieferbar
keine Alternativen
Pos.
63
BOSCH Knopf | Ersatzteile für CLUB B20 | F016L17231
Hersteller: BOSCH
Artikelnummer: EB-F016L80419-F016L17231
nur Informationsartikel
Nie mehr lieferbar
keine Alternativen
Pos.
64
BOSCH Sperrhebel | Ersatzteile für CLUB B20 | F016100707
Hersteller: BOSCH
Artikelnummer: EB-F016L80419-F016100707
Netto: 9,05 € zzgl. MwSt.
zzgl. 6,90 € Versand (brutto)
einmalig pro Bestellung

Lieferzeit: 5 Werktage

Pos.
65
BOSCH Seilzug | Ersatzteile für CLUB B20 | F016L33646
Hersteller: BOSCH
Artikelnummer: EB-F016L80419-F016L33646
nur Informationsartikel
Nie mehr lieferbar
keine Alternativen
Pos.
66
BOSCH Schalthebel | Ersatzteile für CLUB B20 | F016W25089
Hersteller: BOSCH
Artikelnummer: EB-F016L80419-F016W25089
Netto: 28,93 € zzgl. MwSt.
zzgl. 6,90 € Versand (brutto)
einmalig pro Bestellung

Lieferzeit: 5 Werktage

Pos.
67
BOSCH Aufnahmestück | Ersatzteile für CLUB B20 | F016101354
Hersteller: BOSCH
Artikelnummer: EB-F016L80419-F016101354
nur Informationsartikel
Nie mehr lieferbar
keine Alternativen
Pos.
68
BOSCH Unterlegscheibe | Ersatzteile für CLUB B20 | F016100700
Hersteller: BOSCH
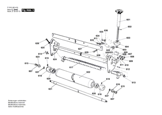
Artikelnummer: EB-F016L80419-F016100700
nur Informationsartikel
Nie mehr lieferbar
keine Alternativen
Pos.
69
BOSCH Klemmstück | Ersatzteile für CLUB B20 | F016100722
Hersteller: BOSCH
Artikelnummer: EB-F016L80419-F016100722
nur Informationsartikel
Nie mehr lieferbar
keine Alternativen
Pos.
70
BOSCH Unterlegscheibe | Ersatzteile für CLUB B20 | F016L09966
Hersteller: BOSCH
Artikelnummer: EB-F016L80419-F016L09966
nur Informationsartikel
Nie mehr lieferbar
keine Alternativen
Pos.
71
BOSCH Laufbolzen | Ersatzteile für CLUB B20 | F016L11377
Hersteller: BOSCH
Artikelnummer: EB-F016L80419-F016L11377
nur Informationsartikel
Nie mehr lieferbar
keine Alternativen
Pos.
72
BOSCH Klemmstück | Ersatzteile für CLUB B20 | F016100693
Hersteller: BOSCH
Artikelnummer: EB-F016L80419-F016100693
nur Informationsartikel
Nie mehr lieferbar
keine Alternativen
Pos.
74
BOSCH Verschlusskappe | Ersatzteile für CLUB B20 | F016L13424
Hersteller: BOSCH
Artikelnummer: EB-F016L80419-F016L13424
nur Informationsartikel
Nie mehr lieferbar
keine Alternativen
Pos.
75
BOSCH Schraube | Ersatzteile für CLUB B20 | F016L17589
Hersteller: BOSCH
Artikelnummer: EB-F016L80419-F016L17589
nur Informationsartikel
Nie mehr lieferbar
keine Alternativen
Pos.
76
BOSCH Gewindeschneidschraube | Ersatzteile für CLUB B20 | F016L33647
Hersteller: BOSCH
Artikelnummer: EB-F016L80419-F016L33647
nur Informationsartikel
Nie mehr lieferbar
keine Alternativen
Pos.
77
BOSCH Schraube | Ersatzteile für CLUB B20 | F016L18732
Hersteller: BOSCH
Artikelnummer: EB-F016L80419-F016L18732
nur Informationsartikel
Nie mehr lieferbar
keine Alternativen
Pos.
78
BOSCH Klemmutter | Ersatzteile für CLUB B20 | F016L20338
Hersteller: BOSCH
Artikelnummer: EB-F016L80419-F016L20338
Netto: 3,60 € zzgl. MwSt.
zzgl. 6,90 € Versand (brutto)
einmalig pro Bestellung

Lieferzeit: 5 Werktage

Pos.
79
BOSCH Kupplungsgabel | Ersatzteile für CLUB B20 | F016100694
Hersteller: BOSCH
Artikelnummer: EB-F016L80419-F016100694
Netto: 9,75 € zzgl. MwSt.
zzgl. 6,90 € Versand (brutto)
einmalig pro Bestellung

Lieferzeit: 5 Werktage

Pos.
80
BOSCH Kontaktlasche | Ersatzteile für CLUB B20 | F016L12380
Hersteller: BOSCH
Artikelnummer: EB-F016L80419-F016L12380
nur Informationsartikel
Nie mehr lieferbar
keine Alternativen
Pos.
81
BOSCH Lagerzapfen | Ersatzteile für CLUB B20 | F016L21507
Hersteller: BOSCH
Artikelnummer: EB-F016L80419-F016L21507
nur Informationsartikel
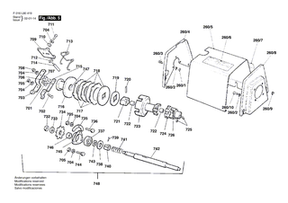
Nie mehr lieferbar
keine Alternativen
Pos.
82
BOSCH Mutter | Ersatzteile für CLUB B20 | F016L18048
Hersteller: BOSCH
Artikelnummer: EB-F016L80419-F016L18048
nur Informationsartikel
Nie mehr lieferbar
keine Alternativen
Pos.
83
BOSCH Zugstangenkopf | Ersatzteile für CLUB B20 | F016100731
Hersteller: BOSCH
Artikelnummer: EB-F016L80419-F016100731
nur Informationsartikel
Nie mehr lieferbar
keine Alternativen
Pos.
84
BOSCH Zapfen | Ersatzteile für CLUB B20 | F016100728
Hersteller: BOSCH
Artikelnummer: EB-F016L80419-F016100728
nur Informationsartikel
Nie mehr lieferbar
keine Alternativen
Pos.
85
BOSCH Lagerzapfen WAS 90 | Ersatzteile für CLUB B20 | F016L12750
Hersteller: BOSCH
Artikelnummer: EB-F016L80419-F016L12750
nur Informationsartikel
Nie mehr lieferbar
keine Alternativen
Pos.
86
BOSCH Hebel | Ersatzteile für CLUB B20 | F016100729
Hersteller: BOSCH
Artikelnummer: EB-F016L80419-F016100729
nur Informationsartikel
Nie mehr lieferbar
keine Alternativen
Pos.
87
BOSCH Laufbolzen | Ersatzteile für CLUB B20 | F016L20416
Hersteller: BOSCH
Artikelnummer: EB-F016L80419-F016L20416
nur Informationsartikel
Nie mehr lieferbar
keine Alternativen
Pos.
88
BOSCH Federhebel | Ersatzteile für CLUB B20 | F016L12774
Hersteller: BOSCH
Artikelnummer: EB-F016L80419-F016L12774
nur Informationsartikel
Nie mehr lieferbar
keine Alternativen
Pos.
89
BOSCH Hebel | Ersatzteile für CLUB B20 | F016100730
Hersteller: BOSCH
Artikelnummer: EB-F016L80419-F016100730
nur Informationsartikel
Nie mehr lieferbar
keine Alternativen
Pos.
90
BOSCH Sicherungsscheibe | Ersatzteile für CLUB B20 | F016L10273
Hersteller: BOSCH
Artikelnummer: EB-F016L80419-F016L10273
Netto: 3,60 € zzgl. MwSt.
zzgl. 6,90 € Versand (brutto)
einmalig pro Bestellung

Lieferzeit: 5 Werktage

Pos.
91
BOSCH Scheibe | Ersatzteile für CLUB B20 | F016L09684
Hersteller: BOSCH
Artikelnummer: EB-F016L80419-F016L09684
nur Informationsartikel
Nie mehr lieferbar
keine Alternativen
Pos.
92
BOSCH Sicherungsmutter 5/16 UNF | Ersatzteile für CLUB B20 | F016L06955
Hersteller: BOSCH
Artikelnummer: EB-F016L80419-F016L06955
nur Informationsartikel
Nie mehr lieferbar
keine Alternativen
Pos.
93
BOSCH Knopf | Ersatzteile für CLUB B20 | F016L20418
Hersteller: BOSCH
Artikelnummer: EB-F016L80419-F016L20418
nur Informationsartikel
Nie mehr lieferbar
keine Alternativen
Pos.
94
BOSCH Schraube 5/16 UNF X 5/8 | Ersatzteile für CLUB B20 | F016L20252
Hersteller: BOSCH
Artikelnummer: EB-F016L80419-F016L20252
Netto: 3,60 € zzgl. MwSt.
zzgl. 6,90 € Versand (brutto)
einmalig pro Bestellung

Lieferzeit: 5 Werktage

Pos.
95
BOSCH Unterlegscheibe | Ersatzteile für CLUB B20 | F016L35328
Hersteller: BOSCH
Artikelnummer: EB-F016L80419-F016L35328
nur Informationsartikel
Nie mehr lieferbar
keine Alternativen
Pos.
96
BOSCH Feder | Ersatzteile für CLUB B20 | F016L12656
Hersteller: BOSCH
Artikelnummer: EB-F016L80419-F016L12656
nur Informationsartikel
Nie mehr lieferbar
keine Alternativen
Pos.
97
BOSCH Unterlegscheibe | Ersatzteile für CLUB B20 | F016L35379
Hersteller: BOSCH
Artikelnummer: EB-F016L80419-F016L35379
nur Informationsartikel
Nie mehr lieferbar
keine Alternativen
Pos.
98
BOSCH Sicherungsscheibe | Ersatzteile für CLUB B20 | F016L11107
Hersteller: BOSCH
Artikelnummer: EB-F016L80419-F016L11107
nur Informationsartikel
Nie mehr lieferbar
keine Alternativen
Pos.
99
BOSCH Klebeschild | Ersatzteile für CLUB B20 | F016L34201
Hersteller: BOSCH
Artikelnummer: EB-F016L80419-F016L34201
nur Informationsartikel
Nie mehr lieferbar
keine Alternativen
Pos.
100
BOSCH Kupplungshebel | Ersatzteile für CLUB B20 | F016102218
Hersteller: BOSCH
Artikelnummer: EB-F016L80419-F016102218
nur Informationsartikel
Nie mehr lieferbar
keine Alternativen
Pos.
101
BOSCH Klemmbügel | Ersatzteile für CLUB B20 | F016102053
Hersteller: BOSCH
Artikelnummer: EB-F016L80419-F016102053
nur Informationsartikel
Nie mehr lieferbar
keine Alternativen
Pos.
102
BOSCH Schraube | Ersatzteile für CLUB B20 | F016L36835
Hersteller: BOSCH
Artikelnummer: EB-F016L80419-F016L36835
Netto: 3,60 € zzgl. MwSt.
zzgl. 6,90 € Versand (brutto)
einmalig pro Bestellung

Lieferzeit: 5 Werktage

Pos.
103
BOSCH Mutter M5 | Ersatzteile für CLUB B20 | F016L36836
Hersteller: BOSCH
Artikelnummer: EB-F016L80419-F016L36836
Netto: 3,60 € zzgl. MwSt.
zzgl. 6,90 € Versand (brutto)
einmalig pro Bestellung

Lieferzeit: 5 Werktage

Pos.
104
BOSCH Aufnahmestück | Ersatzteile für CLUB B20 | F016100343
Hersteller: BOSCH
Artikelnummer: EB-F016L80419-F016100343
nur Informationsartikel
Nie mehr lieferbar
keine Alternativen
Pos.
105
BOSCH Feder | Ersatzteile für CLUB B20 | F016100341
Hersteller: BOSCH
Artikelnummer: EB-F016L80419-F016100341
nur Informationsartikel
Nie mehr lieferbar
keine Alternativen
Pos.
106
BOSCH Feder | Ersatzteile für CLUB B20 | F016L09482
Hersteller: BOSCH
Artikelnummer: EB-F016L80419-F016L09482
nur Informationsartikel
Nie mehr lieferbar
keine Alternativen
Pos.
107
BOSCH Gabelkopf | Ersatzteile für CLUB B20 | F016L34489
Hersteller: BOSCH
Artikelnummer: EB-F016L80419-F016L34489
nur Informationsartikel
Nie mehr lieferbar
keine Alternativen
Pos.
108
BOSCH Beilegring | Ersatzteile für CLUB B20 | F016101355
Hersteller: BOSCH
Artikelnummer: EB-F016L80419-F016101355
nur Informationsartikel
Nie mehr lieferbar
keine Alternativen
Pos.
109
BOSCH Sechskantschraube | Ersatzteile für CLUB B20 | F016W25710
Hersteller: BOSCH
Artikelnummer: EB-F016L80419-F016W25710
nur Informationsartikel
Nie mehr lieferbar
keine Alternativen
Pos.
110
BOSCH Mutter M5 | Ersatzteile für CLUB B20 | F016L11220
Hersteller: BOSCH
Artikelnummer: EB-F016L80419-F016L11220
nur Informationsartikel
Nie mehr lieferbar
keine Alternativen
Pos.
111
BOSCH Sicherungskappe Ø8 MM SCHWARZ | Ersatzteile für CLUB B20 | F016T48990
Hersteller: BOSCH
Artikelnummer: EB-F016L80419-F016T48990
Netto: 3,60 € zzgl. MwSt.
zzgl. 6,90 € Versand (brutto)
einmalig pro Bestellung

Lieferzeit: 5 Werktage

Pos.
112
BOSCH Sechskantschraube | Ersatzteile für CLUB B20 | F016L18408
Hersteller: BOSCH
Artikelnummer: EB-F016L80419-F016L18408
nur Informationsartikel
Nie mehr lieferbar
keine Alternativen
Pos.
113
BOSCH Scheibe | Ersatzteile für CLUB B20 | F016W25619
Hersteller: BOSCH
Artikelnummer: EB-F016L80419-F016W25619
nur Informationsartikel
Nie mehr lieferbar
keine Alternativen
Pos.
115
BOSCH Rückhalteblech | Ersatzteile für CLUB B20 | F016L20373
Hersteller: BOSCH
Artikelnummer: EB-F016L80419-F016L20373
Netto: 16,70 € zzgl. MwSt.
zzgl. 6,90 € Versand (brutto)
einmalig pro Bestellung

Lieferzeit: 5 Werktage

Pos.
116
BOSCH Halter | Ersatzteile für CLUB B20 | F016L36717
Hersteller: BOSCH
Artikelnummer: EB-F016L80419-F016L36717
nur Informationsartikel
Nie mehr lieferbar
keine Alternativen
Pos.
117
BOSCH Rückhalteblech | Ersatzteile für CLUB B20 | F016L20384
Hersteller: BOSCH
Artikelnummer: EB-F016L80419-F016L20384
Netto: 16,70 € zzgl. MwSt.
zzgl. 6,90 € Versand (brutto)
einmalig pro Bestellung

Lieferzeit: 5 Werktage

Pos.
118
BOSCH Klemmbügel | Ersatzteile für CLUB B20 | F016102054
Hersteller: BOSCH
Artikelnummer: EB-F016L80419-F016102054
nur Informationsartikel
Nie mehr lieferbar
keine Alternativen
Pos.
119
BOSCH Buchse | Ersatzteile für CLUB B20 | F016L36719
Hersteller: BOSCH
Artikelnummer: EB-F016L80419-F016L36719
nur Informationsartikel
Nie mehr lieferbar
keine Alternativen
Pos.
120
BOSCH Lagerzapfen | Ersatzteile für CLUB B20 | F016L36829
Hersteller: BOSCH
Artikelnummer: EB-F016L80419-F016L36829
nur Informationsartikel
Nie mehr lieferbar
keine Alternativen
Pos.
125
BOSCH Torsionsfeder | Ersatzteile für CLUB B20 | F016L37684
Hersteller: BOSCH
Artikelnummer: EB-F016L80419-F016L37684
nur Informationsartikel
Nie mehr lieferbar
keine Alternativen
Pos.
126
BOSCH Reparatursatz | Ersatzteile für CLUB B20 | F016L37700
Hersteller: BOSCH
Artikelnummer: EB-F016L80419-F016L37700
nur Informationsartikel
Nie mehr lieferbar
keine Alternativen
Pos.
133
BOSCH Ersatzteil | Ersatzteile für CLUB B20 | F016L36801
Hersteller: BOSCH
Artikelnummer: EB-F016L80419-F016L36801
nur Informationsartikel
Nie mehr lieferbar
keine Alternativen
Pos.
167
BOSCH Klebeschild | Ersatzteile für CLUB B20 | F016L21916
Hersteller: BOSCH
Artikelnummer: EB-F016L80419-F016L21916
nur Informationsartikel
Nie mehr lieferbar
keine Alternativen
Pos.
168
BOSCH Führungsring | Ersatzteile für CLUB B20 | F016100754
Hersteller: BOSCH
Artikelnummer: EB-F016L80419-F016100754
nur Informationsartikel
Nie mehr lieferbar
keine Alternativen
Pos.
172
BOSCH Unterlegscheibe 1,213X630X028 | Ersatzteile für CLUB B20 | F016L09685
Hersteller: BOSCH
Artikelnummer: EB-F016L80419-F016L09685
Netto: 3,60 € zzgl. MwSt.
zzgl. 6,90 € Versand (brutto)
einmalig pro Bestellung

Lieferzeit: 5 Werktage

Pos.
173
BOSCH Gleitstein | Ersatzteile für CLUB B20 | F016L36813
Hersteller: BOSCH
Artikelnummer: EB-F016L80419-F016L36813
nur Informationsartikel
Nie mehr lieferbar
keine Alternativen
Pos.
174
BOSCH Feder | Ersatzteile für CLUB B20 | F016L37756
Hersteller: BOSCH
Artikelnummer: EB-F016L80419-F016L37756
nur Informationsartikel
Nie mehr lieferbar
keine Alternativen
Pos.
175
BOSCH Feder | Ersatzteile für CLUB B20 | F016L36810
Hersteller: BOSCH
Artikelnummer: EB-F016L80419-F016L36810
nur Informationsartikel
Nie mehr lieferbar
keine Alternativen
Pos.
181
BOSCH Sicherungsmutter M8 | Ersatzteile für CLUB B20 | F016L11218
Hersteller: BOSCH
Artikelnummer: EB-F016L80419-F016L11218
nur Informationsartikel
Nie mehr lieferbar
keine Alternativen
Pos.
183
BOSCH Exzenterscheibe | Ersatzteile für CLUB B20 | F016L36820
Hersteller: BOSCH
Artikelnummer: EB-F016L80419-F016L36820
nur Informationsartikel
Nie mehr lieferbar
keine Alternativen
Pos.
187
BOSCH Bremsbacke | Ersatzteile für CLUB B20 | F016102253
Hersteller: BOSCH
Artikelnummer: EB-F016L80419-F016102253
Netto: 28,93 € zzgl. MwSt.
zzgl. 6,90 € Versand (brutto)
einmalig pro Bestellung

Lieferzeit: 5 Werktage

Pos.
188
BOSCH Beilegring | Ersatzteile für CLUB B20 | F016L36826
Hersteller: BOSCH
Artikelnummer: EB-F016L80419-F016L36826
nur Informationsartikel
Nie mehr lieferbar
keine Alternativen
Pos.
401
BOSCH Maehspindel | Ersatzteile für CLUB B20 | F016100783
Hersteller: BOSCH
Artikelnummer: EB-F016L80419-F016100783
nur Informationsartikel
Nie mehr lieferbar
keine Alternativen
Pos.
410
BOSCH Unterlegscheibe | Ersatzteile für CLUB B20 | F016L13235
Hersteller: BOSCH
Artikelnummer: EB-F016L80419-F016L13235
nur Informationsartikel
Nie mehr lieferbar
keine Alternativen
Pos.
412
BOSCH Distanzring | Ersatzteile für CLUB B20 | F016L20310
Hersteller: BOSCH
Artikelnummer: EB-F016L80419-F016L20310
Netto: 9,05 € zzgl. MwSt.
zzgl. 6,90 € Versand (brutto)
einmalig pro Bestellung

Lieferzeit: 5 Werktage

Pos.
418
BOSCH Blech | Ersatzteile für CLUB B20 | F016100753
Hersteller: BOSCH
Artikelnummer: EB-F016L80419-F016100753
Netto: 25,97 € zzgl. MwSt.
zzgl. 6,90 € Versand (brutto)
einmalig pro Bestellung

Lieferzeit: 5 Werktage

Pos.
419
BOSCH Traggestell | Ersatzteile für CLUB B20 | F016102993
Hersteller: BOSCH
Artikelnummer: EB-F016L80419-F016102993
nur Informationsartikel
Nie mehr lieferbar
keine Alternativen
Pos.
420
BOSCH Schraube | Ersatzteile für CLUB B20 | F016L20735
Hersteller: BOSCH
Artikelnummer: EB-F016L80419-F016L20735
nur Informationsartikel
Nie mehr lieferbar
keine Alternativen
Pos.
423
BOSCH Unterlegscheibe | Ersatzteile für CLUB B20 | F016L13295
Hersteller: BOSCH
Artikelnummer: EB-F016L80419-F016L13295
Netto: 3,60 € zzgl. MwSt.
zzgl. 6,90 € Versand (brutto)
einmalig pro Bestellung

Lieferzeit: 5 Werktage

Pos.
426
BOSCH Laufbolzen | Ersatzteile für CLUB B20 | F016L20334
Hersteller: BOSCH
Artikelnummer: EB-F016L80419-F016L20334
Netto: 8,23 € zzgl. MwSt.
zzgl. 6,90 € Versand (brutto)
einmalig pro Bestellung

Lieferzeit: 5 Werktage

Pos.
427
BOSCH Untermesser | Ersatzteile für CLUB B20 | F016101024
Hersteller: BOSCH
Artikelnummer: EB-F016L80419-F016101024
nur Informationsartikel
Nie mehr lieferbar
keine Alternativen
Pos.
501
BOSCH Ratsche | Ersatzteile für CLUB B20 | F016L13252
Hersteller: BOSCH
Artikelnummer: EB-F016L80419-F016L13252
nur Informationsartikel
Nie mehr lieferbar
keine Alternativen
Pos.
502
BOSCH Feder | Ersatzteile für CLUB B20 | F016L13254
Hersteller: BOSCH
Artikelnummer: EB-F016L80419-F016L13254
nur Informationsartikel
Nie mehr lieferbar
keine Alternativen
Pos.
503
BOSCH Unterlegscheibe | Ersatzteile für CLUB B20 | F016L13247
Hersteller: BOSCH
Artikelnummer: EB-F016L80419-F016L13247
nur Informationsartikel
Nie mehr lieferbar
keine Alternativen
Pos.
504
BOSCH Scheibe | Ersatzteile für CLUB B20 | F016L12541
Hersteller: BOSCH
Artikelnummer: EB-F016L80419-F016L12541
nur Informationsartikel
Nie mehr lieferbar
keine Alternativen
Pos.
505
BOSCH Transportschiene | Ersatzteile für CLUB B20 | F016L20327
Hersteller: BOSCH
Artikelnummer: EB-F016L80419-F016L20327
nur Informationsartikel
Nie mehr lieferbar
keine Alternativen
Pos.
509
BOSCH Schlüssel | Ersatzteile für CLUB B20 | F016L12378
Hersteller: BOSCH
Artikelnummer: EB-F016L80419-F016L12378
Netto: 3,60 € zzgl. MwSt.
zzgl. 6,90 € Versand (brutto)
einmalig pro Bestellung

Lieferzeit: 5 Werktage

Pos.
510
BOSCH Rollenwelle | Ersatzteile für CLUB B20 | F016L20455
Hersteller: BOSCH
Artikelnummer: EB-F016L80419-F016L20455
nur Informationsartikel
Nie mehr lieferbar
keine Alternativen
Pos.
511
BOSCH Sicherungsmutter | Ersatzteile für CLUB B20 | F016L06956
Hersteller: BOSCH
Artikelnummer: EB-F016L80419-F016L06956
nur Informationsartikel
Nie mehr lieferbar
keine Alternativen
Pos.
512
BOSCH Schraube | Ersatzteile für CLUB B20 | F016L20377
Hersteller: BOSCH
Artikelnummer: EB-F016L80419-F016L20377
nur Informationsartikel
Nie mehr lieferbar
keine Alternativen
Pos.
513
BOSCH Sicherungsscheibe | Ersatzteile für CLUB B20 | F016L18185
Hersteller: BOSCH
Artikelnummer: EB-F016L80419-F016L18185
nur Informationsartikel
Nie mehr lieferbar
keine Alternativen
Pos.
514
BOSCH Drahtsprengring | Ersatzteile für CLUB B20 | F016L12599
Hersteller: BOSCH
Artikelnummer: EB-F016L80419-F016L12599
nur Informationsartikel
Nie mehr lieferbar
keine Alternativen
Pos.
515
BOSCH Ratsche | Ersatzteile für CLUB B20 | F016L13251
Hersteller: BOSCH
Artikelnummer: EB-F016L80419-F016L13251
nur Informationsartikel
Nie mehr lieferbar
keine Alternativen
Pos.
516
BOSCH Mutter | Ersatzteile für CLUB B20 | F016L20465
Hersteller: BOSCH
Artikelnummer: EB-F016L80419-F016L20465
nur Informationsartikel
Nie mehr lieferbar
keine Alternativen
Pos.
517
BOSCH Schraube | Ersatzteile für CLUB B20 | F016L20382
Hersteller: BOSCH
Artikelnummer: EB-F016L80419-F016L20382
nur Informationsartikel
Nie mehr lieferbar
keine Alternativen
Pos.
518
BOSCH Haltearm | Ersatzteile für CLUB B20 | F016100781
Hersteller: BOSCH
Artikelnummer: EB-F016L80419-F016100781
nur Informationsartikel
Nie mehr lieferbar
keine Alternativen
Pos.
519
BOSCH Lagerhalter | Ersatzteile für CLUB B20 | F016L20381
Hersteller: BOSCH
Artikelnummer: EB-F016L80419-F016L20381
nur Informationsartikel
Nie mehr lieferbar
keine Alternativen
Pos.
520
BOSCH Kugellager | Ersatzteile für CLUB B20 | F016L13298
Hersteller: BOSCH
Artikelnummer: EB-F016L80419-F016L13298
nur Informationsartikel
Nie mehr lieferbar
keine Alternativen
Pos.
521
BOSCH Stütze | Ersatzteile für CLUB B20 | F016100778
Hersteller: BOSCH
Artikelnummer: EB-F016L80419-F016100778
nur Informationsartikel
Nie mehr lieferbar
keine Alternativen
Pos.
522
BOSCH Unterlegscheibe | Ersatzteile für CLUB B20 | F016L12404
Hersteller: BOSCH
Artikelnummer: EB-F016L80419-F016L12404
nur Informationsartikel
Nie mehr lieferbar
keine Alternativen
Pos.
523
BOSCH Unterlegscheibe | Ersatzteile für CLUB B20 | F016L13236
Hersteller: BOSCH
Artikelnummer: EB-F016L80419-F016L13236
nur Informationsartikel
Nie mehr lieferbar
keine Alternativen
Pos.
524
BOSCH Lagerhalter | Ersatzteile für CLUB B20 | F016100713
Hersteller: BOSCH
Artikelnummer: EB-F016L80419-F016100713
nur Informationsartikel
Nie mehr lieferbar
keine Alternativen
Pos.
525
BOSCH Mutter | Ersatzteile für CLUB B20 | F016L20459
Hersteller: BOSCH
Artikelnummer: EB-F016L80419-F016L20459
Netto: 11,58 € zzgl. MwSt.
zzgl. 6,90 € Versand (brutto)
einmalig pro Bestellung

Lieferzeit: 5 Werktage

Pos.
526
BOSCH Abdeckblende | Ersatzteile für CLUB B20 | F016101025
Hersteller: BOSCH
Artikelnummer: EB-F016L80419-F016101025
nur Informationsartikel
Nie mehr lieferbar
keine Alternativen
Pos.
527
BOSCH Staubschutzdeckel | Ersatzteile für CLUB B20 | F016L59722
Hersteller: BOSCH
Artikelnummer: EB-F016L80419-F016L59722
nur Informationsartikel
Nie mehr lieferbar
keine Alternativen
Pos.
528
BOSCH Filzring | Ersatzteile für CLUB B20 | F016L12747
Hersteller: BOSCH
Artikelnummer: EB-F016L80419-F016L12747
Netto: 4,56 € zzgl. MwSt.
zzgl. 6,90 € Versand (brutto)
einmalig pro Bestellung

Lieferzeit: 5 Werktage

Pos.
529
BOSCH Zustellklinke | Ersatzteile für CLUB B20 | F016L12409
Hersteller: BOSCH
Artikelnummer: EB-F016L80419-F016L12409
Netto: 5,65 € zzgl. MwSt.
zzgl. 6,90 € Versand (brutto)
einmalig pro Bestellung

Lieferzeit: 5 Werktage

Pos.
530
BOSCH Untermesser | Ersatzteile für CLUB B20 | F016102992
Hersteller: BOSCH
Artikelnummer: EB-F016L80419-F016102992
nur Informationsartikel
Nie mehr lieferbar
keine Alternativen
Pos.
532
BOSCH Ersatzteil | Ersatzteile für CLUB B20 | F016L59723
Hersteller: BOSCH
Artikelnummer: EB-F016L80419-F016L59723
nur Informationsartikel
Nie mehr lieferbar
keine Alternativen
Pos.
533
BOSCH Ratsche | Ersatzteile für CLUB B20 | F016L59544
Hersteller: BOSCH
Artikelnummer: EB-F016L80419-F016L59544
Netto: 57,11 € zzgl. MwSt.
zzgl. 6,90 € Versand (brutto)
einmalig pro Bestellung

Lieferzeit: 5 Werktage

Pos.
534
BOSCH Teilesatz | Ersatzteile für CLUB B20 | F016103657
Hersteller: BOSCH
Artikelnummer: EB-F016L80419-F016103657
nur Informationsartikel
Nie mehr lieferbar
keine Alternativen
Pos.
535
BOSCH Ratsche | Ersatzteile für CLUB B20 | F016L59543
Hersteller: BOSCH
Artikelnummer: EB-F016L80419-F016L59543
nur Informationsartikel
Nie mehr lieferbar
keine Alternativen
Pos.
536
BOSCH Rollwalze | Ersatzteile für CLUB B20 | F016L20458
Hersteller: BOSCH
Artikelnummer: EB-F016L80419-F016L20458
nur Informationsartikel
Nie mehr lieferbar
keine Alternativen
Pos.
537
BOSCH Endplatte | Ersatzteile für CLUB B20 | F016L13358
Hersteller: BOSCH
Artikelnummer: EB-F016L80419-F016L13358
nur Informationsartikel
Nie mehr lieferbar
keine Alternativen
Pos.
538
BOSCH Scheibe | Ersatzteile für CLUB B20 | F016L12376
Hersteller: BOSCH
Artikelnummer: EB-F016L80419-F016L12376
nur Informationsartikel
Nie mehr lieferbar
keine Alternativen
Pos.
539
BOSCH Schraube | Ersatzteile für CLUB B20 | F016L20851
Hersteller: BOSCH
Artikelnummer: EB-F016L80419-F016L20851
nur Informationsartikel
Nie mehr lieferbar
keine Alternativen
Pos.
540
BOSCH Abstreifer | Ersatzteile für CLUB B20 | F016100779
Hersteller: BOSCH
Artikelnummer: EB-F016L80419-F016100779
nur Informationsartikel
Nie mehr lieferbar
keine Alternativen
Pos.
541
BOSCH Schraube | Ersatzteile für CLUB B20 | F016L20472
Hersteller: BOSCH
Artikelnummer: EB-F016L80419-F016L20472
nur Informationsartikel
Nie mehr lieferbar
keine Alternativen
Pos.
543
BOSCH Druckfeder | Ersatzteile für CLUB B20 | F016L09854
Hersteller: BOSCH
Artikelnummer: EB-F016L80419-F016L09854
nur Informationsartikel
Nie mehr lieferbar
keine Alternativen
Pos.
544
BOSCH Haltearm | Ersatzteile für CLUB B20 | F016100780
Hersteller: BOSCH
Artikelnummer: EB-F016L80419-F016100780
nur Informationsartikel
Nie mehr lieferbar
keine Alternativen
Pos.
545
BOSCH Thermoschalter | Ersatzteile für CLUB B20 | F016L33987
Hersteller: BOSCH
Artikelnummer: EB-F016L80419-F016L33987
nur Informationsartikel
Nie mehr lieferbar
keine Alternativen
Pos.
546
BOSCH Rolle | Ersatzteile für CLUB B20 | F016102079
Hersteller: BOSCH
Artikelnummer: EB-F016L80419-F016102079
nur Informationsartikel
Nie mehr lieferbar
keine Alternativen
Pos.
601
BOSCH Einstellstück | Ersatzteile für CLUB B20 | F016L32487
Hersteller: BOSCH
Artikelnummer: EB-F016L80419-F016L32487
Netto: 104,11 € zzgl. MwSt.
zzgl. 6,90 € Versand (brutto)
einmalig pro Bestellung

Lieferzeit: 5 Werktage

Pos.
602
BOSCH Bolzen | Ersatzteile für CLUB B20 | F016L33888
Hersteller: BOSCH
Artikelnummer: EB-F016L80419-F016L33888
nur Informationsartikel
Nie mehr lieferbar
keine Alternativen
Pos.
603
BOSCH Unterlegscheibe | Ersatzteile für CLUB B20 | F016L34393
Hersteller: BOSCH
Artikelnummer: EB-F016L80419-F016L34393
nur Informationsartikel
Nie mehr lieferbar
keine Alternativen
Pos.
604
BOSCH Zapfen | Ersatzteile für CLUB B20 | F016L33667
Hersteller: BOSCH
Artikelnummer: EB-F016L80419-F016L33667
nur Informationsartikel
Nie mehr lieferbar
keine Alternativen
Pos.
605
BOSCH Ersatzteil | Ersatzteile für CLUB B20 | F016L32464
Hersteller: BOSCH
Artikelnummer: EB-F016L80419-F016L32464
nur Informationsartikel
Nie mehr lieferbar
keine Alternativen
Pos.
609
BOSCH Mutter M8 | Ersatzteile für CLUB B20 | F016L35457
Hersteller: BOSCH
Artikelnummer: EB-F016L80419-F016L35457
Netto: 3,60 € zzgl. MwSt.
zzgl. 6,90 € Versand (brutto)
einmalig pro Bestellung

Lieferzeit: 5 Werktage

Pos.
612
BOSCH Schraube | Ersatzteile für CLUB B20 | F016L32500
Hersteller: BOSCH
Artikelnummer: EB-F016L80419-F016L32500
Netto: 8,23 € zzgl. MwSt.
zzgl. 6,90 € Versand (brutto)
einmalig pro Bestellung

Lieferzeit: 5 Werktage

Pos.
613
BOSCH Feder | Ersatzteile für CLUB B20 | F016L33677
Hersteller: BOSCH
Artikelnummer: EB-F016L80419-F016L33677
Netto: 8,23 € zzgl. MwSt.
zzgl. 6,90 € Versand (brutto)
einmalig pro Bestellung

Lieferzeit: 5 Werktage

Pos.
614
BOSCH Feder | Ersatzteile für CLUB B20 | F016L33730
Hersteller: BOSCH
Artikelnummer: EB-F016L80419-F016L33730
Netto: 8,23 € zzgl. MwSt.
zzgl. 6,90 € Versand (brutto)
einmalig pro Bestellung

Lieferzeit: 5 Werktage

Pos.
615
BOSCH Mutter | Ersatzteile für CLUB B20 | F016L18018
Hersteller: BOSCH
Artikelnummer: EB-F016L80419-F016L18018
nur Informationsartikel
Nie mehr lieferbar
keine Alternativen
Pos.
616
BOSCH Exzenterbuchse | Ersatzteile für CLUB B20 | F016L33659
Hersteller: BOSCH
Artikelnummer: EB-F016L80419-F016L33659
nur Informationsartikel
Nie mehr lieferbar
keine Alternativen
Pos.
617
BOSCH Rechen | Ersatzteile für CLUB B20 | F016101246
Hersteller: BOSCH
Artikelnummer: EB-F016L80419-F016101246
nur Informationsartikel
Nie mehr lieferbar
keine Alternativen
Pos.
618
BOSCH Beilegring | Ersatzteile für CLUB B20 | F016L17056
Hersteller: BOSCH
Artikelnummer: EB-F016L80419-F016L17056
Netto: 16,70 € zzgl. MwSt.
zzgl. 6,90 € Versand (brutto)
einmalig pro Bestellung

Lieferzeit: 5 Werktage

Pos.
619
BOSCH Nippel | Ersatzteile für CLUB B20 | F016L17057
Hersteller: BOSCH
Artikelnummer: EB-F016L80419-F016L17057
Netto: 3,94 € zzgl. MwSt.
zzgl. 6,90 € Versand (brutto)
einmalig pro Bestellung

Lieferzeit: 5 Werktage

Pos.
620
BOSCH Lager | Ersatzteile für CLUB B20 | F016L17058
Hersteller: BOSCH
Artikelnummer: EB-F016L80419-F016L17058
nur Informationsartikel
Nie mehr lieferbar
keine Alternativen
Pos.
621
BOSCH Spindel | Ersatzteile für CLUB B20 | F016L20350
Hersteller: BOSCH
Artikelnummer: EB-F016L80419-F016L20350
nur Informationsartikel
Nie mehr lieferbar
keine Alternativen
Pos.
622
BOSCH Walze | Ersatzteile für CLUB B20 | F016L20860
Hersteller: BOSCH
Artikelnummer: EB-F016L80419-F016L20860
nur Informationsartikel
Nie mehr lieferbar
keine Alternativen
Pos.
623
BOSCH Lagerbuchse | Ersatzteile für CLUB B20 | F016L33661
Hersteller: BOSCH
Artikelnummer: EB-F016L80419-F016L33661
nur Informationsartikel
Nie mehr lieferbar
keine Alternativen
Pos.
624
BOSCH Rollenträger | Ersatzteile für CLUB B20 | F016101244
Hersteller: BOSCH
Artikelnummer: EB-F016L80419-F016101244
nur Informationsartikel
Nie mehr lieferbar
keine Alternativen
Pos.
626
BOSCH Schraube M6x50 | Ersatzteile für CLUB B20 | F016L33678
Hersteller: BOSCH
Artikelnummer: EB-F016L80419-F016L33678
nur Informationsartikel
Nie mehr lieferbar
keine Alternativen
Pos.
627
BOSCH Abstreifer | Ersatzteile für CLUB B20 | F016101245
Hersteller: BOSCH
Artikelnummer: EB-F016L80419-F016101245
Netto: 15,15 € zzgl. MwSt.
zzgl. 6,90 € Versand (brutto)
einmalig pro Bestellung

Lieferzeit: 5 Werktage

Pos.
628
BOSCH Unterlegscheibe | Ersatzteile für CLUB B20 | F016L18139
Hersteller: BOSCH
Artikelnummer: EB-F016L80419-F016L18139
nur Informationsartikel
Nie mehr lieferbar
keine Alternativen
Pos.
629
BOSCH Schraube | Ersatzteile für CLUB B20 | F016W25122
Hersteller: BOSCH
Artikelnummer: EB-F016L80419-F016W25122
nur Informationsartikel
Nie mehr lieferbar
keine Alternativen
Pos.
631
BOSCH Formscheibe | Ersatzteile für CLUB B20 | F016L33676
Hersteller: BOSCH
Artikelnummer: EB-F016L80419-F016L33676
Netto: 4,36 € zzgl. MwSt.
zzgl. 6,90 € Versand (brutto)
einmalig pro Bestellung

Lieferzeit: 5 Werktage

Pos.
632
BOSCH Abstandshülse | Ersatzteile für CLUB B20 | F016L33675
Hersteller: BOSCH
Artikelnummer: EB-F016L80419-F016L33675
nur Informationsartikel
Nie mehr lieferbar
keine Alternativen
Pos.
633
BOSCH Sechskantschraube WAS 170 | Ersatzteile für CLUB B20 | F016W25213
Hersteller: BOSCH
Artikelnummer: EB-F016L80419-F016W25213
nur Informationsartikel
Nie mehr lieferbar
keine Alternativen
Pos.
634
BOSCH Laufbolzen | Ersatzteile für CLUB B20 | F016L20408
Hersteller: BOSCH
Artikelnummer: EB-F016L80419-F016L20408
Netto: 4,80 € zzgl. MwSt.
zzgl. 6,90 € Versand (brutto)
einmalig pro Bestellung

Lieferzeit: 5 Werktage

Pos.
635
BOSCH Schraube 1/4UNFx1/2 | Ersatzteile für CLUB B20 | F016L20208
Hersteller: BOSCH
Artikelnummer: EB-F016L80419-F016L20208
nur Informationsartikel
Nie mehr lieferbar
keine Alternativen
Pos.
636
BOSCH Formscheibe | Ersatzteile für CLUB B20 | F016L33668
Hersteller: BOSCH
Artikelnummer: EB-F016L80419-F016L33668
nur Informationsartikel
Nie mehr lieferbar
keine Alternativen
Pos.
637
BOSCH Unterlegscheibe | Ersatzteile für CLUB B20 | F016L12918
Hersteller: BOSCH
Artikelnummer: EB-F016L80419-F016L12918
Netto: 3,60 € zzgl. MwSt.
zzgl. 6,90 € Versand (brutto)
einmalig pro Bestellung

Lieferzeit: 5 Werktage

Pos.
701
BOSCH Lagerbolzen | Ersatzteile für CLUB B20 | F016L20305
Hersteller: BOSCH
Artikelnummer: EB-F016L80419-F016L20305
nur Informationsartikel
Nie mehr lieferbar
keine Alternativen
Pos.
703
BOSCH Kupplungsgabel | Ersatzteile für CLUB B20 | F016100798
Hersteller: BOSCH
Artikelnummer: EB-F016L80419-F016100798
nur Informationsartikel
Nie mehr lieferbar
keine Alternativen
Pos.
706
BOSCH Lager | Ersatzteile für CLUB B20 | F016L10233
Hersteller: BOSCH
Artikelnummer: EB-F016L80419-F016L10233
nur Informationsartikel
Nie mehr lieferbar
keine Alternativen
Pos.
707
BOSCH Unterlegscheibe | Ersatzteile für CLUB B20 | F016L13296
Hersteller: BOSCH
Artikelnummer: EB-F016L80419-F016L13296
nur Informationsartikel
Nie mehr lieferbar
keine Alternativen
Pos.
709
BOSCH Befestigungsbügel | Ersatzteile für CLUB B20 | F016100697
Hersteller: BOSCH
Artikelnummer: EB-F016L80419-F016100697
nur Informationsartikel
Nie mehr lieferbar
keine Alternativen
Pos.
712
BOSCH Stellring 12 MM T40 | Ersatzteile für CLUB B20 | F016T49100
Hersteller: BOSCH
Artikelnummer: EB-F016L80419-F016T49100
nur Informationsartikel
Nie mehr lieferbar
keine Alternativen
Pos.
713
BOSCH Bolzen | Ersatzteile für CLUB B20 | F016L21862
Hersteller: BOSCH
Artikelnummer: EB-F016L80419-F016L21862
nur Informationsartikel
Nie mehr lieferbar
keine Alternativen
Pos.
714
BOSCH Unterlegscheibe | Ersatzteile für CLUB B20 | F016L10198
Hersteller: BOSCH
Artikelnummer: EB-F016L80419-F016L10198
nur Informationsartikel
Nie mehr lieferbar
keine Alternativen
Pos.
715
BOSCH Schaltring | Ersatzteile für CLUB B20 | F016100703
Hersteller: BOSCH
Artikelnummer: EB-F016L80419-F016100703
nur Informationsartikel
Nie mehr lieferbar
keine Alternativen
Pos.
716
BOSCH Lagerbuchse 19x22x16 MM | Ersatzteile für CLUB B20 | F016L03958
Hersteller: BOSCH
Artikelnummer: EB-F016L80419-F016L03958
nur Informationsartikel
Nie mehr lieferbar
keine Alternativen
Pos.
717
BOSCH Reibscheibe | Ersatzteile für CLUB B20 | F016L12661
Hersteller: BOSCH
Artikelnummer: EB-F016L80419-F016L12661
nur Informationsartikel
Nie mehr lieferbar
keine Alternativen
Pos.
718
BOSCH Scheibe | Ersatzteile für CLUB B20 | F016L33634
Hersteller: BOSCH
Artikelnummer: EB-F016L80419-F016L33634
nur Informationsartikel
Nie mehr lieferbar
keine Alternativen
Pos.
719
BOSCH Beilegring | Ersatzteile für CLUB B20 | F016L12662
Hersteller: BOSCH
Artikelnummer: EB-F016L80419-F016L12662
nur Informationsartikel
Nie mehr lieferbar
keine Alternativen
Pos.
720
BOSCH Bolzen | Ersatzteile für CLUB B20 | F016L16272
Hersteller: BOSCH
Artikelnummer: EB-F016L80419-F016L16272
Netto: 4,36 € zzgl. MwSt.
zzgl. 6,90 € Versand (brutto)
einmalig pro Bestellung

Lieferzeit: 5 Werktage

Pos.
721
BOSCH Antriebsplatte | Ersatzteile für CLUB B20 | F016L21176
Hersteller: BOSCH
Artikelnummer: EB-F016L80419-F016L21176
nur Informationsartikel
Nie mehr lieferbar
keine Alternativen
Pos.
722
BOSCH Buchse | Ersatzteile für CLUB B20 | F016L13440
Hersteller: BOSCH
Artikelnummer: EB-F016L80419-F016L13440
nur Informationsartikel
Nie mehr lieferbar
keine Alternativen
Pos.
723
BOSCH Antriebsvorrichtung | Ersatzteile für CLUB B20 | F016100702
Hersteller: BOSCH
Artikelnummer: EB-F016L80419-F016100702
nur Informationsartikel
Nie mehr lieferbar
keine Alternativen
Pos.
724
BOSCH Kupplungsstück | Ersatzteile für CLUB B20 | F016L12721
Hersteller: BOSCH
Artikelnummer: EB-F016L80419-F016L12721
nur Informationsartikel
Nie mehr lieferbar
keine Alternativen
Pos.
725
BOSCH Schraube | Ersatzteile für CLUB B20 | F016L20896
Hersteller: BOSCH
Artikelnummer: EB-F016L80419-F016L20896
nur Informationsartikel
Nie mehr lieferbar
keine Alternativen
Pos.
726
BOSCH Antriebsglied | Ersatzteile für CLUB B20 | F016103811
Hersteller: BOSCH
Artikelnummer: EB-F016L80419-F016103811
nur Informationsartikel
Nie mehr lieferbar
keine Alternativen
Pos.
733
BOSCH Sicherungsscheibe | Ersatzteile für CLUB B20 | F016L12381
Hersteller: BOSCH
Artikelnummer: EB-F016L80419-F016L12381
nur Informationsartikel
Nie mehr lieferbar
keine Alternativen
Pos.
734
BOSCH Kettenrad | Ersatzteile für CLUB B20 | F016L12433
Hersteller: BOSCH
Artikelnummer: EB-F016L80419-F016L12433
nur Informationsartikel
Nie mehr lieferbar
keine Alternativen
Pos.
737
BOSCH Kugellager | Ersatzteile für CLUB B20 | F016L03729
Hersteller: BOSCH
Artikelnummer: EB-F016L80419-F016L03729
Netto: 28,93 € zzgl. MwSt.
zzgl. 6,90 € Versand (brutto)
einmalig pro Bestellung

Lieferzeit: 5 Werktage

Pos.
739
BOSCH Kegelstift | Ersatzteile für CLUB B20 | F016L09498
Hersteller: BOSCH
Artikelnummer: EB-F016L80419-F016L09498
nur Informationsartikel
Nie mehr lieferbar
keine Alternativen
Pos.
740
BOSCH Einstellhülse | Ersatzteile für CLUB B20 | F016L09422
Hersteller: BOSCH
Artikelnummer: EB-F016L80419-F016L09422
Netto: 6,27 € zzgl. MwSt.
zzgl. 6,90 € Versand (brutto)
einmalig pro Bestellung

Lieferzeit: 5 Werktage

Pos.
741
BOSCH Druckfeder | Ersatzteile für CLUB B20 | F016L35789
Hersteller: BOSCH
Artikelnummer: EB-F016L80419-F016L35789
nur Informationsartikel
Nie mehr lieferbar
keine Alternativen
Pos.
742
BOSCH Kupplungswelle | Ersatzteile für CLUB B20 | F016L20297
Hersteller: BOSCH
Artikelnummer: EB-F016L80419-F016L20297
nur Informationsartikel
Nie mehr lieferbar
keine Alternativen
Pos.
744
BOSCH Schraube | Ersatzteile für CLUB B20 | F016L20253
Hersteller: BOSCH
Artikelnummer: EB-F016L80419-F016L20253
Netto: 3,60 € zzgl. MwSt.
zzgl. 6,90 € Versand (brutto)
einmalig pro Bestellung

Lieferzeit: 5 Werktage

Pos.
746
BOSCH Klauenring | Ersatzteile für CLUB B20 | F016100777
Hersteller: BOSCH
Artikelnummer: EB-F016L80419-F016100777
nur Informationsartikel
Nie mehr lieferbar
keine Alternativen
Pos.
747
BOSCH Keil | Ersatzteile für CLUB B20 | F016W25059
Hersteller: BOSCH
Artikelnummer: EB-F016L80419-F016W25059
nur Informationsartikel
Nie mehr lieferbar
keine Alternativen
Pos.
748
BOSCH Antriebs-Kupplung | Ersatzteile für CLUB B20 | F016103823
Hersteller: BOSCH
Artikelnummer: EB-F016L80419-F016103823
nur Informationsartikel
Nie mehr lieferbar
keine Alternativen
Pos.
802
BOSCH Unterlegscheibe | Ersatzteile für CLUB B20 | F016L13237
Hersteller: BOSCH
Artikelnummer: EB-F016L80419-F016L13237
nur Informationsartikel
Nie mehr lieferbar
keine Alternativen
Pos.
803
BOSCH Welle | Ersatzteile für CLUB B20 | F016L20333
Hersteller: BOSCH
Artikelnummer: EB-F016L80419-F016L20333
Netto: 32,16 € zzgl. MwSt.
zzgl. 6,90 € Versand (brutto)
einmalig pro Bestellung

Lieferzeit: 5 Werktage

Pos.
804
BOSCH Kettenschloss | Ersatzteile für CLUB B20 | F016L21249
Hersteller: BOSCH
Artikelnummer: EB-F016L80419-F016L21249
nur Informationsartikel
Nie mehr lieferbar
keine Alternativen
Pos.
805
BOSCH Kette 1/2" n=43 | Ersatzteile für CLUB B20 | F016L66788
Hersteller: BOSCH
Artikelnummer: EB-F016L80419-F016L66788
nur Informationsartikel
Nie mehr lieferbar
keine Alternativen
Pos.
807
BOSCH Kette 1/2" n=34 | Ersatzteile für CLUB B20 | F016L66786
Hersteller: BOSCH
Artikelnummer: EB-F016L80419-F016L66786
Netto: 35,13 € zzgl. MwSt.
zzgl. 6,90 € Versand (brutto)
einmalig pro Bestellung

Lieferzeit: 5 Werktage

Pos.
809
BOSCH Unterlegscheibe | Ersatzteile für CLUB B20 | F016L13233
Hersteller: BOSCH
Artikelnummer: EB-F016L80419-F016L13233
nur Informationsartikel
Nie mehr lieferbar
keine Alternativen
Pos.
810
BOSCH Lagerbuchse 15x22x22 MM | Ersatzteile für CLUB B20 | F016L03733
Hersteller: BOSCH
Artikelnummer: EB-F016L80419-F016L03733
nur Informationsartikel
Nie mehr lieferbar
keine Alternativen
Pos.
811
BOSCH Kettenrad | Ersatzteile für CLUB B20 | F016L20321
Hersteller: BOSCH
Artikelnummer: EB-F016L80419-F016L20321
nur Informationsartikel
Nie mehr lieferbar
keine Alternativen
Pos.
812
BOSCH Kette 1/2" n=38 | Ersatzteile für CLUB B20 | F016L66785
Hersteller: BOSCH
Artikelnummer: EB-F016L80419-F016L66785
Netto: 46,22 € zzgl. MwSt.
zzgl. 6,90 € Versand (brutto)
einmalig pro Bestellung

Lieferzeit: 5 Werktage

Pos.
813
BOSCH Scheibe | Ersatzteile für CLUB B20 | F016L20316
Hersteller: BOSCH
Artikelnummer: EB-F016L80419-F016L20316
Netto: 3,60 € zzgl. MwSt.
zzgl. 6,90 € Versand (brutto)
einmalig pro Bestellung

Lieferzeit: 5 Werktage

Pos.
814
BOSCH Schraube 1/4 UNF X 1/2 | Ersatzteile für CLUB B20 | F016L18167
Hersteller: BOSCH
Artikelnummer: EB-F016L80419-F016L18167
Netto: 3,60 € zzgl. MwSt.
zzgl. 6,90 € Versand (brutto)
einmalig pro Bestellung

Lieferzeit: 5 Werktage

Pos.
815
BOSCH Sicherungsscheibe | Ersatzteile für CLUB B20 | F016L18174
Hersteller: BOSCH
Artikelnummer: EB-F016L80419-F016L18174
nur Informationsartikel
Nie mehr lieferbar
keine Alternativen
Pos.
816
BOSCH Feder | Ersatzteile für CLUB B20 | F016L12757
Hersteller: BOSCH
Artikelnummer: EB-F016L80419-F016L12757
nur Informationsartikel
Nie mehr lieferbar
keine Alternativen
Pos.
817
BOSCH Mitnehmer | Ersatzteile für CLUB B20 | F016L20314
Hersteller: BOSCH
Artikelnummer: EB-F016L80419-F016L20314
nur Informationsartikel
Nie mehr lieferbar
keine Alternativen
Pos.
818
BOSCH Manschette | Ersatzteile für CLUB B20 | F016L20315
Hersteller: BOSCH
Artikelnummer: EB-F016L80419-F016L20315
nur Informationsartikel
Nie mehr lieferbar
keine Alternativen
Pos.
819
BOSCH Kettenrad | Ersatzteile für CLUB B20 | F016L20312
Hersteller: BOSCH
Artikelnummer: EB-F016L80419-F016L20312
Netto: 150,24 € zzgl. MwSt.
zzgl. 6,90 € Versand (brutto)
einmalig pro Bestellung

Lieferzeit: 5 Werktage

Pos.
820
BOSCH Kette 1/2" n=28 | Ersatzteile für CLUB B20 | F016L66787
Hersteller: BOSCH
Artikelnummer: EB-F016L80419-F016L66787
nur Informationsartikel
Nie mehr lieferbar
keine Alternativen
Pos.
821
BOSCH Splint | Ersatzteile für CLUB B20 | F016L13230
Hersteller: BOSCH
Artikelnummer: EB-F016L80419-F016L13230
Netto: 3,60 € zzgl. MwSt.
zzgl. 6,90 € Versand (brutto)
einmalig pro Bestellung

Lieferzeit: 5 Werktage

Pos.
822
BOSCH Kettenrad | Ersatzteile für CLUB B20 | F016103812
Hersteller: BOSCH
Artikelnummer: EB-F016L80419-F016103812
nur Informationsartikel
Nie mehr lieferbar
keine Alternativen
Pos.
823
BOSCH Lagerbuchse | Ersatzteile für CLUB B20 | F016L12538
Hersteller: BOSCH
Artikelnummer: EB-F016L80419-F016L12538
Netto: 9,05 € zzgl. MwSt.
zzgl. 6,90 € Versand (brutto)
einmalig pro Bestellung

Lieferzeit: 5 Werktage

Angaben zur Produktsicherheit

Hersteller:
Robert Bosch Power Tools GmbH
Postfach 30 02 20
70442 Stuttgart

E-Mail:
kontakt@bosch.de