BOSCH: Versand-Pause / Inventur von 05.12.2025 - 15.12.2025 - es erfolgt kein Versand in dieser Zeit. Bitte addieren Sie das Zeitfenster zu der angegebenen Lieferzeit im Artikel.
BOSCH Schraube | Ersatzteile für CLUB B20 | F016L20402

Artikelnummer: EB-F016L80912-F016L20402

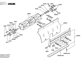
Position: 55/49

Marke: BOSCH


Bitte Kompatibilität prüfen!

Bitte prüfen Sie unbedingt die 10-stellige Typennummer Ihrer Maschine / Ihres Gerätes. Das Ersatzteil ist nur kompatibel, wenn Sie die Typennummer Ihrer Maschine in der unten stehenden Produktbeschreibung finden.

Bitte prüfen Sie ebenfalls detailliert die Explosionszeichnung mit Ihrem Artikelwunsch und der jeweiligen Pos-Nummer.

Alle Elemente, welche vom schwarzen Strich der Pos-Nummer ausgehend berührt / erfasst werden, gehören zu dieser Pos-Nummer und somit zu diesem Artikel. Jede Pos-Nummer ist ein eigenständiger Artikel, welchen Sie in der Auflistung finden.

Sie erhalten stets die aktuellste, neueste Produktversion zu der gewählten Pos-Nummer seitens des Herstellers. Es kann daher je nach Gerätealter vorkommen, dass Sie ggf. weitere, zugehörige Elemente, welche an diese Pos-Nummer grenzen, ebenfalls mittauschen müssen.

Nähere Informationen finden Sie unter dem Link
Hinweise zu Ihrer BOSCH Ersatzteilsuche

Preisübersicht

Einzelpreis: 3,75 €* (Brutto: 4,46 €)
Gesamtpreis: 3,75 €* 
Position:

Lieferzeit: 64 Werktage


Beschreibung

  • Schraube
  • Original Bosch Zubehör / BOSCH Ersatzteil (F016L20402)
  • im Gerät verbaut: 2
Dieses BOSCH Ersatzteil ist mit folgendem Gerät und Modell kompatibel:
  • BOSCH Gerätename: CLUB B20
  • BOSCH Explosionszeichnung: Position 55/49
  • BOSCH Typennummer: F016L80912
  • BOSCH Typennummer alternative Schreibweisen: F 016 L80 912, F016 L80 912, F.016.L80.912, F-016-L80-912
    Bitte prüfen Sie diese Typennummer auf Ihrem Gerät um die Kompatibilität des BOSCH Ersatzteils zu gewährleisten.
Weitere BOSCH Ersatzteile des Gerätes CLUB B20 (Rasenmäher) mit der Typennummer F016L80912 finden Sie in der nachfolgenden Darstellung und im Dropdown zu Ihrer Auswahl:

Pos.
40/103
BOSCH Schraube | Ersatzteile für CLUB B20 | F016L20472
Hersteller: BOSCH
Artikelnummer: EB-F016L80912-F016L20472
Netto: 3,75 € zzgl. MwSt.
zzgl. 6,90 € Versand (brutto)
einmalig pro Bestellung

Lieferzeit: 64 Werktage

Pos.
40/104
BOSCH Sicherungsmutter | Ersatzteile für CLUB B20 | F016L06956
Hersteller: BOSCH
Artikelnummer: EB-F016L80912-F016L06956
nur Informationsartikel
Nie mehr lieferbar
keine Alternativen
Pos.
40/106
BOSCH Sicherungsmutter | Ersatzteile für CLUB B20 | F016L11218
Hersteller: BOSCH
Artikelnummer: EB-F016L80912-F016L11218
nur Informationsartikel
Nie mehr lieferbar
keine Alternativen
Pos.
40/17/02
BOSCH Platte | Ersatzteile für CLUB B20 | F016L20319
Hersteller: BOSCH
Artikelnummer: EB-F016L80912-F016L20319
nur Informationsartikel
Nie mehr lieferbar
keine Alternativen
Pos.
40/20
BOSCH Haltearm | Ersatzteile für CLUB B20 | F016L59665
Hersteller: BOSCH
Artikelnummer: EB-F016L80912-F016L59665
nur Informationsartikel
Nie mehr lieferbar
keine Alternativen
Pos.
40/22
BOSCH Feder | Ersatzteile für CLUB B20 | F016L09482
Hersteller: BOSCH
Artikelnummer: EB-F016L80912-F016L09482
nur Informationsartikel
Nie mehr lieferbar
keine Alternativen
Pos.
40/24
BOSCH Gabelkopf | Ersatzteile für CLUB B20 | F016L34489
Hersteller: BOSCH
Artikelnummer: EB-F016L80912-F016L34489
nur Informationsartikel
Nie mehr lieferbar
keine Alternativen
Pos.
40/25
BOSCH Beilegring | Ersatzteile für CLUB B20 | F016L34691
Hersteller: BOSCH
Artikelnummer: EB-F016L80912-F016L34691
nur Informationsartikel
Nie mehr lieferbar
keine Alternativen
Pos.
40/36
BOSCH Klebeschild | Ersatzteile für CLUB B20 | F016L59789
Hersteller: BOSCH
Artikelnummer: EB-F016L80912-F016L59789
nur Informationsartikel
Nie mehr lieferbar
keine Alternativen
Pos.
40/44
BOSCH Feder | Ersatzteile für CLUB B20 | F016L36810
Hersteller: BOSCH
Artikelnummer: EB-F016L80912-F016L36810
nur Informationsartikel
Nie mehr lieferbar
keine Alternativen
Pos.
40/49
BOSCH Beilegring | Ersatzteile für CLUB B20 | F016L36826
Hersteller: BOSCH
Artikelnummer: EB-F016L80912-F016L36826
nur Informationsartikel
Nie mehr lieferbar
keine Alternativen
Pos.
40/51
BOSCH Klebeschild | Ersatzteile für CLUB B20 | F016L37757
Hersteller: BOSCH
Artikelnummer: EB-F016L80912-F016L37757
nur Informationsartikel
Nie mehr lieferbar
keine Alternativen
Pos.
40/65
BOSCH Druckfeder | Ersatzteile für CLUB B20 | F016L09854
Hersteller: BOSCH
Artikelnummer: EB-F016L80912-F016L09854
nur Informationsartikel
Nie mehr lieferbar
keine Alternativen
Pos.
40/72
BOSCH Sicherungsscheibe | Ersatzteile für CLUB B20 | F016L11107
Hersteller: BOSCH
Artikelnummer: EB-F016L80912-F016L11107
nur Informationsartikel
Nie mehr lieferbar
keine Alternativen
Pos.
40/81
BOSCH Federscheibe | Ersatzteile für CLUB B20 | F016L18182
Hersteller: BOSCH
Artikelnummer: EB-F016L80912-F016L18182
nur Informationsartikel
Nie mehr lieferbar
keine Alternativen
Pos.
40/82
BOSCH Sechskantschraube | Ersatzteile für CLUB B20 | F016L18408
Hersteller: BOSCH
Artikelnummer: EB-F016L80912-F016L18408
nur Informationsartikel
Nie mehr lieferbar
keine Alternativen
Pos.
40/86
BOSCH Schraube | Ersatzteile für CLUB B20 | F016L20344
Hersteller: BOSCH
Artikelnummer: EB-F016L80912-F016L20344
nur Informationsartikel
Nie mehr lieferbar
keine Alternativen
Pos.
40/87
BOSCH Schraube | Ersatzteile für CLUB B20 | F016L20345
Hersteller: BOSCH
Artikelnummer: EB-F016L80912-F016L20345
nur Informationsartikel
Nie mehr lieferbar
keine Alternativen
Pos.
40/96
BOSCH Sechskantschraube | Ersatzteile für CLUB B20 | F016W25710
Hersteller: BOSCH
Artikelnummer: EB-F016L80912-F016W25710
nur Informationsartikel
Nie mehr lieferbar
keine Alternativen
Pos.
50/01
BOSCH Rolle | Ersatzteile für CLUB B20 | F016L59726
Hersteller: BOSCH
Artikelnummer: EB-F016L80912-F016L59726
nur Informationsartikel
Nie mehr lieferbar
keine Alternativen
Pos.
50/01/02
BOSCH Endplatte | Ersatzteile für CLUB B20 | F016L13358
Hersteller: BOSCH
Artikelnummer: EB-F016L80912-F016L13358
nur Informationsartikel
Nie mehr lieferbar
keine Alternativen
Pos.
50/01/04
BOSCH Ersatzteil | Ersatzteile für CLUB B20 | F016L59723
Hersteller: BOSCH
Artikelnummer: EB-F016L80912-F016L59723
nur Informationsartikel
Nie mehr lieferbar
keine Alternativen
Pos.
50/14
BOSCH Lagerhalter | Ersatzteile für CLUB B20 | F016L20381
Hersteller: BOSCH
Artikelnummer: EB-F016L80912-F016L20381
nur Informationsartikel
Nie mehr lieferbar
keine Alternativen
Pos.
50/17
BOSCH Unterlegscheibe | Ersatzteile für CLUB B20 | F016L13247
Hersteller: BOSCH
Artikelnummer: EB-F016L80912-F016L13247
nur Informationsartikel
Nie mehr lieferbar
keine Alternativen
Pos.
50/20
BOSCH Feder | Ersatzteile für CLUB B20 | F016L13254
Hersteller: BOSCH
Artikelnummer: EB-F016L80912-F016L13254
nur Informationsartikel
Nie mehr lieferbar
keine Alternativen
Pos.
50/22
BOSCH Mutter | Ersatzteile für CLUB B20 | F016L20465
Hersteller: BOSCH
Artikelnummer: EB-F016L80912-F016L20465
nur Informationsartikel
Nie mehr lieferbar
keine Alternativen
Pos.
50/23
BOSCH Thermoschalter | Ersatzteile für CLUB B20 | F016L33987
Hersteller: BOSCH
Artikelnummer: EB-F016L80912-F016L33987
nur Informationsartikel
Nie mehr lieferbar
keine Alternativen
Pos.
50/33
BOSCH Scheibe | Ersatzteile für CLUB B20 | F016L12541
Hersteller: BOSCH
Artikelnummer: EB-F016L80912-F016L12541
nur Informationsartikel
Nie mehr lieferbar
keine Alternativen
Pos.
55/05/01/02
BOSCH Untermesser | Ersatzteile für CLUB B20 | F016102992
Hersteller: BOSCH
Artikelnummer: EB-F016L80912-F016102992
nur Informationsartikel
Nie mehr lieferbar
keine Alternativen
Pos.
55/40
BOSCH Unterlegscheibe | Ersatzteile für CLUB B20 | F016L13236
Hersteller: BOSCH
Artikelnummer: EB-F016L80912-F016L13236
nur Informationsartikel
Nie mehr lieferbar
keine Alternativen
Pos.
55/42
BOSCH Unterlegscheibe | Ersatzteile für CLUB B20 | F016L12404
Hersteller: BOSCH
Artikelnummer: EB-F016L80912-F016L12404
nur Informationsartikel
Nie mehr lieferbar
keine Alternativen
Pos.
55/45
BOSCH Schraube | Ersatzteile für CLUB B20 | F016L20382
Hersteller: BOSCH
Artikelnummer: EB-F016L80912-F016L20382
nur Informationsartikel
Nie mehr lieferbar
keine Alternativen
Pos.
55/47
BOSCH Sicherungsscheibe | Ersatzteile für CLUB B20 | F016L18185
Hersteller: BOSCH
Artikelnummer: EB-F016L80912-F016L18185
nur Informationsartikel
Nie mehr lieferbar
keine Alternativen
Pos.
60/08
BOSCH Ersatzteil | Ersatzteile für CLUB B20 | F016L32464
Hersteller: BOSCH
Artikelnummer: EB-F016L80912-F016L32464
nur Informationsartikel
Nie mehr lieferbar
keine Alternativen
Pos.
60/09
BOSCH Bolzen | Ersatzteile für CLUB B20 | F016L33888
Hersteller: BOSCH
Artikelnummer: EB-F016L80912-F016L33888
nur Informationsartikel
Nie mehr lieferbar
keine Alternativen
Pos.
60/10
BOSCH Abstandshülse | Ersatzteile für CLUB B20 | F016L33675
Hersteller: BOSCH
Artikelnummer: EB-F016L80912-F016L33675
nur Informationsartikel
Nie mehr lieferbar
keine Alternativen
Pos.
60/11
BOSCH Exzenterbuchse | Ersatzteile für CLUB B20 | F016L33659
Hersteller: BOSCH
Artikelnummer: EB-F016L80912-F016L33659
nur Informationsartikel
Nie mehr lieferbar
keine Alternativen
Pos.
60/12
BOSCH Lagerbuchse | Ersatzteile für CLUB B20 | F016L33661
Hersteller: BOSCH
Artikelnummer: EB-F016L80912-F016L33661
nur Informationsartikel
Nie mehr lieferbar
keine Alternativen
Pos.
60/24
BOSCH Mutter | Ersatzteile für CLUB B20 | F016L18018
Hersteller: BOSCH
Artikelnummer: EB-F016L80912-F016L18018
nur Informationsartikel
Nie mehr lieferbar
keine Alternativen
Pos.
60/31
BOSCH Unterlegscheibe | Ersatzteile für CLUB B20 | F016L18139
Hersteller: BOSCH
Artikelnummer: EB-F016L80912-F016L18139
nur Informationsartikel
Nie mehr lieferbar
keine Alternativen
Pos.
60/32
BOSCH Schraube | Ersatzteile für CLUB B20 | F016L20208
Hersteller: BOSCH
Artikelnummer: EB-F016L80912-F016L20208
nur Informationsartikel
Nie mehr lieferbar
keine Alternativen
Pos.
60/39
BOSCH Sechskantschraube | Ersatzteile für CLUB B20 | F016W25213
Hersteller: BOSCH
Artikelnummer: EB-F016L80912-F016W25213
nur Informationsartikel
Nie mehr lieferbar
keine Alternativen
Pos.
60/41
BOSCH Unterlegscheibe | Ersatzteile für CLUB B20 | F016L34393
Hersteller: BOSCH
Artikelnummer: EB-F016L80912-F016L34393
nur Informationsartikel
Nie mehr lieferbar
keine Alternativen
Pos.
65/01
BOSCH Ersatzteil | Ersatzteile für CLUB B20 | F016L59572
Hersteller: BOSCH
Artikelnummer: EB-F016L80912-F016L59572
nur Informationsartikel
Nie mehr lieferbar
keine Alternativen
Pos.
65/05
BOSCH Antriebs-Kupplung | Ersatzteile für CLUB B20 | F016L59918
Hersteller: BOSCH
Artikelnummer: EB-F016L80912-F016L59918
nur Informationsartikel
Nie mehr lieferbar
keine Alternativen
Pos.
65/07
BOSCH Tülle | Ersatzteile für CLUB B20 | F016L12716
Hersteller: BOSCH
Artikelnummer: EB-F016L80912-F016L12716
nur Informationsartikel
Nie mehr lieferbar
keine Alternativen
Pos.
70/03
BOSCH Kettenrad | Ersatzteile für CLUB B20 | F016103812
Hersteller: BOSCH
Artikelnummer: EB-F016L80912-F016103812
nur Informationsartikel
Nie mehr lieferbar
keine Alternativen
Pos.
70/04
BOSCH Kettenrad | Ersatzteile für CLUB B20 | F016L20321
Hersteller: BOSCH
Artikelnummer: EB-F016L80912-F016L20321
nur Informationsartikel
Nie mehr lieferbar
keine Alternativen
Pos.
70/26
BOSCH Lager | Ersatzteile für CLUB B20 | F016L10233
Hersteller: BOSCH
Artikelnummer: EB-F016L80912-F016L10233
nur Informationsartikel
Nie mehr lieferbar
keine Alternativen
Pos.
70/28
BOSCH Bolzen | Ersatzteile für CLUB B20 | F016L21862
Hersteller: BOSCH
Artikelnummer: EB-F016L80912-F016L21862
nur Informationsartikel
Nie mehr lieferbar
keine Alternativen
Pos.
70/30
BOSCH Reibscheibe | Ersatzteile für CLUB B20 | F016L12661
Hersteller: BOSCH
Artikelnummer: EB-F016L80912-F016L12661
nur Informationsartikel
Nie mehr lieferbar
keine Alternativen
Pos.
70/33
BOSCH Antriebsplatte | Ersatzteile für CLUB B20 | F016L21176
Hersteller: BOSCH
Artikelnummer: EB-F016L80912-F016L21176
nur Informationsartikel
Nie mehr lieferbar
keine Alternativen
Pos.
70/40
BOSCH Klauenring | Ersatzteile für CLUB B20 | F016L13695
Hersteller: BOSCH
Artikelnummer: EB-F016L80912-F016L13695
nur Informationsartikel
Nie mehr lieferbar
keine Alternativen
Pos.
70/41
BOSCH Kontaktlasche | Ersatzteile für CLUB B20 | F016L12380
Hersteller: BOSCH
Artikelnummer: EB-F016L80912-F016L12380
nur Informationsartikel
Nie mehr lieferbar
keine Alternativen
Pos.
70/44
BOSCH Lagerzapfen | Ersatzteile für CLUB B20 | F016L21507
Hersteller: BOSCH
Artikelnummer: EB-F016L80912-F016L21507
nur Informationsartikel
Nie mehr lieferbar
keine Alternativen
Pos.
70/49
BOSCH Knopf | Ersatzteile für CLUB B20 | F016L20418
Hersteller: BOSCH
Artikelnummer: EB-F016L80912-F016L20418
nur Informationsartikel
Nie mehr lieferbar
keine Alternativen
Pos.
70/73
BOSCH Unterlegscheibe | Ersatzteile für CLUB B20 | F016L13233
Hersteller: BOSCH
Artikelnummer: EB-F016L80912-F016L13233
nur Informationsartikel
Nie mehr lieferbar
keine Alternativen
Pos.
70/86
BOSCH Laufbolzen | Ersatzteile für CLUB B20 | F016L20416
Hersteller: BOSCH
Artikelnummer: EB-F016L80912-F016L20416
nur Informationsartikel
Nie mehr lieferbar
keine Alternativen
Pos.
75/09
BOSCH Buchse | Ersatzteile für CLUB B20 | F016L36719
Hersteller: BOSCH
Artikelnummer: EB-F016L80912-F016L36719
nur Informationsartikel
Nie mehr lieferbar
keine Alternativen
Pos.
75/13
BOSCH Distanzrohr | Ersatzteile für CLUB B20 | F016L59668
Hersteller: BOSCH
Artikelnummer: EB-F016L80912-F016L59668
nur Informationsartikel
Nie mehr lieferbar
keine Alternativen
Pos.
75/21
BOSCH Lagerzapfen | Ersatzteile für CLUB B20 | F016L36829
Hersteller: BOSCH
Artikelnummer: EB-F016L80912-F016L36829
nur Informationsartikel
Nie mehr lieferbar
keine Alternativen
Pos.
75/23
BOSCH Schalter | Ersatzteile für CLUB B20 | F016L13455
Hersteller: BOSCH
Artikelnummer: EB-F016L80912-F016L13455
nur Informationsartikel
Nie mehr lieferbar
keine Alternativen
Pos.
75/24
BOSCH Kabelbaum | Ersatzteile für CLUB B20 | F016L59565
Hersteller: BOSCH
Artikelnummer: EB-F016L80912-F016L59565
nur Informationsartikel
Nie mehr lieferbar
keine Alternativen
Pos.
75/29
BOSCH Mutter | Ersatzteile für CLUB B20 | F016L36386
Hersteller: BOSCH
Artikelnummer: EB-F016L80912-F016L36386
nur Informationsartikel
Nie mehr lieferbar
keine Alternativen
Pos.
75/31
BOSCH Sechskantschraube | Ersatzteile für CLUB B20 | F016W29920
Hersteller: BOSCH
Artikelnummer: EB-F016L80912-F016W29920
nur Informationsartikel
Nie mehr lieferbar
keine Alternativen
Pos.
75/39
BOSCH Kabelhalter | Ersatzteile für CLUB B20 | F016L11580
Hersteller: BOSCH
Artikelnummer: EB-F016L80912-F016L11580
nur Informationsartikel
Nie mehr lieferbar
keine Alternativen
Pos.
75/53
BOSCH Klebeschild | Ersatzteile für CLUB B20 | F016L34201
Hersteller: BOSCH
Artikelnummer: EB-F016L80912-F016L34201
nur Informationsartikel
Nie mehr lieferbar
keine Alternativen
Pos.
80/02
BOSCH Auffangbehälter | Ersatzteile für CLUB B20 | F016L19193
Hersteller: BOSCH
Artikelnummer: EB-F016L80912-F016L19193
nur Informationsartikel
Nie mehr lieferbar
keine Alternativen
Pos.
80/03
BOSCH Klebeschild | Ersatzteile für CLUB B20 | F016L59781
Hersteller: BOSCH
Artikelnummer: EB-F016L80912-F016L59781
nur Informationsartikel
Nie mehr lieferbar
keine Alternativen
Pos.
840/02
BOSCH Seitenplatte | Ersatzteile für CLUB B20 | F016101242
Hersteller: BOSCH
Artikelnummer: EB-F016L80912-F016101242
nur Informationsartikel
Nie mehr lieferbar
keine Alternativen
Pos.
840/04
BOSCH Tragschiene | Ersatzteile für CLUB B20 | F016101097
Hersteller: BOSCH
Artikelnummer: EB-F016L80912-F016101097
nur Informationsartikel
Nie mehr lieferbar
keine Alternativen
Pos.
840/05
BOSCH Träger | Ersatzteile für CLUB B20 | F016101101
Hersteller: BOSCH
Artikelnummer: EB-F016L80912-F016101101
nur Informationsartikel
Nie mehr lieferbar
keine Alternativen
Pos.
840/07
BOSCH Motorplatte | Ersatzteile für CLUB B20 | F016102243
Hersteller: BOSCH
Artikelnummer: EB-F016L80912-F016102243
nur Informationsartikel
Nie mehr lieferbar
keine Alternativen
Pos.
840/14
BOSCH Abdeckblende | Ersatzteile für CLUB B20 | F016101645
Hersteller: BOSCH
Artikelnummer: EB-F016L80912-F016101645
nur Informationsartikel
Nie mehr lieferbar
keine Alternativen
Pos.
840/19
BOSCH Distanzstück | Ersatzteile für CLUB B20 | F016100709
Hersteller: BOSCH
Artikelnummer: EB-F016L80912-F016100709
nur Informationsartikel
Nie mehr lieferbar
keine Alternativen
Pos.
840/61
BOSCH Abstreifer | Ersatzteile für CLUB B20 | F016100779
Hersteller: BOSCH
Artikelnummer: EB-F016L80912-F016100779
nur Informationsartikel
Nie mehr lieferbar
keine Alternativen
Pos.
840/62
BOSCH Stütze | Ersatzteile für CLUB B20 | F016100778
Hersteller: BOSCH
Artikelnummer: EB-F016L80912-F016100778
nur Informationsartikel
Nie mehr lieferbar
keine Alternativen
Pos.
850/15
BOSCH Abdeckblende | Ersatzteile für CLUB B20 | F016101025
Hersteller: BOSCH
Artikelnummer: EB-F016L80912-F016101025
nur Informationsartikel
Nie mehr lieferbar
keine Alternativen
Pos.
855/09
BOSCH Lagerhalter | Ersatzteile für CLUB B20 | F016103809
Hersteller: BOSCH
Artikelnummer: EB-F016L80912-F016103809
nur Informationsartikel
Nie mehr lieferbar
keine Alternativen
Pos.
860/01
BOSCH Rollenträger | Ersatzteile für CLUB B20 | F016101244
Hersteller: BOSCH
Artikelnummer: EB-F016L80912-F016101244
nur Informationsartikel
Nie mehr lieferbar
keine Alternativen
Pos.
865/06
BOSCH Abdeckblende | Ersatzteile für CLUB B20 | F016101641
Hersteller: BOSCH
Artikelnummer: EB-F016L80912-F016101641
nur Informationsartikel
Nie mehr lieferbar
keine Alternativen
Pos.
870/06
BOSCH Kettenschloss | Ersatzteile für CLUB B20 | F016L21249
Hersteller: BOSCH
Artikelnummer: EB-F016L80912-F016L21249
nur Informationsartikel
Nie mehr lieferbar
keine Alternativen
Pos.
870/21
BOSCH Lagerhalter | Ersatzteile für CLUB B20 | F016101304
Hersteller: BOSCH
Artikelnummer: EB-F016L80912-F016101304
nur Informationsartikel
Nie mehr lieferbar
keine Alternativen
Pos.
870/45
BOSCH Zugstangenkopf | Ersatzteile für CLUB B20 | F016100731
Hersteller: BOSCH
Artikelnummer: EB-F016L80912-F016100731
nur Informationsartikel
Nie mehr lieferbar
keine Alternativen
Pos.
870/46
BOSCH Zapfen | Ersatzteile für CLUB B20 | F016100728
Hersteller: BOSCH
Artikelnummer: EB-F016L80912-F016100728
nur Informationsartikel
Nie mehr lieferbar
keine Alternativen
Pos.
875/02
BOSCH Handgriff | Ersatzteile für CLUB B20 | F016102226
Hersteller: BOSCH
Artikelnummer: EB-F016L80912-F016102226
nur Informationsartikel
Nie mehr lieferbar
keine Alternativen
Pos.
875/04
BOSCH Klemmbügel | Ersatzteile für CLUB B20 | F016102054
Hersteller: BOSCH
Artikelnummer: EB-F016L80912-F016102054
nur Informationsartikel
Nie mehr lieferbar
keine Alternativen
Pos.
875/16
BOSCH Abdeckblende | Ersatzteile für CLUB B20 | F016102220
Hersteller: BOSCH
Artikelnummer: EB-F016L80912-F016102220
nur Informationsartikel
Nie mehr lieferbar
keine Alternativen
Pos.
875/17
BOSCH Gummistreifen | Ersatzteile für CLUB B20 | F016L59796
Hersteller: BOSCH
Artikelnummer: EB-F016L80912-F016L59796
nur Informationsartikel
Nie mehr lieferbar
keine Alternativen
Pos.
40/105
BOSCH Schraube | Ersatzteile für CLUB B20 | F016L33701
Hersteller: BOSCH
Artikelnummer: EB-F016L80912-F016L33701
Netto: 11,58 € zzgl. MwSt.
zzgl. 6,90 € Versand (brutto)
einmalig pro Bestellung

Lieferzeit: 64 Werktage

Pos.
40/17/03
BOSCH Ölbehälter | Ersatzteile für CLUB B20 | F016L16703
Hersteller: BOSCH
Artikelnummer: EB-F016L80912-F016L16703
Netto: 5,65 € zzgl. MwSt.
zzgl. 6,90 € Versand (brutto)
einmalig pro Bestellung

Lieferzeit: 64 Werktage

Pos.
40/18
BOSCH Spezialmutter | Ersatzteile für CLUB B20 | F016L20336
Hersteller: BOSCH
Artikelnummer: EB-F016L80912-F016L20336
Netto: 6,77 € zzgl. MwSt.
zzgl. 6,90 € Versand (brutto)
einmalig pro Bestellung

Lieferzeit: 64 Werktage

Pos.
40/26
BOSCH Etikett | Ersatzteile für CLUB B20 | F016L12766
Hersteller: BOSCH
Artikelnummer: EB-F016L80912-F016L12766
Netto: 6,75 € zzgl. MwSt.
zzgl. 6,90 € Versand (brutto)
einmalig pro Bestellung

Lieferzeit: 64 Werktage

Pos.
40/35
BOSCH Hinweisschild | Ersatzteile für CLUB B20 | F016L61021
Hersteller: BOSCH
Artikelnummer: EB-F016L80912-F016L61021
nur Informationsartikel
Nie mehr lieferbar
keine Alternativen
Pos.
40/41
BOSCH Sicherungsbügel | Ersatzteile für CLUB B20 | F016L59709
Hersteller: BOSCH
Artikelnummer: EB-F016L80912-F016L59709
Netto: 4,10 € zzgl. MwSt.
zzgl. 6,90 € Versand (brutto)
einmalig pro Bestellung

Lieferzeit: 64 Werktage

Pos.
40/43
BOSCH Klebeschild | Ersatzteile für CLUB B20 | F016L59921
Hersteller: BOSCH
Artikelnummer: EB-F016L80912-F016L59921
Netto: 7,66 € zzgl. MwSt.
zzgl. 6,90 € Versand (brutto)
einmalig pro Bestellung

Lieferzeit: 64 Werktage

Pos.
40/45
BOSCH Gleitstein | Ersatzteile für CLUB B20 | F016L36813
Hersteller: BOSCH
Artikelnummer: EB-F016L80912-F016L36813
Netto: 7,38 € zzgl. MwSt.
zzgl. 6,90 € Versand (brutto)
einmalig pro Bestellung

Lieferzeit: 64 Werktage

Pos.
40/47
BOSCH Exzenterscheibe | Ersatzteile für CLUB B20 | F016L36820
Hersteller: BOSCH
Artikelnummer: EB-F016L80912-F016L36820
Netto: 9,18 € zzgl. MwSt.
zzgl. 6,90 € Versand (brutto)
einmalig pro Bestellung

Lieferzeit: 64 Werktage

Pos.
40/50
BOSCH Feder | Ersatzteile für CLUB B20 | F016L37756
Hersteller: BOSCH
Artikelnummer: EB-F016L80912-F016L37756
Netto: 4,14 € zzgl. MwSt.
zzgl. 6,90 € Versand (brutto)
einmalig pro Bestellung

Lieferzeit: 64 Werktage

Pos.
40/60
BOSCH Zugstange | Ersatzteile für CLUB B20 | F016L33683
Hersteller: BOSCH
Artikelnummer: EB-F016L80912-F016L33683
Netto: 19,77 € zzgl. MwSt.
zzgl. 6,90 € Versand (brutto)
einmalig pro Bestellung

Lieferzeit: 64 Werktage

Pos.
40/70
BOSCH Sicherungsmutter | Ersatzteile für CLUB B20 | F016L59926
Hersteller: BOSCH
Artikelnummer: EB-F016L80912-F016L59926
Netto: 3,60 € zzgl. MwSt.
zzgl. 6,90 € Versand (brutto)
einmalig pro Bestellung

Lieferzeit: 64 Werktage

Pos.
40/71
BOSCH Unterlegscheibe 1,213X630X028 | Ersatzteile für CLUB B20 | F016L09685
Hersteller: BOSCH
Artikelnummer: EB-F016L80912-F016L09685
Netto: 3,60 € zzgl. MwSt.
zzgl. 6,90 € Versand (brutto)
einmalig pro Bestellung

Lieferzeit: 64 Werktage

Pos.
40/74
BOSCH Unterlegscheibe 0,38 MM | Ersatzteile für CLUB B20 | F016L12635
Hersteller: BOSCH
Artikelnummer: EB-F016L80912-F016L12635
Netto: 3,75 € zzgl. MwSt.
zzgl. 6,90 € Versand (brutto)
einmalig pro Bestellung

Lieferzeit: 64 Werktage

Pos.
40/88
BOSCH Einstellschraube | Ersatzteile für CLUB B20 | F016L20375
Hersteller: BOSCH
Artikelnummer: EB-F016L80912-F016L20375
Netto: 6,27 € zzgl. MwSt.
zzgl. 6,90 € Versand (brutto)
einmalig pro Bestellung

Lieferzeit: 64 Werktage

Pos.
40/89
BOSCH Lagerzapfen | Ersatzteile für CLUB B20 | F016L20376
Hersteller: BOSCH
Artikelnummer: EB-F016L80912-F016L20376
Netto: 6,75 € zzgl. MwSt.
zzgl. 6,90 € Versand (brutto)
einmalig pro Bestellung

Lieferzeit: 64 Werktage

Pos.
40/90
BOSCH Laufbolzen | Ersatzteile für CLUB B20 | F016L20388
Hersteller: BOSCH
Artikelnummer: EB-F016L80912-F016L20388
Netto: 3,60 € zzgl. MwSt.
zzgl. 6,90 € Versand (brutto)
einmalig pro Bestellung

Lieferzeit: 64 Werktage

Pos.
40/95
BOSCH Laufbolzen | Ersatzteile für CLUB B20 | F016W25673
Hersteller: BOSCH
Artikelnummer: EB-F016L80912-F016W25673
Netto: 3,60 € zzgl. MwSt.
zzgl. 6,90 € Versand (brutto)
einmalig pro Bestellung

Lieferzeit: 64 Werktage

Pos.
50/01/03
BOSCH Lagerbuchse | Ersatzteile für CLUB B20 | F016L18490
Hersteller: BOSCH
Artikelnummer: EB-F016L80912-F016L18490
Netto: 6,75 € zzgl. MwSt.
zzgl. 6,90 € Versand (brutto)
einmalig pro Bestellung

Lieferzeit: 64 Werktage

Pos.
50/01/11
BOSCH Schraube | Ersatzteile für CLUB B20 | F016L20851
Hersteller: BOSCH
Artikelnummer: EB-F016L80912-F016L20851
Netto: 3,49 € zzgl. MwSt.
zzgl. 6,90 € Versand (brutto)
einmalig pro Bestellung

Lieferzeit: 64 Werktage

Pos.
50/03
BOSCH Rollenwelle | Ersatzteile für CLUB B20 | F016L20455
Hersteller: BOSCH
Artikelnummer: EB-F016L80912-F016L20455
Netto: 95,11 € zzgl. MwSt.
zzgl. 6,90 € Versand (brutto)
einmalig pro Bestellung

Lieferzeit: 64 Werktage

Pos.
50/04
BOSCH Schlüssel | Ersatzteile für CLUB B20 | F016L12378
Hersteller: BOSCH
Artikelnummer: EB-F016L80912-F016L12378
Netto: 3,60 € zzgl. MwSt.
zzgl. 6,90 € Versand (brutto)
einmalig pro Bestellung

Lieferzeit: 64 Werktage

Pos.
50/05
BOSCH Ratsche | Ersatzteile für CLUB B20 | F016L59543
Hersteller: BOSCH
Artikelnummer: EB-F016L80912-F016L59543
Netto: 60,58 € zzgl. MwSt.
zzgl. 6,90 € Versand (brutto)
einmalig pro Bestellung

Lieferzeit: 64 Werktage

Pos.
50/06
BOSCH Ratsche | Ersatzteile für CLUB B20 | F016L59544
Hersteller: BOSCH
Artikelnummer: EB-F016L80912-F016L59544
Netto: 45,85 € zzgl. MwSt.
zzgl. 6,90 € Versand (brutto)
einmalig pro Bestellung

Lieferzeit: 64 Werktage

Pos.
50/07
BOSCH Feder | Ersatzteile für CLUB B20 | F016L59648
Hersteller: BOSCH
Artikelnummer: EB-F016L80912-F016L59648
Netto: 4,27 € zzgl. MwSt.
zzgl. 6,90 € Versand (brutto)
einmalig pro Bestellung

Lieferzeit: 64 Werktage

Pos.
50/08
BOSCH Torsionsfeder | Ersatzteile für CLUB B20 | F016L59549
Hersteller: BOSCH
Artikelnummer: EB-F016L80912-F016L59549
Netto: 4,27 € zzgl. MwSt.
zzgl. 6,90 € Versand (brutto)
einmalig pro Bestellung

Lieferzeit: 64 Werktage

Pos.
50/09
BOSCH Zustellklinke | Ersatzteile für CLUB B20 | F016L12409
Hersteller: BOSCH
Artikelnummer: EB-F016L80912-F016L12409
Netto: 5,65 € zzgl. MwSt.
zzgl. 6,90 € Versand (brutto)
einmalig pro Bestellung

Lieferzeit: 64 Werktage

Pos.
50/10
BOSCH Filzring | Ersatzteile für CLUB B20 | F016L12747
Hersteller: BOSCH
Artikelnummer: EB-F016L80912-F016L12747
Netto: 4,56 € zzgl. MwSt.
zzgl. 6,90 € Versand (brutto)
einmalig pro Bestellung

Lieferzeit: 64 Werktage

Pos.
50/16
BOSCH Drahtsprengring | Ersatzteile für CLUB B20 | F016L12599
Hersteller: BOSCH
Artikelnummer: EB-F016L80912-F016L12599
Netto: 4,10 € zzgl. MwSt.
zzgl. 6,90 € Versand (brutto)
einmalig pro Bestellung

Lieferzeit: 64 Werktage

Pos.
50/18
BOSCH Ratsche | Ersatzteile für CLUB B20 | F016L13251
Hersteller: BOSCH
Artikelnummer: EB-F016L80912-F016L13251
Netto: 9,95 € zzgl. MwSt.
zzgl. 6,90 € Versand (brutto)
einmalig pro Bestellung

Lieferzeit: 64 Werktage

Pos.
50/19
BOSCH Ratsche | Ersatzteile für CLUB B20 | F016L13252
Hersteller: BOSCH
Artikelnummer: EB-F016L80912-F016L13252
Netto: 9,95 € zzgl. MwSt.
zzgl. 6,90 € Versand (brutto)
einmalig pro Bestellung

Lieferzeit: 64 Werktage

Pos.
50/21
BOSCH Mutter | Ersatzteile für CLUB B20 | F016L20459
Hersteller: BOSCH
Artikelnummer: EB-F016L80912-F016L20459
Netto: 11,58 € zzgl. MwSt.
zzgl. 6,90 € Versand (brutto)
einmalig pro Bestellung

Lieferzeit: 64 Werktage

Pos.
55/05/01/03
BOSCH Schraube | Ersatzteile für CLUB B20 | F016L20735
Hersteller: BOSCH
Artikelnummer: EB-F016L80912-F016L20735
Netto: 5,74 € zzgl. MwSt.
zzgl. 6,90 € Versand (brutto)
einmalig pro Bestellung

Lieferzeit: 64 Werktage

Pos.
55/10
BOSCH Kugellager | Ersatzteile für CLUB B20 | F016L13298
Hersteller: BOSCH
Artikelnummer: EB-F016L80912-F016L13298
nur Informationsartikel
Nie mehr lieferbar
keine Alternativen
Pos.
55/11
BOSCH Distanzring | Ersatzteile für CLUB B20 | F016L20310
Hersteller: BOSCH
Artikelnummer: EB-F016L80912-F016L20310
Netto: 9,05 € zzgl. MwSt.
zzgl. 6,90 € Versand (brutto)
einmalig pro Bestellung

Lieferzeit: 64 Werktage

Pos.
55/46
BOSCH Schraube | Ersatzteile für CLUB B20 | F016L20377
Hersteller: BOSCH
Artikelnummer: EB-F016L80912-F016L20377
Netto: 3,49 € zzgl. MwSt.
zzgl. 6,90 € Versand (brutto)
einmalig pro Bestellung

Lieferzeit: 64 Werktage

Pos.
55/49
BOSCH Schraube | Ersatzteile für CLUB B20 | F016L20402
Hersteller: BOSCH
Artikelnummer: EB-F016L80912-F016L20402
Netto: 3,75 € zzgl. MwSt.
zzgl. 6,90 € Versand (brutto)
einmalig pro Bestellung

Lieferzeit: 64 Werktage

Pos.
55/54
BOSCH Laufbolzen | Ersatzteile für CLUB B20 | F016L20334
Hersteller: BOSCH
Artikelnummer: EB-F016L80912-F016L20334
Netto: 8,23 € zzgl. MwSt.
zzgl. 6,90 € Versand (brutto)
einmalig pro Bestellung

Lieferzeit: 64 Werktage

Pos.
60/02
BOSCH Spindel | Ersatzteile für CLUB B20 | F016L20350
Hersteller: BOSCH
Artikelnummer: EB-F016L80912-F016L20350
Netto: 24,76 € zzgl. MwSt.
zzgl. 6,90 € Versand (brutto)
einmalig pro Bestellung

Lieferzeit: 64 Werktage

Pos.
60/04
BOSCH Lager | Ersatzteile für CLUB B20 | F016L17058
Hersteller: BOSCH
Artikelnummer: EB-F016L80912-F016L17058
nur Informationsartikel
Nie mehr lieferbar
keine Alternativen
Pos.
60/05
BOSCH Beilegring | Ersatzteile für CLUB B20 | F016L17056
Hersteller: BOSCH
Artikelnummer: EB-F016L80912-F016L17056
Netto: 16,70 € zzgl. MwSt.
zzgl. 6,90 € Versand (brutto)
einmalig pro Bestellung

Lieferzeit: 64 Werktage

Pos.
60/06
BOSCH Nippel | Ersatzteile für CLUB B20 | F016L17057
Hersteller: BOSCH
Artikelnummer: EB-F016L80912-F016L17057
Netto: 3,94 € zzgl. MwSt.
zzgl. 6,90 € Versand (brutto)
einmalig pro Bestellung

Lieferzeit: 64 Werktage

Pos.
60/07
BOSCH Einstellstück | Ersatzteile für CLUB B20 | F016L32487
Hersteller: BOSCH
Artikelnummer: EB-F016L80912-F016L32487
Netto: 83,08 € zzgl. MwSt.
zzgl. 6,90 € Versand (brutto)
einmalig pro Bestellung

Lieferzeit: 64 Werktage

Pos.
60/13
BOSCH Zapfen | Ersatzteile für CLUB B20 | F016L33667
Hersteller: BOSCH
Artikelnummer: EB-F016L80912-F016L33667
Netto: 17,42 € zzgl. MwSt.
zzgl. 6,90 € Versand (brutto)
einmalig pro Bestellung

Lieferzeit: 64 Werktage

Pos.
60/16
BOSCH Feder | Ersatzteile für CLUB B20 | F016L33677
Hersteller: BOSCH
Artikelnummer: EB-F016L80912-F016L33677
Netto: 8,23 € zzgl. MwSt.
zzgl. 6,90 € Versand (brutto)
einmalig pro Bestellung

Lieferzeit: 64 Werktage

Pos.
60/17
BOSCH Feder | Ersatzteile für CLUB B20 | F016L33730
Hersteller: BOSCH
Artikelnummer: EB-F016L80912-F016L33730
Netto: 8,23 € zzgl. MwSt.
zzgl. 6,90 € Versand (brutto)
einmalig pro Bestellung

Lieferzeit: 64 Werktage

Pos.
60/22
BOSCH Unterlegscheibe | Ersatzteile für CLUB B20 | F016L12918
Hersteller: BOSCH
Artikelnummer: EB-F016L80912-F016L12918
Netto: 3,60 € zzgl. MwSt.
zzgl. 6,90 € Versand (brutto)
einmalig pro Bestellung

Lieferzeit: 64 Werktage

Pos.
60/23
BOSCH Unterlegscheibe | Ersatzteile für CLUB B20 | F016L13811
Hersteller: BOSCH
Artikelnummer: EB-F016L80912-F016L13811
Netto: 3,60 € zzgl. MwSt.
zzgl. 6,90 € Versand (brutto)
einmalig pro Bestellung

Lieferzeit: 64 Werktage

Pos.
60/29
BOSCH Sechskantschraube M6x12 | Ersatzteile für CLUB B20 | F016L18120
Hersteller: BOSCH
Artikelnummer: EB-F016L80912-F016L18120
nur Informationsartikel
Nie mehr lieferbar
keine Alternativen
Pos.
60/34
BOSCH Schraube | Ersatzteile für CLUB B20 | F016L32500
Hersteller: BOSCH
Artikelnummer: EB-F016L80912-F016L32500
Netto: 8,23 € zzgl. MwSt.
zzgl. 6,90 € Versand (brutto)
einmalig pro Bestellung

Lieferzeit: 64 Werktage

Pos.
60/35
BOSCH Formscheibe | Ersatzteile für CLUB B20 | F016L33668
Hersteller: BOSCH
Artikelnummer: EB-F016L80912-F016L33668
Netto: 6,77 € zzgl. MwSt.
zzgl. 6,90 € Versand (brutto)
einmalig pro Bestellung

Lieferzeit: 64 Werktage

Pos.
60/36
BOSCH Formscheibe | Ersatzteile für CLUB B20 | F016L33676
Hersteller: BOSCH
Artikelnummer: EB-F016L80912-F016L33676
Netto: 4,36 € zzgl. MwSt.
zzgl. 6,90 € Versand (brutto)
einmalig pro Bestellung

Lieferzeit: 64 Werktage

Pos.
60/37
BOSCH Schraube M6x50 | Ersatzteile für CLUB B20 | F016L33678
Hersteller: BOSCH
Artikelnummer: EB-F016L80912-F016L33678
Netto: 5,74 € zzgl. MwSt.
zzgl. 6,90 € Versand (brutto)
einmalig pro Bestellung

Lieferzeit: 64 Werktage

Pos.
60/40
BOSCH Mutter M6 | Ersatzteile für CLUB B20 | F016L35329
Hersteller: BOSCH
Artikelnummer: EB-F016L80912-F016L35329
Netto: 3,94 € zzgl. MwSt.
zzgl. 6,90 € Versand (brutto)
einmalig pro Bestellung

Lieferzeit: 64 Werktage

Pos.
65/02
BOSCH Antriebsglied | Ersatzteile für CLUB B20 | F016103811
Hersteller: BOSCH
Artikelnummer: EB-F016L80912-F016103811
Netto: 35,80 € zzgl. MwSt.
zzgl. 6,90 € Versand (brutto)
einmalig pro Bestellung

Lieferzeit: 64 Werktage

Pos.
65/03
BOSCH Kupplungsstück | Ersatzteile für CLUB B20 | F016L12721
Hersteller: BOSCH
Artikelnummer: EB-F016L80912-F016L12721
Netto: 11,77 € zzgl. MwSt.
zzgl. 6,90 € Versand (brutto)
einmalig pro Bestellung

Lieferzeit: 64 Werktage

Pos.
65/04
BOSCH Keil | Ersatzteile für CLUB B20 | F016W25059
Hersteller: BOSCH
Artikelnummer: EB-F016L80912-F016W25059
Netto: 14,50 € zzgl. MwSt.
zzgl. 6,90 € Versand (brutto)
einmalig pro Bestellung

Lieferzeit: 64 Werktage

Pos.
65/12
BOSCH Lagerbuchse | Ersatzteile für CLUB B20 | F016L08477
Hersteller: BOSCH
Artikelnummer: EB-F016L80912-F016L08477
Netto: 7,22 € zzgl. MwSt.
zzgl. 6,90 € Versand (brutto)
einmalig pro Bestellung

Lieferzeit: 64 Werktage

Pos.
65/20
BOSCH Schraube | Ersatzteile für CLUB B20 | F016L20896
Hersteller: BOSCH
Artikelnummer: EB-F016L80912-F016L20896
Netto: 4,10 € zzgl. MwSt.
zzgl. 6,90 € Versand (brutto)
einmalig pro Bestellung

Lieferzeit: 64 Werktage

Pos.
65/21
BOSCH Laufbolzen M8 | Ersatzteile für CLUB B20 | F016A58093
Hersteller: BOSCH
Artikelnummer: EB-F016L80912-F016A58093
Netto: 3,60 € zzgl. MwSt.
zzgl. 6,90 € Versand (brutto)
einmalig pro Bestellung

Lieferzeit: 64 Werktage

Pos.
65/24
BOSCH Mutter M8 | Ersatzteile für CLUB B20 | F016L35457
Hersteller: BOSCH
Artikelnummer: EB-F016L80912-F016L35457
Netto: 3,60 € zzgl. MwSt.
zzgl. 6,90 € Versand (brutto)
einmalig pro Bestellung

Lieferzeit: 64 Werktage

Pos.
65/25
BOSCH Schraube 5/16 UNPA X3/4 | Ersatzteile für CLUB B20 | F016L20407
Hersteller: BOSCH
Artikelnummer: EB-F016L80912-F016L20407
Netto: 3,49 € zzgl. MwSt.
zzgl. 6,90 € Versand (brutto)
einmalig pro Bestellung

Lieferzeit: 64 Werktage

Pos.
70/01
BOSCH Kettenrad | Ersatzteile für CLUB B20 | F016L12433
Hersteller: BOSCH
Artikelnummer: EB-F016L80912-F016L12433
Netto: 14,13 € zzgl. MwSt.
zzgl. 6,90 € Versand (brutto)
einmalig pro Bestellung

Lieferzeit: 64 Werktage

Pos.
70/02
BOSCH Kettenrad | Ersatzteile für CLUB B20 | F016L20312
Hersteller: BOSCH
Artikelnummer: EB-F016L80912-F016L20312
Netto: 150,24 € zzgl. MwSt.
zzgl. 6,90 € Versand (brutto)
einmalig pro Bestellung

Lieferzeit: 64 Werktage

Pos.
70/05
BOSCH Transportschiene | Ersatzteile für CLUB B20 | F016L20327
Hersteller: BOSCH
Artikelnummer: EB-F016L80912-F016L20327
Netto: 45,85 € zzgl. MwSt.
zzgl. 6,90 € Versand (brutto)
einmalig pro Bestellung

Lieferzeit: 64 Werktage

Pos.
70/06
BOSCH Kette 1/2" n=38 | Ersatzteile für CLUB B20 | F016L66785
Hersteller: BOSCH
Artikelnummer: EB-F016L80912-F016L66785
Netto: 46,22 € zzgl. MwSt.
zzgl. 6,90 € Versand (brutto)
einmalig pro Bestellung

Lieferzeit: 64 Werktage

Pos.
70/07
BOSCH Kette 1/2" n=34 | Ersatzteile für CLUB B20 | F016L66786
Hersteller: BOSCH
Artikelnummer: EB-F016L80912-F016L66786
Netto: 35,13 € zzgl. MwSt.
zzgl. 6,90 € Versand (brutto)
einmalig pro Bestellung

Lieferzeit: 64 Werktage

Pos.
70/08
BOSCH Kette 1/2" n=28 | Ersatzteile für CLUB B20 | F016L66787
Hersteller: BOSCH
Artikelnummer: EB-F016L80912-F016L66787
Netto: 43,44 € zzgl. MwSt.
zzgl. 6,90 € Versand (brutto)
einmalig pro Bestellung

Lieferzeit: 64 Werktage

Pos.
70/09
BOSCH Kette 1/2" n=43 | Ersatzteile für CLUB B20 | F016L66788
Hersteller: BOSCH
Artikelnummer: EB-F016L80912-F016L66788
Netto: 43,44 € zzgl. MwSt.
zzgl. 6,90 € Versand (brutto)
einmalig pro Bestellung

Lieferzeit: 64 Werktage

Pos.
70/10
BOSCH Welle | Ersatzteile für CLUB B20 | F016L20333
Hersteller: BOSCH
Artikelnummer: EB-F016L80912-F016L20333
Netto: 32,16 € zzgl. MwSt.
zzgl. 6,90 € Versand (brutto)
einmalig pro Bestellung

Lieferzeit: 64 Werktage

Pos.
70/11
BOSCH Manschette | Ersatzteile für CLUB B20 | F016L20315
Hersteller: BOSCH
Artikelnummer: EB-F016L80912-F016L20315
Netto: 38,04 € zzgl. MwSt.
zzgl. 6,90 € Versand (brutto)
einmalig pro Bestellung

Lieferzeit: 64 Werktage

Pos.
70/12
BOSCH Mitnehmer | Ersatzteile für CLUB B20 | F016L20314
Hersteller: BOSCH
Artikelnummer: EB-F016L80912-F016L20314
Netto: 29,05 € zzgl. MwSt.
zzgl. 6,90 € Versand (brutto)
einmalig pro Bestellung

Lieferzeit: 64 Werktage

Pos.
70/13
BOSCH Feder | Ersatzteile für CLUB B20 | F016L12757
Hersteller: BOSCH
Artikelnummer: EB-F016L80912-F016L12757
Netto: 4,50 € zzgl. MwSt.
zzgl. 6,90 € Versand (brutto)
einmalig pro Bestellung

Lieferzeit: 64 Werktage

Pos.
70/14
BOSCH Scheibe | Ersatzteile für CLUB B20 | F016L20316
Hersteller: BOSCH
Artikelnummer: EB-F016L80912-F016L20316
Netto: 3,60 € zzgl. MwSt.
zzgl. 6,90 € Versand (brutto)
einmalig pro Bestellung

Lieferzeit: 64 Werktage

Pos.
70/15
BOSCH Kupplungswelle | Ersatzteile für CLUB B20 | F016L20297
Hersteller: BOSCH
Artikelnummer: EB-F016L80912-F016L20297
Netto: 45,85 € zzgl. MwSt.
zzgl. 6,90 € Versand (brutto)
einmalig pro Bestellung

Lieferzeit: 64 Werktage

Pos.
70/16
BOSCH Druckfeder | Ersatzteile für CLUB B20 | F016L35789
Hersteller: BOSCH
Artikelnummer: EB-F016L80912-F016L35789
nur Informationsartikel
Nie mehr lieferbar
keine Alternativen
Pos.
70/17
BOSCH Einstellhülse | Ersatzteile für CLUB B20 | F016L09422
Hersteller: BOSCH
Artikelnummer: EB-F016L80912-F016L09422
Netto: 6,27 € zzgl. MwSt.
zzgl. 6,90 € Versand (brutto)
einmalig pro Bestellung

Lieferzeit: 64 Werktage

Pos.
70/18
BOSCH Kegelstift | Ersatzteile für CLUB B20 | F016L09498
Hersteller: BOSCH
Artikelnummer: EB-F016L80912-F016L09498
Netto: 3,50 € zzgl. MwSt.
zzgl. 6,90 € Versand (brutto)
einmalig pro Bestellung

Lieferzeit: 64 Werktage

Pos.
70/19
BOSCH Kugellager | Ersatzteile für CLUB B20 | F016L03729
Hersteller: BOSCH
Artikelnummer: EB-F016L80912-F016L03729
Netto: 28,93 € zzgl. MwSt.
zzgl. 6,90 € Versand (brutto)
einmalig pro Bestellung

Lieferzeit: 64 Werktage

Pos.
70/24
BOSCH Unterlegscheibe | Ersatzteile für CLUB B20 | F016L10198
Hersteller: BOSCH
Artikelnummer: EB-F016L80912-F016L10198
Netto: 4,45 € zzgl. MwSt.
zzgl. 6,90 € Versand (brutto)
einmalig pro Bestellung

Lieferzeit: 64 Werktage

Pos.
70/25
BOSCH Unterlegscheibe | Ersatzteile für CLUB B20 | F016L13296
Hersteller: BOSCH
Artikelnummer: EB-F016L80912-F016L13296
Netto: 4,10 € zzgl. MwSt.
zzgl. 6,90 € Versand (brutto)
einmalig pro Bestellung

Lieferzeit: 64 Werktage

Pos.
70/31
BOSCH Scheibe | Ersatzteile für CLUB B20 | F016L33634
Hersteller: BOSCH
Artikelnummer: EB-F016L80912-F016L33634
Netto: 10,70 € zzgl. MwSt.
zzgl. 6,90 € Versand (brutto)
einmalig pro Bestellung

Lieferzeit: 64 Werktage

Pos.
70/32
BOSCH Beilegring | Ersatzteile für CLUB B20 | F016L12662
Hersteller: BOSCH
Artikelnummer: EB-F016L80912-F016L12662
Netto: 5,15 € zzgl. MwSt.
zzgl. 6,90 € Versand (brutto)
einmalig pro Bestellung

Lieferzeit: 64 Werktage

Pos.
70/35
BOSCH Buchse | Ersatzteile für CLUB B20 | F016L13440
Hersteller: BOSCH
Artikelnummer: EB-F016L80912-F016L13440
Netto: 6,77 € zzgl. MwSt.
zzgl. 6,90 € Versand (brutto)
einmalig pro Bestellung

Lieferzeit: 64 Werktage

Pos.
70/36
BOSCH Stellring 12 MM T40 | Ersatzteile für CLUB B20 | F016T49100
Hersteller: BOSCH
Artikelnummer: EB-F016L80912-F016T49100
nur Informationsartikel
Nie mehr lieferbar
keine Alternativen
Pos.
70/37
BOSCH Lagerbuchse 19x22x16 MM | Ersatzteile für CLUB B20 | F016L03958
Hersteller: BOSCH
Artikelnummer: EB-F016L80912-F016L03958
Netto: 6,05 € zzgl. MwSt.
zzgl. 6,90 € Versand (brutto)
einmalig pro Bestellung

Lieferzeit: 64 Werktage

Pos.
70/38
BOSCH Bolzen | Ersatzteile für CLUB B20 | F016L16272
Hersteller: BOSCH
Artikelnummer: EB-F016L80912-F016L16272
Netto: 4,36 € zzgl. MwSt.
zzgl. 6,90 € Versand (brutto)
einmalig pro Bestellung

Lieferzeit: 64 Werktage

Pos.
70/39
BOSCH Kupplungsgabel | Ersatzteile für CLUB B20 | F016100694
Hersteller: BOSCH
Artikelnummer: EB-F016L80912-F016100694
Netto: 9,75 € zzgl. MwSt.
zzgl. 6,90 € Versand (brutto)
einmalig pro Bestellung

Lieferzeit: 64 Werktage

Pos.
70/42
BOSCH Feder | Ersatzteile für CLUB B20 | F016L12656
Hersteller: BOSCH
Artikelnummer: EB-F016L80912-F016L12656
Netto: 4,10 € zzgl. MwSt.
zzgl. 6,90 € Versand (brutto)
einmalig pro Bestellung

Lieferzeit: 64 Werktage

Pos.
70/43
BOSCH Federhebel | Ersatzteile für CLUB B20 | F016L12774
Hersteller: BOSCH
Artikelnummer: EB-F016L80912-F016L12774
Netto: 5,65 € zzgl. MwSt.
zzgl. 6,90 € Versand (brutto)
einmalig pro Bestellung

Lieferzeit: 64 Werktage

Pos.
70/50
BOSCH Lagerzapfen WAS 90 | Ersatzteile für CLUB B20 | F016L12750
Hersteller: BOSCH
Artikelnummer: EB-F016L80912-F016L12750
Netto: 3,49 € zzgl. MwSt.
zzgl. 6,90 € Versand (brutto)
einmalig pro Bestellung

Lieferzeit: 64 Werktage

Pos.
70/51
BOSCH Lagerbolzen | Ersatzteile für CLUB B20 | F016L20305
Hersteller: BOSCH
Artikelnummer: EB-F016L80912-F016L20305
Netto: 11,77 € zzgl. MwSt.
zzgl. 6,90 € Versand (brutto)
einmalig pro Bestellung

Lieferzeit: 64 Werktage

Pos.
70/52
BOSCH Splint | Ersatzteile für CLUB B20 | F016L13230
Hersteller: BOSCH
Artikelnummer: EB-F016L80912-F016L13230
Netto: 3,60 € zzgl. MwSt.
zzgl. 6,90 € Versand (brutto)
einmalig pro Bestellung

Lieferzeit: 64 Werktage

Pos.
70/70
BOSCH Sicherungsmutter 5/16 UNF | Ersatzteile für CLUB B20 | F016L06955
Hersteller: BOSCH
Artikelnummer: EB-F016L80912-F016L06955
Netto: 3,75 € zzgl. MwSt.
zzgl. 6,90 € Versand (brutto)
einmalig pro Bestellung

Lieferzeit: 64 Werktage

Pos.
70/71
BOSCH Sicherungsscheibe | Ersatzteile für CLUB B20 | F016L10273
Hersteller: BOSCH
Artikelnummer: EB-F016L80912-F016L10273
Netto: 3,60 € zzgl. MwSt.
zzgl. 6,90 € Versand (brutto)
einmalig pro Bestellung

Lieferzeit: 64 Werktage

Pos.
70/72
BOSCH Sicherungsscheibe | Ersatzteile für CLUB B20 | F016L12381
Hersteller: BOSCH
Artikelnummer: EB-F016L80912-F016L12381
Netto: 3,49 € zzgl. MwSt.
zzgl. 6,90 € Versand (brutto)
einmalig pro Bestellung

Lieferzeit: 64 Werktage

Pos.
70/74
BOSCH Unterlegscheibe | Ersatzteile für CLUB B20 | F016L13235
Hersteller: BOSCH
Artikelnummer: EB-F016L80912-F016L13235
nur Informationsartikel
Nie mehr lieferbar
keine Alternativen
Pos.
70/76
BOSCH Unterlegscheibe | Ersatzteile für CLUB B20 | F016L13237
Hersteller: BOSCH
Artikelnummer: EB-F016L80912-F016L13237
Netto: 4,10 € zzgl. MwSt.
zzgl. 6,90 € Versand (brutto)
einmalig pro Bestellung

Lieferzeit: 64 Werktage

Pos.
70/77
BOSCH Unterlegscheibe | Ersatzteile für CLUB B20 | F016L13295
Hersteller: BOSCH
Artikelnummer: EB-F016L80912-F016L13295
Netto: 3,60 € zzgl. MwSt.
zzgl. 6,90 € Versand (brutto)
einmalig pro Bestellung

Lieferzeit: 64 Werktage

Pos.
70/78
BOSCH Sicherungsscheibe | Ersatzteile für CLUB B20 | F016L18174
Hersteller: BOSCH
Artikelnummer: EB-F016L80912-F016L18174
Netto: 4,14 € zzgl. MwSt.
zzgl. 6,90 € Versand (brutto)
einmalig pro Bestellung

Lieferzeit: 64 Werktage

Pos.
70/79
BOSCH Sicherungsscheibe 1/2" | Ersatzteile für CLUB B20 | F016L18181
Hersteller: BOSCH
Artikelnummer: EB-F016L80912-F016L18181
Netto: 4,36 € zzgl. MwSt.
zzgl. 6,90 € Versand (brutto)
einmalig pro Bestellung

Lieferzeit: 64 Werktage

Pos.
70/80
BOSCH Mutter | Ersatzteile für CLUB B20 | F016L18609
Hersteller: BOSCH
Artikelnummer: EB-F016L80912-F016L18609
Netto: 4,10 € zzgl. MwSt.
zzgl. 6,90 € Versand (brutto)
einmalig pro Bestellung

Lieferzeit: 64 Werktage

Pos.
70/81
BOSCH Schraube | Ersatzteile für CLUB B20 | F016L18730
Hersteller: BOSCH
Artikelnummer: EB-F016L80912-F016L18730
Netto: 3,75 € zzgl. MwSt.
zzgl. 6,90 € Versand (brutto)
einmalig pro Bestellung

Lieferzeit: 64 Werktage

Pos.
70/82
BOSCH Mutter 1/2" | Ersatzteile für CLUB B20 | F016L20239
Hersteller: BOSCH
Artikelnummer: EB-F016L80912-F016L20239
Netto: 4,10 € zzgl. MwSt.
zzgl. 6,90 € Versand (brutto)
einmalig pro Bestellung

Lieferzeit: 64 Werktage

Pos.
70/83
BOSCH Schraube 5/16 UNF X 5/8 | Ersatzteile für CLUB B20 | F016L20252
Hersteller: BOSCH
Artikelnummer: EB-F016L80912-F016L20252
Netto: 3,60 € zzgl. MwSt.
zzgl. 6,90 € Versand (brutto)
einmalig pro Bestellung

Lieferzeit: 64 Werktage

Pos.
70/84
BOSCH Schraube | Ersatzteile für CLUB B20 | F016L20253
Hersteller: BOSCH
Artikelnummer: EB-F016L80912-F016L20253
Netto: 3,60 € zzgl. MwSt.
zzgl. 6,90 € Versand (brutto)
einmalig pro Bestellung

Lieferzeit: 64 Werktage

Pos.
70/85
BOSCH Mutter 5/16-UNF D/C | Ersatzteile für CLUB B20 | F016L20303
Hersteller: BOSCH
Artikelnummer: EB-F016L80912-F016L20303
Netto: 3,60 € zzgl. MwSt.
zzgl. 6,90 € Versand (brutto)
einmalig pro Bestellung

Lieferzeit: 64 Werktage

Pos.
70/87
BOSCH Unterlegscheibe Ø8,15 MM | Ersatzteile für CLUB B20 | F016T40590
Hersteller: BOSCH
Artikelnummer: EB-F016L80912-F016T40590
Netto: 3,94 € zzgl. MwSt.
zzgl. 6,90 € Versand (brutto)
einmalig pro Bestellung

Lieferzeit: 5 Werktage

Pos.
70/88
BOSCH Unterlegscheibe 12,1X6,4X1,5 | Ersatzteile für CLUB B20 | F016L18129
Hersteller: BOSCH
Artikelnummer: EB-F016L80912-F016L18129
Netto: 3,60 € zzgl. MwSt.
zzgl. 6,90 € Versand (brutto)
einmalig pro Bestellung

Lieferzeit: 64 Werktage

Pos.
70/89
BOSCH Schraube 1/4 UNF X 1/2 | Ersatzteile für CLUB B20 | F016L18167
Hersteller: BOSCH
Artikelnummer: EB-F016L80912-F016L18167
Netto: 3,60 € zzgl. MwSt.
zzgl. 6,90 € Versand (brutto)
einmalig pro Bestellung

Lieferzeit: 64 Werktage

Pos.
70/90
BOSCH Klemmutter | Ersatzteile für CLUB B20 | F016L18723
Hersteller: BOSCH
Artikelnummer: EB-F016L80912-F016L18723
Netto: 3,60 € zzgl. MwSt.
zzgl. 6,90 € Versand (brutto)
einmalig pro Bestellung

Lieferzeit: 64 Werktage

Pos.
70/91
BOSCH Klemmutter | Ersatzteile für CLUB B20 | F016L20338
Hersteller: BOSCH
Artikelnummer: EB-F016L80912-F016L20338
Netto: 3,60 € zzgl. MwSt.
zzgl. 6,90 € Versand (brutto)
einmalig pro Bestellung

Lieferzeit: 64 Werktage

Pos.
75/08
BOSCH Halter | Ersatzteile für CLUB B20 | F016L36717
Hersteller: BOSCH
Artikelnummer: EB-F016L80912-F016L36717
nur Informationsartikel
Nie mehr lieferbar
keine Alternativen
Pos.
75/10
BOSCH Sicherungskappe Ø8 MM SCHWARZ | Ersatzteile für CLUB B20 | F016T48990
Hersteller: BOSCH
Artikelnummer: EB-F016L80912-F016T48990
Netto: 3,60 € zzgl. MwSt.
zzgl. 6,90 € Versand (brutto)
einmalig pro Bestellung

Lieferzeit: 5 Werktage

Pos.
75/11
BOSCH Seilzug | Ersatzteile für CLUB B20 | F016L34688
Hersteller: BOSCH
Artikelnummer: EB-F016L80912-F016L34688
Netto: 14,13 € zzgl. MwSt.
zzgl. 6,90 € Versand (brutto)
einmalig pro Bestellung

Lieferzeit: 64 Werktage

Pos.
75/15
BOSCH Buchse | Ersatzteile für CLUB B20 | F016L61006
Hersteller: BOSCH
Artikelnummer: EB-F016L80912-F016L61006
Netto: 4,80 € zzgl. MwSt.
zzgl. 6,90 € Versand (brutto)
einmalig pro Bestellung

Lieferzeit: 64 Werktage

Pos.
75/19
BOSCH Tülle | Ersatzteile für CLUB B20 | F016L17922
Hersteller: BOSCH
Artikelnummer: EB-F016L80912-F016L17922
Netto: 3,49 € zzgl. MwSt.
zzgl. 6,90 € Versand (brutto)
einmalig pro Bestellung

Lieferzeit: 64 Werktage

Pos.
75/20
BOSCH Ersatzteil | Ersatzteile für CLUB B20 | F016L59719
Hersteller: BOSCH
Artikelnummer: EB-F016L80912-F016L59719
Netto: 7,66 € zzgl. MwSt.
zzgl. 6,90 € Versand (brutto)
einmalig pro Bestellung

Lieferzeit: 64 Werktage

Pos.
75/22
BOSCH Torsionsfeder | Ersatzteile für CLUB B20 | F016L37684
Hersteller: BOSCH
Artikelnummer: EB-F016L80912-F016L37684
Netto: 7,38 € zzgl. MwSt.
zzgl. 6,90 € Versand (brutto)
einmalig pro Bestellung

Lieferzeit: 64 Werktage

Pos.
75/25
BOSCH Gewindebolzen M8x20 | Ersatzteile für CLUB B20 | F016L11301
Hersteller: BOSCH
Artikelnummer: EB-F016L80912-F016L11301
Netto: 3,60 € zzgl. MwSt.
zzgl. 6,90 € Versand (brutto)
einmalig pro Bestellung

Lieferzeit: 64 Werktage

Pos.
75/27
BOSCH Gewindeschneidschraube M6 | Ersatzteile für CLUB B20 | F016L35387
Hersteller: BOSCH
Artikelnummer: EB-F016L80912-F016L35387
Netto: 3,60 € zzgl. MwSt.
zzgl. 6,90 € Versand (brutto)
einmalig pro Bestellung

Lieferzeit: 64 Werktage

Pos.
75/28
BOSCH Schraube | Ersatzteile für CLUB B20 | F016L36835
Hersteller: BOSCH
Artikelnummer: EB-F016L80912-F016L36835
Netto: 3,60 € zzgl. MwSt.
zzgl. 6,90 € Versand (brutto)
einmalig pro Bestellung

Lieferzeit: 64 Werktage

Pos.
75/32
BOSCH Unterlegscheibe | Ersatzteile für CLUB B20 | F016L09966
Hersteller: BOSCH
Artikelnummer: EB-F016L80912-F016L09966
Netto: 4,45 € zzgl. MwSt.
zzgl. 6,90 € Versand (brutto)
einmalig pro Bestellung

Lieferzeit: 64 Werktage

Pos.
75/33
BOSCH Federscheibe | Ersatzteile für CLUB B20 | F016L18028
Hersteller: BOSCH
Artikelnummer: EB-F016L80912-F016L18028
Netto: 3,60 € zzgl. MwSt.
zzgl. 6,90 € Versand (brutto)
einmalig pro Bestellung

Lieferzeit: 64 Werktage

Pos.
75/34
BOSCH Mutter | Ersatzteile für CLUB B20 | F016L18048
Hersteller: BOSCH
Artikelnummer: EB-F016L80912-F016L18048
nur Informationsartikel
Nie mehr lieferbar
keine Alternativen
Pos.
75/35
BOSCH Sicherungsscheibe | Ersatzteile für CLUB B20 | F016L35389
Hersteller: BOSCH
Artikelnummer: EB-F016L80912-F016L35389
Netto: 3,60 € zzgl. MwSt.
zzgl. 6,90 € Versand (brutto)
einmalig pro Bestellung

Lieferzeit: 64 Werktage

Pos.
75/37
BOSCH Unterlegscheibe 8,5 MM | Ersatzteile für CLUB B20 | F016L35411
Hersteller: BOSCH
Artikelnummer: EB-F016L80912-F016L35411
Netto: 3,60 € zzgl. MwSt.
zzgl. 6,90 € Versand (brutto)
einmalig pro Bestellung

Lieferzeit: 64 Werktage

Pos.
75/43
BOSCH Schalthebel | Ersatzteile für CLUB B20 | F016W25089
Hersteller: BOSCH
Artikelnummer: EB-F016L80912-F016W25089
Netto: 28,93 € zzgl. MwSt.
zzgl. 6,90 € Versand (brutto)
einmalig pro Bestellung

Lieferzeit: 64 Werktage

Pos.
75/45
BOSCH Sicherungsmutter M6 | Ersatzteile für CLUB B20 | F016L35388
Hersteller: BOSCH
Artikelnummer: EB-F016L80912-F016L35388
nur Informationsartikel
Nie mehr lieferbar
keine Alternativen
Pos.
75/50
BOSCH Klebeschild | Ersatzteile für CLUB B20 | F016A58020
Hersteller: BOSCH
Artikelnummer: EB-F016L80912-F016A58020
nur Informationsartikel
Nie mehr lieferbar
keine Alternativen
Pos.
75/51
BOSCH Klebeschild | Ersatzteile für CLUB B20 | F016A58021
Hersteller: BOSCH
Artikelnummer: EB-F016L80912-F016A58021
Netto: 3,60 € zzgl. MwSt.
zzgl. 6,90 € Versand (brutto)
einmalig pro Bestellung

Lieferzeit: 64 Werktage

Pos.
75/52
BOSCH Klebeschild | Ersatzteile für CLUB B20 | F016L35495
Hersteller: BOSCH
Artikelnummer: EB-F016L80912-F016L35495
Netto: 6,77 € zzgl. MwSt.
zzgl. 6,90 € Versand (brutto)
einmalig pro Bestellung

Lieferzeit: 64 Werktage

Pos.
840/01
BOSCH Seitenplatte | Ersatzteile für CLUB B20 | F016101243
Hersteller: BOSCH
Artikelnummer: EB-F016L80912-F016101243
Netto: 108,06 € zzgl. MwSt.
zzgl. 6,90 € Versand (brutto)
einmalig pro Bestellung

Lieferzeit: 64 Werktage

Pos.
840/03
BOSCH Sperrhebel | Ersatzteile für CLUB B20 | F016100711
Hersteller: BOSCH
Artikelnummer: EB-F016L80912-F016100711
nur Informationsartikel
Nie mehr lieferbar
keine Alternativen
Pos.
840/12
BOSCH Kupplungslasche | Ersatzteile für CLUB B20 | F016100714
Hersteller: BOSCH
Artikelnummer: EB-F016L80912-F016100714
Netto: 12,84 € zzgl. MwSt.
zzgl. 6,90 € Versand (brutto)
einmalig pro Bestellung

Lieferzeit: 64 Werktage

Pos.
840/13
BOSCH Stützwinkel | Ersatzteile für CLUB B20 | F016101642
Hersteller: BOSCH
Artikelnummer: EB-F016L80912-F016101642
Netto: 6,05 € zzgl. MwSt.
zzgl. 6,90 € Versand (brutto)
einmalig pro Bestellung

Lieferzeit: 64 Werktage

Pos.
840/17/01
BOSCH Kettenabdeckung | Ersatzteile für CLUB B20 | F016100719
Hersteller: BOSCH
Artikelnummer: EB-F016L80912-F016100719
Netto: 62,62 € zzgl. MwSt.
zzgl. 6,90 € Versand (brutto)
einmalig pro Bestellung

Lieferzeit: 64 Werktage

Pos.
840/21
BOSCH Aufnahmestück | Ersatzteile für CLUB B20 | F016100343
Hersteller: BOSCH
Artikelnummer: EB-F016L80912-F016100343
Netto: 6,45 € zzgl. MwSt.
zzgl. 6,90 € Versand (brutto)
einmalig pro Bestellung

Lieferzeit: 64 Werktage

Pos.
840/23
BOSCH Aufnahmestück | Ersatzteile für CLUB B20 | F016100394
Hersteller: BOSCH
Artikelnummer: EB-F016L80912-F016100394
Netto: 6,05 € zzgl. MwSt.
zzgl. 6,90 € Versand (brutto)
einmalig pro Bestellung

Lieferzeit: 64 Werktage

Pos.
840/40
BOSCH Bremshebel | Ersatzteile für CLUB B20 | F016102250
Hersteller: BOSCH
Artikelnummer: EB-F016L80912-F016102250
Netto: 31,71 € zzgl. MwSt.
zzgl. 6,90 € Versand (brutto)
einmalig pro Bestellung

Lieferzeit: 64 Werktage

Pos.
840/42
BOSCH Bremshebel | Ersatzteile für CLUB B20 | F016102252
Hersteller: BOSCH
Artikelnummer: EB-F016L80912-F016102252
Netto: 12,84 € zzgl. MwSt.
zzgl. 6,90 € Versand (brutto)
einmalig pro Bestellung

Lieferzeit: 64 Werktage

Pos.
840/46
BOSCH Haltearm | Ersatzteile für CLUB B20 | F016102251
Hersteller: BOSCH
Artikelnummer: EB-F016L80912-F016102251
Netto: 19,77 € zzgl. MwSt.
zzgl. 6,90 € Versand (brutto)
einmalig pro Bestellung

Lieferzeit: 64 Werktage

Pos.
840/48
BOSCH Bremsbacke | Ersatzteile für CLUB B20 | F016102253
Hersteller: BOSCH
Artikelnummer: EB-F016L80912-F016102253
Netto: 28,93 € zzgl. MwSt.
zzgl. 6,90 € Versand (brutto)
einmalig pro Bestellung

Lieferzeit: 64 Werktage

Pos.
840/63
BOSCH Haltearm | Ersatzteile für CLUB B20 | F016100781
Hersteller: BOSCH
Artikelnummer: EB-F016L80912-F016100781
Netto: 11,77 € zzgl. MwSt.
zzgl. 6,90 € Versand (brutto)
einmalig pro Bestellung

Lieferzeit: 64 Werktage

Pos.
840/64
BOSCH Haltearm | Ersatzteile für CLUB B20 | F016100780
Hersteller: BOSCH
Artikelnummer: EB-F016L80912-F016100780
Netto: 11,77 € zzgl. MwSt.
zzgl. 6,90 € Versand (brutto)
einmalig pro Bestellung

Lieferzeit: 64 Werktage

Pos.
850/11
BOSCH Staubschutzdeckel | Ersatzteile für CLUB B20 | F016102234
Hersteller: BOSCH
Artikelnummer: EB-F016L80912-F016102234
Netto: 6,75 € zzgl. MwSt.
zzgl. 6,90 € Versand (brutto)
einmalig pro Bestellung

Lieferzeit: 64 Werktage

Pos.
855/04
BOSCH Blech | Ersatzteile für CLUB B20 | F016100753
Hersteller: BOSCH
Artikelnummer: EB-F016L80912-F016100753
Netto: 25,97 € zzgl. MwSt.
zzgl. 6,90 € Versand (brutto)
einmalig pro Bestellung

Lieferzeit: 64 Werktage

Pos.
855/05
BOSCH Traggestell | Ersatzteile für CLUB B20 | F016102993
Hersteller: BOSCH
Artikelnummer: EB-F016L80912-F016102993
Netto: 315,13 € zzgl. MwSt.
zzgl. 6,90 € Versand (brutto)
einmalig pro Bestellung

Lieferzeit: 64 Werktage

Pos.
855/07
BOSCH Maehspindel | Ersatzteile für CLUB B20 | F016100783
Hersteller: BOSCH
Artikelnummer: EB-F016L80912-F016100783
Netto: 315,13 € zzgl. MwSt.
zzgl. 6,90 € Versand (brutto)
einmalig pro Bestellung

Lieferzeit: 64 Werktage

Pos.
855/08
BOSCH Lagerhalter | Ersatzteile für CLUB B20 | F016100713
Hersteller: BOSCH
Artikelnummer: EB-F016L80912-F016100713
nur Informationsartikel
Nie mehr lieferbar
keine Alternativen
Pos.
860/03
BOSCH Rolle | Ersatzteile für CLUB B20 | F016L59702
Hersteller: BOSCH
Artikelnummer: EB-F016L80912-F016L59702
Netto: 83,08 € zzgl. MwSt.
zzgl. 6,90 € Versand (brutto)
einmalig pro Bestellung

Lieferzeit: 64 Werktage

Pos.
860/14
BOSCH Abstreifer | Ersatzteile für CLUB B20 | F016101245
Hersteller: BOSCH
Artikelnummer: EB-F016L80912-F016101245
Netto: 15,15 € zzgl. MwSt.
zzgl. 6,90 € Versand (brutto)
einmalig pro Bestellung

Lieferzeit: 64 Werktage

Pos.
860/15
BOSCH Rechen | Ersatzteile für CLUB B20 | F016101246
Hersteller: BOSCH
Artikelnummer: EB-F016L80912-F016101246
Netto: 108,06 € zzgl. MwSt.
zzgl. 6,90 € Versand (brutto)
einmalig pro Bestellung

Lieferzeit: 64 Werktage

Pos.
865/32
BOSCH Haltebügel | Ersatzteile für CLUB B20 | F016102219
Hersteller: BOSCH
Artikelnummer: EB-F016L80912-F016102219
Netto: 7,22 € zzgl. MwSt.
zzgl. 6,90 € Versand (brutto)
einmalig pro Bestellung

Lieferzeit: 64 Werktage

Pos.
870/20
BOSCH Aufnahmestück | Ersatzteile für CLUB B20 | F016100712
Hersteller: BOSCH
Artikelnummer: EB-F016L80912-F016100712
Netto: 4,10 € zzgl. MwSt.
zzgl. 6,90 € Versand (brutto)
einmalig pro Bestellung

Lieferzeit: 64 Werktage

Pos.
870/22
BOSCH Klauenring | Ersatzteile für CLUB B20 | F016100777
Hersteller: BOSCH
Artikelnummer: EB-F016L80912-F016100777
Netto: 6,45 € zzgl. MwSt.
zzgl. 6,90 € Versand (brutto)
einmalig pro Bestellung

Lieferzeit: 64 Werktage

Pos.
870/23
BOSCH Kupplungsgabel | Ersatzteile für CLUB B20 | F016100798
Hersteller: BOSCH
Artikelnummer: EB-F016L80912-F016100798
Netto: 6,77 € zzgl. MwSt.
zzgl. 6,90 € Versand (brutto)
einmalig pro Bestellung

Lieferzeit: 64 Werktage

Pos.
870/27
BOSCH Befestigungsbügel | Ersatzteile für CLUB B20 | F016100697
Hersteller: BOSCH
Artikelnummer: EB-F016L80912-F016100697
Netto: 6,05 € zzgl. MwSt.
zzgl. 6,90 € Versand (brutto)
einmalig pro Bestellung

Lieferzeit: 64 Werktage

Pos.
870/29
BOSCH Schaltring | Ersatzteile für CLUB B20 | F016100703
Hersteller: BOSCH
Artikelnummer: EB-F016L80912-F016100703
Netto: 50,53 € zzgl. MwSt.
zzgl. 6,90 € Versand (brutto)
einmalig pro Bestellung

Lieferzeit: 64 Werktage

Pos.
870/34
BOSCH Antriebsvorrichtung | Ersatzteile für CLUB B20 | F016100702
Hersteller: BOSCH
Artikelnummer: EB-F016L80912-F016100702
Netto: 85,91 € zzgl. MwSt.
zzgl. 6,90 € Versand (brutto)
einmalig pro Bestellung

Lieferzeit: 64 Werktage

Pos.
870/47
BOSCH Hebel | Ersatzteile für CLUB B20 | F016100729
Hersteller: BOSCH
Artikelnummer: EB-F016L80912-F016100729
Netto: 5,15 € zzgl. MwSt.
zzgl. 6,90 € Versand (brutto)
einmalig pro Bestellung

Lieferzeit: 64 Werktage

Pos.
870/48
BOSCH Hebel | Ersatzteile für CLUB B20 | F016100730
Hersteller: BOSCH
Artikelnummer: EB-F016L80912-F016100730
Netto: 11,77 € zzgl. MwSt.
zzgl. 6,90 € Versand (brutto)
einmalig pro Bestellung

Lieferzeit: 64 Werktage

Pos.
875/01
BOSCH Handgriff | Ersatzteile für CLUB B20 | F016L59625
Hersteller: BOSCH
Artikelnummer: EB-F016L80912-F016L59625
Netto: 51,18 € zzgl. MwSt.
zzgl. 6,90 € Versand (brutto)
einmalig pro Bestellung

Lieferzeit: 64 Werktage

Pos.
875/03
BOSCH Klemmbügel | Ersatzteile für CLUB B20 | F016102053
Hersteller: BOSCH
Artikelnummer: EB-F016L80912-F016102053
nur Informationsartikel
Nie mehr lieferbar
keine Alternativen
Pos.
875/06
BOSCH Kupplungshebel | Ersatzteile für CLUB B20 | F016102218
Hersteller: BOSCH
Artikelnummer: EB-F016L80912-F016102218
nur Informationsartikel
Nie mehr lieferbar
keine Alternativen
Pos.
875/14
BOSCH Verschlusshebel | Ersatzteile für CLUB B20 | F016102081
Hersteller: BOSCH
Artikelnummer: EB-F016L80912-F016102081
Netto: 24,01 € zzgl. MwSt.
zzgl. 6,90 € Versand (brutto)
einmalig pro Bestellung

Lieferzeit: 64 Werktage

Angaben zur Produktsicherheit

Hersteller:
Robert Bosch Power Tools GmbH
Postfach 30 02 20
70442 Stuttgart

E-Mail:
kontakt@bosch.de