BOSCH Sperrhebel | Ersatzteile für CM10GD | 1609B00292

Artikelnummer: EB-3601M27010-1609B00292

Position: 104

Marke: BOSCH


Bitte Kompatibilität prüfen!

Bitte prüfen Sie unbedingt die 10-stellige Typennummer Ihrer Maschine / Ihres Gerätes. Das Ersatzteil ist nur kompatibel, wenn Sie die Typennummer Ihrer Maschine in der unten stehenden Produktbeschreibung finden.

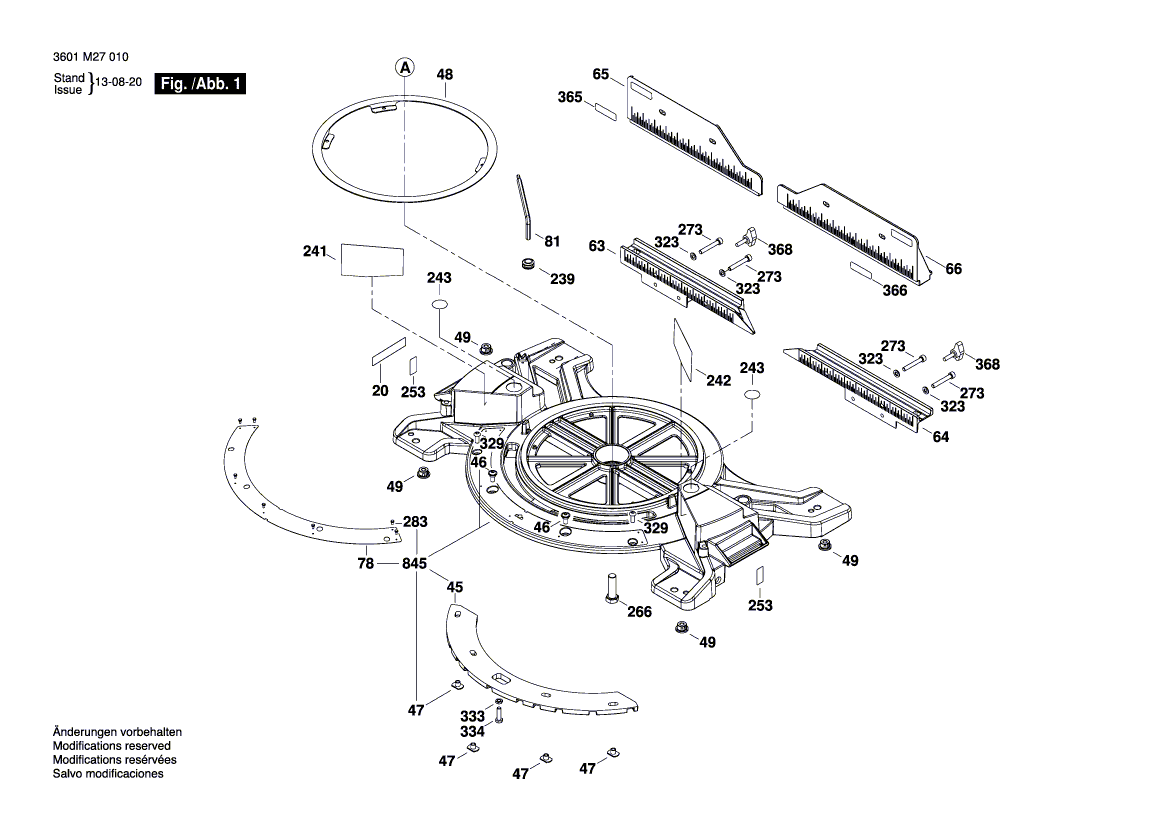
Bitte prüfen Sie ebenfalls detailliert die Explosionszeichnung mit Ihrem Artikelwunsch und der jeweiligen Pos-Nummer.

Alle Elemente, welche vom schwarzen Strich der Pos-Nummer ausgehend berührt / erfasst werden, gehören zu dieser Pos-Nummer und somit zu diesem Artikel. Jede Pos-Nummer ist ein eigenständiger Artikel, welchen Sie in der Auflistung finden.

Sie erhalten stets die aktuellste, neueste Produktversion zu der gewählten Pos-Nummer seitens des Herstellers. Es kann daher je nach Gerätealter vorkommen, dass Sie ggf. weitere, zugehörige Elemente, welche an diese Pos-Nummer grenzen, ebenfalls mittauschen müssen.

Nähere Informationen finden Sie unter dem Link
Hinweise zu Ihrer BOSCH Ersatzteilsuche

Preisübersicht

Einzelpreis: 10,92 €* (Brutto: 12,99 €)
Gesamtpreis: 10,92 €* 
Position:

Lieferzeit: 5 Werktage


Beschreibung

  • Sperrhebel
  • Original Bosch Zubehör / BOSCH Ersatzteil (1609B00292)
  • im Gerät verbaut: 1
Dieses BOSCH Ersatzteil ist mit folgendem Gerät und Modell kompatibel:
  • BOSCH Gerätename: CM10GD
  • BOSCH Explosionszeichnung: Position 104
  • BOSCH Typennummer: 3601M27010
  • BOSCH Typennummer alternative Schreibweisen: 3 601 M27 010, 3601 M27 010, 3.601.M27.010, 3-601-M27-010
    Bitte prüfen Sie diese Typennummer auf Ihrem Gerät um die Kompatibilität des BOSCH Ersatzteils zu gewährleisten.
Weitere BOSCH Ersatzteile des Gerätes CM10GD (Kapp-/Zugsäge) mit der Typennummer 3601M27010 finden Sie in der nachfolgenden Darstellung und im Dropdown zu Ihrer Auswahl:

Pos.
2
BOSCH Polschuh 115V | Ersatzteile für CM10GD | 1609B00474
Hersteller: BOSCH
Artikelnummer: EB-3601M27010-1609B00474
Netto: 70,50 € zzgl. MwSt.
zzgl. 6,90 € Versand (brutto)
einmalig pro Bestellung

Lieferzeit: 5 Werktage

Pos.
4
BOSCH Schalter | Ersatzteile für CM10GD | 2610950336
Hersteller: BOSCH
Artikelnummer: EB-3601M27010-2610950336
Netto: 15,75 € zzgl. MwSt.
zzgl. 6,90 € Versand (brutto)
einmalig pro Bestellung

Lieferzeit: 5 Werktage

Pos.
5
BOSCH Netzanschlussleitung | Ersatzteile für CM10GD | 1609B00400
Hersteller: BOSCH
Artikelnummer: EB-3601M27010-1609B00400
nur Informationsartikel
Nie mehr lieferbar
keine Alternativen
Pos.
8
BOSCH Typschild | Ersatzteile für CM10GD | 1609B04322
Hersteller: BOSCH
Artikelnummer: EB-3601M27010-1609B04322
nur Informationsartikel
Nie mehr lieferbar
keine Alternativen
Pos.
13
BOSCH Lager | Ersatzteile für CM10GD | 1609B00597
Hersteller: BOSCH
Artikelnummer: EB-3601M27010-1609B00597
Netto: 9,18 € zzgl. MwSt.
zzgl. 6,90 € Versand (brutto)
einmalig pro Bestellung

Lieferzeit: 5 Werktage

Pos.
20
BOSCH Warnzettel | Ersatzteile für CM10GD | 1609B04397
Hersteller: BOSCH
Artikelnummer: EB-3601M27010-1609B04397
nur Informationsartikel
Nie mehr lieferbar
keine Alternativen
Pos.
31
BOSCH Verschleissplatte | Ersatzteile für CM10GD | 1609B00201
Hersteller: BOSCH
Artikelnummer: EB-3601M27010-1609B00201
nur Informationsartikel
Nie mehr lieferbar
keine Alternativen
Pos.
32
BOSCH Zapfen | Ersatzteile für CM10GD | 1609B00203
Hersteller: BOSCH
Artikelnummer: EB-3601M27010-1609B00203
Netto: 5,67 € zzgl. MwSt.
zzgl. 6,90 € Versand (brutto)
einmalig pro Bestellung

Lieferzeit: 5 Werktage

Pos.
33
BOSCH Drehfeder | Ersatzteile für CM10GD | 1609B00204
Hersteller: BOSCH
Artikelnummer: EB-3601M27010-1609B00204
Netto: 11,92 € zzgl. MwSt.
zzgl. 6,90 € Versand (brutto)
einmalig pro Bestellung

Lieferzeit: 5 Werktage

Pos.
34
BOSCH Lagerbuchse | Ersatzteile für CM10GD | 1609B02581
Hersteller: BOSCH
Artikelnummer: EB-3601M27010-1609B02581
Netto: 3,63 € zzgl. MwSt.
zzgl. 6,90 € Versand (brutto)
einmalig pro Bestellung

Lieferzeit: 5 Werktage

Pos.
35
BOSCH Verschleissplatte | Ersatzteile für CM10GD | 1609B00206
Hersteller: BOSCH
Artikelnummer: EB-3601M27010-1609B00206
Netto: 3,94 € zzgl. MwSt.
zzgl. 6,90 € Versand (brutto)
einmalig pro Bestellung

Lieferzeit: 5 Werktage

Pos.
36
BOSCH Gurt | Ersatzteile für CM10GD | 1609B04253
Hersteller: BOSCH
Artikelnummer: EB-3601M27010-1609B04253
Netto: 17,38 € zzgl. MwSt.
zzgl. 6,90 € Versand (brutto)
einmalig pro Bestellung

Lieferzeit: 5 Werktage

Pos.
37
BOSCH Flansch | Ersatzteile für CM10GD | 1609B04255
Hersteller: BOSCH
Artikelnummer: EB-3601M27010-1609B04255
Netto: 6,70 € zzgl. MwSt.
zzgl. 6,90 € Versand (brutto)
einmalig pro Bestellung

Lieferzeit: 5 Werktage

Pos.
39
BOSCH Flansch | Ersatzteile für CM10GD | 1609B04256
Hersteller: BOSCH
Artikelnummer: EB-3601M27010-1609B04256
nur Informationsartikel
Nie mehr lieferbar
keine Alternativen
Pos.
41
BOSCH Flanschbolzen | Ersatzteile für CM10GD | 1609B00211
Hersteller: BOSCH
Artikelnummer: EB-3601M27010-1609B00211
Netto: 5,67 € zzgl. MwSt.
zzgl. 6,90 € Versand (brutto)
einmalig pro Bestellung

Lieferzeit: 5 Werktage

Pos.
42
BOSCH Scheibe | Ersatzteile für CM10GD | 1609B00212
Hersteller: BOSCH
Artikelnummer: EB-3601M27010-1609B00212
Netto: 3,63 € zzgl. MwSt.
zzgl. 6,90 € Versand (brutto)
einmalig pro Bestellung

Lieferzeit: 5 Werktage

Pos.
43
BOSCH Flanschbolzen | Ersatzteile für CM10GD | 1609B00213
Hersteller: BOSCH
Artikelnummer: EB-3601M27010-1609B00213
Netto: 3,63 € zzgl. MwSt.
zzgl. 6,90 € Versand (brutto)
einmalig pro Bestellung

Lieferzeit: 5 Werktage

Pos.
45
BOSCH Raste | Ersatzteile für CM10GD | 1609B04261
Hersteller: BOSCH
Artikelnummer: EB-3601M27010-1609B04261
Netto: 8,33 € zzgl. MwSt.
zzgl. 6,90 € Versand (brutto)
einmalig pro Bestellung

Lieferzeit: 5 Werktage

Pos.
46
BOSCH Schraube | Ersatzteile für CM10GD | 1609B00223
Hersteller: BOSCH
Artikelnummer: EB-3601M27010-1609B00223
Netto: 3,94 € zzgl. MwSt.
zzgl. 6,90 € Versand (brutto)
einmalig pro Bestellung

Lieferzeit: 5 Werktage

Pos.
47
BOSCH Mutter | Ersatzteile für CM10GD | 1609B00225
Hersteller: BOSCH
Artikelnummer: EB-3601M27010-1609B00225
Netto: 5,19 € zzgl. MwSt.
zzgl. 6,90 € Versand (brutto)
einmalig pro Bestellung

Lieferzeit: 5 Werktage

Pos.
48
BOSCH Schiebeblech | Ersatzteile für CM10GD | 1609B04262
Hersteller: BOSCH
Artikelnummer: EB-3601M27010-1609B04262
Netto: 4,32 € zzgl. MwSt.
zzgl. 6,90 € Versand (brutto)
einmalig pro Bestellung

Lieferzeit: 5 Werktage

Pos.
49
BOSCH Gerätefuss | Ersatzteile für CM10GD | 1609B01431
Hersteller: BOSCH
Artikelnummer: EB-3601M27010-1609B01431
nur Informationsartikel
Nie mehr lieferbar
keine Alternativen
Pos.
63
BOSCH Gehrungslineal | Ersatzteile für CM10GD | 1609B04270
Hersteller: BOSCH
Artikelnummer: EB-3601M27010-1609B04270
nur Informationsartikel
Nie mehr lieferbar
keine Alternativen
Pos.
64
BOSCH Gehrungslineal | Ersatzteile für CM10GD | 1609B04271
Hersteller: BOSCH
Artikelnummer: EB-3601M27010-1609B04271
nur Informationsartikel
Nie mehr lieferbar
keine Alternativen
Pos.
65
BOSCH Gehrungslineal | Ersatzteile für CM10GD | 1609B04272
Hersteller: BOSCH
Artikelnummer: EB-3601M27010-1609B04272
nur Informationsartikel
Nie mehr lieferbar
keine Alternativen
Pos.
66
BOSCH Gehrungslineal | Ersatzteile für CM10GD | 1609B04273
Hersteller: BOSCH
Artikelnummer: EB-3601M27010-1609B04273
Netto: 20,47 € zzgl. MwSt.
zzgl. 6,90 € Versand (brutto)
einmalig pro Bestellung

Lieferzeit: 5 Werktage

Pos.
78
BOSCH Skale | Ersatzteile für CM10GD | 1609B04279
Hersteller: BOSCH
Artikelnummer: EB-3601M27010-1609B04279
Netto: 7,30 € zzgl. MwSt.
zzgl. 6,90 € Versand (brutto)
einmalig pro Bestellung

Lieferzeit: 5 Werktage

Pos.
81
BOSCH Steckschlüsseleinsatz | Ersatzteile für CM10GD | 1609B00256
Hersteller: BOSCH
Artikelnummer: EB-3601M27010-1609B00256
Netto: 4,32 € zzgl. MwSt.
zzgl. 6,90 € Versand (brutto)
einmalig pro Bestellung

Lieferzeit: 5 Werktage

Pos.
83
BOSCH Stützplatte | Ersatzteile für CM10GD | 1609B04281
Hersteller: BOSCH
Artikelnummer: EB-3601M27010-1609B04281
nur Informationsartikel
Nie mehr lieferbar
keine Alternativen
Pos.
84
BOSCH Fingerwelle | Ersatzteile für CM10GD | 1609B04257
Hersteller: BOSCH
Artikelnummer: EB-3601M27010-1609B04257
Netto: 6,15 € zzgl. MwSt.
zzgl. 6,90 € Versand (brutto)
einmalig pro Bestellung

Lieferzeit: 5 Werktage

Pos.
85
BOSCH Knopf | Ersatzteile für CM10GD | 1609B02377
Hersteller: BOSCH
Artikelnummer: EB-3601M27010-1609B02377
Netto: 7,76 € zzgl. MwSt.
zzgl. 6,90 € Versand (brutto)
einmalig pro Bestellung

Lieferzeit: 5 Werktage

Pos.
86
BOSCH Abdeckung | Ersatzteile für CM10GD | 1609B00275
Hersteller: BOSCH
Artikelnummer: EB-3601M27010-1609B00275
Netto: 4,53 € zzgl. MwSt.
zzgl. 6,90 € Versand (brutto)
einmalig pro Bestellung

Lieferzeit: 5 Werktage

Pos.
87
BOSCH Stange | Ersatzteile für CM10GD | 1609B04283
Hersteller: BOSCH
Artikelnummer: EB-3601M27010-1609B04283
Netto: 8,33 € zzgl. MwSt.
zzgl. 6,90 € Versand (brutto)
einmalig pro Bestellung

Lieferzeit: 5 Werktage

Pos.
88
BOSCH Stützwinkel | Ersatzteile für CM10GD | 1609B00277
Hersteller: BOSCH
Artikelnummer: EB-3601M27010-1609B00277
Netto: 4,53 € zzgl. MwSt.
zzgl. 6,90 € Versand (brutto)
einmalig pro Bestellung

Lieferzeit: 5 Werktage

Pos.
89
BOSCH Gleitbacke | Ersatzteile für CM10GD | 1609B00278
Hersteller: BOSCH
Artikelnummer: EB-3601M27010-1609B00278
Netto: 6,15 € zzgl. MwSt.
zzgl. 6,90 € Versand (brutto)
einmalig pro Bestellung

Lieferzeit: 5 Werktage

Pos.
91
BOSCH Gleitbacke | Ersatzteile für CM10GD | 1609B00279
Hersteller: BOSCH
Artikelnummer: EB-3601M27010-1609B00279
Netto: 9,95 € zzgl. MwSt.
zzgl. 6,90 € Versand (brutto)
einmalig pro Bestellung

Lieferzeit: 5 Werktage

Pos.
92
BOSCH Druckfeder | Ersatzteile für CM10GD | 1609B00281
Hersteller: BOSCH
Artikelnummer: EB-3601M27010-1609B00281
Netto: 3,63 € zzgl. MwSt.
zzgl. 6,90 € Versand (brutto)
einmalig pro Bestellung

Lieferzeit: 5 Werktage

Pos.
93
BOSCH Druckfeder | Ersatzteile für CM10GD | 1609B00280
Hersteller: BOSCH
Artikelnummer: EB-3601M27010-1609B00280
Netto: 3,63 € zzgl. MwSt.
zzgl. 6,90 € Versand (brutto)
einmalig pro Bestellung

Lieferzeit: 5 Werktage

Pos.
94
BOSCH Schiebeblech | Ersatzteile für CM10GD | 1609B00282
Hersteller: BOSCH
Artikelnummer: EB-3601M27010-1609B00282
Netto: 3,63 € zzgl. MwSt.
zzgl. 6,90 € Versand (brutto)
einmalig pro Bestellung

Lieferzeit: 5 Werktage

Pos.
95
BOSCH Abdeckung | Ersatzteile für CM10GD | 1609B00283
Hersteller: BOSCH
Artikelnummer: EB-3601M27010-1609B00283
Netto: 3,94 € zzgl. MwSt.
zzgl. 6,90 € Versand (brutto)
einmalig pro Bestellung

Lieferzeit: 5 Werktage

Pos.
96
BOSCH Knopf | Ersatzteile für CM10GD | 1609B04259
Hersteller: BOSCH
Artikelnummer: EB-3601M27010-1609B04259
Netto: 4,32 € zzgl. MwSt.
zzgl. 6,90 € Versand (brutto)
einmalig pro Bestellung

Lieferzeit: 5 Werktage

Pos.
97
BOSCH Stützwinkel | Ersatzteile für CM10GD | 1609B04317
Hersteller: BOSCH
Artikelnummer: EB-3601M27010-1609B04317
Netto: 4,32 € zzgl. MwSt.
zzgl. 6,90 € Versand (brutto)
einmalig pro Bestellung

Lieferzeit: 5 Werktage

Pos.
98
BOSCH Kurvenscheibe | Ersatzteile für CM10GD | 1609B00286
Hersteller: BOSCH
Artikelnummer: EB-3601M27010-1609B00286
Netto: 7,30 € zzgl. MwSt.
zzgl. 6,90 € Versand (brutto)
einmalig pro Bestellung

Lieferzeit: 5 Werktage

Pos.
99
BOSCH Gestänge | Ersatzteile für CM10GD | 1609B04346
Hersteller: BOSCH
Artikelnummer: EB-3601M27010-1609B04346
Netto: 8,33 € zzgl. MwSt.
zzgl. 6,90 € Versand (brutto)
einmalig pro Bestellung

Lieferzeit: 5 Werktage

Pos.
101
BOSCH Führungsbügel | Ersatzteile für CM10GD | 1609B00289
Hersteller: BOSCH
Artikelnummer: EB-3601M27010-1609B00289
Netto: 3,63 € zzgl. MwSt.
zzgl. 6,90 € Versand (brutto)
einmalig pro Bestellung

Lieferzeit: 5 Werktage

Pos.
103
BOSCH Druckfeder | Ersatzteile für CM10GD | 1609B00291
Hersteller: BOSCH
Artikelnummer: EB-3601M27010-1609B00291
Netto: 3,63 € zzgl. MwSt.
zzgl. 6,90 € Versand (brutto)
einmalig pro Bestellung

Lieferzeit: 5 Werktage

Pos.
104
BOSCH Sperrhebel | Ersatzteile für CM10GD | 1609B00292
Hersteller: BOSCH
Artikelnummer: EB-3601M27010-1609B00292
Netto: 10,92 € zzgl. MwSt.
zzgl. 6,90 € Versand (brutto)
einmalig pro Bestellung

Lieferzeit: 5 Werktage

Pos.
105
BOSCH Hebelwelle | Ersatzteile für CM10GD | 1609B00293
Hersteller: BOSCH
Artikelnummer: EB-3601M27010-1609B00293
Netto: 6,70 € zzgl. MwSt.
zzgl. 6,90 € Versand (brutto)
einmalig pro Bestellung

Lieferzeit: 5 Werktage

Pos.
106
BOSCH Kurvenscheibe | Ersatzteile für CM10GD | 1609B00294
Hersteller: BOSCH
Artikelnummer: EB-3601M27010-1609B00294
Netto: 3,94 € zzgl. MwSt.
zzgl. 6,90 € Versand (brutto)
einmalig pro Bestellung

Lieferzeit: 5 Werktage

Pos.
107
BOSCH Stützwinkel | Ersatzteile für CM10GD | 1609B00295
Hersteller: BOSCH
Artikelnummer: EB-3601M27010-1609B00295
Netto: 8,33 € zzgl. MwSt.
zzgl. 6,90 € Versand (brutto)
einmalig pro Bestellung

Lieferzeit: 5 Werktage

Pos.
108
BOSCH Stützwinkel | Ersatzteile für CM10GD | 1609B00296
Hersteller: BOSCH
Artikelnummer: EB-3601M27010-1609B00296
Netto: 6,70 € zzgl. MwSt.
zzgl. 6,90 € Versand (brutto)
einmalig pro Bestellung

Lieferzeit: 5 Werktage

Pos.
109
BOSCH Stange | Ersatzteile für CM10GD | 1609B04357
Hersteller: BOSCH
Artikelnummer: EB-3601M27010-1609B04357
Netto: 9,95 € zzgl. MwSt.
zzgl. 6,90 € Versand (brutto)
einmalig pro Bestellung

Lieferzeit: 5 Werktage

Pos.
111
BOSCH Hülse | Ersatzteile für CM10GD | 1609B04358
Hersteller: BOSCH
Artikelnummer: EB-3601M27010-1609B04358
Netto: 9,95 € zzgl. MwSt.
zzgl. 6,90 € Versand (brutto)
einmalig pro Bestellung

Lieferzeit: 5 Werktage

Pos.
112
BOSCH Führungsbügel | Ersatzteile für CM10GD | 1609B00299
Hersteller: BOSCH
Artikelnummer: EB-3601M27010-1609B00299
Netto: 3,63 € zzgl. MwSt.
zzgl. 6,90 € Versand (brutto)
einmalig pro Bestellung

Lieferzeit: 5 Werktage

Pos.
114
BOSCH Abdeckung | Ersatzteile für CM10GD | 1609B04380
Hersteller: BOSCH
Artikelnummer: EB-3601M27010-1609B04380
nur Informationsartikel
Nie mehr lieferbar
keine Alternativen
Pos.
115
BOSCH Rastbolzen | Ersatzteile für CM10GD | 1609B00302
Hersteller: BOSCH
Artikelnummer: EB-3601M27010-1609B00302
Netto: 5,19 € zzgl. MwSt.
zzgl. 6,90 € Versand (brutto)
einmalig pro Bestellung

Lieferzeit: 5 Werktage

Pos.
116
BOSCH Druckfeder | Ersatzteile für CM10GD | 1609B00303
Hersteller: BOSCH
Artikelnummer: EB-3601M27010-1609B00303
Netto: 3,63 € zzgl. MwSt.
zzgl. 6,90 € Versand (brutto)
einmalig pro Bestellung

Lieferzeit: 5 Werktage

Pos.
117
BOSCH Sperrhebel | Ersatzteile für CM10GD | 1609B00304
Hersteller: BOSCH
Artikelnummer: EB-3601M27010-1609B00304
Netto: 6,70 € zzgl. MwSt.
zzgl. 6,90 € Versand (brutto)
einmalig pro Bestellung

Lieferzeit: 5 Werktage

Pos.
118
BOSCH Bolzen | Ersatzteile für CM10GD | 1609B00305
Hersteller: BOSCH
Artikelnummer: EB-3601M27010-1609B00305
Netto: 4,53 € zzgl. MwSt.
zzgl. 6,90 € Versand (brutto)
einmalig pro Bestellung

Lieferzeit: 5 Werktage

Pos.
119
BOSCH Druckfeder | Ersatzteile für CM10GD | 1609B00306
Hersteller: BOSCH
Artikelnummer: EB-3601M27010-1609B00306
Netto: 3,63 € zzgl. MwSt.
zzgl. 6,90 € Versand (brutto)
einmalig pro Bestellung

Lieferzeit: 5 Werktage

Pos.
122
BOSCH Steckerstift | Ersatzteile für CM10GD | 1609B00308
Hersteller: BOSCH
Artikelnummer: EB-3601M27010-1609B00308
Netto: 3,94 € zzgl. MwSt.
zzgl. 6,90 € Versand (brutto)
einmalig pro Bestellung

Lieferzeit: 5 Werktage

Pos.
123
BOSCH Drehfeder | Ersatzteile für CM10GD | 1609B00309
Hersteller: BOSCH
Artikelnummer: EB-3601M27010-1609B00309
Netto: 3,63 € zzgl. MwSt.
zzgl. 6,90 € Versand (brutto)
einmalig pro Bestellung

Lieferzeit: 5 Werktage

Pos.
124
BOSCH Zeiger | Ersatzteile für CM10GD | 1609B04314
Hersteller: BOSCH
Artikelnummer: EB-3601M27010-1609B04314
Netto: 3,94 € zzgl. MwSt.
zzgl. 6,90 € Versand (brutto)
einmalig pro Bestellung

Lieferzeit: 5 Werktage

Pos.
125
BOSCH Skale | Ersatzteile für CM10GD | 1609B00311
Hersteller: BOSCH
Artikelnummer: EB-3601M27010-1609B02988
Netto: 4,15 € zzgl. MwSt.
zzgl. 6,90 € Versand (brutto)
einmalig pro Bestellung

Lieferzeit: 5 Werktage

Pos.
126
BOSCH Platte | Ersatzteile für CM10GD | 1609B04285
Hersteller: BOSCH
Artikelnummer: EB-3601M27010-1609B04285
Netto: 4,32 € zzgl. MwSt.
zzgl. 6,90 € Versand (brutto)
einmalig pro Bestellung

Lieferzeit: 5 Werktage

Pos.
129
BOSCH Scharnier | Ersatzteile für CM10GD | 1609B04267
Hersteller: BOSCH
Artikelnummer: EB-3601M27010-1609B04267
nur Informationsartikel
Nie mehr lieferbar
keine Alternativen
Pos.
134
BOSCH Scharnier | Ersatzteile für CM10GD | 1609B00335
Hersteller: BOSCH
Artikelnummer: EB-3601M27010-1609B00335
Netto: 39,11 € zzgl. MwSt.
zzgl. 6,90 € Versand (brutto)
einmalig pro Bestellung

Lieferzeit: 5 Werktage

Pos.
136
BOSCH Welle | Ersatzteile für CM10GD | 1609B00337
Hersteller: BOSCH
Artikelnummer: EB-3601M27010-1609B00337
Netto: 10,92 € zzgl. MwSt.
zzgl. 6,90 € Versand (brutto)
einmalig pro Bestellung

Lieferzeit: 5 Werktage

Pos.
137
BOSCH Welle | Ersatzteile für CM10GD | 1609B00338
Hersteller: BOSCH
Artikelnummer: EB-3601M27010-1609B00338
Netto: 9,95 € zzgl. MwSt.
zzgl. 6,90 € Versand (brutto)
einmalig pro Bestellung

Lieferzeit: 5 Werktage

Pos.
138
BOSCH Leitungshalter | Ersatzteile für CM10GD | 1609B00339
Hersteller: BOSCH
Artikelnummer: EB-3601M27010-1609B00339
Netto: 4,32 € zzgl. MwSt.
zzgl. 6,90 € Versand (brutto)
einmalig pro Bestellung

Lieferzeit: 5 Werktage

Pos.
142
BOSCH Flanschbolzen | Ersatzteile für CM10GD | 1609B04387
Hersteller: BOSCH
Artikelnummer: EB-3601M27010-1609B04387
Netto: 3,63 € zzgl. MwSt.
zzgl. 6,90 € Versand (brutto)
einmalig pro Bestellung

Lieferzeit: 5 Werktage

Pos.
143
BOSCH Lagerbuchse | Ersatzteile für CM10GD | 1609B00343
Hersteller: BOSCH
Artikelnummer: EB-3601M27010-1609B00343
Netto: 6,15 € zzgl. MwSt.
zzgl. 6,90 € Versand (brutto)
einmalig pro Bestellung

Lieferzeit: 5 Werktage

Pos.
144
BOSCH Sperrhebel | Ersatzteile für CM10GD | 1609B00345
Hersteller: BOSCH
Artikelnummer: EB-3601M27010-1609B00345
Netto: 9,95 € zzgl. MwSt.
zzgl. 6,90 € Versand (brutto)
einmalig pro Bestellung

Lieferzeit: 5 Werktage

Pos.
145
BOSCH Klemmfeder | Ersatzteile für CM10GD | 1609B00346
Hersteller: BOSCH
Artikelnummer: EB-3601M27010-1609B00346
Netto: 3,94 € zzgl. MwSt.
zzgl. 6,90 € Versand (brutto)
einmalig pro Bestellung

Lieferzeit: 5 Werktage

Pos.
146
BOSCH Verstellbolzen | Ersatzteile für CM10GD | 1609B00347
Hersteller: BOSCH
Artikelnummer: EB-3601M27010-1609B00347
Netto: 3,63 € zzgl. MwSt.
zzgl. 6,90 € Versand (brutto)
einmalig pro Bestellung

Lieferzeit: 5 Werktage

Pos.
147
BOSCH Platte | Ersatzteile für CM10GD | 1609B00348
Hersteller: BOSCH
Artikelnummer: EB-3601M27010-1609B00348
Netto: 5,19 € zzgl. MwSt.
zzgl. 6,90 € Versand (brutto)
einmalig pro Bestellung

Lieferzeit: 5 Werktage

Pos.
148
BOSCH Ansatzschraube | Ersatzteile für CM10GD | 1609B00349
Hersteller: BOSCH
Artikelnummer: EB-3601M27010-1609B00349
Netto: 3,94 € zzgl. MwSt.
zzgl. 6,90 € Versand (brutto)
einmalig pro Bestellung

Lieferzeit: 5 Werktage

Pos.
149
BOSCH Knopf | Ersatzteile für CM10GD | 1609B00350
Hersteller: BOSCH
Artikelnummer: EB-3601M27010-1609B00350
Netto: 3,94 € zzgl. MwSt.
zzgl. 6,90 € Versand (brutto)
einmalig pro Bestellung

Lieferzeit: 5 Werktage

Pos.
151
BOSCH Ansatzschraube | Ersatzteile für CM10GD | 1609B00351
Hersteller: BOSCH
Artikelnummer: EB-3601M27010-1609B00351
Netto: 3,63 € zzgl. MwSt.
zzgl. 6,90 € Versand (brutto)
einmalig pro Bestellung

Lieferzeit: 5 Werktage

Pos.
152
BOSCH Raste | Ersatzteile für CM10GD | 1609B00352
Hersteller: BOSCH
Artikelnummer: EB-3601M27010-1609B00352
nur Informationsartikel
Nie mehr lieferbar
keine Alternativen
Pos.
153
BOSCH Rückhalteblech | Ersatzteile für CM10GD | 1609B00353
Hersteller: BOSCH
Artikelnummer: EB-3601M27010-1609B00353
Netto: 3,94 € zzgl. MwSt.
zzgl. 6,90 € Versand (brutto)
einmalig pro Bestellung

Lieferzeit: 5 Werktage

Pos.
154
BOSCH Rückhalteblech | Ersatzteile für CM10GD | 1609B00354
Hersteller: BOSCH
Artikelnummer: EB-3601M27010-1609B00354
Netto: 3,94 € zzgl. MwSt.
zzgl. 6,90 € Versand (brutto)
einmalig pro Bestellung

Lieferzeit: 5 Werktage

Pos.
155
BOSCH Bremsteller | Ersatzteile für CM10GD | 1609B00355
Hersteller: BOSCH
Artikelnummer: EB-3601M27010-1609B00355
Netto: 3,94 € zzgl. MwSt.
zzgl. 6,90 € Versand (brutto)
einmalig pro Bestellung

Lieferzeit: 5 Werktage

Pos.
156
BOSCH Distanzstück | Ersatzteile für CM10GD | 1609B00356
Hersteller: BOSCH
Artikelnummer: EB-3601M27010-1609B00356
Netto: 3,63 € zzgl. MwSt.
zzgl. 6,90 € Versand (brutto)
einmalig pro Bestellung

Lieferzeit: 5 Werktage

Pos.
157
BOSCH Zeiger | Ersatzteile für CM10GD | 1609B04315
Hersteller: BOSCH
Artikelnummer: EB-3601M27010-1609B04315
Netto: 4,32 € zzgl. MwSt.
zzgl. 6,90 € Versand (brutto)
einmalig pro Bestellung

Lieferzeit: 5 Werktage

Pos.
158
BOSCH Zeiger | Ersatzteile für CM10GD | 1609B04316
Hersteller: BOSCH
Artikelnummer: EB-3601M27010-1609B04316
Netto: 4,32 € zzgl. MwSt.
zzgl. 6,90 € Versand (brutto)
einmalig pro Bestellung

Lieferzeit: 5 Werktage

Pos.
159
BOSCH Verstellbolzen | Ersatzteile für CM10GD | 1609B00359
Hersteller: BOSCH
Artikelnummer: EB-3601M27010-1609B00359
Netto: 4,32 € zzgl. MwSt.
zzgl. 6,90 € Versand (brutto)
einmalig pro Bestellung

Lieferzeit: 5 Werktage

Pos.
161
BOSCH Stützwinkel | Ersatzteile für CM10GD | 1609B00361
Hersteller: BOSCH
Artikelnummer: EB-3601M27010-1609B00361
Netto: 3,94 € zzgl. MwSt.
zzgl. 6,90 € Versand (brutto)
einmalig pro Bestellung

Lieferzeit: 5 Werktage

Pos.
162
BOSCH Anschlagpuffer | Ersatzteile für CM10GD | 1609B00362
Hersteller: BOSCH
Artikelnummer: EB-3601M27010-1609B00362
Netto: 4,32 € zzgl. MwSt.
zzgl. 6,90 € Versand (brutto)
einmalig pro Bestellung

Lieferzeit: 5 Werktage

Pos.
163
BOSCH Ansatzschraube | Ersatzteile für CM10GD | 1609B00363
Hersteller: BOSCH
Artikelnummer: EB-3601M27010-1609B00363
Netto: 5,67 € zzgl. MwSt.
zzgl. 6,90 € Versand (brutto)
einmalig pro Bestellung

Lieferzeit: 5 Werktage

Pos.
164
BOSCH Welle | Ersatzteile für CM10GD | 1609B00364
Hersteller: BOSCH
Artikelnummer: EB-3601M27010-1609B00364
Netto: 7,76 € zzgl. MwSt.
zzgl. 6,90 € Versand (brutto)
einmalig pro Bestellung

Lieferzeit: 5 Werktage

Pos.
167
BOSCH Schraube | Ersatzteile für CM10GD | 1609B00367
Hersteller: BOSCH
Artikelnummer: EB-3601M27010-1609B00367
Netto: 4,32 € zzgl. MwSt.
zzgl. 6,90 € Versand (brutto)
einmalig pro Bestellung

Lieferzeit: 5 Werktage

Pos.
168
BOSCH Gummistopfen | Ersatzteile für CM10GD | 1609B00368
Hersteller: BOSCH
Artikelnummer: EB-3601M27010-1609B00368
Netto: 3,94 € zzgl. MwSt.
zzgl. 6,90 € Versand (brutto)
einmalig pro Bestellung

Lieferzeit: 5 Werktage

Pos.
169
BOSCH Gummistopfen | Ersatzteile für CM10GD | 1609B00369
Hersteller: BOSCH
Artikelnummer: EB-3601M27010-1609B00369
Netto: 3,94 € zzgl. MwSt.
zzgl. 6,90 € Versand (brutto)
einmalig pro Bestellung

Lieferzeit: 5 Werktage

Pos.
172
BOSCH Knopf ROT | Ersatzteile für CM10GD | 1609B00382
Hersteller: BOSCH
Artikelnummer: EB-3601M27010-1609B00382
Netto: 6,15 € zzgl. MwSt.
zzgl. 6,90 € Versand (brutto)
einmalig pro Bestellung

Lieferzeit: 5 Werktage

Pos.
174
BOSCH Platte | Ersatzteile für CM10GD | 1609B04269
Hersteller: BOSCH
Artikelnummer: EB-3601M27010-1609B04269
Netto: 3,63 € zzgl. MwSt.
zzgl. 6,90 € Versand (brutto)
einmalig pro Bestellung

Lieferzeit: 5 Werktage

Pos.
175
BOSCH Abtriebswelle | Ersatzteile für CM10GD | 1609B04385
Hersteller: BOSCH
Artikelnummer: EB-3601M27010-1609B04385
Netto: 7,76 € zzgl. MwSt.
zzgl. 6,90 € Versand (brutto)
einmalig pro Bestellung

Lieferzeit: 5 Werktage

Pos.
176
BOSCH Getriebe | Ersatzteile für CM10GD | 1609B04296
Hersteller: BOSCH
Artikelnummer: EB-3601M27010-1609B04296
Netto: 9,95 € zzgl. MwSt.
zzgl. 6,90 € Versand (brutto)
einmalig pro Bestellung

Lieferzeit: 5 Werktage

Pos.
177
BOSCH Abtriebsritzel | Ersatzteile für CM10GD | 1609B04297
Hersteller: BOSCH
Artikelnummer: EB-3601M27010-1609B04297
Netto: 9,18 € zzgl. MwSt.
zzgl. 6,90 € Versand (brutto)
einmalig pro Bestellung

Lieferzeit: 5 Werktage

Pos.
178
BOSCH Riemenscheibe | Ersatzteile für CM10GD | 1609B04298
Hersteller: BOSCH
Artikelnummer: EB-3601M27010-1609B04298
Netto: 9,18 € zzgl. MwSt.
zzgl. 6,90 € Versand (brutto)
einmalig pro Bestellung

Lieferzeit: 5 Werktage

Pos.
179
BOSCH Bandabdeckung | Ersatzteile für CM10GD | 1609B04299
Hersteller: BOSCH
Artikelnummer: EB-3601M27010-1609B04299
Netto: 7,76 € zzgl. MwSt.
zzgl. 6,90 € Versand (brutto)
einmalig pro Bestellung

Lieferzeit: 5 Werktage

Pos.
181
BOSCH Taste | Ersatzteile für CM10GD | 1609B00390
Hersteller: BOSCH
Artikelnummer: EB-3601M27010-1609B00390
Netto: 3,94 € zzgl. MwSt.
zzgl. 6,90 € Versand (brutto)
einmalig pro Bestellung

Lieferzeit: 5 Werktage

Pos.
182
BOSCH Verschlussstift | Ersatzteile für CM10GD | 1609B00391
Hersteller: BOSCH
Artikelnummer: EB-3601M27010-1609B00391
Netto: 4,32 € zzgl. MwSt.
zzgl. 6,90 € Versand (brutto)
einmalig pro Bestellung

Lieferzeit: 5 Werktage

Pos.
183
BOSCH Druckfeder | Ersatzteile für CM10GD | 1609B00392
Hersteller: BOSCH
Artikelnummer: EB-3601M27010-1609B00392
Netto: 3,63 € zzgl. MwSt.
zzgl. 6,90 € Versand (brutto)
einmalig pro Bestellung

Lieferzeit: 5 Werktage

Pos.
186
BOSCH Auslöser | Ersatzteile für CM10GD | 1609B00395
Hersteller: BOSCH
Artikelnummer: EB-3601M27010-1609B00395
nur Informationsartikel
Nie mehr lieferbar
keine Alternativen
Pos.
187
BOSCH Taste | Ersatzteile für CM10GD | 1609B00396
Hersteller: BOSCH
Artikelnummer: EB-3601M27010-1609B00396
nur Informationsartikel
Nie mehr lieferbar
keine Alternativen
Pos.
188
BOSCH Taste | Ersatzteile für CM10GD | 1609B00397
Hersteller: BOSCH
Artikelnummer: EB-3601M27010-1609B00397
nur Informationsartikel
Nie mehr lieferbar
keine Alternativen
Pos.
189
BOSCH Druckfeder | Ersatzteile für CM10GD | 1609B00398
Hersteller: BOSCH
Artikelnummer: EB-3601M27010-1609B00398
nur Informationsartikel
Nie mehr lieferbar
keine Alternativen
Pos.
191
BOSCH Gestänge | Ersatzteile für CM10GD | 1609B00399
Hersteller: BOSCH
Artikelnummer: EB-3601M27010-1609B00399
nur Informationsartikel
Nie mehr lieferbar
keine Alternativen
Pos.
192
BOSCH Zwinge | Ersatzteile für CM10GD | 1609B04395
Hersteller: BOSCH
Artikelnummer: EB-3601M27010-1609B04395
nur Informationsartikel
Nie mehr lieferbar
keine Alternativen
Pos.
193
BOSCH Klemmschelle | Ersatzteile für CM10GD | 1609B02413
Hersteller: BOSCH
Artikelnummer: EB-3601M27010-1609B02413
Netto: 3,63 € zzgl. MwSt.
zzgl. 6,90 € Versand (brutto)
einmalig pro Bestellung

Lieferzeit: 5 Werktage

Pos.
194
BOSCH Druckfeder | Ersatzteile für CM10GD | 1609B00417
Hersteller: BOSCH
Artikelnummer: EB-3601M27010-1609B00417
Netto: 3,63 € zzgl. MwSt.
zzgl. 6,90 € Versand (brutto)
einmalig pro Bestellung

Lieferzeit: 5 Werktage

Pos.
195
BOSCH Hülse | Ersatzteile für CM10GD | 1609B00418
Hersteller: BOSCH
Artikelnummer: EB-3601M27010-1609B00418
Netto: 3,63 € zzgl. MwSt.
zzgl. 6,90 € Versand (brutto)
einmalig pro Bestellung

Lieferzeit: 5 Werktage

Pos.
196
BOSCH Gummi-Ohrkissen | Ersatzteile für CM10GD | 1609B00419
Hersteller: BOSCH
Artikelnummer: EB-3601M27010-1609B00419
Netto: 3,63 € zzgl. MwSt.
zzgl. 6,90 € Versand (brutto)
einmalig pro Bestellung

Lieferzeit: 5 Werktage

Pos.
197
BOSCH Steckkupplung | Ersatzteile für CM10GD | 1609B00430
Hersteller: BOSCH
Artikelnummer: EB-3601M27010-1609B00430
nur Informationsartikel
Nie mehr lieferbar
keine Alternativen
Pos.
198
BOSCH Schutzabdeckung | Ersatzteile für CM10GD | 1609B04304
Hersteller: BOSCH
Artikelnummer: EB-3601M27010-1609B04304
Netto: 29,45 € zzgl. MwSt.
zzgl. 6,90 € Versand (brutto)
einmalig pro Bestellung

Lieferzeit: 5 Werktage

Pos.
203
BOSCH Schutzabdeckung | Ersatzteile für CM10GD | 1609B04301
Hersteller: BOSCH
Artikelnummer: EB-3601M27010-1609B04301
nur Informationsartikel
Nie mehr lieferbar
keine Alternativen
Pos.
204
BOSCH Gestänge | Ersatzteile für CM10GD | 1609B04310
Hersteller: BOSCH
Artikelnummer: EB-3601M27010-1609B04310
Netto: 7,76 € zzgl. MwSt.
zzgl. 6,90 € Versand (brutto)
einmalig pro Bestellung

Lieferzeit: 5 Werktage

Pos.
205
BOSCH Ansatzschraube | Ersatzteile für CM10GD | 1609B00448
Hersteller: BOSCH
Artikelnummer: EB-3601M27010-1609B00448
Netto: 4,82 € zzgl. MwSt.
zzgl. 6,90 € Versand (brutto)
einmalig pro Bestellung

Lieferzeit: 5 Werktage

Pos.
206
BOSCH Lagerbuchse | Ersatzteile für CM10GD | 1609B00449
Hersteller: BOSCH
Artikelnummer: EB-3601M27010-1609B00449
Netto: 3,63 € zzgl. MwSt.
zzgl. 6,90 € Versand (brutto)
einmalig pro Bestellung

Lieferzeit: 5 Werktage

Pos.
211
BOSCH Schraube | Ersatzteile für CM10GD | 1609B04390
Hersteller: BOSCH
Artikelnummer: EB-3601M27010-1609B04390
Netto: 5,13 € zzgl. MwSt.
zzgl. 6,90 € Versand (brutto)
einmalig pro Bestellung

Lieferzeit: 5 Werktage

Pos.
212
BOSCH Schraube | Ersatzteile für CM10GD | 1609B00454
Hersteller: BOSCH
Artikelnummer: EB-3601M27010-1609B00454
Netto: 3,63 € zzgl. MwSt.
zzgl. 6,90 € Versand (brutto)
einmalig pro Bestellung

Lieferzeit: 5 Werktage

Pos.
213
BOSCH Lagerbuchse | Ersatzteile für CM10GD | 1609B00455
Hersteller: BOSCH
Artikelnummer: EB-3601M27010-1609B00455
Netto: 3,63 € zzgl. MwSt.
zzgl. 6,90 € Versand (brutto)
einmalig pro Bestellung

Lieferzeit: 5 Werktage

Pos.
214
BOSCH Anschlagpuffer | Ersatzteile für CM10GD | 1609B02467
Hersteller: BOSCH
Artikelnummer: EB-3601M27010-1609B02467
Netto: 3,63 € zzgl. MwSt.
zzgl. 6,90 € Versand (brutto)
einmalig pro Bestellung

Lieferzeit: 5 Werktage

Pos.
215
BOSCH Scheibe | Ersatzteile für CM10GD | 1609B00457
Hersteller: BOSCH
Artikelnummer: EB-3601M27010-1609B00457
Netto: 3,63 € zzgl. MwSt.
zzgl. 6,90 € Versand (brutto)
einmalig pro Bestellung

Lieferzeit: 5 Werktage

Pos.
216
BOSCH Schnellverschluss | Ersatzteile für CM10GD | 1609B00458
Hersteller: BOSCH
Artikelnummer: EB-3601M27010-1609B00458
Netto: 3,63 € zzgl. MwSt.
zzgl. 6,90 € Versand (brutto)
einmalig pro Bestellung

Lieferzeit: 5 Werktage

Pos.
218
BOSCH Lagerbuchse | Ersatzteile für CM10GD | 1609B00460
Hersteller: BOSCH
Artikelnummer: EB-3601M27010-1609B00460
Netto: 3,63 € zzgl. MwSt.
zzgl. 6,90 € Versand (brutto)
einmalig pro Bestellung

Lieferzeit: 5 Werktage

Pos.
219
BOSCH Zwischenflansch | Ersatzteile für CM10GD | 1609B02583
Hersteller: BOSCH
Artikelnummer: EB-3601M27010-1609B02583
Netto: 21,16 € zzgl. MwSt.
zzgl. 6,90 € Versand (brutto)
einmalig pro Bestellung

Lieferzeit: 5 Werktage

Pos.
222
BOSCH Schallwand | Ersatzteile für CM10GD | 1609B00476
Hersteller: BOSCH
Artikelnummer: EB-3601M27010-1609B00476
Netto: 5,19 € zzgl. MwSt.
zzgl. 6,90 € Versand (brutto)
einmalig pro Bestellung

Lieferzeit: 5 Werktage

Pos.
223
BOSCH Bürstendeckel | Ersatzteile für CM10GD | 1609B00478
Hersteller: BOSCH
Artikelnummer: EB-3601M27010-1609B00478
Netto: 3,63 € zzgl. MwSt.
zzgl. 6,90 € Versand (brutto)
einmalig pro Bestellung

Lieferzeit: 5 Werktage

Pos.
224
BOSCH Einlage | Ersatzteile für CM10GD | 1609B00479
Hersteller: BOSCH
Artikelnummer: EB-3601M27010-1609B00479
Netto: 3,63 € zzgl. MwSt.
zzgl. 6,90 € Versand (brutto)
einmalig pro Bestellung

Lieferzeit: 5 Werktage

Pos.
225
BOSCH Gummibuchse | Ersatzteile für CM10GD | 1609B00480
Hersteller: BOSCH
Artikelnummer: EB-3601M27010-1609B00480
Netto: 4,32 € zzgl. MwSt.
zzgl. 6,90 € Versand (brutto)
einmalig pro Bestellung

Lieferzeit: 5 Werktage

Pos.
226
BOSCH Tragplatte | Ersatzteile für CM10GD | 1609B00483
Hersteller: BOSCH
Artikelnummer: EB-3601M27010-1609B00483
nur Informationsartikel
Nie mehr lieferbar
keine Alternativen
Pos.
228
BOSCH Staubbehaelter | Ersatzteile für CM10GD | 1609B04318
Hersteller: BOSCH
Artikelnummer: EB-3601M27010-1609B04318
Netto: 9,18 € zzgl. MwSt.
zzgl. 6,90 € Versand (brutto)
einmalig pro Bestellung

Lieferzeit: 5 Werktage

Pos.
229
BOSCH Gummiplatte | Ersatzteile für CM10GD | 1609B04319
Hersteller: BOSCH
Artikelnummer: EB-3601M27010-1609B04319
Netto: 4,32 € zzgl. MwSt.
zzgl. 6,90 € Versand (brutto)
einmalig pro Bestellung

Lieferzeit: 5 Werktage

Pos.
231
BOSCH Steckkupplung | Ersatzteile für CM10GD | 1609B00505
Hersteller: BOSCH
Artikelnummer: EB-3601M27010-1609B00505
Netto: 9,18 € zzgl. MwSt.
zzgl. 6,90 € Versand (brutto)
einmalig pro Bestellung

Lieferzeit: 5 Werktage

Pos.
232
BOSCH Staubbeutel | Ersatzteile für CM10GD | 1609B00506
Hersteller: BOSCH
Artikelnummer: EB-3601M27010-1609B00506
nur Informationsartikel
Nie mehr lieferbar
keine Alternativen
Pos.
235
BOSCH Gummi-Ohrkissen | Ersatzteile für CM10GD | 1609B00523
Hersteller: BOSCH
Artikelnummer: EB-3601M27010-1609B00523
Netto: 4,53 € zzgl. MwSt.
zzgl. 6,90 € Versand (brutto)
einmalig pro Bestellung

Lieferzeit: 5 Werktage

Pos.
238
BOSCH Kabelband | Ersatzteile für CM10GD | 1609B01538
Hersteller: BOSCH
Artikelnummer: EB-3601M27010-1609B01538
Netto: 3,63 € zzgl. MwSt.
zzgl. 6,90 € Versand (brutto)
einmalig pro Bestellung

Lieferzeit: 5 Werktage

Pos.
239
BOSCH Gummibuchse | Ersatzteile für CM10GD | 1609B00533
Hersteller: BOSCH
Artikelnummer: EB-3601M27010-1609B00533
Netto: 3,63 € zzgl. MwSt.
zzgl. 6,90 € Versand (brutto)
einmalig pro Bestellung

Lieferzeit: 5 Werktage

Pos.
240
BOSCH Schutzabdeckung | Ersatzteile für CM10GD | 1609B04300
Hersteller: BOSCH
Artikelnummer: EB-3601M27010-1609B04300
nur Informationsartikel
Nie mehr lieferbar
keine Alternativen
Pos.
241
BOSCH Warnzettel | Ersatzteile für CM10GD | 1609B04325
Hersteller: BOSCH
Artikelnummer: EB-3601M27010-1609B04325
nur Informationsartikel
Nie mehr lieferbar
keine Alternativen
Pos.
242
BOSCH Warnzettel | Ersatzteile für CM10GD | 1609B04326
Hersteller: BOSCH
Artikelnummer: EB-3601M27010-1609B04326
nur Informationsartikel
Nie mehr lieferbar
keine Alternativen
Pos.
243
BOSCH Warnschild | Ersatzteile für CM10GD | 1609B00543
Hersteller: BOSCH
Artikelnummer: EB-3601M27010-1609B00543
Netto: 4,53 € zzgl. MwSt.
zzgl. 6,90 € Versand (brutto)
einmalig pro Bestellung

Lieferzeit: 5 Werktage

Pos.
244
BOSCH Einklebeblatt | Ersatzteile für CM10GD | 1609B00544
Hersteller: BOSCH
Artikelnummer: EB-3601M27010-1609B00544
Netto: 8,34 € zzgl. MwSt.
zzgl. 6,90 € Versand (brutto)
einmalig pro Bestellung

Lieferzeit: 5 Werktage

Pos.
245
BOSCH Einklebeblatt | Ersatzteile für CM10GD | 1609B00546
Hersteller: BOSCH
Artikelnummer: EB-3601M27010-1609B00546
Netto: 3,62 € zzgl. MwSt.
zzgl. 6,90 € Versand (brutto)
einmalig pro Bestellung

Lieferzeit: 5 Werktage

Pos.
246
BOSCH Einklebeblatt | Ersatzteile für CM10GD | 1609B04393
Hersteller: BOSCH
Artikelnummer: EB-3601M27010-1609B04393
nur Informationsartikel
Nie mehr lieferbar
keine Alternativen
Pos.
247
BOSCH Einklebeblatt | Ersatzteile für CM10GD | 1609B04394
Hersteller: BOSCH
Artikelnummer: EB-3601M27010-1609B04394
nur Informationsartikel
Nie mehr lieferbar
keine Alternativen
Pos.
248
BOSCH Warnschild | Ersatzteile für CM10GD | 1609B00549
Hersteller: BOSCH
Artikelnummer: EB-3601M27010-1609B00549
Netto: 4,53 € zzgl. MwSt.
zzgl. 6,90 € Versand (brutto)
einmalig pro Bestellung

Lieferzeit: 5 Werktage

Pos.
249
BOSCH Einklebeblatt | Ersatzteile für CM10GD | 1609B04354
Hersteller: BOSCH
Artikelnummer: EB-3601M27010-1609B04354
nur Informationsartikel
Nie mehr lieferbar
keine Alternativen
Pos.
251
BOSCH Einklebeblatt | Ersatzteile für CM10GD | 1609B00551
Hersteller: BOSCH
Artikelnummer: EB-3601M27010-1609B00551
Netto: 4,83 € zzgl. MwSt.
zzgl. 6,90 € Versand (brutto)
einmalig pro Bestellung

Lieferzeit: 5 Werktage

Pos.
252
BOSCH Einklebeblatt | Ersatzteile für CM10GD | 1609B04391
Hersteller: BOSCH
Artikelnummer: EB-3601M27010-1609B04391
nur Informationsartikel
Nie mehr lieferbar
keine Alternativen
Pos.
253
BOSCH Klebeschild | Ersatzteile für CM10GD | 1609B02122
Hersteller: BOSCH
Artikelnummer: EB-3601M27010-1609B02122
Netto: 4,53 € zzgl. MwSt.
zzgl. 6,90 € Versand (brutto)
einmalig pro Bestellung

Lieferzeit: 5 Werktage

Pos.
255
BOSCH Geräteclip | Ersatzteile für CM10GD | 1609B00582
Hersteller: BOSCH
Artikelnummer: EB-3601M27010-1609B00582
Netto: 3,63 € zzgl. MwSt.
zzgl. 6,90 € Versand (brutto)
einmalig pro Bestellung

Lieferzeit: 5 Werktage

Pos.
256
BOSCH Schrumpfschlauch | Ersatzteile für CM10GD | 1609B00583
Hersteller: BOSCH
Artikelnummer: EB-3601M27010-1609B00583
Netto: 3,63 € zzgl. MwSt.
zzgl. 6,90 € Versand (brutto)
einmalig pro Bestellung

Lieferzeit: 5 Werktage

Pos.
257
BOSCH Schlüssel | Ersatzteile für CM10GD | 1609B00592
Hersteller: BOSCH
Artikelnummer: EB-3601M27010-1609B00592
Netto: 3,94 € zzgl. MwSt.
zzgl. 6,90 € Versand (brutto)
einmalig pro Bestellung

Lieferzeit: 5 Werktage

Pos.
258
BOSCH Schlüssel | Ersatzteile für CM10GD | 1609B00593
Hersteller: BOSCH
Artikelnummer: EB-3601M27010-1609B00593
Netto: 3,94 € zzgl. MwSt.
zzgl. 6,90 € Versand (brutto)
einmalig pro Bestellung

Lieferzeit: 5 Werktage

Pos.
259
BOSCH Kugel | Ersatzteile für CM10GD | 1609B00594
Hersteller: BOSCH
Artikelnummer: EB-3601M27010-1609B00594
Netto: 3,63 € zzgl. MwSt.
zzgl. 6,90 € Versand (brutto)
einmalig pro Bestellung

Lieferzeit: 5 Werktage

Pos.
262
BOSCH Lager | Ersatzteile für CM10GD | 1609B00596
Hersteller: BOSCH
Artikelnummer: EB-3601M27010-1609B00596
Netto: 11,92 € zzgl. MwSt.
zzgl. 6,90 € Versand (brutto)
einmalig pro Bestellung

Lieferzeit: 5 Werktage

Pos.
263
BOSCH Rillenkugellager | Ersatzteile für CM10GD | 1619P03937
Hersteller: BOSCH
Artikelnummer: EB-3601M27010-1619P03937
Netto: 7,76 € zzgl. MwSt.
zzgl. 6,90 € Versand (brutto)
einmalig pro Bestellung

Lieferzeit: 5 Werktage

Pos.
265
BOSCH O-Ring | Ersatzteile für CM10GD | 1609B00601
Hersteller: BOSCH
Artikelnummer: EB-3601M27010-1609B00601
Netto: 3,94 € zzgl. MwSt.
zzgl. 6,90 € Versand (brutto)
einmalig pro Bestellung

Lieferzeit: 5 Werktage

Pos.
266
BOSCH Bolzen | Ersatzteile für CM10GD | 1609B00602
Hersteller: BOSCH
Artikelnummer: EB-3601M27010-1609B00602
Netto: 3,94 € zzgl. MwSt.
zzgl. 6,90 € Versand (brutto)
einmalig pro Bestellung

Lieferzeit: 5 Werktage

Pos.
267
BOSCH Klemmutter | Ersatzteile für CM10GD | 1609B00603
Hersteller: BOSCH
Artikelnummer: EB-3601M27010-1609B00603
Netto: 3,63 € zzgl. MwSt.
zzgl. 6,90 € Versand (brutto)
einmalig pro Bestellung

Lieferzeit: 5 Werktage

Pos.
268
BOSCH Klemmutter | Ersatzteile für CM10GD | 1609B00604
Hersteller: BOSCH
Artikelnummer: EB-3601M27010-1609B00604
Netto: 3,94 € zzgl. MwSt.
zzgl. 6,90 € Versand (brutto)
einmalig pro Bestellung

Lieferzeit: 5 Werktage

Pos.
269
BOSCH Klemmutter | Ersatzteile für CM10GD | 1609B00605
Hersteller: BOSCH
Artikelnummer: EB-3601M27010-1609B00605
Netto: 3,63 € zzgl. MwSt.
zzgl. 6,90 € Versand (brutto)
einmalig pro Bestellung

Lieferzeit: 5 Werktage

Pos.
271
BOSCH Klemmutter | Ersatzteile für CM10GD | 1609B00608
Hersteller: BOSCH
Artikelnummer: EB-3601M27010-1609B00608
Netto: 3,63 € zzgl. MwSt.
zzgl. 6,90 € Versand (brutto)
einmalig pro Bestellung

Lieferzeit: 5 Werktage

Pos.
272
BOSCH Bolzen | Ersatzteile für CM10GD | 1609B00609
Hersteller: BOSCH
Artikelnummer: EB-3601M27010-1609B00609
Netto: 3,63 € zzgl. MwSt.
zzgl. 6,90 € Versand (brutto)
einmalig pro Bestellung

Lieferzeit: 5 Werktage

Pos.
273
BOSCH Schraube | Ersatzteile für CM10GD | 1609B00610
Hersteller: BOSCH
Artikelnummer: EB-3601M27010-1609B00610
Netto: 3,94 € zzgl. MwSt.
zzgl. 6,90 € Versand (brutto)
einmalig pro Bestellung

Lieferzeit: 5 Werktage

Pos.
274
BOSCH Schraube | Ersatzteile für CM10GD | 1609B00612
Hersteller: BOSCH
Artikelnummer: EB-3601M27010-1609B00612
Netto: 3,63 € zzgl. MwSt.
zzgl. 6,90 € Versand (brutto)
einmalig pro Bestellung

Lieferzeit: 5 Werktage

Pos.
275
BOSCH Gewindestift | Ersatzteile für CM10GD | 1609B00614
Hersteller: BOSCH
Artikelnummer: EB-3601M27010-1609B00614
Netto: 3,63 € zzgl. MwSt.
zzgl. 6,90 € Versand (brutto)
einmalig pro Bestellung

Lieferzeit: 5 Werktage

Pos.
276
BOSCH Gewindestift | Ersatzteile für CM10GD | 1609B00615
Hersteller: BOSCH
Artikelnummer: EB-3601M27010-1609B00615
Netto: 4,32 € zzgl. MwSt.
zzgl. 6,90 € Versand (brutto)
einmalig pro Bestellung

Lieferzeit: 5 Werktage

Pos.
277
BOSCH Gewindestift | Ersatzteile für CM10GD | 1609B00616
Hersteller: BOSCH
Artikelnummer: EB-3601M27010-1609B00616
Netto: 3,63 € zzgl. MwSt.
zzgl. 6,90 € Versand (brutto)
einmalig pro Bestellung

Lieferzeit: 5 Werktage

Pos.
279
BOSCH Gewindestift | Ersatzteile für CM10GD | 1609B00618
Hersteller: BOSCH
Artikelnummer: EB-3601M27010-1609B00618
Netto: 3,94 € zzgl. MwSt.
zzgl. 6,90 € Versand (brutto)
einmalig pro Bestellung

Lieferzeit: 5 Werktage

Pos.
281
BOSCH Gewindestift | Ersatzteile für CM10GD | 1609B00620
Hersteller: BOSCH
Artikelnummer: EB-3601M27010-1609B00620
Netto: 3,63 € zzgl. MwSt.
zzgl. 6,90 € Versand (brutto)
einmalig pro Bestellung

Lieferzeit: 5 Werktage

Pos.
282
BOSCH Gewindestift | Ersatzteile für CM10GD | 1609B00621
Hersteller: BOSCH
Artikelnummer: EB-3601M27010-1609B00621
Netto: 3,94 € zzgl. MwSt.
zzgl. 6,90 € Versand (brutto)
einmalig pro Bestellung

Lieferzeit: 5 Werktage

Pos.
283
BOSCH Rastniet | Ersatzteile für CM10GD | 1609B00622
Hersteller: BOSCH
Artikelnummer: EB-3601M27010-1609B00622
Netto: 3,63 € zzgl. MwSt.
zzgl. 6,90 € Versand (brutto)
einmalig pro Bestellung

Lieferzeit: 5 Werktage

Pos.
284
BOSCH Schraube | Ersatzteile für CM10GD | 1609B00623
Hersteller: BOSCH
Artikelnummer: EB-3601M27010-1609B00623
Netto: 3,63 € zzgl. MwSt.
zzgl. 6,90 € Versand (brutto)
einmalig pro Bestellung

Lieferzeit: 5 Werktage

Pos.
285
BOSCH Schraube | Ersatzteile für CM10GD | 1609B00624
Hersteller: BOSCH
Artikelnummer: EB-3601M27010-1609B00624
Netto: 3,63 € zzgl. MwSt.
zzgl. 6,90 € Versand (brutto)
einmalig pro Bestellung

Lieferzeit: 5 Werktage

Pos.
286
BOSCH Schraube | Ersatzteile für CM10GD | 1609B00625
Hersteller: BOSCH
Artikelnummer: EB-3601M27010-1609B00625
Netto: 3,63 € zzgl. MwSt.
zzgl. 6,90 € Versand (brutto)
einmalig pro Bestellung

Lieferzeit: 5 Werktage

Pos.
287
BOSCH Schraube | Ersatzteile für CM10GD | 1609B00628
Hersteller: BOSCH
Artikelnummer: EB-3601M27010-1609B00628
Netto: 3,63 € zzgl. MwSt.
zzgl. 6,90 € Versand (brutto)
einmalig pro Bestellung

Lieferzeit: 5 Werktage

Pos.
288
BOSCH Schraube | Ersatzteile für CM10GD | 1609B00627
Hersteller: BOSCH
Artikelnummer: EB-3601M27010-1609B00627
Netto: 4,32 € zzgl. MwSt.
zzgl. 6,90 € Versand (brutto)
einmalig pro Bestellung

Lieferzeit: 5 Werktage

Pos.
289
BOSCH Schraube | Ersatzteile für CM10GD | 1609B00630
Hersteller: BOSCH
Artikelnummer: EB-3601M27010-1609B00630
Netto: 3,63 € zzgl. MwSt.
zzgl. 6,90 € Versand (brutto)
einmalig pro Bestellung

Lieferzeit: 5 Werktage

Pos.
292
BOSCH Schraube | Ersatzteile für CM10GD | 1609B00631
Hersteller: BOSCH
Artikelnummer: EB-3601M27010-1609B00631
Netto: 3,94 € zzgl. MwSt.
zzgl. 6,90 € Versand (brutto)
einmalig pro Bestellung

Lieferzeit: 5 Werktage

Pos.
293
BOSCH Schraube | Ersatzteile für CM10GD | 1609B04311
Hersteller: BOSCH
Artikelnummer: EB-3601M27010-1609B04311
Netto: 3,63 € zzgl. MwSt.
zzgl. 6,90 € Versand (brutto)
einmalig pro Bestellung

Lieferzeit: 5 Werktage

Pos.
294
BOSCH Schraube | Ersatzteile für CM10GD | 1609B00633
Hersteller: BOSCH
Artikelnummer: EB-3601M27010-1609B00633
Netto: 3,63 € zzgl. MwSt.
zzgl. 6,90 € Versand (brutto)
einmalig pro Bestellung

Lieferzeit: 5 Werktage

Pos.
295
BOSCH Schraube | Ersatzteile für CM10GD | 1609B00634
Hersteller: BOSCH
Artikelnummer: EB-3601M27010-1609B00634
Netto: 3,63 € zzgl. MwSt.
zzgl. 6,90 € Versand (brutto)
einmalig pro Bestellung

Lieferzeit: 5 Werktage

Pos.
296
BOSCH Blechschraube | Ersatzteile für CM10GD | 1609B00636
Hersteller: BOSCH
Artikelnummer: EB-3601M27010-1609B00636
Netto: 3,94 € zzgl. MwSt.
zzgl. 6,90 € Versand (brutto)
einmalig pro Bestellung

Lieferzeit: 5 Werktage

Pos.
297
BOSCH Blechschraube | Ersatzteile für CM10GD | 1609B00637
Hersteller: BOSCH
Artikelnummer: EB-3601M27010-1609B00637
Netto: 3,63 € zzgl. MwSt.
zzgl. 6,90 € Versand (brutto)
einmalig pro Bestellung

Lieferzeit: 5 Werktage

Pos.
298
BOSCH Federsteg | Ersatzteile für CM10GD | 1609B00638
Hersteller: BOSCH
Artikelnummer: EB-3601M27010-1609B00638
Netto: 3,63 € zzgl. MwSt.
zzgl. 6,90 € Versand (brutto)
einmalig pro Bestellung

Lieferzeit: 5 Werktage

Pos.
301
BOSCH Sprengring | Ersatzteile für CM10GD | 1609B00641
Hersteller: BOSCH
Artikelnummer: EB-3601M27010-1609B00641
Netto: 3,94 € zzgl. MwSt.
zzgl. 6,90 € Versand (brutto)
einmalig pro Bestellung

Lieferzeit: 5 Werktage

Pos.
302
BOSCH Sprengring | Ersatzteile für CM10GD | 1609B00642
Hersteller: BOSCH
Artikelnummer: EB-3601M27010-1609B00642
Netto: 3,63 € zzgl. MwSt.
zzgl. 6,90 € Versand (brutto)
einmalig pro Bestellung

Lieferzeit: 5 Werktage

Pos.
303
BOSCH Sprengring | Ersatzteile für CM10GD | 1609B00643
Hersteller: BOSCH
Artikelnummer: EB-3601M27010-1609B00643
Netto: 3,63 € zzgl. MwSt.
zzgl. 6,90 € Versand (brutto)
einmalig pro Bestellung

Lieferzeit: 5 Werktage

Pos.
304
BOSCH Sprengring | Ersatzteile für CM10GD | 1609B00644
Hersteller: BOSCH
Artikelnummer: EB-3601M27010-1609B00644
Netto: 4,32 € zzgl. MwSt.
zzgl. 6,90 € Versand (brutto)
einmalig pro Bestellung

Lieferzeit: 5 Werktage

Pos.
305
BOSCH Schraube | Ersatzteile für CM10GD | 1609B00645
Hersteller: BOSCH
Artikelnummer: EB-3601M27010-1609B00645
Netto: 3,63 € zzgl. MwSt.
zzgl. 6,90 € Versand (brutto)
einmalig pro Bestellung

Lieferzeit: 5 Werktage

Pos.
306
BOSCH Schraube | Ersatzteile für CM10GD | 1609B00647
Hersteller: BOSCH
Artikelnummer: EB-3601M27010-1609B00647
Netto: 3,94 € zzgl. MwSt.
zzgl. 6,90 € Versand (brutto)
einmalig pro Bestellung

Lieferzeit: 5 Werktage

Pos.
307
BOSCH Schraube | Ersatzteile für CM10GD | 1609B00649
Hersteller: BOSCH
Artikelnummer: EB-3601M27010-1609B00649
Netto: 3,63 € zzgl. MwSt.
zzgl. 6,90 € Versand (brutto)
einmalig pro Bestellung

Lieferzeit: 5 Werktage

Pos.
308
BOSCH Schraube | Ersatzteile für CM10GD | 1609B00650
Hersteller: BOSCH
Artikelnummer: EB-3601M27010-1609B00650
Netto: 3,63 € zzgl. MwSt.
zzgl. 6,90 € Versand (brutto)
einmalig pro Bestellung

Lieferzeit: 5 Werktage

Pos.
309
BOSCH Schraube | Ersatzteile für CM10GD | 1609B00652
Hersteller: BOSCH
Artikelnummer: EB-3601M27010-1609B00652
Netto: 3,63 € zzgl. MwSt.
zzgl. 6,90 € Versand (brutto)
einmalig pro Bestellung

Lieferzeit: 5 Werktage

Pos.
310
BOSCH Schraube | Ersatzteile für CM10GD | 1609B00653
Hersteller: BOSCH
Artikelnummer: EB-3601M27010-1609B00653
Netto: 3,63 € zzgl. MwSt.
zzgl. 6,90 € Versand (brutto)
einmalig pro Bestellung

Lieferzeit: 5 Werktage

Pos.
311
BOSCH Schraube | Ersatzteile für CM10GD | 1609B00654
Hersteller: BOSCH
Artikelnummer: EB-3601M27010-1609B00654
Netto: 3,63 € zzgl. MwSt.
zzgl. 6,90 € Versand (brutto)
einmalig pro Bestellung

Lieferzeit: 5 Werktage

Pos.
312
BOSCH Schraube | Ersatzteile für CM10GD | 1609B00655
Hersteller: BOSCH
Artikelnummer: EB-3601M27010-1609B00655
Netto: 3,63 € zzgl. MwSt.
zzgl. 6,90 € Versand (brutto)
einmalig pro Bestellung

Lieferzeit: 5 Werktage

Pos.
313
BOSCH Schraube | Ersatzteile für CM10GD | 1609B00656
Hersteller: BOSCH
Artikelnummer: EB-3601M27010-1609B00656
Netto: 3,94 € zzgl. MwSt.
zzgl. 6,90 € Versand (brutto)
einmalig pro Bestellung

Lieferzeit: 5 Werktage

Pos.
315
BOSCH Federscheibe | Ersatzteile für CM10GD | 1609B00658
Hersteller: BOSCH
Artikelnummer: EB-3601M27010-1609B00658
Netto: 3,63 € zzgl. MwSt.
zzgl. 6,90 € Versand (brutto)
einmalig pro Bestellung

Lieferzeit: 5 Werktage

Pos.
316
BOSCH Scheibe | Ersatzteile für CM10GD | 1609BP7042
Hersteller: BOSCH
Artikelnummer: EB-3601M27010-1609BP7042
nur Informationsartikel
Nie mehr lieferbar
keine Alternativen
Pos.
317
BOSCH Scheibe | Ersatzteile für CM10GD | 1609B00661
Hersteller: BOSCH
Artikelnummer: EB-3601M27010-1609B00661
Netto: 3,63 € zzgl. MwSt.
zzgl. 6,90 € Versand (brutto)
einmalig pro Bestellung

Lieferzeit: 5 Werktage

Pos.
318
BOSCH Scheibe | Ersatzteile für CM10GD | 1609B00662
Hersteller: BOSCH
Artikelnummer: EB-3601M27010-1609B00662
Netto: 3,94 € zzgl. MwSt.
zzgl. 6,90 € Versand (brutto)
einmalig pro Bestellung

Lieferzeit: 5 Werktage

Pos.
320
BOSCH Scheibe | Ersatzteile für CM10GD | 1609B00664
Hersteller: BOSCH
Artikelnummer: EB-3601M27010-1609B00664
Netto: 3,63 € zzgl. MwSt.
zzgl. 6,90 € Versand (brutto)
einmalig pro Bestellung

Lieferzeit: 5 Werktage

Pos.
321
BOSCH Scheibe | Ersatzteile für CM10GD | 1609B00665
Hersteller: BOSCH
Artikelnummer: EB-3601M27010-1609B00665
Netto: 3,63 € zzgl. MwSt.
zzgl. 6,90 € Versand (brutto)
einmalig pro Bestellung

Lieferzeit: 5 Werktage

Pos.
322
BOSCH Scheibe | Ersatzteile für CM10GD | 1609B00667
Hersteller: BOSCH
Artikelnummer: EB-3601M27010-1609B00667
Netto: 3,63 € zzgl. MwSt.
zzgl. 6,90 € Versand (brutto)
einmalig pro Bestellung

Lieferzeit: 5 Werktage

Pos.
323
BOSCH Scheibe | Ersatzteile für CM10GD | 1609B00669
Hersteller: BOSCH
Artikelnummer: EB-3601M27010-1609B00669
Netto: 3,63 € zzgl. MwSt.
zzgl. 6,90 € Versand (brutto)
einmalig pro Bestellung

Lieferzeit: 5 Werktage

Pos.
324
BOSCH Scheibe | Ersatzteile für CM10GD | 1609B00670
Hersteller: BOSCH
Artikelnummer: EB-3601M27010-1609B00670
Netto: 3,94 € zzgl. MwSt.
zzgl. 6,90 € Versand (brutto)
einmalig pro Bestellung

Lieferzeit: 5 Werktage

Pos.
325
BOSCH Klemmutter | Ersatzteile für CM10GD | 1609B00672
Hersteller: BOSCH
Artikelnummer: EB-3601M27010-1609B00672
Netto: 3,63 € zzgl. MwSt.
zzgl. 6,90 € Versand (brutto)
einmalig pro Bestellung

Lieferzeit: 5 Werktage

Pos.
326
BOSCH Klemmutter | Ersatzteile für CM10GD | 1609B00673
Hersteller: BOSCH
Artikelnummer: EB-3601M27010-1609B00673
Netto: 3,63 € zzgl. MwSt.
zzgl. 6,90 € Versand (brutto)
einmalig pro Bestellung

Lieferzeit: 5 Werktage

Pos.
327
BOSCH Scheibe | Ersatzteile für CM10GD | 1609B00674
Hersteller: BOSCH
Artikelnummer: EB-3601M27010-1609B00674
Netto: 3,63 € zzgl. MwSt.
zzgl. 6,90 € Versand (brutto)
einmalig pro Bestellung

Lieferzeit: 5 Werktage

Pos.
328
BOSCH Vorlegscheibe | Ersatzteile für CM10GD | 1609B02105
Hersteller: BOSCH
Artikelnummer: EB-3601M27010-1609B02105
Netto: 3,63 € zzgl. MwSt.
zzgl. 6,90 € Versand (brutto)
einmalig pro Bestellung

Lieferzeit: 5 Werktage

Pos.
329
BOSCH Schraube | Ersatzteile für CM10GD | 1609B00678
Hersteller: BOSCH
Artikelnummer: EB-3601M27010-1609B00678
Netto: 3,63 € zzgl. MwSt.
zzgl. 6,90 € Versand (brutto)
einmalig pro Bestellung

Lieferzeit: 5 Werktage

Pos.
330
BOSCH Schraube | Ersatzteile für CM10GD | 1609B00680
Hersteller: BOSCH
Artikelnummer: EB-3601M27010-1609B00680
Netto: 3,63 € zzgl. MwSt.
zzgl. 6,90 € Versand (brutto)
einmalig pro Bestellung

Lieferzeit: 5 Werktage

Pos.
331
BOSCH Axiallager | Ersatzteile für CM10GD | 1609B00681
Hersteller: BOSCH
Artikelnummer: EB-3601M27010-1609B00681
Netto: 6,70 € zzgl. MwSt.
zzgl. 6,90 € Versand (brutto)
einmalig pro Bestellung

Lieferzeit: 5 Werktage

Pos.
332
BOSCH Schraube | Ersatzteile für CM10GD | 1609B00682
Hersteller: BOSCH
Artikelnummer: EB-3601M27010-1609B00682
Netto: 3,63 € zzgl. MwSt.
zzgl. 6,90 € Versand (brutto)
einmalig pro Bestellung

Lieferzeit: 5 Werktage

Pos.
333
BOSCH Einstellmutter | Ersatzteile für CM10GD | 1609B04227
Hersteller: BOSCH
Artikelnummer: EB-3601M27010-1609B04227
Netto: 3,63 € zzgl. MwSt.
zzgl. 6,90 € Versand (brutto)
einmalig pro Bestellung

Lieferzeit: 5 Werktage

Pos.
334
BOSCH Gerätefuss | Ersatzteile für CM10GD | 1609B02367
Hersteller: BOSCH
Artikelnummer: EB-3601M27010-1609B02367
Netto: 3,94 € zzgl. MwSt.
zzgl. 6,90 € Versand (brutto)
einmalig pro Bestellung

Lieferzeit: 5 Werktage

Pos.
335
BOSCH Sprengring | Ersatzteile für CM10GD | 1609B00687
Hersteller: BOSCH
Artikelnummer: EB-3601M27010-1609B00687
Netto: 3,63 € zzgl. MwSt.
zzgl. 6,90 € Versand (brutto)
einmalig pro Bestellung

Lieferzeit: 5 Werktage

Pos.
336
BOSCH Scheibe | Ersatzteile für CM10GD | 1609B00688
Hersteller: BOSCH
Artikelnummer: EB-3601M27010-1609B00688
Netto: 3,63 € zzgl. MwSt.
zzgl. 6,90 € Versand (brutto)
einmalig pro Bestellung

Lieferzeit: 5 Werktage

Pos.
337
BOSCH Schraube | Ersatzteile für CM10GD | 1609B00689
Hersteller: BOSCH
Artikelnummer: EB-3601M27010-1609B00689
Netto: 3,94 € zzgl. MwSt.
zzgl. 6,90 € Versand (brutto)
einmalig pro Bestellung

Lieferzeit: 5 Werktage

Pos.
338
BOSCH Bremsblech | Ersatzteile für CM10GD | 2610919073
Hersteller: BOSCH
Artikelnummer: EB-3601M27010-2610919073
Netto: 8,33 € zzgl. MwSt.
zzgl. 6,90 € Versand (brutto)
einmalig pro Bestellung

Lieferzeit: 5 Werktage

Pos.
339
BOSCH Scheibe | Ersatzteile für CM10GD | 2610919281
Hersteller: BOSCH
Artikelnummer: EB-3601M27010-2610919281
Netto: 5,19 € zzgl. MwSt.
zzgl. 6,90 € Versand (brutto)
einmalig pro Bestellung

Lieferzeit: 5 Werktage

Pos.
340
BOSCH Laufrolle | Ersatzteile für CM10GD | 1609BP7124
Hersteller: BOSCH
Artikelnummer: EB-3601M27010-1609BP7124
Netto: 3,94 € zzgl. MwSt.
zzgl. 6,90 € Versand (brutto)
einmalig pro Bestellung

Lieferzeit: 5 Werktage

Pos.
341
BOSCH Fingerwelle | Ersatzteile für CM10GD | 1609B00370
Hersteller: BOSCH
Artikelnummer: EB-3601M27010-1609B00370
Netto: 3,94 € zzgl. MwSt.
zzgl. 6,90 € Versand (brutto)
einmalig pro Bestellung

Lieferzeit: 5 Werktage

Pos.
342
BOSCH Sprengring | Ersatzteile für CM10GD | 1609B00690
Hersteller: BOSCH
Artikelnummer: EB-3601M27010-1609B00690
Netto: 3,63 € zzgl. MwSt.
zzgl. 6,90 € Versand (brutto)
einmalig pro Bestellung

Lieferzeit: 5 Werktage

Pos.
343
BOSCH Mutter | Ersatzteile für CM10GD | 1609B00691
Hersteller: BOSCH
Artikelnummer: EB-3601M27010-1609B00691
Netto: 4,32 € zzgl. MwSt.
zzgl. 6,90 € Versand (brutto)
einmalig pro Bestellung

Lieferzeit: 5 Werktage

Pos.
345
BOSCH Scheibe | Ersatzteile für CM10GD | 1609B00288
Hersteller: BOSCH
Artikelnummer: EB-3601M27010-1609B00288
Netto: 3,63 € zzgl. MwSt.
zzgl. 6,90 € Versand (brutto)
einmalig pro Bestellung

Lieferzeit: 5 Werktage

Pos.
351
BOSCH Spannband | Ersatzteile für CM10GD | 1609B00344
Hersteller: BOSCH
Artikelnummer: EB-3601M27010-1609B00344
Netto: 4,53 € zzgl. MwSt.
zzgl. 6,90 € Versand (brutto)
einmalig pro Bestellung

Lieferzeit: 5 Werktage

Pos.
352
BOSCH Ansatzschraube | Ersatzteile für CM10GD | 1609B00371
Hersteller: BOSCH
Artikelnummer: EB-3601M27010-1609B00371
Netto: 4,82 € zzgl. MwSt.
zzgl. 6,90 € Versand (brutto)
einmalig pro Bestellung

Lieferzeit: 5 Werktage

Pos.
353
BOSCH Klebeschild | Ersatzteile für CM10GD | 1609B00406
Hersteller: BOSCH
Artikelnummer: EB-3601M27010-1609B00406
Netto: 3,94 € zzgl. MwSt.
zzgl. 6,90 € Versand (brutto)
einmalig pro Bestellung

Lieferzeit: 5 Werktage

Pos.
354
BOSCH Scheibe | Ersatzteile für CM10GD | 1609B00676
Hersteller: BOSCH
Artikelnummer: EB-3601M27010-1609B00676
Netto: 3,94 € zzgl. MwSt.
zzgl. 6,90 € Versand (brutto)
einmalig pro Bestellung

Lieferzeit: 5 Werktage

Pos.
356
BOSCH Kabelschutz | Ersatzteile für CM10GD | 1609B04309
Hersteller: BOSCH
Artikelnummer: EB-3601M27010-1609B04309
Netto: 4,32 € zzgl. MwSt.
zzgl. 6,90 € Versand (brutto)
einmalig pro Bestellung

Lieferzeit: 5 Werktage

Pos.
365
BOSCH Einklebeblatt | Ersatzteile für CM10GD | 1609B04388
Hersteller: BOSCH
Artikelnummer: EB-3601M27010-1609B04388
Netto: 3,63 € zzgl. MwSt.
zzgl. 6,90 € Versand (brutto)
einmalig pro Bestellung

Lieferzeit: 5 Werktage

Pos.
366
BOSCH Einklebeblatt | Ersatzteile für CM10GD | 1609B04389
Hersteller: BOSCH
Artikelnummer: EB-3601M27010-1609B04389
Netto: 3,63 € zzgl. MwSt.
zzgl. 6,90 € Versand (brutto)
einmalig pro Bestellung

Lieferzeit: 5 Werktage

Pos.
368
BOSCH Knopf | Ersatzteile für CM10GD | 1609B00861
Hersteller: BOSCH
Artikelnummer: EB-3601M27010-1609B02991
Netto: 3,51 € zzgl. MwSt.
zzgl. 6,90 € Versand (brutto)
einmalig pro Bestellung

Lieferzeit: 5 Werktage

Pos.
399
BOSCH Gehäusedeckel | Ersatzteile für CM10GD | 1609B04278
Hersteller: BOSCH
Artikelnummer: EB-3601M27010-1609B04278
Netto: 8,33 € zzgl. MwSt.
zzgl. 6,90 € Versand (brutto)
einmalig pro Bestellung

Lieferzeit: 5 Werktage

Pos.
420
BOSCH Einklebeblatt | Ersatzteile für CM10GD | 1609B04392
Hersteller: BOSCH
Artikelnummer: EB-3601M27010-1609B04392
nur Informationsartikel
Nie mehr lieferbar
keine Alternativen
Pos.
451
BOSCH Ansatzschraube | Ersatzteile für CM10GD | 1609B04284
Hersteller: BOSCH
Artikelnummer: EB-3601M27010-1609B04284
nur Informationsartikel
Nie mehr lieferbar
keine Alternativen
Pos.
452
BOSCH Hebel | Ersatzteile für CM10GD | 1609B04288
Hersteller: BOSCH
Artikelnummer: EB-3601M27010-1609B04288
nur Informationsartikel
Nie mehr lieferbar
keine Alternativen
Pos.
453
BOSCH Kurvenscheibe | Ersatzteile für CM10GD | 1609B04289
Hersteller: BOSCH
Artikelnummer: EB-3601M27010-1609B04289
nur Informationsartikel
Nie mehr lieferbar
keine Alternativen
Pos.
454
BOSCH Kontaktlasche | Ersatzteile für CM10GD | 1609B04290
Hersteller: BOSCH
Artikelnummer: EB-3601M27010-1609B04290
nur Informationsartikel
Nie mehr lieferbar
keine Alternativen
Pos.
455
BOSCH Kugel | Ersatzteile für CM10GD | 1609B04291
Hersteller: BOSCH
Artikelnummer: EB-3601M27010-1609B04291
nur Informationsartikel
Nie mehr lieferbar
keine Alternativen
Pos.
456
BOSCH Anschlagstift | Ersatzteile für CM10GD | 1609B04292
Hersteller: BOSCH
Artikelnummer: EB-3601M27010-1609B04292
nur Informationsartikel
Nie mehr lieferbar
keine Alternativen
Pos.
457
BOSCH Scheibe | Ersatzteile für CM10GD | 1609B04356
Hersteller: BOSCH
Artikelnummer: EB-3601M27010-1609B04356
Netto: 3,63 € zzgl. MwSt.
zzgl. 6,90 € Versand (brutto)
einmalig pro Bestellung

Lieferzeit: 5 Werktage

Pos.
801
BOSCH Motorgehäuse | Ersatzteile für CM10GD | 1609B02302
Hersteller: BOSCH
Artikelnummer: EB-3601M27010-1609B02302
Netto: 39,11 € zzgl. MwSt.
zzgl. 6,90 € Versand (brutto)
einmalig pro Bestellung

Lieferzeit: 5 Werktage

Pos.
802
BOSCH Rastbolzen | Ersatzteile für CM10GD | 1609B02310
Hersteller: BOSCH
Artikelnummer: EB-3601M27010-1609B02310
Netto: 5,67 € zzgl. MwSt.
zzgl. 6,90 € Versand (brutto)
einmalig pro Bestellung

Lieferzeit: 5 Werktage

Pos.
803
BOSCH Anker 115V | Ersatzteile für CM10GD | 1609B02313
Hersteller: BOSCH
Artikelnummer: EB-3601M27010-1609B02313
Netto: 121,18 € zzgl. MwSt.
zzgl. 6,90 € Versand (brutto)
einmalig pro Bestellung

Lieferzeit: 5 Werktage

Pos.
810
BOSCH Kohlebürstensatz | Ersatzteile für CM10GD | 1609B02314
Hersteller: BOSCH
Artikelnummer: EB-3601M27010-1609B02314
Netto: 7,76 € zzgl. MwSt.
zzgl. 6,90 € Versand (brutto)
einmalig pro Bestellung

Lieferzeit: 5 Werktage

Pos.
827
BOSCH Lager | Ersatzteile für CM10GD | 1609B02316
Hersteller: BOSCH
Artikelnummer: EB-3601M27010-1609B02316
Netto: 14,36 € zzgl. MwSt.
zzgl. 6,90 € Versand (brutto)
einmalig pro Bestellung

Lieferzeit: 5 Werktage

Pos.
828
BOSCH Taste | Ersatzteile für CM10GD | 1609B02311
Hersteller: BOSCH
Artikelnummer: EB-3601M27010-1609B02311
Netto: 4,82 € zzgl. MwSt.
zzgl. 6,90 € Versand (brutto)
einmalig pro Bestellung

Lieferzeit: 5 Werktage

Pos.
831
BOSCH Scharnier | Ersatzteile für CM10GD | 1609B02303
Hersteller: BOSCH
Artikelnummer: EB-3601M27010-1609B02303
Netto: 70,50 € zzgl. MwSt.
zzgl. 6,90 € Versand (brutto)
einmalig pro Bestellung

Lieferzeit: 5 Werktage

Pos.
832
BOSCH Scharnier | Ersatzteile für CM10GD | 1609B02304
Hersteller: BOSCH
Artikelnummer: EB-3601M27010-1609B02304
Netto: 57,47 € zzgl. MwSt.
zzgl. 6,90 € Versand (brutto)
einmalig pro Bestellung

Lieferzeit: 5 Werktage

Pos.
833
BOSCH Scharnier | Ersatzteile für CM10GD | 1609B04282
Hersteller: BOSCH
Artikelnummer: EB-3601M27010-1609B04282
nur Informationsartikel
Nie mehr lieferbar
keine Alternativen
Pos.
834
BOSCH Schraubzwinge | Ersatzteile für CM10GD | 1609B02315
Hersteller: BOSCH
Artikelnummer: EB-3601M27010-1609B02315
Netto: 21,16 € zzgl. MwSt.
zzgl. 6,90 € Versand (brutto)
einmalig pro Bestellung

Lieferzeit: 5 Werktage

Pos.
835
BOSCH Scharnier | Ersatzteile für CM10GD | 1609B02306
Hersteller: BOSCH
Artikelnummer: EB-3601M27010-1609B02306
Netto: 63,99 € zzgl. MwSt.
zzgl. 6,90 € Versand (brutto)
einmalig pro Bestellung

Lieferzeit: 5 Werktage

Pos.
836
BOSCH Getriebekasten | Ersatzteile für CM10GD | 1609B04324
Hersteller: BOSCH
Artikelnummer: EB-3601M27010-1609B04324
Netto: 14,36 € zzgl. MwSt.
zzgl. 6,90 € Versand (brutto)
einmalig pro Bestellung

Lieferzeit: 5 Werktage

Pos.
844
BOSCH Tisch | Ersatzteile für CM10GD | 1609B04341
Hersteller: BOSCH
Artikelnummer: EB-3601M27010-1609B04341
Netto: 169,85 € zzgl. MwSt.
zzgl. 6,90 € Versand (brutto)
einmalig pro Bestellung

Lieferzeit: 5 Werktage

Pos.
845
BOSCH Sockel | Ersatzteile für CM10GD | 1609B04344
Hersteller: BOSCH
Artikelnummer: EB-3601M27010-1609B04344
nur Informationsartikel
Nie mehr lieferbar
keine Alternativen
Pos.
846
BOSCH Arm | Ersatzteile für CM10GD | 1609B04348
Hersteller: BOSCH
Artikelnummer: EB-3601M27010-1609B04348
nur Informationsartikel
Nie mehr lieferbar
keine Alternativen
Pos.
848
BOSCH Schutzdeckel | Ersatzteile für CM10GD | 1609B04350
Hersteller: BOSCH
Artikelnummer: EB-3601M27010-1609B04350
Netto: 24,13 € zzgl. MwSt.
zzgl. 6,90 € Versand (brutto)
einmalig pro Bestellung

Lieferzeit: 5 Werktage

Pos.
849
BOSCH Platte | Ersatzteile für CM10GD | 1609B04323
Hersteller: BOSCH
Artikelnummer: EB-3601M27010-1609B04323
Netto: 6,15 € zzgl. MwSt.
zzgl. 6,90 € Versand (brutto)
einmalig pro Bestellung

Lieferzeit: 5 Werktage

Pos.
885
BOSCH Handgriff | Ersatzteile für CM10GD | 1609B00202
Hersteller: BOSCH
Artikelnummer: EB-3601M27010-1609B00202
Netto: 17,38 € zzgl. MwSt.
zzgl. 6,90 € Versand (brutto)
einmalig pro Bestellung

Lieferzeit: 5 Werktage

Angaben zur Produktsicherheit

Hersteller:
Robert Bosch Power Tools GmbH
Postfach 30 02 20
70442 Stuttgart

E-Mail:
kontakt@bosch.de