BOSCH Schraube | Ersatzteile für CM8S | 1609B00627

Artikelnummer: EB-3601M19111-1609B00627

Position: 202

Marke: BOSCH


Bitte Kompatibilität prüfen!

Bitte prüfen Sie unbedingt die 10-stellige Typennummer Ihrer Maschine / Ihres Gerätes. Das Ersatzteil ist nur kompatibel, wenn Sie die Typennummer Ihrer Maschine in der unten stehenden Produktbeschreibung finden.

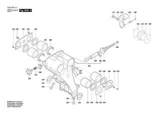
Bitte prüfen Sie ebenfalls detailliert die Explosionszeichnung mit Ihrem Artikelwunsch und der jeweiligen Pos-Nummer.

Alle Elemente, welche vom schwarzen Strich der Pos-Nummer ausgehend berührt / erfasst werden, gehören zu dieser Pos-Nummer und somit zu diesem Artikel. Jede Pos-Nummer ist ein eigenständiger Artikel, welchen Sie in der Auflistung finden.

Sie erhalten stets die aktuellste, neueste Produktversion zu der gewählten Pos-Nummer seitens des Herstellers. Es kann daher je nach Gerätealter vorkommen, dass Sie ggf. weitere, zugehörige Elemente, welche an diese Pos-Nummer grenzen, ebenfalls mittauschen müssen.

Nähere Informationen finden Sie unter dem Link
Hinweise zu Ihrer BOSCH Ersatzteilsuche

Preisübersicht

Einzelpreis: 4,32 €* (Brutto: 5,14 €)
Gesamtpreis: 4,32 €* 
Position:

Lieferzeit: 5 Werktage


Beschreibung

  • Schraube
  • Original Bosch Zubehör / BOSCH Ersatzteil (1609B00627)
  • im Gerät verbaut: 1
Dieses BOSCH Ersatzteil ist mit folgendem Gerät und Modell kompatibel:
  • BOSCH Gerätename: CM8S
  • BOSCH Explosionszeichnung: Position 202
  • BOSCH Typennummer: 3601M19111
  • BOSCH Typennummer alternative Schreibweisen: 3 601 M19 111, 3601 M19 111, 3.601.M19.111, 3-601-M19-111
    Bitte prüfen Sie diese Typennummer auf Ihrem Gerät um die Kompatibilität des BOSCH Ersatzteils zu gewährleisten.
Weitere BOSCH Ersatzteile des Gerätes CM8S (Kapp-/Zugsäge) mit der Typennummer 3601M19111 finden Sie in der nachfolgenden Darstellung und im Dropdown zu Ihrer Auswahl:

Pos.
1
BOSCH Motorgehäuse BLAU | Ersatzteile für CM8S | 1609B04181
Hersteller: BOSCH
Artikelnummer: EB-3601M19111-1609B04181
Netto: 17,38 € zzgl. MwSt.
zzgl. 6,90 € Versand (brutto)
einmalig pro Bestellung

Lieferzeit: 5 Werktage

Pos.
4
BOSCH Ein/Aus-Schalter | Ersatzteile für CM8S | 1609B04011
Hersteller: BOSCH
Artikelnummer: EB-3601M19111-1609B04011
Netto: 12,98 € zzgl. MwSt.
zzgl. 6,90 € Versand (brutto)
einmalig pro Bestellung

Lieferzeit: 5 Werktage

Pos.
5
BOSCH Netzanschlussleitung | Ersatzteile für CM8S | 1609B05255
Hersteller: BOSCH
Artikelnummer: EB-3601M19111-1609B05255
nur Informationsartikel
Nie mehr lieferbar
keine Alternativen
Pos.
6
BOSCH Kabeltülle | Ersatzteile für CM8S | 1609B01533
Hersteller: BOSCH
Artikelnummer: EB-3601M19111-1609B01533
Netto: 3,63 € zzgl. MwSt.
zzgl. 6,90 € Versand (brutto)
einmalig pro Bestellung

Lieferzeit: 5 Werktage

Pos.
7
BOSCH Leitungshalter | Ersatzteile für CM8S | 1619P03808
Hersteller: BOSCH
Artikelnummer: EB-3601M19111-1619P03808
Netto: 3,63 € zzgl. MwSt.
zzgl. 6,90 € Versand (brutto)
einmalig pro Bestellung

Lieferzeit: 5 Werktage

Pos.
13
BOSCH Kugellager | Ersatzteile für CM8S | 1609B04083
Hersteller: BOSCH
Artikelnummer: EB-3601M19111-1609B04083
Netto: 4,53 € zzgl. MwSt.
zzgl. 6,90 € Versand (brutto)
einmalig pro Bestellung

Lieferzeit: 5 Werktage

Pos.
14
BOSCH Lagerlasche | Ersatzteile für CM8S | 1619P06374
Hersteller: BOSCH
Artikelnummer: EB-3601M19111-1619P06374
Netto: 8,33 € zzgl. MwSt.
zzgl. 6,90 € Versand (brutto)
einmalig pro Bestellung

Lieferzeit: 5 Werktage

Pos.
16
BOSCH Bürstenhalter | Ersatzteile für CM8S | 1619P06212
Hersteller: BOSCH
Artikelnummer: EB-3601M19111-1619P06212
Netto: 8,33 € zzgl. MwSt.
zzgl. 6,90 € Versand (brutto)
einmalig pro Bestellung

Lieferzeit: 5 Werktage

Pos.
19
BOSCH Schraube ECO-SYN St 3,5x16 | Ersatzteile für CM8S | 1609B02357
Hersteller: BOSCH
Artikelnummer: EB-3601M19111-1609B02357
Netto: 3,63 € zzgl. MwSt.
zzgl. 6,90 € Versand (brutto)
einmalig pro Bestellung

Lieferzeit: 5 Werktage

Pos.
22
BOSCH Schraube | Ersatzteile für CM8S | 1609B04117
Hersteller: BOSCH
Artikelnummer: EB-3601M19111-1609B04117
Netto: 3,63 € zzgl. MwSt.
zzgl. 6,90 € Versand (brutto)
einmalig pro Bestellung

Lieferzeit: 5 Werktage

Pos.
24
BOSCH Endkappe | Ersatzteile für CM8S | 1609B04008
Hersteller: BOSCH
Artikelnummer: EB-3601M19111-1609B04008
Netto: 7,30 € zzgl. MwSt.
zzgl. 6,90 € Versand (brutto)
einmalig pro Bestellung

Lieferzeit: 5 Werktage

Pos.
25
BOSCH Spezialschraube | Ersatzteile für CM8S | 1609B00921
Hersteller: BOSCH
Artikelnummer: EB-3601M19111-1609B00921
Netto: 3,63 € zzgl. MwSt.
zzgl. 6,90 € Versand (brutto)
einmalig pro Bestellung

Lieferzeit: 5 Werktage

Pos.
27
BOSCH Winkelstecker | Ersatzteile für CM8S | 1609B05346
Hersteller: BOSCH
Artikelnummer: EB-3601M19111-1609B05346
Netto: 3,63 € zzgl. MwSt.
zzgl. 6,90 € Versand (brutto)
einmalig pro Bestellung

Lieferzeit: 5 Werktage

Pos.
28
BOSCH Druckfeder | Ersatzteile für CM8S | 1619P01642
Hersteller: BOSCH
Artikelnummer: EB-3601M19111-1619P01642
Netto: 3,63 € zzgl. MwSt.
zzgl. 6,90 € Versand (brutto)
einmalig pro Bestellung

Lieferzeit: 5 Werktage

Pos.
29
BOSCH Kappe | Ersatzteile für CM8S | 1609B04070
Hersteller: BOSCH
Artikelnummer: EB-3601M19111-1609B04070
Netto: 3,94 € zzgl. MwSt.
zzgl. 6,90 € Versand (brutto)
einmalig pro Bestellung

Lieferzeit: 5 Werktage

Pos.
30
BOSCH Verschlussscheibe | Ersatzteile für CM8S | 1609B04071
Hersteller: BOSCH
Artikelnummer: EB-3601M19111-1609B04071
Netto: 3,94 € zzgl. MwSt.
zzgl. 6,90 € Versand (brutto)
einmalig pro Bestellung

Lieferzeit: 5 Werktage

Pos.
31
BOSCH Gummiring | Ersatzteile für CM8S | 1609B04072
Hersteller: BOSCH
Artikelnummer: EB-3601M19111-1609B04072
Netto: 3,63 € zzgl. MwSt.
zzgl. 6,90 € Versand (brutto)
einmalig pro Bestellung

Lieferzeit: 5 Werktage

Pos.
32
BOSCH Führungsbügel | Ersatzteile für CM8S | 1609B04073
Hersteller: BOSCH
Artikelnummer: EB-3601M19111-1609B04073
Netto: 6,70 € zzgl. MwSt.
zzgl. 6,90 € Versand (brutto)
einmalig pro Bestellung

Lieferzeit: 5 Werktage

Pos.
33
BOSCH Verschlussmutter | Ersatzteile für CM8S | 1609B04074
Hersteller: BOSCH
Artikelnummer: EB-3601M19111-1609B04074
nur Informationsartikel
Nie mehr lieferbar
keine Alternativen
Pos.
34
BOSCH Umlenkblech | Ersatzteile für CM8S | 1609B04075
Hersteller: BOSCH
Artikelnummer: EB-3601M19111-1609B04075
nur Informationsartikel
Nie mehr lieferbar
keine Alternativen
Pos.
35
BOSCH Abdeckung | Ersatzteile für CM8S | 1609B04200
Hersteller: BOSCH
Artikelnummer: EB-3601M19111-1609B04200
Netto: 3,63 € zzgl. MwSt.
zzgl. 6,90 € Versand (brutto)
einmalig pro Bestellung

Lieferzeit: 5 Werktage

Pos.
36
BOSCH Abdeckung | Ersatzteile für CM8S | 1609B04202
Hersteller: BOSCH
Artikelnummer: EB-3601M19111-1609B04202
Netto: 3,63 € zzgl. MwSt.
zzgl. 6,90 € Versand (brutto)
einmalig pro Bestellung

Lieferzeit: 5 Werktage

Pos.
37
BOSCH Schraube | Ersatzteile für CM8S | 1609B04208
Hersteller: BOSCH
Artikelnummer: EB-3601M19111-1609B04208
Netto: 3,63 € zzgl. MwSt.
zzgl. 6,90 € Versand (brutto)
einmalig pro Bestellung

Lieferzeit: 5 Werktage

Pos.
38
BOSCH Lagerbuchse | Ersatzteile für CM8S | 1609B00799
Hersteller: BOSCH
Artikelnummer: EB-3601M19111-1609B00799
Netto: 3,94 € zzgl. MwSt.
zzgl. 6,90 € Versand (brutto)
einmalig pro Bestellung

Lieferzeit: 5 Werktage

Pos.
39
BOSCH Geräteclip | Ersatzteile für CM8S | 1609B05329
Hersteller: BOSCH
Artikelnummer: EB-3601M19111-1609B05329
nur Informationsartikel
Nie mehr lieferbar
keine Alternativen
Pos.
43
BOSCH Gehrungslineal | Ersatzteile für CM8S | 1609B01892
Hersteller: BOSCH
Artikelnummer: EB-3601M19111-1609B01892
Netto: 19,18 € zzgl. MwSt.
zzgl. 6,90 € Versand (brutto)
einmalig pro Bestellung

Lieferzeit: 5 Werktage

Pos.
44
BOSCH Gehrungslineal | Ersatzteile für CM8S | 1609B04182
Hersteller: BOSCH
Artikelnummer: EB-3601M19111-1609B04182
Netto: 15,75 € zzgl. MwSt.
zzgl. 6,90 € Versand (brutto)
einmalig pro Bestellung

Lieferzeit: 5 Werktage

Pos.
45
BOSCH Gehrungslineal | Ersatzteile für CM8S | 1609B04185
Hersteller: BOSCH
Artikelnummer: EB-3601M19111-1609B04185
Netto: 14,36 € zzgl. MwSt.
zzgl. 6,90 € Versand (brutto)
einmalig pro Bestellung

Lieferzeit: 5 Werktage

Pos.
49
BOSCH Arm | Ersatzteile für CM8S | 1609B04015
Hersteller: BOSCH
Artikelnummer: EB-3601M19111-1609B04015
Netto: 52,14 € zzgl. MwSt.
zzgl. 6,90 € Versand (brutto)
einmalig pro Bestellung

Lieferzeit: 5 Werktage

Pos.
51
BOSCH Endkappe | Ersatzteile für CM8S | 1609B03746
Hersteller: BOSCH
Artikelnummer: EB-3601M19111-1609B03746
Netto: 7,30 € zzgl. MwSt.
zzgl. 6,90 € Versand (brutto)
einmalig pro Bestellung

Lieferzeit: 5 Werktage

Pos.
52
BOSCH Schaltergriff | Ersatzteile für CM8S | 1609B04090
Hersteller: BOSCH
Artikelnummer: EB-3601M19111-1609B04090
nur Informationsartikel
Nie mehr lieferbar
keine Alternativen
Pos.
53
BOSCH Kabelkasten | Ersatzteile für CM8S | 1609B04106
Hersteller: BOSCH
Artikelnummer: EB-3601M19111-1609B04106
nur Informationsartikel
Nie mehr lieferbar
keine Alternativen
Pos.
56
BOSCH Warnschild | Ersatzteile für CM8S | 1609B00708
Hersteller: BOSCH
Artikelnummer: EB-3601M19111-1609B00708
Netto: 3,63 € zzgl. MwSt.
zzgl. 6,90 € Versand (brutto)
einmalig pro Bestellung

Lieferzeit: 5 Werktage

Pos.
57
BOSCH Arretierblech | Ersatzteile für CM8S | 1609B03704
Hersteller: BOSCH
Artikelnummer: EB-3601M19111-1609B03704
Netto: 7,76 € zzgl. MwSt.
zzgl. 6,90 € Versand (brutto)
einmalig pro Bestellung

Lieferzeit: 5 Werktage

Pos.
59
BOSCH Kordelschraube | Ersatzteile für CM8S | 1609B05382
Hersteller: BOSCH
Artikelnummer: EB-3601M19111-1609B05382
nur Informationsartikel
Nie mehr lieferbar
keine Alternativen
Pos.
60
BOSCH Schraube | Ersatzteile für CM8S | 1609B03711
Hersteller: BOSCH
Artikelnummer: EB-3601M19111-1609B03711
Netto: 3,63 € zzgl. MwSt.
zzgl. 6,90 € Versand (brutto)
einmalig pro Bestellung

Lieferzeit: 5 Werktage

Pos.
62
BOSCH Zeiger | Ersatzteile für CM8S | 1609B00717
Hersteller: BOSCH
Artikelnummer: EB-3601M19111-1609B00717
Netto: 3,63 € zzgl. MwSt.
zzgl. 6,90 € Versand (brutto)
einmalig pro Bestellung

Lieferzeit: 5 Werktage

Pos.
63
BOSCH Verschleissplatte | Ersatzteile für CM8S | 1609B03714
Hersteller: BOSCH
Artikelnummer: EB-3601M19111-1609B03714
Netto: 5,67 € zzgl. MwSt.
zzgl. 6,90 € Versand (brutto)
einmalig pro Bestellung

Lieferzeit: 5 Werktage

Pos.
65
BOSCH Sperrhebel | Ersatzteile für CM8S | 1609B00232
Hersteller: BOSCH
Artikelnummer: EB-3601M19111-1609B00232
Netto: 3,94 € zzgl. MwSt.
zzgl. 6,90 € Versand (brutto)
einmalig pro Bestellung

Lieferzeit: 5 Werktage

Pos.
66
BOSCH Sperrhebel | Ersatzteile für CM8S | 1609B00233
Hersteller: BOSCH
Artikelnummer: EB-3601M19111-1609B00233
Netto: 3,63 € zzgl. MwSt.
zzgl. 6,90 € Versand (brutto)
einmalig pro Bestellung

Lieferzeit: 5 Werktage

Pos.
67
BOSCH Ansatzschraube | Ersatzteile für CM8S | 1609B00236
Hersteller: BOSCH
Artikelnummer: EB-3601M19111-1609B00236
Netto: 3,94 € zzgl. MwSt.
zzgl. 6,90 € Versand (brutto)
einmalig pro Bestellung

Lieferzeit: 5 Werktage

Pos.
68
BOSCH Druckfeder | Ersatzteile für CM8S | 1609B00237
Hersteller: BOSCH
Artikelnummer: EB-3601M19111-1609B00237
Netto: 3,63 € zzgl. MwSt.
zzgl. 6,90 € Versand (brutto)
einmalig pro Bestellung

Lieferzeit: 5 Werktage

Pos.
69
BOSCH Ansatzschraube | Ersatzteile für CM8S | 1609B00238
Hersteller: BOSCH
Artikelnummer: EB-3601M19111-1609B00238
Netto: 3,94 € zzgl. MwSt.
zzgl. 6,90 € Versand (brutto)
einmalig pro Bestellung

Lieferzeit: 5 Werktage

Pos.
70
BOSCH Feststellschraube | Ersatzteile für CM8S | 1609B01435
Hersteller: BOSCH
Artikelnummer: EB-3601M19111-1609B01435
Netto: 3,94 € zzgl. MwSt.
zzgl. 6,90 € Versand (brutto)
einmalig pro Bestellung

Lieferzeit: 5 Werktage

Pos.
71
BOSCH Feststellschraube | Ersatzteile für CM8S | 1609B01436
Hersteller: BOSCH
Artikelnummer: EB-3601M19111-1609B01436
Netto: 3,94 € zzgl. MwSt.
zzgl. 6,90 € Versand (brutto)
einmalig pro Bestellung

Lieferzeit: 5 Werktage

Pos.
72
BOSCH Bolzen | Ersatzteile für CM8S | 1609B05203
Hersteller: BOSCH
Artikelnummer: EB-3601M19111-1609B05203
Netto: 3,63 € zzgl. MwSt.
zzgl. 6,90 € Versand (brutto)
einmalig pro Bestellung

Lieferzeit: 5 Werktage

Pos.
73
BOSCH Scheibe | Ersatzteile für CM8S | 1609B00670
Hersteller: BOSCH
Artikelnummer: EB-3601M19111-1609B00670
Netto: 3,94 € zzgl. MwSt.
zzgl. 6,90 € Versand (brutto)
einmalig pro Bestellung

Lieferzeit: 5 Werktage

Pos.
74
BOSCH Klemmutter | Ersatzteile für CM8S | 1609B00704
Hersteller: BOSCH
Artikelnummer: EB-3601M19111-1609B00704
Netto: 3,63 € zzgl. MwSt.
zzgl. 6,90 € Versand (brutto)
einmalig pro Bestellung

Lieferzeit: 5 Werktage

Pos.
75
BOSCH Spezialschraube | Ersatzteile für CM8S | 1609B04067
Hersteller: BOSCH
Artikelnummer: EB-3601M19111-1609B04067
Netto: 3,63 € zzgl. MwSt.
zzgl. 6,90 € Versand (brutto)
einmalig pro Bestellung

Lieferzeit: 5 Werktage

Pos.
76
BOSCH Spezialmutter | Ersatzteile für CM8S | 1609B04069
Hersteller: BOSCH
Artikelnummer: EB-3601M19111-1609B04069
nur Informationsartikel
Nie mehr lieferbar
keine Alternativen
Pos.
77
BOSCH Gummibuchse | Ersatzteile für CM8S | 1609B00705
Hersteller: BOSCH
Artikelnummer: EB-3601M19111-1609B00705
Netto: 3,63 € zzgl. MwSt.
zzgl. 6,90 € Versand (brutto)
einmalig pro Bestellung

Lieferzeit: 5 Werktage

Pos.
78
BOSCH Schraube | Ersatzteile für CM8S | 1609B03722
Hersteller: BOSCH
Artikelnummer: EB-3601M19111-1609B03722
Netto: 3,63 € zzgl. MwSt.
zzgl. 6,90 € Versand (brutto)
einmalig pro Bestellung

Lieferzeit: 5 Werktage

Pos.
79
BOSCH Scheibe | Ersatzteile für CM8S | 1609B00669
Hersteller: BOSCH
Artikelnummer: EB-3601M19111-1609B00669
Netto: 3,63 € zzgl. MwSt.
zzgl. 6,90 € Versand (brutto)
einmalig pro Bestellung

Lieferzeit: 5 Werktage

Pos.
80
BOSCH Gummiring | Ersatzteile für CM8S | 1609BP7098
Hersteller: BOSCH
Artikelnummer: EB-3601M19111-1609BP7098
Netto: 3,63 € zzgl. MwSt.
zzgl. 6,90 € Versand (brutto)
einmalig pro Bestellung

Lieferzeit: 5 Werktage

Pos.
81
BOSCH Innensechskantschlüssel | Ersatzteile für CM8S | 1609BP7026
Hersteller: BOSCH
Artikelnummer: EB-3601M19111-1609BP7026
Netto: 4,82 € zzgl. MwSt.
zzgl. 6,90 € Versand (brutto)
einmalig pro Bestellung

Lieferzeit: 5 Werktage

Pos.
83
BOSCH Endklipp | Ersatzteile für CM8S | 1609B01992
Hersteller: BOSCH
Artikelnummer: EB-3601M19111-1609B01992
Netto: 3,63 € zzgl. MwSt.
zzgl. 6,90 € Versand (brutto)
einmalig pro Bestellung

Lieferzeit: 5 Werktage

Pos.
84
BOSCH Auflageplatte | Ersatzteile für CM8S | 1609B03717
Hersteller: BOSCH
Artikelnummer: EB-3601M19111-1609B03717
Netto: 7,30 € zzgl. MwSt.
zzgl. 6,90 € Versand (brutto)
einmalig pro Bestellung

Lieferzeit: 5 Werktage

Pos.
85
BOSCH Staubschale | Ersatzteile für CM8S | 1609B03718
Hersteller: BOSCH
Artikelnummer: EB-3601M19111-1609B03718
Netto: 4,53 € zzgl. MwSt.
zzgl. 6,90 € Versand (brutto)
einmalig pro Bestellung

Lieferzeit: 5 Werktage

Pos.
86
BOSCH Stange | Ersatzteile für CM8S | 1609B04080
Hersteller: BOSCH
Artikelnummer: EB-3601M19111-1609B04080
Netto: 6,70 € zzgl. MwSt.
zzgl. 6,90 € Versand (brutto)
einmalig pro Bestellung

Lieferzeit: 5 Werktage

Pos.
87
BOSCH Knopf | Ersatzteile für CM8S | 1609B04079
Hersteller: BOSCH
Artikelnummer: EB-3601M19111-1609B04079
Netto: 7,76 € zzgl. MwSt.
zzgl. 6,90 € Versand (brutto)
einmalig pro Bestellung

Lieferzeit: 5 Werktage

Pos.
89
BOSCH Druckfeder | Ersatzteile für CM8S | 1609B03721
Hersteller: BOSCH
Artikelnummer: EB-3601M19111-1609B03721
Netto: 3,63 € zzgl. MwSt.
zzgl. 6,90 € Versand (brutto)
einmalig pro Bestellung

Lieferzeit: 5 Werktage

Pos.
93
BOSCH Kontaktlasche | Ersatzteile für CM8S | 1609BP7341
Hersteller: BOSCH
Artikelnummer: EB-3601M19111-1609BP7341
Netto: 3,63 € zzgl. MwSt.
zzgl. 6,90 € Versand (brutto)
einmalig pro Bestellung

Lieferzeit: 5 Werktage

Pos.
94
BOSCH Gerätefuss | Ersatzteile für CM8S | 1609B03727
Hersteller: BOSCH
Artikelnummer: EB-3601M19111-1609B03727
Netto: 4,32 € zzgl. MwSt.
zzgl. 6,90 € Versand (brutto)
einmalig pro Bestellung

Lieferzeit: 5 Werktage

Pos.
95
BOSCH Verschleissplatte | Ersatzteile für CM8S | 1609B03729
Hersteller: BOSCH
Artikelnummer: EB-3601M19111-1609B03729
Netto: 3,63 € zzgl. MwSt.
zzgl. 6,90 € Versand (brutto)
einmalig pro Bestellung

Lieferzeit: 5 Werktage

Pos.
96
BOSCH Lagerwelle | Ersatzteile für CM8S | 1609B04108
Hersteller: BOSCH
Artikelnummer: EB-3601M19111-1609B04108
Netto: 5,67 € zzgl. MwSt.
zzgl. 6,90 € Versand (brutto)
einmalig pro Bestellung

Lieferzeit: 5 Werktage

Pos.
97
BOSCH Schraube | Ersatzteile für CM8S | 1609B04086
Hersteller: BOSCH
Artikelnummer: EB-3601M19111-1609B04086
Netto: 4,32 € zzgl. MwSt.
zzgl. 6,90 € Versand (brutto)
einmalig pro Bestellung

Lieferzeit: 5 Werktage

Pos.
98
BOSCH Schraube | Ersatzteile für CM8S | 1609B03723
Hersteller: BOSCH
Artikelnummer: EB-3601M19111-1609B03723
Netto: 3,63 € zzgl. MwSt.
zzgl. 6,90 € Versand (brutto)
einmalig pro Bestellung

Lieferzeit: 5 Werktage

Pos.
99
BOSCH Unterlegscheibe | Ersatzteile für CM8S | 1609B01324
Hersteller: BOSCH
Artikelnummer: EB-3601M19111-1609B01324
Netto: 3,63 € zzgl. MwSt.
zzgl. 6,90 € Versand (brutto)
einmalig pro Bestellung

Lieferzeit: 5 Werktage

Pos.
100
BOSCH Mutter | Ersatzteile für CM8S | 1609B01949
Hersteller: BOSCH
Artikelnummer: EB-3601M19111-1609B01949
Netto: 3,63 € zzgl. MwSt.
zzgl. 6,90 € Versand (brutto)
einmalig pro Bestellung

Lieferzeit: 5 Werktage

Pos.
101
BOSCH Schulterschraube | Ersatzteile für CM8S | 1609B01462
Hersteller: BOSCH
Artikelnummer: EB-3601M19111-1609B01462
Netto: 3,63 € zzgl. MwSt.
zzgl. 6,90 € Versand (brutto)
einmalig pro Bestellung

Lieferzeit: 5 Werktage

Pos.
102
BOSCH Schulterschraube | Ersatzteile für CM8S | 1609B01463
Hersteller: BOSCH
Artikelnummer: EB-3601M19111-1609B01463
Netto: 3,63 € zzgl. MwSt.
zzgl. 6,90 € Versand (brutto)
einmalig pro Bestellung

Lieferzeit: 5 Werktage

Pos.
103
BOSCH Gleitbacke | Ersatzteile für CM8S | 1609B01464
Hersteller: BOSCH
Artikelnummer: EB-3601M19111-1609B01464
Netto: 3,63 € zzgl. MwSt.
zzgl. 6,90 € Versand (brutto)
einmalig pro Bestellung

Lieferzeit: 5 Werktage

Pos.
104
BOSCH Druckfeder | Ersatzteile für CM8S | 1609B01479
Hersteller: BOSCH
Artikelnummer: EB-3601M19111-1609B01479
Netto: 3,63 € zzgl. MwSt.
zzgl. 6,90 € Versand (brutto)
einmalig pro Bestellung

Lieferzeit: 5 Werktage

Pos.
105
BOSCH Gewindestift | Ersatzteile für CM8S | 1609BP7143
Hersteller: BOSCH
Artikelnummer: EB-3601M19111-1609BP7143
Netto: 3,63 € zzgl. MwSt.
zzgl. 6,90 € Versand (brutto)
einmalig pro Bestellung

Lieferzeit: 5 Werktage

Pos.
106
BOSCH Schraube | Ersatzteile für CM8S | 1609B01388
Hersteller: BOSCH
Artikelnummer: EB-3601M19111-1609B01388
Netto: 3,63 € zzgl. MwSt.
zzgl. 6,90 € Versand (brutto)
einmalig pro Bestellung

Lieferzeit: 5 Werktage

Pos.
107
BOSCH Raste | Ersatzteile für CM8S | 1609B03760
Hersteller: BOSCH
Artikelnummer: EB-3601M19111-1609B03760
Netto: 9,95 € zzgl. MwSt.
zzgl. 6,90 € Versand (brutto)
einmalig pro Bestellung

Lieferzeit: 5 Werktage

Pos.
108
BOSCH Schalthebel | Ersatzteile für CM8S | 1609B03733
Hersteller: BOSCH
Artikelnummer: EB-3601M19111-1609B03733
Netto: 5,67 € zzgl. MwSt.
zzgl. 6,90 € Versand (brutto)
einmalig pro Bestellung

Lieferzeit: 5 Werktage

Pos.
109
BOSCH Welle | Ersatzteile für CM8S | 1609B03734
Hersteller: BOSCH
Artikelnummer: EB-3601M19111-1609B03734
Netto: 12,98 € zzgl. MwSt.
zzgl. 6,90 € Versand (brutto)
einmalig pro Bestellung

Lieferzeit: 5 Werktage

Pos.
110
BOSCH Raste | Ersatzteile für CM8S | 1609B03737
Hersteller: BOSCH
Artikelnummer: EB-3601M19111-1609B03737
Netto: 3,94 € zzgl. MwSt.
zzgl. 6,90 € Versand (brutto)
einmalig pro Bestellung

Lieferzeit: 5 Werktage

Pos.
111
BOSCH Vorlegscheibe | Ersatzteile für CM8S | 1609B01668
Hersteller: BOSCH
Artikelnummer: EB-3601M19111-1609B01668
Netto: 3,63 € zzgl. MwSt.
zzgl. 6,90 € Versand (brutto)
einmalig pro Bestellung

Lieferzeit: 5 Werktage

Pos.
112
BOSCH Scheibe | Ersatzteile für CM8S | 1609B00675
Hersteller: BOSCH
Artikelnummer: EB-3601M19111-1609B00675
Netto: 3,63 € zzgl. MwSt.
zzgl. 6,90 € Versand (brutto)
einmalig pro Bestellung

Lieferzeit: 5 Werktage

Pos.
113
BOSCH Rastelement | Ersatzteile für CM8S | 1609B03738
Hersteller: BOSCH
Artikelnummer: EB-3601M19111-1609B03738
Netto: 10,92 € zzgl. MwSt.
zzgl. 6,90 € Versand (brutto)
einmalig pro Bestellung

Lieferzeit: 5 Werktage

Pos.
114
BOSCH Anschlagplatte | Ersatzteile für CM8S | 1609B03739
Hersteller: BOSCH
Artikelnummer: EB-3601M19111-1609B03739
Netto: 3,63 € zzgl. MwSt.
zzgl. 6,90 € Versand (brutto)
einmalig pro Bestellung

Lieferzeit: 5 Werktage

Pos.
115
BOSCH Blattfeder | Ersatzteile für CM8S | 1609B05370
Hersteller: BOSCH
Artikelnummer: EB-3601M19111-1609B05370
nur Informationsartikel
Nie mehr lieferbar
keine Alternativen
Pos.
116
BOSCH Schloss-Türschild | Ersatzteile für CM8S | 1609B03741
Hersteller: BOSCH
Artikelnummer: EB-3601M19111-1609B03741
Netto: 4,53 € zzgl. MwSt.
zzgl. 6,90 € Versand (brutto)
einmalig pro Bestellung

Lieferzeit: 5 Werktage

Pos.
117
BOSCH Verstellbolzen | Ersatzteile für CM8S | 1609B03742
Hersteller: BOSCH
Artikelnummer: EB-3601M19111-1609B03742
Netto: 3,63 € zzgl. MwSt.
zzgl. 6,90 € Versand (brutto)
einmalig pro Bestellung

Lieferzeit: 5 Werktage

Pos.
118
BOSCH Verschleissplatte | Ersatzteile für CM8S | 1609B04134
Hersteller: BOSCH
Artikelnummer: EB-3601M19111-1609B04134
Netto: 3,63 € zzgl. MwSt.
zzgl. 6,90 € Versand (brutto)
einmalig pro Bestellung

Lieferzeit: 5 Werktage

Pos.
119
BOSCH Zeiger | Ersatzteile für CM8S | 1609B03758
Hersteller: BOSCH
Artikelnummer: EB-3601M19111-1609B03758
Netto: 3,94 € zzgl. MwSt.
zzgl. 6,90 € Versand (brutto)
einmalig pro Bestellung

Lieferzeit: 5 Werktage

Pos.
122
BOSCH Innensechskantschraube | Ersatzteile für CM8S | 1609B03749
Hersteller: BOSCH
Artikelnummer: EB-3601M19111-1609B03749
Netto: 3,63 € zzgl. MwSt.
zzgl. 6,90 € Versand (brutto)
einmalig pro Bestellung

Lieferzeit: 5 Werktage

Pos.
123
BOSCH Kontaktlasche | Ersatzteile für CM8S | 1609BP7343
Hersteller: BOSCH
Artikelnummer: EB-3601M19111-1609BP7343
Netto: 3,63 € zzgl. MwSt.
zzgl. 6,90 € Versand (brutto)
einmalig pro Bestellung

Lieferzeit: 5 Werktage

Pos.
124
BOSCH Knopf | Ersatzteile für CM8S | 1609B03755
Hersteller: BOSCH
Artikelnummer: EB-3601M19111-1609B03755
Netto: 3,94 € zzgl. MwSt.
zzgl. 6,90 € Versand (brutto)
einmalig pro Bestellung

Lieferzeit: 5 Werktage

Pos.
125
BOSCH Skalenplatte | Ersatzteile für CM8S | 1609B03772
Hersteller: BOSCH
Artikelnummer: EB-3601M19111-1609B03772
Netto: 10,92 € zzgl. MwSt.
zzgl. 6,90 € Versand (brutto)
einmalig pro Bestellung

Lieferzeit: 5 Werktage

Pos.
126
BOSCH Filzring | Ersatzteile für CM8S | 1609B03763
Hersteller: BOSCH
Artikelnummer: EB-3601M19111-1609B03763
Netto: 3,63 € zzgl. MwSt.
zzgl. 6,90 € Versand (brutto)
einmalig pro Bestellung

Lieferzeit: 5 Werktage

Pos.
127
BOSCH Friktionsteller | Ersatzteile für CM8S | 1609B03770
Hersteller: BOSCH
Artikelnummer: EB-3601M19111-1609B03770
Netto: 7,76 € zzgl. MwSt.
zzgl. 6,90 € Versand (brutto)
einmalig pro Bestellung

Lieferzeit: 5 Werktage

Pos.
128
BOSCH Fingerwelle | Ersatzteile für CM8S | 1609B00370
Hersteller: BOSCH
Artikelnummer: EB-3601M19111-1609B00370
Netto: 3,94 € zzgl. MwSt.
zzgl. 6,90 € Versand (brutto)
einmalig pro Bestellung

Lieferzeit: 5 Werktage

Pos.
129
BOSCH Sprengring | Ersatzteile für CM8S | 1609B00690
Hersteller: BOSCH
Artikelnummer: EB-3601M19111-1609B00690
Netto: 3,63 € zzgl. MwSt.
zzgl. 6,90 € Versand (brutto)
einmalig pro Bestellung

Lieferzeit: 5 Werktage

Pos.
130
BOSCH Friktionsteller | Ersatzteile für CM8S | 1609B03773
Hersteller: BOSCH
Artikelnummer: EB-3601M19111-1609B03773
Netto: 7,76 € zzgl. MwSt.
zzgl. 6,90 € Versand (brutto)
einmalig pro Bestellung

Lieferzeit: 5 Werktage

Pos.
131
BOSCH Sechskantmutter | Ersatzteile für CM8S | 1609B01041
Hersteller: BOSCH
Artikelnummer: EB-3601M19111-1609B01041
nur Informationsartikel
Nie mehr lieferbar
keine Alternativen
Pos.
132
BOSCH Anschlagbolzen | Ersatzteile für CM8S | 1609B03776
Hersteller: BOSCH
Artikelnummer: EB-3601M19111-1609B03776
Netto: 3,63 € zzgl. MwSt.
zzgl. 6,90 € Versand (brutto)
einmalig pro Bestellung

Lieferzeit: 5 Werktage

Pos.
133
BOSCH Gelenkbolzen | Ersatzteile für CM8S | 1609B03771
Hersteller: BOSCH
Artikelnummer: EB-3601M19111-1609B03771
Netto: 7,30 € zzgl. MwSt.
zzgl. 6,90 € Versand (brutto)
einmalig pro Bestellung

Lieferzeit: 5 Werktage

Pos.
134
BOSCH Ansatzschraube | Ersatzteile für CM8S | 1609B03779
Hersteller: BOSCH
Artikelnummer: EB-3601M19111-1609B03779
Netto: 3,94 € zzgl. MwSt.
zzgl. 6,90 € Versand (brutto)
einmalig pro Bestellung

Lieferzeit: 5 Werktage

Pos.
136
BOSCH Rastbolzen | Ersatzteile für CM8S | 1609B03767
Hersteller: BOSCH
Artikelnummer: EB-3601M19111-1609B03767
Netto: 4,82 € zzgl. MwSt.
zzgl. 6,90 € Versand (brutto)
einmalig pro Bestellung

Lieferzeit: 5 Werktage

Pos.
137
BOSCH Geräteclip | Ersatzteile für CM8S | 1609B03757
Hersteller: BOSCH
Artikelnummer: EB-3601M19111-1609B03757
Netto: 3,94 € zzgl. MwSt.
zzgl. 6,90 € Versand (brutto)
einmalig pro Bestellung

Lieferzeit: 5 Werktage

Pos.
138
BOSCH O-Ring | Ersatzteile für CM8S | 1609B00601
Hersteller: BOSCH
Artikelnummer: EB-3601M19111-1609B00601
Netto: 3,94 € zzgl. MwSt.
zzgl. 6,90 € Versand (brutto)
einmalig pro Bestellung

Lieferzeit: 5 Werktage

Pos.
140
BOSCH Griffschale | Ersatzteile für CM8S | 1609B03745
Hersteller: BOSCH
Artikelnummer: EB-3601M19111-1609B03745
Netto: 4,82 € zzgl. MwSt.
zzgl. 6,90 € Versand (brutto)
einmalig pro Bestellung

Lieferzeit: 5 Werktage

Pos.
141
BOSCH Traggriff | Ersatzteile für CM8S | 1609B03747
Hersteller: BOSCH
Artikelnummer: EB-3601M19111-1609B03747
Netto: 9,95 € zzgl. MwSt.
zzgl. 6,90 € Versand (brutto)
einmalig pro Bestellung

Lieferzeit: 5 Werktage

Pos.
142
BOSCH Blechschraube | Ersatzteile für CM8S | 1609B03768
Hersteller: BOSCH
Artikelnummer: EB-3601M19111-1609B03768
Netto: 3,63 € zzgl. MwSt.
zzgl. 6,90 € Versand (brutto)
einmalig pro Bestellung

Lieferzeit: 5 Werktage

Pos.
143
BOSCH Verschiebeanschlag | Ersatzteile für CM8S | 1609B03753
Hersteller: BOSCH
Artikelnummer: EB-3601M19111-1609B03753
Netto: 3,94 € zzgl. MwSt.
zzgl. 6,90 € Versand (brutto)
einmalig pro Bestellung

Lieferzeit: 5 Werktage

Pos.
144
BOSCH Spezialmutter | Ersatzteile für CM8S | 1609B03752
Hersteller: BOSCH
Artikelnummer: EB-3601M19111-1609B03752
Netto: 5,19 € zzgl. MwSt.
zzgl. 6,90 € Versand (brutto)
einmalig pro Bestellung

Lieferzeit: 5 Werktage

Pos.
145
BOSCH Federscheibe | Ersatzteile für CM8S | 1609B00660
Hersteller: BOSCH
Artikelnummer: EB-3601M19111-1609B00660
Netto: 3,63 € zzgl. MwSt.
zzgl. 6,90 € Versand (brutto)
einmalig pro Bestellung

Lieferzeit: 5 Werktage

Pos.
147
BOSCH Ansatzschraube | Ersatzteile für CM8S | 1609B03795
Hersteller: BOSCH
Artikelnummer: EB-3601M19111-1609B03795
nur Informationsartikel
Nie mehr lieferbar
keine Alternativen
Pos.
148
BOSCH Knopf ROT | Ersatzteile für CM8S | 1609B00382
Hersteller: BOSCH
Artikelnummer: EB-3601M19111-1609B00382
Netto: 6,15 € zzgl. MwSt.
zzgl. 6,90 € Versand (brutto)
einmalig pro Bestellung

Lieferzeit: 5 Werktage

Pos.
149
BOSCH Druckfeder | Ersatzteile für CM8S | 1609B00417
Hersteller: BOSCH
Artikelnummer: EB-3601M19111-1609B00417
Netto: 3,63 € zzgl. MwSt.
zzgl. 6,90 € Versand (brutto)
einmalig pro Bestellung

Lieferzeit: 5 Werktage

Pos.
150
BOSCH Rückhalteblech | Ersatzteile für CM8S | 1609B03765
Hersteller: BOSCH
Artikelnummer: EB-3601M19111-1609B03765
Netto: 3,94 € zzgl. MwSt.
zzgl. 6,90 € Versand (brutto)
einmalig pro Bestellung

Lieferzeit: 5 Werktage

Pos.
151
BOSCH Rückhalteblech | Ersatzteile für CM8S | 1609B03766
Hersteller: BOSCH
Artikelnummer: EB-3601M19111-1609B03766
Netto: 3,94 € zzgl. MwSt.
zzgl. 6,90 € Versand (brutto)
einmalig pro Bestellung

Lieferzeit: 5 Werktage

Pos.
152
BOSCH Staubabsaugung | Ersatzteile für CM8S | 1609B03775
Hersteller: BOSCH
Artikelnummer: EB-3601M19111-1609B03775
nur Informationsartikel
Nie mehr lieferbar
keine Alternativen
Pos.
153
BOSCH Gewindestift | Ersatzteile für CM8S | 1609B03777
Hersteller: BOSCH
Artikelnummer: EB-3601M19111-1609B03777
Netto: 3,63 € zzgl. MwSt.
zzgl. 6,90 € Versand (brutto)
einmalig pro Bestellung

Lieferzeit: 5 Werktage

Pos.
154
BOSCH Stützwinkel | Ersatzteile für CM8S | 1609B04204
Hersteller: BOSCH
Artikelnummer: EB-3601M19111-1609B04204
nur Informationsartikel
Nie mehr lieferbar
keine Alternativen
Pos.
155
BOSCH Kabelklemme | Ersatzteile für CM8S | 1609B01512
Hersteller: BOSCH
Artikelnummer: EB-3601M19111-1609B01512
Netto: 3,63 € zzgl. MwSt.
zzgl. 6,90 € Versand (brutto)
einmalig pro Bestellung

Lieferzeit: 5 Werktage

Pos.
156
BOSCH Leitungshalter | Ersatzteile für CM8S | 1609B00339
Hersteller: BOSCH
Artikelnummer: EB-3601M19111-1609B00339
Netto: 4,32 € zzgl. MwSt.
zzgl. 6,90 € Versand (brutto)
einmalig pro Bestellung

Lieferzeit: 5 Werktage

Pos.
157
BOSCH Spannaufnahme | Ersatzteile für CM8S | 1609B05232
Hersteller: BOSCH
Artikelnummer: EB-3601M19111-1609B05232
nur Informationsartikel
Nie mehr lieferbar
keine Alternativen
Pos.
159
BOSCH Klemmstange | Ersatzteile für CM8S | 1609B05236
Hersteller: BOSCH
Artikelnummer: EB-3601M19111-1609B05236
nur Informationsartikel
Nie mehr lieferbar
keine Alternativen
Pos.
160
BOSCH Schraube | Ersatzteile für CM8S | 1609B05268
Hersteller: BOSCH
Artikelnummer: EB-3601M19111-1609B05268
nur Informationsartikel
Nie mehr lieferbar
keine Alternativen
Pos.
161
BOSCH Abdeckplatte | Ersatzteile für CM8S | 1609B04246
Hersteller: BOSCH
Artikelnummer: EB-3601M19111-1609B04246
nur Informationsartikel
Nie mehr lieferbar
keine Alternativen
Pos.
162
BOSCH Schraube | Ersatzteile für CM8S | 1609B00623
Hersteller: BOSCH
Artikelnummer: EB-3601M19111-1609B00623
Netto: 3,63 € zzgl. MwSt.
zzgl. 6,90 € Versand (brutto)
einmalig pro Bestellung

Lieferzeit: 5 Werktage

Pos.
163
BOSCH Gewindeformschraube | Ersatzteile für CM8S | 1609B01168
Hersteller: BOSCH
Artikelnummer: EB-3601M19111-1609B01168
Netto: 3,63 € zzgl. MwSt.
zzgl. 6,90 € Versand (brutto)
einmalig pro Bestellung

Lieferzeit: 5 Werktage

Pos.
164
BOSCH Schraube | Ersatzteile für CM8S | 1609B01690
Hersteller: BOSCH
Artikelnummer: EB-3601M19111-1609B01690
Netto: 3,63 € zzgl. MwSt.
zzgl. 6,90 € Versand (brutto)
einmalig pro Bestellung

Lieferzeit: 5 Werktage

Pos.
167
BOSCH Verschleissplatte | Ersatzteile für CM8S | 1609B01602
Hersteller: BOSCH
Artikelnummer: EB-3601M19111-1609B01602
Netto: 3,63 € zzgl. MwSt.
zzgl. 6,90 € Versand (brutto)
einmalig pro Bestellung

Lieferzeit: 5 Werktage

Pos.
168
BOSCH Schutzunterteil | Ersatzteile für CM8S | 1609B04188
Hersteller: BOSCH
Artikelnummer: EB-3601M19111-1609B04188
Netto: 12,98 € zzgl. MwSt.
zzgl. 6,90 € Versand (brutto)
einmalig pro Bestellung

Lieferzeit: 5 Werktage

Pos.
169
BOSCH Gestänge | Ersatzteile für CM8S | 1609B04001
Hersteller: BOSCH
Artikelnummer: EB-3601M19111-1609B04001
Netto: 10,92 € zzgl. MwSt.
zzgl. 6,90 € Versand (brutto)
einmalig pro Bestellung

Lieferzeit: 5 Werktage

Pos.
170
BOSCH Abdeckung | Ersatzteile für CM8S | 1609B04002
Hersteller: BOSCH
Artikelnummer: EB-3601M19111-1609B04002
Netto: 3,63 € zzgl. MwSt.
zzgl. 6,90 € Versand (brutto)
einmalig pro Bestellung

Lieferzeit: 5 Werktage

Pos.
171
BOSCH Feder | Ersatzteile für CM8S | 1609B04004
Hersteller: BOSCH
Artikelnummer: EB-3601M19111-1609B04004
Netto: 3,94 € zzgl. MwSt.
zzgl. 6,90 € Versand (brutto)
einmalig pro Bestellung

Lieferzeit: 5 Werktage

Pos.
172
BOSCH Schraube | Ersatzteile für CM8S | 1609BP7145
Hersteller: BOSCH
Artikelnummer: EB-3601M19111-1609BP7145
Netto: 3,63 € zzgl. MwSt.
zzgl. 6,90 € Versand (brutto)
einmalig pro Bestellung

Lieferzeit: 5 Werktage

Pos.
174
BOSCH Kugellager | Ersatzteile für CM8S | 1609B04235
Hersteller: BOSCH
Artikelnummer: EB-3601M19111-1609B04235
Netto: 6,15 € zzgl. MwSt.
zzgl. 6,90 € Versand (brutto)
einmalig pro Bestellung

Lieferzeit: 5 Werktage

Pos.
175
BOSCH Blechschraube | Ersatzteile für CM8S | 1609B04010
Hersteller: BOSCH
Artikelnummer: EB-3601M19111-1609B04010
Netto: 3,63 € zzgl. MwSt.
zzgl. 6,90 € Versand (brutto)
einmalig pro Bestellung

Lieferzeit: 5 Werktage

Pos.
178
BOSCH Klemmutter | Ersatzteile für CM8S | 1609B00974
Hersteller: BOSCH
Artikelnummer: EB-3601M19111-1609B00974
nur Informationsartikel
Nie mehr lieferbar
keine Alternativen
Pos.
179
BOSCH Blechschraube | Ersatzteile für CM8S | 1609BP7134
Hersteller: BOSCH
Artikelnummer: EB-3601M19111-1609BP7134
Netto: 3,63 € zzgl. MwSt.
zzgl. 6,90 € Versand (brutto)
einmalig pro Bestellung

Lieferzeit: 5 Werktage

Pos.
180
BOSCH Verschlussplombe | Ersatzteile für CM8S | 1609B04248
Hersteller: BOSCH
Artikelnummer: EB-3601M19111-1609B04248
Netto: 3,94 € zzgl. MwSt.
zzgl. 6,90 € Versand (brutto)
einmalig pro Bestellung

Lieferzeit: 5 Werktage

Pos.
182
BOSCH Gewindestift | Ersatzteile für CM8S | 1609B04205
Hersteller: BOSCH
Artikelnummer: EB-3601M19111-1609B04205
Netto: 3,63 € zzgl. MwSt.
zzgl. 6,90 € Versand (brutto)
einmalig pro Bestellung

Lieferzeit: 5 Werktage

Pos.
184
BOSCH Mutter | Ersatzteile für CM8S | 1609BT4033
Hersteller: BOSCH
Artikelnummer: EB-3601M19111-1609BT4033
Netto: 3,63 € zzgl. MwSt.
zzgl. 6,90 € Versand (brutto)
einmalig pro Bestellung

Lieferzeit: 5 Werktage

Pos.
185
BOSCH Sicherungsring | Ersatzteile für CM8S | 1609BP7068
Hersteller: BOSCH
Artikelnummer: EB-3601M19111-1609BP7068
Netto: 3,94 € zzgl. MwSt.
zzgl. 6,90 € Versand (brutto)
einmalig pro Bestellung

Lieferzeit: 5 Werktage

Pos.
186
BOSCH Scheibe | Ersatzteile für CM8S | 1609BP7050
Hersteller: BOSCH
Artikelnummer: EB-3601M19111-1609BP7050
Netto: 4,53 € zzgl. MwSt.
zzgl. 6,90 € Versand (brutto)
einmalig pro Bestellung

Lieferzeit: 5 Werktage

Pos.
187
BOSCH Kugellager | Ersatzteile für CM8S | 1609B03774
Hersteller: BOSCH
Artikelnummer: EB-3601M19111-1609B03774
Netto: 10,92 € zzgl. MwSt.
zzgl. 6,90 € Versand (brutto)
einmalig pro Bestellung

Lieferzeit: 5 Werktage

Pos.
188
BOSCH Distanzstück | Ersatzteile für CM8S | 1609B03780
Hersteller: BOSCH
Artikelnummer: EB-3601M19111-1609B03780
Netto: 3,63 € zzgl. MwSt.
zzgl. 6,90 € Versand (brutto)
einmalig pro Bestellung

Lieferzeit: 5 Werktage

Pos.
189
BOSCH Gleitlager | Ersatzteile für CM8S | 1600200029
Hersteller: BOSCH
Artikelnummer: EB-3601M19111-1600200029
Netto: 5,19 € zzgl. MwSt.
zzgl. 6,90 € Versand (brutto)
einmalig pro Bestellung

Lieferzeit: 5 Werktage

Pos.
190
BOSCH Abweiser | Ersatzteile für CM8S | 1609B05234
Hersteller: BOSCH
Artikelnummer: EB-3601M19111-1609B05234
nur Informationsartikel
Nie mehr lieferbar
keine Alternativen
Pos.
191
BOSCH Abweiser | Ersatzteile für CM8S | 1609B05235
Hersteller: BOSCH
Artikelnummer: EB-3601M19111-1609B05235
nur Informationsartikel
Nie mehr lieferbar
keine Alternativen
Pos.
192
BOSCH Aufspannflansch | Ersatzteile für CM8S | 1609B04201
Hersteller: BOSCH
Artikelnummer: EB-3601M19111-1609B04201
Netto: 5,67 € zzgl. MwSt.
zzgl. 6,90 € Versand (brutto)
einmalig pro Bestellung

Lieferzeit: 5 Werktage

Pos.
193
BOSCH Aufspannflansch | Ersatzteile für CM8S | 1609B06290
Hersteller: BOSCH
Artikelnummer: EB-3601M19111-1609B06290
Netto: 5,19 € zzgl. MwSt.
zzgl. 6,90 € Versand (brutto)
einmalig pro Bestellung

Lieferzeit: 5 Werktage

Pos.
194
BOSCH Flanschbolzen | Ersatzteile für CM8S | 1609B05364
Hersteller: BOSCH
Artikelnummer: EB-3601M19111-1609B05364
nur Informationsartikel
Nie mehr lieferbar
keine Alternativen
Pos.
195
BOSCH Rad | Ersatzteile für CM8S | 1609B04020
Hersteller: BOSCH
Artikelnummer: EB-3601M19111-1609B04020
Netto: 3,63 € zzgl. MwSt.
zzgl. 6,90 € Versand (brutto)
einmalig pro Bestellung

Lieferzeit: 5 Werktage

Pos.
196
BOSCH Schnellverschluss | Ersatzteile für CM8S | 1609B00458
Hersteller: BOSCH
Artikelnummer: EB-3601M19111-1609B00458
Netto: 3,63 € zzgl. MwSt.
zzgl. 6,90 € Versand (brutto)
einmalig pro Bestellung

Lieferzeit: 5 Werktage

Pos.
200
BOSCH Blechschraube | Ersatzteile für CM8S | 1609B00637
Hersteller: BOSCH
Artikelnummer: EB-3601M19111-1609B00637
Netto: 3,63 € zzgl. MwSt.
zzgl. 6,90 € Versand (brutto)
einmalig pro Bestellung

Lieferzeit: 5 Werktage

Pos.
201
BOSCH Schraube | Ersatzteile für CM8S | 1609B00973
Hersteller: BOSCH
Artikelnummer: EB-3601M19111-1609B00973
Netto: 3,63 € zzgl. MwSt.
zzgl. 6,90 € Versand (brutto)
einmalig pro Bestellung

Lieferzeit: 5 Werktage

Pos.
202
BOSCH Schraube | Ersatzteile für CM8S | 1609B00627
Hersteller: BOSCH
Artikelnummer: EB-3601M19111-1609B00627
Netto: 4,32 € zzgl. MwSt.
zzgl. 6,90 € Versand (brutto)
einmalig pro Bestellung

Lieferzeit: 5 Werktage

Pos.
215
BOSCH Schraube | Ersatzteile für CM8S | 1609B01561
Hersteller: BOSCH
Artikelnummer: EB-3601M19111-1609B01561
Netto: 3,63 € zzgl. MwSt.
zzgl. 6,90 € Versand (brutto)
einmalig pro Bestellung

Lieferzeit: 5 Werktage

Pos.
216
BOSCH Schraube | Ersatzteile für CM8S | 1609B05265
Hersteller: BOSCH
Artikelnummer: EB-3601M19111-1609B05265
nur Informationsartikel
Nie mehr lieferbar
keine Alternativen
Pos.
225
BOSCH Abdeckung | Ersatzteile für CM8S | 1609B04077
Hersteller: BOSCH
Artikelnummer: EB-3601M19111-1609B04077
Netto: 3,94 € zzgl. MwSt.
zzgl. 6,90 € Versand (brutto)
einmalig pro Bestellung

Lieferzeit: 5 Werktage

Pos.
230
BOSCH Warnzettel | Ersatzteile für CM8S | 1609B04192
Hersteller: BOSCH
Artikelnummer: EB-3601M19111-1609B04192
nur Informationsartikel
Nie mehr lieferbar
keine Alternativen
Pos.
231
BOSCH Warnzettel | Ersatzteile für CM8S | 1609B04193
Hersteller: BOSCH
Artikelnummer: EB-3601M19111-1609B04193
nur Informationsartikel
Nie mehr lieferbar
keine Alternativen
Pos.
232
BOSCH Warnzettel | Ersatzteile für CM8S | 1609B04194
Hersteller: BOSCH
Artikelnummer: EB-3601M19111-1609B04194
nur Informationsartikel
Nie mehr lieferbar
keine Alternativen
Pos.
233
BOSCH Warnzettel | Ersatzteile für CM8S | 1609B04195
Hersteller: BOSCH
Artikelnummer: EB-3601M19111-1609B04195
nur Informationsartikel
Nie mehr lieferbar
keine Alternativen
Pos.
234
BOSCH Gummilippe | Ersatzteile für CM8S | 1609B03791
Hersteller: BOSCH
Artikelnummer: EB-3601M19111-1609B03791
Netto: 3,94 € zzgl. MwSt.
zzgl. 6,90 € Versand (brutto)
einmalig pro Bestellung

Lieferzeit: 5 Werktage

Pos.
235
BOSCH Warnzettel | Ersatzteile für CM8S | 1609B05247
Hersteller: BOSCH
Artikelnummer: EB-3601M19111-1609B05247
nur Informationsartikel
Nie mehr lieferbar
keine Alternativen
Pos.
236
BOSCH Gummistreifen | Ersatzteile für CM8S | 1609B04220
Hersteller: BOSCH
Artikelnummer: EB-3601M19111-1609B04220
Netto: 3,94 € zzgl. MwSt.
zzgl. 6,90 € Versand (brutto)
einmalig pro Bestellung

Lieferzeit: 5 Werktage

Pos.
238
BOSCH Gummistreifen | Ersatzteile für CM8S | 1609B04222
Hersteller: BOSCH
Artikelnummer: EB-3601M19111-1609B04222
Netto: 3,94 € zzgl. MwSt.
zzgl. 6,90 € Versand (brutto)
einmalig pro Bestellung

Lieferzeit: 5 Werktage

Pos.
239
BOSCH Warnzettel | Ersatzteile für CM8S | 1609B05246
Hersteller: BOSCH
Artikelnummer: EB-3601M19111-1609B05246
nur Informationsartikel
Nie mehr lieferbar
keine Alternativen
Pos.
240
BOSCH Anschlussklotz | Ersatzteile für CM8S | 1609BP7059
Hersteller: BOSCH
Artikelnummer: EB-3601M19111-1609BP7059
Netto: 3,94 € zzgl. MwSt.
zzgl. 6,90 € Versand (brutto)
einmalig pro Bestellung

Lieferzeit: 5 Werktage

Pos.
241
BOSCH Warnzettel | Ersatzteile für CM8S | 1609B04230
Hersteller: BOSCH
Artikelnummer: EB-3601M19111-1609B04230
nur Informationsartikel
Nie mehr lieferbar
keine Alternativen
Pos.
242
BOSCH Warnzettel | Ersatzteile für CM8S | 1609B05248
Hersteller: BOSCH
Artikelnummer: EB-3601M19111-1609B05248
nur Informationsartikel
Nie mehr lieferbar
keine Alternativen
Pos.
243
BOSCH Schraube | Ersatzteile für CM8S | 1609B00633
Hersteller: BOSCH
Artikelnummer: EB-3601M19111-1609B00633
Netto: 3,63 € zzgl. MwSt.
zzgl. 6,90 € Versand (brutto)
einmalig pro Bestellung

Lieferzeit: 5 Werktage

Pos.
244
BOSCH Mutter | Ersatzteile für CM8S | 1609B00691
Hersteller: BOSCH
Artikelnummer: EB-3601M19111-1609B00691
Netto: 4,32 € zzgl. MwSt.
zzgl. 6,90 € Versand (brutto)
einmalig pro Bestellung

Lieferzeit: 5 Werktage

Pos.
245
BOSCH Unterlegscheibe | Ersatzteile für CM8S | 1609B04225
Hersteller: BOSCH
Artikelnummer: EB-3601M19111-1609B04225
Netto: 3,63 € zzgl. MwSt.
zzgl. 6,90 € Versand (brutto)
einmalig pro Bestellung

Lieferzeit: 5 Werktage

Pos.
246
BOSCH Schulterschraube | Ersatzteile für CM8S | 1609B05201
Hersteller: BOSCH
Artikelnummer: EB-3601M19111-1609B05201
Netto: 3,94 € zzgl. MwSt.
zzgl. 6,90 € Versand (brutto)
einmalig pro Bestellung

Lieferzeit: 5 Werktage

Pos.
247
BOSCH O-Ring | Ersatzteile für CM8S | 1609B04228
Hersteller: BOSCH
Artikelnummer: EB-3601M19111-1609B04228
Netto: 5,67 € zzgl. MwSt.
zzgl. 6,90 € Versand (brutto)
einmalig pro Bestellung

Lieferzeit: 5 Werktage

Pos.
248
BOSCH Kabelband | Ersatzteile für CM8S | 1609B01538
Hersteller: BOSCH
Artikelnummer: EB-3601M19111-1609B01538
Netto: 3,63 € zzgl. MwSt.
zzgl. 6,90 € Versand (brutto)
einmalig pro Bestellung

Lieferzeit: 5 Werktage

Pos.
252
BOSCH Blindabdeckung | Ersatzteile für CM8S | 1609B05298
Hersteller: BOSCH
Artikelnummer: EB-3601M19111-1609B05298
nur Informationsartikel
Nie mehr lieferbar
keine Alternativen
Pos.
261
BOSCH Schraube | Ersatzteile für CM8S | 1609B01665
Hersteller: BOSCH
Artikelnummer: EB-3601M19111-1609B01665
Netto: 3,63 € zzgl. MwSt.
zzgl. 6,90 € Versand (brutto)
einmalig pro Bestellung

Lieferzeit: 5 Werktage

Pos.
262
BOSCH Ansatzschraube | Ersatzteile für CM8S | 1609B04744
Hersteller: BOSCH
Artikelnummer: EB-3601M19111-1609B04744
nur Informationsartikel
Nie mehr lieferbar
keine Alternativen
Pos.
263
BOSCH Elektr Leitung | Ersatzteile für CM8S | 1609B05115
Hersteller: BOSCH
Artikelnummer: EB-3601M19111-1609B05115
Netto: 4,32 € zzgl. MwSt.
zzgl. 6,90 € Versand (brutto)
einmalig pro Bestellung

Lieferzeit: 5 Werktage

Pos.
264
BOSCH Schraube | Ersatzteile für CM8S | 1609B00780
Hersteller: BOSCH
Artikelnummer: EB-3601M19111-1609B00780
Netto: 3,63 € zzgl. MwSt.
zzgl. 6,90 € Versand (brutto)
einmalig pro Bestellung

Lieferzeit: 5 Werktage

Pos.
265
BOSCH Gehrungslineal | Ersatzteile für CM8S | 1609B04184
Hersteller: BOSCH
Artikelnummer: EB-3601M19111-1609B04184
Netto: 15,75 € zzgl. MwSt.
zzgl. 6,90 € Versand (brutto)
einmalig pro Bestellung

Lieferzeit: 5 Werktage

Pos.
652
BOSCH Klemmschelle | Ersatzteile für CM8S | 1609B04224
Hersteller: BOSCH
Artikelnummer: EB-3601M19111-1609B04224
Netto: 15,75 € zzgl. MwSt.
zzgl. 6,90 € Versand (brutto)
einmalig pro Bestellung

Lieferzeit: 5 Werktage

Pos.
653
BOSCH Staubbeutel | Ersatzteile für CM8S | 1609B00840
Hersteller: BOSCH
Artikelnummer: EB-3601M19111-1609B00840
Netto: 7,30 € zzgl. MwSt.
zzgl. 6,90 € Versand (brutto)
einmalig pro Bestellung

Lieferzeit: 5 Werktage

Pos.
802
BOSCH Polschuhbaugruppe 110-115V | Ersatzteile für CM8S | 1609B05347
Hersteller: BOSCH
Artikelnummer: EB-3601M19111-1609B05347
Netto: 39,11 € zzgl. MwSt.
zzgl. 6,90 € Versand (brutto)
einmalig pro Bestellung

Lieferzeit: 5 Werktage

Pos.
803
BOSCH Ankerbaugruppe 110-115V | Ersatzteile für CM8S | 1609B05207
Hersteller: BOSCH
Artikelnummer: EB-3601M19111-1609B05207
Netto: 106,72 € zzgl. MwSt.
zzgl. 6,90 € Versand (brutto)
einmalig pro Bestellung

Lieferzeit: 5 Werktage

Pos.
808
BOSCH Typschild | Ersatzteile für CM8S | 1609BN0270
Hersteller: BOSCH
Artikelnummer: EB-3601M19111-1609BN0270
nur Informationsartikel
Nie mehr lieferbar
keine Alternativen
Pos.
810
BOSCH Kohlebürstensatz | Ersatzteile für CM8S | 1609B03790
Hersteller: BOSCH
Artikelnummer: EB-3601M19111-1609B06661
Netto: 14,08 € zzgl. MwSt.
zzgl. 6,90 € Versand (brutto)
einmalig pro Bestellung

Lieferzeit: 5 Werktage

Pos.
840
BOSCH Montagesockel | Ersatzteile für CM8S | 1609B03744
Hersteller: BOSCH
Artikelnummer: EB-3601M19111-1609B03744
Netto: 52,14 € zzgl. MwSt.
zzgl. 6,90 € Versand (brutto)
einmalig pro Bestellung

Lieferzeit: 5 Werktage

Pos.
841
BOSCH Aufgabetisch | Ersatzteile für CM8S | 1609B04128
Hersteller: BOSCH
Artikelnummer: EB-3601M19111-1609B04128
nur Informationsartikel
Nie mehr lieferbar
keine Alternativen
Pos.
842
BOSCH Aufgabetisch | Ersatzteile für CM8S | 1609B05388
Hersteller: BOSCH
Artikelnummer: EB-3601M19111-1609B05388
nur Informationsartikel
Nie mehr lieferbar
keine Alternativen
Pos.
846
BOSCH Tisch | Ersatzteile für CM8S | 1609B05339
Hersteller: BOSCH
Artikelnummer: EB-3601M19111-1609B05339
Netto: 57,47 € zzgl. MwSt.
zzgl. 6,90 € Versand (brutto)
einmalig pro Bestellung

Lieferzeit: 65 Werktage

Pos.
847
BOSCH Zapfen | Ersatzteile für CM8S | 1609B04123
Hersteller: BOSCH
Artikelnummer: EB-3601M19111-1609B04123
nur Informationsartikel
Nie mehr lieferbar
keine Alternativen
Pos.
848
BOSCH Joch | Ersatzteile für CM8S | 1609B03788
Hersteller: BOSCH
Artikelnummer: EB-3601M19111-1609B03788
Netto: 57,47 € zzgl. MwSt.
zzgl. 6,90 € Versand (brutto)
einmalig pro Bestellung

Lieferzeit: 5 Werktage

Pos.
850
BOSCH Getriebeabdeckung | Ersatzteile für CM8S | 1609B05349
Hersteller: BOSCH
Artikelnummer: EB-3601M19111-1609B05349
Netto: 10,92 € zzgl. MwSt.
zzgl. 6,90 € Versand (brutto)
einmalig pro Bestellung

Lieferzeit: 5 Werktage

Pos.
855
BOSCH Abtriebswelle | Ersatzteile für CM8S | 1609B05256
Hersteller: BOSCH
Artikelnummer: EB-3601M19111-1609B05256
nur Informationsartikel
Nie mehr lieferbar
keine Alternativen
Pos.
866
BOSCH Torsionsfeder | Ersatzteile für CM8S | 1609B04124
Hersteller: BOSCH
Artikelnummer: EB-3601M19111-1609B04124
nur Informationsartikel
Nie mehr lieferbar
keine Alternativen
Pos.
882
BOSCH Anschlussdraht | Ersatzteile für CM8S | 1609B05331
Hersteller: BOSCH
Artikelnummer: EB-3601M19111-1609B05331
nur Informationsartikel
Nie mehr lieferbar
keine Alternativen
Pos.
883
BOSCH Anschlussdraht | Ersatzteile für CM8S | 1609B05258
Hersteller: BOSCH
Artikelnummer: EB-3601M19111-1609B05258
nur Informationsartikel
Nie mehr lieferbar
keine Alternativen
Pos.
884
BOSCH Anschlussdraht | Ersatzteile für CM8S | 1609B04237
Hersteller: BOSCH
Artikelnummer: EB-3601M19111-1609B04237
nur Informationsartikel
Nie mehr lieferbar
keine Alternativen
Pos.
885
BOSCH Anschlussdraht | Ersatzteile für CM8S | 1609B05253
Hersteller: BOSCH
Artikelnummer: EB-3601M19111-1609B05253
nur Informationsartikel
Nie mehr lieferbar
keine Alternativen
Pos.
890
BOSCH Hebel | Ersatzteile für CM8S | 1609B05340
Hersteller: BOSCH
Artikelnummer: EB-3601M19111-1609B05340
Netto: 5,67 € zzgl. MwSt.
zzgl. 6,90 € Versand (brutto)
einmalig pro Bestellung

Lieferzeit: 5 Werktage

Pos.
891
BOSCH Anschlagplatte | Ersatzteile für CM8S | 1609B02365
Hersteller: BOSCH
Artikelnummer: EB-3601M19111-1609B02365
Netto: 3,94 € zzgl. MwSt.
zzgl. 6,90 € Versand (brutto)
einmalig pro Bestellung

Lieferzeit: 5 Werktage

Pos.
892
BOSCH Schraube | Ersatzteile für CM8S | 1609B00263
Hersteller: BOSCH
Artikelnummer: EB-3601M19111-1609B00263
Netto: 4,32 € zzgl. MwSt.
zzgl. 6,90 € Versand (brutto)
einmalig pro Bestellung

Lieferzeit: 5 Werktage

Pos.
893
BOSCH Schraube | Ersatzteile für CM8S | 1609B00678
Hersteller: BOSCH
Artikelnummer: EB-3601M19111-1609B00678
Netto: 3,63 € zzgl. MwSt.
zzgl. 6,90 € Versand (brutto)
einmalig pro Bestellung

Lieferzeit: 5 Werktage

Angaben zur Produktsicherheit

Hersteller:
Robert Bosch Power Tools GmbH
Postfach 30 02 20
70442 Stuttgart

E-Mail:
kontakt@bosch.de