BOSCH Sicherungsmutter 1/2 UNF | Ersatzteile für COMMODORE B14ME | F016L08388

Artikelnummer: EB-F016L80198-F016L08388

Position: 751

Marke: BOSCH


Bitte Kompatibilität prüfen!

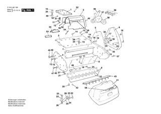
Bitte prüfen Sie unbedingt die 10-stellige Typennummer Ihrer Maschine / Ihres Gerätes. Das Ersatzteil ist nur kompatibel, wenn Sie die Typennummer Ihrer Maschine in der unten stehenden Produktbeschreibung finden.

Bitte prüfen Sie ebenfalls detailliert die Explosionszeichnung mit Ihrem Artikelwunsch und der jeweiligen Pos-Nummer.

Alle Elemente, welche vom schwarzen Strich der Pos-Nummer ausgehend berührt / erfasst werden, gehören zu dieser Pos-Nummer und somit zu diesem Artikel. Jede Pos-Nummer ist ein eigenständiger Artikel, welchen Sie in der Auflistung finden.

Sie erhalten stets die aktuellste, neueste Produktversion zu der gewählten Pos-Nummer seitens des Herstellers. Es kann daher je nach Gerätealter vorkommen, dass Sie ggf. weitere, zugehörige Elemente, welche an diese Pos-Nummer grenzen, ebenfalls mittauschen müssen.

Nähere Informationen finden Sie unter dem Link
Hinweise zu Ihrer BOSCH Ersatzteilsuche

Preisübersicht

Einzelpreis: 3,63 €* (Brutto: 4,32 €)
Gesamtpreis: 3,63 €* 
Position:

Lieferzeit: 5 Werktage


Beschreibung

  • Sicherungsmutter 1/2 UNF
  • Original Bosch Zubehör / BOSCH Ersatzteil (F016L08388)
  • im Gerät verbaut: 1
Dieses BOSCH Ersatzteil ist mit folgendem Gerät und Modell kompatibel:
  • BOSCH Gerätename: COMMODORE B14ME
  • BOSCH Explosionszeichnung: Position 751
  • BOSCH Typennummer: F016L80198
  • BOSCH Typennummer alternative Schreibweisen: F 016 L80 198, F016 L80 198, F.016.L80.198, F-016-L80-198
    Bitte prüfen Sie diese Typennummer auf Ihrem Gerät um die Kompatibilität des BOSCH Ersatzteils zu gewährleisten.
Weitere BOSCH Ersatzteile des Gerätes COMMODORE B14ME (Rasenmäher) mit der Typennummer F016L80198 finden Sie in der nachfolgenden Darstellung und im Dropdown zu Ihrer Auswahl:

Pos.
1
BOSCH Beilegring | Ersatzteile für COMMODORE B14ME | F016101286
Hersteller: BOSCH
Artikelnummer: EB-F016L80198-F016101286
nur Informationsartikel
Nie mehr lieferbar
keine Alternativen
Pos.
2
BOSCH Abdeckblende | Ersatzteile für COMMODORE B14ME | F016101287
Hersteller: BOSCH
Artikelnummer: EB-F016L80198-F016101287
nur Informationsartikel
Nie mehr lieferbar
keine Alternativen
Pos.
3
BOSCH Plattform | Ersatzteile für COMMODORE B14ME | F016101448
Hersteller: BOSCH
Artikelnummer: EB-F016L80198-F016101448
nur Informationsartikel
Nie mehr lieferbar
keine Alternativen
Pos.
4
BOSCH Seitenplatte | Ersatzteile für COMMODORE B14ME | F016101446
Hersteller: BOSCH
Artikelnummer: EB-F016L80198-F016101446
nur Informationsartikel
Nie mehr lieferbar
keine Alternativen
Pos.
5
BOSCH Seitenplatte | Ersatzteile für COMMODORE B14ME | F016101442
Hersteller: BOSCH
Artikelnummer: EB-F016L80198-F016101442
nur Informationsartikel
Nie mehr lieferbar
keine Alternativen
Pos.
6
BOSCH Kettenabdeckung | Ersatzteile für COMMODORE B14ME | F016101053
Hersteller: BOSCH
Artikelnummer: EB-F016L80198-F016101053
nur Informationsartikel
Nie mehr lieferbar
keine Alternativen
Pos.
7
BOSCH Versteifungsblech 14" | Ersatzteile für COMMODORE B14ME | F016101449
Hersteller: BOSCH
Artikelnummer: EB-F016L80198-F016101449
nur Informationsartikel
Nie mehr lieferbar
keine Alternativen
Pos.
8
BOSCH Ablenkplatte 14" | Ersatzteile für COMMODORE B14ME | F016L32354
Hersteller: BOSCH
Artikelnummer: EB-F016L80198-F016L32354
nur Informationsartikel
Nie mehr lieferbar
keine Alternativen
Pos.
9
BOSCH Traggestell | Ersatzteile für COMMODORE B14ME | F016100333
Hersteller: BOSCH
Artikelnummer: EB-F016L80198-F016100333
nur Informationsartikel
Nie mehr lieferbar
keine Alternativen
Pos.
10
BOSCH Untermesser | Ersatzteile für COMMODORE B14ME | F016101012
Hersteller: BOSCH
Artikelnummer: EB-F016L80198-F016101012
Netto: 28,93 € zzgl. MwSt.
zzgl. 6,90 € Versand (brutto)
einmalig pro Bestellung

Lieferzeit: 5 Werktage

Pos.
11
BOSCH Schraube | Ersatzteile für COMMODORE B14ME | F016L20254
Hersteller: BOSCH
Artikelnummer: EB-F016L80198-F016L20254
Netto: 3,60 € zzgl. MwSt.
zzgl. 6,90 € Versand (brutto)
einmalig pro Bestellung

Lieferzeit: 5 Werktage

Pos.
12
BOSCH Scheibe | Ersatzteile für COMMODORE B14ME | F016L09640
Hersteller: BOSCH
Artikelnummer: EB-F016L80198-F016L09640
nur Informationsartikel
Nie mehr lieferbar
keine Alternativen
Pos.
14
BOSCH Laufbolzen 5/16 UNF | Ersatzteile für COMMODORE B14ME | F016L18691
Hersteller: BOSCH
Artikelnummer: EB-F016L80198-F016L18691
nur Informationsartikel
Nie mehr lieferbar
keine Alternativen
Pos.
16
BOSCH Schraube 1/4 UNF X 1/2 NF | Ersatzteile für COMMODORE B14ME | F016L20259
Hersteller: BOSCH
Artikelnummer: EB-F016L80198-F016L20259
nur Informationsartikel
Nie mehr lieferbar
keine Alternativen
Pos.
17
BOSCH Beilegring | Ersatzteile für COMMODORE B14ME | F016L24677
Hersteller: BOSCH
Artikelnummer: EB-F016L80198-F016L24677
nur Informationsartikel
Nie mehr lieferbar
keine Alternativen
Pos.
18
BOSCH Schraube 1/4 UNF X 1/2 | Ersatzteile für COMMODORE B14ME | F016L18167
Hersteller: BOSCH
Artikelnummer: EB-F016L80198-F016L18167
Netto: 3,60 € zzgl. MwSt.
zzgl. 6,90 € Versand (brutto)
einmalig pro Bestellung

Lieferzeit: 5 Werktage

Pos.
19
BOSCH Sicherungsscheibe | Ersatzteile für COMMODORE B14ME | F016L18174
Hersteller: BOSCH
Artikelnummer: EB-F016L80198-F016L18174
nur Informationsartikel
Nie mehr lieferbar
keine Alternativen
Pos.
20
BOSCH Schraube 5/16 UNF X 5/8 | Ersatzteile für COMMODORE B14ME | F016L20252
Hersteller: BOSCH
Artikelnummer: EB-F016L80198-F016L20252
Netto: 3,60 € zzgl. MwSt.
zzgl. 6,90 € Versand (brutto)
einmalig pro Bestellung

Lieferzeit: 5 Werktage

Pos.
22
BOSCH Schraube 1/4 UNF X 5/8 | Ersatzteile für COMMODORE B14ME | F016L18718
Hersteller: BOSCH
Artikelnummer: EB-F016L80198-F016L18718
nur Informationsartikel
Nie mehr lieferbar
keine Alternativen
Pos.
23
BOSCH Sicherungsscheibe 1/4 SQ SEC | Ersatzteile für COMMODORE B14ME | F016L35319
Hersteller: BOSCH
Artikelnummer: EB-F016L80198-F016L35319
nur Informationsartikel
Nie mehr lieferbar
keine Alternativen
Pos.
24
BOSCH Unterlegscheibe 12,1X6,4X1,5 | Ersatzteile für COMMODORE B14ME | F016L18129
Hersteller: BOSCH
Artikelnummer: EB-F016L80198-F016L18129
Netto: 3,60 € zzgl. MwSt.
zzgl. 6,90 € Versand (brutto)
einmalig pro Bestellung

Lieferzeit: 5 Werktage

Pos.
25
BOSCH Versteifungsblech | Ersatzteile für COMMODORE B14ME | F016100327
Hersteller: BOSCH
Artikelnummer: EB-F016L80198-F016100327
nur Informationsartikel
Nie mehr lieferbar
keine Alternativen
Pos.
26
BOSCH Mutter 1/4 UNF | Ersatzteile für COMMODORE B14ME | F016L18208
Hersteller: BOSCH
Artikelnummer: EB-F016L80198-F016L18208
nur Informationsartikel
Nie mehr lieferbar
keine Alternativen
Pos.
27
BOSCH Schraube | Ersatzteile für COMMODORE B14ME | F016L32529
Hersteller: BOSCH
Artikelnummer: EB-F016L80198-F016L32529
nur Informationsartikel
Nie mehr lieferbar
keine Alternativen
Pos.
29
BOSCH Laufbolzen | Ersatzteile für COMMODORE B14ME | F016L22577
Hersteller: BOSCH
Artikelnummer: EB-F016L80198-F016L22577
nur Informationsartikel
Nie mehr lieferbar
keine Alternativen
Pos.
32
BOSCH Hebelarm | Ersatzteile für COMMODORE B14ME | F016L22637
Hersteller: BOSCH
Artikelnummer: EB-F016L80198-F016L22637
nur Informationsartikel
Nie mehr lieferbar
keine Alternativen
Pos.
33
BOSCH Schloss-Türschild | Ersatzteile für COMMODORE B14ME | F016L32299
Hersteller: BOSCH
Artikelnummer: EB-F016L80198-F016L32299
nur Informationsartikel
Nie mehr lieferbar
keine Alternativen
Pos.
34
BOSCH Federscheibe 5/16 SW SE | Ersatzteile für COMMODORE B14ME | F016L35307
Hersteller: BOSCH
Artikelnummer: EB-F016L80198-F016L35307
Netto: 3,60 € zzgl. MwSt.
zzgl. 6,90 € Versand (brutto)
einmalig pro Bestellung

Lieferzeit: 5 Werktage

Pos.
36
BOSCH Zahnriemen Z=128 | Ersatzteile für COMMODORE B14ME | F016L23014
Hersteller: BOSCH
Artikelnummer: EB-F016L80198-F016L23014
nur Informationsartikel
Nie mehr lieferbar
keine Alternativen
Pos.
37
BOSCH Kette 1/2X3/16X40 P | Ersatzteile für COMMODORE B14ME | F016L03734
Hersteller: BOSCH
Artikelnummer: EB-F016L80198-F016L03734
nur Informationsartikel
Nie mehr lieferbar
keine Alternativen
Pos.
38
BOSCH Kette 1/2X3/16X35 PI | Ersatzteile für COMMODORE B14ME | F016L09704
Hersteller: BOSCH
Artikelnummer: EB-F016L80198-F016L09704
nur Informationsartikel
Nie mehr lieferbar
keine Alternativen
Pos.
39
BOSCH Kettenglied 1/2X3/16 | Ersatzteile für COMMODORE B14ME | F016L07127
Hersteller: BOSCH
Artikelnummer: EB-F016L80198-F016L07127
nur Informationsartikel
Nie mehr lieferbar
keine Alternativen
Pos.
40
BOSCH Dichtstreifen | Ersatzteile für COMMODORE B14ME | F016L22435
Hersteller: BOSCH
Artikelnummer: EB-F016L80198-F016L22435
nur Informationsartikel
Nie mehr lieferbar
keine Alternativen
Pos.
41
BOSCH Auffangbehälter | Ersatzteile für COMMODORE B14ME | F016103792
Hersteller: BOSCH
Artikelnummer: EB-F016L80198-F016103792
nur Informationsartikel
Nie mehr lieferbar
keine Alternativen
Pos.
42
BOSCH Schraube 5/16 UNF X 3/8 N | Ersatzteile für COMMODORE B14ME | F016L20248
Hersteller: BOSCH
Artikelnummer: EB-F016L80198-F016L20248
nur Informationsartikel
Nie mehr lieferbar
keine Alternativen
Pos.
43
BOSCH Führungsplatte | Ersatzteile für COMMODORE B14ME | F016101057
Hersteller: BOSCH
Artikelnummer: EB-F016L80198-F016101057
nur Informationsartikel
Nie mehr lieferbar
keine Alternativen
Pos.
44
BOSCH Ersatzteil | Ersatzteile für COMMODORE B14ME | F016L20251
Hersteller: BOSCH
Artikelnummer: EB-F016L80198-F016L20251
nur Informationsartikel
Nie mehr lieferbar
keine Alternativen
Pos.
45
BOSCH Schraube 5/16 UNF X 1/2 | Ersatzteile für COMMODORE B14ME | F016L18049
Hersteller: BOSCH
Artikelnummer: EB-F016L80198-F016L18049
nur Informationsartikel
Nie mehr lieferbar
keine Alternativen
Pos.
46
BOSCH Scheibe | Ersatzteile für COMMODORE B14ME | F016L09684
Hersteller: BOSCH
Artikelnummer: EB-F016L80198-F016L09684
nur Informationsartikel
Nie mehr lieferbar
keine Alternativen
Pos.
47
BOSCH Schraube | Ersatzteile für COMMODORE B14ME | F016L20851
Hersteller: BOSCH
Artikelnummer: EB-F016L80198-F016L20851
nur Informationsartikel
Nie mehr lieferbar
keine Alternativen
Pos.
48
BOSCH Versteifungsblech | Ersatzteile für COMMODORE B14ME | F016100354
Hersteller: BOSCH
Artikelnummer: EB-F016L80198-F016100354
nur Informationsartikel
Nie mehr lieferbar
keine Alternativen
Pos.
49
BOSCH Gewindebolzen M8x20 | Ersatzteile für COMMODORE B14ME | F016L11301
Hersteller: BOSCH
Artikelnummer: EB-F016L80198-F016L11301
Netto: 3,60 € zzgl. MwSt.
zzgl. 6,90 € Versand (brutto)
einmalig pro Bestellung

Lieferzeit: 5 Werktage

Pos.
50
BOSCH Motorhaube | Ersatzteile für COMMODORE B14ME | F016101292
Hersteller: BOSCH
Artikelnummer: EB-F016L80198-F016101292
nur Informationsartikel
Nie mehr lieferbar
keine Alternativen
Pos.
51
BOSCH Batteriehalter | Ersatzteile für COMMODORE B14ME | F016L09774
Hersteller: BOSCH
Artikelnummer: EB-F016L80198-F016L09774
nur Informationsartikel
Nie mehr lieferbar
keine Alternativen
Pos.
52
BOSCH Rastniet | Ersatzteile für COMMODORE B14ME | F016L12313
Hersteller: BOSCH
Artikelnummer: EB-F016L80198-F016L12313
nur Informationsartikel
Nie mehr lieferbar
keine Alternativen
Pos.
53
BOSCH Ersatzteil | Ersatzteile für COMMODORE B14ME | F016L34000
Hersteller: BOSCH
Artikelnummer: EB-F016L80198-F016L34000
nur Informationsartikel
Nie mehr lieferbar
keine Alternativen
Pos.
54
BOSCH Dichtstreifen | Ersatzteile für COMMODORE B14ME | F016L34004
Hersteller: BOSCH
Artikelnummer: EB-F016L80198-F016L34004
nur Informationsartikel
Nie mehr lieferbar
keine Alternativen
Pos.
55
BOSCH Ersatzteil | Ersatzteile für COMMODORE B14ME | F016101295
Hersteller: BOSCH
Artikelnummer: EB-F016L80198-F016101295
nur Informationsartikel
Nie mehr lieferbar
keine Alternativen
Pos.
56
BOSCH Ersatzteil | Ersatzteile für COMMODORE B14ME | F016L35251
Hersteller: BOSCH
Artikelnummer: EB-F016L80198-F016L35251
nur Informationsartikel
Nie mehr lieferbar
keine Alternativen
Pos.
57
BOSCH Innensechskantschraube 5/16 UNF | Ersatzteile für COMMODORE B14ME | F016L24690
Hersteller: BOSCH
Artikelnummer: EB-F016L80198-F016L24690
Netto: 3,60 € zzgl. MwSt.
zzgl. 6,90 € Versand (brutto)
einmalig pro Bestellung

Lieferzeit: 5 Werktage

Pos.
58
BOSCH Klebeschild | Ersatzteile für COMMODORE B14ME | F016L32789
Hersteller: BOSCH
Artikelnummer: EB-F016L80198-F016L32789
nur Informationsartikel
Nie mehr lieferbar
keine Alternativen
Pos.
59
BOSCH Klebeschild | Ersatzteile für COMMODORE B14ME | F016L32087
Hersteller: BOSCH
Artikelnummer: EB-F016L80198-F016L32087
nur Informationsartikel
Nie mehr lieferbar
keine Alternativen
Pos.
301
BOSCH Handgriff | Ersatzteile für COMMODORE B14ME | F016100340
Hersteller: BOSCH
Artikelnummer: EB-F016L80198-F016100340
nur Informationsartikel
Nie mehr lieferbar
keine Alternativen
Pos.
302
BOSCH Auslösehebel | Ersatzteile für COMMODORE B14ME | F016L37127
Hersteller: BOSCH
Artikelnummer: EB-F016L80198-F016L37127
Netto: 9,05 € zzgl. MwSt.
zzgl. 6,90 € Versand (brutto)
einmalig pro Bestellung

Lieferzeit: 5 Werktage

Pos.
303
BOSCH Handgriff | Ersatzteile für COMMODORE B14ME | F016L36726
Hersteller: BOSCH
Artikelnummer: EB-F016L80198-F016L36726
nur Informationsartikel
Nie mehr lieferbar
keine Alternativen
Pos.
304
BOSCH Kupplungshebel | Ersatzteile für COMMODORE B14ME | F016L22707
Hersteller: BOSCH
Artikelnummer: EB-F016L80198-F016L22707
nur Informationsartikel
Nie mehr lieferbar
keine Alternativen
Pos.
305
BOSCH Klemmbügel | Ersatzteile für COMMODORE B14ME | F016L22592
Hersteller: BOSCH
Artikelnummer: EB-F016L80198-F016L22592
nur Informationsartikel
Nie mehr lieferbar
keine Alternativen
Pos.
306
BOSCH Sicherungskappe Ø8 MM SCHWARZ | Ersatzteile für COMMODORE B14ME | F016T48990
Hersteller: BOSCH
Artikelnummer: EB-F016L80198-F016T48990
Netto: 3,60 € zzgl. MwSt.
zzgl. 6,90 € Versand (brutto)
einmalig pro Bestellung

Lieferzeit: 5 Werktage

Pos.
307
BOSCH Schraube M6X35 | Ersatzteile für COMMODORE B14ME | F016L22702
Hersteller: BOSCH
Artikelnummer: EB-F016L80198-F016L22702
Netto: 3,60 € zzgl. MwSt.
zzgl. 6,90 € Versand (brutto)
einmalig pro Bestellung

Lieferzeit: 5 Werktage

Pos.
308
BOSCH Sicherungsmutter M6 | Ersatzteile für COMMODORE B14ME | F016L35388
Hersteller: BOSCH
Artikelnummer: EB-F016L80198-F016L35388
nur Informationsartikel
Nie mehr lieferbar
keine Alternativen
Pos.
309
BOSCH Schraube M 4X30 | Ersatzteile für COMMODORE B14ME | F016T40945
Hersteller: BOSCH
Artikelnummer: EB-F016L80198-F016T40945
nur Informationsartikel
Nie mehr lieferbar
keine Alternativen
Pos.
310
BOSCH Mutter | Ersatzteile für COMMODORE B14ME | F016L11228
Hersteller: BOSCH
Artikelnummer: EB-F016L80198-F016L11228
nur Informationsartikel
Nie mehr lieferbar
keine Alternativen
Pos.
311
BOSCH Ersatzteil | Ersatzteile für COMMODORE B14ME | F016L34005
Hersteller: BOSCH
Artikelnummer: EB-F016L80198-F016L34005
nur Informationsartikel
Nie mehr lieferbar
keine Alternativen
Pos.
312
BOSCH Verschlusskappe | Ersatzteile für COMMODORE B14ME | F016L22812
Hersteller: BOSCH
Artikelnummer: EB-F016L80198-F016L22812
nur Informationsartikel
Nie mehr lieferbar
keine Alternativen
Pos.
313
BOSCH Kraftstoffbehälter GRUEN | Ersatzteile für COMMODORE B14ME | F016L32867
Hersteller: BOSCH
Artikelnummer: EB-F016L80198-F016L32867
Netto: 16,70 € zzgl. MwSt.
zzgl. 6,90 € Versand (brutto)
einmalig pro Bestellung

Lieferzeit: 5 Werktage

Pos.
314
BOSCH Hahn SCHWARZ | Ersatzteile für COMMODORE B14ME | F016L35380
Hersteller: BOSCH
Artikelnummer: EB-F016L80198-F016L35380
nur Informationsartikel
Nie mehr lieferbar
keine Alternativen
Pos.
315
BOSCH Kraftstoffschlauch 24" | Ersatzteile für COMMODORE B14ME | F016L32260
Hersteller: BOSCH
Artikelnummer: EB-F016L80198-F016L32260
nur Informationsartikel
Nie mehr lieferbar
keine Alternativen
Pos.
316
BOSCH Spezialmutter | Ersatzteile für COMMODORE B14ME | F016L22701
Hersteller: BOSCH
Artikelnummer: EB-F016L80198-F016L22701
Netto: 4,36 € zzgl. MwSt.
zzgl. 6,90 € Versand (brutto)
einmalig pro Bestellung

Lieferzeit: 5 Werktage

Pos.
317
BOSCH Federscheibe M6 | Ersatzteile für COMMODORE B14ME | F016L22700
Hersteller: BOSCH
Artikelnummer: EB-F016L80198-F016L22700
Netto: 3,60 € zzgl. MwSt.
zzgl. 6,90 € Versand (brutto)
einmalig pro Bestellung

Lieferzeit: 5 Werktage

Pos.
319
BOSCH Seilzug | Ersatzteile für COMMODORE B14ME | F016L22714
Hersteller: BOSCH
Artikelnummer: EB-F016L80198-F016L22714
nur Informationsartikel
Nie mehr lieferbar
keine Alternativen
Pos.
320
BOSCH Seilzug | Ersatzteile für COMMODORE B14ME | F016L22691
Hersteller: BOSCH
Artikelnummer: EB-F016L80198-F016L22691
nur Informationsartikel
Nie mehr lieferbar
keine Alternativen
Pos.
321
BOSCH Seilzug | Ersatzteile für COMMODORE B14ME | F016L34007
Hersteller: BOSCH
Artikelnummer: EB-F016L80198-F016L34007
Netto: 7,66 € zzgl. MwSt.
zzgl. 6,90 € Versand (brutto)
einmalig pro Bestellung

Lieferzeit: 5 Werktage

Pos.
322
BOSCH Teilesatz | Ersatzteile für COMMODORE B14ME | F016L22530
Hersteller: BOSCH
Artikelnummer: EB-F016L80198-F016L22530
nur Informationsartikel
Nie mehr lieferbar
keine Alternativen
Pos.
324
BOSCH Laufbolzen | Ersatzteile für COMMODORE B14ME | F016T46339
Hersteller: BOSCH
Artikelnummer: EB-F016L80198-F016T46339
nur Informationsartikel
Nie mehr lieferbar
keine Alternativen
Pos.
325
BOSCH Zündschalter | Ersatzteile für COMMODORE B14ME | F016L34053
Hersteller: BOSCH
Artikelnummer: EB-F016L80198-F016L34053
nur Informationsartikel
Nie mehr lieferbar
keine Alternativen
Pos.
327
BOSCH Kabelbaum | Ersatzteile für COMMODORE B14ME | F016S60282
Hersteller: BOSCH
Artikelnummer: EB-F016L80198-F016S60282
nur Informationsartikel
Nie mehr lieferbar
keine Alternativen
Pos.
328
BOSCH Schalthebel | Ersatzteile für COMMODORE B14ME | F016L22758
Hersteller: BOSCH
Artikelnummer: EB-F016L80198-F016L22758
nur Informationsartikel
Nie mehr lieferbar
keine Alternativen
Pos.
329
BOSCH Mutter | Ersatzteile für COMMODORE B14ME | F016L35309
Hersteller: BOSCH
Artikelnummer: EB-F016L80198-F016L35309
nur Informationsartikel
Nie mehr lieferbar
keine Alternativen
Pos.
330
BOSCH Unterlegscheibe | Ersatzteile für COMMODORE B14ME | F016L35302
Hersteller: BOSCH
Artikelnummer: EB-F016L80198-F016L35302
Netto: 3,60 € zzgl. MwSt.
zzgl. 6,90 € Versand (brutto)
einmalig pro Bestellung

Lieferzeit: 5 Werktage

Pos.
331
BOSCH Kabelhalter | Ersatzteile für COMMODORE B14ME | F016L11580
Hersteller: BOSCH
Artikelnummer: EB-F016L80198-F016L11580
nur Informationsartikel
Nie mehr lieferbar
keine Alternativen
Pos.
332
BOSCH Ersatzteil | Ersatzteile für COMMODORE B14ME | F016L34740
Hersteller: BOSCH
Artikelnummer: EB-F016L80198-F016L34740
nur Informationsartikel
Nie mehr lieferbar
keine Alternativen
Pos.
333
BOSCH Starterbatterie | Ersatzteile für COMMODORE B14ME | F016T48493
Hersteller: BOSCH
Artikelnummer: EB-F016L80198-F016T48493
nur Informationsartikel
Nie mehr lieferbar
keine Alternativen
Pos.
334
BOSCH Batterie-Ladegerät GB 230/12V | Ersatzteile für COMMODORE B14ME | F016L37612
Hersteller: BOSCH
Artikelnummer: EB-F016L80198-F016L37612
nur Informationsartikel
Nie mehr lieferbar
keine Alternativen
Pos.
335
BOSCH Schalldämpfer | Ersatzteile für COMMODORE B14ME | F016101288
Hersteller: BOSCH
Artikelnummer: EB-F016L80198-F016101288
nur Informationsartikel
Nie mehr lieferbar
keine Alternativen
Pos.
336
BOSCH Halter | Ersatzteile für COMMODORE B14ME | F016L22594
Hersteller: BOSCH
Artikelnummer: EB-F016L80198-F016L22594
nur Informationsartikel
Nie mehr lieferbar
keine Alternativen
Pos.
337
BOSCH Verschlusskappe | Ersatzteile für COMMODORE B14ME | F016L22703
Hersteller: BOSCH
Artikelnummer: EB-F016L80198-F016L22703
Netto: 3,60 € zzgl. MwSt.
zzgl. 6,90 € Versand (brutto)
einmalig pro Bestellung

Lieferzeit: 5 Werktage

Pos.
338
BOSCH Schutzblech | Ersatzteile für COMMODORE B14ME | F016L36311
Hersteller: BOSCH
Artikelnummer: EB-F016L80198-F016L36311
nur Informationsartikel
Nie mehr lieferbar
keine Alternativen
Pos.
339
BOSCH Beilegring | Ersatzteile für COMMODORE B14ME | F016L35386
Hersteller: BOSCH
Artikelnummer: EB-F016L80198-F016L35386
nur Informationsartikel
Nie mehr lieferbar
keine Alternativen
Pos.
340
BOSCH Sechskantschraube | Ersatzteile für COMMODORE B14ME | F016L35871
Hersteller: BOSCH
Artikelnummer: EB-F016L80198-F016L35871
nur Informationsartikel
Nie mehr lieferbar
keine Alternativen
Pos.
341
BOSCH Unterlegscheibe | Ersatzteile für COMMODORE B14ME | F016L35379
Hersteller: BOSCH
Artikelnummer: EB-F016L80198-F016L35379
nur Informationsartikel
Nie mehr lieferbar
keine Alternativen
Pos.
401
BOSCH Verschlusskappe | Ersatzteile für COMMODORE B14ME | F016L09623
Hersteller: BOSCH
Artikelnummer: EB-F016L80198-F016L09623
Netto: 3,60 € zzgl. MwSt.
zzgl. 6,90 € Versand (brutto)
einmalig pro Bestellung

Lieferzeit: 5 Werktage

Pos.
402
BOSCH Lagerblock | Ersatzteile für COMMODORE B14ME | F016L24627
Hersteller: BOSCH
Artikelnummer: EB-F016L80198-F016L24627
Netto: 10,62 € zzgl. MwSt.
zzgl. 6,90 € Versand (brutto)
einmalig pro Bestellung

Lieferzeit: 5 Werktage

Pos.
403
BOSCH Endwinkel | Ersatzteile für COMMODORE B14ME | F016100351
Hersteller: BOSCH
Artikelnummer: EB-F016L80198-F016100351
nur Informationsartikel
Nie mehr lieferbar
keine Alternativen
Pos.
404
BOSCH Schraube 5/16 UNF X 1-3/4 | Ersatzteile für COMMODORE B14ME | F016L20255
Hersteller: BOSCH
Artikelnummer: EB-F016L80198-F016L20255
nur Informationsartikel
Nie mehr lieferbar
keine Alternativen
Pos.
405
BOSCH Sicherungsmutter 5/16 UNF | Ersatzteile für COMMODORE B14ME | F016L06955
Hersteller: BOSCH
Artikelnummer: EB-F016L80198-F016L06955
nur Informationsartikel
Nie mehr lieferbar
keine Alternativen
Pos.
406
BOSCH Kugellager | Ersatzteile für COMMODORE B14ME | F016L05150
Hersteller: BOSCH
Artikelnummer: EB-F016L80198-F016L05150
nur Informationsartikel
Nie mehr lieferbar
keine Alternativen
Pos.
407
BOSCH Scheibe | Ersatzteile für COMMODORE B14ME | F016L09619
Hersteller: BOSCH
Artikelnummer: EB-F016L80198-F016L09619
nur Informationsartikel
Nie mehr lieferbar
keine Alternativen
Pos.
408
BOSCH Scheibe | Ersatzteile für COMMODORE B14ME | F016L09679
Hersteller: BOSCH
Artikelnummer: EB-F016L80198-F016L09679
Netto: 3,60 € zzgl. MwSt.
zzgl. 6,90 € Versand (brutto)
einmalig pro Bestellung

Lieferzeit: 5 Werktage

Pos.
409
BOSCH Maehspindel | Ersatzteile für COMMODORE B14ME | F016100066
Hersteller: BOSCH
Artikelnummer: EB-F016L80198-F016100066
nur Informationsartikel
Nie mehr lieferbar
keine Alternativen
Pos.
410
BOSCH Sicherungsbügel | Ersatzteile für COMMODORE B14ME | F016L09624
Hersteller: BOSCH
Artikelnummer: EB-F016L80198-F016L09624
nur Informationsartikel
Nie mehr lieferbar
keine Alternativen
Pos.
411
BOSCH Scheibe | Ersatzteile für COMMODORE B14ME | F016L09621
Hersteller: BOSCH
Artikelnummer: EB-F016L80198-F016L09621
nur Informationsartikel
Nie mehr lieferbar
keine Alternativen
Pos.
412
BOSCH Scheibe | Ersatzteile für COMMODORE B14ME | F016L09620
Hersteller: BOSCH
Artikelnummer: EB-F016L80198-F016L09620
Netto: 3,60 € zzgl. MwSt.
zzgl. 6,90 € Versand (brutto)
einmalig pro Bestellung

Lieferzeit: 5 Werktage

Pos.
413
BOSCH Scheibe | Ersatzteile für COMMODORE B14ME | F016L09625
Hersteller: BOSCH
Artikelnummer: EB-F016L80198-F016L09625
nur Informationsartikel
Nie mehr lieferbar
keine Alternativen
Pos.
414
BOSCH Filzring | Ersatzteile für COMMODORE B14ME | F016L09626
Hersteller: BOSCH
Artikelnummer: EB-F016L80198-F016L09626
Netto: 3,60 € zzgl. MwSt.
zzgl. 6,90 € Versand (brutto)
einmalig pro Bestellung

Lieferzeit: 5 Werktage

Pos.
415
BOSCH Endwinkel | Ersatzteile für COMMODORE B14ME | F016100350
Hersteller: BOSCH
Artikelnummer: EB-F016L80198-F016100350
nur Informationsartikel
Nie mehr lieferbar
keine Alternativen
Pos.
416
BOSCH Abstandshülse | Ersatzteile für COMMODORE B14ME | F016L23015
Hersteller: BOSCH
Artikelnummer: EB-F016L80198-F016L23015
nur Informationsartikel
Nie mehr lieferbar
keine Alternativen
Pos.
417
BOSCH Zahnriemenrad Z=46 | Ersatzteile für COMMODORE B14ME | F016L22654
Hersteller: BOSCH
Artikelnummer: EB-F016L80198-F016L22654
nur Informationsartikel
Nie mehr lieferbar
keine Alternativen
Pos.
418
BOSCH Feder | Ersatzteile für COMMODORE B14ME | F016L23146
Hersteller: BOSCH
Artikelnummer: EB-F016L80198-F016L23146
Netto: 4,80 € zzgl. MwSt.
zzgl. 6,90 € Versand (brutto)
einmalig pro Bestellung

Lieferzeit: 5 Werktage

Pos.
419
BOSCH Lagerhalter | Ersatzteile für COMMODORE B14ME | F016L24629
Hersteller: BOSCH
Artikelnummer: EB-F016L80198-F016L24629
nur Informationsartikel
Nie mehr lieferbar
keine Alternativen
Pos.
420
BOSCH Kragen | Ersatzteile für COMMODORE B14ME | F016L09647
Hersteller: BOSCH
Artikelnummer: EB-F016L80198-F016L09647
Netto: 3,60 € zzgl. MwSt.
zzgl. 6,90 € Versand (brutto)
einmalig pro Bestellung

Lieferzeit: 5 Werktage

Pos.
421
BOSCH Transportschiene | Ersatzteile für COMMODORE B14ME | F016L23016
Hersteller: BOSCH
Artikelnummer: EB-F016L80198-F016L23016
nur Informationsartikel
Nie mehr lieferbar
keine Alternativen
Pos.
501
BOSCH Schraube 1/4 UNF-LH X 1/2 | Ersatzteile für COMMODORE B14ME | F016L20263
Hersteller: BOSCH
Artikelnummer: EB-F016L80198-F016L20263
Netto: 5,17 € zzgl. MwSt.
zzgl. 6,90 € Versand (brutto)
einmalig pro Bestellung

Lieferzeit: 5 Werktage

Pos.
502
BOSCH Unterlegscheibe | Ersatzteile für COMMODORE B14ME | F016L09682
Hersteller: BOSCH
Artikelnummer: EB-F016L80198-F016L09682
nur Informationsartikel
Nie mehr lieferbar
keine Alternativen
Pos.
503
BOSCH Lagerhalter | Ersatzteile für COMMODORE B14ME | F016100339
Hersteller: BOSCH
Artikelnummer: EB-F016L80198-F016100339
nur Informationsartikel
Nie mehr lieferbar
keine Alternativen
Pos.
504
BOSCH Lager | Ersatzteile für COMMODORE B14ME | F016L06856
Hersteller: BOSCH
Artikelnummer: EB-F016L80198-F016L06856
nur Informationsartikel
Nie mehr lieferbar
keine Alternativen
Pos.
505
BOSCH Schutzring | Ersatzteile für COMMODORE B14ME | F016L09628
Hersteller: BOSCH
Artikelnummer: EB-F016L80198-F016L09628
nur Informationsartikel
Nie mehr lieferbar
keine Alternativen
Pos.
506
BOSCH Rolle | Ersatzteile für COMMODORE B14ME | F016100331
Hersteller: BOSCH
Artikelnummer: EB-F016L80198-F016100331
nur Informationsartikel
Nie mehr lieferbar
keine Alternativen
Pos.
507
BOSCH Schutzring | Ersatzteile für COMMODORE B14ME | F016L09646
Hersteller: BOSCH
Artikelnummer: EB-F016L80198-F016L09646
nur Informationsartikel
Nie mehr lieferbar
keine Alternativen
Pos.
508
BOSCH Lagerhalter | Ersatzteile für COMMODORE B14ME | F016100338
Hersteller: BOSCH
Artikelnummer: EB-F016L80198-F016100338
nur Informationsartikel
Nie mehr lieferbar
keine Alternativen
Pos.
509
BOSCH Unterlegscheibe | Ersatzteile für COMMODORE B14ME | F016L09631
Hersteller: BOSCH
Artikelnummer: EB-F016L80198-F016L09631
nur Informationsartikel
Nie mehr lieferbar
keine Alternativen
Pos.
511
BOSCH Schutzring | Ersatzteile für COMMODORE B14ME | F016L09645
Hersteller: BOSCH
Artikelnummer: EB-F016L80198-F016L09645
nur Informationsartikel
Nie mehr lieferbar
keine Alternativen
Pos.
512
BOSCH Scheibe | Ersatzteile für COMMODORE B14ME | F016L09683
Hersteller: BOSCH
Artikelnummer: EB-F016L80198-F016L09683
nur Informationsartikel
Nie mehr lieferbar
keine Alternativen
Pos.
513
BOSCH Transportschiene Z=20 | Ersatzteile für COMMODORE B14ME | F016L09693
Hersteller: BOSCH
Artikelnummer: EB-F016L80198-F016L09693
nur Informationsartikel
Nie mehr lieferbar
keine Alternativen
Pos.
514
BOSCH Mutter 5/8 UNF | Ersatzteile für COMMODORE B14ME | F016L20261
Hersteller: BOSCH
Artikelnummer: EB-F016L80198-F016L20261
nur Informationsartikel
Nie mehr lieferbar
keine Alternativen
Pos.
515
BOSCH Sicherungsbügel | Ersatzteile für COMMODORE B14ME | F016L04976
Hersteller: BOSCH
Artikelnummer: EB-F016L80198-F016L04976
nur Informationsartikel
Nie mehr lieferbar
keine Alternativen
Pos.
601
BOSCH Rollenträger | Ersatzteile für COMMODORE B14ME | F016L24635
Hersteller: BOSCH
Artikelnummer: EB-F016L80198-F016L24635
nur Informationsartikel
Nie mehr lieferbar
keine Alternativen
Pos.
602
BOSCH Zugstange | Ersatzteile für COMMODORE B14ME | F016L22385
Hersteller: BOSCH
Artikelnummer: EB-F016L80198-F016L22385
nur Informationsartikel
Nie mehr lieferbar
keine Alternativen
Pos.
603
BOSCH Lagerbuchse | Ersatzteile für COMMODORE B14ME | F016L07771
Hersteller: BOSCH
Artikelnummer: EB-F016L80198-F016L07771
nur Informationsartikel
Nie mehr lieferbar
keine Alternativen
Pos.
604
BOSCH Ersatzteil | Ersatzteile für COMMODORE B14ME | F016101500
Hersteller: BOSCH
Artikelnummer: EB-F016L80198-F016101500
nur Informationsartikel
Nie mehr lieferbar
keine Alternativen
Pos.
605
BOSCH Beilegring | Ersatzteile für COMMODORE B14ME | F016L22389
Hersteller: BOSCH
Artikelnummer: EB-F016L80198-F016L22389
nur Informationsartikel
Nie mehr lieferbar
keine Alternativen
Pos.
606
BOSCH Unterlegscheibe 8,5 MM | Ersatzteile für COMMODORE B14ME | F016L35411
Hersteller: BOSCH
Artikelnummer: EB-F016L80198-F016L35411
Netto: 3,60 € zzgl. MwSt.
zzgl. 6,90 € Versand (brutto)
einmalig pro Bestellung

Lieferzeit: 5 Werktage

Pos.
608
BOSCH Einstellschraube | Ersatzteile für COMMODORE B14ME | F016L22407
Hersteller: BOSCH
Artikelnummer: EB-F016L80198-F016L22407
nur Informationsartikel
Nie mehr lieferbar
keine Alternativen
Pos.
610
BOSCH Federscheibe | Ersatzteile für COMMODORE B14ME | F016L13288
Hersteller: BOSCH
Artikelnummer: EB-F016L80198-F016L13288
nur Informationsartikel
Nie mehr lieferbar
keine Alternativen
Pos.
611
BOSCH Mutter | Ersatzteile für COMMODORE B14ME | F016L18728
Hersteller: BOSCH
Artikelnummer: EB-F016L80198-F016L18728
nur Informationsartikel
Nie mehr lieferbar
keine Alternativen
Pos.
612
BOSCH Spezialmutter | Ersatzteile für COMMODORE B14ME | F016L13910
Hersteller: BOSCH
Artikelnummer: EB-F016L80198-F016L13910
Netto: 6,75 € zzgl. MwSt.
zzgl. 6,90 € Versand (brutto)
einmalig pro Bestellung

Lieferzeit: 5 Werktage

Pos.
613
BOSCH Laufbolzen 5/16 UNF X 3/4 | Ersatzteile für COMMODORE B14ME | F016L20346
Hersteller: BOSCH
Artikelnummer: EB-F016L80198-F016L20346
nur Informationsartikel
Nie mehr lieferbar
keine Alternativen
Pos.
614
BOSCH Sicherungsscheibe 1/2" | Ersatzteile für COMMODORE B14ME | F016L18181
Hersteller: BOSCH
Artikelnummer: EB-F016L80198-F016L18181
Netto: 4,36 € zzgl. MwSt.
zzgl. 6,90 € Versand (brutto)
einmalig pro Bestellung

Lieferzeit: 5 Werktage

Pos.
615
BOSCH Spindel | Ersatzteile für COMMODORE B14ME | F016L22390
Hersteller: BOSCH
Artikelnummer: EB-F016L80198-F016L22390
nur Informationsartikel
Nie mehr lieferbar
keine Alternativen
Pos.
616
BOSCH Federscheibe 1/2" | Ersatzteile für COMMODORE B14ME | F016L18182
Hersteller: BOSCH
Artikelnummer: EB-F016L80198-F016L18182
nur Informationsartikel
Nie mehr lieferbar
keine Alternativen
Pos.
617
BOSCH Mutter 1/2" | Ersatzteile für COMMODORE B14ME | F016L20239
Hersteller: BOSCH
Artikelnummer: EB-F016L80198-F016L20239
Netto: 4,61 € zzgl. MwSt.
zzgl. 6,90 € Versand (brutto)
einmalig pro Bestellung

Lieferzeit: 5 Werktage

Pos.
618
BOSCH Rolle | Ersatzteile für COMMODORE B14ME | F016L24638
Hersteller: BOSCH
Artikelnummer: EB-F016L80198-F016L24638
nur Informationsartikel
Nie mehr lieferbar
keine Alternativen
Pos.
620
BOSCH Unterlegscheibe | Ersatzteile für COMMODORE B14ME | F016L09602
Hersteller: BOSCH
Artikelnummer: EB-F016L80198-F016L09602
Netto: 3,60 € zzgl. MwSt.
zzgl. 6,90 € Versand (brutto)
einmalig pro Bestellung

Lieferzeit: 5 Werktage

Pos.
621
BOSCH Abstandshülse | Ersatzteile für COMMODORE B14ME | F016101041
Hersteller: BOSCH
Artikelnummer: EB-F016L80198-F016101041
nur Informationsartikel
Nie mehr lieferbar
keine Alternativen
Pos.
622
BOSCH Welle | Ersatzteile für COMMODORE B14ME | F016L22395
Hersteller: BOSCH
Artikelnummer: EB-F016L80198-F016L22395
nur Informationsartikel
Nie mehr lieferbar
keine Alternativen
Pos.
623
BOSCH Splint 1/8"X3/4" | Ersatzteile für COMMODORE B14ME | F016L10121
Hersteller: BOSCH
Artikelnummer: EB-F016L80198-F016L10121
nur Informationsartikel
Nie mehr lieferbar
keine Alternativen
Pos.
624
BOSCH Laufrad | Ersatzteile für COMMODORE B14ME | F016L12303
Hersteller: BOSCH
Artikelnummer: EB-F016L80198-F016L12303
Netto: 7,66 € zzgl. MwSt.
zzgl. 6,90 € Versand (brutto)
einmalig pro Bestellung

Lieferzeit: 5 Werktage

Pos.
625
BOSCH Unterlegscheibe | Ersatzteile für COMMODORE B14ME | F016L17849
Hersteller: BOSCH
Artikelnummer: EB-F016L80198-F016L17849
Netto: 3,60 € zzgl. MwSt.
zzgl. 6,90 € Versand (brutto)
einmalig pro Bestellung

Lieferzeit: 5 Werktage

Pos.
626
BOSCH Formscheibe | Ersatzteile für COMMODORE B14ME | F016L18177
Hersteller: BOSCH
Artikelnummer: EB-F016L80198-F016L18177
nur Informationsartikel
Nie mehr lieferbar
keine Alternativen
Pos.
628
BOSCH Mutter 5/16-UNF D/C | Ersatzteile für COMMODORE B14ME | F016L20303
Hersteller: BOSCH
Artikelnummer: EB-F016L80198-F016L20303
Netto: 3,60 € zzgl. MwSt.
zzgl. 6,90 € Versand (brutto)
einmalig pro Bestellung

Lieferzeit: 5 Werktage

Pos.
629
BOSCH Rechen | Ersatzteile für COMMODORE B14ME | F016100348
Hersteller: BOSCH
Artikelnummer: EB-F016L80198-F016100348
nur Informationsartikel
Nie mehr lieferbar
keine Alternativen
Pos.
630
BOSCH Schraube | Ersatzteile für COMMODORE B14ME | F016L24650
Hersteller: BOSCH
Artikelnummer: EB-F016L80198-F016L24650
nur Informationsartikel
Nie mehr lieferbar
keine Alternativen
Pos.
631
BOSCH Feder | Ersatzteile für COMMODORE B14ME | F016W25764
Hersteller: BOSCH
Artikelnummer: EB-F016L80198-F016W25764
nur Informationsartikel
Nie mehr lieferbar
keine Alternativen
Pos.
632
BOSCH Radsatz | Ersatzteile für COMMODORE B14ME | F016L22405
Hersteller: BOSCH
Artikelnummer: EB-F016L80198-F016L22405
nur Informationsartikel
Nie mehr lieferbar
keine Alternativen
Pos.
701
BOSCH Schraube | Ersatzteile für COMMODORE B14ME | F016L03846
Hersteller: BOSCH
Artikelnummer: EB-F016L80198-F016L03846
nur Informationsartikel
Nie mehr lieferbar
keine Alternativen
Pos.
702
BOSCH Kupplungsstück | Ersatzteile für COMMODORE B14ME | F016L09518
Hersteller: BOSCH
Artikelnummer: EB-F016L80198-F016L09518
nur Informationsartikel
Nie mehr lieferbar
keine Alternativen
Pos.
705
BOSCH Lagerbuchse | Ersatzteile für COMMODORE B14ME | F016L09497
Hersteller: BOSCH
Artikelnummer: EB-F016L80198-F016L09497
Netto: 8,23 € zzgl. MwSt.
zzgl. 6,90 € Versand (brutto)
einmalig pro Bestellung

Lieferzeit: 5 Werktage

Pos.
706
BOSCH Mitnehmerfuss | Ersatzteile für COMMODORE B14ME | F016L09495
Hersteller: BOSCH
Artikelnummer: EB-F016L80198-F016L09495
nur Informationsartikel
Nie mehr lieferbar
keine Alternativen
Pos.
707
BOSCH Splint 5/32" X 1.1/4" | Ersatzteile für COMMODORE B14ME | F016L09496
Hersteller: BOSCH
Artikelnummer: EB-F016L80198-F016L09496
Netto: 3,60 € zzgl. MwSt.
zzgl. 6,90 € Versand (brutto)
einmalig pro Bestellung

Lieferzeit: 5 Werktage

Pos.
708
BOSCH Scheibenfeder 5/32" X 3/4 | Ersatzteile für COMMODORE B14ME | F016L09494
Hersteller: BOSCH
Artikelnummer: EB-F016L80198-F016L09494
Netto: 3,60 € zzgl. MwSt.
zzgl. 6,90 € Versand (brutto)
einmalig pro Bestellung

Lieferzeit: 5 Werktage

Pos.
709
BOSCH Kupplungswelle | Ersatzteile für COMMODORE B14ME | F016L34964
Hersteller: BOSCH
Artikelnummer: EB-F016L80198-F016L34964
nur Informationsartikel
Nie mehr lieferbar
keine Alternativen
Pos.
711
BOSCH Ersatzteil | Ersatzteile für COMMODORE B14ME | F016100342
Hersteller: BOSCH
Artikelnummer: EB-F016L80198-F016100342
nur Informationsartikel
Nie mehr lieferbar
keine Alternativen
Pos.
714
BOSCH Feder | Ersatzteile für COMMODORE B14ME | F016100341
Hersteller: BOSCH
Artikelnummer: EB-F016L80198-F016100341
nur Informationsartikel
Nie mehr lieferbar
keine Alternativen
Pos.
715
BOSCH Ersatzteil | Ersatzteile für COMMODORE B14ME | F016L09746
Hersteller: BOSCH
Artikelnummer: EB-F016L80198-F016L09746
nur Informationsartikel
Nie mehr lieferbar
keine Alternativen
Pos.
716
BOSCH Kupplungsgabel | Ersatzteile für COMMODORE B14ME | F016L22598
Hersteller: BOSCH
Artikelnummer: EB-F016L80198-F016L22598
nur Informationsartikel
Nie mehr lieferbar
keine Alternativen
Pos.
717
BOSCH Kupplungsgabel | Ersatzteile für COMMODORE B14ME | F016L22597
Hersteller: BOSCH
Artikelnummer: EB-F016L80198-F016L22597
nur Informationsartikel
Nie mehr lieferbar
keine Alternativen
Pos.
718
BOSCH Schraube | Ersatzteile für COMMODORE B14ME | F016L18171
Hersteller: BOSCH
Artikelnummer: EB-F016L80198-F016L18171
nur Informationsartikel
Nie mehr lieferbar
keine Alternativen
Pos.
719
BOSCH Einstellhülse | Ersatzteile für COMMODORE B14ME | F016L09422
Hersteller: BOSCH
Artikelnummer: EB-F016L80198-F016L09422
Netto: 6,27 € zzgl. MwSt.
zzgl. 6,90 € Versand (brutto)
einmalig pro Bestellung

Lieferzeit: 5 Werktage

Pos.
720
BOSCH Regelhebel | Ersatzteile für COMMODORE B14ME | F016100379
Hersteller: BOSCH
Artikelnummer: EB-F016L80198-F016100379
nur Informationsartikel
Nie mehr lieferbar
keine Alternativen
Pos.
721
BOSCH Kugellager | Ersatzteile für COMMODORE B14ME | F016L03730
Hersteller: BOSCH
Artikelnummer: EB-F016L80198-F016L03730
nur Informationsartikel
Nie mehr lieferbar
keine Alternativen
Pos.
722
BOSCH Lagerhalter | Ersatzteile für COMMODORE B14ME | F016102969
Hersteller: BOSCH
Artikelnummer: EB-F016L80198-F016102969
nur Informationsartikel
Nie mehr lieferbar
keine Alternativen
Pos.
723
BOSCH Zahnriemenrad | Ersatzteile für COMMODORE B14ME | F016L22642
Hersteller: BOSCH
Artikelnummer: EB-F016L80198-F016L22642
Netto: 5,65 € zzgl. MwSt.
zzgl. 6,90 € Versand (brutto)
einmalig pro Bestellung

Lieferzeit: 5 Werktage

Pos.
726
BOSCH Bolzen | Ersatzteile für COMMODORE B14ME | F016101283
Hersteller: BOSCH
Artikelnummer: EB-F016L80198-F016101283
nur Informationsartikel
Nie mehr lieferbar
keine Alternativen
Pos.
727
BOSCH Bolzen | Ersatzteile für COMMODORE B14ME | F016L09509
Hersteller: BOSCH
Artikelnummer: EB-F016L80198-F016L09509
nur Informationsartikel
Nie mehr lieferbar
keine Alternativen
Pos.
728
BOSCH Feder | Ersatzteile für COMMODORE B14ME | F016L09482
Hersteller: BOSCH
Artikelnummer: EB-F016L80198-F016L09482
nur Informationsartikel
Nie mehr lieferbar
keine Alternativen
Pos.
731
BOSCH Schaltring | Ersatzteile für COMMODORE B14ME | F016100329
Hersteller: BOSCH
Artikelnummer: EB-F016L80198-F016100329
nur Informationsartikel
Nie mehr lieferbar
keine Alternativen
Pos.
732
BOSCH Mitnehmerplatte | Ersatzteile für COMMODORE B14ME | F016L09492
Hersteller: BOSCH
Artikelnummer: EB-F016L80198-F016L09492
nur Informationsartikel
Nie mehr lieferbar
keine Alternativen
Pos.
733
BOSCH Friktionsteller | Ersatzteile für COMMODORE B14ME | F016L09491
Hersteller: BOSCH
Artikelnummer: EB-F016L80198-F016L09491
nur Informationsartikel
Nie mehr lieferbar
keine Alternativen
Pos.
734
BOSCH Mitnehmerplatte | Ersatzteile für COMMODORE B14ME | F016L09493
Hersteller: BOSCH
Artikelnummer: EB-F016L80198-F016L09493
nur Informationsartikel
Nie mehr lieferbar
keine Alternativen
Pos.
735
BOSCH Antriebsvorrichtung | Ersatzteile für COMMODORE B14ME | F016100330
Hersteller: BOSCH
Artikelnummer: EB-F016L80198-F016100330
nur Informationsartikel
Nie mehr lieferbar
keine Alternativen
Pos.
736
BOSCH Buchse | Ersatzteile für COMMODORE B14ME | F016L12222
Hersteller: BOSCH
Artikelnummer: EB-F016L80198-F016L12222
nur Informationsartikel
Nie mehr lieferbar
keine Alternativen
Pos.
737
BOSCH Kupplungsstück | Ersatzteile für COMMODORE B14ME | F016101285
Hersteller: BOSCH
Artikelnummer: EB-F016L80198-F016101285
nur Informationsartikel
Nie mehr lieferbar
keine Alternativen
Pos.
738
BOSCH Schlüssel | Ersatzteile für COMMODORE B14ME | F016L34001
Hersteller: BOSCH
Artikelnummer: EB-F016L80198-F016L34001
Netto: 4,36 € zzgl. MwSt.
zzgl. 6,90 € Versand (brutto)
einmalig pro Bestellung

Lieferzeit: 5 Werktage

Pos.
740
BOSCH Laufbolzen | Ersatzteile für COMMODORE B14ME | F016L22677
Hersteller: BOSCH
Artikelnummer: EB-F016L80198-F016L22677
nur Informationsartikel
Nie mehr lieferbar
keine Alternativen
Pos.
741
BOSCH Lager | Ersatzteile für COMMODORE B14ME | F016L22675
Hersteller: BOSCH
Artikelnummer: EB-F016L80198-F016L22675
nur Informationsartikel
Nie mehr lieferbar
keine Alternativen
Pos.
742
BOSCH Scheibe | Ersatzteile für COMMODORE B14ME | F016L12114
Hersteller: BOSCH
Artikelnummer: EB-F016L80198-F016L12114
nur Informationsartikel
Nie mehr lieferbar
keine Alternativen
Pos.
747
BOSCH Schraube | Ersatzteile für COMMODORE B14ME | F016L23020
Hersteller: BOSCH
Artikelnummer: EB-F016L80198-F016L23020
nur Informationsartikel
Nie mehr lieferbar
keine Alternativen
Pos.
749
BOSCH Beilegring | Ersatzteile für COMMODORE B14ME | F016L23013
Hersteller: BOSCH
Artikelnummer: EB-F016L80198-F016L23013
nur Informationsartikel
Nie mehr lieferbar
keine Alternativen
Pos.
751
BOSCH Sicherungsmutter 1/2 UNF | Ersatzteile für COMMODORE B14ME | F016L08388
Hersteller: BOSCH
Artikelnummer: EB-F016L80198-F016L08388
Netto: 3,60 € zzgl. MwSt.
zzgl. 6,90 € Versand (brutto)
einmalig pro Bestellung

Lieferzeit: 5 Werktage

Pos.
753
BOSCH Antriebs-Kupplung 35 CM | Ersatzteile für COMMODORE B14ME | F016L34963
Hersteller: BOSCH
Artikelnummer: EB-F016L80198-F016L34963
nur Informationsartikel
Nie mehr lieferbar
keine Alternativen
Pos.
803
BOSCH Druckfeder | Ersatzteile für COMMODORE B14ME | F016L22681
Hersteller: BOSCH
Artikelnummer: EB-F016L80198-F016L22681
Netto: 3,60 € zzgl. MwSt.
zzgl. 6,90 € Versand (brutto)
einmalig pro Bestellung

Lieferzeit: 5 Werktage

Pos.
804
BOSCH Aufnahmestück | Ersatzteile für COMMODORE B14ME | F016100343
Hersteller: BOSCH
Artikelnummer: EB-F016L80198-F016100343
nur Informationsartikel
Nie mehr lieferbar
keine Alternativen
Pos.
806
BOSCH Steuerleiste | Ersatzteile für COMMODORE B14ME | F016L22679
Hersteller: BOSCH
Artikelnummer: EB-F016L80198-F016L22679
nur Informationsartikel
Nie mehr lieferbar
keine Alternativen
Pos.
807
BOSCH Bolzen | Ersatzteile für COMMODORE B14ME | F016L09528
Hersteller: BOSCH
Artikelnummer: EB-F016L80198-F016L09528
nur Informationsartikel
Nie mehr lieferbar
keine Alternativen
Pos.
808
BOSCH Bolzen | Ersatzteile für COMMODORE B14ME | F016100344
Hersteller: BOSCH
Artikelnummer: EB-F016L80198-F016100344
nur Informationsartikel
Nie mehr lieferbar
keine Alternativen
Pos.
809
BOSCH Kupplungswelle | Ersatzteile für COMMODORE B14ME | F016L20249
Hersteller: BOSCH
Artikelnummer: EB-F016L80198-F016L20249
Netto: 20,80 € zzgl. MwSt.
zzgl. 6,90 € Versand (brutto)
einmalig pro Bestellung

Lieferzeit: 5 Werktage

Pos.
810
BOSCH Lagerbuchse | Ersatzteile für COMMODORE B14ME | F016L09463
Hersteller: BOSCH
Artikelnummer: EB-F016L80198-F016L09463
nur Informationsartikel
Nie mehr lieferbar
keine Alternativen
Pos.
811
BOSCH Kettenrad | Ersatzteile für COMMODORE B14ME | F016L20203
Hersteller: BOSCH
Artikelnummer: EB-F016L80198-F016L20203
nur Informationsartikel
Nie mehr lieferbar
keine Alternativen
Pos.
812
BOSCH Kettenrad | Ersatzteile für COMMODORE B14ME | F016L09452
Hersteller: BOSCH
Artikelnummer: EB-F016L80198-F016L09452
nur Informationsartikel
Nie mehr lieferbar
keine Alternativen
Pos.
813
BOSCH Unterlegscheibe | Ersatzteile für COMMODORE B14ME | F016L09470
Hersteller: BOSCH
Artikelnummer: EB-F016L80198-F016L09470
Netto: 3,60 € zzgl. MwSt.
zzgl. 6,90 € Versand (brutto)
einmalig pro Bestellung

Lieferzeit: 5 Werktage

Pos.
814
BOSCH Ersatzteil | Ersatzteile für COMMODORE B14ME | F016L09451
Hersteller: BOSCH
Artikelnummer: EB-F016L80198-F016L09451
nur Informationsartikel
Nie mehr lieferbar
keine Alternativen
Pos.
815
BOSCH Feder | Ersatzteile für COMMODORE B14ME | F016L22968
Hersteller: BOSCH
Artikelnummer: EB-F016L80198-F016L22968
Netto: 3,60 € zzgl. MwSt.
zzgl. 6,90 € Versand (brutto)
einmalig pro Bestellung

Lieferzeit: 5 Werktage

Pos.
816
BOSCH Schraube 1/4 UNF X 3/8 | Ersatzteile für COMMODORE B14ME | F016L20205
Hersteller: BOSCH
Artikelnummer: EB-F016L80198-F016L20205
nur Informationsartikel
Nie mehr lieferbar
keine Alternativen
Pos.
817
BOSCH Druckplatte | Ersatzteile für COMMODORE B14ME | F016L34986
Hersteller: BOSCH
Artikelnummer: EB-F016L80198-F016L34986
nur Informationsartikel
Nie mehr lieferbar
keine Alternativen
Pos.
818
BOSCH Lagerkugel 125" DIA | Ersatzteile für COMMODORE B14ME | F016L09712
Hersteller: BOSCH
Artikelnummer: EB-F016L80198-F016L09712
Netto: 3,60 € zzgl. MwSt.
zzgl. 6,90 € Versand (brutto)
einmalig pro Bestellung

Lieferzeit: 5 Werktage

Pos.
819
BOSCH Spezialmutter | Ersatzteile für COMMODORE B14ME | F016L09676
Hersteller: BOSCH
Artikelnummer: EB-F016L80198-F016L09676
Netto: 3,60 € zzgl. MwSt.
zzgl. 6,90 € Versand (brutto)
einmalig pro Bestellung

Lieferzeit: 5 Werktage

Pos.
820
BOSCH Stange | Ersatzteile für COMMODORE B14ME | F016L24633
Hersteller: BOSCH
Artikelnummer: EB-F016L80198-F016L24633
nur Informationsartikel
Nie mehr lieferbar
keine Alternativen
Pos.
821
BOSCH Ersatzteil | Ersatzteile für COMMODORE B14ME | F016W25794
Hersteller: BOSCH
Artikelnummer: EB-F016L80198-F016W25794
nur Informationsartikel
Nie mehr lieferbar
keine Alternativen
Pos.
823
BOSCH Scheibe | Ersatzteile für COMMODORE B14ME | F016L09472
Hersteller: BOSCH
Artikelnummer: EB-F016L80198-F016L09472
nur Informationsartikel
Nie mehr lieferbar
keine Alternativen
Pos.
824
BOSCH Mutter | Ersatzteile für COMMODORE B14ME | F016L20250
Hersteller: BOSCH
Artikelnummer: EB-F016L80198-F016L20250
nur Informationsartikel
Nie mehr lieferbar
keine Alternativen
Pos.
825
BOSCH Stellring | Ersatzteile für COMMODORE B14ME | F016T48549
Hersteller: BOSCH
Artikelnummer: EB-F016L80198-F016T48549
nur Informationsartikel
Nie mehr lieferbar
keine Alternativen
Pos.
826
BOSCH Ersatzteil | Ersatzteile für COMMODORE B14ME | F016L09450
Hersteller: BOSCH
Artikelnummer: EB-F016L80198-F016L09450
nur Informationsartikel
Nie mehr lieferbar
keine Alternativen
Pos.
827
BOSCH Unterlegscheibe 3/8X3/4X15G | Ersatzteile für COMMODORE B14ME | F016L18023
Hersteller: BOSCH
Artikelnummer: EB-F016L80198-F016L18023
nur Informationsartikel
Nie mehr lieferbar
keine Alternativen
Pos.
828
BOSCH Schraube M6X12 | Ersatzteile für COMMODORE B14ME | F016W25797
Hersteller: BOSCH
Artikelnummer: EB-F016L80198-F016W25797
nur Informationsartikel
Nie mehr lieferbar
keine Alternativen
Pos.
829
BOSCH Antriebs-Kupplung | Ersatzteile für COMMODORE B14ME | F016L24630
Hersteller: BOSCH
Artikelnummer: EB-F016L80198-F016L24630
nur Informationsartikel
Nie mehr lieferbar
keine Alternativen

Angaben zur Produktsicherheit

Hersteller:
Robert Bosch Power Tools GmbH
Postfach 30 02 20
70442 Stuttgart

E-Mail:
kontakt@bosch.de