BOSCH Hebel | Ersatzteile für CONCORDE 35 | F016T56466

Artikelnummer: EB-F016L80662-F016T56466

Position: 40/02

Marke: BOSCH


Bitte Kompatibilität prüfen!

Bitte prüfen Sie unbedingt die 10-stellige Typennummer Ihrer Maschine / Ihres Gerätes. Das Ersatzteil ist nur kompatibel, wenn Sie die Typennummer Ihrer Maschine in der unten stehenden Produktbeschreibung finden.

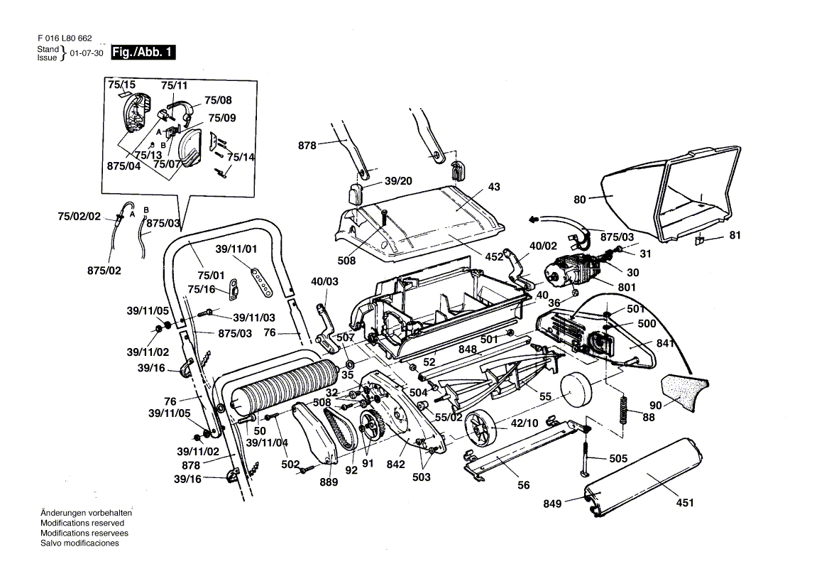
Bitte prüfen Sie ebenfalls detailliert die Explosionszeichnung mit Ihrem Artikelwunsch und der jeweiligen Pos-Nummer.

Alle Elemente, welche vom schwarzen Strich der Pos-Nummer ausgehend berührt / erfasst werden, gehören zu dieser Pos-Nummer und somit zu diesem Artikel. Jede Pos-Nummer ist ein eigenständiger Artikel, welchen Sie in der Auflistung finden.

Sie erhalten stets die aktuellste, neueste Produktversion zu der gewählten Pos-Nummer seitens des Herstellers. Es kann daher je nach Gerätealter vorkommen, dass Sie ggf. weitere, zugehörige Elemente, welche an diese Pos-Nummer grenzen, ebenfalls mittauschen müssen.

Nähere Informationen finden Sie unter dem Link
Hinweise zu Ihrer BOSCH Ersatzteilsuche

Preisübersicht

Einzelpreis: 4,53 €* (Brutto: 5,39 €)
Gesamtpreis: 4,53 €* 
Position:

Lieferzeit: 5 Werktage


Beschreibung

  • Hebel
  • Original Bosch Zubehör / BOSCH Ersatzteil (F016T56466)
  • im Gerät verbaut: 1
Dieses BOSCH Ersatzteil ist mit folgendem Gerät und Modell kompatibel:
  • BOSCH Gerätename: CONCORDE 35
  • BOSCH Explosionszeichnung: Position 40/02
  • BOSCH Typennummer: F016L80662
  • BOSCH Typennummer alternative Schreibweisen: F 016 L80 662, F016 L80 662, F.016.L80.662, F-016-L80-662
    Bitte prüfen Sie diese Typennummer auf Ihrem Gerät um die Kompatibilität des BOSCH Ersatzteils zu gewährleisten.
Weitere BOSCH Ersatzteile des Gerätes CONCORDE 35 (Rasenmäher) mit der Typennummer F016L80662 finden Sie in der nachfolgenden Darstellung und im Dropdown zu Ihrer Auswahl:

Pos.
39/11/01
BOSCH Montierschlüssel | Ersatzteile für CONCORDE 35 | F016T47898
Hersteller: BOSCH
Artikelnummer: EB-F016L80662-F016T47898
nur Informationsartikel
Nie mehr lieferbar
keine Alternativen
Pos.
39/11/02
BOSCH Mutter M6 | Ersatzteile für CONCORDE 35 | F016L35329
Hersteller: BOSCH
Artikelnummer: EB-F016L80662-F016L35329
Netto: 3,94 € zzgl. MwSt.
zzgl. 6,90 € Versand (brutto)
einmalig pro Bestellung

Lieferzeit: 5 Werktage

Pos.
39/11/03
BOSCH Laufbolzen | Ersatzteile für CONCORDE 35 | F016T46339
Hersteller: BOSCH
Artikelnummer: EB-F016L80662-F016T46339
nur Informationsartikel
Nie mehr lieferbar
keine Alternativen
Pos.
39/11/04
BOSCH Schraube | Ersatzteile für CONCORDE 35 | F016T48068
Hersteller: BOSCH
Artikelnummer: EB-F016L80662-F016T48068
nur Informationsartikel
Nie mehr lieferbar
keine Alternativen
Pos.
39/11/05
BOSCH Unterlegscheibe | Ersatzteile für CONCORDE 35 | F016T48727
Hersteller: BOSCH
Artikelnummer: EB-F016L80662-F016T48727
nur Informationsartikel
Nie mehr lieferbar
keine Alternativen
Pos.
39/16
BOSCH Kabelhalter | Ersatzteile für CONCORDE 35 | F016L11580
Hersteller: BOSCH
Artikelnummer: EB-F016L80662-F016L11580
nur Informationsartikel
Nie mehr lieferbar
keine Alternativen
Pos.
39/20
BOSCH Clip | Ersatzteile für CONCORDE 35 | F016T48826
Hersteller: BOSCH
Artikelnummer: EB-F016L80662-F016T48826
nur Informationsartikel
Nie mehr lieferbar
keine Alternativen
Pos.
40/02
BOSCH Hebel | Ersatzteile für CONCORDE 35 | F016T56466
Hersteller: BOSCH
Artikelnummer: EB-F016L80662-F016T56466
Netto: 4,53 € zzgl. MwSt.
zzgl. 6,90 € Versand (brutto)
einmalig pro Bestellung

Lieferzeit: 5 Werktage

Pos.
40/03
BOSCH Hebel | Ersatzteile für CONCORDE 35 | F016T56467
Hersteller: BOSCH
Artikelnummer: EB-F016L80662-F016T56467
Netto: 4,53 € zzgl. MwSt.
zzgl. 6,90 € Versand (brutto)
einmalig pro Bestellung

Lieferzeit: 5 Werktage

Pos.
42/10
BOSCH Laufrad SCHWARZ | Ersatzteile für CONCORDE 35 | F016T42473
Hersteller: BOSCH
Artikelnummer: EB-F016L80662-F016T42473
nur Informationsartikel
Nie mehr lieferbar
keine Alternativen
Pos.
55/02
BOSCH Lagerbuchse | Ersatzteile für CONCORDE 35 | F016T40530
Hersteller: BOSCH
Artikelnummer: EB-F016L80662-F016T40530
Netto: 3,94 € zzgl. MwSt.
zzgl. 6,90 € Versand (brutto)
einmalig pro Bestellung

Lieferzeit: 5 Werktage

Pos.
75/01
BOSCH Handgriff | Ersatzteile für CONCORDE 35 | F016T49095
Hersteller: BOSCH
Artikelnummer: EB-F016L80662-F016T49095
nur Informationsartikel
Nie mehr lieferbar
keine Alternativen
Pos.
75/02/02
BOSCH Tülle | Ersatzteile für CONCORDE 35 | F016T44500
Hersteller: BOSCH
Artikelnummer: EB-F016L80662-F016T44500
Netto: 3,94 € zzgl. MwSt.
zzgl. 6,90 € Versand (brutto)
einmalig pro Bestellung

Lieferzeit: 5 Werktage

Pos.
75/07
BOSCH Ein/Aus-Schalter | Ersatzteile für CONCORDE 35 | F016F05717
Hersteller: BOSCH
Artikelnummer: EB-F016L80662-F016F05717
Netto: 12,98 € zzgl. MwSt.
zzgl. 6,90 € Versand (brutto)
einmalig pro Bestellung

Lieferzeit: 5 Werktage

Pos.
75/08
BOSCH Stellhebel SCHWARZ | Ersatzteile für CONCORDE 35 | F016L65676
Hersteller: BOSCH
Artikelnummer: EB-F016L80662-F016L65676
nur Informationsartikel
Nie mehr lieferbar
keine Alternativen
Pos.
75/09
BOSCH Federhebel | Ersatzteile für CONCORDE 35 | F016T49845
Hersteller: BOSCH
Artikelnummer: EB-F016L80662-F016T49845
nur Informationsartikel
Nie mehr lieferbar
keine Alternativen
Pos.
75/11
BOSCH Druckfeder | Ersatzteile für CONCORDE 35 | F016T49226
Hersteller: BOSCH
Artikelnummer: EB-F016L80662-F016T49226
nur Informationsartikel
Nie mehr lieferbar
keine Alternativen
Pos.
75/13
BOSCH Kondensator | Ersatzteile für CONCORDE 35 | F016L36952
Hersteller: BOSCH
Artikelnummer: EB-F016L80662-F016L36952
Netto: 3,63 € zzgl. MwSt.
zzgl. 6,90 € Versand (brutto)
einmalig pro Bestellung

Lieferzeit: 5 Werktage

Pos.
75/15
BOSCH Hinweisschild | Ersatzteile für CONCORDE 35 | F016L62122
Hersteller: BOSCH
Artikelnummer: EB-F016L80662-F016L62122
nur Informationsartikel
Nie mehr lieferbar
keine Alternativen
Pos.
75/16
BOSCH Zugentlastung | Ersatzteile für CONCORDE 35 | F016L65387
Hersteller: BOSCH
Artikelnummer: EB-F016L80662-F016L65387
Netto: 8,33 € zzgl. MwSt.
zzgl. 6,90 € Versand (brutto)
einmalig pro Bestellung

Lieferzeit: 5 Werktage

Pos.
875/02
BOSCH Netzanschlussleitung GB 22m 2 x 0,75mm without plug | Ersatzteile für CONCORDE 35 | F016104085
Hersteller: BOSCH
Artikelnummer: EB-F016L80662-F016104085
nur Informationsartikel
Nie mehr lieferbar
keine Alternativen
Pos.
875/02/01
BOSCH Netzanschlussleitung | Ersatzteile für CONCORDE 35 | F016T49684
Hersteller: BOSCH
Artikelnummer: EB-F016L80662-F016T49684
nur Informationsartikel
Nie mehr lieferbar
keine Alternativen
Pos.
875/03
BOSCH Verbindungskabel | Ersatzteile für CONCORDE 35 | F016L37275
Hersteller: BOSCH
Artikelnummer: EB-F016L80662-F016L37275
nur Informationsartikel
Nie mehr lieferbar
keine Alternativen
Pos.
875/04
BOSCH Montagesatz | Ersatzteile für CONCORDE 35 | F016103136
Hersteller: BOSCH
Artikelnummer: EB-F016L80662-F016103136
nur Informationsartikel
Nie mehr lieferbar
keine Alternativen
Pos.
30
BOSCH Kabelhalter | Ersatzteile für CONCORDE 35 | F016T46305
Hersteller: BOSCH
Artikelnummer: EB-F016L80662-F016T46305
Netto: 3,94 € zzgl. MwSt.
zzgl. 6,90 € Versand (brutto)
einmalig pro Bestellung

Lieferzeit: 5 Werktage

Pos.
31
BOSCH Gewindeschneidschraube | Ersatzteile für CONCORDE 35 | F016L37433
Hersteller: BOSCH
Artikelnummer: EB-F016L80662-F016L37433
Netto: 3,63 € zzgl. MwSt.
zzgl. 6,90 € Versand (brutto)
einmalig pro Bestellung

Lieferzeit: 5 Werktage

Pos.
32
BOSCH Gewindebolzen 5/16 UNC X 17/32 | Ersatzteile für CONCORDE 35 | F016T40588
Hersteller: BOSCH
Artikelnummer: EB-F016L80662-F016T40588
nur Informationsartikel
Nie mehr lieferbar
keine Alternativen
Pos.
35
BOSCH Unterlegscheibe 8,5 MM | Ersatzteile für CONCORDE 35 | F016T48531
Hersteller: BOSCH
Artikelnummer: EB-F016L80662-F016T48531
nur Informationsartikel
Nie mehr lieferbar
keine Alternativen
Pos.
36
BOSCH Sechskantmutter | Ersatzteile für CONCORDE 35 | F016T40589
Hersteller: BOSCH
Artikelnummer: EB-F016L80662-F016T40589
nur Informationsartikel
Nie mehr lieferbar
keine Alternativen
Pos.
40
BOSCH Gehäuse | Ersatzteile für CONCORDE 35 | F016T56465
Hersteller: BOSCH
Artikelnummer: EB-F016L80662-F016T56465
nur Informationsartikel
Nie mehr lieferbar
keine Alternativen
Pos.
43
BOSCH Gehäuseoberteil | Ersatzteile für CONCORDE 35 | F016T56479
Hersteller: BOSCH
Artikelnummer: EB-F016L80662-F016T56479
nur Informationsartikel
Nie mehr lieferbar
keine Alternativen
Pos.
50
BOSCH Rolle | Ersatzteile für CONCORDE 35 | F016T56470
Hersteller: BOSCH
Artikelnummer: EB-F016L80662-F016T56470
nur Informationsartikel
Nie mehr lieferbar
keine Alternativen
Pos.
52
BOSCH Spindel | Ersatzteile für CONCORDE 35 | F016T56474
Hersteller: BOSCH
Artikelnummer: EB-F016L80662-F016T56474
nur Informationsartikel
Nie mehr lieferbar
keine Alternativen
Pos.
55
BOSCH Spindel | Ersatzteile für CONCORDE 35 | F016T49215
Hersteller: BOSCH
Artikelnummer: EB-F016L80662-F016T49215
nur Informationsartikel
Nie mehr lieferbar
keine Alternativen
Pos.
56
BOSCH Untermesser | Ersatzteile für CONCORDE 35 | F016T56471
Hersteller: BOSCH
Artikelnummer: EB-F016L80662-F016T56471
nur Informationsartikel
Nie mehr lieferbar
keine Alternativen
Pos.
76
BOSCH Verlängerung | Ersatzteile für CONCORDE 35 | F016T48813
Hersteller: BOSCH
Artikelnummer: EB-F016L80662-F016T48813
nur Informationsartikel
Nie mehr lieferbar
keine Alternativen
Pos.
80
BOSCH Auffangbehälter | Ersatzteile für CONCORDE 35 | F016L36182
Hersteller: BOSCH
Artikelnummer: EB-F016L80662-F016L36182
Netto: 32,16 € zzgl. MwSt.
zzgl. 6,90 € Versand (brutto)
einmalig pro Bestellung

Lieferzeit: 5 Werktage

Pos.
81
BOSCH Puffer | Ersatzteile für CONCORDE 35 | F016L36167
Hersteller: BOSCH
Artikelnummer: EB-F016L80662-F016L36167
nur Informationsartikel
Nie mehr lieferbar
keine Alternativen
Pos.
88
BOSCH Druckfeder | Ersatzteile für CONCORDE 35 | F016L61461
Hersteller: BOSCH
Artikelnummer: EB-F016L80662-F016L61461
Netto: 3,60 € zzgl. MwSt.
zzgl. 6,90 € Versand (brutto)
einmalig pro Bestellung

Lieferzeit: 5 Werktage

Pos.
90
BOSCH Dichtung | Ersatzteile für CONCORDE 35 | F016T41172
Hersteller: BOSCH
Artikelnummer: EB-F016L80662-F016T41172
nur Informationsartikel
Nie mehr lieferbar
keine Alternativen
Pos.
91
BOSCH Vierkantschraube | Ersatzteile für CONCORDE 35 | F016T40714
Hersteller: BOSCH
Artikelnummer: EB-F016L80662-F016T40714
nur Informationsartikel
Nie mehr lieferbar
keine Alternativen
Pos.
91
BOSCH Zahnrad | Ersatzteile für CONCORDE 35 | F016T41111
Hersteller: BOSCH
Artikelnummer: EB-F016L80662-F016T41111
nur Informationsartikel
Nie mehr lieferbar
keine Alternativen
Pos.
92
BOSCH Zahnriemen | Ersatzteile für CONCORDE 35 | F016T41176
Hersteller: BOSCH
Artikelnummer: EB-F016L80662-F016T41176
nur Informationsartikel
Nie mehr lieferbar
keine Alternativen
Pos.
451
BOSCH Ersatzteil | Ersatzteile für CONCORDE 35 | F016L37382
Hersteller: BOSCH
Artikelnummer: EB-F016L80662-F016L37382
nur Informationsartikel
Nie mehr lieferbar
keine Alternativen
Pos.
452
BOSCH Klebeschild | Ersatzteile für CONCORDE 35 | F016L57391
Hersteller: BOSCH
Artikelnummer: EB-F016L80662-F016L57391
nur Informationsartikel
Nie mehr lieferbar
keine Alternativen
Pos.
500
BOSCH Unterlegscheibe 12,1X6,4X1,5 | Ersatzteile für CONCORDE 35 | F016L18129
Hersteller: BOSCH
Artikelnummer: EB-F016L80662-F016L18129
Netto: 3,60 € zzgl. MwSt.
zzgl. 6,90 € Versand (brutto)
einmalig pro Bestellung

Lieferzeit: 5 Werktage

Pos.
501
BOSCH Unterlegscheibe M 5 | Ersatzteile für CONCORDE 35 | F016L18130
Hersteller: BOSCH
Artikelnummer: EB-F016L80662-F016L18130
nur Informationsartikel
Nie mehr lieferbar
keine Alternativen
Pos.
502
BOSCH Schraube | Ersatzteile für CONCORDE 35 | F016L35313
Hersteller: BOSCH
Artikelnummer: EB-F016L80662-F016L35313
nur Informationsartikel
Nie mehr lieferbar
keine Alternativen
Pos.
503
BOSCH Gewindeschneidschraube | Ersatzteile für CONCORDE 35 | F016L35318
Hersteller: BOSCH
Artikelnummer: EB-F016L80662-F016L35318
nur Informationsartikel
Nie mehr lieferbar
keine Alternativen
Pos.
504
BOSCH Laufbolzen | Ersatzteile für CONCORDE 35 | F016T40948
Hersteller: BOSCH
Artikelnummer: EB-F016L80662-F016T40948
nur Informationsartikel
Nie mehr lieferbar
keine Alternativen
Pos.
505
BOSCH Laufbolzen | Ersatzteile für CONCORDE 35 | F016T41058
Hersteller: BOSCH
Artikelnummer: EB-F016L80662-F016T41058
Netto: 3,94 € zzgl. MwSt.
zzgl. 6,90 € Versand (brutto)
einmalig pro Bestellung

Lieferzeit: 5 Werktage

Pos.
506
BOSCH Mutter | Ersatzteile für CONCORDE 35 | F016L18048
Hersteller: BOSCH
Artikelnummer: EB-F016L80662-F016L18048
nur Informationsartikel
Nie mehr lieferbar
keine Alternativen
Pos.
507
BOSCH Unterlegscheibe Ø8,15 SCHWARZ | Ersatzteile für CONCORDE 35 | F016T48185
Hersteller: BOSCH
Artikelnummer: EB-F016L80662-F016T48185
nur Informationsartikel
Nie mehr lieferbar
keine Alternativen
Pos.
508
BOSCH Gewindeschneidschraube 4x19 MM | Ersatzteile für CONCORDE 35 | F016T49429
Hersteller: BOSCH
Artikelnummer: EB-F016L80662-F016T49429
Netto: 3,63 € zzgl. MwSt.
zzgl. 6,90 € Versand (brutto)
einmalig pro Bestellung

Lieferzeit: 5 Werktage

Pos.
801
BOSCH Elektromotor 230V | Ersatzteile für CONCORDE 35 | F016L80623
Hersteller: BOSCH
Artikelnummer: EB-F016L80662-F016L80623
nur Informationsartikel
Nie mehr lieferbar
keine Alternativen
Pos.
841
BOSCH Seitenplatte | Ersatzteile für CONCORDE 35 | F016102275
Hersteller: BOSCH
Artikelnummer: EB-F016L80662-F016102275
nur Informationsartikel
Nie mehr lieferbar
keine Alternativen
Pos.
842
BOSCH Seitenplatte | Ersatzteile für CONCORDE 35 | F016101730
Hersteller: BOSCH
Artikelnummer: EB-F016L80662-F016101730
nur Informationsartikel
Nie mehr lieferbar
keine Alternativen
Pos.
848
BOSCH Ersatzteil | Ersatzteile für CONCORDE 35 | F016101656
Hersteller: BOSCH
Artikelnummer: EB-F016L80662-F016101656
nur Informationsartikel
Nie mehr lieferbar
keine Alternativen
Pos.
849
BOSCH Ersatzteil | Ersatzteile für CONCORDE 35 | F016101727
Hersteller: BOSCH
Artikelnummer: EB-F016L80662-F016101727
nur Informationsartikel
Nie mehr lieferbar
keine Alternativen
Pos.
878
BOSCH Handgriff | Ersatzteile für CONCORDE 35 | F016101657
Hersteller: BOSCH
Artikelnummer: EB-F016L80662-F016101657
Netto: 9,95 € zzgl. MwSt.
zzgl. 6,90 € Versand (brutto)
einmalig pro Bestellung

Lieferzeit: 5 Werktage

Pos.
889
BOSCH Bandabdeckung | Ersatzteile für CONCORDE 35 | F016101725
Hersteller: BOSCH
Artikelnummer: EB-F016L80662-F016101725
nur Informationsartikel
Nie mehr lieferbar
keine Alternativen

Angaben zur Produktsicherheit

Hersteller:
Robert Bosch Power Tools GmbH
Postfach 30 02 20
70442 Stuttgart

E-Mail:
kontakt@bosch.de