BOSCH Sicherungsmutter | Ersatzteile für CS10 | 2610904165

Artikelnummer: EB-06016720A0-2610904165

Position: 46

Marke: BOSCH


Bitte Kompatibilität prüfen!

Bitte prüfen Sie unbedingt die 10-stellige Typennummer Ihrer Maschine / Ihres Gerätes. Das Ersatzteil ist nur kompatibel, wenn Sie die Typennummer Ihrer Maschine in der unten stehenden Produktbeschreibung finden.

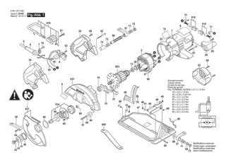
Bitte prüfen Sie ebenfalls detailliert die Explosionszeichnung mit Ihrem Artikelwunsch und der jeweiligen Pos-Nummer.

Alle Elemente, welche vom schwarzen Strich der Pos-Nummer ausgehend berührt / erfasst werden, gehören zu dieser Pos-Nummer und somit zu diesem Artikel. Jede Pos-Nummer ist ein eigenständiger Artikel, welchen Sie in der Auflistung finden.

Sie erhalten stets die aktuellste, neueste Produktversion zu der gewählten Pos-Nummer seitens des Herstellers. Es kann daher je nach Gerätealter vorkommen, dass Sie ggf. weitere, zugehörige Elemente, welche an diese Pos-Nummer grenzen, ebenfalls mittauschen müssen.

Nähere Informationen finden Sie unter dem Link
Hinweise zu Ihrer BOSCH Ersatzteilsuche

Preisübersicht

Einzelpreis: 4,54 €* (Brutto: 5,40 €)
Gesamtpreis: 4,54 €* 
Position:

Lieferzeit: 5 Werktage


Beschreibung

  • Sicherungsmutter
  • Original Bosch Zubehör / BOSCH Ersatzteil (2610904165)
  • im Gerät verbaut: 1
Dieses BOSCH Ersatzteil ist mit folgendem Gerät und Modell kompatibel:
  • BOSCH Gerätename: CS10
  • BOSCH Explosionszeichnung: Position 46
  • BOSCH Typennummer: 06016720A0
  • BOSCH Typennummer alternative Schreibweisen: 0 601 672 0A0, 0601 672 0A0, 0.601.672.0A0, 0-601-672-0A0
    Bitte prüfen Sie diese Typennummer auf Ihrem Gerät um die Kompatibilität des BOSCH Ersatzteils zu gewährleisten.
Weitere BOSCH Ersatzteile des Gerätes CS10 (Handkreissäge) mit der Typennummer 06016720A0 finden Sie in der nachfolgenden Darstellung und im Dropdown zu Ihrer Auswahl:

Pos.
1
BOSCH Motorgehäuse | Ersatzteile für CS10 | 16051082F6
Hersteller: BOSCH
Artikelnummer: EB-06016720A0-16051082F6
Netto: 7,30 € zzgl. MwSt.
zzgl. 6,90 € Versand (brutto)
einmalig pro Bestellung

Lieferzeit: 5 Werktage

Pos.
2
BOSCH Polschuh 120V | Ersatzteile für CS10 | 1619P14885
Hersteller: BOSCH
Artikelnummer: EB-06016720A0-1619P14885
Netto: 24,13 € zzgl. MwSt.
zzgl. 6,90 € Versand (brutto)
einmalig pro Bestellung

Lieferzeit: 5 Werktage

Pos.
4
BOSCH Schalter | Ersatzteile für CS10 | 2610919466
Hersteller: BOSCH
Artikelnummer: EB-06016720A0-2610919466
Netto: 15,18 € zzgl. MwSt.
zzgl. 6,90 € Versand (brutto)
einmalig pro Bestellung

Lieferzeit: 5 Werktage

Pos.
5
BOSCH Netzanschlussleitung | Ersatzteile für CS10 | 2610920507
Hersteller: BOSCH
Artikelnummer: EB-06016720A0-2610920507
Nie mehr lieferbar
keine Alternativen
Pos.
6
BOSCH Tülle | Ersatzteile für CS10 | 1619P06485
Hersteller: BOSCH
Artikelnummer: EB-06016720A0-1619P06485
Nie mehr lieferbar
keine Alternativen
Pos.
7
BOSCH Kabelklemme | Ersatzteile für CS10 | 2610993191
Hersteller: BOSCH
Artikelnummer: EB-06016720A0-2610993191
Netto: 3,94 € zzgl. MwSt.
zzgl. 6,90 € Versand (brutto)
einmalig pro Bestellung

Lieferzeit: 5 Werktage

Pos.
8
BOSCH Typschild | Ersatzteile für CS10 | 1619P15027
Hersteller: BOSCH
Artikelnummer: EB-06016720A0-1619P15027
Netto: 1,95 € zzgl. MwSt.
zzgl. 6,90 € Versand (brutto)
einmalig pro Bestellung

Lieferzeit: 5 Werktage

Pos.
9
BOSCH Firmenschild | Ersatzteile für CS10 | 2610918142
Hersteller: BOSCH
Artikelnummer: EB-06016720A0-2610918142
Nie mehr lieferbar
keine Alternativen
Pos.
13
BOSCH Rillenkugellager | Ersatzteile für CS10 | 2610017348
Hersteller: BOSCH
Artikelnummer: EB-06016720A0-2610017348
Netto: 9,95 € zzgl. MwSt.
zzgl. 6,90 € Versand (brutto)
einmalig pro Bestellung

Lieferzeit: 5 Werktage

Pos.
14
BOSCH Rillenkugellager | Ersatzteile für CS10 | 2610350311
Hersteller: BOSCH
Artikelnummer: EB-06016720A0-2610350311
Netto: 10,92 € zzgl. MwSt.
zzgl. 6,90 € Versand (brutto)
einmalig pro Bestellung

Lieferzeit: 5 Werktage

Pos.
19
BOSCH Schraube | Ersatzteile für CS10 | 1619X00504
Hersteller: BOSCH
Artikelnummer: EB-06016720A0-1619X00504
Netto: 3,63 € zzgl. MwSt.
zzgl. 6,90 € Versand (brutto)
einmalig pro Bestellung

Lieferzeit: 5 Werktage

Pos.
22
BOSCH Verschlusskappe SCHWARZ | Ersatzteile für CS10 | 2610917052
Hersteller: BOSCH
Artikelnummer: EB-06016720A0-2610917052
Netto: 6,15 € zzgl. MwSt.
zzgl. 6,90 € Versand (brutto)
einmalig pro Bestellung

Lieferzeit: 5 Werktage

Pos.
23
BOSCH Umlenkblech | Ersatzteile für CS10 | 2610924448
Hersteller: BOSCH
Artikelnummer: EB-06016720A0-2610924448
Netto: 6,70 € zzgl. MwSt.
zzgl. 6,90 € Versand (brutto)
einmalig pro Bestellung

Lieferzeit: 5 Werktage

Pos.
24
BOSCH Handgriff | Ersatzteile für CS10 | 1619P13779
Hersteller: BOSCH
Artikelnummer: EB-06016720A0-1619P13779
Netto: 8,33 € zzgl. MwSt.
zzgl. 6,90 € Versand (brutto)
einmalig pro Bestellung

Lieferzeit: 5 Werktage

Pos.
25
BOSCH Zusatzhandgriff SCHWARZ | Ersatzteile für CS10 | 1619P16836
Hersteller: BOSCH
Artikelnummer: EB-06016720A0-1619P16836
Nie mehr lieferbar
keine Alternativen
Pos.
28
BOSCH Gummiring | Ersatzteile für CS10 | 1619P01127
Hersteller: BOSCH
Artikelnummer: EB-06016720A0-1619P01127
Netto: 3,63 € zzgl. MwSt.
zzgl. 6,90 € Versand (brutto)
einmalig pro Bestellung

Lieferzeit: 5 Werktage

Pos.
29
BOSCH Elektr Leitung | Ersatzteile für CS10 | 2610038934
Hersteller: BOSCH
Artikelnummer: EB-06016720A0-2610038934
Netto: 4,53 € zzgl. MwSt.
zzgl. 6,90 € Versand (brutto)
einmalig pro Bestellung

Lieferzeit: 5 Werktage

Pos.
30
BOSCH Elektr Leitung | Ersatzteile für CS10 | 2610935332
Hersteller: BOSCH
Artikelnummer: EB-06016720A0-2610935332
Netto: 5,19 € zzgl. MwSt.
zzgl. 6,90 € Versand (brutto)
einmalig pro Bestellung

Lieferzeit: 5 Werktage

Pos.
31
BOSCH Elektr Leitung | Ersatzteile für CS10 | 2610918148
Hersteller: BOSCH
Artikelnummer: EB-06016720A0-2610918148
Netto: 4,32 € zzgl. MwSt.
zzgl. 6,90 € Versand (brutto)
einmalig pro Bestellung

Lieferzeit: 5 Werktage

Pos.
32
BOSCH Sperrbolzen | Ersatzteile für CS10 | 2610937399
Hersteller: BOSCH
Artikelnummer: EB-06016720A0-2610937399
Netto: 5,19 € zzgl. MwSt.
zzgl. 6,90 € Versand (brutto)
einmalig pro Bestellung

Lieferzeit: 5 Werktage

Pos.
33
BOSCH Druckfeder | Ersatzteile für CS10 | 1619P01642
Hersteller: BOSCH
Artikelnummer: EB-06016720A0-1619P01642
Netto: 3,63 € zzgl. MwSt.
zzgl. 6,90 € Versand (brutto)
einmalig pro Bestellung

Lieferzeit: 5 Werktage

Pos.
38
BOSCH Hebel | Ersatzteile für CS10 | 2610917405
Hersteller: BOSCH
Artikelnummer: EB-06016720A0-2610917405
Netto: 3,95 € zzgl. MwSt.
zzgl. 6,90 € Versand (brutto)
einmalig pro Bestellung

Lieferzeit: 5 Werktage

Pos.
40
BOSCH Haltering | Ersatzteile für CS10 | 2610921144
Hersteller: BOSCH
Artikelnummer: EB-06016720A0-2610921144
Netto: 3,63 € zzgl. MwSt.
zzgl. 6,90 € Versand (brutto)
einmalig pro Bestellung

Lieferzeit: 5 Werktage

Pos.
41
BOSCH Aufnahmeflansch | Ersatzteile für CS10 | 2610919164
Hersteller: BOSCH
Artikelnummer: EB-06016720A0-2610919164
Netto: 7,36 € zzgl. MwSt.
zzgl. 6,90 € Versand (brutto)
einmalig pro Bestellung

Lieferzeit: 5 Werktage

Pos.
42
BOSCH Scheibe | Ersatzteile für CS10 | 1619X00934
Hersteller: BOSCH
Artikelnummer: EB-06016720A0-1619X00934
Netto: 5,21 € zzgl. MwSt.
zzgl. 6,90 € Versand (brutto)
einmalig pro Bestellung

Lieferzeit: 5 Werktage

Pos.
43
BOSCH Sechskantschraube | Ersatzteile für CS10 | 1619X00935
Hersteller: BOSCH
Artikelnummer: EB-06016720A0-1619X00935
Netto: 3,63 € zzgl. MwSt.
zzgl. 6,90 € Versand (brutto)
einmalig pro Bestellung

Lieferzeit: 5 Werktage

Pos.
44
BOSCH Anschlagpuffer | Ersatzteile für CS10 | 2610918151
Hersteller: BOSCH
Artikelnummer: EB-06016720A0-2610918151
Netto: 3,63 € zzgl. MwSt.
zzgl. 6,90 € Versand (brutto)
einmalig pro Bestellung

Lieferzeit: 5 Werktage

Pos.
45
BOSCH Ansatzschraube | Ersatzteile für CS10 | 1600A00Z5M
Hersteller: BOSCH
Artikelnummer: EB-06016720A0-1600A00Z5M
Netto: 3,63 € zzgl. MwSt.
zzgl. 6,90 € Versand (brutto)
einmalig pro Bestellung

Lieferzeit: 5 Werktage

Pos.
46
BOSCH Sicherungsmutter | Ersatzteile für CS10 | 2610904165
Hersteller: BOSCH
Artikelnummer: EB-06016720A0-2610904165
Netto: 4,54 € zzgl. MwSt.
zzgl. 6,90 € Versand (brutto)
einmalig pro Bestellung

Lieferzeit: 5 Werktage

Pos.
47
BOSCH Grundplatte | Ersatzteile für CS10 | 1619P15078
Hersteller: BOSCH
Artikelnummer: EB-06016720A0-1619P15078
Netto: 32,16 € zzgl. MwSt.
zzgl. 6,90 € Versand (brutto)
einmalig pro Bestellung

Lieferzeit: 5 Werktage

Pos.
48
BOSCH Stützwinkel | Ersatzteile für CS10 | 2610917189
Hersteller: BOSCH
Artikelnummer: EB-06016720A0-2610917189
Nie mehr lieferbar
keine Alternativen
Pos.
49
BOSCH Scharnierkonsole | Ersatzteile für CS10 | 1619P14911
Hersteller: BOSCH
Artikelnummer: EB-06016720A0-1619P14911
Netto: 4,82 € zzgl. MwSt.
zzgl. 6,90 € Versand (brutto)
einmalig pro Bestellung

Lieferzeit: 5 Werktage

Pos.
50
BOSCH Ansatzschraube | Ersatzteile für CS10 | 2610917399
Hersteller: BOSCH
Artikelnummer: EB-06016720A0-2610917399
Nie mehr lieferbar
keine Alternativen
Pos.
51
BOSCH Scheibe | Ersatzteile für CS10 | 2610917048
Hersteller: BOSCH
Artikelnummer: EB-06016720A0-2610917048
Netto: 4,32 € zzgl. MwSt.
zzgl. 6,90 € Versand (brutto)
einmalig pro Bestellung

Lieferzeit: 5 Werktage

Pos.
53
BOSCH Formscheibe | Ersatzteile für CS10 | 2610919165
Hersteller: BOSCH
Artikelnummer: EB-06016720A0-2610919165
Nie mehr lieferbar
keine Alternativen
Pos.
55
BOSCH Mutter | Ersatzteile für CS10 | 2610917206
Hersteller: BOSCH
Artikelnummer: EB-06016720A0-2610917206
Netto: 1,18 € zzgl. MwSt.
zzgl. 6,90 € Versand (brutto)
einmalig pro Bestellung

Lieferzeit: 5 Werktage

Pos.
56
BOSCH Stange | Ersatzteile für CS10 | 2610917191
Hersteller: BOSCH
Artikelnummer: EB-06016720A0-2610917191
Netto: 4,53 € zzgl. MwSt.
zzgl. 6,90 € Versand (brutto)
einmalig pro Bestellung

Lieferzeit: 5 Werktage

Pos.
57
BOSCH Hebel | Ersatzteile für CS10 | 2610924368
Hersteller: BOSCH
Artikelnummer: EB-06016720A0-2610924368
Netto: 4,53 € zzgl. MwSt.
zzgl. 6,90 € Versand (brutto)
einmalig pro Bestellung

Lieferzeit: 5 Werktage

Pos.
59
BOSCH Schraube | Ersatzteile für CS10 | 1619P01505
Hersteller: BOSCH
Artikelnummer: EB-06016720A0-1619P01505
Netto: 3,63 € zzgl. MwSt.
zzgl. 6,90 € Versand (brutto)
einmalig pro Bestellung

Lieferzeit: 5 Werktage

Pos.
60
BOSCH Kontaktschraube | Ersatzteile für CS10 | 1619X07057
Hersteller: BOSCH
Artikelnummer: EB-06016720A0-1619X07057
Netto: 3,63 € zzgl. MwSt.
zzgl. 6,90 € Versand (brutto)
einmalig pro Bestellung

Lieferzeit: 5 Werktage

Pos.
61
BOSCH Schraube | Ersatzteile für CS10 | 2610920385
Hersteller: BOSCH
Artikelnummer: EB-06016720A0-2610920385
Netto: 3,63 € zzgl. MwSt.
zzgl. 6,90 € Versand (brutto)
einmalig pro Bestellung

Lieferzeit: 5 Werktage

Pos.
62
BOSCH Attrappe | Ersatzteile für CS10 | 2610346204
Hersteller: BOSCH
Artikelnummer: EB-06016720A0-2610346204
Nie mehr lieferbar
keine Alternativen
Pos.
63
BOSCH Schraube | Ersatzteile für CS10 | 2610925864
Hersteller: BOSCH
Artikelnummer: EB-06016720A0-2610925864
Netto: 3,63 € zzgl. MwSt.
zzgl. 6,90 € Versand (brutto)
einmalig pro Bestellung

Lieferzeit: 5 Werktage

Pos.
64
BOSCH Schraube | Ersatzteile für CS10 | 1619X06749
Hersteller: BOSCH
Artikelnummer: EB-06016720A0-1619X06749
Netto: 3,63 € zzgl. MwSt.
zzgl. 6,90 € Versand (brutto)
einmalig pro Bestellung

Lieferzeit: 5 Werktage

Pos.
65
BOSCH Nadellager | Ersatzteile für CS10 | 2610020639
Hersteller: BOSCH
Artikelnummer: EB-06016720A0-2610020639
Netto: 5,19 € zzgl. MwSt.
zzgl. 6,90 € Versand (brutto)
einmalig pro Bestellung

Lieferzeit: 5 Werktage

Pos.
66
BOSCH Schraube | Ersatzteile für CS10 | 1619P01508
Hersteller: BOSCH
Artikelnummer: EB-06016720A0-1619P01508
Netto: 3,63 € zzgl. MwSt.
zzgl. 6,90 € Versand (brutto)
einmalig pro Bestellung

Lieferzeit: 5 Werktage

Pos.
68
BOSCH Abstandshülse | Ersatzteile für CS10 | 2610918985
Hersteller: BOSCH
Artikelnummer: EB-06016720A0-2610918985
Netto: 3,63 € zzgl. MwSt.
zzgl. 6,90 € Versand (brutto)
einmalig pro Bestellung

Lieferzeit: 5 Werktage

Pos.
69
BOSCH Gewindestift | Ersatzteile für CS10 | 2610911889
Hersteller: BOSCH
Artikelnummer: EB-06016720A0-2610911889
Nie mehr lieferbar
keine Alternativen
Pos.
71
BOSCH Feder SCHWARZ | Ersatzteile für CS10 | 1619X01792
Hersteller: BOSCH
Artikelnummer: EB-06016720A0-1619X01792
Netto: 3,63 € zzgl. MwSt.
zzgl. 6,90 € Versand (brutto)
einmalig pro Bestellung

Lieferzeit: 5 Werktage

Pos.
72
BOSCH Abdeckkappe | Ersatzteile für CS10 | 1619P17212
Hersteller: BOSCH
Artikelnummer: EB-06016720A0-1619P17212
Netto: 4,53 € zzgl. MwSt.
zzgl. 6,90 € Versand (brutto)
einmalig pro Bestellung

Lieferzeit: 5 Werktage

Pos.
73
BOSCH Feder | Ersatzteile für CS10 | 2610919467
Hersteller: BOSCH
Artikelnummer: EB-06016720A0-2610919467
Netto: 3,63 € zzgl. MwSt.
zzgl. 6,90 € Versand (brutto)
einmalig pro Bestellung

Lieferzeit: 5 Werktage

Pos.
74
BOSCH Abdeckhülse | Ersatzteile für CS10 | 2610919327
Hersteller: BOSCH
Artikelnummer: EB-06016720A0-2610919327
Netto: 3,63 € zzgl. MwSt.
zzgl. 6,90 € Versand (brutto)
einmalig pro Bestellung

Lieferzeit: 5 Werktage

Pos.
75
BOSCH Warnzettel | Ersatzteile für CS10 | 2610919562
Hersteller: BOSCH
Artikelnummer: EB-06016720A0-2610919562
Nie mehr lieferbar
keine Alternativen
Pos.
81
BOSCH Linsenblechschraube | Ersatzteile für CS10 | 1619X01796
Hersteller: BOSCH
Artikelnummer: EB-06016720A0-1619X01796
Netto: 3,63 € zzgl. MwSt.
zzgl. 6,90 € Versand (brutto)
einmalig pro Bestellung

Lieferzeit: 5 Werktage

Pos.
86
BOSCH Abdeckhülse | Ersatzteile für CS10 | 2610920799
Hersteller: BOSCH
Artikelnummer: EB-06016720A0-2610920799
Netto: 3,63 € zzgl. MwSt.
zzgl. 6,90 € Versand (brutto)
einmalig pro Bestellung

Lieferzeit: 5 Werktage

Pos.
88
BOSCH Scheibe | Ersatzteile für CS10 | 1619X00942
Hersteller: BOSCH
Artikelnummer: EB-06016720A0-1619X00942
Netto: 3,63 € zzgl. MwSt.
zzgl. 6,90 € Versand (brutto)
einmalig pro Bestellung

Lieferzeit: 5 Werktage

Pos.
89
BOSCH Rastfeder | Ersatzteile für CS10 | 2610921770
Hersteller: BOSCH
Artikelnummer: EB-06016720A0-2610921770
Nie mehr lieferbar
keine Alternativen
Pos.
90
BOSCH Verschleissplatte | Ersatzteile für CS10 | 1619X01766
Hersteller: BOSCH
Artikelnummer: EB-06016720A0-1619X01766
Nie mehr lieferbar
keine Alternativen
Pos.
650
BOSCH Steckschlüsseleinsatz | Ersatzteile für CS10 | 1619X01144
Hersteller: BOSCH
Artikelnummer: EB-06016720A0-1619X01144
Netto: 4,14 € zzgl. MwSt.
zzgl. 6,90 € Versand (brutto)
einmalig pro Bestellung

Lieferzeit: 5 Werktage

Pos.
803
BOSCH Anker 120V | Ersatzteile für CS10 | 1619X01694
Hersteller: BOSCH
Artikelnummer: EB-06016720A0-1619X01694
Netto: 57,47 € zzgl. MwSt.
zzgl. 6,90 € Versand (brutto)
einmalig pro Bestellung

Lieferzeit: 5 Werktage

Pos.
810
BOSCH Kohlebürstensatz | Ersatzteile für CS10 | 1619X01695
Hersteller: BOSCH
Artikelnummer: EB-06016720A0-1619X01695
Netto: 12,98 € zzgl. MwSt.
zzgl. 6,90 € Versand (brutto)
einmalig pro Bestellung

Lieferzeit: 5 Werktage

Pos.
827
BOSCH Schutzoberteil | Ersatzteile für CS10 | 2610934339
Hersteller: BOSCH
Artikelnummer: EB-06016720A0-2610934339
Nie mehr lieferbar
keine Alternativen
Pos.
834
BOSCH Getriebe | Ersatzteile für CS10 | 2610920048
Hersteller: BOSCH
Artikelnummer: EB-06016720A0-2610920048
Netto: 47,09 € zzgl. MwSt.
zzgl. 6,90 € Versand (brutto)
einmalig pro Bestellung

Lieferzeit: 5 Werktage

Pos.
837
BOSCH Schutzunterteil | Ersatzteile für CS10 | 1619P14440
Hersteller: BOSCH
Artikelnummer: EB-06016720A0-1619P14440
Netto: 19,18 € zzgl. MwSt.
zzgl. 6,90 € Versand (brutto)
einmalig pro Bestellung

Lieferzeit: 5 Werktage

Pos.
876
BOSCH Einhängehaken | Ersatzteile für CS10 | 2610923565
Hersteller: BOSCH
Artikelnummer: EB-06016720A0-2610923565
Nie mehr lieferbar
keine Alternativen

Angaben zur Produktsicherheit

Hersteller:
Robert Bosch Power Tools GmbH
Postfach 30 02 20
70442 Stuttgart

E-Mail:
kontakt@bosch.de