BOSCH Zusatzhandgriff | Ersatzteile für CSB 100-2 RET | 1619PB4323

Artikelnummer: EB-0603166132-1619PB4323

Position: 753

Marke: BOSCH


Bitte Kompatibilität prüfen!

Bitte prüfen Sie unbedingt die 10-stellige Typennummer Ihrer Maschine / Ihres Gerätes. Das Ersatzteil ist nur kompatibel, wenn Sie die Typennummer Ihrer Maschine in der unten stehenden Produktbeschreibung finden.

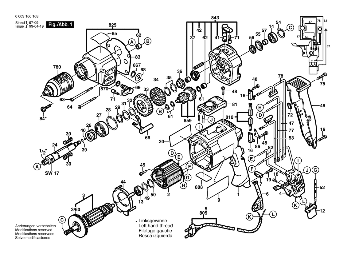
Bitte prüfen Sie ebenfalls detailliert die Explosionszeichnung mit Ihrem Artikelwunsch und der jeweiligen Pos-Nummer.

Alle Elemente, welche vom schwarzen Strich der Pos-Nummer ausgehend berührt / erfasst werden, gehören zu dieser Pos-Nummer und somit zu diesem Artikel. Jede Pos-Nummer ist ein eigenständiger Artikel, welchen Sie in der Auflistung finden.

Sie erhalten stets die aktuellste, neueste Produktversion zu der gewählten Pos-Nummer seitens des Herstellers. Es kann daher je nach Gerätealter vorkommen, dass Sie ggf. weitere, zugehörige Elemente, welche an diese Pos-Nummer grenzen, ebenfalls mittauschen müssen.

Nähere Informationen finden Sie unter dem Link
Hinweise zu Ihrer BOSCH Ersatzteilsuche

Preisübersicht

Einzelpreis: 9,05 €* (Brutto: 10,77 €)
Gesamtpreis: 9,05 €* 
Position:

Lieferzeit: 5 Werktage


Beschreibung

  • Zusatzhandgriff
  • Original Bosch Zubehör / BOSCH Ersatzteil (1619PB4323)
  • im Gerät verbaut: 1
Dieses BOSCH Ersatzteil ist mit folgendem Gerät und Modell kompatibel:
  • BOSCH Gerätename: CSB 100-2 RET
  • BOSCH Explosionszeichnung: Position 753
  • BOSCH Typennummer: 0603166132
  • BOSCH Typennummer alternative Schreibweisen: 0 603 166 132, 0603 166 132, 0.603.166.132, 0-603-166-132
    Bitte prüfen Sie diese Typennummer auf Ihrem Gerät um die Kompatibilität des BOSCH Ersatzteils zu gewährleisten.
Weitere BOSCH Ersatzteile des Gerätes CSB 100-2 RET (Schlagbohrmaschine) mit der Typennummer 0603166132 finden Sie in der nachfolgenden Darstellung und im Dropdown zu Ihrer Auswahl:

Pos.
1
BOSCH Motorgehäuse GRUEN | Ersatzteile für CSB 1000-2 RET | 2605104296
Hersteller: BOSCH
Artikelnummer: EB-0603166132-2605104296
nur Informationsartikel
Nie mehr lieferbar
keine Alternativen
Pos.
3/60
BOSCH Lüfter | Ersatzteile für CSB 1000-2 RET | 2606610049
Hersteller: BOSCH
Artikelnummer: EB-0603166132-2606610049
Netto: 4,36 € zzgl. MwSt.
zzgl. 6,90 € Versand (brutto)
einmalig pro Bestellung

Lieferzeit: 5 Werktage

Pos.
753/20
BOSCH Sechskantmutter DIN 934-M6-8-A | Ersatzteile für CSB 1000-2 RET | 2915011007
Hersteller: BOSCH
Artikelnummer: EB-0603166132-2915011007
Netto: 3,60 € zzgl. MwSt.
zzgl. 6,90 € Versand (brutto)
einmalig pro Bestellung

Lieferzeit: 5 Werktage

Pos.
753/30
BOSCH Flügelschraube M6x(15)55 | Ersatzteile für CSB 1000-2 RET | 1613480007
Hersteller: BOSCH
Artikelnummer: EB-0603166132-1613480007
Netto: 3,94 € zzgl. MwSt.
zzgl. 6,90 € Versand (brutto)
einmalig pro Bestellung

Lieferzeit: 5 Werktage

Pos.
753/50
BOSCH Spannplatte M6 | Ersatzteile für CSB 1000-2 RET | 2608040014
Hersteller: BOSCH
Artikelnummer: EB-0603166132-2608040014
nur Informationsartikel
Nie mehr lieferbar
keine Alternativen
Pos.
753/60
BOSCH Flügelschraube M6x20 MM | Ersatzteile für CSB 1000-2 RET | 1613480008
Hersteller: BOSCH
Artikelnummer: EB-0603166132-1613480008
Netto: 3,94 € zzgl. MwSt.
zzgl. 6,90 € Versand (brutto)
einmalig pro Bestellung

Lieferzeit: 5 Werktage

Pos.
2
BOSCH Polschuh 220-240V | Ersatzteile für CSB 1000-2 RET | 2604220436
Hersteller: BOSCH
Artikelnummer: EB-0603166132-2604220436
nur Informationsartikel
Nie mehr lieferbar
keine Alternativen
Pos.
3
BOSCH Anker 230-240V | Ersatzteile für CSB 1000-2 RET | 2604010865
Hersteller: BOSCH
Artikelnummer: EB-0603166132-2604010865
nur Informationsartikel
Nie mehr lieferbar
keine Alternativen
Pos.
4
BOSCH Ein/Aus-Schalter | Ersatzteile für CSB 1000-2 RET | 2607200238
Hersteller: BOSCH
Artikelnummer: EB-0603166132-2607200238
nur Informationsartikel
Nie mehr lieferbar
keine Alternativen
Pos.
5
BOSCH Netzanschlussleitung CH 230V 4,15m 2 x 1,0mm H05 RN-F | Ersatzteile für CSB 1000-2 RET | 1604460432
Hersteller: BOSCH
Artikelnummer: EB-0603166132-1604460432
Netto: 9,75 € zzgl. MwSt.
zzgl. 6,90 € Versand (brutto)
einmalig pro Bestellung

Lieferzeit: 5 Werktage

Pos.
6
BOSCH Tülle Ø6,5-Ø6,9x95 MM | Ersatzteile für CSB 1000-2 RET | 2600703012
Hersteller: BOSCH
Artikelnummer: EB-0603166132-2600703012
Netto: 4,80 € zzgl. MwSt.
zzgl. 6,90 € Versand (brutto)
einmalig pro Bestellung

Lieferzeit: 5 Werktage

Pos.
7
BOSCH Leitungshalter | Ersatzteile für CSB 1000-2 RET | 2601035001
Hersteller: BOSCH
Artikelnummer: EB-0603166132-2601035001
Netto: 3,94 € zzgl. MwSt.
zzgl. 6,90 € Versand (brutto)
einmalig pro Bestellung

Lieferzeit: 5 Werktage

Pos.
9
BOSCH Hinweisschild SONNENSEITE | Ersatzteile für CSB 1000-2 RET | 2601119418
Hersteller: BOSCH
Artikelnummer: EB-0603166132-2601119418
nur Informationsartikel
Nie mehr lieferbar
keine Alternativen
Pos.
12
BOSCH Entstörfilter | Ersatzteile für CSB 1000-2 RET | 2607329114
Hersteller: BOSCH
Artikelnummer: EB-0603166132-2607329114
nur Informationsartikel
Nie mehr lieferbar
keine Alternativen
Pos.
13
BOSCH Kugellager 7x22x7 | Ersatzteile für CSB 1000-2 RET | 1900905018
Hersteller: BOSCH
Artikelnummer: EB-0603166132-1900905018
Netto: 15,15 € zzgl. MwSt.
zzgl. 6,90 € Versand (brutto)
einmalig pro Bestellung

Lieferzeit: 5 Werktage

Pos.
14
BOSCH Rillenkugellager | Ersatzteile für CSB 1000-2 RET | 2600905050
Hersteller: BOSCH
Artikelnummer: EB-0603166132-2600905050
Netto: 10,79 € zzgl. MwSt.
zzgl. 6,90 € Versand (brutto)
einmalig pro Bestellung

Lieferzeit: 5 Werktage

Pos.
16
BOSCH Bürstenhalter | Ersatzteile für CSB 1000-2 RET | 2604337016
Hersteller: BOSCH
Artikelnummer: EB-0603166132-2604337016
Netto: 3,60 € zzgl. MwSt.
zzgl. 6,90 € Versand (brutto)
einmalig pro Bestellung

Lieferzeit: 5 Werktage

Pos.
18
BOSCH Zylinderschraube M3x6,5-4.8 | Ersatzteile für CSB 1000-2 RET | 2603410001
Hersteller: BOSCH
Artikelnummer: EB-0603166132-2603410001
Netto: 3,94 € zzgl. MwSt.
zzgl. 6,90 € Versand (brutto)
einmalig pro Bestellung

Lieferzeit: 5 Werktage

Pos.
19
BOSCH Schraube 4x16 | Ersatzteile für CSB 1000-2 RET | 2603490022
Hersteller: BOSCH
Artikelnummer: EB-0603166132-2603490022
Netto: 3,60 € zzgl. MwSt.
zzgl. 6,90 € Versand (brutto)
einmalig pro Bestellung

Lieferzeit: 5 Werktage

Pos.
20
BOSCH Hinweisschild SCHATTENSEITE | Ersatzteile für CSB 1000-2 RET | 2601119414
Hersteller: BOSCH
Artikelnummer: EB-0603166132-2601119414
nur Informationsartikel
Nie mehr lieferbar
keine Alternativen
Pos.
24
BOSCH Bohrspindel 1/2" | Ersatzteile für CSB 1000-2 RET | 2606135013
Hersteller: BOSCH
Artikelnummer: EB-0603166132-2606135013
nur Informationsartikel
Nie mehr lieferbar
keine Alternativen
Pos.
26
BOSCH Druckfeder | Ersatzteile für CSB 1000-2 RET | 2604616002
Hersteller: BOSCH
Artikelnummer: EB-0603166132-2604616002
Netto: 3,94 € zzgl. MwSt.
zzgl. 6,90 € Versand (brutto)
einmalig pro Bestellung

Lieferzeit: 5 Werktage

Pos.
27
BOSCH Rillenkugellager 17x35x10 | Ersatzteile für CSB 1000-2 RET | 1900905163
Hersteller: BOSCH
Artikelnummer: EB-0603166132-1900905163
Netto: 9,75 € zzgl. MwSt.
zzgl. 6,90 € Versand (brutto)
einmalig pro Bestellung

Lieferzeit: 5 Werktage

Pos.
28
BOSCH Sicherungsring DIN 472 35x1,5 MM | Ersatzteile für CSB 1000-2 RET | 2916660014
Hersteller: BOSCH
Artikelnummer: EB-0603166132-2916660014
Netto: 3,94 € zzgl. MwSt.
zzgl. 6,90 € Versand (brutto)
einmalig pro Bestellung

Lieferzeit: 5 Werktage

Pos.
29
BOSCH Sicherungsring DIN 471 17x1 MM | Ersatzteile für CSB 1000-2 RET | 2916650008
Hersteller: BOSCH
Artikelnummer: EB-0603166132-2916650008
Netto: 3,94 € zzgl. MwSt.
zzgl. 6,90 € Versand (brutto)
einmalig pro Bestellung

Lieferzeit: 5 Werktage

Pos.
30
BOSCH Flachkeil | Ersatzteile für CSB 1000-2 RET | 2602300028
Hersteller: BOSCH
Artikelnummer: EB-0603166132-2602300028
nur Informationsartikel
Nie mehr lieferbar
keine Alternativen
Pos.
31
BOSCH Haltescheibe | Ersatzteile für CSB 1000-2 RET | 2600101671
Hersteller: BOSCH
Artikelnummer: EB-0603166132-2600101671
Netto: 3,94 € zzgl. MwSt.
zzgl. 6,90 € Versand (brutto)
einmalig pro Bestellung

Lieferzeit: 5 Werktage

Pos.
32
BOSCH Ausgleichscheibe 1,0 MM | Ersatzteile für CSB 1000-2 RET | 2600101515
Hersteller: BOSCH
Artikelnummer: EB-0603166132-2600101515
Netto: 3,60 € zzgl. MwSt.
zzgl. 6,90 € Versand (brutto)
einmalig pro Bestellung

Lieferzeit: 5 Werktage

Pos.
33
BOSCH Stirnrad Z=48 | Ersatzteile für CSB 1000-2 RET | 2606317045
Hersteller: BOSCH
Artikelnummer: EB-0603166132-2606317045
Netto: 9,75 € zzgl. MwSt.
zzgl. 6,90 € Versand (brutto)
einmalig pro Bestellung

Lieferzeit: 5 Werktage

Pos.
34
BOSCH Stirnrad Z=36 | Ersatzteile für CSB 1000-2 RET | 2606317037
Hersteller: BOSCH
Artikelnummer: EB-0603166132-2606317037
nur Informationsartikel
Nie mehr lieferbar
keine Alternativen
Pos.
35
BOSCH Ausgleichscheibe 0,3 MM | Ersatzteile für CSB 1000-2 RET | 2600101617
Hersteller: BOSCH
Artikelnummer: EB-0603166132-2600101617
nur Informationsartikel
Nie mehr lieferbar
keine Alternativen
Pos.
35
BOSCH Ausgleichscheibe 0,5 MM | Ersatzteile für CSB 1000-2 RET | 2600101616
Hersteller: BOSCH
Artikelnummer: EB-0603166132-2600101616
Netto: 4,80 € zzgl. MwSt.
zzgl. 6,90 € Versand (brutto)
einmalig pro Bestellung

Lieferzeit: 5 Werktage

Pos.
36
BOSCH Rastscheibe | Ersatzteile für CSB 1000-2 RET | 2600190052
Hersteller: BOSCH
Artikelnummer: EB-0603166132-2600190052
nur Informationsartikel
Nie mehr lieferbar
keine Alternativen
Pos.
37
BOSCH Rastscheibe | Ersatzteile für CSB 1000-2 RET | 2600190057
Hersteller: BOSCH
Artikelnummer: EB-0603166132-2600190057
nur Informationsartikel
Nie mehr lieferbar
keine Alternativen
Pos.
39
BOSCH Distanzscheibe 0,2 MM | Ersatzteile für CSB 1000-2 RET | 2600000012
Hersteller: BOSCH
Artikelnummer: EB-0603166132-2600000012
Netto: 3,60 € zzgl. MwSt.
zzgl. 6,90 € Versand (brutto)
einmalig pro Bestellung

Lieferzeit: 5 Werktage

Pos.
39
BOSCH Distanzscheibe 0,5 MM | Ersatzteile für CSB 1000-2 RET | 2600000014
Hersteller: BOSCH
Artikelnummer: EB-0603166132-2600000014
Netto: 3,60 € zzgl. MwSt.
zzgl. 6,90 € Versand (brutto)
einmalig pro Bestellung

Lieferzeit: 5 Werktage

Pos.
39
BOSCH Distanzscheibe 1,35 MM | Ersatzteile für CSB 1000-2 RET | 2600000030
Hersteller: BOSCH
Artikelnummer: EB-0603166132-2600000030
Netto: 3,94 € zzgl. MwSt.
zzgl. 6,90 € Versand (brutto)
einmalig pro Bestellung

Lieferzeit: 5 Werktage

Pos.
40
BOSCH Kugel DIN 5401-5,5MM-III-ST | Ersatzteile für CSB 1000-2 RET | 1903230010
Hersteller: BOSCH
Artikelnummer: EB-0603166132-1903230010
Netto: 3,60 € zzgl. MwSt.
zzgl. 6,90 € Versand (brutto)
einmalig pro Bestellung

Lieferzeit: 5 Werktage

Pos.
41
BOSCH Drehknopf | Ersatzteile für CSB 1000-2 RET | 2602026017
Hersteller: BOSCH
Artikelnummer: EB-0603166132-2602026017
Netto: 7,66 € zzgl. MwSt.
zzgl. 6,90 € Versand (brutto)
einmalig pro Bestellung

Lieferzeit: 5 Werktage

Pos.
42
BOSCH Spannstift 4x30 MM DIN 7346 | Ersatzteile für CSB 1000-2 RET | 2917780105
Hersteller: BOSCH
Artikelnummer: EB-0603166132-2917780105
Netto: 3,60 € zzgl. MwSt.
zzgl. 6,90 € Versand (brutto)
einmalig pro Bestellung

Lieferzeit: 5 Werktage

Pos.
44
BOSCH Abdeckscheibe | Ersatzteile für CSB 1000-2 RET | 2601328033
Hersteller: BOSCH
Artikelnummer: EB-0603166132-2601328033
nur Informationsartikel
Nie mehr lieferbar
keine Alternativen
Pos.
45
BOSCH Blechschraube | Ersatzteile für CSB 1000-2 RET | 2603435086
Hersteller: BOSCH
Artikelnummer: EB-0603166132-2603435086
Netto: 3,60 € zzgl. MwSt.
zzgl. 6,90 € Versand (brutto)
einmalig pro Bestellung

Lieferzeit: 5 Werktage

Pos.
46
BOSCH Gehäusedeckel SCHWARZ | Ersatzteile für CSB 1000-2 RET | 2605132025
Hersteller: BOSCH
Artikelnummer: EB-0603166132-2605132025
Netto: 7,66 € zzgl. MwSt.
zzgl. 6,90 € Versand (brutto)
einmalig pro Bestellung

Lieferzeit: 5 Werktage

Pos.
47
BOSCH Verbindungsleitung L = 123 MM WEISS | Ersatzteile für CSB 1000-2 RET | 2604448145
Hersteller: BOSCH
Artikelnummer: EB-0603166132-2604448145
nur Informationsartikel
Nie mehr lieferbar
keine Alternativen
Pos.
48
BOSCH Torx-Linsenschraube 3x10 | Ersatzteile für CSB 1000-2 RET | 2603490017
Hersteller: BOSCH
Artikelnummer: EB-0603166132-2603490017
nur Informationsartikel
Nie mehr lieferbar
keine Alternativen
Pos.
49
BOSCH Ausgleichscheibe | Ersatzteile für CSB 1000-2 RET | 2600150004
Hersteller: BOSCH
Artikelnummer: EB-0603166132-2600150004
Netto: 4,36 € zzgl. MwSt.
zzgl. 6,90 € Versand (brutto)
einmalig pro Bestellung

Lieferzeit: 5 Werktage

Pos.
50
BOSCH Distanzscheibe 0,2 MM | Ersatzteile für CSB 1000-2 RET | 2600101665
Hersteller: BOSCH
Artikelnummer: EB-0603166132-2600101665
Netto: 3,94 € zzgl. MwSt.
zzgl. 6,90 € Versand (brutto)
einmalig pro Bestellung

Lieferzeit: 5 Werktage

Pos.
50
BOSCH Distanzscheibe 0,3 MM | Ersatzteile für CSB 1000-2 RET | 2600101027
Hersteller: BOSCH
Artikelnummer: EB-0603166132-2600101027
Netto: 3,94 € zzgl. MwSt.
zzgl. 6,90 € Versand (brutto)
einmalig pro Bestellung

Lieferzeit: 5 Werktage

Pos.
50
BOSCH Distanzscheibe 0,5 MM | Ersatzteile für CSB 1000-2 RET | 2600101667
Hersteller: BOSCH
Artikelnummer: EB-0603166132-2600101667
Netto: 3,94 € zzgl. MwSt.
zzgl. 6,90 € Versand (brutto)
einmalig pro Bestellung

Lieferzeit: 5 Werktage

Pos.
52
BOSCH Erdleitung | Ersatzteile für CSB 1000-2 RET | 2604448103
Hersteller: BOSCH
Artikelnummer: EB-0603166132-2604448103
nur Informationsartikel
Nie mehr lieferbar
keine Alternativen
Pos.
53
BOSCH Entstörfilter L=148 MM SCHWARZ | Ersatzteile für CSB 1000-2 RET | 2604465086
Hersteller: BOSCH
Artikelnummer: EB-0603166132-2604465086
Netto: 6,75 € zzgl. MwSt.
zzgl. 6,90 € Versand (brutto)
einmalig pro Bestellung

Lieferzeit: 5 Werktage

Pos.
54
BOSCH Sicherungsring DIN 472-24x1,2 MM | Ersatzteile für CSB 1000-2 RET | 2916660008
Hersteller: BOSCH
Artikelnummer: EB-0603166132-2916660008
Netto: 4,36 € zzgl. MwSt.
zzgl. 6,90 € Versand (brutto)
einmalig pro Bestellung

Lieferzeit: 5 Werktage

Pos.
55
BOSCH Tellerscheibe | Ersatzteile für CSB 1000-2 RET | 2600500002
Hersteller: BOSCH
Artikelnummer: EB-0603166132-2600500002
Netto: 3,94 € zzgl. MwSt.
zzgl. 6,90 € Versand (brutto)
einmalig pro Bestellung

Lieferzeit: 5 Werktage

Pos.
56
BOSCH Filzring | Ersatzteile für CSB 1000-2 RET | 2600108077
Hersteller: BOSCH
Artikelnummer: EB-0603166132-2600108077
Netto: 3,94 € zzgl. MwSt.
zzgl. 6,90 € Versand (brutto)
einmalig pro Bestellung

Lieferzeit: 5 Werktage

Pos.
57
BOSCH Steckhülse | Ersatzteile für CSB 1000-2 RET | 2600400008
Hersteller: BOSCH
Artikelnummer: EB-0603166132-2600400008
Netto: 3,94 € zzgl. MwSt.
zzgl. 6,90 € Versand (brutto)
einmalig pro Bestellung

Lieferzeit: 5 Werktage

Pos.
61
BOSCH Ausgleichscheibe 0,3 MM | Ersatzteile für CSB 1000-2 RET | 2600100607
Hersteller: BOSCH
Artikelnummer: EB-0603166132-2600100607
Netto: 3,94 € zzgl. MwSt.
zzgl. 6,90 € Versand (brutto)
einmalig pro Bestellung

Lieferzeit: 5 Werktage

Pos.
62
BOSCH Nadellager Ø6 MM | Ersatzteile für CSB 1000-2 RET | 2600914010
Hersteller: BOSCH
Artikelnummer: EB-0603166132-2600914010
Netto: 4,80 € zzgl. MwSt.
zzgl. 6,90 € Versand (brutto)
einmalig pro Bestellung

Lieferzeit: 5 Werktage

Pos.
63
BOSCH Schaftschraube | Ersatzteile für CSB 1000-2 RET | 2603435070
Hersteller: BOSCH
Artikelnummer: EB-0603166132-2603435070
Netto: 4,33 € zzgl. MwSt.
zzgl. 6,90 € Versand (brutto)
einmalig pro Bestellung

Lieferzeit: 5 Werktage

Pos.
64
BOSCH Schaftschraube 65 MM | Ersatzteile für CSB 1000-2 RET | 2603435071
Hersteller: BOSCH
Artikelnummer: EB-0603166132-2603435071
nur Informationsartikel
Nie mehr lieferbar
keine Alternativen
Pos.
66
BOSCH Verstellschieber | Ersatzteile für CSB 1000-2 RET | 2602033006
Hersteller: BOSCH
Artikelnummer: EB-0603166132-2602033006
Netto: 4,80 € zzgl. MwSt.
zzgl. 6,90 € Versand (brutto)
einmalig pro Bestellung

Lieferzeit: 5 Werktage

Pos.
68
BOSCH Distanzscheibe | Ersatzteile für CSB 1000-2 RET | 2600100618
Hersteller: BOSCH
Artikelnummer: EB-0603166132-2600100618
Netto: 3,60 € zzgl. MwSt.
zzgl. 6,90 € Versand (brutto)
einmalig pro Bestellung

Lieferzeit: 5 Werktage

Pos.
69
BOSCH Drehknopf SCHWARZ | Ersatzteile für CSB 1000-2 RET | 2602026038
Hersteller: BOSCH
Artikelnummer: EB-0603166132-2602026038
nur Informationsartikel
Nie mehr lieferbar
keine Alternativen
Pos.
71
BOSCH Rastkappe | Ersatzteile für CSB 1000-2 RET | 2600590006
Hersteller: BOSCH
Artikelnummer: EB-0603166132-2600590006
Netto: 3,94 € zzgl. MwSt.
zzgl. 6,90 € Versand (brutto)
einmalig pro Bestellung

Lieferzeit: 5 Werktage

Pos.
72
BOSCH Einlage | Ersatzteile für CSB 1000-2 RET | 2601010049
Hersteller: BOSCH
Artikelnummer: EB-0603166132-2601010049
Netto: 3,95 € zzgl. MwSt.
zzgl. 6,90 € Versand (brutto)
einmalig pro Bestellung

Lieferzeit: 5 Werktage

Pos.
75
BOSCH Torx-Linsenschraube 4x25 | Ersatzteile für CSB 1000-2 RET | 2603490024
Hersteller: BOSCH
Artikelnummer: EB-0603166132-2603490024
Netto: 3,94 € zzgl. MwSt.
zzgl. 6,90 € Versand (brutto)
einmalig pro Bestellung

Lieferzeit: 5 Werktage

Pos.
77
BOSCH Verbindungsleitung L=78 MM WEISS | Ersatzteile für CSB 1000-2 RET | 2604448137
Hersteller: BOSCH
Artikelnummer: EB-0603166132-2604448137
nur Informationsartikel
Nie mehr lieferbar
keine Alternativen
Pos.
78
BOSCH Entstörfilter L= 156 MM WEISS | Ersatzteile für CSB 1000-2 RET | 2604465087
Hersteller: BOSCH
Artikelnummer: EB-0603166132-2604465087
nur Informationsartikel
Nie mehr lieferbar
keine Alternativen
Pos.
81
BOSCH Drehmomentregler 230V | Ersatzteile für CSB 1000-2 RET | 2607233006
Hersteller: BOSCH
Artikelnummer: EB-0603166132-2607233006
nur Informationsartikel
Nie mehr lieferbar
keine Alternativen
Pos.
82
BOSCH Verbindungsleitung L=176 MM WEISS | Ersatzteile für CSB 1000-2 RET | 2604448004
Hersteller: BOSCH
Artikelnummer: EB-0603166132-2604448004
nur Informationsartikel
Nie mehr lieferbar
keine Alternativen
Pos.
83
BOSCH Flachdichtung | Ersatzteile für CSB 1000-2 RET | 2601073012
Hersteller: BOSCH
Artikelnummer: EB-0603166132-2601073012
Netto: 3,60 € zzgl. MwSt.
zzgl. 6,90 € Versand (brutto)
einmalig pro Bestellung

Lieferzeit: 5 Werktage

Pos.
85
BOSCH Klebeschild | Ersatzteile für CSB 1000-2 RET | 2601118187
Hersteller: BOSCH
Artikelnummer: EB-0603166132-2601118187
nur Informationsartikel
Nie mehr lieferbar
keine Alternativen
Pos.
86
BOSCH Platte GRUEN | Ersatzteile für CSB 1000-2 RET | 2600034003
Hersteller: BOSCH
Artikelnummer: EB-0603166132-2600034003
nur Informationsartikel
Nie mehr lieferbar
keine Alternativen
Pos.
753
BOSCH Zusatzhandgriff | Ersatzteile für CSB 100-2 RET | 1619PB4323
Hersteller: BOSCH
Artikelnummer: EB-0603166132-1619PB4323
Netto: 9,05 € zzgl. MwSt.
zzgl. 6,90 € Versand (brutto)
einmalig pro Bestellung

Lieferzeit: 5 Werktage

Pos.
753
BOSCH Zusatzhandgriff Ø43 MM SCHWARZ | Ersatzteile für CSB 1000-2 RET | 1612025031
Hersteller: BOSCH
Artikelnummer: EB-0603166132-1612025031
Netto: 8,13 € zzgl. MwSt.
zzgl. 6,90 € Versand (brutto)
einmalig pro Bestellung

Lieferzeit: 63 Werktage

Pos.
754
BOSCH Tiefenanschlag | Ersatzteile für CSB 1000-2 RET | 2603001019
Hersteller: BOSCH
Artikelnummer: EB-0603166132-2603001019
Netto: 6,08 € zzgl. MwSt.
zzgl. 6,90 € Versand (brutto)
einmalig pro Bestellung

Lieferzeit: 5 Werktage

Pos.
780
BOSCH Schnellspannbohrfutter Ø 1,5-13 MM, 1/2" | Ersatzteile für CSB 1000-2 RET | 2608572106
Hersteller: BOSCH
Artikelnummer: EB-0603166132-2608572106
Netto: 74,05 € zzgl. MwSt.
zzgl. 6,90 € Versand (brutto)
einmalig pro Bestellung

Lieferzeit: 5 Werktage

Pos.
810
BOSCH Kohlebürstensatz | Ersatzteile für CSB 1000-2 RET | 2604321905
Hersteller: BOSCH
Artikelnummer: EB-0603166132-2604321905
Netto: 9,75 € zzgl. MwSt.
zzgl. 6,90 € Versand (brutto)
einmalig pro Bestellung

Lieferzeit: 5 Werktage

Pos.
825
BOSCH Getriebegehäuse GRUEN | Ersatzteile für CSB 1000-2 RET | 2605806987
Hersteller: BOSCH
Artikelnummer: EB-0603166132-2605806987
nur Informationsartikel
Nie mehr lieferbar
keine Alternativen
Pos.
843
BOSCH Zwischenflansch | Ersatzteile für CSB 1000-2 RET | 2605700936
Hersteller: BOSCH
Artikelnummer: EB-0603166132-2605700936
nur Informationsartikel
Nie mehr lieferbar
keine Alternativen
Pos.
859
BOSCH Zahnwelle Z= 10/21/22 | Ersatzteile für CSB 1000-2 RET | 2606100914
Hersteller: BOSCH
Artikelnummer: EB-0603166132-2606100914
nur Informationsartikel
Nie mehr lieferbar
keine Alternativen
Pos.
865
BOSCH Klebeschild BOHREN/SCHLAGBOHREN | Ersatzteile für CSB 1000-2 RET | 2601110076
Hersteller: BOSCH
Artikelnummer: EB-0603166132-2601110076
nur Informationsartikel
Nie mehr lieferbar
keine Alternativen
Pos.
867
BOSCH Sicherungsscheibe DIN 6799-4-FSt | Ersatzteile für CSB 1000-2 RET | 2916080007
Hersteller: BOSCH
Artikelnummer: EB-0603166132-2916080007
Netto: 4,56 € zzgl. MwSt.
zzgl. 6,90 € Versand (brutto)
einmalig pro Bestellung

Lieferzeit: 5 Werktage

Pos.
870
BOSCH Teilesatz | Ersatzteile für CSB 1000-2 RET | 2607010226
Hersteller: BOSCH
Artikelnummer: EB-0603166132-2607010226
nur Informationsartikel
Nie mehr lieferbar
keine Alternativen
Pos.
888
BOSCH Typschild | Ersatzteile für CSB 1000-2 RET | 160111A3H3
Hersteller: BOSCH
Artikelnummer: EB-0603166132-160111A3H3
Netto: 4,56 € zzgl. MwSt.
zzgl. 6,90 € Versand (brutto)
einmalig pro Bestellung

Lieferzeit: 5 Werktage

Angaben zur Produktsicherheit

Hersteller:
Robert Bosch Power Tools GmbH
Postfach 30 02 20
70442 Stuttgart

E-Mail:
kontakt@bosch.de