BOSCH Kugel DIN 5401-5,5MM-III-ST | Ersatzteile für CSB 500-E | 1903230010

Artikelnummer: EB-0603147837-1903230010

Position: 24

Marke: BOSCH


Bitte Kompatibilität prüfen!

Bitte prüfen Sie unbedingt die 10-stellige Typennummer Ihrer Maschine / Ihres Gerätes. Das Ersatzteil ist nur kompatibel, wenn Sie die Typennummer Ihrer Maschine in der unten stehenden Produktbeschreibung finden.

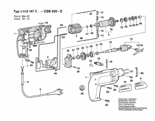
Bitte prüfen Sie ebenfalls detailliert die Explosionszeichnung mit Ihrem Artikelwunsch und der jeweiligen Pos-Nummer.

Alle Elemente, welche vom schwarzen Strich der Pos-Nummer ausgehend berührt / erfasst werden, gehören zu dieser Pos-Nummer und somit zu diesem Artikel. Jede Pos-Nummer ist ein eigenständiger Artikel, welchen Sie in der Auflistung finden.

Sie erhalten stets die aktuellste, neueste Produktversion zu der gewählten Pos-Nummer seitens des Herstellers. Es kann daher je nach Gerätealter vorkommen, dass Sie ggf. weitere, zugehörige Elemente, welche an diese Pos-Nummer grenzen, ebenfalls mittauschen müssen.

Nähere Informationen finden Sie unter dem Link
Hinweise zu Ihrer BOSCH Ersatzteilsuche

Preisübersicht

Einzelpreis: 3,63 €* (Brutto: 4,32 €)
Gesamtpreis: 3,63 €* 
Position:

Lieferzeit: 5 Werktage


Beschreibung

  • Kugel DIN 5401-5,5MM-III-ST
  • Original Bosch Zubehör / BOSCH Ersatzteil (1903230010)
  • im Gerät verbaut: 1
Dieses BOSCH Ersatzteil ist mit folgendem Gerät und Modell kompatibel:
  • BOSCH Gerätename: CSB 500-E
  • BOSCH Explosionszeichnung: Position 24
  • BOSCH Typennummer: 0603147837
  • BOSCH Typennummer alternative Schreibweisen: 0 603 147 837, 0603 147 837, 0.603.147.837, 0-603-147-837
    Bitte prüfen Sie diese Typennummer auf Ihrem Gerät um die Kompatibilität des BOSCH Ersatzteils zu gewährleisten.
Weitere BOSCH Ersatzteile des Gerätes CSB 500-E (Schlagbohrmaschine) mit der Typennummer 0603147837 finden Sie in der nachfolgenden Darstellung und im Dropdown zu Ihrer Auswahl:

Pos.
1
BOSCH Gehäuseschale BLAU | Ersatzteile für CSB 500-E | 2605104973
Hersteller: BOSCH
Artikelnummer: EB-0603147837-2605104973
nur Informationsartikel
Nie mehr lieferbar
keine Alternativen
Pos.
1
BOSCH Gehäuseschale GRUEN | Ersatzteile für CSB 500-E | 2605104972
Hersteller: BOSCH
Artikelnummer: EB-0603147837-2605104972
nur Informationsartikel
Nie mehr lieferbar
keine Alternativen
Pos.
15/10
BOSCH Bohrfutterschlüssel SG2 | Ersatzteile für CSB 500-E | 2607950007
Hersteller: BOSCH
Artikelnummer: EB-0603147837-2607950007
Netto: 7,30 € zzgl. MwSt.
zzgl. 6,90 € Versand (brutto)
einmalig pro Bestellung

Lieferzeit: 5 Werktage

Pos.
2
BOSCH Polschuh 220-240V | Ersatzteile für CSB 500-E | 2604220423
Hersteller: BOSCH
Artikelnummer: EB-0603147837-2604220423
nur Informationsartikel
Nie mehr lieferbar
keine Alternativen
Pos.
3
BOSCH Anker 230V | Ersatzteile für CSB 500-E | 2604010907
Hersteller: BOSCH
Artikelnummer: EB-0603147837-2604010907
nur Informationsartikel
Nie mehr lieferbar
keine Alternativen
Pos.
4
BOSCH Ein/Aus-Schalter | Ersatzteile für CSB 500-E | 2607200137
Hersteller: BOSCH
Artikelnummer: EB-0603147837-2607200137
nur Informationsartikel
Nie mehr lieferbar
keine Alternativen
Pos.
5
BOSCH Netzanschlussleitung AUS 2,6m 2 x 0,75mm PVC | Ersatzteile für CSB 500-E | 2604460061
Hersteller: BOSCH
Artikelnummer: EB-0603147837-2604460061
nur Informationsartikel
Nie mehr lieferbar
keine Alternativen
Pos.
6
BOSCH Tülle Ø11,6-Ø12,5x84 MM | Ersatzteile für CSB 500-E | 2600707060
Hersteller: BOSCH
Artikelnummer: EB-0603147837-2600707060
Netto: 4,53 € zzgl. MwSt.
zzgl. 6,90 € Versand (brutto)
einmalig pro Bestellung

Lieferzeit: 5 Werktage

Pos.
6
BOSCH Tülle Ø6,9 MM | Ersatzteile für CSB 500-E | 2600707059
Hersteller: BOSCH
Artikelnummer: EB-0603147837-2600707059
Netto: 5,19 € zzgl. MwSt.
zzgl. 6,90 € Versand (brutto)
einmalig pro Bestellung

Lieferzeit: 5 Werktage

Pos.
6
BOSCH Tülle Ø8,8 MM | Ersatzteile für CSB 500-E | 2600707061
Hersteller: BOSCH
Artikelnummer: EB-0603147837-2600707061
nur Informationsartikel
Nie mehr lieferbar
keine Alternativen
Pos.
7
BOSCH Leitungshalter | Ersatzteile für CSB 500-E | 2601035001
Hersteller: BOSCH
Artikelnummer: EB-0603147837-2601035001
Netto: 3,94 € zzgl. MwSt.
zzgl. 6,90 € Versand (brutto)
einmalig pro Bestellung

Lieferzeit: 5 Werktage

Pos.
9
BOSCH Klebeschild | Ersatzteile für CSB 500-E | 2601110387
Hersteller: BOSCH
Artikelnummer: EB-0603147837-2601110387
nur Informationsartikel
Nie mehr lieferbar
keine Alternativen
Pos.
10
BOSCH Kohlebürstensatz | Ersatzteile für CSB 500-E | 2604321905
Hersteller: BOSCH
Artikelnummer: EB-0603147837-2604321905
Netto: 9,18 € zzgl. MwSt.
zzgl. 6,90 € Versand (brutto)
einmalig pro Bestellung

Lieferzeit: 5 Werktage

Pos.
11
BOSCH Entstörkondensator | Ersatzteile für CSB 500-E | 2607329095
Hersteller: BOSCH
Artikelnummer: EB-0603147837-2607329095
nur Informationsartikel
Nie mehr lieferbar
keine Alternativen
Pos.
12
BOSCH Bürstenhalter | Ersatzteile für CSB 500-E | 2604330017
Hersteller: BOSCH
Artikelnummer: EB-0603147837-2604330017
nur Informationsartikel
Nie mehr lieferbar
keine Alternativen
Pos.
15
BOSCH Zahnkranzbohrfutter Ø1,5-13 MM, 1/2" | Ersatzteile für CSB 500-E | 1608571055
Hersteller: BOSCH
Artikelnummer: EB-0603147837-1608571055
nur Informationsartikel
Nie mehr lieferbar
keine Alternativen
Pos.
16
BOSCH Bohrspindel 1/2"-UNF-2 | Ersatzteile für CSB 500-E | 2606135000
Hersteller: BOSCH
Artikelnummer: EB-0603147837-2606135000
nur Informationsartikel
Nie mehr lieferbar
keine Alternativen
Pos.
17
BOSCH Sicherungsscheibe 0,3 MM | Ersatzteile für CSB 500-E | 2600118006
Hersteller: BOSCH
Artikelnummer: EB-0603147837-2600118006
nur Informationsartikel
Nie mehr lieferbar
keine Alternativen
Pos.
17
BOSCH Sicherungsscheibe 0,6 MM | Ersatzteile für CSB 500-E | 2600118001
Hersteller: BOSCH
Artikelnummer: EB-0603147837-2600118001
Netto: 3,63 € zzgl. MwSt.
zzgl. 6,90 € Versand (brutto)
einmalig pro Bestellung

Lieferzeit: 5 Werktage

Pos.
17
BOSCH Sicherungsscheibe 0,8 MM | Ersatzteile für CSB 500-E | 2600118002
Hersteller: BOSCH
Artikelnummer: EB-0603147837-2600118002
Netto: 3,94 € zzgl. MwSt.
zzgl. 6,90 € Versand (brutto)
einmalig pro Bestellung

Lieferzeit: 5 Werktage

Pos.
17
BOSCH Sicherungsscheibe 1,0 MM | Ersatzteile für CSB 500-E | 2600118003
Hersteller: BOSCH
Artikelnummer: EB-0603147837-2600118003
nur Informationsartikel
Nie mehr lieferbar
keine Alternativen
Pos.
19
BOSCH Klebeschild SONNENSEITE | Ersatzteile für CSB 500-E | 2601110388
Hersteller: BOSCH
Artikelnummer: EB-0603147837-2601110388
nur Informationsartikel
Nie mehr lieferbar
keine Alternativen
Pos.
21
BOSCH O-Ring 28x3 MM | Ersatzteile für CSB 500-E | 1900210129
Hersteller: BOSCH
Artikelnummer: EB-0603147837-1900210129
Netto: 4,53 € zzgl. MwSt.
zzgl. 6,90 € Versand (brutto)
einmalig pro Bestellung

Lieferzeit: 5 Werktage

Pos.
22
BOSCH Umbausatz | Ersatzteile für CSB 500-E | 2607001039
Hersteller: BOSCH
Artikelnummer: EB-0603147837-2607001039
nur Informationsartikel
Nie mehr lieferbar
keine Alternativen
Pos.
23
BOSCH Rastscheibe | Ersatzteile für CSB 500-E | 2606490040
Hersteller: BOSCH
Artikelnummer: EB-0603147837-2606490040
nur Informationsartikel
Nie mehr lieferbar
keine Alternativen
Pos.
24
BOSCH Kugel DIN 5401-5,5MM-III-ST | Ersatzteile für CSB 500-E | 1903230010
Hersteller: BOSCH
Artikelnummer: EB-0603147837-1903230010
Netto: 3,63 € zzgl. MwSt.
zzgl. 6,90 € Versand (brutto)
einmalig pro Bestellung

Lieferzeit: 5 Werktage

Pos.
27
BOSCH Druckfeder | Ersatzteile für CSB 500-E | 2604617000
Hersteller: BOSCH
Artikelnummer: EB-0603147837-2604617000
Netto: 4,53 € zzgl. MwSt.
zzgl. 6,90 € Versand (brutto)
einmalig pro Bestellung

Lieferzeit: 5 Werktage

Pos.
28
BOSCH Rillenkugellager 6002-Z DIN 625 | Ersatzteile für CSB 500-E | 1900905102
Hersteller: BOSCH
Artikelnummer: EB-0603147837-1900905102
nur Informationsartikel
Nie mehr lieferbar
keine Alternativen
Pos.
29
BOSCH Torx-Linsenschraube 3x18 | Ersatzteile für CSB 500-E | 2603490018
Hersteller: BOSCH
Artikelnummer: EB-0603147837-2603490018
nur Informationsartikel
Nie mehr lieferbar
keine Alternativen
Pos.
32
BOSCH Stirnrad Z=40 | Ersatzteile für CSB 500-E | 2606320035
Hersteller: BOSCH
Artikelnummer: EB-0603147837-2606320035
nur Informationsartikel
Nie mehr lieferbar
keine Alternativen
Pos.
33
BOSCH Rillenkugellager 9x24x7 | Ersatzteile für CSB 500-E | 2600905021
Hersteller: BOSCH
Artikelnummer: EB-0603147837-2600905021
Netto: 8,33 € zzgl. MwSt.
zzgl. 6,90 € Versand (brutto)
einmalig pro Bestellung

Lieferzeit: 5 Werktage

Pos.
34
BOSCH Zylinderschraube DIN 84-BM4x30-8.8 | Ersatzteile für CSB 500-E | 2910021134
Hersteller: BOSCH
Artikelnummer: EB-0603147837-2910021134
Netto: 3,94 € zzgl. MwSt.
zzgl. 6,90 € Versand (brutto)
einmalig pro Bestellung

Lieferzeit: 5 Werktage

Pos.
35
BOSCH Lagerbrücke | Ersatzteile für CSB 500-E | 2605807909
Hersteller: BOSCH
Artikelnummer: EB-0603147837-2605807909
nur Informationsartikel
Nie mehr lieferbar
keine Alternativen
Pos.
40
BOSCH Schraube 4x16 | Ersatzteile für CSB 500-E | 2603490022
Hersteller: BOSCH
Artikelnummer: EB-0603147837-2603490022
Netto: 3,63 € zzgl. MwSt.
zzgl. 6,90 € Versand (brutto)
einmalig pro Bestellung

Lieferzeit: 5 Werktage

Pos.
41
BOSCH Nadellager Ø8x8 MM | Ersatzteile für CSB 500-E | 2600917003
Hersteller: BOSCH
Artikelnummer: EB-0603147837-2600917003
Netto: 4,82 € zzgl. MwSt.
zzgl. 6,90 € Versand (brutto)
einmalig pro Bestellung

Lieferzeit: 5 Werktage

Pos.
46
BOSCH Rillenkugellager | Ersatzteile für CSB 500-E | 2600905029
Hersteller: BOSCH
Artikelnummer: EB-0603147837-2600905029
nur Informationsartikel
Nie mehr lieferbar
keine Alternativen
Pos.
47
BOSCH O-Ring 15x2 MM | Ersatzteile für CSB 500-E | 1900210012
Hersteller: BOSCH
Artikelnummer: EB-0603147837-1900210012
Netto: 3,63 € zzgl. MwSt.
zzgl. 6,90 € Versand (brutto)
einmalig pro Bestellung

Lieferzeit: 5 Werktage

Pos.
50
BOSCH Dämmplatte | Ersatzteile für CSB 500-E | 2601022000
Hersteller: BOSCH
Artikelnummer: EB-0603147837-2601022000
nur Informationsartikel
Nie mehr lieferbar
keine Alternativen
Pos.
60
BOSCH Blechschraube DIN 7981-3,9x19-C-Z-ST | Ersatzteile für CSB 500-E | 2912401020
Hersteller: BOSCH
Artikelnummer: EB-0603147837-2912401020
Netto: 3,63 € zzgl. MwSt.
zzgl. 6,90 € Versand (brutto)
einmalig pro Bestellung

Lieferzeit: 5 Werktage

Pos.
61
BOSCH Filzring | Ersatzteile für CSB 500-E | 2600108002
Hersteller: BOSCH
Artikelnummer: EB-0603147837-2600108002
Netto: 3,94 € zzgl. MwSt.
zzgl. 6,90 € Versand (brutto)
einmalig pro Bestellung

Lieferzeit: 5 Werktage

Pos.
62
BOSCH Tellerscheibe | Ersatzteile für CSB 500-E | 2600500002
Hersteller: BOSCH
Artikelnummer: EB-0603147837-2600500002
Netto: 3,94 € zzgl. MwSt.
zzgl. 6,90 € Versand (brutto)
einmalig pro Bestellung

Lieferzeit: 5 Werktage

Pos.
64
BOSCH Klemmbuchse | Ersatzteile für CSB 500-E | 2600400011
Hersteller: BOSCH
Artikelnummer: EB-0603147837-2600400011
nur Informationsartikel
Nie mehr lieferbar
keine Alternativen
Pos.
74
BOSCH Ausgleichscheibe | Ersatzteile für CSB 500-E | 2600150005
Hersteller: BOSCH
Artikelnummer: EB-0603147837-2600150005
Netto: 3,94 € zzgl. MwSt.
zzgl. 6,90 € Versand (brutto)
einmalig pro Bestellung

Lieferzeit: 5 Werktage

Pos.
75
BOSCH Sicherungsring DIN 472-24x1,2 MM | Ersatzteile für CSB 500-E | 2916660008
Hersteller: BOSCH
Artikelnummer: EB-0603147837-2916660008
Netto: 4,32 € zzgl. MwSt.
zzgl. 6,90 € Versand (brutto)
einmalig pro Bestellung

Lieferzeit: 5 Werktage

Pos.
76
BOSCH Lüfter | Ersatzteile für CSB 500-E | 2606610047
Hersteller: BOSCH
Artikelnummer: EB-0603147837-2606610047
nur Informationsartikel
Nie mehr lieferbar
keine Alternativen
Pos.
78
BOSCH Hinweisschild BOHREN/SCHLAGBOHREN | Ersatzteile für CSB 500-E | 2601105060
Hersteller: BOSCH
Artikelnummer: EB-0603147837-2601105060
nur Informationsartikel
Nie mehr lieferbar
keine Alternativen
Pos.
79
BOSCH Filzstreifen 51 MM | Ersatzteile für CSB 500-E | 2601005006
Hersteller: BOSCH
Artikelnummer: EB-0603147837-2601005006
nur Informationsartikel
Nie mehr lieferbar
keine Alternativen
Pos.
80
BOSCH Filzstreifen 68 MM | Ersatzteile für CSB 500-E | 2601005007
Hersteller: BOSCH
Artikelnummer: EB-0603147837-2601005007
nur Informationsartikel
Nie mehr lieferbar
keine Alternativen
Pos.
82
BOSCH Verbindungsleitung L=154 MM WEISS | Ersatzteile für CSB 500-E | 2604448000
Hersteller: BOSCH
Artikelnummer: EB-0603147837-2604448000
nur Informationsartikel
Nie mehr lieferbar
keine Alternativen
Pos.
83
BOSCH Verbindungsleitung L=184 MM WEISS | Ersatzteile für CSB 500-E | 2604448001
Hersteller: BOSCH
Artikelnummer: EB-0603147837-2604448001
nur Informationsartikel
Nie mehr lieferbar
keine Alternativen
Pos.
84
BOSCH Zylinderschraube M3x6,5-4.8 | Ersatzteile für CSB 500-E | 2603410001
Hersteller: BOSCH
Artikelnummer: EB-0603147837-2603410001
Netto: 3,94 € zzgl. MwSt.
zzgl. 6,90 € Versand (brutto)
einmalig pro Bestellung

Lieferzeit: 5 Werktage

Pos.
85
BOSCH Klebeschild GELB | Ersatzteile für CSB 500-E | 2601110041
Hersteller: BOSCH
Artikelnummer: EB-0603147837-2601110041
nur Informationsartikel
Nie mehr lieferbar
keine Alternativen
Pos.
88
BOSCH Entstörfilter | Ersatzteile für CSB 500-E | 2604465054
Hersteller: BOSCH
Artikelnummer: EB-0603147837-2604465054
nur Informationsartikel
Nie mehr lieferbar
keine Alternativen
Pos.
654
BOSCH Zusatzhandgriff Ø43 MM SCHWARZ | Ersatzteile für CSB 500-E | 2602025032
Hersteller: BOSCH
Artikelnummer: EB-0603147837-2602025032
nur Informationsartikel
Nie mehr lieferbar
keine Alternativen
Pos.
888
BOSCH Typschild | Ersatzteile für CSB 500-E | 160111A3H3
Hersteller: BOSCH
Artikelnummer: EB-0603147837-160111A3H3
Netto: 4,53 € zzgl. MwSt.
zzgl. 6,90 € Versand (brutto)
einmalig pro Bestellung

Lieferzeit: 5 Werktage

Angaben zur Produktsicherheit

Hersteller:
Robert Bosch Power Tools GmbH
Postfach 30 02 20
70442 Stuttgart

E-Mail:
kontakt@bosch.de