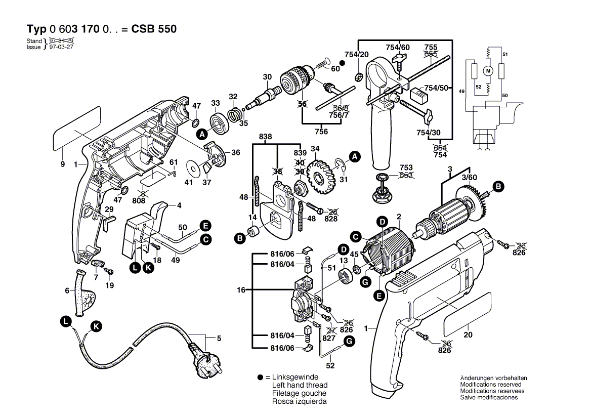
BOSCH Verbindungskabel L=133 MM WEISS | Ersatzteile für CSB 550 | 2604448136

Artikelnummer: EB-0603170043-2604448136

Position: 49

Marke: BOSCH


Bitte Kompatibilität prüfen!

Bitte prüfen Sie unbedingt die 10-stellige Typennummer Ihrer Maschine / Ihres Gerätes. Das Ersatzteil ist nur kompatibel, wenn Sie die Typennummer Ihrer Maschine in der unten stehenden Produktbeschreibung finden.

Bitte prüfen Sie ebenfalls detailliert die Explosionszeichnung mit Ihrem Artikelwunsch und der jeweiligen Pos-Nummer.

Alle Elemente, welche vom schwarzen Strich der Pos-Nummer ausgehend berührt / erfasst werden, gehören zu dieser Pos-Nummer und somit zu diesem Artikel. Jede Pos-Nummer ist ein eigenständiger Artikel, welchen Sie in der Auflistung finden.

Sie erhalten stets die aktuellste, neueste Produktversion zu der gewählten Pos-Nummer seitens des Herstellers. Es kann daher je nach Gerätealter vorkommen, dass Sie ggf. weitere, zugehörige Elemente, welche an diese Pos-Nummer grenzen, ebenfalls mittauschen müssen.

Nähere Informationen finden Sie unter dem Link
Hinweise zu Ihrer BOSCH Ersatzteilsuche

Preisübersicht

Einzelpreis: 3,94 €* (Brutto: 4,69 €)
Gesamtpreis: 3,94 €* 
Position:

Lieferzeit: 5 Werktage


Beschreibung

  • Verbindungskabel L=133 MM WEISS
  • Original Bosch Zubehör / BOSCH Ersatzteil (2604448136)
  • im Gerät verbaut: 1
Dieses BOSCH Ersatzteil ist mit folgendem Gerät und Modell kompatibel:
  • BOSCH Gerätename: CSB 550
  • BOSCH Explosionszeichnung: Position 49
  • BOSCH Typennummer: 0603170043
  • BOSCH Typennummer alternative Schreibweisen: 0 603 170 043, 0603 170 043, 0.603.170.043, 0-603-170-043
    Bitte prüfen Sie diese Typennummer auf Ihrem Gerät um die Kompatibilität des BOSCH Ersatzteils zu gewährleisten.
Weitere BOSCH Ersatzteile des Gerätes CSB 550 (Schlagbohrmaschine) mit der Typennummer 0603170043 finden Sie in der nachfolgenden Darstellung und im Dropdown zu Ihrer Auswahl:

Pos.
1
BOSCH Gehäuseschale GRUEN | Ersatzteile für CSB 550 | 2605104622
Hersteller: BOSCH
Artikelnummer: EB-0603170043-2605104622
nur Informationsartikel
Nie mehr lieferbar
keine Alternativen
Pos.
3/60
BOSCH Lüfter | Ersatzteile für CSB 550 | 2606610029
Hersteller: BOSCH
Artikelnummer: EB-0603170043-2606610029
Netto: 4,53 € zzgl. MwSt.
zzgl. 6,90 € Versand (brutto)
einmalig pro Bestellung

Lieferzeit: 5 Werktage

Pos.
754/20
BOSCH Sechskantmutter DIN 934-M6-8-A | Ersatzteile für CSB 550 | 2915011007
Hersteller: BOSCH
Artikelnummer: EB-0603170043-2915011007
Netto: 3,63 € zzgl. MwSt.
zzgl. 6,90 € Versand (brutto)
einmalig pro Bestellung

Lieferzeit: 5 Werktage

Pos.
754/30
BOSCH Flügelschraube M6x(15)55 | Ersatzteile für CSB 550 | 1613480007
Hersteller: BOSCH
Artikelnummer: EB-0603170043-1613480007
Netto: 3,94 € zzgl. MwSt.
zzgl. 6,90 € Versand (brutto)
einmalig pro Bestellung

Lieferzeit: 5 Werktage

Pos.
754/50
BOSCH Spannplatte M6 | Ersatzteile für CSB 550 | 2608040014
Hersteller: BOSCH
Artikelnummer: EB-0603170043-2608040014
nur Informationsartikel
Nie mehr lieferbar
keine Alternativen
Pos.
754/60
BOSCH Flügelschraube M6x20 MM | Ersatzteile für CSB 550 | 1613480008
Hersteller: BOSCH
Artikelnummer: EB-0603170043-1613480008
Netto: 3,94 € zzgl. MwSt.
zzgl. 6,90 € Versand (brutto)
einmalig pro Bestellung

Lieferzeit: 5 Werktage

Pos.
756/7
BOSCH Bohrfutterschlüssel SG2 | Ersatzteile für CSB 550 | 2607950007
Hersteller: BOSCH
Artikelnummer: EB-0603170043-2607950007
Netto: 7,30 € zzgl. MwSt.
zzgl. 6,90 € Versand (brutto)
einmalig pro Bestellung

Lieferzeit: 5 Werktage

Pos.
816/04
BOSCH Kohlebürstensatz | Ersatzteile für CSB 550 | 2604321913
Hersteller: BOSCH
Artikelnummer: EB-0603170043-2604321913
nur Informationsartikel
Nie mehr lieferbar
keine Alternativen
Pos.
816/06
BOSCH Rastkappe | Ersatzteile für CSB 550 | 2601322017
Hersteller: BOSCH
Artikelnummer: EB-0603170043-2601322017
nur Informationsartikel
Nie mehr lieferbar
keine Alternativen
Pos.
2
BOSCH Polschuh 240V | Ersatzteile für CSB 550 | 2604220430
Hersteller: BOSCH
Artikelnummer: EB-0603170043-2604220430
Netto: 24,13 € zzgl. MwSt.
zzgl. 6,90 € Versand (brutto)
einmalig pro Bestellung

Lieferzeit: 5 Werktage

Pos.
3
BOSCH Anker Mit Lüfter 220-240V | Ersatzteile für CSB 550 | 2604011139
Hersteller: BOSCH
Artikelnummer: EB-0603170043-2604011139
nur Informationsartikel
Nie mehr lieferbar
keine Alternativen
Pos.
4
BOSCH Schalter | Ersatzteile für CSB 550 | 2607200260
Hersteller: BOSCH
Artikelnummer: EB-0603170043-2607200260
Netto: 9,18 € zzgl. MwSt.
zzgl. 6,90 € Versand (brutto)
einmalig pro Bestellung

Lieferzeit: 5 Werktage

Pos.
5
BOSCH Netzanschlussleitung EU 2,65m 2 x 1,0mm H05 RN-F | Ersatzteile für CSB 550 | 1607000388
Hersteller: BOSCH
Artikelnummer: EB-0603170043-1607000388
Netto: 10,92 € zzgl. MwSt.
zzgl. 6,90 € Versand (brutto)
einmalig pro Bestellung

Lieferzeit: 5 Werktage

Pos.
6
BOSCH Tülle Ø6,9 MM | Ersatzteile für CSB 550 | 2600707059
Hersteller: BOSCH
Artikelnummer: EB-0603170043-2600707059
Netto: 5,19 € zzgl. MwSt.
zzgl. 6,90 € Versand (brutto)
einmalig pro Bestellung

Lieferzeit: 5 Werktage

Pos.
7
BOSCH Leitungshalter | Ersatzteile für CSB 550 | 2601035001
Hersteller: BOSCH
Artikelnummer: EB-0603170043-2601035001
Netto: 3,94 € zzgl. MwSt.
zzgl. 6,90 € Versand (brutto)
einmalig pro Bestellung

Lieferzeit: 5 Werktage

Pos.
9
BOSCH Firmenschild SONNENSEITE | Ersatzteile für CSB 550 | 2601119604
Hersteller: BOSCH
Artikelnummer: EB-0603170043-2601119604
nur Informationsartikel
Nie mehr lieferbar
keine Alternativen
Pos.
13
BOSCH Kugellager 7x19x6 | Ersatzteile für CSB 550 | 2600905032
Hersteller: BOSCH
Artikelnummer: EB-0603170043-2600905032
Netto: 6,15 € zzgl. MwSt.
zzgl. 6,90 € Versand (brutto)
einmalig pro Bestellung

Lieferzeit: 35 Werktage

Pos.
14
BOSCH Nadelhülse | Ersatzteile für CSB 550 | 2600914019
Hersteller: BOSCH
Artikelnummer: EB-0603170043-2600914019
Netto: 6,15 € zzgl. MwSt.
zzgl. 6,90 € Versand (brutto)
einmalig pro Bestellung

Lieferzeit: 5 Werktage

Pos.
16
BOSCH Bürstenplatte | Ersatzteile für CSB 550 | 2609992617
Hersteller: BOSCH
Artikelnummer: EB-0603170043-2609992617
nur Informationsartikel
Nie mehr lieferbar
keine Alternativen
Pos.
18
BOSCH Zylinderschraube M3x6,5-4.8 | Ersatzteile für CSB 550 | 2603410001
Hersteller: BOSCH
Artikelnummer: EB-0603170043-2603410001
Netto: 3,94 € zzgl. MwSt.
zzgl. 6,90 € Versand (brutto)
einmalig pro Bestellung

Lieferzeit: 5 Werktage

Pos.
19
BOSCH Schraube 4x16 | Ersatzteile für CSB 550 | 2603490022
Hersteller: BOSCH
Artikelnummer: EB-0603170043-2603490022
Netto: 3,63 € zzgl. MwSt.
zzgl. 6,90 € Versand (brutto)
einmalig pro Bestellung

Lieferzeit: 5 Werktage

Pos.
20
BOSCH Hinweisschild SCHATTENSEITE | Ersatzteile für CSB 550 | 2601119605
Hersteller: BOSCH
Artikelnummer: EB-0603170043-2601119605
nur Informationsartikel
Nie mehr lieferbar
keine Alternativen
Pos.
29
BOSCH Dämmplatte | Ersatzteile für CSB 550 | 2601022000
Hersteller: BOSCH
Artikelnummer: EB-0603170043-2601022000
nur Informationsartikel
Nie mehr lieferbar
keine Alternativen
Pos.
30
BOSCH Bohrspindel 1/2",M6 LINKSGEWINDE | Ersatzteile für CSB 550 | 2606135034
Hersteller: BOSCH
Artikelnummer: EB-0603170043-2606135034
nur Informationsartikel
Nie mehr lieferbar
keine Alternativen
Pos.
31
BOSCH Sicherungsscheibe 0,3 MM | Ersatzteile für CSB 550 | 2600118006
Hersteller: BOSCH
Artikelnummer: EB-0603170043-2600118006
nur Informationsartikel
Nie mehr lieferbar
keine Alternativen
Pos.
31
BOSCH Sicherungsscheibe 0,6 MM | Ersatzteile für CSB 550 | 2600118001
Hersteller: BOSCH
Artikelnummer: EB-0603170043-2600118001
Netto: 3,63 € zzgl. MwSt.
zzgl. 6,90 € Versand (brutto)
einmalig pro Bestellung

Lieferzeit: 5 Werktage

Pos.
32
BOSCH Druckfeder | Ersatzteile für CSB 550 | 2604617000
Hersteller: BOSCH
Artikelnummer: EB-0603170043-2604617000
Netto: 4,53 € zzgl. MwSt.
zzgl. 6,90 € Versand (brutto)
einmalig pro Bestellung

Lieferzeit: 5 Werktage

Pos.
33
BOSCH Rillenkugellager 15x32x9 | Ersatzteile für CSB 550 | 1900905122
Hersteller: BOSCH
Artikelnummer: EB-0603170043-1900905122
Netto: 9,18 € zzgl. MwSt.
zzgl. 6,90 € Versand (brutto)
einmalig pro Bestellung

Lieferzeit: 5 Werktage

Pos.
34
BOSCH Stirnrad Z=42 | Ersatzteile für CSB 550 | 2606320050
Hersteller: BOSCH
Artikelnummer: EB-0603170043-2606320050
nur Informationsartikel
Nie mehr lieferbar
keine Alternativen
Pos.
35
BOSCH Kugel DIN 5401-5,5MM-III-ST | Ersatzteile für CSB 550 | 1903230010
Hersteller: BOSCH
Artikelnummer: EB-0603170043-1903230010
Netto: 3,63 € zzgl. MwSt.
zzgl. 6,90 € Versand (brutto)
einmalig pro Bestellung

Lieferzeit: 5 Werktage

Pos.
36
BOSCH Schaltscheibe SCHWARZ | Ersatzteile für CSB 550 | 2601990001
Hersteller: BOSCH
Artikelnummer: EB-0603170043-2601990001
nur Informationsartikel
Nie mehr lieferbar
keine Alternativen
Pos.
37
BOSCH Druckplatte | Ersatzteile für CSB 550 | 2601074003
Hersteller: BOSCH
Artikelnummer: EB-0603170043-2601074003
Netto: 3,63 € zzgl. MwSt.
zzgl. 6,90 € Versand (brutto)
einmalig pro Bestellung

Lieferzeit: 5 Werktage

Pos.
41
BOSCH Unterlegscheibe | Ersatzteile für CSB 550 | 2600100066
Hersteller: BOSCH
Artikelnummer: EB-0603170043-2600100066
Netto: 3,63 € zzgl. MwSt.
zzgl. 6,90 € Versand (brutto)
einmalig pro Bestellung

Lieferzeit: 5 Werktage

Pos.
45
BOSCH Distanzring | Ersatzteile für CSB 550 | 2600209012
Hersteller: BOSCH
Artikelnummer: EB-0603170043-2600209012
nur Informationsartikel
Nie mehr lieferbar
keine Alternativen
Pos.
47
BOSCH O-Ring 5,0x1,5 MM | Ersatzteile für CSB 550 | 1900210000
Hersteller: BOSCH
Artikelnummer: EB-0603170043-1900210000
Netto: 3,94 € zzgl. MwSt.
zzgl. 6,90 € Versand (brutto)
einmalig pro Bestellung

Lieferzeit: 5 Werktage

Pos.
48
BOSCH Filzstreifen | Ersatzteile für CSB 550 | 2601005011
Hersteller: BOSCH
Artikelnummer: EB-0603170043-2601005011
Netto: 4,39 € zzgl. MwSt.
zzgl. 6,90 € Versand (brutto)
einmalig pro Bestellung

Lieferzeit: 5 Werktage

Pos.
49
BOSCH Verbindungskabel L=133 MM WEISS | Ersatzteile für CSB 550 | 2604448136
Hersteller: BOSCH
Artikelnummer: EB-0603170043-2604448136
Netto: 3,94 € zzgl. MwSt.
zzgl. 6,90 € Versand (brutto)
einmalig pro Bestellung

Lieferzeit: 5 Werktage

Pos.
50
BOSCH Verbindungskabel L=83 MM SCHWARZ | Ersatzteile für CSB 550 | 2604448129
Hersteller: BOSCH
Artikelnummer: EB-0603170043-2604448129
nur Informationsartikel
Nie mehr lieferbar
keine Alternativen
Pos.
51
BOSCH Verbindungsleitung L=73 MM WEISS | Ersatzteile für CSB 550 | 2604448123
Hersteller: BOSCH
Artikelnummer: EB-0603170043-2604448123
nur Informationsartikel
Nie mehr lieferbar
keine Alternativen
Pos.
52
BOSCH Verbindungskabel L=88 MM WEISS | Ersatzteile für CSB 550 | 2604448130
Hersteller: BOSCH
Artikelnummer: EB-0603170043-2604448130
Netto: 3,94 € zzgl. MwSt.
zzgl. 6,90 € Versand (brutto)
einmalig pro Bestellung

Lieferzeit: 5 Werktage

Pos.
60
BOSCH Senkschraube M6x27 LINKSGEWINDE | Ersatzteile für CSB 550 | 2603421226
Hersteller: BOSCH
Artikelnummer: EB-0603170043-2603421226
Netto: 3,94 € zzgl. MwSt.
zzgl. 6,90 € Versand (brutto)
einmalig pro Bestellung

Lieferzeit: 5 Werktage

Pos.
61
BOSCH Kontaktbügel | Ersatzteile für CSB 550 | 2601329043
Hersteller: BOSCH
Artikelnummer: EB-0603170043-2601329043
nur Informationsartikel
Nie mehr lieferbar
keine Alternativen
Pos.
753
BOSCH Bohreraufnahme | Ersatzteile für CSB 550 | 2607000122
Hersteller: BOSCH
Artikelnummer: EB-0603170043-2607000122
nur Informationsartikel
Nie mehr lieferbar
keine Alternativen
Pos.
754
BOSCH Zusatzhandgriff | Ersatzteile für CSB 550 | 1619PB4323
Hersteller: BOSCH
Artikelnummer: EB-0603170043-1619PB4323
Netto: 9,18 € zzgl. MwSt.
zzgl. 6,90 € Versand (brutto)
einmalig pro Bestellung

Lieferzeit: 5 Werktage

Pos.
754
BOSCH Zusatzhandgriff Ø43 MM SCHWARZ | Ersatzteile für CSB 550 | 1612025031
Hersteller: BOSCH
Artikelnummer: EB-0603170043-1612025031
nur Informationsartikel
Nie mehr lieferbar
keine Alternativen
Pos.
755
BOSCH Tiefenanschlag SW 6x210 MM | Ersatzteile für CSB 550 | 1613001005
Hersteller: BOSCH
Artikelnummer: EB-0603170043-1613001005
nur Informationsartikel
Nie mehr lieferbar
keine Alternativen
Pos.
756
BOSCH Zahnkranzbohrfutter Ø 1,5-13 MM | Ersatzteile für CSB 550 | 2608571046
Hersteller: BOSCH
Artikelnummer: EB-0603170043-2608571046
nur Informationsartikel
Nie mehr lieferbar
keine Alternativen
Pos.
826
BOSCH Blechschraube DIN 7981-3,9x19-C-Z-ST | Ersatzteile für CSB 550 | 2912401020
Hersteller: BOSCH
Artikelnummer: EB-0603170043-2912401020
Netto: 3,63 € zzgl. MwSt.
zzgl. 6,90 € Versand (brutto)
einmalig pro Bestellung

Lieferzeit: 5 Werktage

Pos.
827
BOSCH Torx-Linsenschraube 3x18 | Ersatzteile für CSB 550 | 2603490018
Hersteller: BOSCH
Artikelnummer: EB-0603170043-2603490018
nur Informationsartikel
Nie mehr lieferbar
keine Alternativen
Pos.
828
BOSCH Zylinderschraube DIN 84-BM4x30-8.8 | Ersatzteile für CSB 550 | 2910021134
Hersteller: BOSCH
Artikelnummer: EB-0603170043-2910021134
Netto: 3,94 € zzgl. MwSt.
zzgl. 6,90 € Versand (brutto)
einmalig pro Bestellung

Lieferzeit: 5 Werktage

Pos.
838
BOSCH Lagerbrücke | Ersatzteile für CSB 550 | 2605807930
Hersteller: BOSCH
Artikelnummer: EB-0603170043-2605807930
nur Informationsartikel
Nie mehr lieferbar
keine Alternativen
Pos.
839
BOSCH Rastscheibe | Ersatzteile für CSB 550 | 2606490057
Hersteller: BOSCH
Artikelnummer: EB-0603170043-2606490057
nur Informationsartikel
Nie mehr lieferbar
keine Alternativen

Angaben zur Produktsicherheit

Hersteller:
Robert Bosch Power Tools GmbH
Postfach 30 02 20
70442 Stuttgart

E-Mail:
kontakt@bosch.de