BOSCH Zusatzhandgriff | Ersatzteile für CSB 550 RP | 1619PB4323

Artikelnummer: EB-0603169867-1619PB4323

Position: 754

Marke: BOSCH


Bitte Kompatibilität prüfen!

Bitte prüfen Sie unbedingt die 10-stellige Typennummer Ihrer Maschine / Ihres Gerätes. Das Ersatzteil ist nur kompatibel, wenn Sie die Typennummer Ihrer Maschine in der unten stehenden Produktbeschreibung finden.

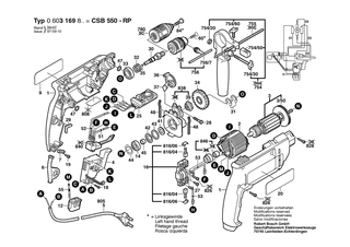
Bitte prüfen Sie ebenfalls detailliert die Explosionszeichnung mit Ihrem Artikelwunsch und der jeweiligen Pos-Nummer.

Alle Elemente, welche vom schwarzen Strich der Pos-Nummer ausgehend berührt / erfasst werden, gehören zu dieser Pos-Nummer und somit zu diesem Artikel. Jede Pos-Nummer ist ein eigenständiger Artikel, welchen Sie in der Auflistung finden.

Sie erhalten stets die aktuellste, neueste Produktversion zu der gewählten Pos-Nummer seitens des Herstellers. Es kann daher je nach Gerätealter vorkommen, dass Sie ggf. weitere, zugehörige Elemente, welche an diese Pos-Nummer grenzen, ebenfalls mittauschen müssen.

Nähere Informationen finden Sie unter dem Link
Hinweise zu Ihrer BOSCH Ersatzteilsuche

Preisübersicht

Einzelpreis: 9,18 €* (Brutto: 10,92 €)
Gesamtpreis: 9,18 €* 
Position:

Lieferzeit: 5 Werktage


Beschreibung

  • Zusatzhandgriff
  • Original Bosch Zubehör / BOSCH Ersatzteil (1619PB4323)
  • im Gerät verbaut: 1
Dieses BOSCH Ersatzteil ist mit folgendem Gerät und Modell kompatibel:
  • BOSCH Gerätename: CSB 550 RP
  • BOSCH Explosionszeichnung: Position 754
  • BOSCH Typennummer: 0603169867
  • BOSCH Typennummer alternative Schreibweisen: 0 603 169 867, 0603 169 867, 0.603.169.867, 0-603-169-867
    Bitte prüfen Sie diese Typennummer auf Ihrem Gerät um die Kompatibilität des BOSCH Ersatzteils zu gewährleisten.
Weitere BOSCH Ersatzteile des Gerätes CSB 550 RP (Schlagbohrmaschine) mit der Typennummer 0603169867 finden Sie in der nachfolgenden Darstellung und im Dropdown zu Ihrer Auswahl:

Pos.
1
BOSCH Gehäuseschale GRUEN | Ersatzteile für CSB 550 RP | 2605104476
Hersteller: BOSCH
Artikelnummer: EB-0603169867-2605104476
nur Informationsartikel
Nie mehr lieferbar
keine Alternativen
Pos.
3/50
BOSCH Lüfter | Ersatzteile für CSB 550 RP | 2606610029
Hersteller: BOSCH
Artikelnummer: EB-0603169867-2606610029
Netto: 4,53 € zzgl. MwSt.
zzgl. 6,90 € Versand (brutto)
einmalig pro Bestellung

Lieferzeit: 5 Werktage

Pos.
754/20
BOSCH Sechskantmutter DIN 934-M6-8-A | Ersatzteile für CSB 550 RP | 2915011007
Hersteller: BOSCH
Artikelnummer: EB-0603169867-2915011007
Netto: 3,63 € zzgl. MwSt.
zzgl. 6,90 € Versand (brutto)
einmalig pro Bestellung

Lieferzeit: 5 Werktage

Pos.
754/30
BOSCH Flügelschraube M6x(15)55 | Ersatzteile für CSB 550 RP | 1613480007
Hersteller: BOSCH
Artikelnummer: EB-0603169867-1613480007
Netto: 3,94 € zzgl. MwSt.
zzgl. 6,90 € Versand (brutto)
einmalig pro Bestellung

Lieferzeit: 5 Werktage

Pos.
754/50
BOSCH Spannplatte M6 | Ersatzteile für CSB 550 RP | 2608040014
Hersteller: BOSCH
Artikelnummer: EB-0603169867-2608040014
nur Informationsartikel
Nie mehr lieferbar
keine Alternativen
Pos.
754/60
BOSCH Flügelschraube M6x20 MM | Ersatzteile für CSB 550 RP | 1613480008
Hersteller: BOSCH
Artikelnummer: EB-0603169867-1613480008
Netto: 3,94 € zzgl. MwSt.
zzgl. 6,90 € Versand (brutto)
einmalig pro Bestellung

Lieferzeit: 5 Werktage

Pos.
756/7
BOSCH Bohrfutterschlüssel SG2 | Ersatzteile für CSB 550 RP | 2607950007
Hersteller: BOSCH
Artikelnummer: EB-0603169867-2607950007
Netto: 7,30 € zzgl. MwSt.
zzgl. 6,90 € Versand (brutto)
einmalig pro Bestellung

Lieferzeit: 5 Werktage

Pos.
816/04
BOSCH Kohlebürstensatz | Ersatzteile für CSB 550 RP | 2604321905
Hersteller: BOSCH
Artikelnummer: EB-0603169867-2604321905
Netto: 9,18 € zzgl. MwSt.
zzgl. 6,90 € Versand (brutto)
einmalig pro Bestellung

Lieferzeit: 5 Werktage

Pos.
816/06
BOSCH Rastkappe | Ersatzteile für CSB 550 RP | 2601322013
Hersteller: BOSCH
Artikelnummer: EB-0603169867-2601329051
Netto: 3,94 € zzgl. MwSt.
zzgl. 6,90 € Versand (brutto)
einmalig pro Bestellung

Lieferzeit: 5 Werktage

Pos.
2
BOSCH Polschuh 220-240V | Ersatzteile für CSB 550 RP | 2604220562
Hersteller: BOSCH
Artikelnummer: EB-0603169867-2604220562
nur Informationsartikel
Nie mehr lieferbar
keine Alternativen
Pos.
3
BOSCH Anker 230-240V | Ersatzteile für CSB 550 RP | 2604011076
Hersteller: BOSCH
Artikelnummer: EB-0603169867-2604011076
nur Informationsartikel
Nie mehr lieferbar
keine Alternativen
Pos.
4
BOSCH Ein/Aus-Schalter | Ersatzteile für CSB 550 RP | 2607200336
Hersteller: BOSCH
Artikelnummer: EB-0603169867-2607200336
nur Informationsartikel
Nie mehr lieferbar
keine Alternativen
Pos.
5
BOSCH Netzanschlussleitung I/BR 2,65m 2 x 1,0mm H05 VV-F | Ersatzteile für CSB 550 RP | 2604460283
Hersteller: BOSCH
Artikelnummer: EB-0603169867-2604460283
nur Informationsartikel
Nie mehr lieferbar
keine Alternativen
Pos.
6
BOSCH Tülle Ø6,9 MM | Ersatzteile für CSB 550 RP | 2600707059
Hersteller: BOSCH
Artikelnummer: EB-0603169867-2600707059
Netto: 5,19 € zzgl. MwSt.
zzgl. 6,90 € Versand (brutto)
einmalig pro Bestellung

Lieferzeit: 5 Werktage

Pos.
7
BOSCH Leitungshalter | Ersatzteile für CSB 550 RP | 2601035001
Hersteller: BOSCH
Artikelnummer: EB-0603169867-2601035001
Netto: 3,94 € zzgl. MwSt.
zzgl. 6,90 € Versand (brutto)
einmalig pro Bestellung

Lieferzeit: 5 Werktage

Pos.
9
BOSCH Firmenschild SONNENSEITE | Ersatzteile für CSB 550 RP | 2601118667
Hersteller: BOSCH
Artikelnummer: EB-0603169867-2601118667
nur Informationsartikel
Nie mehr lieferbar
keine Alternativen
Pos.
12
BOSCH Entstörfilter | Ersatzteile für CSB 550 RP | 2607329114
Hersteller: BOSCH
Artikelnummer: EB-0603169867-2607329114
nur Informationsartikel
Nie mehr lieferbar
keine Alternativen
Pos.
14
BOSCH Rillenkugellager 9x24x7 | Ersatzteile für CSB 550 RP | 2600905039
Hersteller: BOSCH
Artikelnummer: EB-0603169867-2600905039
Netto: 10,92 € zzgl. MwSt.
zzgl. 6,90 € Versand (brutto)
einmalig pro Bestellung

Lieferzeit: 5 Werktage

Pos.
16
BOSCH Bürstenplatte | Ersatzteile für CSB 550 RP | 2605807060
Hersteller: BOSCH
Artikelnummer: EB-0603169867-2605807060
nur Informationsartikel
Nie mehr lieferbar
keine Alternativen
Pos.
18
BOSCH Zylinderschraube M3x6,5-4.8 | Ersatzteile für CSB 550 RP | 2603410001
Hersteller: BOSCH
Artikelnummer: EB-0603169867-2603410001
Netto: 3,94 € zzgl. MwSt.
zzgl. 6,90 € Versand (brutto)
einmalig pro Bestellung

Lieferzeit: 5 Werktage

Pos.
19
BOSCH Blechschraube DIN 7981-ST3,9x16-C-H | Ersatzteile für CSB 550 RP | 2910611019
Hersteller: BOSCH
Artikelnummer: EB-0603169867-2910611019
nur Informationsartikel
Nie mehr lieferbar
keine Alternativen
Pos.
20
BOSCH Hinweisschild SCHATTENSEITE | Ersatzteile für CSB 550 RP | 2601118668
Hersteller: BOSCH
Artikelnummer: EB-0603169867-2601118668
nur Informationsartikel
Nie mehr lieferbar
keine Alternativen
Pos.
25
BOSCH Regelbaustein | Ersatzteile für CSB 550 RP | 2607230053
Hersteller: BOSCH
Artikelnummer: EB-0603169867-2607230053
nur Informationsartikel
Nie mehr lieferbar
keine Alternativen
Pos.
27
BOSCH Torx-Linsenschraube 3x18 | Ersatzteile für CSB 550 RP | 2603490018
Hersteller: BOSCH
Artikelnummer: EB-0603169867-2603490018
nur Informationsartikel
Nie mehr lieferbar
keine Alternativen
Pos.
29
BOSCH Dämmplatte | Ersatzteile für CSB 550 RP | 2601022000
Hersteller: BOSCH
Artikelnummer: EB-0603169867-2601022000
nur Informationsartikel
Nie mehr lieferbar
keine Alternativen
Pos.
30
BOSCH Bohrspindel 1/2 Zoll,M6 LINKSGEWINDE | Ersatzteile für CSB 550 RP | 2606135034
Hersteller: BOSCH
Artikelnummer: EB-0603169867-2606135034
nur Informationsartikel
Nie mehr lieferbar
keine Alternativen
Pos.
31
BOSCH Sicherungsscheibe 0,3 MM | Ersatzteile für CSB 550 RP | 2600118006
Hersteller: BOSCH
Artikelnummer: EB-0603169867-2600118006
nur Informationsartikel
Nie mehr lieferbar
keine Alternativen
Pos.
31
BOSCH Sicherungsscheibe 0,6 MM | Ersatzteile für CSB 550 RP | 2600118001
Hersteller: BOSCH
Artikelnummer: EB-0603169867-2600118001
Netto: 3,63 € zzgl. MwSt.
zzgl. 6,90 € Versand (brutto)
einmalig pro Bestellung

Lieferzeit: 5 Werktage

Pos.
31
BOSCH Sicherungsscheibe 1,2 MM | Ersatzteile für CSB 550 RP | 2600118007
Hersteller: BOSCH
Artikelnummer: EB-0603169867-2600118007
nur Informationsartikel
Nie mehr lieferbar
keine Alternativen
Pos.
32
BOSCH Druckfeder | Ersatzteile für CSB 550 RP | 2604617000
Hersteller: BOSCH
Artikelnummer: EB-0603169867-2604617000
Netto: 4,53 € zzgl. MwSt.
zzgl. 6,90 € Versand (brutto)
einmalig pro Bestellung

Lieferzeit: 5 Werktage

Pos.
33
BOSCH Rillenkugellager 15x32x9 | Ersatzteile für CSB 550 RP | 1900905122
Hersteller: BOSCH
Artikelnummer: EB-0603169867-1900905122
Netto: 9,18 € zzgl. MwSt.
zzgl. 6,90 € Versand (brutto)
einmalig pro Bestellung

Lieferzeit: 5 Werktage

Pos.
34
BOSCH Stirnrad Z=37 | Ersatzteile für CSB 550 RP | 2606320051
Hersteller: BOSCH
Artikelnummer: EB-0603169867-2606320051
nur Informationsartikel
Nie mehr lieferbar
keine Alternativen
Pos.
35
BOSCH Kugel DIN 5401-5,5MM-III-ST | Ersatzteile für CSB 550 RP | 1903230010
Hersteller: BOSCH
Artikelnummer: EB-0603169867-1903230010
Netto: 3,63 € zzgl. MwSt.
zzgl. 6,90 € Versand (brutto)
einmalig pro Bestellung

Lieferzeit: 5 Werktage

Pos.
36
BOSCH Schaltscheibe SCHWARZ | Ersatzteile für CSB 550 RP | 2601990001
Hersteller: BOSCH
Artikelnummer: EB-0603169867-2601990001
nur Informationsartikel
Nie mehr lieferbar
keine Alternativen
Pos.
37
BOSCH Druckplatte | Ersatzteile für CSB 550 RP | 2601074003
Hersteller: BOSCH
Artikelnummer: EB-0603169867-2601074003
Netto: 3,63 € zzgl. MwSt.
zzgl. 6,90 € Versand (brutto)
einmalig pro Bestellung

Lieferzeit: 5 Werktage

Pos.
39
BOSCH Rasterscheibe | Ersatzteile für CSB 550 RP | 2606490056
Hersteller: BOSCH
Artikelnummer: EB-0603169867-2606490056
nur Informationsartikel
Nie mehr lieferbar
keine Alternativen
Pos.
42
BOSCH Tellerscheibe | Ersatzteile für CSB 550 RP | 2600500014
Hersteller: BOSCH
Artikelnummer: EB-0603169867-2600500014
nur Informationsartikel
Nie mehr lieferbar
keine Alternativen
Pos.
43
BOSCH O-Ring 18x3 MM | Ersatzteile für CSB 550 RP | 1900210117
Hersteller: BOSCH
Artikelnummer: EB-0603169867-1900210117
nur Informationsartikel
Nie mehr lieferbar
keine Alternativen
Pos.
44
BOSCH Sicherungsring DIN 472-24x1,2 MM | Ersatzteile für CSB 550 RP | 2916660008
Hersteller: BOSCH
Artikelnummer: EB-0603169867-2916660008
Netto: 4,32 € zzgl. MwSt.
zzgl. 6,90 € Versand (brutto)
einmalig pro Bestellung

Lieferzeit: 5 Werktage

Pos.
45
BOSCH Steckhülse | Ersatzteile für CSB 550 RP | 2600400008
Hersteller: BOSCH
Artikelnummer: EB-0603169867-2600400008
Netto: 3,94 € zzgl. MwSt.
zzgl. 6,90 € Versand (brutto)
einmalig pro Bestellung

Lieferzeit: 5 Werktage

Pos.
47
BOSCH O-Ring 5,0x1,75 MM | Ersatzteile für CSB 550 RP | 2600210036
Hersteller: BOSCH
Artikelnummer: EB-0603169867-2600210036
nur Informationsartikel
Nie mehr lieferbar
keine Alternativen
Pos.
48
BOSCH Filzstreifen | Ersatzteile für CSB 550 RP | 2601005011
Hersteller: BOSCH
Artikelnummer: EB-0603169867-2601005011
Netto: 4,39 € zzgl. MwSt.
zzgl. 6,90 € Versand (brutto)
einmalig pro Bestellung

Lieferzeit: 5 Werktage

Pos.
51
BOSCH Verbindungsleitung L=88 MM WEISS | Ersatzteile für CSB 550 RP | 2604448034
Hersteller: BOSCH
Artikelnummer: EB-0603169867-2604448034
Netto: 3,94 € zzgl. MwSt.
zzgl. 6,90 € Versand (brutto)
einmalig pro Bestellung

Lieferzeit: 5 Werktage

Pos.
52
BOSCH Verbindungsleitung L=103 MM BLAU | Ersatzteile für CSB 550 RP | 2604448132
Hersteller: BOSCH
Artikelnummer: EB-0603169867-2604448132
Netto: 3,63 € zzgl. MwSt.
zzgl. 6,90 € Versand (brutto)
einmalig pro Bestellung

Lieferzeit: 5 Werktage

Pos.
55
BOSCH Erdleitung | Ersatzteile für CSB 550 RP | 2604448103
Hersteller: BOSCH
Artikelnummer: EB-0603169867-2604448103
nur Informationsartikel
Nie mehr lieferbar
keine Alternativen
Pos.
60
BOSCH Senkschraube M6x27 LINKSGEWINDE | Ersatzteile für CSB 550 RP | 2603421226
Hersteller: BOSCH
Artikelnummer: EB-0603169867-2603421226
Netto: 3,94 € zzgl. MwSt.
zzgl. 6,90 € Versand (brutto)
einmalig pro Bestellung

Lieferzeit: 5 Werktage

Pos.
754
BOSCH Zusatzhandgriff | Ersatzteile für CSB 550 RP | 1619PB4323
Hersteller: BOSCH
Artikelnummer: EB-0603169867-1619PB4323
Netto: 9,18 € zzgl. MwSt.
zzgl. 6,90 € Versand (brutto)
einmalig pro Bestellung

Lieferzeit: 5 Werktage

Pos.
754
BOSCH Zusatzhandgriff Ø43 MM SCHWARZ | Ersatzteile für CSB 550 RP | 1612025031
Hersteller: BOSCH
Artikelnummer: EB-0603169867-1612025031
nur Informationsartikel
Nie mehr lieferbar
keine Alternativen
Pos.
755
BOSCH Tiefenanschlag SW 6x210 MM | Ersatzteile für CSB 550 RP | 1613001005
Hersteller: BOSCH
Artikelnummer: EB-0603169867-1613001005
nur Informationsartikel
Nie mehr lieferbar
keine Alternativen
Pos.
756
BOSCH Bohrfutter Ø1,5-13 MM, 1/2 Zoll | Ersatzteile für CSB 550 RP | 1608571069
Hersteller: BOSCH
Artikelnummer: EB-0603169867-1608571069
Netto: 21,16 € zzgl. MwSt.
zzgl. 6,90 € Versand (brutto)
einmalig pro Bestellung

Lieferzeit: 5 Werktage

Pos.
808
BOSCH Typschild | Ersatzteile für CSB 550 RP | 160111A3H3
Hersteller: BOSCH
Artikelnummer: EB-0603169867-160111A3H3
Netto: 4,53 € zzgl. MwSt.
zzgl. 6,90 € Versand (brutto)
einmalig pro Bestellung

Lieferzeit: 5 Werktage

Pos.
826
BOSCH Blechschraube DIN 7981-3,9x19-C-Z-ST | Ersatzteile für CSB 550 RP | 2912401020
Hersteller: BOSCH
Artikelnummer: EB-0603169867-2912401020
Netto: 3,63 € zzgl. MwSt.
zzgl. 6,90 € Versand (brutto)
einmalig pro Bestellung

Lieferzeit: 5 Werktage

Pos.
828
BOSCH Zylinderschraube DIN 84-BM4x30-8.8 | Ersatzteile für CSB 550 RP | 2910021134
Hersteller: BOSCH
Artikelnummer: EB-0603169867-2910021134
Netto: 3,94 € zzgl. MwSt.
zzgl. 6,90 € Versand (brutto)
einmalig pro Bestellung

Lieferzeit: 5 Werktage

Pos.
838
BOSCH Lagerbrücke | Ersatzteile für CSB 550 RP | 2605807915
Hersteller: BOSCH
Artikelnummer: EB-0603169867-2605807915
nur Informationsartikel
Nie mehr lieferbar
keine Alternativen
Pos.
840
BOSCH Umschalter | Ersatzteile für CSB 550 RP | 2607200231
Hersteller: BOSCH
Artikelnummer: EB-0603169867-2607200231
Netto: 14,36 € zzgl. MwSt.
zzgl. 6,90 € Versand (brutto)
einmalig pro Bestellung

Lieferzeit: 5 Werktage

Pos.
841
BOSCH Filzscheibe | Ersatzteile für CSB 550 RP | 2600108000
Hersteller: BOSCH
Artikelnummer: EB-0603169867-2600108000
nur Informationsartikel
Nie mehr lieferbar
keine Alternativen
Pos.
846
BOSCH Nadelhülse | Ersatzteile für CSB 550 RP | 2600917902
Hersteller: BOSCH
Artikelnummer: EB-0603169867-2600917902
nur Informationsartikel
Nie mehr lieferbar
keine Alternativen

Angaben zur Produktsicherheit

Hersteller:
Robert Bosch Power Tools GmbH
Postfach 30 02 20
70442 Stuttgart

E-Mail:
kontakt@bosch.de