BOSCH Sicherungsscheibe DIN 6799-4-FSt | Ersatzteile für CSB 6-20 RE | 2916080007

Artikelnummer: EB-0603998122-2916080007

Position: 863

Marke: BOSCH


Bitte Kompatibilität prüfen!

Bitte prüfen Sie unbedingt die 10-stellige Typennummer Ihrer Maschine / Ihres Gerätes. Das Ersatzteil ist nur kompatibel, wenn Sie die Typennummer Ihrer Maschine in der unten stehenden Produktbeschreibung finden.

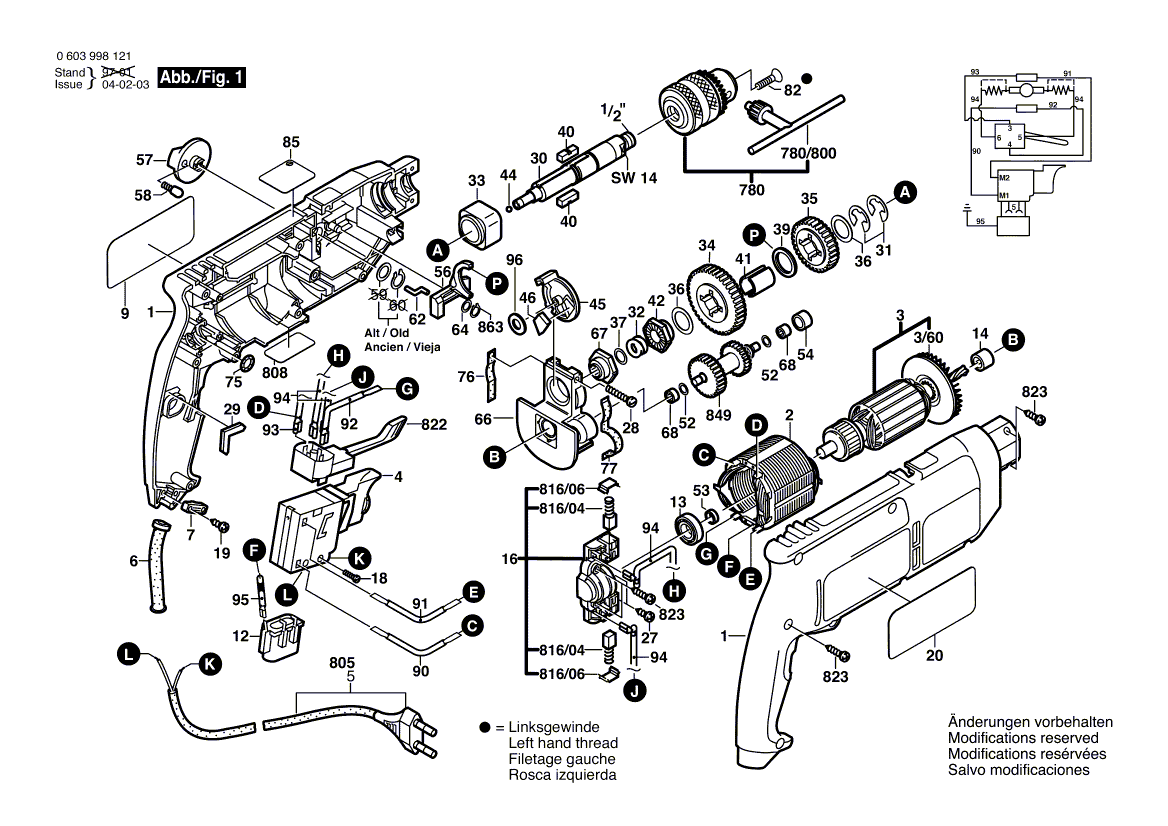
Bitte prüfen Sie ebenfalls detailliert die Explosionszeichnung mit Ihrem Artikelwunsch und der jeweiligen Pos-Nummer.

Alle Elemente, welche vom schwarzen Strich der Pos-Nummer ausgehend berührt / erfasst werden, gehören zu dieser Pos-Nummer und somit zu diesem Artikel. Jede Pos-Nummer ist ein eigenständiger Artikel, welchen Sie in der Auflistung finden.

Sie erhalten stets die aktuellste, neueste Produktversion zu der gewählten Pos-Nummer seitens des Herstellers. Es kann daher je nach Gerätealter vorkommen, dass Sie ggf. weitere, zugehörige Elemente, welche an diese Pos-Nummer grenzen, ebenfalls mittauschen müssen.

Nähere Informationen finden Sie unter dem Link
Hinweise zu Ihrer BOSCH Ersatzteilsuche

Preisübersicht

Einzelpreis: 4,56 €* (Brutto: 5,43 €)
Gesamtpreis: 4,56 €* 
Position:

Lieferzeit: 5 Werktage


Beschreibung

  • Sicherungsscheibe DIN 6799-4-FSt
  • Original Bosch Zubehör / BOSCH Ersatzteil (2916080007)
  • im Gerät verbaut: 1
Dieses BOSCH Ersatzteil ist mit folgendem Gerät und Modell kompatibel:
  • BOSCH Gerätename: CSB 6-20 RE
  • BOSCH Explosionszeichnung: Position 863
  • BOSCH Typennummer: 0603998122
  • BOSCH Typennummer alternative Schreibweisen: 0 603 998 122, 0603 998 122, 0.603.998.122, 0-603-998-122
    Bitte prüfen Sie diese Typennummer auf Ihrem Gerät um die Kompatibilität des BOSCH Ersatzteils zu gewährleisten.
Weitere BOSCH Ersatzteile des Gerätes CSB 6-20 RE (Schlagbohrmaschine) mit der Typennummer 0603998122 finden Sie in der nachfolgenden Darstellung und im Dropdown zu Ihrer Auswahl:

Pos.
1
BOSCH Gehäuseschale GRUEN | Ersatzteile für CSB 6-20 RE | 2605104506
Hersteller: BOSCH
Artikelnummer: EB-0603998122-2605104506
nur Informationsartikel
Nie mehr lieferbar
keine Alternativen
Pos.
3/60
BOSCH Lüfter | Ersatzteile für CSB 6-20 RE | 2606610029
Hersteller: BOSCH
Artikelnummer: EB-0603998122-2606610029
Netto: 4,56 € zzgl. MwSt.
zzgl. 6,90 € Versand (brutto)
einmalig pro Bestellung

Lieferzeit: 5 Werktage

Pos.
753/20
BOSCH Sechskantmutter DIN 934-M6-8-A | Ersatzteile für CSB 6-20 RE | 2915011007
Hersteller: BOSCH
Artikelnummer: EB-0603998122-2915011007
Netto: 3,60 € zzgl. MwSt.
zzgl. 6,90 € Versand (brutto)
einmalig pro Bestellung

Lieferzeit: 5 Werktage

Pos.
753/30
BOSCH Flügelschraube M6x(15)55 | Ersatzteile für CSB 6-20 RE | 1613480007
Hersteller: BOSCH
Artikelnummer: EB-0603998122-1613480007
Netto: 3,94 € zzgl. MwSt.
zzgl. 6,90 € Versand (brutto)
einmalig pro Bestellung

Lieferzeit: 5 Werktage

Pos.
753/50
BOSCH Spannplatte M6 | Ersatzteile für CSB 6-20 RE | 2608040014
Hersteller: BOSCH
Artikelnummer: EB-0603998122-2608040014
nur Informationsartikel
Nie mehr lieferbar
keine Alternativen
Pos.
753/60
BOSCH Flügelschraube M6x20 MM | Ersatzteile für CSB 6-20 RE | 1613480008
Hersteller: BOSCH
Artikelnummer: EB-0603998122-1613480008
Netto: 3,94 € zzgl. MwSt.
zzgl. 6,90 € Versand (brutto)
einmalig pro Bestellung

Lieferzeit: 5 Werktage

Pos.
780/800
BOSCH Bohrfutterschlüssel SG2 | Ersatzteile für CSB 6-20 RE | 2607950007
Hersteller: BOSCH
Artikelnummer: EB-0603998122-2607950007
Netto: 7,26 € zzgl. MwSt.
zzgl. 6,90 € Versand (brutto)
einmalig pro Bestellung

Lieferzeit: 5 Werktage

Pos.
816/04
BOSCH Kohlebürstensatz | Ersatzteile für CSB 6-20 RE | 2604321916
Hersteller: BOSCH
Artikelnummer: EB-0603998122-2604321916
nur Informationsartikel
Nie mehr lieferbar
keine Alternativen
Pos.
816/06
BOSCH Rastkappe | Ersatzteile für CSB 6-20 RE | 2601322013
Hersteller: BOSCH
Artikelnummer: EB-0603998122-2601329051
Netto: 3,94 € zzgl. MwSt.
zzgl. 6,90 € Versand (brutto)
einmalig pro Bestellung

Lieferzeit: 5 Werktage

Pos.
2
BOSCH Polschuh 230V | Ersatzteile für CSB 6-20 RE | 2604220647
Hersteller: BOSCH
Artikelnummer: EB-0603998122-2604220647
Netto: 16,70 € zzgl. MwSt.
zzgl. 6,90 € Versand (brutto)
einmalig pro Bestellung

Lieferzeit: 5 Werktage

Pos.
3
BOSCH Anker 230-240V | Ersatzteile für CSB 6-20 RE | 2604011090
Hersteller: BOSCH
Artikelnummer: EB-0603998122-2604011090
nur Informationsartikel
Nie mehr lieferbar
keine Alternativen
Pos.
4
BOSCH Ein/Aus-Schalter | Ersatzteile für CSB 6-20 RE | 2607200224
Hersteller: BOSCH
Artikelnummer: EB-0603998122-2607200224
nur Informationsartikel
Nie mehr lieferbar
keine Alternativen
Pos.
4
BOSCH Schalter | Ersatzteile für CSB 6-20 RE | 2607200190
Hersteller: BOSCH
Artikelnummer: EB-0603998122-2607200190
Netto: 46,22 € zzgl. MwSt.
zzgl. 6,90 € Versand (brutto)
einmalig pro Bestellung

Lieferzeit: 5 Werktage

Pos.
6
BOSCH Tülle Ø6,9 MM | Ersatzteile für CSB 6-20 RE | 2600707059
Hersteller: BOSCH
Artikelnummer: EB-0603998122-2600707059
nur Informationsartikel
Nie mehr lieferbar
keine Alternativen
Pos.
7
BOSCH Leitungshalter | Ersatzteile für CSB 6-20 RE | 2601035001
Hersteller: BOSCH
Artikelnummer: EB-0603998122-2601035001
Netto: 3,94 € zzgl. MwSt.
zzgl. 6,90 € Versand (brutto)
einmalig pro Bestellung

Lieferzeit: 5 Werktage

Pos.
9
BOSCH Firmenschild SONNENSEITE | Ersatzteile für CSB 6-20 RE | 2601118990
Hersteller: BOSCH
Artikelnummer: EB-0603998122-2601118990
nur Informationsartikel
Nie mehr lieferbar
keine Alternativen
Pos.
12
BOSCH Entstörfilter | Ersatzteile für CSB 6-20 RE | 2607329114
Hersteller: BOSCH
Artikelnummer: EB-0603998122-2607329114
nur Informationsartikel
Nie mehr lieferbar
keine Alternativen
Pos.
13
BOSCH Kugellager 7x19x6 | Ersatzteile für CSB 6-20 RE | 2600905032
Hersteller: BOSCH
Artikelnummer: EB-0603998122-2600905032
Netto: 6,27 € zzgl. MwSt.
zzgl. 6,90 € Versand (brutto)
einmalig pro Bestellung

Lieferzeit: 5 Werktage

Pos.
14
BOSCH Nadelhülse | Ersatzteile für CSB 6-20 RE | 2600914019
Hersteller: BOSCH
Artikelnummer: EB-0603998122-2600914019
Netto: 6,27 € zzgl. MwSt.
zzgl. 6,90 € Versand (brutto)
einmalig pro Bestellung

Lieferzeit: 5 Werktage

Pos.
16
BOSCH Bürstenplatte | Ersatzteile für CSB 6-20 RE | 2609992618
Hersteller: BOSCH
Artikelnummer: EB-0603998122-2609992618
nur Informationsartikel
Nie mehr lieferbar
keine Alternativen
Pos.
18
BOSCH Zylinderschraube M3x6,5-4.8 | Ersatzteile für CSB 6-20 RE | 2603410001
Hersteller: BOSCH
Artikelnummer: EB-0603998122-2603410001
Netto: 3,94 € zzgl. MwSt.
zzgl. 6,90 € Versand (brutto)
einmalig pro Bestellung

Lieferzeit: 5 Werktage

Pos.
19
BOSCH Blechschraube DIN 7981-ST3,9x16-C-H | Ersatzteile für CSB 6-20 RE | 2910611019
Hersteller: BOSCH
Artikelnummer: EB-0603998122-2910611019
nur Informationsartikel
Nie mehr lieferbar
keine Alternativen
Pos.
20
BOSCH Firmenschild SCHATTENSEITE | Ersatzteile für CSB 6-20 RE | 2601118563
Hersteller: BOSCH
Artikelnummer: EB-0603998122-2601118563
nur Informationsartikel
Nie mehr lieferbar
keine Alternativen
Pos.
27
BOSCH Torx-Linsenschraube 3x18 | Ersatzteile für CSB 6-20 RE | 2603490018
Hersteller: BOSCH
Artikelnummer: EB-0603998122-2603490018
nur Informationsartikel
Nie mehr lieferbar
keine Alternativen
Pos.
28
BOSCH Linsenschraube | Ersatzteile für CSB 6-20 RE | 2603429006
Hersteller: BOSCH
Artikelnummer: EB-0603998122-2603429006
nur Informationsartikel
Nie mehr lieferbar
keine Alternativen
Pos.
29
BOSCH Dämmplatte | Ersatzteile für CSB 6-20 RE | 2601022000
Hersteller: BOSCH
Artikelnummer: EB-0603998122-2601022000
nur Informationsartikel
Nie mehr lieferbar
keine Alternativen
Pos.
30
BOSCH Bohrspindel 1/2 Zoll | Ersatzteile für CSB 6-20 RE | 2606135072
Hersteller: BOSCH
Artikelnummer: EB-0603998122-2606135072
nur Informationsartikel
Nie mehr lieferbar
keine Alternativen
Pos.
31
BOSCH Sicherungsscheibe 0,3 MM | Ersatzteile für CSB 6-20 RE | 2600118006
Hersteller: BOSCH
Artikelnummer: EB-0603998122-2600118006
nur Informationsartikel
Nie mehr lieferbar
keine Alternativen
Pos.
31
BOSCH Sicherungsscheibe 0,6 MM | Ersatzteile für CSB 6-20 RE | 2600118001
Hersteller: BOSCH
Artikelnummer: EB-0603998122-2600118001
Netto: 3,60 € zzgl. MwSt.
zzgl. 6,90 € Versand (brutto)
einmalig pro Bestellung

Lieferzeit: 5 Werktage

Pos.
31
BOSCH Sicherungsscheibe 0,8 MM | Ersatzteile für CSB 6-20 RE | 2600118002
Hersteller: BOSCH
Artikelnummer: EB-0603998122-2600118002
Netto: 3,94 € zzgl. MwSt.
zzgl. 6,90 € Versand (brutto)
einmalig pro Bestellung

Lieferzeit: 5 Werktage

Pos.
32
BOSCH Druckfeder | Ersatzteile für CSB 6-20 RE | 2604616006
Hersteller: BOSCH
Artikelnummer: EB-0603998122-2604616006
Netto: 3,94 € zzgl. MwSt.
zzgl. 6,90 € Versand (brutto)
einmalig pro Bestellung

Lieferzeit: 5 Werktage

Pos.
33
BOSCH Sinterbuchse 14,7-0,15 | Ersatzteile für CSB 6-20 RE | 2600301031
Hersteller: BOSCH
Artikelnummer: EB-0603998122-2600301031
Netto: 5,65 € zzgl. MwSt.
zzgl. 6,90 € Versand (brutto)
einmalig pro Bestellung

Lieferzeit: 5 Werktage

Pos.
34
BOSCH Stirnrad | Ersatzteile für CSB 6-20 RE | 2606317082
Hersteller: BOSCH
Artikelnummer: EB-0603998122-2606317082
Netto: 8,42 € zzgl. MwSt.
zzgl. 6,90 € Versand (brutto)
einmalig pro Bestellung

Lieferzeit: 5 Werktage

Pos.
35
BOSCH Stirnrad | Ersatzteile für CSB 6-20 RE | 2606317083
Hersteller: BOSCH
Artikelnummer: EB-0603998122-2606317083
Netto: 9,75 € zzgl. MwSt.
zzgl. 6,90 € Versand (brutto)
einmalig pro Bestellung

Lieferzeit: 5 Werktage

Pos.
36
BOSCH Ausgleichscheibe 1,0 MM | Ersatzteile für CSB 6-20 RE | 2600101515
Hersteller: BOSCH
Artikelnummer: EB-0603998122-2600101515
Netto: 3,60 € zzgl. MwSt.
zzgl. 6,90 € Versand (brutto)
einmalig pro Bestellung

Lieferzeit: 5 Werktage

Pos.
37
BOSCH Ausgleichscheibe 0,3 MM | Ersatzteile für CSB 6-20 RE | 2600101047
Hersteller: BOSCH
Artikelnummer: EB-0603998122-2600101047
Netto: 3,94 € zzgl. MwSt.
zzgl. 6,90 € Versand (brutto)
einmalig pro Bestellung

Lieferzeit: 5 Werktage

Pos.
39
BOSCH Haltescheibe | Ersatzteile für CSB 6-20 RE | 2600101084
Hersteller: BOSCH
Artikelnummer: EB-0603998122-2600101084
Netto: 3,94 € zzgl. MwSt.
zzgl. 6,90 € Versand (brutto)
einmalig pro Bestellung

Lieferzeit: 5 Werktage

Pos.
40
BOSCH Flachkeil | Ersatzteile für CSB 6-20 RE | 2602300034
Hersteller: BOSCH
Artikelnummer: EB-0603998122-2602300034
Netto: 4,53 € zzgl. MwSt.
zzgl. 6,90 € Versand (brutto)
einmalig pro Bestellung

Lieferzeit: 5 Werktage

Pos.
41
BOSCH Stützblech | Ersatzteile für CSB 6-20 RE | 2601098031
Hersteller: BOSCH
Artikelnummer: EB-0603998122-2601098031
Netto: 3,94 € zzgl. MwSt.
zzgl. 6,90 € Versand (brutto)
einmalig pro Bestellung

Lieferzeit: 5 Werktage

Pos.
42
BOSCH Rastscheibe | Ersatzteile für CSB 6-20 RE | 2600190070
Hersteller: BOSCH
Artikelnummer: EB-0603998122-2600190070
Netto: 6,75 € zzgl. MwSt.
zzgl. 6,90 € Versand (brutto)
einmalig pro Bestellung

Lieferzeit: 5 Werktage

Pos.
44
BOSCH Kugel DIN 5401-5,5MM-III-ST | Ersatzteile für CSB 6-20 RE | 1903230010
Hersteller: BOSCH
Artikelnummer: EB-0603998122-1903230010
Netto: 3,60 € zzgl. MwSt.
zzgl. 6,90 € Versand (brutto)
einmalig pro Bestellung

Lieferzeit: 5 Werktage

Pos.
45
BOSCH Schaltscheibe SCHWARZ | Ersatzteile für CSB 6-20 RE | 2601990001
Hersteller: BOSCH
Artikelnummer: EB-0603998122-2601990001
nur Informationsartikel
Nie mehr lieferbar
keine Alternativen
Pos.
46
BOSCH Druckplatte | Ersatzteile für CSB 6-20 RE | 2601074003
Hersteller: BOSCH
Artikelnummer: EB-0603998122-2601074003
Netto: 3,60 € zzgl. MwSt.
zzgl. 6,90 € Versand (brutto)
einmalig pro Bestellung

Lieferzeit: 5 Werktage

Pos.
52
BOSCH Ausgleichscheibe 0,3 MM | Ersatzteile für CSB 6-20 RE | 2600100607
Hersteller: BOSCH
Artikelnummer: EB-0603998122-2600100607
Netto: 3,94 € zzgl. MwSt.
zzgl. 6,90 € Versand (brutto)
einmalig pro Bestellung

Lieferzeit: 5 Werktage

Pos.
53
BOSCH Distanzring | Ersatzteile für CSB 6-20 RE | 2600209012
Hersteller: BOSCH
Artikelnummer: EB-0603998122-2600209012
nur Informationsartikel
Nie mehr lieferbar
keine Alternativen
Pos.
54
BOSCH Lagerhülse | Ersatzteile für CSB 6-20 RE | 2600400027
Hersteller: BOSCH
Artikelnummer: EB-0603998122-2600400027
Netto: 5,65 € zzgl. MwSt.
zzgl. 6,90 € Versand (brutto)
einmalig pro Bestellung

Lieferzeit: 5 Werktage

Pos.
56
BOSCH Gabelhebel | Ersatzteile für CSB 6-20 RE | 2601990009
Hersteller: BOSCH
Artikelnummer: EB-0603998122-2601990009
Netto: 3,60 € zzgl. MwSt.
zzgl. 6,90 € Versand (brutto)
einmalig pro Bestellung

Lieferzeit: 5 Werktage

Pos.
57
BOSCH Drehkopf | Ersatzteile für CSB 6-20 RE | 2602026091
Hersteller: BOSCH
Artikelnummer: EB-0603998122-2602026091
nur Informationsartikel
Nie mehr lieferbar
keine Alternativen
Pos.
58
BOSCH Rastkappe | Ersatzteile für CSB 6-20 RE | 2600590006
Hersteller: BOSCH
Artikelnummer: EB-0603998122-2600590006
Netto: 3,94 € zzgl. MwSt.
zzgl. 6,90 € Versand (brutto)
einmalig pro Bestellung

Lieferzeit: 5 Werktage

Pos.
62
BOSCH Mitnehmerstift | Ersatzteile für CSB 6-20 RE | 2601335001
Hersteller: BOSCH
Artikelnummer: EB-0603998122-2601335001
Netto: 4,36 € zzgl. MwSt.
zzgl. 6,90 € Versand (brutto)
einmalig pro Bestellung

Lieferzeit: 5 Werktage

Pos.
64
BOSCH Distanzscheibe | Ersatzteile für CSB 6-20 RE | 2600100618
Hersteller: BOSCH
Artikelnummer: EB-0603998122-2600100618
Netto: 3,60 € zzgl. MwSt.
zzgl. 6,90 € Versand (brutto)
einmalig pro Bestellung

Lieferzeit: 5 Werktage

Pos.
66
BOSCH Lagerbrücke | Ersatzteile für CSB 6-20 RE | 2605807073
Hersteller: BOSCH
Artikelnummer: EB-0603998122-2605807073
nur Informationsartikel
Nie mehr lieferbar
keine Alternativen
Pos.
67
BOSCH Rastscheibe | Ersatzteile für CSB 6-20 RE | 2600190071
Hersteller: BOSCH
Artikelnummer: EB-0603998122-2600190071
Netto: 7,26 € zzgl. MwSt.
zzgl. 6,90 € Versand (brutto)
einmalig pro Bestellung

Lieferzeit: 5 Werktage

Pos.
68
BOSCH Nadellager Ø6 MM | Ersatzteile für CSB 6-20 RE | 2600914010
Hersteller: BOSCH
Artikelnummer: EB-0603998122-2600914010
Netto: 4,80 € zzgl. MwSt.
zzgl. 6,90 € Versand (brutto)
einmalig pro Bestellung

Lieferzeit: 5 Werktage

Pos.
75
BOSCH O-Ring 5,0x1,75 MM | Ersatzteile für CSB 6-20 RE | 2600210036
Hersteller: BOSCH
Artikelnummer: EB-0603998122-2600210036
nur Informationsartikel
Nie mehr lieferbar
keine Alternativen
Pos.
76
BOSCH Filzstreifen | Ersatzteile für CSB 6-20 RE | 2601005011
Hersteller: BOSCH
Artikelnummer: EB-0603998122-2601005011
Netto: 1,39 € zzgl. MwSt.
zzgl. 6,90 € Versand (brutto)
einmalig pro Bestellung

Lieferzeit: 5 Werktage

Pos.
77
BOSCH Filzstreifen | Ersatzteile für CSB 6-20 RE | 2601005016
Hersteller: BOSCH
Artikelnummer: EB-0603998122-2601005016
nur Informationsartikel
Nie mehr lieferbar
keine Alternativen
Pos.
82
BOSCH Senkschraube M6x27 LINKSGEWINDE | Ersatzteile für CSB 6-20 RE | 2603421226
Hersteller: BOSCH
Artikelnummer: EB-0603998122-2603421226
Netto: 3,94 € zzgl. MwSt.
zzgl. 6,90 € Versand (brutto)
einmalig pro Bestellung

Lieferzeit: 5 Werktage

Pos.
85
BOSCH Klebeschild | Ersatzteile für CSB 6-20 RE | 2601110117
Hersteller: BOSCH
Artikelnummer: EB-0603998122-2601110117
nur Informationsartikel
Nie mehr lieferbar
keine Alternativen
Pos.
90
BOSCH Elektr Leitung L=173 MM WEISS | Ersatzteile für CSB 6-20 RE | 2604448060
Hersteller: BOSCH
Artikelnummer: EB-0603998122-2604448060
nur Informationsartikel
Nie mehr lieferbar
keine Alternativen
Pos.
91
BOSCH Elektr Leitung L=98 MM SCHWARZ | Ersatzteile für CSB 6-20 RE | 2604448045
Hersteller: BOSCH
Artikelnummer: EB-0603998122-2604448045
nur Informationsartikel
Nie mehr lieferbar
keine Alternativen
Pos.
92
BOSCH Verbindungsleitung L=88 MM WEISS | Ersatzteile für CSB 6-20 RE | 2604448034
Hersteller: BOSCH
Artikelnummer: EB-0603998122-2604448034
Netto: 3,94 € zzgl. MwSt.
zzgl. 6,90 € Versand (brutto)
einmalig pro Bestellung

Lieferzeit: 5 Werktage

Pos.
93
BOSCH Verbindungsleitung L=103 MM BLAU | Ersatzteile für CSB 6-20 RE | 2604448132
Hersteller: BOSCH
Artikelnummer: EB-0603998122-2604448132
Netto: 3,60 € zzgl. MwSt.
zzgl. 6,90 € Versand (brutto)
einmalig pro Bestellung

Lieferzeit: 5 Werktage

Pos.
94
BOSCH Verbindungskabel L=73 MM WEISS | Ersatzteile für CSB 6-20 RE | 2604448115
Hersteller: BOSCH
Artikelnummer: EB-0603998122-2604448115
Netto: 3,60 € zzgl. MwSt.
zzgl. 6,90 € Versand (brutto)
einmalig pro Bestellung

Lieferzeit: 5 Werktage

Pos.
95
BOSCH Erdleitung | Ersatzteile für CSB 6-20 RE | 2604448170
Hersteller: BOSCH
Artikelnummer: EB-0603998122-2604448170
nur Informationsartikel
Nie mehr lieferbar
keine Alternativen
Pos.
96
BOSCH Unterlegscheibe | Ersatzteile für CSB 6-20 RE | 2600100066
Hersteller: BOSCH
Artikelnummer: EB-0603998122-2600100066
Netto: 3,60 € zzgl. MwSt.
zzgl. 6,90 € Versand (brutto)
einmalig pro Bestellung

Lieferzeit: 5 Werktage

Pos.
753
BOSCH Zusatzhandgriff | Ersatzteile für CSB 6-20 RE | 1619PB4323
Hersteller: BOSCH
Artikelnummer: EB-0603998122-1619PB4323
Netto: 9,05 € zzgl. MwSt.
zzgl. 6,90 € Versand (brutto)
einmalig pro Bestellung

Lieferzeit: 5 Werktage

Pos.
753
BOSCH Zusatzhandgriff Ø43 MM SCHWARZ | Ersatzteile für CSB 6-20 RE | 1612025031
Hersteller: BOSCH
Artikelnummer: EB-0603998122-1612025031
Netto: 8,13 € zzgl. MwSt.
zzgl. 6,90 € Versand (brutto)
einmalig pro Bestellung

Lieferzeit: 63 Werktage

Pos.
754
BOSCH Bohreraufnahme | Ersatzteile für CSB 6-20 RE | 2607000122
Hersteller: BOSCH
Artikelnummer: EB-0603998122-2607000122
nur Informationsartikel
Nie mehr lieferbar
keine Alternativen
Pos.
755
BOSCH Tiefenanschlag SW 6x210 MM | Ersatzteile für CSB 6-20 RE | 1613001005
Hersteller: BOSCH
Artikelnummer: EB-0603998122-1613001005
nur Informationsartikel
Nie mehr lieferbar
keine Alternativen
Pos.
780
BOSCH Zahnkranzbohrfutter Ø 1,5-13 MM | Ersatzteile für CSB 6-20 RE | 2608571046
Hersteller: BOSCH
Artikelnummer: EB-0603998122-2608571046
nur Informationsartikel
Nie mehr lieferbar
keine Alternativen
Pos.
805
BOSCH Netzanschlussleitung EU 230V 4,15m 2 x 1,0mm H05 RN-F | Ersatzteile für CSB 6-20 RE | 1607000386
Hersteller: BOSCH
Artikelnummer: EB-0603998122-1607000386
Netto: 16,70 € zzgl. MwSt.
zzgl. 6,90 € Versand (brutto)
einmalig pro Bestellung

Lieferzeit: 5 Werktage

Pos.
808
BOSCH Typschild | Ersatzteile für CSB 6-20 RE | 160111A3H3
Hersteller: BOSCH
Artikelnummer: EB-0603998122-160111A3H3
Netto: 4,56 € zzgl. MwSt.
zzgl. 6,90 € Versand (brutto)
einmalig pro Bestellung

Lieferzeit: 5 Werktage

Pos.
822
BOSCH Umschalter | Ersatzteile für CSB 6-20 RE | 2607200231
Hersteller: BOSCH
Artikelnummer: EB-0603998122-2607200231
Netto: 13,81 € zzgl. MwSt.
zzgl. 6,90 € Versand (brutto)
einmalig pro Bestellung

Lieferzeit: 5 Werktage

Pos.
823
BOSCH Blechschraube DIN 7981-3,9x19-C-Z-ST | Ersatzteile für CSB 6-20 RE | 2912401020
Hersteller: BOSCH
Artikelnummer: EB-0603998122-2912401020
Netto: 4,36 € zzgl. MwSt.
zzgl. 6,90 € Versand (brutto)
einmalig pro Bestellung

Lieferzeit: 5 Werktage

Pos.
849
BOSCH Zahnwelle Z= 10/29/22 | Ersatzteile für CSB 6-20 RE | 2606309931
Hersteller: BOSCH
Artikelnummer: EB-0603998122-2606309931
nur Informationsartikel
Nie mehr lieferbar
keine Alternativen
Pos.
863
BOSCH Sicherungsscheibe DIN 6799-4-FSt | Ersatzteile für CSB 6-20 RE | 2916080007
Hersteller: BOSCH
Artikelnummer: EB-0603998122-2916080007
Netto: 4,56 € zzgl. MwSt.
zzgl. 6,90 € Versand (brutto)
einmalig pro Bestellung

Lieferzeit: 5 Werktage

Angaben zur Produktsicherheit

Hersteller:
Robert Bosch Power Tools GmbH
Postfach 30 02 20
70442 Stuttgart

E-Mail:
kontakt@bosch.de