BOSCH Druckplatte | Ersatzteile für CSB 650-2 RP | 2601074003

Artikelnummer: EB-0603161942-2601074003

Position: 46

Marke: BOSCH


Bitte Kompatibilität prüfen!

Bitte prüfen Sie unbedingt die 10-stellige Typennummer Ihrer Maschine / Ihres Gerätes. Das Ersatzteil ist nur kompatibel, wenn Sie die Typennummer Ihrer Maschine in der unten stehenden Produktbeschreibung finden.

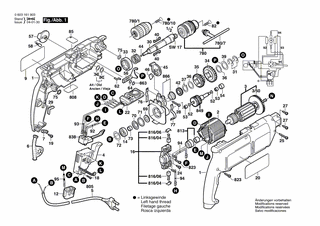
Bitte prüfen Sie ebenfalls detailliert die Explosionszeichnung mit Ihrem Artikelwunsch und der jeweiligen Pos-Nummer.

Alle Elemente, welche vom schwarzen Strich der Pos-Nummer ausgehend berührt / erfasst werden, gehören zu dieser Pos-Nummer und somit zu diesem Artikel. Jede Pos-Nummer ist ein eigenständiger Artikel, welchen Sie in der Auflistung finden.

Sie erhalten stets die aktuellste, neueste Produktversion zu der gewählten Pos-Nummer seitens des Herstellers. Es kann daher je nach Gerätealter vorkommen, dass Sie ggf. weitere, zugehörige Elemente, welche an diese Pos-Nummer grenzen, ebenfalls mittauschen müssen.

Nähere Informationen finden Sie unter dem Link
Hinweise zu Ihrer BOSCH Ersatzteilsuche

Preisübersicht

Einzelpreis: 3,63 €* (Brutto: 4,32 €)
Gesamtpreis: 3,63 €* 
Position:

Lieferzeit: 5 Werktage


Beschreibung

  • Druckplatte
  • Original Bosch Zubehör / BOSCH Ersatzteil (2601074003)
  • im Gerät verbaut: 1
Dieses BOSCH Ersatzteil ist mit folgendem Gerät und Modell kompatibel:
  • BOSCH Gerätename: CSB 650-2 RP
  • BOSCH Explosionszeichnung: Position 46
  • BOSCH Typennummer: 0603161942
  • BOSCH Typennummer alternative Schreibweisen: 0 603 161 942, 0603 161 942, 0.603.161.942, 0-603-161-942
    Bitte prüfen Sie diese Typennummer auf Ihrem Gerät um die Kompatibilität des BOSCH Ersatzteils zu gewährleisten.
Weitere BOSCH Ersatzteile des Gerätes CSB 650-2 RP (Schlagbohrmaschine) mit der Typennummer 0603161942 finden Sie in der nachfolgenden Darstellung und im Dropdown zu Ihrer Auswahl:

Pos.
1
BOSCH Gehäuseschale GRUEN | Ersatzteile für CSB 650-2 RP | 2605104478
Hersteller: BOSCH
Artikelnummer: EB-0603161942-2605104478
nur Informationsartikel
Nie mehr lieferbar
keine Alternativen
Pos.
3/50
BOSCH Lüfter | Ersatzteile für CSB 650-2 RP | 2606610029
Hersteller: BOSCH
Artikelnummer: EB-0603161942-2606610029
Netto: 4,53 € zzgl. MwSt.
zzgl. 6,90 € Versand (brutto)
einmalig pro Bestellung

Lieferzeit: 5 Werktage

Pos.
753/20
BOSCH Sechskantmutter DIN 934-M6-8-A | Ersatzteile für CSB 650-2 RP | 2915011007
Hersteller: BOSCH
Artikelnummer: EB-0603161942-2915011007
Netto: 3,63 € zzgl. MwSt.
zzgl. 6,90 € Versand (brutto)
einmalig pro Bestellung

Lieferzeit: 5 Werktage

Pos.
753/30
BOSCH Flügelschraube M6x(15)55 | Ersatzteile für CSB 650-2 RP | 1613480007
Hersteller: BOSCH
Artikelnummer: EB-0603161942-1613480007
Netto: 3,94 € zzgl. MwSt.
zzgl. 6,90 € Versand (brutto)
einmalig pro Bestellung

Lieferzeit: 5 Werktage

Pos.
753/50
BOSCH Spannplatte M6 | Ersatzteile für CSB 650-2 RP | 2608040014
Hersteller: BOSCH
Artikelnummer: EB-0603161942-2608040014
nur Informationsartikel
Nie mehr lieferbar
keine Alternativen
Pos.
753/60
BOSCH Flügelschraube M6x20 MM | Ersatzteile für CSB 650-2 RP | 1613480008
Hersteller: BOSCH
Artikelnummer: EB-0603161942-1613480008
Netto: 3,94 € zzgl. MwSt.
zzgl. 6,90 € Versand (brutto)
einmalig pro Bestellung

Lieferzeit: 5 Werktage

Pos.
780/10
BOSCH Senkschraube M6x31 MM LINKSGEWINDE | Ersatzteile für CSB 650-2 RP | 2603421209
Hersteller: BOSCH
Artikelnummer: EB-0603161942-2603421209
nur Informationsartikel
Nie mehr lieferbar
keine Alternativen
Pos.
780/7
BOSCH Bohrfutterschlüssel SG2 | Ersatzteile für CSB 650-2 RP | 2607950007
Hersteller: BOSCH
Artikelnummer: EB-0603161942-2607950007
Netto: 7,30 € zzgl. MwSt.
zzgl. 6,90 € Versand (brutto)
einmalig pro Bestellung

Lieferzeit: 5 Werktage

Pos.
816/04
BOSCH Kohlebürstensatz | Ersatzteile für CSB 650-2 RP | 2604321905
Hersteller: BOSCH
Artikelnummer: EB-0603161942-2604321905
Netto: 9,18 € zzgl. MwSt.
zzgl. 6,90 € Versand (brutto)
einmalig pro Bestellung

Lieferzeit: 5 Werktage

Pos.
816/06
BOSCH Rastkappe | Ersatzteile für CSB 650-2 RP | 2601322013
Hersteller: BOSCH
Artikelnummer: EB-0603161942-2601329051
Netto: 3,94 € zzgl. MwSt.
zzgl. 6,90 € Versand (brutto)
einmalig pro Bestellung

Lieferzeit: 5 Werktage

Pos.
2
BOSCH Polschuh 220-240V | Ersatzteile für CSB 650-2 RP | 1604220254
Hersteller: BOSCH
Artikelnummer: EB-0603161942-1604220254
Netto: 19,18 € zzgl. MwSt.
zzgl. 6,90 € Versand (brutto)
einmalig pro Bestellung

Lieferzeit: 5 Werktage

Pos.
3
BOSCH Anker 230-240V | Ersatzteile für CSB 650-2 RP | 2604010862
Hersteller: BOSCH
Artikelnummer: EB-0603161942-2604010862
nur Informationsartikel
Nie mehr lieferbar
keine Alternativen
Pos.
4
BOSCH Ein/Aus-Schalter | Ersatzteile für CSB 650-2 RP | 2607200336
Hersteller: BOSCH
Artikelnummer: EB-0603161942-2607200336
nur Informationsartikel
Nie mehr lieferbar
keine Alternativen
Pos.
5
BOSCH Netzanschlussleitung GB 230V 2,65m 2 x 1,0mm H05 VV-F | Ersatzteile für CSB 650-2 RP | 2604460147
Hersteller: BOSCH
Artikelnummer: EB-0603161942-2604460147
Netto: 14,36 € zzgl. MwSt.
zzgl. 6,90 € Versand (brutto)
einmalig pro Bestellung

Lieferzeit: 5 Werktage

Pos.
6
BOSCH Tülle Ø6,9 MM | Ersatzteile für CSB 650-2 RP | 2600707059
Hersteller: BOSCH
Artikelnummer: EB-0603161942-2600707059
Netto: 5,19 € zzgl. MwSt.
zzgl. 6,90 € Versand (brutto)
einmalig pro Bestellung

Lieferzeit: 5 Werktage

Pos.
7
BOSCH Leitungshalter | Ersatzteile für CSB 650-2 RP | 2601035001
Hersteller: BOSCH
Artikelnummer: EB-0603161942-2601035001
Netto: 3,94 € zzgl. MwSt.
zzgl. 6,90 € Versand (brutto)
einmalig pro Bestellung

Lieferzeit: 5 Werktage

Pos.
9
BOSCH Firmenschild SONNENSEITE | Ersatzteile für CSB 650-2 RP | 2601118669
Hersteller: BOSCH
Artikelnummer: EB-0603161942-2601118669
nur Informationsartikel
Nie mehr lieferbar
keine Alternativen
Pos.
12
BOSCH Entstörfilter | Ersatzteile für CSB 650-2 RP | 2607329114
Hersteller: BOSCH
Artikelnummer: EB-0603161942-2607329114
nur Informationsartikel
Nie mehr lieferbar
keine Alternativen
Pos.
14
BOSCH Rillenkugellager 9x24x7 | Ersatzteile für CSB 650-2 RP | 2600905039
Hersteller: BOSCH
Artikelnummer: EB-0603161942-2600905039
Netto: 10,92 € zzgl. MwSt.
zzgl. 6,90 € Versand (brutto)
einmalig pro Bestellung

Lieferzeit: 5 Werktage

Pos.
16
BOSCH Bürstenplatte | Ersatzteile für CSB 650-2 RP | 2605807060
Hersteller: BOSCH
Artikelnummer: EB-0603161942-2605807060
nur Informationsartikel
Nie mehr lieferbar
keine Alternativen
Pos.
18
BOSCH Zylinderschraube M3x6,5-4.8 | Ersatzteile für CSB 650-2 RP | 2603410001
Hersteller: BOSCH
Artikelnummer: EB-0603161942-2603410001
Netto: 3,94 € zzgl. MwSt.
zzgl. 6,90 € Versand (brutto)
einmalig pro Bestellung

Lieferzeit: 5 Werktage

Pos.
19
BOSCH Schraube 4x16 | Ersatzteile für CSB 650-2 RP | 2603490022
Hersteller: BOSCH
Artikelnummer: EB-0603161942-2603490022
Netto: 3,63 € zzgl. MwSt.
zzgl. 6,90 € Versand (brutto)
einmalig pro Bestellung

Lieferzeit: 5 Werktage

Pos.
20
BOSCH Firmenschild SCHATTENSEITE | Ersatzteile für CSB 650-2 RP | 2601118563
Hersteller: BOSCH
Artikelnummer: EB-0603161942-2601118563
nur Informationsartikel
Nie mehr lieferbar
keine Alternativen
Pos.
22
BOSCH Regelbaustein | Ersatzteile für CSB 650-2 RP | 2607230053
Hersteller: BOSCH
Artikelnummer: EB-0603161942-2607230053
nur Informationsartikel
Nie mehr lieferbar
keine Alternativen
Pos.
24
BOSCH Torx-Linsenschraube 3x10 | Ersatzteile für CSB 650-2 RP | 2603490017
Hersteller: BOSCH
Artikelnummer: EB-0603161942-2603490017
Netto: 4,32 € zzgl. MwSt.
zzgl. 6,90 € Versand (brutto)
einmalig pro Bestellung

Lieferzeit: 5 Werktage

Pos.
25
BOSCH Torx-Linsenschraube 3x30 | Ersatzteile für CSB 650-2 RP | 2603490019
Hersteller: BOSCH
Artikelnummer: EB-0603161942-2603490019
Netto: 3,63 € zzgl. MwSt.
zzgl. 6,90 € Versand (brutto)
einmalig pro Bestellung

Lieferzeit: 5 Werktage

Pos.
28
BOSCH Torx-Linsenschraube 3x18 | Ersatzteile für CSB 650-2 RP | 2603490018
Hersteller: BOSCH
Artikelnummer: EB-0603161942-2603490018
nur Informationsartikel
Nie mehr lieferbar
keine Alternativen
Pos.
29
BOSCH Dämmplatte | Ersatzteile für CSB 650-2 RP | 2601022000
Hersteller: BOSCH
Artikelnummer: EB-0603161942-2601022000
nur Informationsartikel
Nie mehr lieferbar
keine Alternativen
Pos.
30
BOSCH Bohrspindel 1/2 Zoll-24 UNF-2A | Ersatzteile für CSB 650-2 RP | 2606135066
Hersteller: BOSCH
Artikelnummer: EB-0603161942-2606135066
nur Informationsartikel
Nie mehr lieferbar
keine Alternativen
Pos.
31
BOSCH Sicherungsscheibe 0,3 MM | Ersatzteile für CSB 650-2 RP | 2600118006
Hersteller: BOSCH
Artikelnummer: EB-0603161942-2600118006
nur Informationsartikel
Nie mehr lieferbar
keine Alternativen
Pos.
31
BOSCH Sicherungsscheibe 0,6 MM | Ersatzteile für CSB 650-2 RP | 2600118001
Hersteller: BOSCH
Artikelnummer: EB-0603161942-2600118001
Netto: 3,63 € zzgl. MwSt.
zzgl. 6,90 € Versand (brutto)
einmalig pro Bestellung

Lieferzeit: 5 Werktage

Pos.
31
BOSCH Sicherungsscheibe 0,8 MM | Ersatzteile für CSB 650-2 RP | 2600118002
Hersteller: BOSCH
Artikelnummer: EB-0603161942-2600118002
Netto: 3,94 € zzgl. MwSt.
zzgl. 6,90 € Versand (brutto)
einmalig pro Bestellung

Lieferzeit: 5 Werktage

Pos.
32
BOSCH Druckfeder | Ersatzteile für CSB 650-2 RP | 2604616002
Hersteller: BOSCH
Artikelnummer: EB-0603161942-2604616002
Netto: 3,94 € zzgl. MwSt.
zzgl. 6,90 € Versand (brutto)
einmalig pro Bestellung

Lieferzeit: 5 Werktage

Pos.
33
BOSCH Rillenkugellager 17x35x10 | Ersatzteile für CSB 650-2 RP | 1900905163
Hersteller: BOSCH
Artikelnummer: EB-0603161942-1900905163
Netto: 9,95 € zzgl. MwSt.
zzgl. 6,90 € Versand (brutto)
einmalig pro Bestellung

Lieferzeit: 5 Werktage

Pos.
34
BOSCH Stirnrad Z=48 | Ersatzteile für CSB 650-2 RP | 2606317045
Hersteller: BOSCH
Artikelnummer: EB-0603161942-2606317045
Netto: 9,95 € zzgl. MwSt.
zzgl. 6,90 € Versand (brutto)
einmalig pro Bestellung

Lieferzeit: 5 Werktage

Pos.
35
BOSCH Stirnrad Z=36 | Ersatzteile für CSB 650-2 RP | 2606317037
Hersteller: BOSCH
Artikelnummer: EB-0603161942-2606317037
nur Informationsartikel
Nie mehr lieferbar
keine Alternativen
Pos.
36
BOSCH Ausgleichscheibe 1,0 MM | Ersatzteile für CSB 650-2 RP | 2600101515
Hersteller: BOSCH
Artikelnummer: EB-0603161942-2600101515
Netto: 3,63 € zzgl. MwSt.
zzgl. 6,90 € Versand (brutto)
einmalig pro Bestellung

Lieferzeit: 5 Werktage

Pos.
37
BOSCH Sicherungsbügel DIN 471-15x1-FSt | Ersatzteile für CSB 650-2 RP | 2916650006
Hersteller: BOSCH
Artikelnummer: EB-0603161942-2916650006
Netto: 3,94 € zzgl. MwSt.
zzgl. 6,90 € Versand (brutto)
einmalig pro Bestellung

Lieferzeit: 5 Werktage

Pos.
39
BOSCH Haltescheibe | Ersatzteile für CSB 650-2 RP | 2600101671
Hersteller: BOSCH
Artikelnummer: EB-0603161942-2600101671
Netto: 3,94 € zzgl. MwSt.
zzgl. 6,90 € Versand (brutto)
einmalig pro Bestellung

Lieferzeit: 5 Werktage

Pos.
40
BOSCH Flachkeil | Ersatzteile für CSB 650-2 RP | 2602300028
Hersteller: BOSCH
Artikelnummer: EB-0603161942-2602300028
nur Informationsartikel
Nie mehr lieferbar
keine Alternativen
Pos.
42
BOSCH Rastscheibe | Ersatzteile für CSB 650-2 RP | 2600190052
Hersteller: BOSCH
Artikelnummer: EB-0603161942-2600190052
nur Informationsartikel
Nie mehr lieferbar
keine Alternativen
Pos.
44
BOSCH Kugel DIN 5401-5,5MM-III-ST | Ersatzteile für CSB 650-2 RP | 1903230010
Hersteller: BOSCH
Artikelnummer: EB-0603161942-1903230010
Netto: 3,63 € zzgl. MwSt.
zzgl. 6,90 € Versand (brutto)
einmalig pro Bestellung

Lieferzeit: 5 Werktage

Pos.
45
BOSCH Schaltscheibe SCHWARZ | Ersatzteile für CSB 650-2 RP | 2601990001
Hersteller: BOSCH
Artikelnummer: EB-0603161942-2601990001
nur Informationsartikel
Nie mehr lieferbar
keine Alternativen
Pos.
46
BOSCH Druckplatte | Ersatzteile für CSB 650-2 RP | 2601074003
Hersteller: BOSCH
Artikelnummer: EB-0603161942-2601074003
Netto: 3,63 € zzgl. MwSt.
zzgl. 6,90 € Versand (brutto)
einmalig pro Bestellung

Lieferzeit: 5 Werktage

Pos.
52
BOSCH Ausgleichscheibe 0,3 MM | Ersatzteile für CSB 650-2 RP | 2600100607
Hersteller: BOSCH
Artikelnummer: EB-0603161942-2600100607
Netto: 3,94 € zzgl. MwSt.
zzgl. 6,90 € Versand (brutto)
einmalig pro Bestellung

Lieferzeit: 5 Werktage

Pos.
53
BOSCH Nadellager Ø6 MM | Ersatzteile für CSB 650-2 RP | 2600914010
Hersteller: BOSCH
Artikelnummer: EB-0603161942-2600914010
Netto: 4,82 € zzgl. MwSt.
zzgl. 6,90 € Versand (brutto)
einmalig pro Bestellung

Lieferzeit: 5 Werktage

Pos.
54
BOSCH Lagerhülse | Ersatzteile für CSB 650-2 RP | 2600400027
Hersteller: BOSCH
Artikelnummer: EB-0603161942-2600400027
Netto: 5,67 € zzgl. MwSt.
zzgl. 6,90 € Versand (brutto)
einmalig pro Bestellung

Lieferzeit: 5 Werktage

Pos.
56
BOSCH Schaltgabel | Ersatzteile für CSB 650-2 RP | 2602033005
Hersteller: BOSCH
Artikelnummer: EB-0603161942-2602033005
nur Informationsartikel
Nie mehr lieferbar
keine Alternativen
Pos.
57
BOSCH Drehkopf | Ersatzteile für CSB 650-2 RP | 2602026091
Hersteller: BOSCH
Artikelnummer: EB-0603161942-2602026091
nur Informationsartikel
Nie mehr lieferbar
keine Alternativen
Pos.
58
BOSCH Rastkappe | Ersatzteile für CSB 650-2 RP | 2600590006
Hersteller: BOSCH
Artikelnummer: EB-0603161942-2600590006
Netto: 3,94 € zzgl. MwSt.
zzgl. 6,90 € Versand (brutto)
einmalig pro Bestellung

Lieferzeit: 5 Werktage

Pos.
62
BOSCH Mitnehmerstift | Ersatzteile für CSB 650-2 RP | 2601335001
Hersteller: BOSCH
Artikelnummer: EB-0603161942-2601335001
Netto: 4,32 € zzgl. MwSt.
zzgl. 6,90 € Versand (brutto)
einmalig pro Bestellung

Lieferzeit: 5 Werktage

Pos.
64
BOSCH Distanzscheibe | Ersatzteile für CSB 650-2 RP | 2600100618
Hersteller: BOSCH
Artikelnummer: EB-0603161942-2600100618
Netto: 3,63 € zzgl. MwSt.
zzgl. 6,90 € Versand (brutto)
einmalig pro Bestellung

Lieferzeit: 5 Werktage

Pos.
69
BOSCH Filzscheibe | Ersatzteile für CSB 650-2 RP | 2600108000
Hersteller: BOSCH
Artikelnummer: EB-0603161942-2600108000
nur Informationsartikel
Nie mehr lieferbar
keine Alternativen
Pos.
70
BOSCH Tellerscheibe | Ersatzteile für CSB 650-2 RP | 2600500014
Hersteller: BOSCH
Artikelnummer: EB-0603161942-2600500014
nur Informationsartikel
Nie mehr lieferbar
keine Alternativen
Pos.
71
BOSCH O-Ring 18x3 MM | Ersatzteile für CSB 650-2 RP | 1900210117
Hersteller: BOSCH
Artikelnummer: EB-0603161942-1900210117
nur Informationsartikel
Nie mehr lieferbar
keine Alternativen
Pos.
72
BOSCH Sicherungsring DIN 472-24x1,2 MM | Ersatzteile für CSB 650-2 RP | 2916660008
Hersteller: BOSCH
Artikelnummer: EB-0603161942-2916660008
Netto: 4,32 € zzgl. MwSt.
zzgl. 6,90 € Versand (brutto)
einmalig pro Bestellung

Lieferzeit: 5 Werktage

Pos.
73
BOSCH Steckhülse | Ersatzteile für CSB 650-2 RP | 2600400008
Hersteller: BOSCH
Artikelnummer: EB-0603161942-2600400008
Netto: 3,94 € zzgl. MwSt.
zzgl. 6,90 € Versand (brutto)
einmalig pro Bestellung

Lieferzeit: 5 Werktage

Pos.
75
BOSCH O-Ring 5,0x1,5 MM | Ersatzteile für CSB 650-2 RP | 1900210000
Hersteller: BOSCH
Artikelnummer: EB-0603161942-1900210000
Netto: 3,94 € zzgl. MwSt.
zzgl. 6,90 € Versand (brutto)
einmalig pro Bestellung

Lieferzeit: 5 Werktage

Pos.
76
BOSCH Filzstreifen | Ersatzteile für CSB 650-2 RP | 2601005011
Hersteller: BOSCH
Artikelnummer: EB-0603161942-2601005011
Netto: 4,39 € zzgl. MwSt.
zzgl. 6,90 € Versand (brutto)
einmalig pro Bestellung

Lieferzeit: 5 Werktage

Pos.
77
BOSCH Filzstreifen | Ersatzteile für CSB 650-2 RP | 2601005016
Hersteller: BOSCH
Artikelnummer: EB-0603161942-2601005016
nur Informationsartikel
Nie mehr lieferbar
keine Alternativen
Pos.
82
BOSCH Senkschraube M6x27 LINKSGEWINDE | Ersatzteile für CSB 650-2 RP | 2603421226
Hersteller: BOSCH
Artikelnummer: EB-0603161942-2603421226
Netto: 3,94 € zzgl. MwSt.
zzgl. 6,90 € Versand (brutto)
einmalig pro Bestellung

Lieferzeit: 5 Werktage

Pos.
85
BOSCH Hinweisschild | Ersatzteile für CSB 650-2 RP | 2601118670
Hersteller: BOSCH
Artikelnummer: EB-0603161942-2601118670
nur Informationsartikel
Nie mehr lieferbar
keine Alternativen
Pos.
92
BOSCH Verbindungsleitung L=88 MM WEISS | Ersatzteile für CSB 650-2 RP | 2604448034
Hersteller: BOSCH
Artikelnummer: EB-0603161942-2604448034
Netto: 3,94 € zzgl. MwSt.
zzgl. 6,90 € Versand (brutto)
einmalig pro Bestellung

Lieferzeit: 5 Werktage

Pos.
93
BOSCH Verbindungsleitung L=103 MM BLAU | Ersatzteile für CSB 650-2 RP | 2604448132
Hersteller: BOSCH
Artikelnummer: EB-0603161942-2604448132
Netto: 3,63 € zzgl. MwSt.
zzgl. 6,90 € Versand (brutto)
einmalig pro Bestellung

Lieferzeit: 5 Werktage

Pos.
94
BOSCH Verbindungskabel L=73 MM WEISS | Ersatzteile für CSB 650-2 RP | 2604448115
Hersteller: BOSCH
Artikelnummer: EB-0603161942-2604448115
Netto: 3,63 € zzgl. MwSt.
zzgl. 6,90 € Versand (brutto)
einmalig pro Bestellung

Lieferzeit: 5 Werktage

Pos.
95
BOSCH Erdleitung | Ersatzteile für CSB 650-2 RP | 2604448170
Hersteller: BOSCH
Artikelnummer: EB-0603161942-2604448170
nur Informationsartikel
Nie mehr lieferbar
keine Alternativen
Pos.
753
BOSCH Zusatzhandgriff | Ersatzteile für CSB 650-2 RP | 1619PB4323
Hersteller: BOSCH
Artikelnummer: EB-0603161942-1619PB4323
Netto: 9,18 € zzgl. MwSt.
zzgl. 6,90 € Versand (brutto)
einmalig pro Bestellung

Lieferzeit: 5 Werktage

Pos.
753
BOSCH Zusatzhandgriff Ø43 MM SCHWARZ | Ersatzteile für CSB 650-2 RP | 1612025031
Hersteller: BOSCH
Artikelnummer: EB-0603161942-1612025031
nur Informationsartikel
Nie mehr lieferbar
keine Alternativen
Pos.
754
BOSCH Bohreraufnahme | Ersatzteile für CSB 650-2 RP | 2607000122
Hersteller: BOSCH
Artikelnummer: EB-0603161942-2607000122
nur Informationsartikel
Nie mehr lieferbar
keine Alternativen
Pos.
755
BOSCH Tiefenanschlag SW 6x210 MM | Ersatzteile für CSB 650-2 RP | 1613001005
Hersteller: BOSCH
Artikelnummer: EB-0603161942-1613001005
nur Informationsartikel
Nie mehr lieferbar
keine Alternativen
Pos.
780
BOSCH Bohrfutter Ø1,5-13 MM, 1/2 Zoll | Ersatzteile für CSB 650-2 RP | 1608571069
Hersteller: BOSCH
Artikelnummer: EB-0603161942-1608571069
Netto: 21,16 € zzgl. MwSt.
zzgl. 6,90 € Versand (brutto)
einmalig pro Bestellung

Lieferzeit: 5 Werktage

Pos.
808
BOSCH Typschild | Ersatzteile für CSB 650-2 RP | 160111A3H3
Hersteller: BOSCH
Artikelnummer: EB-0603161942-160111A3H3
Netto: 4,53 € zzgl. MwSt.
zzgl. 6,90 € Versand (brutto)
einmalig pro Bestellung

Lieferzeit: 5 Werktage

Pos.
813
BOSCH Nadelhülse | Ersatzteile für CSB 650-2 RP | 2600917902
Hersteller: BOSCH
Artikelnummer: EB-0603161942-2600917902
nur Informationsartikel
Nie mehr lieferbar
keine Alternativen
Pos.
823
BOSCH Blechschraube DIN7981-ST3,9x19-F-Z | Ersatzteile für CSB 650-2 RP | 2912401420
Hersteller: BOSCH
Artikelnummer: EB-0603161942-2912401420
nur Informationsartikel
Nie mehr lieferbar
keine Alternativen
Pos.
838
BOSCH Umschalter | Ersatzteile für CSB 650-2 RP | 2607200231
Hersteller: BOSCH
Artikelnummer: EB-0603161942-2607200231
Netto: 14,36 € zzgl. MwSt.
zzgl. 6,90 € Versand (brutto)
einmalig pro Bestellung

Lieferzeit: 5 Werktage

Pos.
849
BOSCH Zahnwelle Z= 10/29/22 | Ersatzteile für CSB 650-2 RP | 2606309913
Hersteller: BOSCH
Artikelnummer: EB-0603161942-2606309913
nur Informationsartikel
Nie mehr lieferbar
keine Alternativen
Pos.
863
BOSCH Sicherungsscheibe DIN 6799-4-FSt | Ersatzteile für CSB 650-2 RP | 2916080007
Hersteller: BOSCH
Artikelnummer: EB-0603161942-2916080007
Netto: 4,53 € zzgl. MwSt.
zzgl. 6,90 € Versand (brutto)
einmalig pro Bestellung

Lieferzeit: 5 Werktage

Pos.
866
BOSCH Lagerbrücke | Ersatzteile für CSB 650-2 RP | 2605807928
Hersteller: BOSCH
Artikelnummer: EB-0603161942-2605807928
nur Informationsartikel
Nie mehr lieferbar
keine Alternativen

Angaben zur Produktsicherheit

Hersteller:
Robert Bosch Power Tools GmbH
Postfach 30 02 20
70442 Stuttgart

E-Mail:
kontakt@bosch.de