BOSCH Filzring | Ersatzteile für CSB 680-2 RE | 2600108077

Artikelnummer: EB-0603166832-2600108077

Position: 56

Marke: BOSCH


Bitte Kompatibilität prüfen!

Bitte prüfen Sie unbedingt die 10-stellige Typennummer Ihrer Maschine / Ihres Gerätes. Das Ersatzteil ist nur kompatibel, wenn Sie die Typennummer Ihrer Maschine in der unten stehenden Produktbeschreibung finden.

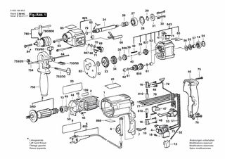
Bitte prüfen Sie ebenfalls detailliert die Explosionszeichnung mit Ihrem Artikelwunsch und der jeweiligen Pos-Nummer.

Alle Elemente, welche vom schwarzen Strich der Pos-Nummer ausgehend berührt / erfasst werden, gehören zu dieser Pos-Nummer und somit zu diesem Artikel. Jede Pos-Nummer ist ein eigenständiger Artikel, welchen Sie in der Auflistung finden.

Sie erhalten stets die aktuellste, neueste Produktversion zu der gewählten Pos-Nummer seitens des Herstellers. Es kann daher je nach Gerätealter vorkommen, dass Sie ggf. weitere, zugehörige Elemente, welche an diese Pos-Nummer grenzen, ebenfalls mittauschen müssen.

Nähere Informationen finden Sie unter dem Link
Hinweise zu Ihrer BOSCH Ersatzteilsuche

Preisübersicht

Einzelpreis: 3,94 €* (Brutto: 4,69 €)
Gesamtpreis: 3,94 €* 
Position:

Lieferzeit: 5 Werktage


Beschreibung

  • Filzring
  • Original Bosch Zubehör / BOSCH Ersatzteil (2600108077)
  • im Gerät verbaut: 1
Dieses BOSCH Ersatzteil ist mit folgendem Gerät und Modell kompatibel:
  • BOSCH Gerätename: CSB 680-2 RE
  • BOSCH Explosionszeichnung: Position 56
  • BOSCH Typennummer: 0603166832
  • BOSCH Typennummer alternative Schreibweisen: 0 603 166 832, 0603 166 832, 0.603.166.832, 0-603-166-832
    Bitte prüfen Sie diese Typennummer auf Ihrem Gerät um die Kompatibilität des BOSCH Ersatzteils zu gewährleisten.
Weitere BOSCH Ersatzteile des Gerätes CSB 680-2 RE (Schlagbohrmaschine) mit der Typennummer 0603166832 finden Sie in der nachfolgenden Darstellung und im Dropdown zu Ihrer Auswahl:

Pos.
1
BOSCH Motorgehäuse GRUEN | Ersatzteile für CSB 680-2 RE | 2605104295
Hersteller: BOSCH
Artikelnummer: EB-0603166832-2605104295
nur Informationsartikel
Nie mehr lieferbar
keine Alternativen
Pos.
3/60
BOSCH Lüfter | Ersatzteile für CSB 680-2 RE | 2606610029
Hersteller: BOSCH
Artikelnummer: EB-0603166832-2606610029
Netto: 4,53 € zzgl. MwSt.
zzgl. 6,90 € Versand (brutto)
einmalig pro Bestellung

Lieferzeit: 5 Werktage

Pos.
753/20
BOSCH Sechskantmutter DIN 934-M6-8-A | Ersatzteile für CSB 680-2 RE | 2915011007
Hersteller: BOSCH
Artikelnummer: EB-0603166832-2915011007
Netto: 3,63 € zzgl. MwSt.
zzgl. 6,90 € Versand (brutto)
einmalig pro Bestellung

Lieferzeit: 5 Werktage

Pos.
753/30
BOSCH Flügelschraube M6x(15)55 | Ersatzteile für CSB 680-2 RE | 1613480007
Hersteller: BOSCH
Artikelnummer: EB-0603166832-1613480007
Netto: 3,94 € zzgl. MwSt.
zzgl. 6,90 € Versand (brutto)
einmalig pro Bestellung

Lieferzeit: 5 Werktage

Pos.
753/50
BOSCH Spannplatte M6 | Ersatzteile für CSB 680-2 RE | 2608040014
Hersteller: BOSCH
Artikelnummer: EB-0603166832-2608040014
nur Informationsartikel
Nie mehr lieferbar
keine Alternativen
Pos.
753/60
BOSCH Flügelschraube M6x20 MM | Ersatzteile für CSB 680-2 RE | 1613480008
Hersteller: BOSCH
Artikelnummer: EB-0603166832-1613480008
Netto: 3,94 € zzgl. MwSt.
zzgl. 6,90 € Versand (brutto)
einmalig pro Bestellung

Lieferzeit: 5 Werktage

Pos.
780/800
BOSCH Bohrfutterschlüssel SG2 | Ersatzteile für CSB 680-2 RE | 2607950007
Hersteller: BOSCH
Artikelnummer: EB-0603166832-2607950007
Netto: 7,30 € zzgl. MwSt.
zzgl. 6,90 € Versand (brutto)
einmalig pro Bestellung

Lieferzeit: 5 Werktage

Pos.
2
BOSCH Polschuh 220-240V | Ersatzteile für CSB 680-2 RE | 1604220254
Hersteller: BOSCH
Artikelnummer: EB-0603166832-1604220254
Netto: 19,18 € zzgl. MwSt.
zzgl. 6,90 € Versand (brutto)
einmalig pro Bestellung

Lieferzeit: 5 Werktage

Pos.
3
BOSCH Anker 230-240V | Ersatzteile für CSB 680-2 RE | 2604010739
Hersteller: BOSCH
Artikelnummer: EB-0603166832-2604010739
nur Informationsartikel
Nie mehr lieferbar
keine Alternativen
Pos.
4
BOSCH Ein/Aus-Schalter | Ersatzteile für CSB 680-2 RE | 2607200224
Hersteller: BOSCH
Artikelnummer: EB-0603166832-2607200224
nur Informationsartikel
Nie mehr lieferbar
keine Alternativen
Pos.
4
BOSCH Schalter | Ersatzteile für CSB 680-2 RE | 2607200190
Hersteller: BOSCH
Artikelnummer: EB-0603166832-2607200190
Netto: 47,09 € zzgl. MwSt.
zzgl. 6,90 € Versand (brutto)
einmalig pro Bestellung

Lieferzeit: 5 Werktage

Pos.
5
BOSCH Netzanschlussleitung CH 230V 4,15m 2 x 1,0mm H05 RN-F | Ersatzteile für CSB 680-2 RE | 1604460432
Hersteller: BOSCH
Artikelnummer: EB-0603166832-1604460432
Netto: 9,95 € zzgl. MwSt.
zzgl. 6,90 € Versand (brutto)
einmalig pro Bestellung

Lieferzeit: 5 Werktage

Pos.
6
BOSCH Tülle Ø6,9 MM | Ersatzteile für CSB 680-2 RE | 2600707059
Hersteller: BOSCH
Artikelnummer: EB-0603166832-2600707059
Netto: 5,19 € zzgl. MwSt.
zzgl. 6,90 € Versand (brutto)
einmalig pro Bestellung

Lieferzeit: 5 Werktage

Pos.
7
BOSCH Leitungshalter | Ersatzteile für CSB 680-2 RE | 2601035001
Hersteller: BOSCH
Artikelnummer: EB-0603166832-2601035001
Netto: 3,94 € zzgl. MwSt.
zzgl. 6,90 € Versand (brutto)
einmalig pro Bestellung

Lieferzeit: 5 Werktage

Pos.
9
BOSCH Klebeschild SONNENSEITE | Ersatzteile für CSB 680-2 RE | 2601110827
Hersteller: BOSCH
Artikelnummer: EB-0603166832-2601110827
nur Informationsartikel
Nie mehr lieferbar
keine Alternativen
Pos.
12
BOSCH Entstörfilter | Ersatzteile für CSB 680-2 RE | 2607329114
Hersteller: BOSCH
Artikelnummer: EB-0603166832-2607329114
nur Informationsartikel
Nie mehr lieferbar
keine Alternativen
Pos.
13
BOSCH Kugellager 7x22x7 | Ersatzteile für CSB 680-2 RE | 1900905018
Hersteller: BOSCH
Artikelnummer: EB-0603166832-1900905018
Netto: 15,75 € zzgl. MwSt.
zzgl. 6,90 € Versand (brutto)
einmalig pro Bestellung

Lieferzeit: 5 Werktage

Pos.
14
BOSCH Rillenkugellager 9x24x7 | Ersatzteile für CSB 680-2 RE | 2600905021
Hersteller: BOSCH
Artikelnummer: EB-0603166832-2600905021
Netto: 8,33 € zzgl. MwSt.
zzgl. 6,90 € Versand (brutto)
einmalig pro Bestellung

Lieferzeit: 5 Werktage

Pos.
16
BOSCH Bürstenhalter | Ersatzteile für CSB 680-2 RE | 2604337003
Hersteller: BOSCH
Artikelnummer: EB-0603166832-2604337003
Netto: 4,32 € zzgl. MwSt.
zzgl. 6,90 € Versand (brutto)
einmalig pro Bestellung

Lieferzeit: 5 Werktage

Pos.
18
BOSCH Zylinderschraube M3x6,5-4.8 | Ersatzteile für CSB 680-2 RE | 2603410001
Hersteller: BOSCH
Artikelnummer: EB-0603166832-2603410001
Netto: 3,94 € zzgl. MwSt.
zzgl. 6,90 € Versand (brutto)
einmalig pro Bestellung

Lieferzeit: 5 Werktage

Pos.
19
BOSCH Schraube 4x16 | Ersatzteile für CSB 680-2 RE | 2603490022
Hersteller: BOSCH
Artikelnummer: EB-0603166832-2603490022
Netto: 3,63 € zzgl. MwSt.
zzgl. 6,90 € Versand (brutto)
einmalig pro Bestellung

Lieferzeit: 5 Werktage

Pos.
20
BOSCH Hinweisschild SCHATTENSEITE | Ersatzteile für CSB 680-2 RE | 2601119413
Hersteller: BOSCH
Artikelnummer: EB-0603166832-2601119413
nur Informationsartikel
Nie mehr lieferbar
keine Alternativen
Pos.
24
BOSCH Bohrspindel 1/2",SW 17 | Ersatzteile für CSB 680-2 RE | 2606135032
Hersteller: BOSCH
Artikelnummer: EB-0603166832-2606135032
nur Informationsartikel
Nie mehr lieferbar
keine Alternativen
Pos.
26
BOSCH Druckfeder | Ersatzteile für CSB 680-2 RE | 2604616002
Hersteller: BOSCH
Artikelnummer: EB-0603166832-2604616002
Netto: 3,94 € zzgl. MwSt.
zzgl. 6,90 € Versand (brutto)
einmalig pro Bestellung

Lieferzeit: 5 Werktage

Pos.
27
BOSCH Rillenkugellager 17x35x10 | Ersatzteile für CSB 680-2 RE | 1900905163
Hersteller: BOSCH
Artikelnummer: EB-0603166832-1900905163
Netto: 9,95 € zzgl. MwSt.
zzgl. 6,90 € Versand (brutto)
einmalig pro Bestellung

Lieferzeit: 5 Werktage

Pos.
28
BOSCH Sicherungsring DIN 472 35x1,5 MM | Ersatzteile für CSB 680-2 RE | 2916660014
Hersteller: BOSCH
Artikelnummer: EB-0603166832-2916660014
Netto: 3,94 € zzgl. MwSt.
zzgl. 6,90 € Versand (brutto)
einmalig pro Bestellung

Lieferzeit: 5 Werktage

Pos.
29
BOSCH Sicherungsring DIN 471 17x1 MM | Ersatzteile für CSB 680-2 RE | 2916650008
Hersteller: BOSCH
Artikelnummer: EB-0603166832-2916650008
Netto: 3,94 € zzgl. MwSt.
zzgl. 6,90 € Versand (brutto)
einmalig pro Bestellung

Lieferzeit: 5 Werktage

Pos.
30
BOSCH Flachkeil | Ersatzteile für CSB 680-2 RE | 2602300028
Hersteller: BOSCH
Artikelnummer: EB-0603166832-2602300028
nur Informationsartikel
Nie mehr lieferbar
keine Alternativen
Pos.
31
BOSCH Haltescheibe | Ersatzteile für CSB 680-2 RE | 2600101671
Hersteller: BOSCH
Artikelnummer: EB-0603166832-2600101671
Netto: 3,94 € zzgl. MwSt.
zzgl. 6,90 € Versand (brutto)
einmalig pro Bestellung

Lieferzeit: 5 Werktage

Pos.
32
BOSCH Ausgleichscheibe 1,0 MM | Ersatzteile für CSB 680-2 RE | 2600101515
Hersteller: BOSCH
Artikelnummer: EB-0603166832-2600101515
Netto: 3,63 € zzgl. MwSt.
zzgl. 6,90 € Versand (brutto)
einmalig pro Bestellung

Lieferzeit: 5 Werktage

Pos.
33
BOSCH Stirnrad Z=48 | Ersatzteile für CSB 680-2 RE | 2606317045
Hersteller: BOSCH
Artikelnummer: EB-0603166832-2606317045
Netto: 9,95 € zzgl. MwSt.
zzgl. 6,90 € Versand (brutto)
einmalig pro Bestellung

Lieferzeit: 5 Werktage

Pos.
34
BOSCH Stirnrad Z=36 | Ersatzteile für CSB 680-2 RE | 2606317037
Hersteller: BOSCH
Artikelnummer: EB-0603166832-2606317037
nur Informationsartikel
Nie mehr lieferbar
keine Alternativen
Pos.
35
BOSCH Ausgleichscheibe 0,3 MM | Ersatzteile für CSB 680-2 RE | 2600101617
Hersteller: BOSCH
Artikelnummer: EB-0603166832-2600101617
nur Informationsartikel
Nie mehr lieferbar
keine Alternativen
Pos.
35
BOSCH Ausgleichscheibe 0,5 MM | Ersatzteile für CSB 680-2 RE | 2600101616
Hersteller: BOSCH
Artikelnummer: EB-0603166832-2600101616
Netto: 4,82 € zzgl. MwSt.
zzgl. 6,90 € Versand (brutto)
einmalig pro Bestellung

Lieferzeit: 5 Werktage

Pos.
38
BOSCH Nadellager Ø8x8 MM | Ersatzteile für CSB 680-2 RE | 2600917003
Hersteller: BOSCH
Artikelnummer: EB-0603166832-2600917003
Netto: 4,82 € zzgl. MwSt.
zzgl. 6,90 € Versand (brutto)
einmalig pro Bestellung

Lieferzeit: 5 Werktage

Pos.
39
BOSCH Distanzscheibe 0,2 MM | Ersatzteile für CSB 680-2 RE | 2600000012
Hersteller: BOSCH
Artikelnummer: EB-0603166832-2600000012
Netto: 3,63 € zzgl. MwSt.
zzgl. 6,90 € Versand (brutto)
einmalig pro Bestellung

Lieferzeit: 5 Werktage

Pos.
39
BOSCH Distanzscheibe 0,5 MM | Ersatzteile für CSB 680-2 RE | 2600000014
Hersteller: BOSCH
Artikelnummer: EB-0603166832-2600000014
Netto: 3,63 € zzgl. MwSt.
zzgl. 6,90 € Versand (brutto)
einmalig pro Bestellung

Lieferzeit: 5 Werktage

Pos.
40
BOSCH Kugel DIN 5401-5,5MM-III-ST | Ersatzteile für CSB 680-2 RE | 1903230010
Hersteller: BOSCH
Artikelnummer: EB-0603166832-1903230010
Netto: 3,63 € zzgl. MwSt.
zzgl. 6,90 € Versand (brutto)
einmalig pro Bestellung

Lieferzeit: 5 Werktage

Pos.
41
BOSCH Drehknopf | Ersatzteile für CSB 680-2 RE | 2602026017
Hersteller: BOSCH
Artikelnummer: EB-0603166832-2602026017
Netto: 7,76 € zzgl. MwSt.
zzgl. 6,90 € Versand (brutto)
einmalig pro Bestellung

Lieferzeit: 5 Werktage

Pos.
42
BOSCH Spannstift 4x30 MM DIN 7346 | Ersatzteile für CSB 680-2 RE | 2917780105
Hersteller: BOSCH
Artikelnummer: EB-0603166832-2917780105
Netto: 3,63 € zzgl. MwSt.
zzgl. 6,90 € Versand (brutto)
einmalig pro Bestellung

Lieferzeit: 5 Werktage

Pos.
44
BOSCH Abdeckscheibe | Ersatzteile für CSB 680-2 RE | 2601328033
Hersteller: BOSCH
Artikelnummer: EB-0603166832-2601328033
nur Informationsartikel
Nie mehr lieferbar
keine Alternativen
Pos.
45
BOSCH Blechschraube | Ersatzteile für CSB 680-2 RE | 2603435086
Hersteller: BOSCH
Artikelnummer: EB-0603166832-2603435086
Netto: 3,63 € zzgl. MwSt.
zzgl. 6,90 € Versand (brutto)
einmalig pro Bestellung

Lieferzeit: 5 Werktage

Pos.
46
BOSCH Gehäusedeckel GRUEN | Ersatzteile für CSB 680-2 RE | 2605132048
Hersteller: BOSCH
Artikelnummer: EB-0603166832-2605132048
nur Informationsartikel
Nie mehr lieferbar
keine Alternativen
Pos.
47
BOSCH Entstörfilter L=126 MM WEISS | Ersatzteile für CSB 680-2 RE | 2604465097
Hersteller: BOSCH
Artikelnummer: EB-0603166832-2604465097
Netto: 6,70 € zzgl. MwSt.
zzgl. 6,90 € Versand (brutto)
einmalig pro Bestellung

Lieferzeit: 5 Werktage

Pos.
48
BOSCH Torx-Linsenschraube 3x10 | Ersatzteile für CSB 680-2 RE | 2603490017
Hersteller: BOSCH
Artikelnummer: EB-0603166832-2603490017
Netto: 4,32 € zzgl. MwSt.
zzgl. 6,90 € Versand (brutto)
einmalig pro Bestellung

Lieferzeit: 5 Werktage

Pos.
49
BOSCH Ausgleichscheibe | Ersatzteile für CSB 680-2 RE | 2600150004
Hersteller: BOSCH
Artikelnummer: EB-0603166832-2600150004
Netto: 4,32 € zzgl. MwSt.
zzgl. 6,90 € Versand (brutto)
einmalig pro Bestellung

Lieferzeit: 5 Werktage

Pos.
50
BOSCH Distanzscheibe 0,3 MM | Ersatzteile für CSB 680-2 RE | 2600101027
Hersteller: BOSCH
Artikelnummer: EB-0603166832-2600101027
Netto: 3,94 € zzgl. MwSt.
zzgl. 6,90 € Versand (brutto)
einmalig pro Bestellung

Lieferzeit: 5 Werktage

Pos.
50
BOSCH Distanzscheibe 0,5 MM | Ersatzteile für CSB 680-2 RE | 2600101667
Hersteller: BOSCH
Artikelnummer: EB-0603166832-2600101667
Netto: 3,94 € zzgl. MwSt.
zzgl. 6,90 € Versand (brutto)
einmalig pro Bestellung

Lieferzeit: 5 Werktage

Pos.
51
BOSCH Elektr Leitung L=130 MM WEISS | Ersatzteile für CSB 680-2 RE | 2604448005
Hersteller: BOSCH
Artikelnummer: EB-0603166832-2604448005
Netto: 3,94 € zzgl. MwSt.
zzgl. 6,90 € Versand (brutto)
einmalig pro Bestellung

Lieferzeit: 5 Werktage

Pos.
52
BOSCH Erdleitung | Ersatzteile für CSB 680-2 RE | 2604448097
Hersteller: BOSCH
Artikelnummer: EB-0603166832-2604448097
Netto: 3,94 € zzgl. MwSt.
zzgl. 6,90 € Versand (brutto)
einmalig pro Bestellung

Lieferzeit: 5 Werktage

Pos.
53
BOSCH Umschalter | Ersatzteile für CSB 680-2 RE | 2607200231
Hersteller: BOSCH
Artikelnummer: EB-0603166832-2607200231
Netto: 14,36 € zzgl. MwSt.
zzgl. 6,90 € Versand (brutto)
einmalig pro Bestellung

Lieferzeit: 5 Werktage

Pos.
54
BOSCH Sicherungsring DIN 472-24x1,2 MM | Ersatzteile für CSB 680-2 RE | 2916660008
Hersteller: BOSCH
Artikelnummer: EB-0603166832-2916660008
Netto: 4,32 € zzgl. MwSt.
zzgl. 6,90 € Versand (brutto)
einmalig pro Bestellung

Lieferzeit: 5 Werktage

Pos.
55
BOSCH Tellerscheibe | Ersatzteile für CSB 680-2 RE | 2600500002
Hersteller: BOSCH
Artikelnummer: EB-0603166832-2600500002
Netto: 3,94 € zzgl. MwSt.
zzgl. 6,90 € Versand (brutto)
einmalig pro Bestellung

Lieferzeit: 5 Werktage

Pos.
56
BOSCH Filzring | Ersatzteile für CSB 680-2 RE | 2600108077
Hersteller: BOSCH
Artikelnummer: EB-0603166832-2600108077
Netto: 3,94 € zzgl. MwSt.
zzgl. 6,90 € Versand (brutto)
einmalig pro Bestellung

Lieferzeit: 5 Werktage

Pos.
57
BOSCH Steckhülse | Ersatzteile für CSB 680-2 RE | 2600400008
Hersteller: BOSCH
Artikelnummer: EB-0603166832-2600400008
Netto: 3,94 € zzgl. MwSt.
zzgl. 6,90 € Versand (brutto)
einmalig pro Bestellung

Lieferzeit: 5 Werktage

Pos.
61
BOSCH Ausgleichscheibe 0,3 MM | Ersatzteile für CSB 680-2 RE | 2600100607
Hersteller: BOSCH
Artikelnummer: EB-0603166832-2600100607
Netto: 3,94 € zzgl. MwSt.
zzgl. 6,90 € Versand (brutto)
einmalig pro Bestellung

Lieferzeit: 5 Werktage

Pos.
62
BOSCH Nadellager Ø6 MM | Ersatzteile für CSB 680-2 RE | 2600914010
Hersteller: BOSCH
Artikelnummer: EB-0603166832-2600914010
Netto: 4,82 € zzgl. MwSt.
zzgl. 6,90 € Versand (brutto)
einmalig pro Bestellung

Lieferzeit: 5 Werktage

Pos.
63
BOSCH Blechschraube 79 MM | Ersatzteile für CSB 680-2 RE | 2603435012
Hersteller: BOSCH
Artikelnummer: EB-0603166832-2603435012
nur Informationsartikel
Nie mehr lieferbar
keine Alternativen
Pos.
64
BOSCH Schaftschraube 65 MM | Ersatzteile für CSB 680-2 RE | 2603435071
Hersteller: BOSCH
Artikelnummer: EB-0603166832-2603435071
nur Informationsartikel
Nie mehr lieferbar
keine Alternativen
Pos.
65
BOSCH Klebeschild BOHREN/SCHLAGBOHREN | Ersatzteile für CSB 680-2 RE | 2601110076
Hersteller: BOSCH
Artikelnummer: EB-0603166832-2601110076
nur Informationsartikel
Nie mehr lieferbar
keine Alternativen
Pos.
66
BOSCH Verstellschieber | Ersatzteile für CSB 680-2 RE | 2602033006
Hersteller: BOSCH
Artikelnummer: EB-0603166832-2602033006
Netto: 4,82 € zzgl. MwSt.
zzgl. 6,90 € Versand (brutto)
einmalig pro Bestellung

Lieferzeit: 5 Werktage

Pos.
68
BOSCH Distanzscheibe | Ersatzteile für CSB 680-2 RE | 2600100618
Hersteller: BOSCH
Artikelnummer: EB-0603166832-2600100618
Netto: 3,63 € zzgl. MwSt.
zzgl. 6,90 € Versand (brutto)
einmalig pro Bestellung

Lieferzeit: 5 Werktage

Pos.
69
BOSCH Drehknopf SCHWARZ | Ersatzteile für CSB 680-2 RE | 2602026038
Hersteller: BOSCH
Artikelnummer: EB-0603166832-2602026038
nur Informationsartikel
Nie mehr lieferbar
keine Alternativen
Pos.
70
BOSCH Teilesatz | Ersatzteile für CSB 680-2 RE | 2607010226
Hersteller: BOSCH
Artikelnummer: EB-0603166832-2607010226
nur Informationsartikel
Nie mehr lieferbar
keine Alternativen
Pos.
71
BOSCH Rastkappe | Ersatzteile für CSB 680-2 RE | 2600590006
Hersteller: BOSCH
Artikelnummer: EB-0603166832-2600590006
Netto: 3,94 € zzgl. MwSt.
zzgl. 6,90 € Versand (brutto)
einmalig pro Bestellung

Lieferzeit: 5 Werktage

Pos.
72
BOSCH Entstörfilter L=148 MM SCHWARZ | Ersatzteile für CSB 680-2 RE | 2604465086
Hersteller: BOSCH
Artikelnummer: EB-0603166832-2604465086
Netto: 6,70 € zzgl. MwSt.
zzgl. 6,90 € Versand (brutto)
einmalig pro Bestellung

Lieferzeit: 5 Werktage

Pos.
73
BOSCH Verbindungskabel L=110 MM WEISS | Ersatzteile für CSB 680-2 RE | 2604448146
Hersteller: BOSCH
Artikelnummer: EB-0603166832-2604448146
Netto: 3,94 € zzgl. MwSt.
zzgl. 6,90 € Versand (brutto)
einmalig pro Bestellung

Lieferzeit: 5 Werktage

Pos.
75
BOSCH Torx-Linsenschraube 4x25 | Ersatzteile für CSB 680-2 RE | 2603490024
Hersteller: BOSCH
Artikelnummer: EB-0603166832-2603490024
Netto: 3,94 € zzgl. MwSt.
zzgl. 6,90 € Versand (brutto)
einmalig pro Bestellung

Lieferzeit: 5 Werktage

Pos.
76
BOSCH Torx-Linsenschraube 4x20 | Ersatzteile für CSB 680-2 RE | 2603490023
Hersteller: BOSCH
Artikelnummer: EB-0603166832-2603490023
Netto: 3,63 € zzgl. MwSt.
zzgl. 6,90 € Versand (brutto)
einmalig pro Bestellung

Lieferzeit: 5 Werktage

Pos.
77
BOSCH Verbindungskabel L=68 MM WEISS | Ersatzteile für CSB 680-2 RE | 2604448100
Hersteller: BOSCH
Artikelnummer: EB-0603166832-2604448100
Netto: 3,63 € zzgl. MwSt.
zzgl. 6,90 € Versand (brutto)
einmalig pro Bestellung

Lieferzeit: 5 Werktage

Pos.
78
BOSCH Verbindungsleitung L=98 MM SCHWARZ | Ersatzteile für CSB 680-2 RE | 2604448074
Hersteller: BOSCH
Artikelnummer: EB-0603166832-2604448074
Netto: 4,32 € zzgl. MwSt.
zzgl. 6,90 € Versand (brutto)
einmalig pro Bestellung

Lieferzeit: 5 Werktage

Pos.
79
BOSCH Sprengring | Ersatzteile für CSB 680-2 RE | 2604601004
Hersteller: BOSCH
Artikelnummer: EB-0603166832-2604601004
nur Informationsartikel
Nie mehr lieferbar
keine Alternativen
Pos.
81
BOSCH Klebeschild | Ersatzteile für CSB 680-2 RE | 2601110117
Hersteller: BOSCH
Artikelnummer: EB-0603166832-2601110117
nur Informationsartikel
Nie mehr lieferbar
keine Alternativen
Pos.
82
BOSCH Flachdichtung | Ersatzteile für CSB 680-2 RE | 2601073012
Hersteller: BOSCH
Artikelnummer: EB-0603166832-2601073012
Netto: 3,63 € zzgl. MwSt.
zzgl. 6,90 € Versand (brutto)
einmalig pro Bestellung

Lieferzeit: 5 Werktage

Pos.
84
BOSCH Senkschraube M6x38/12(Ø11) LINKSGEWINDE | Ersatzteile für CSB 680-2 RE | 2603421208
Hersteller: BOSCH
Artikelnummer: EB-0603166832-2603421208
nur Informationsartikel
Nie mehr lieferbar
keine Alternativen
Pos.
753
BOSCH Zusatzhandgriff | Ersatzteile für CSB 680-2 RE | 1619PB4323
Hersteller: BOSCH
Artikelnummer: EB-0603166832-1619PB4323
Netto: 9,18 € zzgl. MwSt.
zzgl. 6,90 € Versand (brutto)
einmalig pro Bestellung

Lieferzeit: 5 Werktage

Pos.
753
BOSCH Zusatzhandgriff Ø43 MM SCHWARZ | Ersatzteile für CSB 680-2 RE | 1612025031
Hersteller: BOSCH
Artikelnummer: EB-0603166832-1612025031
nur Informationsartikel
Nie mehr lieferbar
keine Alternativen
Pos.
754
BOSCH Tiefenanschlag SW 6x210 MM | Ersatzteile für CSB 680-2 RE | 1613001005
Hersteller: BOSCH
Artikelnummer: EB-0603166832-1613001005
nur Informationsartikel
Nie mehr lieferbar
keine Alternativen
Pos.
756
BOSCH Bohreraufnahme | Ersatzteile für CSB 680-2 RE | 2607000122
Hersteller: BOSCH
Artikelnummer: EB-0603166832-2607000122
Nie mehr lieferbar
keine Alternativen
Pos.
780
BOSCH Bohrfutter Ø1,5-13 MM, 1/2" | Ersatzteile für CSB 680-2 RE | 1608571069
Hersteller: BOSCH
Artikelnummer: EB-0603166832-1608571069
Netto: 21,16 € zzgl. MwSt.
zzgl. 6,90 € Versand (brutto)
einmalig pro Bestellung

Lieferzeit: 5 Werktage

Pos.
810
BOSCH Kohlebürstensatz | Ersatzteile für CSB 680-2 RE | 2604321905
Hersteller: BOSCH
Artikelnummer: EB-0603166832-2604321905
Netto: 9,18 € zzgl. MwSt.
zzgl. 6,90 € Versand (brutto)
einmalig pro Bestellung

Lieferzeit: 5 Werktage

Pos.
825
BOSCH Getriebegehäuse GRUEN | Ersatzteile für CSB 680-2 RE | 2605806987
Hersteller: BOSCH
Artikelnummer: EB-0603166832-2605806987
nur Informationsartikel
Nie mehr lieferbar
keine Alternativen
Pos.
836
BOSCH Rastscheibe | Ersatzteile für CSB 680-2 RE | 2600190052
Hersteller: BOSCH
Artikelnummer: EB-0603166832-2600190052
nur Informationsartikel
Nie mehr lieferbar
keine Alternativen
Pos.
837
BOSCH Rastscheibe | Ersatzteile für CSB 680-2 RE | 2600190051
Hersteller: BOSCH
Artikelnummer: EB-0603166832-2600190051
nur Informationsartikel
Nie mehr lieferbar
keine Alternativen
Pos.
843
BOSCH Zwischenflansch | Ersatzteile für CSB 680-2 RE | 2605700936
Hersteller: BOSCH
Artikelnummer: EB-0603166832-2605700936
nur Informationsartikel
Nie mehr lieferbar
keine Alternativen
Pos.
859
BOSCH Zahnwelle Z= 10/22/29 | Ersatzteile für CSB 680-2 RE | 2606100903
Hersteller: BOSCH
Artikelnummer: EB-0603166832-2606100903
nur Informationsartikel
Nie mehr lieferbar
keine Alternativen
Pos.
867
BOSCH Sicherungsscheibe DIN 6799-4-FSt | Ersatzteile für CSB 680-2 RE | 2916080007
Hersteller: BOSCH
Artikelnummer: EB-0603166832-2916080007
Netto: 4,53 € zzgl. MwSt.
zzgl. 6,90 € Versand (brutto)
einmalig pro Bestellung

Lieferzeit: 5 Werktage

Pos.
888
BOSCH Typschild | Ersatzteile für CSB 680-2 RE | 160111A3H3
Hersteller: BOSCH
Artikelnummer: EB-0603166832-160111A3H3
Netto: 4,53 € zzgl. MwSt.
zzgl. 6,90 € Versand (brutto)
einmalig pro Bestellung

Lieferzeit: 5 Werktage

Angaben zur Produktsicherheit

Hersteller:
Robert Bosch Power Tools GmbH
Postfach 30 02 20
70442 Stuttgart

E-Mail:
kontakt@bosch.de