BOSCH Grundkörper | Ersatzteile für CST302R | 2610A13551

Artikelnummer: EB-F034K532N0-2610A13551

Position: 35

Marke: BOSCH


Bitte Kompatibilität prüfen!

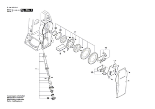
Bitte prüfen Sie unbedingt die 10-stellige Typennummer Ihrer Maschine / Ihres Gerätes. Das Ersatzteil ist nur kompatibel, wenn Sie die Typennummer Ihrer Maschine in der unten stehenden Produktbeschreibung finden.

Bitte prüfen Sie ebenfalls detailliert die Explosionszeichnung mit Ihrem Artikelwunsch und der jeweiligen Pos-Nummer.

Alle Elemente, welche vom schwarzen Strich der Pos-Nummer ausgehend berührt / erfasst werden, gehören zu dieser Pos-Nummer und somit zu diesem Artikel. Jede Pos-Nummer ist ein eigenständiger Artikel, welchen Sie in der Auflistung finden.

Sie erhalten stets die aktuellste, neueste Produktversion zu der gewählten Pos-Nummer seitens des Herstellers. Es kann daher je nach Gerätealter vorkommen, dass Sie ggf. weitere, zugehörige Elemente, welche an diese Pos-Nummer grenzen, ebenfalls mittauschen müssen.

Nähere Informationen finden Sie unter dem Link
Hinweise zu Ihrer BOSCH Ersatzteilsuche

Preisübersicht

Einzelpreis: 32,74 €* (Brutto: 38,96 €)
Gesamtpreis: 32,74 €* 
Position:

Lieferzeit: 5 Werktage


Beschreibung

  • Grundkörper
  • Original Bosch Zubehör / BOSCH Ersatzteil (2610A13551)
  • im Gerät verbaut: 1
Dieses BOSCH Ersatzteil ist mit folgendem Gerät und Modell kompatibel:
  • BOSCH Gerätename: CST302R
  • BOSCH Explosionszeichnung: Position 35
  • BOSCH Typennummer: F034K532N0
  • BOSCH Typennummer alternative Schreibweisen: F 034 K53 2N0, F034 K53 2N0, F.034.K53.2N0, F-034-K53-2N0
    Bitte prüfen Sie diese Typennummer auf Ihrem Gerät um die Kompatibilität des BOSCH Ersatzteils zu gewährleisten.
Weitere BOSCH Ersatzteile des Gerätes CST302R mit der Typennummer F034K532N0 finden Sie in der nachfolgenden Darstellung und im Dropdown zu Ihrer Auswahl:

Pos.
1
BOSCH Abdeckung | Ersatzteile für CST302R | 2610A13473
Hersteller: BOSCH
Artikelnummer: EB-F034K532N0-2610A13473
nur Informationsartikel
Nie mehr lieferbar
keine Alternativen
Pos.
3
BOSCH Akku-Paket | Ersatzteile für CST302R | 2610A13477
Hersteller: BOSCH
Artikelnummer: EB-F034K532N0-2610A13477
Netto: 168,24 € zzgl. MwSt.
zzgl. 6,90 € Versand (brutto)
einmalig pro Bestellung

Lieferzeit: 5 Werktage

Pos.
2
BOSCH Libelle | Ersatzteile für CST302R | 2610A13474
Hersteller: BOSCH
Artikelnummer: EB-F034K532N0-2610A13474
nur Informationsartikel
Nie mehr lieferbar
keine Alternativen
Pos.
4
BOSCH Lcd-Anzeige | Ersatzteile für CST302R | 2610A13478
Hersteller: BOSCH
Artikelnummer: EB-F034K532N0-2610A13478
Netto: 244,74 € zzgl. MwSt.
zzgl. 6,90 € Versand (brutto)
einmalig pro Bestellung

Lieferzeit: 5 Werktage

Pos.
5
BOSCH Zentralrechnermodul | Ersatzteile für CST302R | 2610A13479
Hersteller: BOSCH
Artikelnummer: EB-F034K532N0-2610A13479
Netto: 424,76 € zzgl. MwSt.
zzgl. 6,90 € Versand (brutto)
einmalig pro Bestellung

Lieferzeit: 5 Werktage

Pos.
6
BOSCH Verbindungskabel | Ersatzteile für CST302R | 2610A13480
Hersteller: BOSCH
Artikelnummer: EB-F034K532N0-2610A13480
nur Informationsartikel
Nie mehr lieferbar
keine Alternativen
Pos.
7
BOSCH Verbindungskabel | Ersatzteile für CST302R | 2610A13481
Hersteller: BOSCH
Artikelnummer: EB-F034K532N0-2610A13481
nur Informationsartikel
Nie mehr lieferbar
keine Alternativen
Pos.
8
BOSCH Kompensator | Ersatzteile für CST302R | 2610A13482
Hersteller: BOSCH
Artikelnummer: EB-F034K532N0-2610A13482
Netto: 592,56 € zzgl. MwSt.
zzgl. 6,90 € Versand (brutto)
einmalig pro Bestellung

Lieferzeit: 5 Werktage

Pos.
11
BOSCH Optikbaugruppe | Ersatzteile für CST302R | 2610A13485
Hersteller: BOSCH
Artikelnummer: EB-F034K532N0-2610A13485
nur Informationsartikel
Nie mehr lieferbar
keine Alternativen
Pos.
12
BOSCH Konverter | Ersatzteile für CST302R | 2610A13486
Hersteller: BOSCH
Artikelnummer: EB-F034K532N0-2610A13486
nur Informationsartikel
Nie mehr lieferbar
keine Alternativen
Pos.
13
BOSCH Leiterplatte | Ersatzteile für CST302R | 2610A13487
Hersteller: BOSCH
Artikelnummer: EB-F034K532N0-2610A13487
nur Informationsartikel
Nie mehr lieferbar
keine Alternativen
Pos.
9
BOSCH Kupplungsdose | Ersatzteile für CST302R | 2610A13483
Hersteller: BOSCH
Artikelnummer: EB-F034K532N0-2610A13483
nur Informationsartikel
Nie mehr lieferbar
keine Alternativen
Pos.
10
BOSCH Abdeckung | Ersatzteile für CST302R | 2610A13484
Hersteller: BOSCH
Artikelnummer: EB-F034K532N0-2610A13484
nur Informationsartikel
Nie mehr lieferbar
keine Alternativen
Pos.
17
BOSCH Klemme | Ersatzteile für CST302R | 2610A13492
Hersteller: BOSCH
Artikelnummer: EB-F034K532N0-2610A13492
Netto: 121,18 € zzgl. MwSt.
zzgl. 6,90 € Versand (brutto)
einmalig pro Bestellung

Lieferzeit: 5 Werktage

Pos.
18
BOSCH Klemme | Ersatzteile für CST302R | 2610A13493
Hersteller: BOSCH
Artikelnummer: EB-F034K532N0-2610A13493
nur Informationsartikel
Nie mehr lieferbar
keine Alternativen
Pos.
19
BOSCH Konverter | Ersatzteile für CST302R | 2610A13494
Hersteller: BOSCH
Artikelnummer: EB-F034K532N0-2610A13494
nur Informationsartikel
Nie mehr lieferbar
keine Alternativen
Pos.
20
BOSCH Konverter | Ersatzteile für CST302R | 2610A13495
Hersteller: BOSCH
Artikelnummer: EB-F034K532N0-2610A13495
nur Informationsartikel
Nie mehr lieferbar
keine Alternativen
Pos.
14
BOSCH Körper | Ersatzteile für CST302R | 2610A13488
Hersteller: BOSCH
Artikelnummer: EB-F034K532N0-2610A13488
nur Informationsartikel
Nie mehr lieferbar
keine Alternativen
Pos.
21
BOSCH Sockel | Ersatzteile für CST302R | 2610A13496
Hersteller: BOSCH
Artikelnummer: EB-F034K532N0-2610A13496
nur Informationsartikel
Nie mehr lieferbar
keine Alternativen
Pos.
15
BOSCH Kontaktlasche | Ersatzteile für CST302R | 2610A13489
Hersteller: BOSCH
Artikelnummer: EB-F034K532N0-2610A13489
nur Informationsartikel
Nie mehr lieferbar
keine Alternativen
Pos.
22
BOSCH Sockel | Ersatzteile für CST302R | 2610A13498
Hersteller: BOSCH
Artikelnummer: EB-F034K532N0-2610A13498
nur Informationsartikel
Nie mehr lieferbar
keine Alternativen
Pos.
16
BOSCH Kontaktlasche | Ersatzteile für CST302R | 2610A13490
Hersteller: BOSCH
Artikelnummer: EB-F034K532N0-2610A13490
nur Informationsartikel
Nie mehr lieferbar
keine Alternativen
Pos.
27
BOSCH Abdeckung | Ersatzteile für CST302R | 2610A13503
Hersteller: BOSCH
Artikelnummer: EB-F034K532N0-2610A13503
nur Informationsartikel
Nie mehr lieferbar
keine Alternativen
Pos.
32
BOSCH Abdeckung | Ersatzteile für CST302R | 2610A13538
Hersteller: BOSCH
Artikelnummer: EB-F034K532N0-2610A13538
Netto: 5,67 € zzgl. MwSt.
zzgl. 6,90 € Versand (brutto)
einmalig pro Bestellung

Lieferzeit: 5 Werktage

Pos.
35
BOSCH Grundkörper | Ersatzteile für CST302R | 2610A13551
Hersteller: BOSCH
Artikelnummer: EB-F034K532N0-2610A13551
Netto: 32,74 € zzgl. MwSt.
zzgl. 6,90 € Versand (brutto)
einmalig pro Bestellung

Lieferzeit: 5 Werktage

Pos.
41
BOSCH Sucherrohr | Ersatzteile für CST302R | 2610A13558
Hersteller: BOSCH
Artikelnummer: EB-F034K532N0-2610A13558
nur Informationsartikel
Nie mehr lieferbar
keine Alternativen
Pos.
42
BOSCH Abdeckung | Ersatzteile für CST302R | 2610A13559
Hersteller: BOSCH
Artikelnummer: EB-F034K532N0-2610A13559
nur Informationsartikel
Nie mehr lieferbar
keine Alternativen
Pos.
47
BOSCH Stutzen | Ersatzteile für CST302R | 2610A13564
Hersteller: BOSCH
Artikelnummer: EB-F034K532N0-2610A13564
Netto: 121,18 € zzgl. MwSt.
zzgl. 6,90 € Versand (brutto)
einmalig pro Bestellung

Lieferzeit: 5 Werktage

Pos.
56
BOSCH Abdeckung | Ersatzteile für CST302R | 2610A13573
Hersteller: BOSCH
Artikelnummer: EB-F034K532N0-2610A13573
nur Informationsartikel
Nie mehr lieferbar
keine Alternativen
Pos.
23
BOSCH Staubschutzdeckel | Ersatzteile für CST302R | 2610A13499
Hersteller: BOSCH
Artikelnummer: EB-F034K532N0-2610A13499
nur Informationsartikel
Nie mehr lieferbar
keine Alternativen
Pos.
57
BOSCH Empfänger | Ersatzteile für CST302R | 2610A13574
Hersteller: BOSCH
Artikelnummer: EB-F034K532N0-2610A13574
nur Informationsartikel
Nie mehr lieferbar
keine Alternativen
Pos.
24
BOSCH Einstellschraube | Ersatzteile für CST302R | 2610A13500
Hersteller: BOSCH
Artikelnummer: EB-F034K532N0-2610A13500
nur Informationsartikel
Nie mehr lieferbar
keine Alternativen
Pos.
59
BOSCH Fiber | Ersatzteile für CST302R | 2610A13576
Hersteller: BOSCH
Artikelnummer: EB-F034K532N0-2610A13576
nur Informationsartikel
Nie mehr lieferbar
keine Alternativen
Pos.
25
BOSCH Schleifring | Ersatzteile für CST302R | 2610A13501
Hersteller: BOSCH
Artikelnummer: EB-F034K532N0-2610A13501
nur Informationsartikel
Nie mehr lieferbar
keine Alternativen
Pos.
60
BOSCH Leiterplatte | Ersatzteile für CST302R | 2610A13577
Hersteller: BOSCH
Artikelnummer: EB-F034K532N0-2610A13577
nur Informationsartikel
Nie mehr lieferbar
keine Alternativen
Pos.
26
BOSCH Bürststation | Ersatzteile für CST302R | 2610A13502
Hersteller: BOSCH
Artikelnummer: EB-F034K532N0-2610A13502
nur Informationsartikel
Nie mehr lieferbar
keine Alternativen
Pos.
68
BOSCH Motor | Ersatzteile für CST302R | 2610A13585
Hersteller: BOSCH
Artikelnummer: EB-F034K532N0-2610A13585
nur Informationsartikel
Nie mehr lieferbar
keine Alternativen
Pos.
72
BOSCH Motor | Ersatzteile für CST302R | 2610A13589
Hersteller: BOSCH
Artikelnummer: EB-F034K532N0-2610A13589
nur Informationsartikel
Nie mehr lieferbar
keine Alternativen
Pos.
28
BOSCH Leiterplatte | Ersatzteile für CST302R | 2610A13504
Hersteller: BOSCH
Artikelnummer: EB-F034K532N0-2610A13504
nur Informationsartikel
Nie mehr lieferbar
keine Alternativen
Pos.
76
BOSCH Strahlführung | Ersatzteile für CST302R | 2610A13593
Hersteller: BOSCH
Artikelnummer: EB-F034K532N0-2610A13593
nur Informationsartikel
Nie mehr lieferbar
keine Alternativen
Pos.
29
BOSCH Abschirmblech | Ersatzteile für CST302R | 2610A13521
Hersteller: BOSCH
Artikelnummer: EB-F034K532N0-2610A13521
nur Informationsartikel
Nie mehr lieferbar
keine Alternativen
Pos.
78
BOSCH Aufspannplatte | Ersatzteile für CST302R | 2610A13595
Hersteller: BOSCH
Artikelnummer: EB-F034K532N0-2610A13595
nur Informationsartikel
Nie mehr lieferbar
keine Alternativen
Pos.
30
BOSCH Staubschutzdeckel | Ersatzteile für CST302R | 2610A13531
Hersteller: BOSCH
Artikelnummer: EB-F034K532N0-2610A13531
nur Informationsartikel
Nie mehr lieferbar
keine Alternativen
Pos.
79
BOSCH Lcd-Anzeige | Ersatzteile für CST302R | 2610A13533
Hersteller: BOSCH
Artikelnummer: EB-F034K532N0-2610A13533
nur Informationsartikel
Nie mehr lieferbar
keine Alternativen
Pos.
31
BOSCH Mattendichtung | Ersatzteile für CST302R | 2610A13532
Hersteller: BOSCH
Artikelnummer: EB-F034K532N0-2610A13532
nur Informationsartikel
Nie mehr lieferbar
keine Alternativen
Pos.
80
BOSCH Leiterplatte | Ersatzteile für CST302R | 2610A13534
Hersteller: BOSCH
Artikelnummer: EB-F034K532N0-2610A13534
nur Informationsartikel
Nie mehr lieferbar
keine Alternativen
Pos.
33
BOSCH Schraube | Ersatzteile für CST302R | 2610A13545
Hersteller: BOSCH
Artikelnummer: EB-F034K532N0-2610A13545
nur Informationsartikel
Nie mehr lieferbar
keine Alternativen
Pos.
34
BOSCH Kontaktlasche | Ersatzteile für CST302R | 2610A13546
Hersteller: BOSCH
Artikelnummer: EB-F034K532N0-2610A13546
nur Informationsartikel
Nie mehr lieferbar
keine Alternativen
Pos.
36
BOSCH Dorn | Ersatzteile für CST302R | 2610A13552
Hersteller: BOSCH
Artikelnummer: EB-F034K532N0-2610A13552
nur Informationsartikel
Nie mehr lieferbar
keine Alternativen
Pos.
37
BOSCH Kurvenarm | Ersatzteile für CST302R | 2610A13553
Hersteller: BOSCH
Artikelnummer: EB-F034K532N0-2610A13553
nur Informationsartikel
Nie mehr lieferbar
keine Alternativen
Pos.
38
BOSCH Kurvenscheibe | Ersatzteile für CST302R | 2610A13554
Hersteller: BOSCH
Artikelnummer: EB-F034K532N0-2610A13554
nur Informationsartikel
Nie mehr lieferbar
keine Alternativen
Pos.
39
BOSCH Abschirmblech | Ersatzteile für CST302R | 2610A13555
Hersteller: BOSCH
Artikelnummer: EB-F034K532N0-2610A13555
nur Informationsartikel
Nie mehr lieferbar
keine Alternativen
Pos.
40
BOSCH Gerätefuss | Ersatzteile für CST302R | 2610A13557
Hersteller: BOSCH
Artikelnummer: EB-F034K532N0-2610A13557
nur Informationsartikel
Nie mehr lieferbar
keine Alternativen
Pos.
43
BOSCH Abdeckung | Ersatzteile für CST302R | 2610A13560
Hersteller: BOSCH
Artikelnummer: EB-F034K532N0-2610A13560
nur Informationsartikel
Nie mehr lieferbar
keine Alternativen
Pos.
44
BOSCH Abdeckung | Ersatzteile für CST302R | 2610A13561
Hersteller: BOSCH
Artikelnummer: EB-F034K532N0-2610A13561
nur Informationsartikel
Nie mehr lieferbar
keine Alternativen
Pos.
45
BOSCH Abdeckung | Ersatzteile für CST302R | 2610A13562
Hersteller: BOSCH
Artikelnummer: EB-F034K532N0-2610A13562
nur Informationsartikel
Nie mehr lieferbar
keine Alternativen
Pos.
46
BOSCH Mattendichtung | Ersatzteile für CST302R | 2610A13563
Hersteller: BOSCH
Artikelnummer: EB-F034K532N0-2610A13563
nur Informationsartikel
Nie mehr lieferbar
keine Alternativen
Pos.
48
BOSCH Einstellschraube | Ersatzteile für CST302R | 2610A13565
Hersteller: BOSCH
Artikelnummer: EB-F034K532N0-2610A13565
nur Informationsartikel
Nie mehr lieferbar
keine Alternativen
Pos.
49
BOSCH Sitz | Ersatzteile für CST302R | 2610A13566
Hersteller: BOSCH
Artikelnummer: EB-F034K532N0-2610A13566
nur Informationsartikel
Nie mehr lieferbar
keine Alternativen
Pos.
50
BOSCH Tube | Ersatzteile für CST302R | 2610A13567
Hersteller: BOSCH
Artikelnummer: EB-F034K532N0-2610A13567
nur Informationsartikel
Nie mehr lieferbar
keine Alternativen
Pos.
51
BOSCH Tube | Ersatzteile für CST302R | 2610A13568
Hersteller: BOSCH
Artikelnummer: EB-F034K532N0-2610A13568
nur Informationsartikel
Nie mehr lieferbar
keine Alternativen
Pos.
52
BOSCH Ring | Ersatzteile für CST302R | 2610A13569
Hersteller: BOSCH
Artikelnummer: EB-F034K532N0-2610A13569
nur Informationsartikel
Nie mehr lieferbar
keine Alternativen
Pos.
53
BOSCH Fokussiereinrichtung | Ersatzteile für CST302R | 2610A13570
Hersteller: BOSCH
Artikelnummer: EB-F034K532N0-2610A13570
nur Informationsartikel
Nie mehr lieferbar
keine Alternativen
Pos.
54
BOSCH Objektiv | Ersatzteile für CST302R | 2610A13571
Hersteller: BOSCH
Artikelnummer: EB-F034K532N0-2610A13571
nur Informationsartikel
Nie mehr lieferbar
keine Alternativen
Pos.
55
BOSCH Ring | Ersatzteile für CST302R | 2610A13572
Hersteller: BOSCH
Artikelnummer: EB-F034K532N0-2610A13572
nur Informationsartikel
Nie mehr lieferbar
keine Alternativen
Pos.
58
BOSCH Fiber | Ersatzteile für CST302R | 2610A13575
Hersteller: BOSCH
Artikelnummer: EB-F034K532N0-2610A13575
nur Informationsartikel
Nie mehr lieferbar
keine Alternativen
Pos.
61
BOSCH Montageplatte | Ersatzteile für CST302R | 2610A13578
Hersteller: BOSCH
Artikelnummer: EB-F034K532N0-2610A13578
nur Informationsartikel
Nie mehr lieferbar
keine Alternativen
Pos.
62
BOSCH Linsenhalter | Ersatzteile für CST302R | 2610A13579
Hersteller: BOSCH
Artikelnummer: EB-F034K532N0-2610A13579
nur Informationsartikel
Nie mehr lieferbar
keine Alternativen
Pos.
63
BOSCH Prisma | Ersatzteile für CST302R | 2610A13580
Hersteller: BOSCH
Artikelnummer: EB-F034K532N0-2610A13580
nur Informationsartikel
Nie mehr lieferbar
keine Alternativen
Pos.
64
BOSCH Prisma | Ersatzteile für CST302R | 2610A13581
Hersteller: BOSCH
Artikelnummer: EB-F034K532N0-2610A13581
nur Informationsartikel
Nie mehr lieferbar
keine Alternativen
Pos.
65
BOSCH Abdeckring | Ersatzteile für CST302R | 2610A13582
Hersteller: BOSCH
Artikelnummer: EB-F034K532N0-2610A13582
nur Informationsartikel
Nie mehr lieferbar
keine Alternativen
Pos.
66
BOSCH Objektiv | Ersatzteile für CST302R | 2610A13583
Hersteller: BOSCH
Artikelnummer: EB-F034K532N0-2610A13583
nur Informationsartikel
Nie mehr lieferbar
keine Alternativen
Pos.
67
BOSCH Brennweitenring | Ersatzteile für CST302R | 2610A13584
Hersteller: BOSCH
Artikelnummer: EB-F034K532N0-2610A13584
nur Informationsartikel
Nie mehr lieferbar
keine Alternativen
Pos.
69
BOSCH Aufspannwinkel | Ersatzteile für CST302R | 2610A13586
Hersteller: BOSCH
Artikelnummer: EB-F034K532N0-2610A13586
nur Informationsartikel
Nie mehr lieferbar
keine Alternativen
Pos.
70
BOSCH Motor | Ersatzteile für CST302R | 2610A13587
Hersteller: BOSCH
Artikelnummer: EB-F034K532N0-2610A13587
nur Informationsartikel
Nie mehr lieferbar
keine Alternativen
Pos.
71
BOSCH Aufspannwinkel | Ersatzteile für CST302R | 2610A13588
Hersteller: BOSCH
Artikelnummer: EB-F034K532N0-2610A13588
nur Informationsartikel
Nie mehr lieferbar
keine Alternativen
Pos.
73
BOSCH Aufspannwinkel | Ersatzteile für CST302R | 2610A13590
Hersteller: BOSCH
Artikelnummer: EB-F034K532N0-2610A13590
nur Informationsartikel
Nie mehr lieferbar
keine Alternativen
Pos.
74
BOSCH Führungssäule | Ersatzteile für CST302R | 2610A13591
Hersteller: BOSCH
Artikelnummer: EB-F034K532N0-2610A13591
nur Informationsartikel
Nie mehr lieferbar
keine Alternativen
Pos.
75
BOSCH Light-Control-Film | Ersatzteile für CST302R | 2610A13592
Hersteller: BOSCH
Artikelnummer: EB-F034K532N0-2610A13592
nur Informationsartikel
Nie mehr lieferbar
keine Alternativen
Pos.
77
BOSCH Montiervorrichtung | Ersatzteile für CST302R | 2610A13594
Hersteller: BOSCH
Artikelnummer: EB-F034K532N0-2610A13594
nur Informationsartikel
Nie mehr lieferbar
keine Alternativen

Angaben zur Produktsicherheit

Hersteller:
Robert Bosch Power Tools GmbH
Postfach 30 02 20
70442 Stuttgart

E-Mail:
kontakt@bosch.de