BOSCH Isolierplatte | Ersatzteile für DG 355 LCE | 1601008005

Artikelnummer: EB-3601B21110-1601008005

Position: 105

Marke: BOSCH


Bitte Kompatibilität prüfen!

Bitte prüfen Sie unbedingt die 10-stellige Typennummer Ihrer Maschine / Ihres Gerätes. Das Ersatzteil ist nur kompatibel, wenn Sie die Typennummer Ihrer Maschine in der unten stehenden Produktbeschreibung finden.

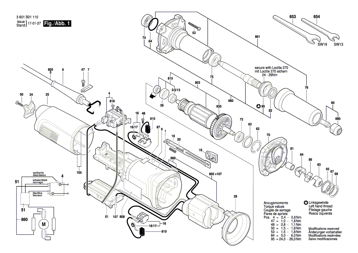
Bitte prüfen Sie ebenfalls detailliert die Explosionszeichnung mit Ihrem Artikelwunsch und der jeweiligen Pos-Nummer.

Alle Elemente, welche vom schwarzen Strich der Pos-Nummer ausgehend berührt / erfasst werden, gehören zu dieser Pos-Nummer und somit zu diesem Artikel. Jede Pos-Nummer ist ein eigenständiger Artikel, welchen Sie in der Auflistung finden.

Sie erhalten stets die aktuellste, neueste Produktversion zu der gewählten Pos-Nummer seitens des Herstellers. Es kann daher je nach Gerätealter vorkommen, dass Sie ggf. weitere, zugehörige Elemente, welche an diese Pos-Nummer grenzen, ebenfalls mittauschen müssen.

Nähere Informationen finden Sie unter dem Link
Hinweise zu Ihrer BOSCH Ersatzteilsuche

Preisübersicht

Einzelpreis: 6,15 €* (Brutto: 7,32 €)
Gesamtpreis: 6,15 €* 
Position:

Lieferzeit: 5 Werktage


Beschreibung

  • Isolierplatte
  • Original Bosch Zubehör / BOSCH Ersatzteil (1601008005)
  • im Gerät verbaut: 1
Dieses BOSCH Ersatzteil ist mit folgendem Gerät und Modell kompatibel:
  • BOSCH Gerätename: DG 355 LCE
  • BOSCH Explosionszeichnung: Position 105
  • BOSCH Typennummer: 3601B21110
  • BOSCH Typennummer alternative Schreibweisen: 3 601 B21 110, 3601 B21 110, 3.601.B21.110, 3-601-B21-110
    Bitte prüfen Sie diese Typennummer auf Ihrem Gerät um die Kompatibilität des BOSCH Ersatzteils zu gewährleisten.
Weitere BOSCH Ersatzteile des Gerätes DG 355 LCE (Geradschleifer) mit der Typennummer 3601B21110 finden Sie in der nachfolgenden Darstellung und im Dropdown zu Ihrer Auswahl:

Pos.
1
BOSCH Motorgehäuse | Ersatzteile für DG 355 LCE | 3605108224
Hersteller: BOSCH
Artikelnummer: EB-3601B21110-3605108224
Netto: 8,33 € zzgl. MwSt.
zzgl. 6,90 € Versand (brutto)
einmalig pro Bestellung

Lieferzeit: 5 Werktage

Pos.
16/17
BOSCH Spiralfeder | Ersatzteile für DG 355 LCE | 1604652013
Hersteller: BOSCH
Artikelnummer: EB-3601B21110-1604652013
Netto: 3,94 € zzgl. MwSt.
zzgl. 6,90 € Versand (brutto)
einmalig pro Bestellung

Lieferzeit: 5 Werktage

Pos.
3/3/13
BOSCH Kugellager 7x19x6 | Ersatzteile für DG 355 LCE | 2600905032
Hersteller: BOSCH
Artikelnummer: EB-3601B21110-2600905032
Netto: 6,15 € zzgl. MwSt.
zzgl. 6,90 € Versand (brutto)
einmalig pro Bestellung

Lieferzeit: 8 Werktage

Pos.
70
BOSCH Zwischenflansch | Ersatzteile für DG 355 LCE | 3605700186
Hersteller: BOSCH
Artikelnummer: EB-3601B21110-3605700186
Netto: 41,29 € zzgl. MwSt.
zzgl. 6,90 € Versand (brutto)
einmalig pro Bestellung

Lieferzeit: 5 Werktage

Pos.
4
BOSCH Schalter | Ersatzteile für DG 355 LCE | 1607200199
Hersteller: BOSCH
Artikelnummer: EB-3601B21110-1607200199
Netto: 14,36 € zzgl. MwSt.
zzgl. 6,90 € Versand (brutto)
einmalig pro Bestellung

Lieferzeit: 5 Werktage

Pos.
5
BOSCH Netzanschlussleitung USA/CAN/SMA 2,68m 2 x 1,31mm SJ 16/2 | Ersatzteile für DG 355 LCE | 1604460336
Hersteller: BOSCH
Artikelnummer: EB-3601B21110-1604460336
Netto: 12,98 € zzgl. MwSt.
zzgl. 6,90 € Versand (brutto)
einmalig pro Bestellung

Lieferzeit: 5 Werktage

Pos.
6
BOSCH Tülle | Ersatzteile für DG 355 LCE | 1600703040
Hersteller: BOSCH
Artikelnummer: EB-3601B21110-1600703040
Netto: 4,32 € zzgl. MwSt.
zzgl. 6,90 € Versand (brutto)
einmalig pro Bestellung

Lieferzeit: 5 Werktage

Pos.
7
BOSCH Befestigungsschelle | Ersatzteile für DG 355 LCE | 1601302017
Hersteller: BOSCH
Artikelnummer: EB-3601B21110-1601302017
Netto: 3,63 € zzgl. MwSt.
zzgl. 6,90 € Versand (brutto)
einmalig pro Bestellung

Lieferzeit: 5 Werktage

Pos.
9
BOSCH Firmenschild | Ersatzteile für DG 355 LCE | 3601110554
Hersteller: BOSCH
Artikelnummer: EB-3601B21110-3601110554
nur Informationsartikel
Nie mehr lieferbar
keine Alternativen
Pos.
16
BOSCH Bürstenhalter | Ersatzteile für DG 355 LCE | 1601323025
Hersteller: BOSCH
Artikelnummer: EB-3601B21110-1601323025
Netto: 4,82 € zzgl. MwSt.
zzgl. 6,90 € Versand (brutto)
einmalig pro Bestellung

Lieferzeit: 5 Werktage

Pos.
18
BOSCH Schaltergriff | Ersatzteile für DG 355 LCE | 1602026088
Hersteller: BOSCH
Artikelnummer: EB-3601B21110-1602026088
Netto: 3,63 € zzgl. MwSt.
zzgl. 6,90 € Versand (brutto)
einmalig pro Bestellung

Lieferzeit: 20 Werktage

Pos.
19
BOSCH Druckfeder | Ersatzteile für DG 355 LCE | 1604611026
Hersteller: BOSCH
Artikelnummer: EB-3601B21110-1604611026
Netto: 3,63 € zzgl. MwSt.
zzgl. 6,90 € Versand (brutto)
einmalig pro Bestellung

Lieferzeit: 8 Werktage

Pos.
20
BOSCH Verstellschieber SCHWARZ | Ersatzteile für DG 355 LCE | 1602319010
Hersteller: BOSCH
Artikelnummer: EB-3601B21110-1602319010
Netto: 3,94 € zzgl. MwSt.
zzgl. 6,90 € Versand (brutto)
einmalig pro Bestellung

Lieferzeit: 5 Werktage

Pos.
24
BOSCH Deckel | Ersatzteile für DG 355 LCE | 1605500227
Hersteller: BOSCH
Artikelnummer: EB-3601B21110-1605500227
Netto: 4,32 € zzgl. MwSt.
zzgl. 6,90 € Versand (brutto)
einmalig pro Bestellung

Lieferzeit: 5 Werktage

Pos.
25
BOSCH Gehäusedeckel DUNKELBLAU | Ersatzteile für DG 355 LCE | 1605500251
Hersteller: BOSCH
Artikelnummer: EB-3601B21110-1605500251
Netto: 7,76 € zzgl. MwSt.
zzgl. 6,90 € Versand (brutto)
einmalig pro Bestellung

Lieferzeit: 5 Werktage

Pos.
26
BOSCH Gummiring | Ersatzteile für DG 355 LCE | 1600206036
Hersteller: BOSCH
Artikelnummer: EB-3601B21110-1600206036
Netto: 3,94 € zzgl. MwSt.
zzgl. 6,90 € Versand (brutto)
einmalig pro Bestellung

Lieferzeit: 5 Werktage

Pos.
29
BOSCH Luftleitring | Ersatzteile für DG 355 LCE | 1600591025
Hersteller: BOSCH
Artikelnummer: EB-3601B21110-1600591025
Netto: 4,53 € zzgl. MwSt.
zzgl. 6,90 € Versand (brutto)
einmalig pro Bestellung

Lieferzeit: 5 Werktage

Pos.
47
BOSCH Torx-Linsenschraube 4x12 | Ersatzteile für DG 355 LCE | 2603490021
Hersteller: BOSCH
Artikelnummer: EB-3601B21110-2603490021
Netto: 3,63 € zzgl. MwSt.
zzgl. 6,90 € Versand (brutto)
einmalig pro Bestellung

Lieferzeit: 5 Werktage

Pos.
48
BOSCH Linsenkopfschraube 3x10 ST | Ersatzteile für DG 355 LCE | 1613435034
Hersteller: BOSCH
Artikelnummer: EB-3601B21110-1613435034
nur Informationsartikel
Nie mehr lieferbar
keine Alternativen
Pos.
50
BOSCH Schraube 4X16 | Ersatzteile für DG355LCE | 2603490022
Hersteller: BOSCH
Artikelnummer: EB-3601B21110-2603490022
Netto: 3,63 € zzgl. MwSt.
zzgl. 6,90 € Versand (brutto)
einmalig pro Bestellung

Lieferzeit: 5 Werktage

Pos.
50
BOSCH Torx-Linsenschraube 4x20 | Ersatzteile für DG 355 LCE | 2603490023
Hersteller: BOSCH
Artikelnummer: EB-3601B21110-2603490023
Netto: 3,63 € zzgl. MwSt.
zzgl. 6,90 € Versand (brutto)
einmalig pro Bestellung

Lieferzeit: 5 Werktage

Pos.
51
BOSCH Drehzahlregler | Ersatzteile für DG 355 LCE | 1607233555
Hersteller: BOSCH
Artikelnummer: EB-3601B21110-1607233555
nur Informationsartikel
Nie mehr lieferbar
keine Alternativen
Pos.
53
BOSCH Linsenkopfschraube 4x32 | Ersatzteile für DG 355 LCE | 2603490026
Hersteller: BOSCH
Artikelnummer: EB-3601B21110-2603490026
Netto: 3,63 € zzgl. MwSt.
zzgl. 6,90 € Versand (brutto)
einmalig pro Bestellung

Lieferzeit: 5 Werktage

Pos.
62
BOSCH Sicherungsbügel | Ersatzteile für DG 355 LCE | 1600119011
Hersteller: BOSCH
Artikelnummer: EB-3601B21110-1600119011
Netto: 4,32 € zzgl. MwSt.
zzgl. 6,90 € Versand (brutto)
einmalig pro Bestellung

Lieferzeit: 5 Werktage

Pos.
63
BOSCH Gummiring | Ersatzteile für DG 355 LCE | 1600206025
Hersteller: BOSCH
Artikelnummer: EB-3601B21110-1600206025
Netto: 4,32 € zzgl. MwSt.
zzgl. 6,90 € Versand (brutto)
einmalig pro Bestellung

Lieferzeit: 5 Werktage

Pos.
64
BOSCH O-Ring 26,0x2,0 MM GRUEN | Ersatzteile für DG 355 LCE | 1610210101
Hersteller: BOSCH
Artikelnummer: EB-3601B21110-1610210101
Netto: 4,82 € zzgl. MwSt.
zzgl. 6,90 € Versand (brutto)
einmalig pro Bestellung

Lieferzeit: 5 Werktage

Pos.
65
BOSCH Sicherungsring DIN 472-26x1,2 MM | Ersatzteile für DG 355 LCE | 2916660010
Hersteller: BOSCH
Artikelnummer: EB-3601B21110-2916660010
Netto: 3,63 € zzgl. MwSt.
zzgl. 6,90 € Versand (brutto)
einmalig pro Bestellung

Lieferzeit: 5 Werktage

Pos.
67
BOSCH Ausgleichscheibe | Ersatzteile für DG 355 LCE | 3600150011
Hersteller: BOSCH
Artikelnummer: EB-3601B21110-3600150011
Netto: 3,94 € zzgl. MwSt.
zzgl. 6,90 € Versand (brutto)
einmalig pro Bestellung

Lieferzeit: 5 Werktage

Pos.
69
BOSCH Ausgleichscheibe 0,10 MM | Ersatzteile für DG 355 LCE | 1710102601
Hersteller: BOSCH
Artikelnummer: EB-3601B21110-1710102601
Netto: 3,94 € zzgl. MwSt.
zzgl. 6,90 € Versand (brutto)
einmalig pro Bestellung

Lieferzeit: 5 Werktage

Pos.
BOSCH Zwischenflansch | Ersatzteile für DG355LCE | 3605700225
Hersteller: BOSCH
Artikelnummer:
Netto: 19,18 € zzgl. MwSt.
zzgl. 6,90 € Versand (brutto)
einmalig pro Bestellung

Lieferzeit: 5 Werktage

Pos.
72
BOSCH Rillenkugellager 8x22x7 | Ersatzteile für DG 355 LCE | 1600905032
Hersteller: BOSCH
Artikelnummer: EB-3601B21110-1600905032
Netto: 6,70 € zzgl. MwSt.
zzgl. 6,90 € Versand (brutto)
einmalig pro Bestellung

Lieferzeit: 65 Werktage

Pos.
74
BOSCH Rillenkugellager 10x26x8 | Ersatzteile für DG 355 LCE | 3600905156
Hersteller: BOSCH
Artikelnummer: EB-3601B21110-3600905156
Netto: 10,92 € zzgl. MwSt.
zzgl. 6,90 € Versand (brutto)
einmalig pro Bestellung

Lieferzeit: 5 Werktage

Pos.
75
BOSCH Rillenkugellager | Ersatzteile für DG 355 LCE | 3600905157
Hersteller: BOSCH
Artikelnummer: EB-3601B21110-3600905157
Netto: 10,92 € zzgl. MwSt.
zzgl. 6,90 € Versand (brutto)
einmalig pro Bestellung

Lieferzeit: 5 Werktage

Pos.
76
BOSCH Schutzhülle | Ersatzteile für DG 355 LCE | 3605500194
Hersteller: BOSCH
Artikelnummer: EB-3601B21110-3605500194
Netto: 10,92 € zzgl. MwSt.
zzgl. 6,90 € Versand (brutto)
einmalig pro Bestellung

Lieferzeit: 5 Werktage

Pos.
80
BOSCH Schleifspindel | Ersatzteile für DG355LCE | 3603523070
Hersteller: BOSCH
Artikelnummer: EB-3601B21110-3603523070
Netto: 35,77 € zzgl. MwSt.
zzgl. 6,90 € Versand (brutto)
einmalig pro Bestellung

Lieferzeit: 5 Werktage

Pos.
81
BOSCH Distanzhülse | Ersatzteile für DG 355 LCE | 3600400034
Hersteller: BOSCH
Artikelnummer: EB-3601B21110-3600400034
Netto: 5,67 € zzgl. MwSt.
zzgl. 6,90 € Versand (brutto)
einmalig pro Bestellung

Lieferzeit: 5 Werktage

Pos.
82
BOSCH Dichtscheibe | Ersatzteile für DG 355 LCE | 3600103020
Hersteller: BOSCH
Artikelnummer: EB-3601B21110-3600103020
Netto: 6,15 € zzgl. MwSt.
zzgl. 6,90 € Versand (brutto)
einmalig pro Bestellung

Lieferzeit: 5 Werktage

Pos.
84
BOSCH Kupplungshälfte | Ersatzteile für DG 355 LCE | 3606445047
Hersteller: BOSCH
Artikelnummer: EB-3601B21110-3606445047
Netto: 19,18 € zzgl. MwSt.
zzgl. 6,90 € Versand (brutto)
einmalig pro Bestellung

Lieferzeit: 5 Werktage

Pos.
86
BOSCH Mitnehmer | Ersatzteile für DG 355 LCE | 3606337242
Hersteller: BOSCH
Artikelnummer: EB-3601B21110-3606337242
Netto: 6,15 € zzgl. MwSt.
zzgl. 6,90 € Versand (brutto)
einmalig pro Bestellung

Lieferzeit: 5 Werktage

Pos.
90
BOSCH Spanneinheit | Ersatzteile für DG 355 LCE | 3607030482
Hersteller: BOSCH
Artikelnummer: EB-3601B21110-3607030482
nur Informationsartikel
Nie mehr lieferbar
keine Alternativen
Pos.
95
BOSCH Flansch | Ersatzteile für DG 355 LCE | 3600328043
Hersteller: BOSCH
Artikelnummer: EB-3601B21110-3600328043
Netto: 21,16 € zzgl. MwSt.
zzgl. 6,90 € Versand (brutto)
einmalig pro Bestellung

Lieferzeit: 5 Werktage

Pos.
97
BOSCH Warnschild | Ersatzteile für DG 355 LCE | 3601110550
Hersteller: BOSCH
Artikelnummer: EB-3601B21110-3601110550
nur Informationsartikel
Nie mehr lieferbar
keine Alternativen
Pos.
105
BOSCH Isolierplatte | Ersatzteile für DG 355 LCE | 1601008005
Hersteller: BOSCH
Artikelnummer: EB-3601B21110-1601008005
Netto: 6,15 € zzgl. MwSt.
zzgl. 6,90 € Versand (brutto)
einmalig pro Bestellung

Lieferzeit: 5 Werktage

Pos.
107
BOSCH Isolierteil | Ersatzteile für DG 355 LCE | 1600712030
Hersteller: BOSCH
Artikelnummer: EB-3601B21110-1600712030
Netto: 3,94 € zzgl. MwSt.
zzgl. 6,90 € Versand (brutto)
einmalig pro Bestellung

Lieferzeit: 5 Werktage

Pos.
653
BOSCH Einmaulschlüssel SW19 | Ersatzteile für DG 355 LCE | 3607950024
Hersteller: BOSCH
Artikelnummer: EB-3601B21110-3607950024
Netto: 8,33 € zzgl. MwSt.
zzgl. 6,90 € Versand (brutto)
einmalig pro Bestellung

Lieferzeit: 5 Werktage

Pos.
654
BOSCH Einmaulschlüssel SW13 | Ersatzteile für DG 355 LCE | 3607950025
Hersteller: BOSCH
Artikelnummer: EB-3601B21110-3607950025
Netto: 7,76 € zzgl. MwSt.
zzgl. 6,90 € Versand (brutto)
einmalig pro Bestellung

Lieferzeit: 5 Werktage

Pos.
802
BOSCH Polschuhbaugruppe 110V | Ersatzteile für DG 355 LCE | 3607031719
Hersteller: BOSCH
Artikelnummer: EB-3601B21110-3607031719
nur Informationsartikel
Nie mehr lieferbar
keine Alternativen
Pos.
803
BOSCH Anker 110V | Ersatzteile für DG 355 LCE | 3607030479
Hersteller: BOSCH
Artikelnummer: EB-3601B21110-3607030479
Netto: 70,50 € zzgl. MwSt.
zzgl. 6,90 € Versand (brutto)
einmalig pro Bestellung

Lieferzeit: 5 Werktage

Pos.
808
BOSCH Typschild | Ersatzteile für DG 355 LCE | 160111A3H3
Hersteller: BOSCH
Artikelnummer: EB-3601B21110-160111A3H3
Netto: 4,53 € zzgl. MwSt.
zzgl. 6,90 € Versand (brutto)
einmalig pro Bestellung

Lieferzeit: 5 Werktage

Pos.
810
BOSCH Kohlebürstensatz | Ersatzteile für DG 355 LCE | 1607014176
Hersteller: BOSCH
Artikelnummer: EB-3601B21110-1607014176
Netto: 11,92 € zzgl. MwSt.
zzgl. 6,90 € Versand (brutto)
einmalig pro Bestellung

Lieferzeit: 5 Werktage

Pos.
815
BOSCH Teilesatz | Ersatzteile für DG 355 LCE | 1607000378
Hersteller: BOSCH
Artikelnummer: EB-3601B21110-1607000378
Netto: 7,30 € zzgl. MwSt.
zzgl. 6,90 € Versand (brutto)
einmalig pro Bestellung

Lieferzeit: 5 Werktage

Pos.
818
BOSCH Flachkopfschraube DIN 85-AM3x6-CUZN | Ersatzteile für DG 355 LCE | 2910110048
Hersteller: BOSCH
Artikelnummer: EB-3601B21110-2910110048
Netto: 3,63 € zzgl. MwSt.
zzgl. 6,90 € Versand (brutto)
einmalig pro Bestellung

Lieferzeit: 5 Werktage

Pos.
835
BOSCH Lüfter | Ersatzteile für DG 355 LCE | 1606610129
Hersteller: BOSCH
Artikelnummer: EB-3601B21110-1606610129
Netto: 4,32 € zzgl. MwSt.
zzgl. 6,90 € Versand (brutto)
einmalig pro Bestellung

Lieferzeit: 5 Werktage

Pos.
860
BOSCH Verbindungskabel | Ersatzteile für DG 355 LCE | 1604448023
Hersteller: BOSCH
Artikelnummer: EB-3601B21110-1604448023
Netto: 3,94 € zzgl. MwSt.
zzgl. 6,90 € Versand (brutto)
einmalig pro Bestellung

Lieferzeit: 5 Werktage

Pos.
861
BOSCH Spindelgehaeuse | Ersatzteile für DG 355 LCE | 3607031668
Hersteller: BOSCH
Artikelnummer: EB-3601B21110-3607031668
Netto: 63,99 € zzgl. MwSt.
zzgl. 6,90 € Versand (brutto)
einmalig pro Bestellung

Lieferzeit: 5 Werktage

Pos.
880
BOSCH Schleifspindel | Ersatzteile für DG 355 LCE | 3607031667
Hersteller: BOSCH
Artikelnummer: EB-3601B21110-3607031667
Netto: 106,72 € zzgl. MwSt.
zzgl. 6,90 € Versand (brutto)
einmalig pro Bestellung

Lieferzeit: 5 Werktage

Pos.
890
BOSCH Rundmutter | Ersatzteile für DG 355 LCE | 3603313006
Hersteller: BOSCH
Artikelnummer: EB-3601B21110-3603313006
Netto: 9,18 € zzgl. MwSt.
zzgl. 6,90 € Versand (brutto)
einmalig pro Bestellung

Lieferzeit: 5 Werktage

Angaben zur Produktsicherheit

Hersteller:
Robert Bosch Power Tools GmbH
Postfach 30 02 20
70442 Stuttgart

E-Mail:
kontakt@bosch.de