BOSCH Schalthebel | Ersatzteile für DRM 23/13 | 1602026044

Artikelnummer: EB-0601121738-1602026044

Position: 50

Marke: BOSCH


Bitte Kompatibilität prüfen!

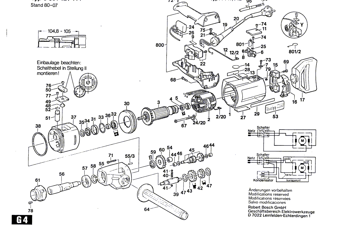
Bitte prüfen Sie unbedingt die 10-stellige Typennummer Ihrer Maschine / Ihres Gerätes. Das Ersatzteil ist nur kompatibel, wenn Sie die Typennummer Ihrer Maschine in der unten stehenden Produktbeschreibung finden.

Bitte prüfen Sie ebenfalls detailliert die Explosionszeichnung mit Ihrem Artikelwunsch und der jeweiligen Pos-Nummer.

Alle Elemente, welche vom schwarzen Strich der Pos-Nummer ausgehend berührt / erfasst werden, gehören zu dieser Pos-Nummer und somit zu diesem Artikel. Jede Pos-Nummer ist ein eigenständiger Artikel, welchen Sie in der Auflistung finden.

Sie erhalten stets die aktuellste, neueste Produktversion zu der gewählten Pos-Nummer seitens des Herstellers. Es kann daher je nach Gerätealter vorkommen, dass Sie ggf. weitere, zugehörige Elemente, welche an diese Pos-Nummer grenzen, ebenfalls mittauschen müssen.

Nähere Informationen finden Sie unter dem Link
Hinweise zu Ihrer BOSCH Ersatzteilsuche

Preisübersicht

Einzelpreis: 7,66 €* (Brutto: 9,12 €)
Gesamtpreis: 7,66 €* 
Position:

Lieferzeit: 5 Werktage


Beschreibung

  • Schalthebel
  • Original Bosch Zubehör / BOSCH Ersatzteil (1602026044)
  • im Gerät verbaut: 1
Dieses BOSCH Ersatzteil ist mit folgendem Gerät und Modell kompatibel:
  • BOSCH Gerätename: DRM 23/13
  • BOSCH Explosionszeichnung: Position 50
  • BOSCH Typennummer: 0601121738
  • BOSCH Typennummer alternative Schreibweisen: 0 601 121 738, 0601 121 738, 0.601.121.738, 0-601-121-738
    Bitte prüfen Sie diese Typennummer auf Ihrem Gerät um die Kompatibilität des BOSCH Ersatzteils zu gewährleisten.
Weitere BOSCH Ersatzteile des Gerätes DRM 23/13 (Gw-2G-Bohrmaschine-Elktrn) mit der Typennummer 0601121738 finden Sie in der nachfolgenden Darstellung und im Dropdown zu Ihrer Auswahl:

Pos.
1
BOSCH Motorgehäuse | Ersatzteile für DRM 23/13 | 3605108113
Hersteller: BOSCH
Artikelnummer: EB-0601121738-3605108113
nur Informationsartikel
Nie mehr lieferbar
keine Alternativen
Pos.
12/2
BOSCH Kabelschuh 1,5-4x4 | Ersatzteile für DRM 23/13 | 1901350003
Hersteller: BOSCH
Artikelnummer: EB-0601121738-1901350003
Netto: 3,60 € zzgl. MwSt.
zzgl. 6,90 € Versand (brutto)
einmalig pro Bestellung

Lieferzeit: 5 Werktage

Pos.
24/20
BOSCH Kabelschuh | Ersatzteile für DRM 23/13 | 1601353003
Hersteller: BOSCH
Artikelnummer: EB-0601121738-1601353003
nur Informationsartikel
Nie mehr lieferbar
keine Alternativen
Pos.
55/3
BOSCH Zylinderstift 5 H 8x18 DIN 7 | Ersatzteile für DRM 23/13 | 2917500121
Hersteller: BOSCH
Artikelnummer: EB-0601121738-2917500121
Netto: 3,60 € zzgl. MwSt.
zzgl. 6,90 € Versand (brutto)
einmalig pro Bestellung

Lieferzeit: 5 Werktage

Pos.
801/2
BOSCH Ausziehhaken | Ersatzteile für DRM 23/13 | 1604682006
Hersteller: BOSCH
Artikelnummer: EB-0601121738-1604682006
nur Informationsartikel
Nie mehr lieferbar
keine Alternativen
Pos.
2
BOSCH Polschuh 100-110V | Ersatzteile für DRM 23/13 | 1604220191
Hersteller: BOSCH
Artikelnummer: EB-0601121738-1604220191
nur Informationsartikel
Nie mehr lieferbar
keine Alternativen
Pos.
3
BOSCH Anker Mit Lüfter 100V | Ersatzteile für DRM 23/13 | 1604010188
Hersteller: BOSCH
Artikelnummer: EB-0601121738-1604010188
nur Informationsartikel
Nie mehr lieferbar
keine Alternativen
Pos.
4
BOSCH Kugellager 7x19x6 | Ersatzteile für DRM 23/13 | 2600905032
Hersteller: BOSCH
Artikelnummer: EB-0601121738-2600905032
Netto: 6,27 € zzgl. MwSt.
zzgl. 6,90 € Versand (brutto)
einmalig pro Bestellung

Lieferzeit: 5 Werktage

Pos.
5
BOSCH Zwischenring | Ersatzteile für DRM 23/13 | 1600502011
Hersteller: BOSCH
Artikelnummer: EB-0601121738-1600502011
Netto: 4,56 € zzgl. MwSt.
zzgl. 6,90 € Versand (brutto)
einmalig pro Bestellung

Lieferzeit: 5 Werktage

Pos.
6
BOSCH Bürstenhalter | Ersatzteile für DRM 23/13 | 1604336017
Hersteller: BOSCH
Artikelnummer: EB-0601121738-1604336017
Netto: 7,66 € zzgl. MwSt.
zzgl. 6,90 € Versand (brutto)
einmalig pro Bestellung

Lieferzeit: 5 Werktage

Pos.
7
BOSCH Sicherungsblech | Ersatzteile für DRM 23/13 | 1601030022
Hersteller: BOSCH
Artikelnummer: EB-0601121738-1601030022
nur Informationsartikel
Nie mehr lieferbar
keine Alternativen
Pos.
8
BOSCH Spiralfeder | Ersatzteile für DRM 23/13 | 1604652006
Hersteller: BOSCH
Artikelnummer: EB-0601121738-1604652006
Netto: 3,94 € zzgl. MwSt.
zzgl. 6,90 € Versand (brutto)
einmalig pro Bestellung

Lieferzeit: 5 Werktage

Pos.
9
BOSCH Isolierstreifen 33x10x6 MM | Ersatzteile für DRM 23/13 | 1602381001
Hersteller: BOSCH
Artikelnummer: EB-0601121738-1602381001
nur Informationsartikel
Nie mehr lieferbar
keine Alternativen
Pos.
11
BOSCH Verschlussdeckel BLAU | Ersatzteile für DRM 23/13 | 3605500063
Hersteller: BOSCH
Artikelnummer: EB-0601121738-3605500063
Netto: 5,65 € zzgl. MwSt.
zzgl. 6,90 € Versand (brutto)
einmalig pro Bestellung

Lieferzeit: 5 Werktage

Pos.
12
BOSCH Verbindungsleitung L=290 MM GRAU | Ersatzteile für DRM 23/13 | 1604445006
Hersteller: BOSCH
Artikelnummer: EB-0601121738-1604445006
Netto: 6,75 € zzgl. MwSt.
zzgl. 6,90 € Versand (brutto)
einmalig pro Bestellung

Lieferzeit: 5 Werktage

Pos.
14
BOSCH Klebeschild GELB | Ersatzteile für DRM 23/13 | 2601110041
Hersteller: BOSCH
Artikelnummer: EB-0601121738-2601110041
nur Informationsartikel
Nie mehr lieferbar
keine Alternativen
Pos.
16
BOSCH Verschlussdeckel BLAU | Ersatzteile für DRM 23/13 | 3605500058
Hersteller: BOSCH
Artikelnummer: EB-0601121738-3605500059
Netto: 11,58 € zzgl. MwSt.
zzgl. 6,90 € Versand (brutto)
einmalig pro Bestellung

Lieferzeit: 5 Werktage

Pos.
17
BOSCH Handgriff DUNKELBLAU | Ersatzteile für DRM 23/13 | 3605133010
Hersteller: BOSCH
Artikelnummer: EB-0601121738-3605133010
nur Informationsartikel
Nie mehr lieferbar
keine Alternativen
Pos.
19
BOSCH Tülle Ø9,2-Ø12x120 MM | Ersatzteile für DRM 23/13 | 3600703011
Hersteller: BOSCH
Artikelnummer: EB-0601121738-3600703011
Netto: 4,80 € zzgl. MwSt.
zzgl. 6,90 € Versand (brutto)
einmalig pro Bestellung

Lieferzeit: 5 Werktage

Pos.
20
BOSCH Netzanschlussleitung J 5m 2 x 1,25mm PVC | Ersatzteile für DRM 23/13 | 1614460023
Hersteller: BOSCH
Artikelnummer: EB-0601121738-1614460023
nur Informationsartikel
Nie mehr lieferbar
keine Alternativen
Pos.
21
BOSCH Befestigungsschelle | Ersatzteile für DRM 23/13 | 1601302014
Hersteller: BOSCH
Artikelnummer: EB-0601121738-1601302014
Netto: 4,56 € zzgl. MwSt.
zzgl. 6,90 € Versand (brutto)
einmalig pro Bestellung

Lieferzeit: 5 Werktage

Pos.
22
BOSCH Schalter | Ersatzteile für DRM 23/13 | 1607200076
Hersteller: BOSCH
Artikelnummer: EB-0601121738-1607200076
Netto: 101,78 € zzgl. MwSt.
zzgl. 6,90 € Versand (brutto)
einmalig pro Bestellung

Lieferzeit: 5 Werktage

Pos.
24
BOSCH Entstörkondensator | Ersatzteile für DRM 23/13 | 1607328024
Hersteller: BOSCH
Artikelnummer: EB-0601121738-1607328024
nur Informationsartikel
Nie mehr lieferbar
keine Alternativen
Pos.
26
BOSCH Aderendhülse | Ersatzteile für DRM 23/13 | 3604477009
Hersteller: BOSCH
Artikelnummer: EB-0601121738-3604477009
Netto: 4,56 € zzgl. MwSt.
zzgl. 6,90 € Versand (brutto)
einmalig pro Bestellung

Lieferzeit: 5 Werktage

Pos.
27
BOSCH Typschild | Ersatzteile für DRM 23/13 | 160111A3H3
Hersteller: BOSCH
Artikelnummer: EB-0601121738-160111A3H3
Netto: 4,56 € zzgl. MwSt.
zzgl. 6,90 € Versand (brutto)
einmalig pro Bestellung

Lieferzeit: 5 Werktage

Pos.
28
BOSCH Firmenschild | Ersatzteile für DRM 23/13 | 1601110130
Hersteller: BOSCH
Artikelnummer: EB-0601121738-1601110130
nur Informationsartikel
Nie mehr lieferbar
keine Alternativen
Pos.
29
BOSCH Firmenschild | Ersatzteile für DRM 23/13 | 1601110005
Hersteller: BOSCH
Artikelnummer: EB-0601121738-1601110005
nur Informationsartikel
Nie mehr lieferbar
keine Alternativen
Pos.
30
BOSCH Luftleitring | Ersatzteile für DRM 23/13 | 1600502019
Hersteller: BOSCH
Artikelnummer: EB-0601121738-1600502019
Netto: 5,17 € zzgl. MwSt.
zzgl. 6,90 € Versand (brutto)
einmalig pro Bestellung

Lieferzeit: 5 Werktage

Pos.
31
BOSCH Zwischenring | Ersatzteile für DRM 23/13 | 1600206018
Hersteller: BOSCH
Artikelnummer: EB-0601121738-1600206018
nur Informationsartikel
Nie mehr lieferbar
keine Alternativen
Pos.
32
BOSCH Rillenkugellager 15x32x9 | Ersatzteile für DRM 23/13 | 1600905004
Hersteller: BOSCH
Artikelnummer: EB-0601121738-1600905004
nur Informationsartikel
Nie mehr lieferbar
keine Alternativen
Pos.
33
BOSCH Sprengring 35 DIN 9045 | Ersatzteile für DRM 23/13 | 2916600018
Hersteller: BOSCH
Artikelnummer: EB-0601121738-2916600018
Netto: 3,94 € zzgl. MwSt.
zzgl. 6,90 € Versand (brutto)
einmalig pro Bestellung

Lieferzeit: 5 Werktage

Pos.
34
BOSCH Abdeckscheibe | Ersatzteile für DRM 23/13 | 1600500023
Hersteller: BOSCH
Artikelnummer: EB-0601121738-1600500023
nur Informationsartikel
Nie mehr lieferbar
keine Alternativen
Pos.
35
BOSCH Filzscheibe | Ersatzteile für DRM 23/13 | 1600108003
Hersteller: BOSCH
Artikelnummer: EB-0601121738-1600108003
nur Informationsartikel
Nie mehr lieferbar
keine Alternativen
Pos.
36
BOSCH Zwischenring | Ersatzteile für DRM 23/13 | 1600202034
Hersteller: BOSCH
Artikelnummer: EB-0601121738-1600202034
nur Informationsartikel
Nie mehr lieferbar
keine Alternativen
Pos.
37
BOSCH Zwischenlager | Ersatzteile für DRM 23/13 | 3605820035
Hersteller: BOSCH
Artikelnummer: EB-0601121738-3605820035
nur Informationsartikel
Nie mehr lieferbar
keine Alternativen
Pos.
38
BOSCH Dichtplatte | Ersatzteile für DRM 23/13 | 1601015013
Hersteller: BOSCH
Artikelnummer: EB-0601121738-1601015013
Netto: 3,94 € zzgl. MwSt.
zzgl. 6,90 € Versand (brutto)
einmalig pro Bestellung

Lieferzeit: 5 Werktage

Pos.
39
BOSCH Zahnwelle Z=9 | Ersatzteile für DRM 23/13 | 1606309066
Hersteller: BOSCH
Artikelnummer: EB-0601121738-1606309066
Netto: 74,05 € zzgl. MwSt.
zzgl. 6,90 € Versand (brutto)
einmalig pro Bestellung

Lieferzeit: 5 Werktage

Pos.
40
BOSCH Druckfeder | Ersatzteile für DRM 23/13 | 1604611022
Hersteller: BOSCH
Artikelnummer: EB-0601121738-1604611022
Netto: 3,94 € zzgl. MwSt.
zzgl. 6,90 € Versand (brutto)
einmalig pro Bestellung

Lieferzeit: 5 Werktage

Pos.
41
BOSCH Kugel DIN 5401-5 G28 | Ersatzteile für DRM 23/13 | 1903230009
Hersteller: BOSCH
Artikelnummer: EB-0601121738-1903230009
Netto: 3,60 € zzgl. MwSt.
zzgl. 6,90 € Versand (brutto)
einmalig pro Bestellung

Lieferzeit: 5 Werktage

Pos.
42
BOSCH Stirnrad Z=32 | Ersatzteile für DRM 23/13 | 1606317074
Hersteller: BOSCH
Artikelnummer: EB-0601121738-1606317074
Netto: 26,41 € zzgl. MwSt.
zzgl. 6,90 € Versand (brutto)
einmalig pro Bestellung

Lieferzeit: 5 Werktage

Pos.
43
BOSCH Stirnrad Z=43 | Ersatzteile für DRM 23/13 | 1606317082
Hersteller: BOSCH
Artikelnummer: EB-0601121738-1606317082
Netto: 32,16 € zzgl. MwSt.
zzgl. 6,90 € Versand (brutto)
einmalig pro Bestellung

Lieferzeit: 5 Werktage

Pos.
44
BOSCH Nadelhülse | Ersatzteile für DRM 23/13 | 1600910013
Hersteller: BOSCH
Artikelnummer: EB-0601121738-1600910013
Netto: 6,75 € zzgl. MwSt.
zzgl. 6,90 € Versand (brutto)
einmalig pro Bestellung

Lieferzeit: 5 Werktage

Pos.
45
BOSCH Zahnradwelle Z=14/24/33 | Ersatzteile für DRM 23/13 | 1606309065
Hersteller: BOSCH
Artikelnummer: EB-0601121738-1606309065
Netto: 74,05 € zzgl. MwSt.
zzgl. 6,90 € Versand (brutto)
einmalig pro Bestellung

Lieferzeit: 5 Werktage

Pos.
46
BOSCH Ausgleichscheibe 0,5 MM DICK | Ersatzteile für DRM 23/13 | 1600100631
Hersteller: BOSCH
Artikelnummer: EB-0601121738-1600100631
Netto: 3,94 € zzgl. MwSt.
zzgl. 6,90 € Versand (brutto)
einmalig pro Bestellung

Lieferzeit: 5 Werktage

Pos.
47
BOSCH Ausgleichscheibe 0,6 MM DICK | Ersatzteile für DRM 23/13 | 1600101647
Hersteller: BOSCH
Artikelnummer: EB-0601121738-1600101647
Netto: 4,36 € zzgl. MwSt.
zzgl. 6,90 € Versand (brutto)
einmalig pro Bestellung

Lieferzeit: 5 Werktage

Pos.
48
BOSCH Schaltwelle Z=20 | Ersatzteile für DRM 23/13 | 1606325025
Hersteller: BOSCH
Artikelnummer: EB-0601121738-1606325025
Netto: 4,80 € zzgl. MwSt.
zzgl. 6,90 € Versand (brutto)
einmalig pro Bestellung

Lieferzeit: 5 Werktage

Pos.
49
BOSCH Rastplatte | Ersatzteile für DRM 23/13 | 1601038025
Hersteller: BOSCH
Artikelnummer: EB-0601121738-1601038025
Netto: 3,94 € zzgl. MwSt.
zzgl. 6,90 € Versand (brutto)
einmalig pro Bestellung

Lieferzeit: 5 Werktage

Pos.
50
BOSCH Schalthebel | Ersatzteile für DRM 23/13 | 1602026044
Hersteller: BOSCH
Artikelnummer: EB-0601121738-1602026044
Netto: 7,66 € zzgl. MwSt.
zzgl. 6,90 € Versand (brutto)
einmalig pro Bestellung

Lieferzeit: 5 Werktage

Pos.
51
BOSCH Schaltwelle Z=10 | Ersatzteile für DRM 23/13 | 1606325027
Hersteller: BOSCH
Artikelnummer: EB-0601121738-1606325027
Netto: 8,23 € zzgl. MwSt.
zzgl. 6,90 € Versand (brutto)
einmalig pro Bestellung

Lieferzeit: 5 Werktage

Pos.
52
BOSCH O-Ring 8x2,5 MM | Ersatzteile für DRM 23/13 | 1900210105
Hersteller: BOSCH
Artikelnummer: EB-0601121738-1900210105
Netto: 3,94 € zzgl. MwSt.
zzgl. 6,90 € Versand (brutto)
einmalig pro Bestellung

Lieferzeit: 5 Werktage

Pos.
53
BOSCH Hinweisschild | Ersatzteile für DRM 23/13 | 1601110127
Hersteller: BOSCH
Artikelnummer: EB-0601121738-1601110127
nur Informationsartikel
Nie mehr lieferbar
keine Alternativen
Pos.
54
BOSCH Nadellager Ø14 MM | Ersatzteile für DRM 23/13 | 2600910001
Hersteller: BOSCH
Artikelnummer: EB-0601121738-2600910001
nur Informationsartikel
Nie mehr lieferbar
keine Alternativen
Pos.
55
BOSCH Spindellager | Ersatzteile für DRM 23/13 | 1605806382
Hersteller: BOSCH
Artikelnummer: EB-0601121738-1605806382
Netto: 116,63 € zzgl. MwSt.
zzgl. 6,90 € Versand (brutto)
einmalig pro Bestellung

Lieferzeit: 5 Werktage

Pos.
56
BOSCH Bohrspindel | Ersatzteile für 1121.7 | 1606135017
Hersteller: BOSCH
Artikelnummer: EB-0601121738-1606135017
Netto: 60,23 € zzgl. MwSt.
zzgl. 6,90 € Versand (brutto)
einmalig pro Bestellung

Lieferzeit: 5 Werktage

Pos.
57
BOSCH Rillenkugellager 25x47x12 | Ersatzteile für DRM 23/13 | 1900905126
Hersteller: BOSCH
Artikelnummer: EB-0601121738-1900905126
Netto: 28,93 € zzgl. MwSt.
zzgl. 6,90 € Versand (brutto)
einmalig pro Bestellung

Lieferzeit: 5 Werktage

Pos.
58
BOSCH Sicherungsring DIN 471 25x1,2 | Ersatzteile für DRM 23/13 | 2916650014
Hersteller: BOSCH
Artikelnummer: EB-0601121738-2916650014
Netto: 3,94 € zzgl. MwSt.
zzgl. 6,90 € Versand (brutto)
einmalig pro Bestellung

Lieferzeit: 5 Werktage

Pos.
59
BOSCH Dichtring 20x31x7 MM | Ersatzteile für DRM 23/13 | 3600290035
Hersteller: BOSCH
Artikelnummer: EB-0601121738-3600290035
Netto: 11,58 € zzgl. MwSt.
zzgl. 6,90 € Versand (brutto)
einmalig pro Bestellung

Lieferzeit: 5 Werktage

Pos.
60
BOSCH Stirnrad | Ersatzteile für DRM 23/13 | 3606316108
Hersteller: BOSCH
Artikelnummer: EB-0601121738-3606316108
Netto: 28,93 € zzgl. MwSt.
zzgl. 6,90 € Versand (brutto)
einmalig pro Bestellung

Lieferzeit: 5 Werktage

Pos.
61
BOSCH Befestigungsflansch | Ersatzteile für DRM 23/13 | 1605703075
Hersteller: BOSCH
Artikelnummer: EB-0601121738-1605703075
Netto: 42,08 € zzgl. MwSt.
zzgl. 6,90 € Versand (brutto)
einmalig pro Bestellung

Lieferzeit: 5 Werktage

Pos.
64
BOSCH Handgriff 400 MM SCHWARZ | Ersatzteile für DRM 23/13 | 1600763010
Hersteller: BOSCH
Artikelnummer: EB-0601121738-1600763010
Netto: 35,13 € zzgl. MwSt.
zzgl. 6,90 € Versand (brutto)
einmalig pro Bestellung

Lieferzeit: 5 Werktage

Pos.
67
BOSCH Blechschraube 4,80x75 MM | Ersatzteile für DRM 23/13 | 3603435508
Hersteller: BOSCH
Artikelnummer: EB-0601121738-3603435508
nur Informationsartikel
Nie mehr lieferbar
keine Alternativen
Pos.
68
BOSCH Blechschraube 5x30 | Ersatzteile für DRM 23/13 | 3603435027
Hersteller: BOSCH
Artikelnummer: EB-0601121738-3603435027
Netto: 3,60 € zzgl. MwSt.
zzgl. 6,90 € Versand (brutto)
einmalig pro Bestellung

Lieferzeit: 5 Werktage

Pos.
69
BOSCH Torx-Linsenschraube | Ersatzteile für DRM 23/13 | 2914201529
Hersteller: BOSCH
Artikelnummer: EB-0601121738-2914201529
Netto: 3,60 € zzgl. MwSt.
zzgl. 6,90 € Versand (brutto)
einmalig pro Bestellung

Lieferzeit: 5 Werktage

Pos.
71
BOSCH Blechschraube B4,8x115 MM | Ersatzteile für DRM 23/13 | 1603435015
Hersteller: BOSCH
Artikelnummer: EB-0601121738-1603435015
nur Informationsartikel
Nie mehr lieferbar
keine Alternativen
Pos.
72
BOSCH Torx-Linsenschraube | Ersatzteile für 1121.7 | 2914201508
Hersteller: BOSCH
Artikelnummer: EB-0601121738-2914201508
Netto: 3,60 € zzgl. MwSt.
zzgl. 6,90 € Versand (brutto)
einmalig pro Bestellung

Lieferzeit: 5 Werktage

Pos.
73
BOSCH Blechschraube DIN 7971-BZ3,5x13 | Ersatzteile für DRM 23/13 | 2910211011
Hersteller: BOSCH
Artikelnummer: EB-0601121738-2910211011
Netto: 3,60 € zzgl. MwSt.
zzgl. 6,90 € Versand (brutto)
einmalig pro Bestellung

Lieferzeit: 5 Werktage

Pos.
74
BOSCH Zylinderschraube DIN 84-AM4x8-8.8 | Ersatzteile für DRM 23/13 | 2910021118
Hersteller: BOSCH
Artikelnummer: EB-0601121738-2910021118
nur Informationsartikel
Nie mehr lieferbar
keine Alternativen
Pos.
75
BOSCH Zylinderschraube DIN 84-AM4x6-8.8 | Ersatzteile für DRM 23/13 | 2910021116
Hersteller: BOSCH
Artikelnummer: EB-0601121738-2910021116
Netto: 4,36 € zzgl. MwSt.
zzgl. 6,90 € Versand (brutto)
einmalig pro Bestellung

Lieferzeit: 5 Werktage

Pos.
76
BOSCH Blechschraube DIN 7971-ST3,9X16-F | Ersatzteile für 1121.7 | 2910211019
Hersteller: BOSCH
Artikelnummer: EB-0601121738-2910211019
Netto: 3,60 € zzgl. MwSt.
zzgl. 6,90 € Versand (brutto)
einmalig pro Bestellung

Lieferzeit: 5 Werktage

Pos.
77
BOSCH Senkschraube DIN 63-AM4x10-5.8 | Ersatzteile für DRM 23/13 | 2910501120
Hersteller: BOSCH
Artikelnummer: EB-0601121738-2910501120
Netto: 3,60 € zzgl. MwSt.
zzgl. 6,90 € Versand (brutto)
einmalig pro Bestellung

Lieferzeit: 5 Werktage

Pos.
78
BOSCH Zylinderschraube DIN 84-AM5x12-8.8 | Ersatzteile für DRM 23/13 | 2910021154
Hersteller: BOSCH
Artikelnummer: EB-0601121738-2910021154
nur Informationsartikel
Nie mehr lieferbar
keine Alternativen
Pos.
79
BOSCH Sechskantmutter DIN 934 -M4-m-8 | Ersatzteile für DRM 23/13 | 2915011005
Hersteller: BOSCH
Artikelnummer: EB-0601121738-2915011005
Netto: 3,60 € zzgl. MwSt.
zzgl. 6,90 € Versand (brutto)
einmalig pro Bestellung

Lieferzeit: 5 Werktage

Pos.
800
BOSCH Handgriff | Ersatzteile für DRM 23/13 | 3605132031
Hersteller: BOSCH
Artikelnummer: EB-0601121738-3605132031
Netto: 26,41 € zzgl. MwSt.
zzgl. 6,90 € Versand (brutto)
einmalig pro Bestellung

Lieferzeit: 5 Werktage

Pos.
801
BOSCH Kohlebürstensatz | Ersatzteile für DRM 23/13 | 3607014012
Hersteller: BOSCH
Artikelnummer: EB-0601121738-3607014012
Netto: 20,80 € zzgl. MwSt.
zzgl. 6,90 € Versand (brutto)
einmalig pro Bestellung

Lieferzeit: 5 Werktage

Angaben zur Produktsicherheit

Hersteller:
Robert Bosch Power Tools GmbH
Postfach 30 02 20
70442 Stuttgart

E-Mail:
kontakt@bosch.de