BOSCH Feder | Ersatzteile für EASI TRAK 32 | F016L62860

Artikelnummer: EB-F016506042-F016L62860

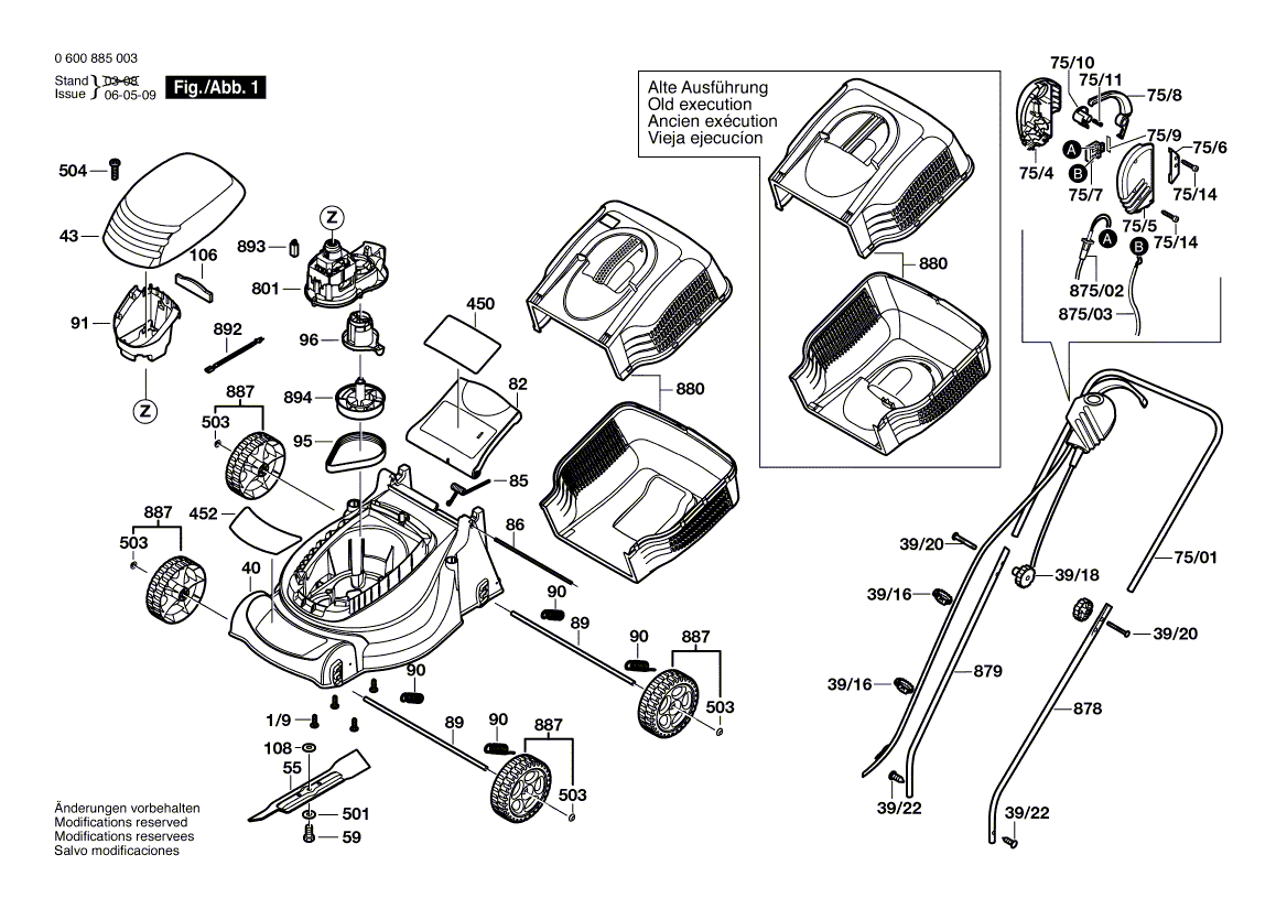
Position: 75/11

Marke: BOSCH


Bitte Kompatibilität prüfen!

Bitte prüfen Sie unbedingt die 10-stellige Typennummer Ihrer Maschine / Ihres Gerätes. Das Ersatzteil ist nur kompatibel, wenn Sie die Typennummer Ihrer Maschine in der unten stehenden Produktbeschreibung finden.

Bitte prüfen Sie ebenfalls detailliert die Explosionszeichnung mit Ihrem Artikelwunsch und der jeweiligen Pos-Nummer.

Alle Elemente, welche vom schwarzen Strich der Pos-Nummer ausgehend berührt / erfasst werden, gehören zu dieser Pos-Nummer und somit zu diesem Artikel. Jede Pos-Nummer ist ein eigenständiger Artikel, welchen Sie in der Auflistung finden.

Sie erhalten stets die aktuellste, neueste Produktversion zu der gewählten Pos-Nummer seitens des Herstellers. Es kann daher je nach Gerätealter vorkommen, dass Sie ggf. weitere, zugehörige Elemente, welche an diese Pos-Nummer grenzen, ebenfalls mittauschen müssen.

Nähere Informationen finden Sie unter dem Link
Hinweise zu Ihrer BOSCH Ersatzteilsuche

Preisübersicht

Einzelpreis: 3,60 €* (Brutto: 4,28 €)
Gesamtpreis: 3,60 €* 
Position:

Lieferzeit: 5 Werktage


Beschreibung

  • Feder
  • Original Bosch Zubehör / BOSCH Ersatzteil (F016L62860)
  • im Gerät verbaut: 1
Dieses BOSCH Ersatzteil ist mit folgendem Gerät und Modell kompatibel:
  • BOSCH Gerätename: EASI TRAK 32
  • BOSCH Explosionszeichnung: Position 75/11
  • BOSCH Typennummer: F016506042
  • BOSCH Typennummer alternative Schreibweisen: F 016 506 042, F016 506 042, F.016.506.042, F-016-506-042
    Bitte prüfen Sie diese Typennummer auf Ihrem Gerät um die Kompatibilität des BOSCH Ersatzteils zu gewährleisten.
Weitere BOSCH Ersatzteile des Gerätes EASI TRAK 32 (Rasenmäher) mit der Typennummer F016506042 finden Sie in der nachfolgenden Darstellung und im Dropdown zu Ihrer Auswahl:

Pos.
1/9
BOSCH Gewindeschneidschraube | Ersatzteile für EASI TRAK 32 | F016L37433
Hersteller: BOSCH
Artikelnummer: EB-F016506042-F016L37433
Netto: 3,60 € zzgl. MwSt.
zzgl. 6,90 € Versand (brutto)
einmalig pro Bestellung

Lieferzeit: 5 Werktage

Pos.
39/16
BOSCH Kabelhalter | Ersatzteile für EASI TRAK 32 | F016L11580
Hersteller: BOSCH
Artikelnummer: EB-F016506042-F016L11580
nur Informationsartikel
Nie mehr lieferbar
keine Alternativen
Pos.
39/18
BOSCH Spanngriff | Ersatzteile für EASI TRAK 32 | F016L66136
Hersteller: BOSCH
Artikelnummer: EB-F016506042-F016L66136
Netto: 5,65 € zzgl. MwSt.
zzgl. 6,90 € Versand (brutto)
einmalig pro Bestellung

Lieferzeit: 5 Werktage

Pos.
39/20
BOSCH Bolzen M6x50 | Ersatzteile für EASI TRAK 32 | F016L59277
Hersteller: BOSCH
Artikelnummer: EB-F016506042-F016L59277
nur Informationsartikel
Nie mehr lieferbar
keine Alternativen
Pos.
39/22
BOSCH Schraube M5x8 Csk Hd. | Ersatzteile für EASI TRAK 32 | F016L36542
Hersteller: BOSCH
Artikelnummer: EB-F016506042-F016L36542
Netto: 4,56 € zzgl. MwSt.
zzgl. 6,90 € Versand (brutto)
einmalig pro Bestellung

Lieferzeit: 5 Werktage

Pos.
75/01
BOSCH Handgriff | Ersatzteile für EASI TRAK 32 | F016L62792
Hersteller: BOSCH
Artikelnummer: EB-F016506042-F016L62792
Netto: 16,70 € zzgl. MwSt.
zzgl. 6,90 € Versand (brutto)
einmalig pro Bestellung

Lieferzeit: 5 Werktage

Pos.
75/10
BOSCH Druckknopf | Ersatzteile für EASI TRAK 32 | F016L66237
Hersteller: BOSCH
Artikelnummer: EB-F016506042-F016F05705
Netto: 4,54 € zzgl. MwSt.
zzgl. 6,90 € Versand (brutto)
einmalig pro Bestellung

Lieferzeit: 5 Werktage

Pos.
75/11
BOSCH Feder | Ersatzteile für EASI TRAK 32 | F016L62860
Hersteller: BOSCH
Artikelnummer: EB-F016506042-F016L62860
Netto: 3,60 € zzgl. MwSt.
zzgl. 6,90 € Versand (brutto)
einmalig pro Bestellung

Lieferzeit: 5 Werktage

Pos.
75/13
BOSCH Kondensator | Ersatzteile für EASI TRAK 32 | F016L36952
Hersteller: BOSCH
Artikelnummer: EB-F016506042-F016L36952
Netto: 3,60 € zzgl. MwSt.
zzgl. 6,90 € Versand (brutto)
einmalig pro Bestellung

Lieferzeit: 5 Werktage

Pos.
75/4
BOSCH Schaltergehäuse | Ersatzteile für EASI TRAK 32 | F016L66234
Hersteller: BOSCH
Artikelnummer: EB-F016506042-F016L66234
nur Informationsartikel
Nie mehr lieferbar
keine Alternativen
Pos.
75/5
BOSCH Schaltergehäuse | Ersatzteile für EASI TRAK 32 | F016L66235
Hersteller: BOSCH
Artikelnummer: EB-F016506042-F016L66235
Netto: 4,56 € zzgl. MwSt.
zzgl. 6,90 € Versand (brutto)
einmalig pro Bestellung

Lieferzeit: 5 Werktage

Pos.
75/6
BOSCH Klemmstück | Ersatzteile für EASI TRAK 32 | F016T56180
Hersteller: BOSCH
Artikelnummer: EB-F016506042-F016T56180
Netto: 6,27 € zzgl. MwSt.
zzgl. 6,90 € Versand (brutto)
einmalig pro Bestellung

Lieferzeit: 5 Werktage

Pos.
75/7
BOSCH Ein/Aus-Schalter | Ersatzteile für EASI TRAK 32 | F016F05717
Hersteller: BOSCH
Artikelnummer: EB-F016506042-F016F05717
Netto: 12,50 € zzgl. MwSt.
zzgl. 6,90 € Versand (brutto)
einmalig pro Bestellung

Lieferzeit: 5 Werktage

Pos.
75/8
BOSCH Stellhebel SCHWARZ | Ersatzteile für EASI TRAK 32 | F016L65676
Hersteller: BOSCH
Artikelnummer: EB-F016506042-F016L65676
nur Informationsartikel
Nie mehr lieferbar
keine Alternativen
Pos.
75/9
BOSCH Federhebel | Ersatzteile für EASI TRAK 32 | F016T49845
Hersteller: BOSCH
Artikelnummer: EB-F016506042-F016T49845
nur Informationsartikel
Nie mehr lieferbar
keine Alternativen
Pos.
875/02
BOSCH Netzanschlussleitung GB 22m 2 x 0,75mm without plug | Ersatzteile für EASI TRAK 32 | F016104085
Hersteller: BOSCH
Artikelnummer: EB-F016506042-F016104085
Netto: 25,97 € zzgl. MwSt.
zzgl. 6,90 € Versand (brutto)
einmalig pro Bestellung

Lieferzeit: 5 Werktage

Pos.
875/03
BOSCH Verbindungsleitung | Ersatzteile für EASI TRAK 32 | F016102936
Hersteller: BOSCH
Artikelnummer: EB-F016506042-F016102936
Netto: 9,75 € zzgl. MwSt.
zzgl. 6,90 € Versand (brutto)
einmalig pro Bestellung

Lieferzeit: 5 Werktage

Pos.
40
BOSCH Gehäuse | Ersatzteile für EASI TRAK 32 | F016L63501
Hersteller: BOSCH
Artikelnummer: EB-F016506042-F016L63501
nur Informationsartikel
Nie mehr lieferbar
keine Alternativen
Pos.
43
BOSCH Motorhaube | Ersatzteile für EASI TRAK 32 | F016L63502
Hersteller: BOSCH
Artikelnummer: EB-F016506042-F016L63502
nur Informationsartikel
Nie mehr lieferbar
keine Alternativen
Pos.
55
BOSCH Mähmesser | Ersatzteile für EASI-TRAK 32 | 1600A025F8
Hersteller: BOSCH
Artikelnummer: EB-F016506042-1600A025F8
Netto: 11,58 € zzgl. MwSt.
zzgl. 6,90 € Versand (brutto)
einmalig pro Bestellung

Lieferzeit: 5 Werktage

Pos.
55
BOSCH Mähmesser 320 MM | Ersatzteile für EASI TRAK 32 | F016L64191
Hersteller: BOSCH
Artikelnummer: EB-F016506042-F016L64191
nur Informationsartikel
Nie mehr lieferbar
keine Alternativen
Pos.
59
BOSCH Sechskantschraube M8x20 MM | Ersatzteile für EASI TRAK 32 | F016T48547
Hersteller: BOSCH
Artikelnummer: EB-F016506042-F016T48547
Netto: 4,56 € zzgl. MwSt.
zzgl. 6,90 € Versand (brutto)
einmalig pro Bestellung

Lieferzeit: 5 Werktage

Pos.
82
BOSCH Schutzlappen | Ersatzteile für EASI TRAK 32 | F016L65236
Hersteller: BOSCH
Artikelnummer: EB-F016506042-F016L65236
Netto: 9,75 € zzgl. MwSt.
zzgl. 6,90 € Versand (brutto)
einmalig pro Bestellung

Lieferzeit: 5 Werktage

Pos.
85
BOSCH Torsionsfeder | Ersatzteile für EASI TRAK 32 | F016L63964
Hersteller: BOSCH
Artikelnummer: EB-F016506042-F016L63964
nur Informationsartikel
Nie mehr lieferbar
keine Alternativen
Pos.
86
BOSCH Scharnierleiste | Ersatzteile für EASI TRAK 32 | F016L36504
Hersteller: BOSCH
Artikelnummer: EB-F016506042-F016L36504
Netto: 3,60 € zzgl. MwSt.
zzgl. 6,90 € Versand (brutto)
einmalig pro Bestellung

Lieferzeit: 5 Werktage

Pos.
89
BOSCH Achse | Ersatzteile für EASI TRAK 32 | F016L63658
Hersteller: BOSCH
Artikelnummer: EB-F016506042-F016L63658
nur Informationsartikel
Nie mehr lieferbar
keine Alternativen
Pos.
90
BOSCH Feder | Ersatzteile für EASI TRAK 32 | F016L62807
Hersteller: BOSCH
Artikelnummer: EB-F016506042-F016L62807
nur Informationsartikel
Nie mehr lieferbar
keine Alternativen
Pos.
91
BOSCH Gehäuse | Ersatzteile für EASI TRAK 32 | F016L64388
Hersteller: BOSCH
Artikelnummer: EB-F016506042-F016L64388
Netto: 3,60 € zzgl. MwSt.
zzgl. 6,90 € Versand (brutto)
einmalig pro Bestellung

Lieferzeit: 5 Werktage

Pos.
95
BOSCH Antriebsriemen z=7" | Ersatzteile für EASI TRAK 32 | F016L63607
Hersteller: BOSCH
Artikelnummer: EB-F016506042-F016L63607
nur Informationsartikel
Nie mehr lieferbar
keine Alternativen
Pos.
96
BOSCH Gurtspanner | Ersatzteile für EASI TRAK 32 | F016104211
Hersteller: BOSCH
Artikelnummer: EB-F016506042-F016104211
Netto: 9,05 € zzgl. MwSt.
zzgl. 6,90 € Versand (brutto)
einmalig pro Bestellung

Lieferzeit: 5 Werktage

Pos.
106
BOSCH Filterelement | Ersatzteile für EASI TRAK 32 | F016L64074
Hersteller: BOSCH
Artikelnummer: EB-F016506042-F016L64074
Netto: 3,60 € zzgl. MwSt.
zzgl. 6,90 € Versand (brutto)
einmalig pro Bestellung

Lieferzeit: 5 Werktage

Pos.
108
BOSCH Lagerdeckel | Ersatzteile für EASI TRAK 32 | F016L67627
Hersteller: BOSCH
Artikelnummer: EB-F016506042-F016L67627
nur Informationsartikel
Nie mehr lieferbar
keine Alternativen
Pos.
450
BOSCH Klebeschild | Ersatzteile für EASI TRAK 32 | F016L63011
Hersteller: BOSCH
Artikelnummer: EB-F016506042-F016L63011
nur Informationsartikel
Nie mehr lieferbar
keine Alternativen
Pos.
452
BOSCH Klebeschild | Ersatzteile für EASI TRAK 32 | F016L63512
Hersteller: BOSCH
Artikelnummer: EB-F016506042-F016L63512
nur Informationsartikel
Nie mehr lieferbar
keine Alternativen
Pos.
501
BOSCH Unterlegscheibe Ø8,15 SCHWARZ | Ersatzteile für EASI TRAK 32 | F016T48185
Hersteller: BOSCH
Artikelnummer: EB-F016506042-F016T48185
nur Informationsartikel
Nie mehr lieferbar
keine Alternativen
Pos.
503
BOSCH Sicherungskappe Ø8 MM SCHWARZ | Ersatzteile für EASI TRAK 32 | F016T48990
Hersteller: BOSCH
Artikelnummer: EB-F016506042-F016T48990
Netto: 3,60 € zzgl. MwSt.
zzgl. 6,90 € Versand (brutto)
einmalig pro Bestellung

Lieferzeit: 5 Werktage

Pos.
504
BOSCH Gewindeschneidschraube 4x19 MM | Ersatzteile für EASI TRAK 32 | F016T49429
Hersteller: BOSCH
Artikelnummer: EB-F016506042-F016T49429
Netto: 3,60 € zzgl. MwSt.
zzgl. 6,90 € Versand (brutto)
einmalig pro Bestellung

Lieferzeit: 5 Werktage

Pos.
801
BOSCH Elektromotor | Ersatzteile für EASI TRAK 32 | F016103803
Hersteller: BOSCH
Artikelnummer: EB-F016506042-F016103803
nur Informationsartikel
Nie mehr lieferbar
keine Alternativen
Pos.
878
BOSCH Handgriff | Ersatzteile für EASI TRAK 32 | F016102187
Hersteller: BOSCH
Artikelnummer: EB-F016506042-F016102187
Netto: 7,26 € zzgl. MwSt.
zzgl. 6,90 € Versand (brutto)
einmalig pro Bestellung

Lieferzeit: 5 Werktage

Pos.
879
BOSCH Handgriff | Ersatzteile für EASI TRAK 32 | F016102188
Hersteller: BOSCH
Artikelnummer: EB-F016506042-F016102188
Netto: 7,26 € zzgl. MwSt.
zzgl. 6,90 € Versand (brutto)
einmalig pro Bestellung

Lieferzeit: 5 Werktage

Pos.
880
BOSCH Fangkorb | Ersatzteile für EASI TRAK 32 | F016104018
Hersteller: BOSCH
Artikelnummer: EB-F016506042-F016104018
nur Informationsartikel
Nie mehr lieferbar
keine Alternativen
Pos.
887
BOSCH Rad | Ersatzteile für EASI TRAK 32 | F016102937
Hersteller: BOSCH
Artikelnummer: EB-F016506042-F016102937
nur Informationsartikel
Nie mehr lieferbar
keine Alternativen
Pos.
892
BOSCH Verbindungskabel | Ersatzteile für EASI TRAK 32 | F016102938
Hersteller: BOSCH
Artikelnummer: EB-F016506042-F016102938
nur Informationsartikel
Nie mehr lieferbar
keine Alternativen
Pos.
893
BOSCH Thermoschalter | Ersatzteile für EASI TRAK 32 | F016102939
Hersteller: BOSCH
Artikelnummer: EB-F016506042-F016102939
nur Informationsartikel
Nie mehr lieferbar
keine Alternativen
Pos.
894
BOSCH Antriebswelle 92,5 MM | Ersatzteile für EASI TRAK 32 | F016102940
Hersteller: BOSCH
Artikelnummer: EB-F016506042-F016102940
nur Informationsartikel
Nie mehr lieferbar
keine Alternativen

Angaben zur Produktsicherheit

Hersteller:
Robert Bosch Power Tools GmbH
Postfach 30 02 20
70442 Stuttgart

E-Mail:
kontakt@bosch.de