BOSCH Saugrohr | Ersatzteile für Easy Vac 3 | 1619PB0868

Artikelnummer: EB-3603CD10W0-1619PB0868

Position: 652

Marke: BOSCH


Bitte Kompatibilität prüfen!

Bitte prüfen Sie unbedingt die 10-stellige Typennummer Ihrer Maschine / Ihres Gerätes. Das Ersatzteil ist nur kompatibel, wenn Sie die Typennummer Ihrer Maschine in der unten stehenden Produktbeschreibung finden.

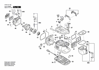
Bitte prüfen Sie ebenfalls detailliert die Explosionszeichnung mit Ihrem Artikelwunsch und der jeweiligen Pos-Nummer.

Alle Elemente, welche vom schwarzen Strich der Pos-Nummer ausgehend berührt / erfasst werden, gehören zu dieser Pos-Nummer und somit zu diesem Artikel. Jede Pos-Nummer ist ein eigenständiger Artikel, welchen Sie in der Auflistung finden.

Sie erhalten stets die aktuellste, neueste Produktversion zu der gewählten Pos-Nummer seitens des Herstellers. Es kann daher je nach Gerätealter vorkommen, dass Sie ggf. weitere, zugehörige Elemente, welche an diese Pos-Nummer grenzen, ebenfalls mittauschen müssen.

Nähere Informationen finden Sie unter dem Link
Hinweise zu Ihrer BOSCH Ersatzteilsuche

Preisübersicht

Einzelpreis: 5,19 €* (Brutto: 6,18 €)
Gesamtpreis: 5,19 €* 
Position:

Lieferzeit: 5 Werktage


Beschreibung

  • Saugrohr
  • Original Bosch Zubehör / BOSCH Ersatzteil (1619PB0868)
  • im Gerät verbaut: 1
Dieses BOSCH Ersatzteil ist mit folgendem Gerät und Modell kompatibel:
  • BOSCH Gerätename: Easy Vac 3
  • BOSCH Explosionszeichnung: Position 652
  • BOSCH Typennummer: 3603CD10W0
  • BOSCH Typennummer alternative Schreibweisen: 3 603 CD1 0W0, 3603 CD1 0W0, 3.603.CD1.0W0, 3-603-CD1-0W0
    Bitte prüfen Sie diese Typennummer auf Ihrem Gerät um die Kompatibilität des BOSCH Ersatzteils zu gewährleisten.
Weitere BOSCH Ersatzteile des Gerätes Easy Vac 3 (Allzwecksauger) mit der Typennummer 3603CD10W0 finden Sie in der nachfolgenden Darstellung und im Dropdown zu Ihrer Auswahl:

Pos.
1
BOSCH Motorgehäuse | Ersatzteile für Easy Vac 3 | 1619PB1297
Hersteller: BOSCH
Artikelnummer: EB-3603CD10W0-1619PB1297
Netto: 10,92 € zzgl. MwSt.
zzgl. 6,90 € Versand (brutto)
einmalig pro Bestellung

Lieferzeit: 5 Werktage

Pos.
4
BOSCH Ein/Aus-Schalter | Ersatzteile für Easy Vac 3 | 1619PB0799
Hersteller: BOSCH
Artikelnummer: EB-3603CD10W0-1619PB0799
Netto: 10,92 € zzgl. MwSt.
zzgl. 6,90 € Versand (brutto)
einmalig pro Bestellung

Lieferzeit: 5 Werktage

Pos.
5
BOSCH Netzanschlussleitung EU | Ersatzteile für Easy Vac 3 | 1619PB1275
Hersteller: BOSCH
Artikelnummer: EB-3603CD10W0-1619PB1275
nur Informationsartikel
Nie mehr lieferbar
keine Alternativen
Pos.
7
BOSCH Klemmstück | Ersatzteile für Easy Vac 3 | 1619PB1274
Hersteller: BOSCH
Artikelnummer: EB-3603CD10W0-1619PB1274
Netto: 3,63 € zzgl. MwSt.
zzgl. 6,90 € Versand (brutto)
einmalig pro Bestellung

Lieferzeit: 5 Werktage

Pos.
8
BOSCH Typschild | Ersatzteile für Easy Vac 3 | 1619PB1271
Hersteller: BOSCH
Artikelnummer: EB-3603CD10W0-1619PB1271
Netto: 4,53 € zzgl. MwSt.
zzgl. 6,90 € Versand (brutto)
einmalig pro Bestellung

Lieferzeit: 5 Werktage

Pos.
9
BOSCH Firmenschild EasyVac 3 | Ersatzteile für Easy Vac 3 | 1619PB1272
Hersteller: BOSCH
Artikelnummer: EB-3603CD10W0-1619PB1272
Netto: 4,53 € zzgl. MwSt.
zzgl. 6,90 € Versand (brutto)
einmalig pro Bestellung

Lieferzeit: 5 Werktage

Pos.
23
BOSCH Griff | Ersatzteile für Easy Vac 3 | 1619PB1277
Hersteller: BOSCH
Artikelnummer: EB-3603CD10W0-1619PB1277
Netto: 4,53 € zzgl. MwSt.
zzgl. 6,90 € Versand (brutto)
einmalig pro Bestellung

Lieferzeit: 5 Werktage

Pos.
24
BOSCH Blechschraube ST4x16mm | Ersatzteile für Easy Vac 3 | 1619PB1264
Hersteller: BOSCH
Artikelnummer: EB-3603CD10W0-1619PB1264
Netto: 3,63 € zzgl. MwSt.
zzgl. 6,90 € Versand (brutto)
einmalig pro Bestellung

Lieferzeit: 5 Werktage

Pos.
25
BOSCH Steckdose | Ersatzteile für Easy Vac 3 | 1619PB0817
Hersteller: BOSCH
Artikelnummer: EB-3603CD10W0-1619PB0817
Netto: 10,92 € zzgl. MwSt.
zzgl. 6,90 € Versand (brutto)
einmalig pro Bestellung

Lieferzeit: 5 Werktage

Pos.
27
BOSCH Gehäuseoberteil | Ersatzteile für Easy Vac 3 | 1619PB1281
Hersteller: BOSCH
Artikelnummer: EB-3603CD10W0-1619PB1281
Netto: 11,42 € zzgl. MwSt.
zzgl. 6,90 € Versand (brutto)
einmalig pro Bestellung

Lieferzeit: 5 Werktage

Pos.
29
BOSCH Adapter | Ersatzteile für Easy Vac 3 | 1619PB1283
Hersteller: BOSCH
Artikelnummer: EB-3603CD10W0-1619PB1283
Netto: 4,80 € zzgl. MwSt.
zzgl. 6,90 € Versand (brutto)
einmalig pro Bestellung

Lieferzeit: 5 Werktage

Pos.
32
BOSCH Gerätegehäuse | Ersatzteile für Easy Vac 3 | 1619PB1284
Hersteller: BOSCH
Artikelnummer: EB-3603CD10W0-1619PB1284
Netto: 14,92 € zzgl. MwSt.
zzgl. 6,90 € Versand (brutto)
einmalig pro Bestellung

Lieferzeit: 5 Werktage

Pos.
33
BOSCH Gehäuseunterteil | Ersatzteile für Easy Vac 3 | 1619PB1285
Hersteller: BOSCH
Artikelnummer: EB-3603CD10W0-1619PB1285
Netto: 10,47 € zzgl. MwSt.
zzgl. 6,90 € Versand (brutto)
einmalig pro Bestellung

Lieferzeit: 5 Werktage

Pos.
34
BOSCH Blechschraube ST4x16mm | Ersatzteile für Easy Vac 3 | 1619PB0824
Hersteller: BOSCH
Artikelnummer: EB-3603CD10W0-1619PB0824
Netto: 3,63 € zzgl. MwSt.
zzgl. 6,90 € Versand (brutto)
einmalig pro Bestellung

Lieferzeit: 5 Werktage

Pos.
35
BOSCH Gummiband | Ersatzteile für Easy Vac 3 | 1619PB1287
Hersteller: BOSCH
Artikelnummer: EB-3603CD10W0-1619PB1287
Netto: 6,15 € zzgl. MwSt.
zzgl. 6,90 € Versand (brutto)
einmalig pro Bestellung

Lieferzeit: 5 Werktage

Pos.
36
BOSCH Abdeckung | Ersatzteile für Easy Vac 3 | 1619PB1288
Hersteller: BOSCH
Artikelnummer: EB-3603CD10W0-1619PB1288
Netto: 4,32 € zzgl. MwSt.
zzgl. 6,90 € Versand (brutto)
einmalig pro Bestellung

Lieferzeit: 5 Werktage

Pos.
37
BOSCH Halterung | Ersatzteile für Easy Vac 3 | 1619PB1282
Hersteller: BOSCH
Artikelnummer: EB-3603CD10W0-1619PB1282
Netto: 3,94 € zzgl. MwSt.
zzgl. 6,90 € Versand (brutto)
einmalig pro Bestellung

Lieferzeit: 5 Werktage

Pos.
38
BOSCH Ventil | Ersatzteile für Easy Vac 3 | 1619PB1298
Hersteller: BOSCH
Artikelnummer: EB-3603CD10W0-1619PB1298
Netto: 4,33 € zzgl. MwSt.
zzgl. 6,90 € Versand (brutto)
einmalig pro Bestellung

Lieferzeit: 5 Werktage

Pos.
39
BOSCH Dichtung | Ersatzteile für Easy Vac 3 | 1619PB1286
Hersteller: BOSCH
Artikelnummer: EB-3603CD10W0-1619PB1286
Netto: 3,63 € zzgl. MwSt.
zzgl. 6,90 € Versand (brutto)
einmalig pro Bestellung

Lieferzeit: 5 Werktage

Pos.
40
BOSCH Dichtung | Ersatzteile für Easy Vac 3 | 1619PB0847
Hersteller: BOSCH
Artikelnummer: EB-3603CD10W0-1619PB0847
Netto: 3,63 € zzgl. MwSt.
zzgl. 6,90 € Versand (brutto)
einmalig pro Bestellung

Lieferzeit: 5 Werktage

Pos.
44
BOSCH Schwamm | Ersatzteile für Easy Vac 3 | 1619PB1289
Hersteller: BOSCH
Artikelnummer: EB-3603CD10W0-1619PB1289
Netto: 3,94 € zzgl. MwSt.
zzgl. 6,90 € Versand (brutto)
einmalig pro Bestellung

Lieferzeit: 5 Werktage

Pos.
46
BOSCH Gerätegehäuse | Ersatzteile für Easy Vac 3 | 1619PB1290
Hersteller: BOSCH
Artikelnummer: EB-3603CD10W0-1619PB1290
Netto: 8,13 € zzgl. MwSt.
zzgl. 6,90 € Versand (brutto)
einmalig pro Bestellung

Lieferzeit: 5 Werktage

Pos.
47
BOSCH Polster | Ersatzteile für Easy Vac 3 | 1619PB1291
Hersteller: BOSCH
Artikelnummer: EB-3603CD10W0-1619PB1291
Netto: 9,18 € zzgl. MwSt.
zzgl. 6,90 € Versand (brutto)
einmalig pro Bestellung

Lieferzeit: 5 Werktage

Pos.
48
BOSCH Dichtung | Ersatzteile für Easy Vac 3 | 1619PB1294
Hersteller: BOSCH
Artikelnummer: EB-3603CD10W0-1619PB1294
Netto: 3,94 € zzgl. MwSt.
zzgl. 6,90 € Versand (brutto)
einmalig pro Bestellung

Lieferzeit: 5 Werktage

Pos.
49
BOSCH Gerätegehäuse | Ersatzteile für Easy Vac 3 | 1619PB1292
Hersteller: BOSCH
Artikelnummer: EB-3603CD10W0-1619PB1292
Netto: 8,94 € zzgl. MwSt.
zzgl. 6,90 € Versand (brutto)
einmalig pro Bestellung

Lieferzeit: 5 Werktage

Pos.
50
BOSCH Gummi-Ohrkissen | Ersatzteile für Easy Vac 3 | 1619PB1293
Hersteller: BOSCH
Artikelnummer: EB-3603CD10W0-1619PB1293
Netto: 4,82 € zzgl. MwSt.
zzgl. 6,90 € Versand (brutto)
einmalig pro Bestellung

Lieferzeit: 5 Werktage

Pos.
51
BOSCH Motordeckel | Ersatzteile für Easy Vac 3 | 1619PB1296
Hersteller: BOSCH
Artikelnummer: EB-3603CD10W0-1619PB1296
Netto: 4,82 € zzgl. MwSt.
zzgl. 6,90 € Versand (brutto)
einmalig pro Bestellung

Lieferzeit: 5 Werktage

Pos.
55
BOSCH Draht | Ersatzteile für Easy Vac 3 | 1619PB1280
Hersteller: BOSCH
Artikelnummer: EB-3603CD10W0-1619PB1280
Netto: 8,13 € zzgl. MwSt.
zzgl. 6,90 € Versand (brutto)
einmalig pro Bestellung

Lieferzeit: 5 Werktage

Pos.
61
BOSCH Filter | Ersatzteile für Easy Vac 3 | 1619PB1301
Hersteller: BOSCH
Artikelnummer: EB-3603CD10W0-1619PB1301
Netto: 11,92 € zzgl. MwSt.
zzgl. 6,90 € Versand (brutto)
einmalig pro Bestellung

Lieferzeit: 5 Werktage

Pos.
67
BOSCH Filter | Ersatzteile für Easy Vac 3 | 1619PB1300
Hersteller: BOSCH
Artikelnummer: EB-3603CD10W0-1619PB1300
Netto: 5,67 € zzgl. MwSt.
zzgl. 6,90 € Versand (brutto)
einmalig pro Bestellung

Lieferzeit: 5 Werktage

Pos.
68
BOSCH Dichtschnur | Ersatzteile für Easy Vac 3 | 1619PB1303
Hersteller: BOSCH
Artikelnummer: EB-3603CD10W0-1619PB1303
Netto: 3,94 € zzgl. MwSt.
zzgl. 6,90 € Versand (brutto)
einmalig pro Bestellung

Lieferzeit: 5 Werktage

Pos.
69
BOSCH Kamerabezug | Ersatzteile für Easy Vac 3 | 1619PB1302
Hersteller: BOSCH
Artikelnummer: EB-3603CD10W0-1619PB1302
Netto: 5,19 € zzgl. MwSt.
zzgl. 6,90 € Versand (brutto)
einmalig pro Bestellung

Lieferzeit: 5 Werktage

Pos.
81
BOSCH Schlauch | Ersatzteile für Easy Vac 3 | 1619PB0784
Hersteller: BOSCH
Artikelnummer: EB-3603CD10W0-1619PB0784
Netto: 21,16 € zzgl. MwSt.
zzgl. 6,90 € Versand (brutto)
einmalig pro Bestellung

Lieferzeit: 5 Werktage

Pos.
82
BOSCH Spannring | Ersatzteile für Easy Vac 3 | 1619PB0872
Hersteller: BOSCH
Artikelnummer: EB-3603CD10W0-1619PB0872
Netto: 3,94 € zzgl. MwSt.
zzgl. 6,90 € Versand (brutto)
einmalig pro Bestellung

Lieferzeit: 5 Werktage

Pos.
651
BOSCH Adapter | Ersatzteile für Easy Vac 3 | 1619PB0871
Hersteller: BOSCH
Artikelnummer: EB-3603CD10W0-1619PB0871
Netto: 4,82 € zzgl. MwSt.
zzgl. 6,90 € Versand (brutto)
einmalig pro Bestellung

Lieferzeit: 5 Werktage

Pos.
652
BOSCH Saugrohr | Ersatzteile für Easy Vac 3 | 1619PB0868
Hersteller: BOSCH
Artikelnummer: EB-3603CD10W0-1619PB0868
Netto: 5,19 € zzgl. MwSt.
zzgl. 6,90 € Versand (brutto)
einmalig pro Bestellung

Lieferzeit: 5 Werktage

Pos.
654
BOSCH Fugendüse | Ersatzteile für Easy Vac 3 | 1619PB0870
Hersteller: BOSCH
Artikelnummer: EB-3603CD10W0-1619PB0870
Netto: 5,19 € zzgl. MwSt.
zzgl. 6,90 € Versand (brutto)
einmalig pro Bestellung

Lieferzeit: 5 Werktage

Pos.
660
BOSCH Teppichdüse | Ersatzteile für Easy Vac 3 | 1619PB0788
Hersteller: BOSCH
Artikelnummer: EB-3603CD10W0-1619PB0788
Netto: 4,32 € zzgl. MwSt.
zzgl. 6,90 € Versand (brutto)
einmalig pro Bestellung

Lieferzeit: 5 Werktage

Pos.
661
BOSCH Staubbeutel | Ersatzteile für Easy Vac 3 | 1619PB1304
Hersteller: BOSCH
Artikelnummer: EB-3603CD10W0-1619PB1304
Netto: 4,82 € zzgl. MwSt.
zzgl. 6,90 € Versand (brutto)
einmalig pro Bestellung

Lieferzeit: 5 Werktage

Pos.
803
BOSCH Motor | Ersatzteile für Easy Vac 3 | 1619PB1295
Hersteller: BOSCH
Artikelnummer: EB-3603CD10W0-1619PB1295
Netto: 47,09 € zzgl. MwSt.
zzgl. 6,90 € Versand (brutto)
einmalig pro Bestellung

Lieferzeit: 5 Werktage

Pos.
842
BOSCH Leiterplatte | Ersatzteile für Easy Vac 3 | 1619PB0820
Hersteller: BOSCH
Artikelnummer: EB-3603CD10W0-1619PB0820
Netto: 26,88 € zzgl. MwSt.
zzgl. 6,90 € Versand (brutto)
einmalig pro Bestellung

Lieferzeit: 5 Werktage

Pos.
862
BOSCH Staubbehaelter | Ersatzteile für Easy Vac 3 | 1619PB1299
Hersteller: BOSCH
Artikelnummer: EB-3603CD10W0-1619PB1299
Netto: 19,18 € zzgl. MwSt.
zzgl. 6,90 € Versand (brutto)
einmalig pro Bestellung

Lieferzeit: 5 Werktage

Angaben zur Produktsicherheit

Hersteller:
Robert Bosch Power Tools GmbH
Postfach 30 02 20
70442 Stuttgart

E-Mail:
kontakt@bosch.de