BOSCH Rillenkugellager | Ersatzteile für EasyImpact 570 | 1619P04223

Artikelnummer: EB-3603A33221-1619P04223

Position: 14

Marke: BOSCH


Bitte Kompatibilität prüfen!

Bitte prüfen Sie unbedingt die 10-stellige Typennummer Ihrer Maschine / Ihres Gerätes. Das Ersatzteil ist nur kompatibel, wenn Sie die Typennummer Ihrer Maschine in der unten stehenden Produktbeschreibung finden.

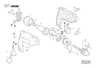
Bitte prüfen Sie ebenfalls detailliert die Explosionszeichnung mit Ihrem Artikelwunsch und der jeweiligen Pos-Nummer.

Alle Elemente, welche vom schwarzen Strich der Pos-Nummer ausgehend berührt / erfasst werden, gehören zu dieser Pos-Nummer und somit zu diesem Artikel. Jede Pos-Nummer ist ein eigenständiger Artikel, welchen Sie in der Auflistung finden.

Sie erhalten stets die aktuellste, neueste Produktversion zu der gewählten Pos-Nummer seitens des Herstellers. Es kann daher je nach Gerätealter vorkommen, dass Sie ggf. weitere, zugehörige Elemente, welche an diese Pos-Nummer grenzen, ebenfalls mittauschen müssen.

Nähere Informationen finden Sie unter dem Link
Hinweise zu Ihrer BOSCH Ersatzteilsuche

Preisübersicht

Einzelpreis: 3,94 €* (Brutto: 4,69 €)
Gesamtpreis: 3,94 €* 
Position:

Lieferzeit: 5 Werktage


Beschreibung

  • Rillenkugellager
  • Original Bosch Zubehör / BOSCH Ersatzteil (1619P04223)
  • im Gerät verbaut: 1
Dieses BOSCH Ersatzteil ist mit folgendem Gerät und Modell kompatibel:
  • BOSCH Gerätename: EasyImpact 570
  • BOSCH Explosionszeichnung: Position 14
  • BOSCH Typennummer: 3603A33221
  • BOSCH Typennummer alternative Schreibweisen: 3 603 A33 221, 3603 A33 221, 3.603.A33.221, 3-603-A33-221
    Bitte prüfen Sie diese Typennummer auf Ihrem Gerät um die Kompatibilität des BOSCH Ersatzteils zu gewährleisten.
Weitere BOSCH Ersatzteile des Gerätes EasyImpact 570 (Schlagbohrmaschine) mit der Typennummer 3603A33221 finden Sie in der nachfolgenden Darstellung und im Dropdown zu Ihrer Auswahl:

Pos.
1
BOSCH Gehäuse | Ersatzteile für EasyImpact 570 | 1619P04360
Hersteller: BOSCH
Artikelnummer: EB-3603A33221-1619P04360
Netto: 10,92 € zzgl. MwSt.
zzgl. 6,90 € Versand (brutto)
einmalig pro Bestellung

Lieferzeit: 5 Werktage

Pos.
75/1
BOSCH Bohrfutterschlüssel SG2 | Ersatzteile für EasyImpact 570 | 2607950007
Hersteller: BOSCH
Artikelnummer: EB-3603A33221-2607950007
Netto: 7,30 € zzgl. MwSt.
zzgl. 6,90 € Versand (brutto)
einmalig pro Bestellung

Lieferzeit: 5 Werktage

Pos.
2
BOSCH Polschuh | Ersatzteile für EasyImpact 570 | 1619P04216
Hersteller: BOSCH
Artikelnummer: EB-3603A33221-1619P04216
Netto: 14,36 € zzgl. MwSt.
zzgl. 6,90 € Versand (brutto)
einmalig pro Bestellung

Lieferzeit: 5 Werktage

Pos.
3
BOSCH Anker | Ersatzteile für EasyImpact 570 | 1619P04217
Hersteller: BOSCH
Artikelnummer: EB-3603A33221-1619P04217
Netto: 17,38 € zzgl. MwSt.
zzgl. 6,90 € Versand (brutto)
einmalig pro Bestellung

Lieferzeit: 5 Werktage

Pos.
4
BOSCH Schalter | Ersatzteile für EasyImpact 570 | 2607200655
Hersteller: BOSCH
Artikelnummer: EB-3603A33221-2607200655
Netto: 11,92 € zzgl. MwSt.
zzgl. 6,90 € Versand (brutto)
einmalig pro Bestellung

Lieferzeit: 5 Werktage

Pos.
5
BOSCH Netzanschlussleitung | Ersatzteile für EasyImpact 570 | 1619P04257
Hersteller: BOSCH
Artikelnummer: EB-3603A33221-1619P04257
Netto: 7,30 € zzgl. MwSt.
zzgl. 6,90 € Versand (brutto)
einmalig pro Bestellung

Lieferzeit: 5 Werktage

Pos.
6
BOSCH Tülle | Ersatzteile für EasyImpact 570 | 1619P04219
Hersteller: BOSCH
Artikelnummer: EB-3603A33221-1619P04219
Netto: 3,63 € zzgl. MwSt.
zzgl. 6,90 € Versand (brutto)
einmalig pro Bestellung

Lieferzeit: 5 Werktage

Pos.
13
BOSCH Rillenkugellager | Ersatzteile für EasyImpact 570 | 1619P04222
Hersteller: BOSCH
Artikelnummer: EB-3603A33221-1619P04222
Netto: 3,94 € zzgl. MwSt.
zzgl. 6,90 € Versand (brutto)
einmalig pro Bestellung

Lieferzeit: 5 Werktage

Pos.
14
BOSCH Rillenkugellager | Ersatzteile für EasyImpact 570 | 1619P04223
Hersteller: BOSCH
Artikelnummer: EB-3603A33221-1619P04223
Netto: 3,94 € zzgl. MwSt.
zzgl. 6,90 € Versand (brutto)
einmalig pro Bestellung

Lieferzeit: 5 Werktage

Pos.
15
BOSCH Ring | Ersatzteile für EasyImpact 570 | 1619P04361
Hersteller: BOSCH
Artikelnummer: EB-3603A33221-1619P04361
Netto: 3,63 € zzgl. MwSt.
zzgl. 6,90 € Versand (brutto)
einmalig pro Bestellung

Lieferzeit: 5 Werktage

Pos.
19
BOSCH Torx-Linsenschraube | Ersatzteile für EasyImpact 570 | 1619PA0683
Hersteller: BOSCH
Artikelnummer: EB-3603A33221-1619PA0683
Netto: 3,63 € zzgl. MwSt.
zzgl. 6,90 € Versand (brutto)
einmalig pro Bestellung

Lieferzeit: 5 Werktage

Pos.
25
BOSCH Hebel | Ersatzteile für EasyImpact 570 | 1600A02438
Hersteller: BOSCH
Artikelnummer: EB-3603A33221-1600A02438
Netto: 3,63 € zzgl. MwSt.
zzgl. 6,90 € Versand (brutto)
einmalig pro Bestellung

Lieferzeit: 5 Werktage

Pos.
39
BOSCH Ring | Ersatzteile für EasyImpact 570 | 1619P04236
Hersteller: BOSCH
Artikelnummer: EB-3603A33221-1619P04236
Netto: 3,63 € zzgl. MwSt.
zzgl. 6,90 € Versand (brutto)
einmalig pro Bestellung

Lieferzeit: 5 Werktage

Pos.
45
BOSCH Kamerabezug | Ersatzteile für EasyImpact 570 | 1619P04237
Hersteller: BOSCH
Artikelnummer: EB-3603A33221-1619P04237
Netto: 3,63 € zzgl. MwSt.
zzgl. 6,90 € Versand (brutto)
einmalig pro Bestellung

Lieferzeit: 5 Werktage

Pos.
75
BOSCH Zahnkranzbohrfutter | Ersatzteile für EasyImpact 570 | 2609000990
Hersteller: BOSCH
Artikelnummer: EB-3603A33221-2609000990
Netto: 19,18 € zzgl. MwSt.
zzgl. 6,90 € Versand (brutto)
einmalig pro Bestellung

Lieferzeit: 5 Werktage

Pos.
651
BOSCH Tiefenanschlag | Ersatzteile für EasyImpact 570 | 1619P04238
Hersteller: BOSCH
Artikelnummer: EB-3603A33221-1619P04238
Netto: 3,63 € zzgl. MwSt.
zzgl. 6,90 € Versand (brutto)
einmalig pro Bestellung

Lieferzeit: 5 Werktage

Pos.
652
BOSCH Zusatzhandgriff | Ersatzteile für EasyImpact 570 | 2609199582
Hersteller: BOSCH
Artikelnummer: EB-3603A33221-2609199582
Netto: 7,76 € zzgl. MwSt.
zzgl. 6,90 € Versand (brutto)
einmalig pro Bestellung

Lieferzeit: 5 Werktage

Pos.
691
BOSCH Schnappverschluss | Ersatzteile für EasyImpact 570 | 1619P04252
Hersteller: BOSCH
Artikelnummer: EB-3603A33221-1619P04252
Netto: 3,63 € zzgl. MwSt.
zzgl. 6,90 € Versand (brutto)
einmalig pro Bestellung

Lieferzeit: 5 Werktage

Pos.
808
BOSCH Typschild | Ersatzteile für EasyImpact 570 | 1619P04245
Hersteller: BOSCH
Artikelnummer: EB-3603A33221-1619P04245
Nie mehr lieferbar
keine Alternativen
Pos.
810
BOSCH Kohlebürstensatz | Ersatzteile für EasyImpact 570 | 1619P04220
Hersteller: BOSCH
Artikelnummer: EB-3603A33221-1619P04220
Netto: 5,19 € zzgl. MwSt.
zzgl. 6,90 € Versand (brutto)
einmalig pro Bestellung

Lieferzeit: 5 Werktage

Pos.
816
BOSCH Bürstenplatte | Ersatzteile für EasyImpact 570 | 1619P04253
Hersteller: BOSCH
Artikelnummer: EB-3603A33221-1619P04253
Netto: 6,70 € zzgl. MwSt.
zzgl. 6,90 € Versand (brutto)
einmalig pro Bestellung

Lieferzeit: 5 Werktage

Pos.
831
BOSCH Umschalter | Ersatzteile für EasyImpact 570 | 1619P04254
Hersteller: BOSCH
Artikelnummer: EB-3603A33221-1619P04254
Netto: 3,63 € zzgl. MwSt.
zzgl. 6,90 € Versand (brutto)
einmalig pro Bestellung

Lieferzeit: 5 Werktage

Pos.
834
BOSCH Lagerbrücke | Ersatzteile für EasyImpact 570 | 1619P04255
Hersteller: BOSCH
Artikelnummer: EB-3603A33221-1619P04255
Netto: 6,15 € zzgl. MwSt.
zzgl. 6,90 € Versand (brutto)
einmalig pro Bestellung

Lieferzeit: 5 Werktage

Pos.
836
BOSCH Bohrspindel | Ersatzteile für EasyImpact 570 | 1619P04256
Hersteller: BOSCH
Artikelnummer: EB-3603A33221-1619P04256
Netto: 17,38 € zzgl. MwSt.
zzgl. 6,90 € Versand (brutto)
einmalig pro Bestellung

Lieferzeit: 5 Werktage

Pos.
895
BOSCH Fetttube ALBIDA | Ersatzteile für EasyImpact 570 | 3605430003
Hersteller: BOSCH
Artikelnummer: EB-3603A33221-3605430003
Netto: 24,13 € zzgl. MwSt.
zzgl. 6,90 € Versand (brutto)
einmalig pro Bestellung

Lieferzeit: 5 Werktage

Angaben zur Produktsicherheit

Hersteller:
Robert Bosch Power Tools GmbH
Postfach 30 02 20
70442 Stuttgart

E-Mail:
kontakt@bosch.de