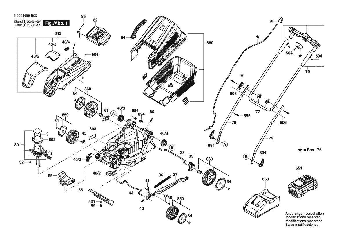
BOSCH Haltearm | Ersatzteile für EasyRotak 36-550 | F016F05606

Artikelnummer: EB-3600HB9B00-F016F05606

Position: 40/3

Marke: BOSCH


Bitte Kompatibilität prüfen!

Bitte prüfen Sie unbedingt die 10-stellige Typennummer Ihrer Maschine / Ihres Gerätes. Das Ersatzteil ist nur kompatibel, wenn Sie die Typennummer Ihrer Maschine in der unten stehenden Produktbeschreibung finden.

Bitte prüfen Sie ebenfalls detailliert die Explosionszeichnung mit Ihrem Artikelwunsch und der jeweiligen Pos-Nummer.

Alle Elemente, welche vom schwarzen Strich der Pos-Nummer ausgehend berührt / erfasst werden, gehören zu dieser Pos-Nummer und somit zu diesem Artikel. Jede Pos-Nummer ist ein eigenständiger Artikel, welchen Sie in der Auflistung finden.

Sie erhalten stets die aktuellste, neueste Produktversion zu der gewählten Pos-Nummer seitens des Herstellers. Es kann daher je nach Gerätealter vorkommen, dass Sie ggf. weitere, zugehörige Elemente, welche an diese Pos-Nummer grenzen, ebenfalls mittauschen müssen.

Nähere Informationen finden Sie unter dem Link
Hinweise zu Ihrer BOSCH Ersatzteilsuche

Preisübersicht

Einzelpreis: 4,82 €* (Brutto: 5,74 €)
Gesamtpreis: 4,82 €* 
Position:

Lieferzeit: 5 Werktage


Beschreibung

  • Haltearm
  • Original Bosch Zubehör / BOSCH Ersatzteil (F016F05606)
  • im Gerät verbaut: 1
Dieses BOSCH Ersatzteil ist mit folgendem Gerät und Modell kompatibel:
  • BOSCH Gerätename: EasyRotak 36-550
  • BOSCH Explosionszeichnung: Position 40/3
  • BOSCH Typennummer: 3600HB9B00
  • BOSCH Typennummer alternative Schreibweisen: 3 600 HB9 B00, 3600 HB9 B00, 3.600.HB9.B00, 3-600-HB9-B00
    Bitte prüfen Sie diese Typennummer auf Ihrem Gerät um die Kompatibilität des BOSCH Ersatzteils zu gewährleisten.
Weitere BOSCH Ersatzteile des Gerätes EasyRotak 36-550 (Rasenmäher) mit der Typennummer 3600HB9B00 finden Sie in der nachfolgenden Darstellung und im Dropdown zu Ihrer Auswahl:

Pos.
40/2
BOSCH Abdeckplatte | Ersatzteile für EasyRotak 36-550 | F016F05605
Hersteller: BOSCH
Artikelnummer: EB-3600HB9B00-F016F05605
Netto: 3,63 € zzgl. MwSt.
zzgl. 6,90 € Versand (brutto)
einmalig pro Bestellung

Lieferzeit: 5 Werktage

Pos.
40/3
BOSCH Haltearm | Ersatzteile für EasyRotak 36-550 | F016F05606
Hersteller: BOSCH
Artikelnummer: EB-3600HB9B00-F016F05606
Netto: 4,82 € zzgl. MwSt.
zzgl. 6,90 € Versand (brutto)
einmalig pro Bestellung

Lieferzeit: 5 Werktage

Pos.
43/4
BOSCH Schlüssel | Ersatzteile für EasyRotak 36-550 | F016L90054
Hersteller: BOSCH
Artikelnummer: EB-3600HB9B00-F016L90054
Netto: 7,76 € zzgl. MwSt.
zzgl. 6,90 € Versand (brutto)
einmalig pro Bestellung

Lieferzeit: 5 Werktage

Pos.
43/5
BOSCH Ziergitter | Ersatzteile für EasyRotak 36-550 | F016F05611
Hersteller: BOSCH
Artikelnummer: EB-3600HB9B00-F016F05611
Netto: 3,94 € zzgl. MwSt.
zzgl. 6,90 € Versand (brutto)
einmalig pro Bestellung

Lieferzeit: 5 Werktage

Pos.
43/6
BOSCH Abdeckung | Ersatzteile für EasyRotak 36-550 | F016F05612
Hersteller: BOSCH
Artikelnummer: EB-3600HB9B00-F016F05612
Netto: 9,18 € zzgl. MwSt.
zzgl. 6,90 € Versand (brutto)
einmalig pro Bestellung

Lieferzeit: 5 Werktage

Pos.
3
BOSCH Gewindefurchschraube M4X8 | Ersatzteile für EasyRotak 36-550 | 2603410048
Hersteller: BOSCH
Artikelnummer: EB-3600HB9B00-2603410048
Netto: 3,94 € zzgl. MwSt.
zzgl. 6,90 € Versand (brutto)
einmalig pro Bestellung

Lieferzeit: 5 Werktage

Pos.
32
BOSCH Gewindefurchschraube | Ersatzteile für EasyRotak 36-550 | F016F05603
Hersteller: BOSCH
Artikelnummer: EB-3600HB9B00-F016F05603
Netto: 3,63 € zzgl. MwSt.
zzgl. 6,90 € Versand (brutto)
einmalig pro Bestellung

Lieferzeit: 5 Werktage

Pos.
33
BOSCH Achse | Ersatzteile für EasyRotak 36-550 | F016F04708
Hersteller: BOSCH
Artikelnummer: EB-3600HB9B00-F016F04708
Netto: 6,15 € zzgl. MwSt.
zzgl. 6,90 € Versand (brutto)
einmalig pro Bestellung

Lieferzeit: 5 Werktage

Pos.
34
BOSCH Abdeckung | Ersatzteile für EasyRotak 36-550 | F016F04713
Hersteller: BOSCH
Artikelnummer: EB-3600HB9B00-F016F04713
Netto: 3,94 € zzgl. MwSt.
zzgl. 6,90 € Versand (brutto)
einmalig pro Bestellung

Lieferzeit: 5 Werktage

Pos.
35
BOSCH Klemmhebel | Ersatzteile für EasyRotak 36-550 | F016F04711
Hersteller: BOSCH
Artikelnummer: EB-3600HB9B00-F016F04711
Netto: 3,94 € zzgl. MwSt.
zzgl. 6,90 € Versand (brutto)
einmalig pro Bestellung

Lieferzeit: 5 Werktage

Pos.
36
BOSCH Feder | Ersatzteile für EasyRotak 36-550 | F016F04714
Hersteller: BOSCH
Artikelnummer: EB-3600HB9B00-F016F04714
Netto: 3,94 € zzgl. MwSt.
zzgl. 6,90 € Versand (brutto)
einmalig pro Bestellung

Lieferzeit: 5 Werktage

Pos.
37
BOSCH Lenkhebel | Ersatzteile für EasyRotak 36-550 | F016F04715
Hersteller: BOSCH
Artikelnummer: EB-3600HB9B00-F016F04715
Netto: 5,19 € zzgl. MwSt.
zzgl. 6,90 € Versand (brutto)
einmalig pro Bestellung

Lieferzeit: 5 Werktage

Pos.
38
BOSCH Scheibe | Ersatzteile für EasyRotak 36-550 | F016F04716
Hersteller: BOSCH
Artikelnummer: EB-3600HB9B00-F016F04716
Netto: 3,63 € zzgl. MwSt.
zzgl. 6,90 € Versand (brutto)
einmalig pro Bestellung

Lieferzeit: 5 Werktage

Pos.
39
BOSCH Schraube | Ersatzteile für EasyRotak 36-550 | F016F04717
Hersteller: BOSCH
Artikelnummer: EB-3600HB9B00-F016F04717
Netto: 3,63 € zzgl. MwSt.
zzgl. 6,90 € Versand (brutto)
einmalig pro Bestellung

Lieferzeit: 5 Werktage

Pos.
41
BOSCH Hebel | Ersatzteile für EasyRotak 36-550 | F016F05610
Hersteller: BOSCH
Artikelnummer: EB-3600HB9B00-F016F05610
Netto: 4,32 € zzgl. MwSt.
zzgl. 6,90 € Versand (brutto)
einmalig pro Bestellung

Lieferzeit: 5 Werktage

Pos.
42
BOSCH Blattfeder | Ersatzteile für EasyRotak 36-550 | F016F04718
Hersteller: BOSCH
Artikelnummer: EB-3600HB9B00-F016F04718
Netto: 3,63 € zzgl. MwSt.
zzgl. 6,90 € Versand (brutto)
einmalig pro Bestellung

Lieferzeit: 5 Werktage

Pos.
44
BOSCH Achse | Ersatzteile für EasyRotak 36-550 | F016F04709
Hersteller: BOSCH
Artikelnummer: EB-3600HB9B00-F016F04709
Netto: 6,70 € zzgl. MwSt.
zzgl. 6,90 € Versand (brutto)
einmalig pro Bestellung

Lieferzeit: 5 Werktage

Pos.
45
BOSCH Distanzstück | Ersatzteile für EasyRotak 36-550 | F016F04721
Hersteller: BOSCH
Artikelnummer: EB-3600HB9B00-F016F04721
Netto: 3,63 € zzgl. MwSt.
zzgl. 6,90 € Versand (brutto)
einmalig pro Bestellung

Lieferzeit: 5 Werktage

Pos.
55
BOSCH Mähmesser 37 CM | Ersatzteile für EasyRotak 36-550 | F016L72363
Hersteller: BOSCH
Artikelnummer: EB-3600HB9B00-F016L72363
Netto: 21,16 € zzgl. MwSt.
zzgl. 6,90 € Versand (brutto)
einmalig pro Bestellung

Lieferzeit: 5 Werktage

Pos.
59
BOSCH Sechskantschraube | Ersatzteile für EasyRotak 36-550 | F016F05604
Hersteller: BOSCH
Artikelnummer: EB-3600HB9B00-F016F05604
Netto: 3,63 € zzgl. MwSt.
zzgl. 6,90 € Versand (brutto)
einmalig pro Bestellung

Lieferzeit: 5 Werktage

Pos.
64
BOSCH Rastkappe | Ersatzteile für EasyRotak 36-550 | F016F05700
Hersteller: BOSCH
Artikelnummer: EB-3600HB9B00-F016F05700
Netto: 3,63 € zzgl. MwSt.
zzgl. 6,90 € Versand (brutto)
einmalig pro Bestellung

Lieferzeit: 5 Werktage

Pos.
75
BOSCH Schalterzusammenbau | Ersatzteile für EasyRotak 36-550 | F016105448
Hersteller: BOSCH
Artikelnummer: EB-3600HB9B00-F016105448
Netto: 24,13 € zzgl. MwSt.
zzgl. 6,90 € Versand (brutto)
einmalig pro Bestellung

Lieferzeit: 5 Werktage

Pos.
76
BOSCH Verdrahtungseinheit | Ersatzteile für EasyRotak 36-550 | F016F05618
Hersteller: BOSCH
Artikelnummer: EB-3600HB9B00-F016F05618
nur Informationsartikel
Nie mehr lieferbar
keine Alternativen
Pos.
77
BOSCH Handgriff | Ersatzteile für EasyRotak 36-550 | F016F04733
Hersteller: BOSCH
Artikelnummer: EB-3600HB9B00-F016F04733
Netto: 12,98 € zzgl. MwSt.
zzgl. 6,90 € Versand (brutto)
einmalig pro Bestellung

Lieferzeit: 5 Werktage

Pos.
78
BOSCH Untergriff | Ersatzteile für EasyRotak 36-550 | F016F04734
Hersteller: BOSCH
Artikelnummer: EB-3600HB9B00-F016F04734
Netto: 9,95 € zzgl. MwSt.
zzgl. 6,90 € Versand (brutto)
einmalig pro Bestellung

Lieferzeit: 5 Werktage

Pos.
79
BOSCH Untergriff | Ersatzteile für EasyRotak 36-550 | F016F04735
Hersteller: BOSCH
Artikelnummer: EB-3600HB9B00-F016F04735
Netto: 9,95 € zzgl. MwSt.
zzgl. 6,90 € Versand (brutto)
einmalig pro Bestellung

Lieferzeit: 5 Werktage

Pos.
82
BOSCH Schutzlappen | Ersatzteile für EasyRotak 36-550 | F016F05619
Hersteller: BOSCH
Artikelnummer: EB-3600HB9B00-F016F05619
Netto: 5,19 € zzgl. MwSt.
zzgl. 6,90 € Versand (brutto)
einmalig pro Bestellung

Lieferzeit: 5 Werktage

Pos.
84
BOSCH Traggriff | Ersatzteile für EasyRotak 36-550 | F016F05620
Hersteller: BOSCH
Artikelnummer: EB-3600HB9B00-F016F05620
Netto: 3,94 € zzgl. MwSt.
zzgl. 6,90 € Versand (brutto)
einmalig pro Bestellung

Lieferzeit: 5 Werktage

Pos.
85
BOSCH Schließfeder | Ersatzteile für EasyRotak 36-550 | F016F04514
Hersteller: BOSCH
Artikelnummer: EB-3600HB9B00-F016F04514
Netto: 3,94 € zzgl. MwSt.
zzgl. 6,90 € Versand (brutto)
einmalig pro Bestellung

Lieferzeit: 5 Werktage

Pos.
86
BOSCH Stütze | Ersatzteile für EasyRotak 36-550 | F016F05621
Hersteller: BOSCH
Artikelnummer: EB-3600HB9B00-F016F05621
Netto: 3,63 € zzgl. MwSt.
zzgl. 6,90 € Versand (brutto)
einmalig pro Bestellung

Lieferzeit: 5 Werktage

Pos.
99
BOSCH Auswuchtstücke | Ersatzteile für EasyRotak 36-550 | F016F05622
Hersteller: BOSCH
Artikelnummer: EB-3600HB9B00-F016F05622
Netto: 11,92 € zzgl. MwSt.
zzgl. 6,90 € Versand (brutto)
einmalig pro Bestellung

Lieferzeit: 5 Werktage

Pos.
501
BOSCH Unterlegscheibe Ø8,15 SCHWARZ | Ersatzteile für EasyRotak 36-550 | F016T48185
Hersteller: BOSCH
Artikelnummer: EB-3600HB9B00-F016T48185
Netto: 5,19 € zzgl. MwSt.
zzgl. 6,90 € Versand (brutto)
einmalig pro Bestellung

Lieferzeit: 5 Werktage

Pos.
504
BOSCH Schraube | Ersatzteile für EasyRotak 36-550 | F016F04697
Hersteller: BOSCH
Artikelnummer: EB-3600HB9B00-F016F04697
Netto: 3,63 € zzgl. MwSt.
zzgl. 6,90 € Versand (brutto)
einmalig pro Bestellung

Lieferzeit: 5 Werktage

Pos.
506
BOSCH Teilesatz | Ersatzteile für EasyRotak 36-550 | F016F05623
Hersteller: BOSCH
Artikelnummer: EB-3600HB9B00-F016F05623
Netto: 5,19 € zzgl. MwSt.
zzgl. 6,90 € Versand (brutto)
einmalig pro Bestellung

Lieferzeit: 5 Werktage

Pos.
651
BOSCH Akku-Paket | Ersatzteile für EasyRotak 36-550 | 1607A350R2
Hersteller: BOSCH
Artikelnummer: EB-3600HB9B00-1607A350RC
Netto: 210,92 € zzgl. MwSt.
zzgl. 6,90 € Versand (brutto)
einmalig pro Bestellung

Lieferzeit: 5 Werktage

Pos.
651
BOSCH Akku-Paket 36V 2,0 Ah Li | Ersatzteile für EasyRotak 36-550 | 2607336913
Hersteller: BOSCH
Artikelnummer: EB-3600HB9B00-2607336913
nur Informationsartikel
Nie mehr lieferbar
keine Alternativen
Pos.
651
BOSCH Akku-Paket GBA 36V 2,0AH H-B | Ersatzteile für EasyRotak 36-550 | 1607A350PZ
Hersteller: BOSCH
Artikelnummer: EB-3600HB9B00-1607A350PZ
Netto: 169,85 € zzgl. MwSt.
zzgl. 6,90 € Versand (brutto)
einmalig pro Bestellung

Lieferzeit: 5 Werktage

Pos.
653
BOSCH Schnell-Lader | Ersatzteile für EasyRotak 36-550 | 2607226273
Hersteller: BOSCH
Artikelnummer: EB-3600HB9B00-2607226277
Netto: 52,14 € zzgl. MwSt.
zzgl. 6,90 € Versand (brutto)
einmalig pro Bestellung

Lieferzeit: 5 Werktage

Pos.
801
BOSCH Gleichstrommotor | Ersatzteile für EasyRotak 36-550 | F016F05607
Hersteller: BOSCH
Artikelnummer: EB-3600HB9B00-F016F05607
Netto: 135,20 € zzgl. MwSt.
zzgl. 6,90 € Versand (brutto)
einmalig pro Bestellung

Lieferzeit: 5 Werktage

Pos.
802
BOSCH Elektronikmodul | Ersatzteile für EasyRotak 36-550 | F016F05608
Hersteller: BOSCH
Artikelnummer: EB-3600HB9B00-F016F05608
Netto: 106,72 € zzgl. MwSt.
zzgl. 6,90 € Versand (brutto)
einmalig pro Bestellung

Lieferzeit: 5 Werktage

Pos.
808
BOSCH Typschild | Ersatzteile für EasyRotak 36-550 | F016F05624
Hersteller: BOSCH
Artikelnummer: EB-3600HB9B00-F016F05624
Netto: 4,53 € zzgl. MwSt.
zzgl. 6,90 € Versand (brutto)
einmalig pro Bestellung

Lieferzeit: 5 Werktage

Pos.
843
BOSCH Motorhaube | Ersatzteile für EasyRotak 36-550 | F016F05625
Hersteller: BOSCH
Artikelnummer: EB-3600HB9B00-F016F05625
Netto: 26,88 € zzgl. MwSt.
zzgl. 6,90 € Versand (brutto)
einmalig pro Bestellung

Lieferzeit: 5 Werktage

Pos.
850
BOSCH Rad | Ersatzteile für EasyRotak 36-550 | F016F05626
Hersteller: BOSCH
Artikelnummer: EB-3600HB9B00-F016F05626
Netto: 9,18 € zzgl. MwSt.
zzgl. 6,90 € Versand (brutto)
einmalig pro Bestellung

Lieferzeit: 5 Werktage

Pos.
860
BOSCH Rad | Ersatzteile für EasyRotak 36-550 | F016F05627
Hersteller: BOSCH
Artikelnummer: EB-3600HB9B00-F016F05627
Netto: 10,92 € zzgl. MwSt.
zzgl. 6,90 € Versand (brutto)
einmalig pro Bestellung

Lieferzeit: 5 Werktage

Pos.
880
BOSCH Fangkorb | Ersatzteile für EasyRotak 36-550 | F016F05628
Hersteller: BOSCH
Artikelnummer: EB-3600HB9B00-F016F05628
Netto: 26,88 € zzgl. MwSt.
zzgl. 6,90 € Versand (brutto)
einmalig pro Bestellung

Lieferzeit: 5 Werktage

Pos.
894
BOSCH Klemmhebel | Ersatzteile für EasyRotak 36-550 | F016F05629
Hersteller: BOSCH
Artikelnummer: EB-3600HB9B00-F016F05629
Netto: 5,67 € zzgl. MwSt.
zzgl. 6,90 € Versand (brutto)
einmalig pro Bestellung

Lieferzeit: 5 Werktage

Pos.
895
BOSCH Leitungshalter ROTAK II | Ersatzteile für EasyRotak 36-550 | F016L66895
Hersteller: BOSCH
Artikelnummer: EB-3600HB9B00-F016L66895
Netto: 3,63 € zzgl. MwSt.
zzgl. 6,90 € Versand (brutto)
einmalig pro Bestellung

Lieferzeit: 5 Werktage

Angaben zur Produktsicherheit

Hersteller:
Robert Bosch Power Tools GmbH
Postfach 30 02 20
70442 Stuttgart

E-Mail:
kontakt@bosch.de