BOSCH Unterlegscheibe 8,5 MM | Ersatzteile für ELECTRIC CYLINDER E14S | F016L35411

Artikelnummer: EB-F016L80610-F016L35411

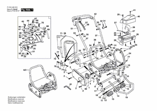
Position: 79

Marke: BOSCH


Bitte Kompatibilität prüfen!

Bitte prüfen Sie unbedingt die 10-stellige Typennummer Ihrer Maschine / Ihres Gerätes. Das Ersatzteil ist nur kompatibel, wenn Sie die Typennummer Ihrer Maschine in der unten stehenden Produktbeschreibung finden.

Bitte prüfen Sie ebenfalls detailliert die Explosionszeichnung mit Ihrem Artikelwunsch und der jeweiligen Pos-Nummer.

Alle Elemente, welche vom schwarzen Strich der Pos-Nummer ausgehend berührt / erfasst werden, gehören zu dieser Pos-Nummer und somit zu diesem Artikel. Jede Pos-Nummer ist ein eigenständiger Artikel, welchen Sie in der Auflistung finden.

Sie erhalten stets die aktuellste, neueste Produktversion zu der gewählten Pos-Nummer seitens des Herstellers. Es kann daher je nach Gerätealter vorkommen, dass Sie ggf. weitere, zugehörige Elemente, welche an diese Pos-Nummer grenzen, ebenfalls mittauschen müssen.

Nähere Informationen finden Sie unter dem Link
Hinweise zu Ihrer BOSCH Ersatzteilsuche

Preisübersicht

Einzelpreis: 3,60 €* (Brutto: 4,28 €)
Gesamtpreis: 3,60 €* 
Position:

Lieferzeit: 5 Werktage


Beschreibung

  • Unterlegscheibe 8,5 MM
  • Original Bosch Zubehör / BOSCH Ersatzteil (F016L35411)
  • im Gerät verbaut: 1
Dieses BOSCH Ersatzteil ist mit folgendem Gerät und Modell kompatibel:
  • BOSCH Gerätename: ELECTRIC CYLINDER E14S
  • BOSCH Explosionszeichnung: Position 79
  • BOSCH Typennummer: F016L80610
  • BOSCH Typennummer alternative Schreibweisen: F 016 L80 610, F016 L80 610, F.016.L80.610, F-016-L80-610
    Bitte prüfen Sie diese Typennummer auf Ihrem Gerät um die Kompatibilität des BOSCH Ersatzteils zu gewährleisten.
Weitere BOSCH Ersatzteile des Gerätes ELECTRIC CYLINDER E14S (Rasenmäher) mit der Typennummer F016L80610 finden Sie in der nachfolgenden Darstellung und im Dropdown zu Ihrer Auswahl:

Pos.
6/1
BOSCH Gehäuse | Ersatzteile für ELECTRIC CYLINDER E14S | F016S10362
Hersteller: BOSCH
Artikelnummer: EB-F016L80610-F016S10362
nur Informationsartikel
Nie mehr lieferbar
keine Alternativen
Pos.
6/2
BOSCH Gehäuse | Ersatzteile für ELECTRIC CYLINDER E14S | F016S50108
Hersteller: BOSCH
Artikelnummer: EB-F016L80610-F016S50108
nur Informationsartikel
Nie mehr lieferbar
keine Alternativen
Pos.
2
BOSCH Schraube M6 | Ersatzteile für ELECTRIC CYLINDER E14S | F016A58228
Hersteller: BOSCH
Artikelnummer: EB-F016L80610-F016A58228
nur Informationsartikel
Nie mehr lieferbar
keine Alternativen
Pos.
3
BOSCH Seitendeckel RH | Ersatzteile für ELECTRIC CYLINDER E14S | F016A75089
Hersteller: BOSCH
Artikelnummer: EB-F016L80610-F016A75089
nur Informationsartikel
Nie mehr lieferbar
keine Alternativen
Pos.
4
BOSCH Knopf | Ersatzteile für ELECTRIC CYLINDER E14S | F016102363
Hersteller: BOSCH
Artikelnummer: EB-F016L80610-F016102363
nur Informationsartikel
Nie mehr lieferbar
keine Alternativen
Pos.
5
BOSCH Feder | Ersatzteile für ELECTRIC CYLINDER E14S | F016A57995
Hersteller: BOSCH
Artikelnummer: EB-F016L80610-F016A57995
nur Informationsartikel
Nie mehr lieferbar
keine Alternativen
Pos.
7
BOSCH Feder | Ersatzteile für ELECTRIC CYLINDER E14S | F016A57820
Hersteller: BOSCH
Artikelnummer: EB-F016L80610-F016A57820
Netto: 3,93 € zzgl. MwSt.
zzgl. 6,90 € Versand (brutto)
einmalig pro Bestellung

Lieferzeit: 5 Werktage

Pos.
8
BOSCH Lagerbuchse | Ersatzteile für ELECTRIC CYLINDER E14S | F016A57675
Hersteller: BOSCH
Artikelnummer: EB-F016L80610-F016A57675
nur Informationsartikel
Nie mehr lieferbar
keine Alternativen
Pos.
9
BOSCH Rollenträger | Ersatzteile für ELECTRIC CYLINDER E14S | F016S50016
Hersteller: BOSCH
Artikelnummer: EB-F016L80610-F016S50016
nur Informationsartikel
Nie mehr lieferbar
keine Alternativen
Pos.
10
BOSCH Mutter M8 | Ersatzteile für ELECTRIC CYLINDER E14S | F016L35457
Hersteller: BOSCH
Artikelnummer: EB-F016L80610-F016L35457
Netto: 3,60 € zzgl. MwSt.
zzgl. 6,90 € Versand (brutto)
einmalig pro Bestellung

Lieferzeit: 5 Werktage

Pos.
11
BOSCH Federscheibe 5/16 SW SE | Ersatzteile für ELECTRIC CYLINDER E14S | F016L35307
Hersteller: BOSCH
Artikelnummer: EB-F016L80610-F016L35307
Netto: 3,60 € zzgl. MwSt.
zzgl. 6,90 € Versand (brutto)
einmalig pro Bestellung

Lieferzeit: 5 Werktage

Pos.
13
BOSCH Spindel 14" | Ersatzteile für ELECTRIC CYLINDER E14S | F016L64553
Hersteller: BOSCH
Artikelnummer: EB-F016L80610-F016L64553
nur Informationsartikel
Nie mehr lieferbar
keine Alternativen
Pos.
14
BOSCH Rolle | Ersatzteile für ELECTRIC CYLINDER E14S | F016T49571
Hersteller: BOSCH
Artikelnummer: EB-F016L80610-F016T49571
nur Informationsartikel
Nie mehr lieferbar
keine Alternativen
Pos.
15
BOSCH Rolle | Ersatzteile für ELECTRIC CYLINDER E14S | F016T49531
Hersteller: BOSCH
Artikelnummer: EB-F016L80610-F016T49531
nur Informationsartikel
Nie mehr lieferbar
keine Alternativen
Pos.
17
BOSCH Laufrolle | Ersatzteile für ELECTRIC CYLINDER E14S | F016L22149
Hersteller: BOSCH
Artikelnummer: EB-F016L80610-F016L22149
nur Informationsartikel
Nie mehr lieferbar
keine Alternativen
Pos.
18
BOSCH Kunststoffrohr | Ersatzteile für ELECTRIC CYLINDER E14S | F016A57836
Hersteller: BOSCH
Artikelnummer: EB-F016L80610-F016A57836
nur Informationsartikel
Nie mehr lieferbar
keine Alternativen
Pos.
19
BOSCH Stützrohr | Ersatzteile für ELECTRIC CYLINDER E14S | F016102798
Hersteller: BOSCH
Artikelnummer: EB-F016L80610-F016102798
nur Informationsartikel
Nie mehr lieferbar
keine Alternativen
Pos.
20
BOSCH Sechskantschraube WAS 170 | Ersatzteile für ELECTRIC CYLINDER E14S | F016W25213
Hersteller: BOSCH
Artikelnummer: EB-F016L80610-F016W25213
nur Informationsartikel
Nie mehr lieferbar
keine Alternativen
Pos.
21
BOSCH Kappe | Ersatzteile für ELECTRIC CYLINDER E14S | F016A57676
Hersteller: BOSCH
Artikelnummer: EB-F016L80610-F016A57676
Netto: 3,60 € zzgl. MwSt.
zzgl. 6,90 € Versand (brutto)
einmalig pro Bestellung

Lieferzeit: 5 Werktage

Pos.
22
BOSCH Zapfen L/H | Ersatzteile für ELECTRIC CYLINDER E14S | F016A57748
Hersteller: BOSCH
Artikelnummer: EB-F016L80610-F016A57748
Netto: 3,60 € zzgl. MwSt.
zzgl. 6,90 € Versand (brutto)
einmalig pro Bestellung

Lieferzeit: 5 Werktage

Pos.
23
BOSCH Kassette | Ersatzteile für ELECTRIC CYLINDER E14S | F016102959
Hersteller: BOSCH
Artikelnummer: EB-F016L80610-F016102959
nur Informationsartikel
Nie mehr lieferbar
keine Alternativen
Pos.
24
BOSCH Schutzdeckel | Ersatzteile für ELECTRIC CYLINDER E14S | F016A58206
Hersteller: BOSCH
Artikelnummer: EB-F016L80610-F016A58206
nur Informationsartikel
Nie mehr lieferbar
keine Alternativen
Pos.
25
BOSCH Gewindeschneidschraube 4x19 MM | Ersatzteile für ELECTRIC CYLINDER E14S | F016T49429
Hersteller: BOSCH
Artikelnummer: EB-F016L80610-F016T49429
Netto: 3,60 € zzgl. MwSt.
zzgl. 6,90 € Versand (brutto)
einmalig pro Bestellung

Lieferzeit: 5 Werktage

Pos.
26
BOSCH Motorhaube | Ersatzteile für ELECTRIC CYLINDER E14S | F016A57630
Hersteller: BOSCH
Artikelnummer: EB-F016L80610-F016A57630
nur Informationsartikel
Nie mehr lieferbar
keine Alternativen
Pos.
27
BOSCH Steuereinheit | Ersatzteile für ELECTRIC CYLINDER E14S | F016L57917
Hersteller: BOSCH
Artikelnummer: EB-F016L80610-F016L57917
Netto: 10,61 € zzgl. MwSt.
zzgl. 6,90 € Versand (brutto)
einmalig pro Bestellung

Lieferzeit: 5 Werktage

Pos.
28
BOSCH Auffangbehälter | Ersatzteile für ELECTRIC CYLINDER E14S | F016A58204
Hersteller: BOSCH
Artikelnummer: EB-F016L80610-F016A58204
nur Informationsartikel
Nie mehr lieferbar
keine Alternativen
Pos.
29
BOSCH Filter | Ersatzteile für ELECTRIC CYLINDER E14S | F016A57934
Hersteller: BOSCH
Artikelnummer: EB-F016L80610-F016A57934
nur Informationsartikel
Nie mehr lieferbar
keine Alternativen
Pos.
30
BOSCH Kabelhalter | Ersatzteile für ELECTRIC CYLINDER E14S | F016T46305
Hersteller: BOSCH
Artikelnummer: EB-F016L80610-F016T46305
Netto: 3,93 € zzgl. MwSt.
zzgl. 6,90 € Versand (brutto)
einmalig pro Bestellung

Lieferzeit: 5 Werktage

Pos.
31
BOSCH Laufbolzen M 6x32 | Ersatzteile für ELECTRIC CYLINDER E14S | F016T49472
Hersteller: BOSCH
Artikelnummer: EB-F016L80610-F016T49472
nur Informationsartikel
Nie mehr lieferbar
keine Alternativen
Pos.
32
BOSCH Griff | Ersatzteile für ELECTRIC CYLINDER E14S | F016A57922
Hersteller: BOSCH
Artikelnummer: EB-F016L80610-F016A57922
nur Informationsartikel
Nie mehr lieferbar
keine Alternativen
Pos.
33
BOSCH Laufbolzen | Ersatzteile für ELECTRIC CYLINDER E14S | F016T48017
Hersteller: BOSCH
Artikelnummer: EB-F016L80610-F016T48017
nur Informationsartikel
Nie mehr lieferbar
keine Alternativen
Pos.
34
BOSCH Unterlegscheibe | Ersatzteile für ELECTRIC CYLINDER E14S | F016T48727
Hersteller: BOSCH
Artikelnummer: EB-F016L80610-F016T48727
Netto: 4,54 € zzgl. MwSt.
zzgl. 6,90 € Versand (brutto)
einmalig pro Bestellung

Lieferzeit: 5 Werktage

Pos.
35
BOSCH Mutter M6 | Ersatzteile für ELECTRIC CYLINDER E14S | F016L35329
Hersteller: BOSCH
Artikelnummer: EB-F016L80610-F016L35329
Netto: 3,93 € zzgl. MwSt.
zzgl. 6,90 € Versand (brutto)
einmalig pro Bestellung

Lieferzeit: 5 Werktage

Pos.
36
BOSCH Rolle 14" | Ersatzteile für ELECTRIC CYLINDER E14S | F016103622
Hersteller: BOSCH
Artikelnummer: EB-F016L80610-F016103622
nur Informationsartikel
Nie mehr lieferbar
keine Alternativen
Pos.
37
BOSCH Verlängerung | Ersatzteile für ELECTRIC CYLINDER E14S | F016S50024
Hersteller: BOSCH
Artikelnummer: EB-F016L80610-F016S50024
nur Informationsartikel
Nie mehr lieferbar
keine Alternativen
Pos.
38
BOSCH Kabelklemme | Ersatzteile für ELECTRIC CYLINDER E14S | F016T49524
Hersteller: BOSCH
Artikelnummer: EB-F016L80610-F016T49524
Netto: 3,93 € zzgl. MwSt.
zzgl. 6,90 € Versand (brutto)
einmalig pro Bestellung

Lieferzeit: 5 Werktage

Pos.
39
BOSCH Gehäuse | Ersatzteile für ELECTRIC CYLINDER E14S | F016A57892
Hersteller: BOSCH
Artikelnummer: EB-F016L80610-F016A57892
nur Informationsartikel
Nie mehr lieferbar
keine Alternativen
Pos.
40
BOSCH Motorhaube | Ersatzteile für ELECTRIC CYLINDER E14S | F016A58210
Hersteller: BOSCH
Artikelnummer: EB-F016L80610-F016A58210
nur Informationsartikel
Nie mehr lieferbar
keine Alternativen
Pos.
41
BOSCH Kreuzschlitzschraube M5 | Ersatzteile für ELECTRIC CYLINDER E14S | F016A57756
Hersteller: BOSCH
Artikelnummer: EB-F016L80610-F016A57756
Netto: 3,60 € zzgl. MwSt.
zzgl. 6,90 € Versand (brutto)
einmalig pro Bestellung

Lieferzeit: 5 Werktage

Pos.
42
BOSCH Handgriff | Ersatzteile für ELECTRIC CYLINDER E14S | F016103621
Hersteller: BOSCH
Artikelnummer: EB-F016L80610-F016103621
nur Informationsartikel
Nie mehr lieferbar
keine Alternativen
Pos.
44
BOSCH Ersatzteil | Ersatzteile für ELECTRIC CYLINDER E14S | F016L57924
Hersteller: BOSCH
Artikelnummer: EB-F016L80610-F016L57924
nur Informationsartikel
Nie mehr lieferbar
keine Alternativen
Pos.
45
BOSCH Knopf | Ersatzteile für ELECTRIC CYLINDER E14S | F016T49223
Hersteller: BOSCH
Artikelnummer: EB-F016L80610-F016T49223
nur Informationsartikel
Nie mehr lieferbar
keine Alternativen
Pos.
46
BOSCH Druckfeder | Ersatzteile für ELECTRIC CYLINDER E14S | F016T49226
Hersteller: BOSCH
Artikelnummer: EB-F016L80610-F016T49226
nur Informationsartikel
Nie mehr lieferbar
keine Alternativen
Pos.
47
BOSCH Stellhebel SCHWARZ | Ersatzteile für ELECTRIC CYLINDER E14S | F016L65676
Hersteller: BOSCH
Artikelnummer: EB-F016L80610-F016L65676
nur Informationsartikel
Nie mehr lieferbar
keine Alternativen
Pos.
48
BOSCH Federhebel | Ersatzteile für ELECTRIC CYLINDER E14S | F016T49845
Hersteller: BOSCH
Artikelnummer: EB-F016L80610-F016T49845
nur Informationsartikel
Nie mehr lieferbar
keine Alternativen
Pos.
49
BOSCH Schaltergehäuse | Ersatzteile für ELECTRIC CYLINDER E14S | F016T49637
Hersteller: BOSCH
Artikelnummer: EB-F016L80610-F016T49637
nur Informationsartikel
Nie mehr lieferbar
keine Alternativen
Pos.
51
BOSCH Seilzug | Ersatzteile für ELECTRIC CYLINDER E14S | F016A57920
Hersteller: BOSCH
Artikelnummer: EB-F016L80610-F016A57920
nur Informationsartikel
Nie mehr lieferbar
keine Alternativen
Pos.
52
BOSCH Schraube | Ersatzteile für ELECTRIC CYLINDER E14S | F016T56092
Hersteller: BOSCH
Artikelnummer: EB-F016L80610-F016T56092
nur Informationsartikel
Nie mehr lieferbar
keine Alternativen
Pos.
53
BOSCH Gehäusedeckel | Ersatzteile für ELECTRIC CYLINDER E14S | F016L57925
Hersteller: BOSCH
Artikelnummer: EB-F016L80610-F016L57925
nur Informationsartikel
Nie mehr lieferbar
keine Alternativen
Pos.
54
BOSCH Steuerleiste | Ersatzteile für ELECTRIC CYLINDER E14S | F016T49507
Hersteller: BOSCH
Artikelnummer: EB-F016L80610-F016T49507
nur Informationsartikel
Nie mehr lieferbar
keine Alternativen
Pos.
55
BOSCH Zylinderstift | Ersatzteile für ELECTRIC CYLINDER E14S | F016T56145
Hersteller: BOSCH
Artikelnummer: EB-F016L80610-F016T56145
Netto: 3,60 € zzgl. MwSt.
zzgl. 6,90 € Versand (brutto)
einmalig pro Bestellung

Lieferzeit: 5 Werktage

Pos.
56
BOSCH Steuerleiste | Ersatzteile für ELECTRIC CYLINDER E14S | F016T49563
Hersteller: BOSCH
Artikelnummer: EB-F016L80610-F016T49563
Netto: 11,41 € zzgl. MwSt.
zzgl. 6,90 € Versand (brutto)
einmalig pro Bestellung

Lieferzeit: 5 Werktage

Pos.
57
BOSCH Verbindungskabel | Ersatzteile für ELECTRIC CYLINDER E14S | F016A57921
Hersteller: BOSCH
Artikelnummer: EB-F016L80610-F016A57921
nur Informationsartikel
Nie mehr lieferbar
keine Alternativen
Pos.
58
BOSCH Netzanschlussleitung GB 22m 2 x 0,75mm without plug | Ersatzteile für ELECTRIC CYLINDER E14S | F016104085
Hersteller: BOSCH
Artikelnummer: EB-F016L80610-F016104085
Netto: 25,97 € zzgl. MwSt.
zzgl. 6,90 € Versand (brutto)
einmalig pro Bestellung

Lieferzeit: 5 Werktage

Pos.
59
BOSCH Tülle | Ersatzteile für ELECTRIC CYLINDER E14S | F016T44500
Hersteller: BOSCH
Artikelnummer: EB-F016L80610-F016T44500
Netto: 3,93 € zzgl. MwSt.
zzgl. 6,90 € Versand (brutto)
einmalig pro Bestellung

Lieferzeit: 5 Werktage

Pos.
60
BOSCH Kabelhalter | Ersatzteile für ELECTRIC CYLINDER E14S | F016T49636
Hersteller: BOSCH
Artikelnummer: EB-F016L80610-F016T49636
nur Informationsartikel
Nie mehr lieferbar
keine Alternativen
Pos.
61
BOSCH Schalter | Ersatzteile für ELECTRIC CYLINDER E14S | F016T49229
Hersteller: BOSCH
Artikelnummer: EB-F016L80610-F016T49229
nur Informationsartikel
Nie mehr lieferbar
keine Alternativen
Pos.
62
BOSCH Kompensator | Ersatzteile für ELECTRIC CYLINDER E14S | F016103843
Hersteller: BOSCH
Artikelnummer: EB-F016L80610-F016103843
nur Informationsartikel
Nie mehr lieferbar
keine Alternativen
Pos.
63
BOSCH Verbindungskabel | Ersatzteile für ELECTRIC CYLINDER E14S | F016T49482
Hersteller: BOSCH
Artikelnummer: EB-F016L80610-F016T49482
Netto: 1,33 € zzgl. MwSt.
zzgl. 6,90 € Versand (brutto)
einmalig pro Bestellung

Lieferzeit: 5 Werktage

Pos.
64
BOSCH Kondensator | Ersatzteile für ELECTRIC CYLINDER E14S | F016L36952
Hersteller: BOSCH
Artikelnummer: EB-F016L80610-F016L36952
Netto: 3,60 € zzgl. MwSt.
zzgl. 6,90 € Versand (brutto)
einmalig pro Bestellung

Lieferzeit: 5 Werktage

Pos.
65
BOSCH Anzeigering | Ersatzteile für ELECTRIC CYLINDER E14S | F016L37457
Hersteller: BOSCH
Artikelnummer: EB-F016L80610-F016L37457
Netto: 3,60 € zzgl. MwSt.
zzgl. 6,90 € Versand (brutto)
einmalig pro Bestellung

Lieferzeit: 5 Werktage

Pos.
66
BOSCH Mutter | Ersatzteile für ELECTRIC CYLINDER E14S | F016T48221
Hersteller: BOSCH
Artikelnummer: EB-F016L80610-F016T48221
nur Informationsartikel
Nie mehr lieferbar
keine Alternativen
Pos.
67
BOSCH Knopf | Ersatzteile für ELECTRIC CYLINDER E14S | F016T49480
Hersteller: BOSCH
Artikelnummer: EB-F016L80610-F016T49480
Netto: 0,60 € zzgl. MwSt.
zzgl. 6,90 € Versand (brutto)
einmalig pro Bestellung

Lieferzeit: 5 Werktage

Pos.
68
BOSCH Bürstendeckel | Ersatzteile für ELECTRIC CYLINDER E14S | F016A57929
Hersteller: BOSCH
Artikelnummer: EB-F016L80610-F016A57929
nur Informationsartikel
Nie mehr lieferbar
keine Alternativen
Pos.
69
BOSCH Gehäusedeckel | Ersatzteile für ELECTRIC CYLINDER E14S | F016A57928
Hersteller: BOSCH
Artikelnummer: EB-F016L80610-F016A57928
nur Informationsartikel
Nie mehr lieferbar
keine Alternativen
Pos.
70
BOSCH Zugentlastung | Ersatzteile für ELECTRIC CYLINDER E14S | F016L65387
Hersteller: BOSCH
Artikelnummer: EB-F016L80610-F016L65387
Netto: 8,13 € zzgl. MwSt.
zzgl. 6,90 € Versand (brutto)
einmalig pro Bestellung

Lieferzeit: 5 Werktage

Pos.
71
BOSCH Bodenverdichter | Ersatzteile für ELECTRIC CYLINDER E14S | F016A57927
Hersteller: BOSCH
Artikelnummer: EB-F016L80610-F016A57927
nur Informationsartikel
Nie mehr lieferbar
keine Alternativen
Pos.
72
BOSCH Schnur | Ersatzteile für ELECTRIC CYLINDER E14S | F016A58060
Hersteller: BOSCH
Artikelnummer: EB-F016L80610-F016A58060
nur Informationsartikel
Nie mehr lieferbar
keine Alternativen
Pos.
73
BOSCH Schraube M5x32 | Ersatzteile für ELECTRIC CYLINDER E14S | F016L36722
Hersteller: BOSCH
Artikelnummer: EB-F016L80610-F016L36722
Netto: 3,60 € zzgl. MwSt.
zzgl. 6,90 € Versand (brutto)
einmalig pro Bestellung

Lieferzeit: 5 Werktage

Pos.
74
BOSCH Beilegring | Ersatzteile für ELECTRIC CYLINDER E14S | F016A58054
Hersteller: BOSCH
Artikelnummer: EB-F016L80610-F016A58054
nur Informationsartikel
Nie mehr lieferbar
keine Alternativen
Pos.
75
BOSCH Beilegring | Ersatzteile für ELECTRIC CYLINDER E14S | F016A58053
Hersteller: BOSCH
Artikelnummer: EB-F016L80610-F016A58053
nur Informationsartikel
Nie mehr lieferbar
keine Alternativen
Pos.
76
BOSCH Mutter M5 | Ersatzteile für ELECTRIC CYLINDER E14S | F016L11220
Hersteller: BOSCH
Artikelnummer: EB-F016L80610-F016L11220
nur Informationsartikel
Nie mehr lieferbar
keine Alternativen
Pos.
77
BOSCH Ersatzteil | Ersatzteile für ELECTRIC CYLINDER E14S | F016A58062
Hersteller: BOSCH
Artikelnummer: EB-F016L80610-F016A58062
nur Informationsartikel
Nie mehr lieferbar
keine Alternativen
Pos.
79
BOSCH Unterlegscheibe 8,5 MM | Ersatzteile für ELECTRIC CYLINDER E14S | F016L35411
Hersteller: BOSCH
Artikelnummer: EB-F016L80610-F016L35411
Netto: 3,60 € zzgl. MwSt.
zzgl. 6,90 € Versand (brutto)
einmalig pro Bestellung

Lieferzeit: 5 Werktage

Pos.
80
BOSCH Sicherungsscheibe | Ersatzteile für ELECTRIC CYLINDER E14S | F016L35389
Hersteller: BOSCH
Artikelnummer: EB-F016L80610-F016L35389
Netto: 3,60 € zzgl. MwSt.
zzgl. 6,90 € Versand (brutto)
einmalig pro Bestellung

Lieferzeit: 5 Werktage

Pos.
81
BOSCH Stiftschlüssel | Ersatzteile für ELECTRIC CYLINDER E14S | F016A58230
Hersteller: BOSCH
Artikelnummer: EB-F016L80610-F016A58230
Netto: 3,60 € zzgl. MwSt.
zzgl. 6,90 € Versand (brutto)
einmalig pro Bestellung

Lieferzeit: 5 Werktage

Pos.
82
BOSCH Einsatz | Ersatzteile für ELECTRIC CYLINDER E14S | F016A58188
Hersteller: BOSCH
Artikelnummer: EB-F016L80610-F016A58188
Netto: 4,33 € zzgl. MwSt.
zzgl. 6,90 € Versand (brutto)
einmalig pro Bestellung

Lieferzeit: 5 Werktage

Pos.
201
BOSCH Zylinder | Ersatzteile für ELECTRIC CYLINDER E14S | F016102059
Hersteller: BOSCH
Artikelnummer: EB-F016L80610-F016102059
nur Informationsartikel
Nie mehr lieferbar
keine Alternativen
Pos.
202
BOSCH Lagergehäuse | Ersatzteile für ELECTRIC CYLINDER E14S | F016A58249
Hersteller: BOSCH
Artikelnummer: EB-F016L80610-F016A58249
nur Informationsartikel
Nie mehr lieferbar
keine Alternativen
Pos.
203
BOSCH Kugellager | Ersatzteile für ELECTRIC CYLINDER E14S | F016L02968
Hersteller: BOSCH
Artikelnummer: EB-F016L80610-F016L02968
nur Informationsartikel
Nie mehr lieferbar
keine Alternativen
Pos.
204
BOSCH Dichtring | Ersatzteile für ELECTRIC CYLINDER E14S | F016T40266
Hersteller: BOSCH
Artikelnummer: EB-F016L80610-F016T40266
nur Informationsartikel
Nie mehr lieferbar
keine Alternativen
Pos.
206
BOSCH Feder | Ersatzteile für ELECTRIC CYLINDER E14S | F016T47205
Hersteller: BOSCH
Artikelnummer: EB-F016L80610-F016T47205
nur Informationsartikel
Nie mehr lieferbar
keine Alternativen
Pos.
207
BOSCH Vierkantwelle | Ersatzteile für ELECTRIC CYLINDER E14S | F016T41057
Hersteller: BOSCH
Artikelnummer: EB-F016L80610-F016T41057
nur Informationsartikel
Nie mehr lieferbar
keine Alternativen
Pos.
208
BOSCH Vorlegscheibe | Ersatzteile für ELECTRIC CYLINDER E14S | F016T49443
Hersteller: BOSCH
Artikelnummer: EB-F016L80610-F016T49443
nur Informationsartikel
Nie mehr lieferbar
keine Alternativen
Pos.
209
BOSCH Einstellstück | Ersatzteile für ELECTRIC CYLINDER E14S | F016A57669
Hersteller: BOSCH
Artikelnummer: EB-F016L80610-F016A57669
nur Informationsartikel
Nie mehr lieferbar
keine Alternativen
Pos.
211
BOSCH Einstellschraube | Ersatzteile für ELECTRIC CYLINDER E14S | F016A57713
Hersteller: BOSCH
Artikelnummer: EB-F016L80610-F016A57713
nur Informationsartikel
Nie mehr lieferbar
keine Alternativen
Pos.
212
BOSCH Platte | Ersatzteile für ELECTRIC CYLINDER E14S | F016A57553
Hersteller: BOSCH
Artikelnummer: EB-F016L80610-F016A57553
Netto: 9,63 € zzgl. MwSt.
zzgl. 6,90 € Versand (brutto)
einmalig pro Bestellung

Lieferzeit: 5 Werktage

Pos.
213
BOSCH Untermesser 14" | Ersatzteile für ELECTRIC CYLINDER E14S | F016101509
Hersteller: BOSCH
Artikelnummer: EB-F016L80610-F016101509
nur Informationsartikel
Nie mehr lieferbar
keine Alternativen
Pos.
214
BOSCH Untermesser | Ersatzteile für ELECTRIC CYLINDER E14S | F016L23147
Hersteller: BOSCH
Artikelnummer: EB-F016L80610-F016L23147
Netto: 3,60 € zzgl. MwSt.
zzgl. 6,90 € Versand (brutto)
einmalig pro Bestellung

Lieferzeit: 5 Werktage

Pos.
215
BOSCH Unterlegscheibe 8,5 MM | Ersatzteile für ELECTRIC CYLINDER E14S | F016L35316
Hersteller: BOSCH
Artikelnummer: EB-F016L80610-F016L35316
Netto: 3,60 € zzgl. MwSt.
zzgl. 6,90 € Versand (brutto)
einmalig pro Bestellung

Lieferzeit: 5 Werktage

Pos.
216
BOSCH Schraube | Ersatzteile für ELECTRIC CYLINDER E14S | F016A58174
Hersteller: BOSCH
Artikelnummer: EB-F016L80610-F016A58174
nur Informationsartikel
Nie mehr lieferbar
keine Alternativen
Pos.
217
BOSCH Mutter 1/4 UNF | Ersatzteile für ELECTRIC CYLINDER E14S | F016L06954
Hersteller: BOSCH
Artikelnummer: EB-F016L80610-F016L06954
nur Informationsartikel
Nie mehr lieferbar
keine Alternativen
Pos.
218
BOSCH Ablenkplatte | Ersatzteile für ELECTRIC CYLINDER E14S | F016103770
Hersteller: BOSCH
Artikelnummer: EB-F016L80610-F016103770
Netto: 18,57 € zzgl. MwSt.
zzgl. 6,90 € Versand (brutto)
einmalig pro Bestellung

Lieferzeit: 5 Werktage

Pos.
221
BOSCH Handgriff | Ersatzteile für ELECTRIC CYLINDER E14S | F016102967
Hersteller: BOSCH
Artikelnummer: EB-F016L80610-F016102967
nur Informationsartikel
Nie mehr lieferbar
keine Alternativen
Pos.
222
BOSCH Seitenrahmen | Ersatzteile für ELECTRIC CYLINDER E14S | F016A57554
Hersteller: BOSCH
Artikelnummer: EB-F016L80610-F016A57554
nur Informationsartikel
Nie mehr lieferbar
keine Alternativen
Pos.
223
BOSCH Riemenscheibe | Ersatzteile für ELECTRIC CYLINDER E14S | F016102161
Hersteller: BOSCH
Artikelnummer: EB-F016L80610-F016102161
Netto: 18,57 € zzgl. MwSt.
zzgl. 6,90 € Versand (brutto)
einmalig pro Bestellung

Lieferzeit: 5 Werktage

Pos.
224
BOSCH Gewindebolzen M6x25 MM | Ersatzteile für ELECTRIC CYLINDER E14S | F016L11371
Hersteller: BOSCH
Artikelnummer: EB-F016L80610-F016L11371
Netto: 4,54 € zzgl. MwSt.
zzgl. 6,90 € Versand (brutto)
einmalig pro Bestellung

Lieferzeit: 5 Werktage

Pos.
226
BOSCH Schraube M6 | Ersatzteile für ELECTRIC CYLINDER E14S | F016A58229
Hersteller: BOSCH
Artikelnummer: EB-F016L80610-F016A58229
nur Informationsartikel
Nie mehr lieferbar
keine Alternativen
Pos.
229
BOSCH Stecker | Ersatzteile für ELECTRIC CYLINDER E14S | F016A58221
Hersteller: BOSCH
Artikelnummer: EB-F016L80610-F016A58221
nur Informationsartikel
Nie mehr lieferbar
keine Alternativen
Pos.
230
BOSCH Gewindeschneidschraube | Ersatzteile für ELECTRIC CYLINDER E14S | F016A58223
Hersteller: BOSCH
Artikelnummer: EB-F016L80610-F016A58223
nur Informationsartikel
Nie mehr lieferbar
keine Alternativen
Pos.
231
BOSCH Konus | Ersatzteile für ELECTRIC CYLINDER E14S | F016T41001
Hersteller: BOSCH
Artikelnummer: EB-F016L80610-F016T41001
nur Informationsartikel
Nie mehr lieferbar
keine Alternativen
Pos.
232
BOSCH Konus | Ersatzteile für ELECTRIC CYLINDER E14S | F016A57620
Hersteller: BOSCH
Artikelnummer: EB-F016L80610-F016A57620
nur Informationsartikel
Nie mehr lieferbar
keine Alternativen
Pos.
233
BOSCH Federscheibe | Ersatzteile für ELECTRIC CYLINDER E14S | F016L35335
Hersteller: BOSCH
Artikelnummer: EB-F016L80610-F016L35335
Netto: 3,60 € zzgl. MwSt.
zzgl. 6,90 € Versand (brutto)
einmalig pro Bestellung

Lieferzeit: 5 Werktage

Pos.
301
BOSCH Walze | Ersatzteile für ELECTRIC CYLINDER E14S | F016103214
Hersteller: BOSCH
Artikelnummer: EB-F016L80610-F016103214
nur Informationsartikel
Nie mehr lieferbar
keine Alternativen
Pos.
302
BOSCH Zahnrad | Ersatzteile für ELECTRIC CYLINDER E14S | F016A57674
Hersteller: BOSCH
Artikelnummer: EB-F016L80610-F016A57674
nur Informationsartikel
Nie mehr lieferbar
keine Alternativen
Pos.
303
BOSCH Ring | Ersatzteile für ELECTRIC CYLINDER E14S | F016A57635
Hersteller: BOSCH
Artikelnummer: EB-F016L80610-F016A57635
nur Informationsartikel
Nie mehr lieferbar
keine Alternativen
Pos.
305
BOSCH Unterlegscheibe M 20 | Ersatzteile für ELECTRIC CYLINDER E14S | F016A58577
Hersteller: BOSCH
Artikelnummer: EB-F016L80610-F016A58577
Netto: 3,60 € zzgl. MwSt.
zzgl. 6,90 € Versand (brutto)
einmalig pro Bestellung

Lieferzeit: 5 Werktage

Pos.
306
BOSCH Aussenring | Ersatzteile für ELECTRIC CYLINDER E14S | F016A57758
Hersteller: BOSCH
Artikelnummer: EB-F016L80610-F016A57758
nur Informationsartikel
Nie mehr lieferbar
keine Alternativen
Pos.
307
BOSCH Spindel | Ersatzteile für ELECTRIC CYLINDER E14S | F016A58735
Hersteller: BOSCH
Artikelnummer: EB-F016L80610-F016A58735
nur Informationsartikel
Nie mehr lieferbar
keine Alternativen
Pos.
308
BOSCH Welle | Ersatzteile für ELECTRIC CYLINDER E14S | F016102295
Hersteller: BOSCH
Artikelnummer: EB-F016L80610-F016102295
nur Informationsartikel
Nie mehr lieferbar
keine Alternativen
Pos.
312
BOSCH Getriebedeckel | Ersatzteile für ELECTRIC CYLINDER E14S | F016A57575
Hersteller: BOSCH
Artikelnummer: EB-F016L80610-F016A57575
nur Informationsartikel
Nie mehr lieferbar
keine Alternativen
Pos.
313
BOSCH Abstandsbuchse | Ersatzteile für ELECTRIC CYLINDER E14S | F016A57633
Hersteller: BOSCH
Artikelnummer: EB-F016L80610-F016A57633
nur Informationsartikel
Nie mehr lieferbar
keine Alternativen
Pos.
314
BOSCH Lagerbuchse | Ersatzteile für ELECTRIC CYLINDER E14S | F016A57764
Hersteller: BOSCH
Artikelnummer: EB-F016L80610-F016A57764
nur Informationsartikel
Nie mehr lieferbar
keine Alternativen
Pos.
316
BOSCH Nietstift | Ersatzteile für ELECTRIC CYLINDER E14S | F016A58178
Hersteller: BOSCH
Artikelnummer: EB-F016L80610-F016A58178
nur Informationsartikel
Nie mehr lieferbar
keine Alternativen
Pos.
401
BOSCH Mutter M12 | Ersatzteile für ELECTRIC CYLINDER E14S | F016L23210
Hersteller: BOSCH
Artikelnummer: EB-F016L80610-F016L23210
nur Informationsartikel
Nie mehr lieferbar
keine Alternativen
Pos.
402
BOSCH Unterlegscheibe | Ersatzteile für ELECTRIC CYLINDER E14S | F016L17849
Hersteller: BOSCH
Artikelnummer: EB-F016L80610-F016L17849
Netto: 3,60 € zzgl. MwSt.
zzgl. 6,90 € Versand (brutto)
einmalig pro Bestellung

Lieferzeit: 5 Werktage

Pos.
403
BOSCH Riemenscheibe | Ersatzteile für ELECTRIC CYLINDER E14S | F016102215
Hersteller: BOSCH
Artikelnummer: EB-F016L80610-F016102215
nur Informationsartikel
Nie mehr lieferbar
keine Alternativen
Pos.
404
BOSCH Auflageplatte | Ersatzteile für ELECTRIC CYLINDER E14S | F016A57933
Hersteller: BOSCH
Artikelnummer: EB-F016L80610-F016A57933
nur Informationsartikel
Nie mehr lieferbar
keine Alternativen
Pos.
405
BOSCH Unterlegscheibe 8,5 MM | Ersatzteile für ELECTRIC CYLINDER E14S | F016T48531
Hersteller: BOSCH
Artikelnummer: EB-F016L80610-F016T48531
nur Informationsartikel
Nie mehr lieferbar
keine Alternativen
Pos.
408
BOSCH Antriebsriemen | Ersatzteile für ELECTRIC CYLINDER E14S | F016A58729
Hersteller: BOSCH
Artikelnummer: EB-F016L80610-F016A58729
nur Informationsartikel
Nie mehr lieferbar
keine Alternativen
Pos.
413
BOSCH Rolle | Ersatzteile für ELECTRIC CYLINDER E14S | F016A57703
Hersteller: BOSCH
Artikelnummer: EB-F016L80610-F016A57703
nur Informationsartikel
Nie mehr lieferbar
keine Alternativen
Pos.
414
BOSCH Feder | Ersatzteile für ELECTRIC CYLINDER E14S | F016A58046
Hersteller: BOSCH
Artikelnummer: EB-F016L80610-F016A58046
nur Informationsartikel
Nie mehr lieferbar
keine Alternativen
Pos.
415
BOSCH Feder | Ersatzteile für ELECTRIC CYLINDER E14S | F016L08487
Hersteller: BOSCH
Artikelnummer: EB-F016L80610-F016L08487
nur Informationsartikel
Nie mehr lieferbar
keine Alternativen
Pos.
416
BOSCH Halter | Ersatzteile für ELECTRIC CYLINDER E14S | F016L66172
Hersteller: BOSCH
Artikelnummer: EB-F016L80610-F016L66172
nur Informationsartikel
Nie mehr lieferbar
keine Alternativen
Pos.
419
BOSCH Klemmutter M12 | Ersatzteile für ELECTRIC CYLINDER E14S | F016L18605
Hersteller: BOSCH
Artikelnummer: EB-F016L80610-F016L18605
Netto: 3,60 € zzgl. MwSt.
zzgl. 6,90 € Versand (brutto)
einmalig pro Bestellung

Lieferzeit: 5 Werktage

Pos.
420
BOSCH Scheibe | Ersatzteile für ELECTRIC CYLINDER E14S | F016A57907
Hersteller: BOSCH
Artikelnummer: EB-F016L80610-F016A57907
Netto: 3,60 € zzgl. MwSt.
zzgl. 6,90 € Versand (brutto)
einmalig pro Bestellung

Lieferzeit: 5 Werktage

Pos.
422
BOSCH Beilegring | Ersatzteile für ELECTRIC CYLINDER E14S | F016A57779
Hersteller: BOSCH
Artikelnummer: EB-F016L80610-F016A57779
nur Informationsartikel
Nie mehr lieferbar
keine Alternativen
Pos.
423
BOSCH Scheibe | Ersatzteile für ELECTRIC CYLINDER E14S | F016L08473
Hersteller: BOSCH
Artikelnummer: EB-F016L80610-F016L08473
nur Informationsartikel
Nie mehr lieferbar
keine Alternativen
Pos.
424
BOSCH Beilegring | Ersatzteile für ELECTRIC CYLINDER E14S | F016A57781
Hersteller: BOSCH
Artikelnummer: EB-F016L80610-F016A57781
nur Informationsartikel
Nie mehr lieferbar
keine Alternativen
Pos.
425
BOSCH Gurtbringer | Ersatzteile für ELECTRIC CYLINDER E14S | F016103152
Hersteller: BOSCH
Artikelnummer: EB-F016L80610-F016103152
nur Informationsartikel
Nie mehr lieferbar
keine Alternativen
Pos.
426
BOSCH Keilriemen | Ersatzteile für ELECTRIC CYLINDER E14S | F016A57941
Hersteller: BOSCH
Artikelnummer: EB-F016L80610-F016A57941
nur Informationsartikel
Nie mehr lieferbar
keine Alternativen
Pos.
427
BOSCH Beilegring | Ersatzteile für ELECTRIC CYLINDER E14S | F016A57901
Hersteller: BOSCH
Artikelnummer: EB-F016L80610-F016A57901
nur Informationsartikel
Nie mehr lieferbar
keine Alternativen
Pos.
428
BOSCH Umlenkwalze | Ersatzteile für ELECTRIC CYLINDER E14S | F016A58988
Hersteller: BOSCH
Artikelnummer: EB-F016L80610-F016A58988
nur Informationsartikel
Nie mehr lieferbar
keine Alternativen
Pos.
429
BOSCH Laufbolzen | Ersatzteile für ELECTRIC CYLINDER E14S | F016W25673
Hersteller: BOSCH
Artikelnummer: EB-F016L80610-F016W25673
Netto: 3,60 € zzgl. MwSt.
zzgl. 6,90 € Versand (brutto)
einmalig pro Bestellung

Lieferzeit: 5 Werktage

Pos.
433
BOSCH Schraube | Ersatzteile für ELECTRIC CYLINDER E14S | F016W25623
Hersteller: BOSCH
Artikelnummer: EB-F016L80610-F016W25623
nur Informationsartikel
Nie mehr lieferbar
keine Alternativen
Pos.
434
BOSCH Kugellager | Ersatzteile für ELECTRIC CYLINDER E14S | F016A57838
Hersteller: BOSCH
Artikelnummer: EB-F016L80610-F016A57838
Netto: 13,61 € zzgl. MwSt.
zzgl. 6,90 € Versand (brutto)
einmalig pro Bestellung

Lieferzeit: 5 Werktage

Pos.
435
BOSCH Lagerhalter | Ersatzteile für ELECTRIC CYLINDER E14S | F016102969
Hersteller: BOSCH
Artikelnummer: EB-F016L80610-F016102969
nur Informationsartikel
Nie mehr lieferbar
keine Alternativen
Pos.
436
BOSCH Gewindeschneidschraube M6 | Ersatzteile für ELECTRIC CYLINDER E14S | F016L35387
Hersteller: BOSCH
Artikelnummer: EB-F016L80610-F016L35387
Netto: 3,60 € zzgl. MwSt.
zzgl. 6,90 € Versand (brutto)
einmalig pro Bestellung

Lieferzeit: 5 Werktage

Pos.
437
BOSCH Antriebswelle | Ersatzteile für ELECTRIC CYLINDER E14S | F016A57735
Hersteller: BOSCH
Artikelnummer: EB-F016L80610-F016A57735
nur Informationsartikel
Nie mehr lieferbar
keine Alternativen
Pos.
438
BOSCH Zahnriemen | Ersatzteile für ELECTRIC CYLINDER E14S | F016T45383
Hersteller: BOSCH
Artikelnummer: EB-F016L80610-F016T45383
nur Informationsartikel
Nie mehr lieferbar
keine Alternativen
Pos.
439
BOSCH Riemenscheibe | Ersatzteile für ELECTRIC CYLINDER E14S | F016A57672
Hersteller: BOSCH
Artikelnummer: EB-F016L80610-F016A57672
nur Informationsartikel
Nie mehr lieferbar
keine Alternativen
Pos.
440
BOSCH Spiralspannstift | Ersatzteile für ELECTRIC CYLINDER E14S | F016L36483
Hersteller: BOSCH
Artikelnummer: EB-F016L80610-F016L36483
nur Informationsartikel
Nie mehr lieferbar
keine Alternativen
Pos.
441
BOSCH Rohrgestell | Ersatzteile für ELECTRIC CYLINDER E14S | F016102018
Hersteller: BOSCH
Artikelnummer: EB-F016L80610-F016102018
nur Informationsartikel
Nie mehr lieferbar
keine Alternativen
Pos.
444
BOSCH Sechskantschraube M8 | Ersatzteile für ELECTRIC CYLINDER E14S | F016T48048
Hersteller: BOSCH
Artikelnummer: EB-F016L80610-F016T48048
Netto: 3,60 € zzgl. MwSt.
zzgl. 6,90 € Versand (brutto)
einmalig pro Bestellung

Lieferzeit: 5 Werktage

Pos.
445
BOSCH Schraube M6x16 | Ersatzteile für ELECTRIC CYLINDER E14S | F016L63339
Hersteller: BOSCH
Artikelnummer: EB-F016L80610-F016L63339
Netto: 0,60 € zzgl. MwSt.
zzgl. 6,90 € Versand (brutto)
einmalig pro Bestellung

Lieferzeit: 5 Werktage

Pos.
446
BOSCH Unterlegscheibe 12,1X6,4X1,5 | Ersatzteile für ELECTRIC CYLINDER E14S | F016L18129
Hersteller: BOSCH
Artikelnummer: EB-F016L80610-F016L18129
Netto: 0,60 € zzgl. MwSt.
zzgl. 6,90 € Versand (brutto)
einmalig pro Bestellung

Lieferzeit: 5 Werktage

Pos.
448
BOSCH Teilesatz | Ersatzteile für ELECTRIC CYLINDER E14S | F016103619
Hersteller: BOSCH
Artikelnummer: EB-F016L80610-F016103619
nur Informationsartikel
Nie mehr lieferbar
keine Alternativen
Pos.
450
BOSCH Elektromotor | Ersatzteile für ELECTRIC CYLINDER E14S | F016A58000
Hersteller: BOSCH
Artikelnummer: EB-F016L80610-F016A58000
nur Informationsartikel
Nie mehr lieferbar
keine Alternativen
Pos.
451
BOSCH Sechskantmutter | Ersatzteile für ELECTRIC CYLINDER E14S | F016T40589
Hersteller: BOSCH
Artikelnummer: EB-F016L80610-F016T40589
nur Informationsartikel
Nie mehr lieferbar
keine Alternativen
Pos.
453
BOSCH Scheibe 7/8X33/64 X21G | Ersatzteile für ELECTRIC CYLINDER E14S | F016L08474
Hersteller: BOSCH
Artikelnummer: EB-F016L80610-F016L08474
nur Informationsartikel
Nie mehr lieferbar
keine Alternativen
Pos.
454
BOSCH Sicherungsscheibe | Ersatzteile für ELECTRIC CYLINDER E14S | F016L10273
Hersteller: BOSCH
Artikelnummer: EB-F016L80610-F016L10273
Netto: 0,60 € zzgl. MwSt.
zzgl. 6,90 € Versand (brutto)
einmalig pro Bestellung

Lieferzeit: 5 Werktage

Pos.
518
BOSCH Einstellstück | Ersatzteile für ELECTRIC CYLINDER E14S | F016A58040
Hersteller: BOSCH
Artikelnummer: EB-F016L80610-F016A58040
nur Informationsartikel
Nie mehr lieferbar
keine Alternativen
Pos.
524
BOSCH Beilegring | Ersatzteile für ELECTRIC CYLINDER E14S | F016A57780
Hersteller: BOSCH
Artikelnummer: EB-F016L80610-F016A57780
nur Informationsartikel
Nie mehr lieferbar
keine Alternativen
Pos.
541
BOSCH Zugstange | Ersatzteile für ELECTRIC CYLINDER E14S | F016102048
Hersteller: BOSCH
Artikelnummer: EB-F016L80610-F016102048
nur Informationsartikel
Nie mehr lieferbar
keine Alternativen
Pos.
557
BOSCH Feder | Ersatzteile für ELECTRIC CYLINDER E14S | F016A58316
Hersteller: BOSCH
Artikelnummer: EB-F016L80610-F016A58316
nur Informationsartikel
Nie mehr lieferbar
keine Alternativen
Pos.
558
BOSCH Sicherungsmutter M6 | Ersatzteile für ELECTRIC CYLINDER E14S | F016L35388
Hersteller: BOSCH
Artikelnummer: EB-F016L80610-F016L35388
nur Informationsartikel
Nie mehr lieferbar
keine Alternativen
Pos.
559
BOSCH Distanzstück | Ersatzteile für ELECTRIC CYLINDER E14S | F016A58315
Hersteller: BOSCH
Artikelnummer: EB-F016L80610-F016A58315
nur Informationsartikel
Nie mehr lieferbar
keine Alternativen
Pos.
561
BOSCH Platte | Ersatzteile für ELECTRIC CYLINDER E14S | F016A58217
Hersteller: BOSCH
Artikelnummer: EB-F016L80610-F016A58217
nur Informationsartikel
Nie mehr lieferbar
keine Alternativen

Angaben zur Produktsicherheit

Hersteller:
Robert Bosch Power Tools GmbH
Postfach 30 02 20
70442 Stuttgart

E-Mail:
kontakt@bosch.de