BOSCH Tülle Ø9,2-Ø12x120 MM | Ersatzteile für ELECTRONIC | 3600703011

Artikelnummer: EB-0601120742-3600703011

Position: 6

Marke: BOSCH


Bitte Kompatibilität prüfen!

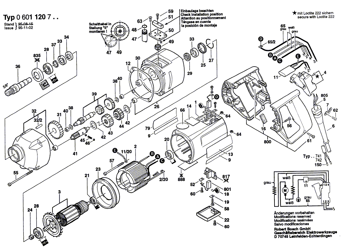
Bitte prüfen Sie unbedingt die 10-stellige Typennummer Ihrer Maschine / Ihres Gerätes. Das Ersatzteil ist nur kompatibel, wenn Sie die Typennummer Ihrer Maschine in der unten stehenden Produktbeschreibung finden.

Bitte prüfen Sie ebenfalls detailliert die Explosionszeichnung mit Ihrem Artikelwunsch und der jeweiligen Pos-Nummer.

Alle Elemente, welche vom schwarzen Strich der Pos-Nummer ausgehend berührt / erfasst werden, gehören zu dieser Pos-Nummer und somit zu diesem Artikel. Jede Pos-Nummer ist ein eigenständiger Artikel, welchen Sie in der Auflistung finden.

Sie erhalten stets die aktuellste, neueste Produktversion zu der gewählten Pos-Nummer seitens des Herstellers. Es kann daher je nach Gerätealter vorkommen, dass Sie ggf. weitere, zugehörige Elemente, welche an diese Pos-Nummer grenzen, ebenfalls mittauschen müssen.

Nähere Informationen finden Sie unter dem Link
Hinweise zu Ihrer BOSCH Ersatzteilsuche

Preisübersicht

Einzelpreis: 4,82 €* (Brutto: 5,74 €)
Gesamtpreis: 4,82 €* 
Position:

Lieferzeit: 5 Werktage


Beschreibung

  • Tülle Ø9,2-Ø12x120 MM
  • Original Bosch Zubehör / BOSCH Ersatzteil (3600703011)
  • im Gerät verbaut: 1
Dieses BOSCH Ersatzteil ist mit folgendem Gerät und Modell kompatibel:
  • BOSCH Gerätename: ELECTRONIC
  • BOSCH Explosionszeichnung: Position 6
  • BOSCH Typennummer: 0601120742
  • BOSCH Typennummer alternative Schreibweisen: 0 601 120 742, 0601 120 742, 0.601.120.742, 0-601-120-742
    Bitte prüfen Sie diese Typennummer auf Ihrem Gerät um die Kompatibilität des BOSCH Ersatzteils zu gewährleisten.
Weitere BOSCH Ersatzteile des Gerätes ELECTRONIC (Bohrmaschine) mit der Typennummer 0601120742 finden Sie in der nachfolgenden Darstellung und im Dropdown zu Ihrer Auswahl:

Pos.
11/20
BOSCH Kabelschuh | Ersatzteile für ELECTRONIC | 1601353003
Hersteller: BOSCH
Artikelnummer: EB-0601120742-1601353003
nur Informationsartikel
Nie mehr lieferbar
keine Alternativen
Pos.
2/20
BOSCH Kabelschuh 1,5-4x4 | Ersatzteile für ELECTRONIC | 1901350003
Hersteller: BOSCH
Artikelnummer: EB-0601120742-1901350003
Netto: 3,63 € zzgl. MwSt.
zzgl. 6,90 € Versand (brutto)
einmalig pro Bestellung

Lieferzeit: 5 Werktage

Pos.
650/1
BOSCH Zusatzhandgriff | Ersatzteile für DRILL | 160202509Z
Hersteller: BOSCH
Artikelnummer: EB-0601120742-16020250A1
Netto: 14,36 € zzgl. MwSt.
zzgl. 6,90 € Versand (brutto)
einmalig pro Bestellung

Lieferzeit: 16 Werktage

Pos.
650/1
BOSCH Zusatzhandgriff M14 SCHWARZ | Ersatzteile für ELECTRONIC | 1602025022
Hersteller: BOSCH
Artikelnummer: EB-0601120742-1602025022
Netto: 11,41 € zzgl. MwSt.
zzgl. 6,90 € Versand (brutto)
einmalig pro Bestellung

Lieferzeit: 5 Werktage

Pos.
650/1
BOSCH Zusatzhandgriff M14, Ø37x115 MM SCHWARZ | Ersatzteile für ELECTRONIC | 1602025030
Hersteller: BOSCH
Artikelnummer: EB-0601120742-1602025030
Netto: 14,92 € zzgl. MwSt.
zzgl. 6,90 € Versand (brutto)
einmalig pro Bestellung

Lieferzeit: 5 Werktage

Pos.
651/8
BOSCH Bohrfutterschlüssel SG2 | Ersatzteile für ELECTRONIC | 2607950011
Hersteller: BOSCH
Artikelnummer: EB-0601120742-2607950011
Netto: 9,95 € zzgl. MwSt.
zzgl. 6,90 € Versand (brutto)
einmalig pro Bestellung

Lieferzeit: 5 Werktage

Pos.
2
BOSCH Polschuh 240V | Ersatzteile für ELECTRONIC | 1604220182
Hersteller: BOSCH
Artikelnummer: EB-0601120742-1604220182
nur Informationsartikel
Nie mehr lieferbar
keine Alternativen
Pos.
3
BOSCH Anker Mit Lüfter 240V | Ersatzteile für ELECTRONIC | 1604010161
Hersteller: BOSCH
Artikelnummer: EB-0601120742-1604010161
nur Informationsartikel
Nie mehr lieferbar
keine Alternativen
Pos.
4
BOSCH Schalter | Ersatzteile für ELECTRONIC | 1607200075
Hersteller: BOSCH
Artikelnummer: EB-0601120742-1607200075
nur Informationsartikel
Nie mehr lieferbar
keine Alternativen
Pos.
6
BOSCH Tülle Ø9,2-Ø12x120 MM | Ersatzteile für ELECTRONIC | 3600703011
Hersteller: BOSCH
Artikelnummer: EB-0601120742-3600703011
Netto: 4,82 € zzgl. MwSt.
zzgl. 6,90 € Versand (brutto)
einmalig pro Bestellung

Lieferzeit: 5 Werktage

Pos.
7
BOSCH Befestigungsschelle | Ersatzteile für ELECTRONIC | 1601302014
Hersteller: BOSCH
Artikelnummer: EB-0601120742-1601302014
Netto: 3,94 € zzgl. MwSt.
zzgl. 6,90 € Versand (brutto)
einmalig pro Bestellung

Lieferzeit: 5 Werktage

Pos.
9
BOSCH Klebeschild | Ersatzteile für ELECTRONIC | 1601110046
Hersteller: BOSCH
Artikelnummer: EB-0601120742-1601110046
nur Informationsartikel
Nie mehr lieferbar
keine Alternativen
Pos.
11
BOSCH Entstörkondensator | Ersatzteile für ELECTRONIC | 1607328024
Hersteller: BOSCH
Artikelnummer: EB-0601120742-1607328024
nur Informationsartikel
Nie mehr lieferbar
keine Alternativen
Pos.
12
BOSCH Dichtplatte | Ersatzteile für ELECTRONIC | 1601015013
Hersteller: BOSCH
Artikelnummer: EB-0601120742-1601015013
Netto: 3,94 € zzgl. MwSt.
zzgl. 6,90 € Versand (brutto)
einmalig pro Bestellung

Lieferzeit: 5 Werktage

Pos.
13
BOSCH Hinweisschild | Ersatzteile für ELECTRONIC | 1601110121
Hersteller: BOSCH
Artikelnummer: EB-0601120742-1601110121
nur Informationsartikel
Nie mehr lieferbar
keine Alternativen
Pos.
16
BOSCH Isolierstreifen 33x10x6 MM | Ersatzteile für ELECTRONIC | 1602381001
Hersteller: BOSCH
Artikelnummer: EB-0601120742-1602381001
nur Informationsartikel
Nie mehr lieferbar
keine Alternativen
Pos.
18
BOSCH Spiralfeder | Ersatzteile für ELECTRONIC | 1604652006
Hersteller: BOSCH
Artikelnummer: EB-0601120742-1604652006
Netto: 3,94 € zzgl. MwSt.
zzgl. 6,90 € Versand (brutto)
einmalig pro Bestellung

Lieferzeit: 5 Werktage

Pos.
19
BOSCH Sicherungsblech | Ersatzteile für ELECTRONIC | 1601030022
Hersteller: BOSCH
Artikelnummer: EB-0601120742-1601030022
Netto: 3,94 € zzgl. MwSt.
zzgl. 6,90 € Versand (brutto)
einmalig pro Bestellung

Lieferzeit: 5 Werktage

Pos.
20
BOSCH Gummibuchse | Ersatzteile für ELECTRONIC | 1600502020
Hersteller: BOSCH
Artikelnummer: EB-0601120742-1600502020
Netto: 4,53 € zzgl. MwSt.
zzgl. 6,90 € Versand (brutto)
einmalig pro Bestellung

Lieferzeit: 5 Werktage

Pos.
21
BOSCH Kugellager 7x19x6 | Ersatzteile für ELECTRONIC | 2600905032
Hersteller: BOSCH
Artikelnummer: EB-0601120742-2600905032
Netto: 6,15 € zzgl. MwSt.
zzgl. 6,90 € Versand (brutto)
einmalig pro Bestellung

Lieferzeit: 25 Werktage

Pos.
23
BOSCH Luftleitring | Ersatzteile für ELECTRONIC | 1600502015
Hersteller: BOSCH
Artikelnummer: EB-0601120742-1600502015
nur Informationsartikel
Nie mehr lieferbar
keine Alternativen
Pos.
24
BOSCH Zwischenring | Ersatzteile für ELECTRONIC | 1600202034
Hersteller: BOSCH
Artikelnummer: EB-0601120742-1600202034
nur Informationsartikel
Nie mehr lieferbar
keine Alternativen
Pos.
25
BOSCH Zwischenring | Ersatzteile für ELECTRONIC | 1600206018
Hersteller: BOSCH
Artikelnummer: EB-0601120742-1600206018
nur Informationsartikel
Nie mehr lieferbar
keine Alternativen
Pos.
26
BOSCH Zwischenlager | Ersatzteile für ELECTRONIC | 1605820214
Hersteller: BOSCH
Artikelnummer: EB-0601120742-1605820214
nur Informationsartikel
Nie mehr lieferbar
keine Alternativen
Pos.
28
BOSCH Rillenkugellager | Ersatzteile für ELECTRONIC | 1600905003
Hersteller: BOSCH
Artikelnummer: EB-0601120742-1600905003
nur Informationsartikel
Nie mehr lieferbar
keine Alternativen
Pos.
29
BOSCH Filzscheibe | Ersatzteile für ELECTRONIC | 1600108003
Hersteller: BOSCH
Artikelnummer: EB-0601120742-1600108003
nur Informationsartikel
Nie mehr lieferbar
keine Alternativen
Pos.
30
BOSCH Nadellager Ø14 MM | Ersatzteile für ELECTRONIC | 2600910001
Hersteller: BOSCH
Artikelnummer: EB-0601120742-2600910001
Netto: 5,67 € zzgl. MwSt.
zzgl. 6,90 € Versand (brutto)
einmalig pro Bestellung

Lieferzeit: 5 Werktage

Pos.
31
BOSCH Stirnrad Z=41 | Ersatzteile für ELECTRONIC | 1606317080
Hersteller: BOSCH
Artikelnummer: EB-0601120742-1606317080
Netto: 24,13 € zzgl. MwSt.
zzgl. 6,90 € Versand (brutto)
einmalig pro Bestellung

Lieferzeit: 5 Werktage

Pos.
32
BOSCH Spindellager M14 | Ersatzteile für ELECTRONIC | 1605806368
Hersteller: BOSCH
Artikelnummer: EB-0601120742-1605806368
Netto: 70,50 € zzgl. MwSt.
zzgl. 6,90 € Versand (brutto)
einmalig pro Bestellung

Lieferzeit: 5 Werktage

Pos.
33
BOSCH Haltering | Ersatzteile für ELECTRONIC | 1610500004
Hersteller: BOSCH
Artikelnummer: EB-0601120742-1610500004
nur Informationsartikel
Nie mehr lieferbar
keine Alternativen
Pos.
34
BOSCH Filzscheibe | Ersatzteile für ELECTRONIC | 1600108058
Hersteller: BOSCH
Artikelnummer: EB-0601120742-1600108058
nur Informationsartikel
Nie mehr lieferbar
keine Alternativen
Pos.
36
BOSCH Bohrspindel 5/8" | Ersatzteile für ELECTRONIC | 1603523087
Hersteller: BOSCH
Artikelnummer: EB-0601120742-1603523087
Netto: 42,86 € zzgl. MwSt.
zzgl. 6,90 € Versand (brutto)
einmalig pro Bestellung

Lieferzeit: 5 Werktage

Pos.
38
BOSCH Ausgleichscheibe 0,5 MM DICK | Ersatzteile für ELECTRONIC | 1600100631
Hersteller: BOSCH
Artikelnummer: EB-0601120742-1600100631
Netto: 3,94 € zzgl. MwSt.
zzgl. 6,90 € Versand (brutto)
einmalig pro Bestellung

Lieferzeit: 5 Werktage

Pos.
39
BOSCH Welle Mit Zahnrad Z=14/24/33 | Ersatzteile für ELECTRONIC | 1606309064
Hersteller: BOSCH
Artikelnummer: EB-0601120742-1606309064
nur Informationsartikel
Nie mehr lieferbar
keine Alternativen
Pos.
40
BOSCH Nadelhülse | Ersatzteile für ELECTRONIC | 1600910013
Hersteller: BOSCH
Artikelnummer: EB-0601120742-1600910013
Netto: 6,70 € zzgl. MwSt.
zzgl. 6,90 € Versand (brutto)
einmalig pro Bestellung

Lieferzeit: 5 Werktage

Pos.
41
BOSCH Zahnwelle Z=17 | Ersatzteile für ELECTRONIC | 1606309063
Hersteller: BOSCH
Artikelnummer: EB-0601120742-1606309063
Netto: 39,11 € zzgl. MwSt.
zzgl. 6,90 € Versand (brutto)
einmalig pro Bestellung

Lieferzeit: 5 Werktage

Pos.
42
BOSCH Ausgleichscheibe 0,6 MM DICK | Ersatzteile für ELECTRONIC | 1600101647
Hersteller: BOSCH
Artikelnummer: EB-0601120742-1600101647
Netto: 4,32 € zzgl. MwSt.
zzgl. 6,90 € Versand (brutto)
einmalig pro Bestellung

Lieferzeit: 5 Werktage

Pos.
43
BOSCH Stirnrad Z=43 | Ersatzteile für ELECTRONIC | 1606317082
Hersteller: BOSCH
Artikelnummer: EB-0601120742-1606317082
Netto: 32,74 € zzgl. MwSt.
zzgl. 6,90 € Versand (brutto)
einmalig pro Bestellung

Lieferzeit: 5 Werktage

Pos.
44
BOSCH Stirnrad Z=32 | Ersatzteile für ELECTRONIC | 1606317074
Hersteller: BOSCH
Artikelnummer: EB-0601120742-1606317074
Netto: 26,88 € zzgl. MwSt.
zzgl. 6,90 € Versand (brutto)
einmalig pro Bestellung

Lieferzeit: 5 Werktage

Pos.
45
BOSCH Druckfeder | Ersatzteile für ELECTRONIC | 1604611022
Hersteller: BOSCH
Artikelnummer: EB-0601120742-1604611022
Netto: 3,94 € zzgl. MwSt.
zzgl. 6,90 € Versand (brutto)
einmalig pro Bestellung

Lieferzeit: 5 Werktage

Pos.
46
BOSCH Kugel DIN 5401-5 G28 | Ersatzteile für ELECTRONIC | 1903230009
Hersteller: BOSCH
Artikelnummer: EB-0601120742-1903230009
Netto: 3,63 € zzgl. MwSt.
zzgl. 6,90 € Versand (brutto)
einmalig pro Bestellung

Lieferzeit: 5 Werktage

Pos.
47
BOSCH Schaltwelle Z=10 | Ersatzteile für ELECTRONIC | 1606325027
Hersteller: BOSCH
Artikelnummer: EB-0601120742-1606325027
Netto: 8,33 € zzgl. MwSt.
zzgl. 6,90 € Versand (brutto)
einmalig pro Bestellung

Lieferzeit: 5 Werktage

Pos.
48
BOSCH O-Ring 8x2,5 MM | Ersatzteile für ELECTRONIC | 1900210105
Hersteller: BOSCH
Artikelnummer: EB-0601120742-1900210105
Netto: 3,94 € zzgl. MwSt.
zzgl. 6,90 € Versand (brutto)
einmalig pro Bestellung

Lieferzeit: 5 Werktage

Pos.
49
BOSCH Schaltwelle Z=20 | Ersatzteile für ELECTRONIC | 1606325025
Hersteller: BOSCH
Artikelnummer: EB-0601120742-1606325025
Netto: 4,82 € zzgl. MwSt.
zzgl. 6,90 € Versand (brutto)
einmalig pro Bestellung

Lieferzeit: 5 Werktage

Pos.
50
BOSCH Rastplatte | Ersatzteile für ELECTRONIC | 1601038025
Hersteller: BOSCH
Artikelnummer: EB-0601120742-1601038025
Netto: 3,94 € zzgl. MwSt.
zzgl. 6,90 € Versand (brutto)
einmalig pro Bestellung

Lieferzeit: 5 Werktage

Pos.
51
BOSCH Schalthebel | Ersatzteile für ELECTRONIC | 1602026044
Hersteller: BOSCH
Artikelnummer: EB-0601120742-1602026044
Netto: 7,76 € zzgl. MwSt.
zzgl. 6,90 € Versand (brutto)
einmalig pro Bestellung

Lieferzeit: 5 Werktage

Pos.
52
BOSCH Sicherungsblech | Ersatzteile für ELECTRONIC | 1611331007
Hersteller: BOSCH
Artikelnummer: EB-0601120742-1611331007
nur Informationsartikel
Nie mehr lieferbar
keine Alternativen
Pos.
55
BOSCH Blechschraube B4,8x115 MM | Ersatzteile für ELECTRONIC | 1603435015
Hersteller: BOSCH
Artikelnummer: EB-0601120742-1603435015
nur Informationsartikel
Nie mehr lieferbar
keine Alternativen
Pos.
56
BOSCH Torx-Linsenschraube | Ersatzteile für ELECTRONIC | 2914201527
Hersteller: BOSCH
Artikelnummer: EB-0601120742-2914201527
Netto: 4,32 € zzgl. MwSt.
zzgl. 6,90 € Versand (brutto)
einmalig pro Bestellung

Lieferzeit: 5 Werktage

Pos.
57
BOSCH Blechschraube B4,8x50 MM | Ersatzteile für ELECTRONIC | 1603435012
Hersteller: BOSCH
Artikelnummer: EB-0601120742-1603435012
Netto: 3,94 € zzgl. MwSt.
zzgl. 6,90 € Versand (brutto)
einmalig pro Bestellung

Lieferzeit: 5 Werktage

Pos.
58
BOSCH Blechschraube DIN 7971-BZ3,5x13 | Ersatzteile für ELECTRONIC | 2910211011
Hersteller: BOSCH
Artikelnummer: EB-0601120742-2910211011
Netto: 3,63 € zzgl. MwSt.
zzgl. 6,90 € Versand (brutto)
einmalig pro Bestellung

Lieferzeit: 5 Werktage

Pos.
59
BOSCH Blechschraube DIN 7971-ST3,9x16-F | Ersatzteile für ELECTRONIC | 2910211019
Hersteller: BOSCH
Artikelnummer: EB-0601120742-2910211019
Netto: 3,63 € zzgl. MwSt.
zzgl. 6,90 € Versand (brutto)
einmalig pro Bestellung

Lieferzeit: 5 Werktage

Pos.
60
BOSCH Zylinderschraube DIN 84-AM4x8-8.8 | Ersatzteile für ELECTRONIC | 2910021118
Hersteller: BOSCH
Artikelnummer: EB-0601120742-2910021118
Netto: 3,63 € zzgl. MwSt.
zzgl. 6,90 € Versand (brutto)
einmalig pro Bestellung

Lieferzeit: 5 Werktage

Pos.
61
BOSCH Blechschraube DIN 7971-B 3,9x19 | Ersatzteile für ELECTRONIC | 2910211220
Hersteller: BOSCH
Artikelnummer: EB-0601120742-2910211220
nur Informationsartikel
Nie mehr lieferbar
keine Alternativen
Pos.
62
BOSCH Zylinderschraube DIN 84-AM4x6-8.8 | Ersatzteile für ELECTRONIC | 2910021116
Hersteller: BOSCH
Artikelnummer: EB-0601120742-2910021116
Netto: 4,32 € zzgl. MwSt.
zzgl. 6,90 € Versand (brutto)
einmalig pro Bestellung

Lieferzeit: 5 Werktage

Pos.
63
BOSCH Senkschraube AM 4x10 DIN 63-8.8 | Ersatzteile für ELECTRONIC | 2910511120
Hersteller: BOSCH
Artikelnummer: EB-0601120742-2910511120
nur Informationsartikel
Nie mehr lieferbar
keine Alternativen
Pos.
64
BOSCH Sechskantmutter DIN 934 -M4-m-8 | Ersatzteile für ELECTRONIC | 2915011005
Hersteller: BOSCH
Artikelnummer: EB-0601120742-2915011005
Netto: 3,63 € zzgl. MwSt.
zzgl. 6,90 € Versand (brutto)
einmalig pro Bestellung

Lieferzeit: 5 Werktage

Pos.
65
BOSCH Verbindungsleitung L=290 MM GRAU | Ersatzteile für ELECTRONIC | 1604445006
Hersteller: BOSCH
Artikelnummer: EB-0601120742-1604445006
Netto: 6,70 € zzgl. MwSt.
zzgl. 6,90 € Versand (brutto)
einmalig pro Bestellung

Lieferzeit: 5 Werktage

Pos.
66
BOSCH Klebeschild GELB | Ersatzteile für ELECTRONIC | 2601110041
Hersteller: BOSCH
Artikelnummer: EB-0601120742-2601110041
nur Informationsartikel
Nie mehr lieferbar
keine Alternativen
Pos.
150
BOSCH Aderendhülse DIN 46 228-A1-6 | Ersatzteile für ELECTRONIC | 1900452012
Hersteller: BOSCH
Artikelnummer: EB-0601120742-1900452012
Netto: 3,94 € zzgl. MwSt.
zzgl. 6,90 € Versand (brutto)
einmalig pro Bestellung

Lieferzeit: 5 Werktage

Pos.
650
BOSCH Zusatzhandgriff Ø43 MM | Ersatzteile für ELECTRONIC | 3602025021
Hersteller: BOSCH
Artikelnummer: EB-0601120742-3602025021
Netto: 35,77 € zzgl. MwSt.
zzgl. 6,90 € Versand (brutto)
einmalig pro Bestellung

Lieferzeit: 5 Werktage

Pos.
800
BOSCH Handgriff DUNKELBLAU | Ersatzteile für ELECTRONIC | 3605133012
Hersteller: BOSCH
Artikelnummer: EB-0601120742-3605133012
nur Informationsartikel
Nie mehr lieferbar
keine Alternativen
Pos.
800
BOSCH Handgriff SCHWARZ | Ersatzteile für DRILL | 3605133019
Hersteller: BOSCH
Artikelnummer: EB-0601120742-3605133019
nur Informationsartikel
Nie mehr lieferbar
keine Alternativen
Pos.
801
BOSCH Kohlebürstensatz | Ersatzteile für ELECTRONIC | 1607014126
Hersteller: BOSCH
Artikelnummer: EB-0601120742-1607014126
Netto: 14,36 € zzgl. MwSt.
zzgl. 6,90 € Versand (brutto)
einmalig pro Bestellung

Lieferzeit: 5 Werktage

Pos.
805
BOSCH Netzanschlussleitung EU 4,15m 2 x 1,0mm H07 RN-F | Ersatzteile für ELECTRONIC | 1607000227
Hersteller: BOSCH
Artikelnummer: EB-0601120742-1607000227
Netto: 21,16 € zzgl. MwSt.
zzgl. 6,90 € Versand (brutto)
einmalig pro Bestellung

Lieferzeit: 5 Werktage

Pos.
817
BOSCH Bürstenhalter | Ersatzteile für ELECTRONIC | 1604336017
Hersteller: BOSCH
Artikelnummer: EB-0601120742-1604336017
Netto: 7,76 € zzgl. MwSt.
zzgl. 6,90 € Versand (brutto)
einmalig pro Bestellung

Lieferzeit: 5 Werktage

Pos.
888
BOSCH Typschild | Ersatzteile für ELECTRONIC | 160111A3H3
Hersteller: BOSCH
Artikelnummer: EB-0601120742-160111A3H3
Netto: 4,53 € zzgl. MwSt.
zzgl. 6,90 € Versand (brutto)
einmalig pro Bestellung

Lieferzeit: 5 Werktage

Angaben zur Produktsicherheit

Hersteller:
Robert Bosch Power Tools GmbH
Postfach 30 02 20
70442 Stuttgart

E-Mail:
kontakt@bosch.de