BOSCH Kugel 4,5 MM III DIN 5401-ST | Ersatzteile für EXACT 700 | 1903230008

Artikelnummer: EB-0602490447-1903230008

Position: 128

Marke: BOSCH


Bitte Kompatibilität prüfen!

Bitte prüfen Sie unbedingt die 10-stellige Typennummer Ihrer Maschine / Ihres Gerätes. Das Ersatzteil ist nur kompatibel, wenn Sie die Typennummer Ihrer Maschine in der unten stehenden Produktbeschreibung finden.

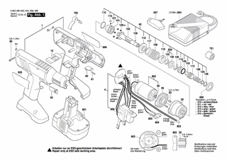
Bitte prüfen Sie ebenfalls detailliert die Explosionszeichnung mit Ihrem Artikelwunsch und der jeweiligen Pos-Nummer.

Alle Elemente, welche vom schwarzen Strich der Pos-Nummer ausgehend berührt / erfasst werden, gehören zu dieser Pos-Nummer und somit zu diesem Artikel. Jede Pos-Nummer ist ein eigenständiger Artikel, welchen Sie in der Auflistung finden.

Sie erhalten stets die aktuellste, neueste Produktversion zu der gewählten Pos-Nummer seitens des Herstellers. Es kann daher je nach Gerätealter vorkommen, dass Sie ggf. weitere, zugehörige Elemente, welche an diese Pos-Nummer grenzen, ebenfalls mittauschen müssen.

Nähere Informationen finden Sie unter dem Link
Hinweise zu Ihrer BOSCH Ersatzteilsuche

Preisübersicht

Einzelpreis: 3,63 €* (Brutto: 4,32 €)
Gesamtpreis: 3,63 €* 
Position:

Lieferzeit: 5 Werktage


Beschreibung

  • Kugel 4,5 MM III DIN 5401-ST
  • Original Bosch Zubehör / BOSCH Ersatzteil (1903230008)
  • im Gerät verbaut: 6
Dieses BOSCH Ersatzteil ist mit folgendem Gerät und Modell kompatibel:
  • BOSCH Gerätename: EXACT 700
  • BOSCH Explosionszeichnung: Position 128
  • BOSCH Typennummer: 0602490447
  • BOSCH Typennummer alternative Schreibweisen: 0 602 490 447, 0602 490 447, 0.602.490.447, 0-602-490-447
    Bitte prüfen Sie diese Typennummer auf Ihrem Gerät um die Kompatibilität des BOSCH Ersatzteils zu gewährleisten.
Weitere BOSCH Ersatzteile des Gerätes EXACT 700 (Akku-Schrauber) mit der Typennummer 0602490447 finden Sie in der nachfolgenden Darstellung und im Dropdown zu Ihrer Auswahl:

Pos.
1
BOSCH Gehäuseschale | Ersatzteile für EXACT 700 | 3605105016
Hersteller: BOSCH
Artikelnummer: EB-0602490447-3605105016
Netto: 24,13 € zzgl. MwSt.
zzgl. 6,90 € Versand (brutto)
einmalig pro Bestellung

Lieferzeit: 5 Werktage

Pos.
113
BOSCH Klemmbuchse | Ersatzteile für EXACT 700 | 3600499023
Hersteller: BOSCH
Artikelnummer: EB-0602490447-3600499023
Netto: 15,75 € zzgl. MwSt.
zzgl. 6,90 € Versand (brutto)
einmalig pro Bestellung

Lieferzeit: 5 Werktage

Pos.
10
BOSCH Schaltschieber | Ersatzteile für EXACT 700 | 3601099003
Hersteller: BOSCH
Artikelnummer: EB-0602490447-3601099003
Netto: 4,82 € zzgl. MwSt.
zzgl. 6,90 € Versand (brutto)
einmalig pro Bestellung

Lieferzeit: 5 Werktage

Pos.
20
BOSCH Ritzel Z=9 | Ersatzteile für EXACT 700 | 2606316164
Hersteller: BOSCH
Artikelnummer: EB-0602490447-2606316164
Netto: 5,67 € zzgl. MwSt.
zzgl. 6,90 € Versand (brutto)
einmalig pro Bestellung

Lieferzeit: 5 Werktage

Pos.
4
BOSCH EL-Baugruppe | Ersatzteile für EXACT 700 | 3607200107
Hersteller: BOSCH
Artikelnummer: EB-0602490447-3607200107
Netto: 270,89 € zzgl. MwSt.
zzgl. 6,90 € Versand (brutto)
einmalig pro Bestellung

Lieferzeit: 5 Werktage

Pos.
29
BOSCH Zwischenflansch | Ersatzteile für EXACT 700 | 2605719008
Hersteller: BOSCH
Artikelnummer: EB-0602490447-2605719008
Netto: 5,19 € zzgl. MwSt.
zzgl. 6,90 € Versand (brutto)
einmalig pro Bestellung

Lieferzeit: 5 Werktage

Pos.
30
BOSCH Planetengetriebe | Ersatzteile für EXACT 700 | 3607030443
Hersteller: BOSCH
Artikelnummer: EB-0602490447-3607030443
nur Informationsartikel
Nie mehr lieferbar
keine Alternativen
Pos.
40
BOSCH Bausatz | Ersatzteile für EXACT 700 | 3607031535
Hersteller: BOSCH
Artikelnummer: EB-0602490447-3607031535
Netto: 241,95 € zzgl. MwSt.
zzgl. 6,90 € Versand (brutto)
einmalig pro Bestellung

Lieferzeit: 5 Werktage

Pos.
60
BOSCH Schaltstück | Ersatzteile für EXACT 700 | 3601923022
Hersteller: BOSCH
Artikelnummer: EB-0602490447-3601923022
Netto: 6,15 € zzgl. MwSt.
zzgl. 6,90 € Versand (brutto)
einmalig pro Bestellung

Lieferzeit: 5 Werktage

Pos.
61
BOSCH Druckfeder | Ersatzteile für EXACT 700 | 3604611022
Hersteller: BOSCH
Artikelnummer: EB-0602490447-3604611022
Netto: 5,19 € zzgl. MwSt.
zzgl. 6,90 € Versand (brutto)
einmalig pro Bestellung

Lieferzeit: 5 Werktage

Pos.
62
BOSCH Schieber | Ersatzteile für EXACT 700 | 3601923029
Hersteller: BOSCH
Artikelnummer: EB-0602490447-3601923029
Netto: 6,15 € zzgl. MwSt.
zzgl. 6,90 € Versand (brutto)
einmalig pro Bestellung

Lieferzeit: 5 Werktage

Pos.
71
BOSCH Lichtleiter | Ersatzteile für EXACT 700 | 3604460132
Hersteller: BOSCH
Artikelnummer: EB-0602490447-3604460132
Netto: 4,82 € zzgl. MwSt.
zzgl. 6,90 € Versand (brutto)
einmalig pro Bestellung

Lieferzeit: 5 Werktage

Pos.
80
BOSCH Torx-Linsenschraube 3x18 | Ersatzteile für EXACT 700 | 2603490018
Hersteller: BOSCH
Artikelnummer: EB-0602490447-2603490018
Netto: 3,63 € zzgl. MwSt.
zzgl. 6,90 € Versand (brutto)
einmalig pro Bestellung

Lieferzeit: 5 Werktage

Pos.
82
BOSCH Torx-Zylinderschraube M4x8-4,8-Z | Ersatzteile für EXACT 700 | 2603414049
Hersteller: BOSCH
Artikelnummer: EB-0602490447-2603414049
nur Informationsartikel
Nie mehr lieferbar
keine Alternativen
Pos.
101
BOSCH Kupplungsteil | Ersatzteile für EXACT 700 | 3606445043
Hersteller: BOSCH
Artikelnummer: EB-0602490447-3606445043
Netto: 96,32 € zzgl. MwSt.
zzgl. 6,90 € Versand (brutto)
einmalig pro Bestellung

Lieferzeit: 5 Werktage

Pos.
102
BOSCH Abtriebswelle | Ersatzteile für EXACT 700 | 3603124023
Hersteller: BOSCH
Artikelnummer: EB-0602490447-3603124023
Netto: 63,99 € zzgl. MwSt.
zzgl. 6,90 € Versand (brutto)
einmalig pro Bestellung

Lieferzeit: 5 Werktage

Pos.
106
BOSCH Druckfeder | Ersatzteile für EXACT 700 | 3604610011
Hersteller: BOSCH
Artikelnummer: EB-0602490447-3604610011
Netto: 4,82 € zzgl. MwSt.
zzgl. 6,90 € Versand (brutto)
einmalig pro Bestellung

Lieferzeit: 5 Werktage

Pos.
109
BOSCH Druckfeder BLAU | Ersatzteile für EXACT 700 | 3604619020
Hersteller: BOSCH
Artikelnummer: EB-0602490447-3604619020
Netto: 6,70 € zzgl. MwSt.
zzgl. 6,90 € Versand (brutto)
einmalig pro Bestellung

Lieferzeit: 5 Werktage

Pos.
110
BOSCH Sprengring | Ersatzteile für EXACT 700 | 3600224053
Hersteller: BOSCH
Artikelnummer: EB-0602490447-3600224053
Netto: 3,94 € zzgl. MwSt.
zzgl. 6,90 € Versand (brutto)
einmalig pro Bestellung

Lieferzeit: 5 Werktage

Pos.
114
BOSCH Gleitlager | Ersatzteile für EXACT 700 | 3600921001
Hersteller: BOSCH
Artikelnummer: EB-0602490447-3600921001
Netto: 9,18 € zzgl. MwSt.
zzgl. 6,90 € Versand (brutto)
einmalig pro Bestellung

Lieferzeit: 5 Werktage

Pos.
115
BOSCH Verschlussplatte | Ersatzteile für EXACT 700 | 3601023011
Hersteller: BOSCH
Artikelnummer: EB-0602490447-3601023011
Netto: 4,53 € zzgl. MwSt.
zzgl. 6,90 € Versand (brutto)
einmalig pro Bestellung

Lieferzeit: 5 Werktage

Pos.
116
BOSCH Einstellring | Ersatzteile für EXACT 700 | 3600134014
Hersteller: BOSCH
Artikelnummer: EB-0602490447-3600134014
Netto: 26,88 € zzgl. MwSt.
zzgl. 6,90 € Versand (brutto)
einmalig pro Bestellung

Lieferzeit: 5 Werktage

Pos.
117
BOSCH Unterlegscheibe 0,5 MM DICK | Ersatzteile für EXACT 700 | 1600101023
Hersteller: BOSCH
Artikelnummer: EB-0602490447-1600101023
Netto: 3,94 € zzgl. MwSt.
zzgl. 6,90 € Versand (brutto)
einmalig pro Bestellung

Lieferzeit: 5 Werktage

Pos.
119
BOSCH Lagerscheibe | Ersatzteile für EXACT 700 | 3600190036
Hersteller: BOSCH
Artikelnummer: EB-0602490447-3600190036
Netto: 8,13 € zzgl. MwSt.
zzgl. 6,90 € Versand (brutto)
einmalig pro Bestellung

Lieferzeit: 5 Werktage

Pos.
120
BOSCH Rastscheibe | Ersatzteile für EXACT 700 | 3603344046
Hersteller: BOSCH
Artikelnummer: EB-0602490447-3603344046
Netto: 29,45 € zzgl. MwSt.
zzgl. 6,90 € Versand (brutto)
einmalig pro Bestellung

Lieferzeit: 5 Werktage

Pos.
125
BOSCH Stützring | Ersatzteile für EXACT 700 | 3600202020
Hersteller: BOSCH
Artikelnummer: EB-0602490447-3600202020
Netto: 9,41 € zzgl. MwSt.
zzgl. 6,90 € Versand (brutto)
einmalig pro Bestellung

Lieferzeit: 5 Werktage

Pos.
126
BOSCH Sprengring | Ersatzteile für EXACT 700 | 3600224006
Hersteller: BOSCH
Artikelnummer: EB-0602490447-3600224006
Netto: 4,82 € zzgl. MwSt.
zzgl. 6,90 € Versand (brutto)
einmalig pro Bestellung

Lieferzeit: 5 Werktage

Pos.
127
BOSCH Kugel DIN 5401-3,5 MM-III-ST | Ersatzteile für EXACT 700 | 1903230006
Hersteller: BOSCH
Artikelnummer: EB-0602490447-1903230006
Netto: 4,32 € zzgl. MwSt.
zzgl. 6,90 € Versand (brutto)
einmalig pro Bestellung

Lieferzeit: 5 Werktage

Pos.
128
BOSCH Kugel 4,5 MM III DIN 5401-ST | Ersatzteile für EXACT 700 | 1903230008
Hersteller: BOSCH
Artikelnummer: EB-0602490447-1903230008
Netto: 3,63 € zzgl. MwSt.
zzgl. 6,90 € Versand (brutto)
einmalig pro Bestellung

Lieferzeit: 5 Werktage

Pos.
129
BOSCH Kugel DIN 5401-2,5MM-III-ST | Ersatzteile für EXACT 700 | 1903230003
Hersteller: BOSCH
Artikelnummer: EB-0602490447-1903230003
Netto: 4,32 € zzgl. MwSt.
zzgl. 6,90 € Versand (brutto)
einmalig pro Bestellung

Lieferzeit: 5 Werktage

Pos.
140
BOSCH Sicherungsscheibe DIN 6799-9-FSt | Ersatzteile für EXACT 700 | 2916080012
Hersteller: BOSCH
Artikelnummer: EB-0602490447-2916080012
Netto: 3,94 € zzgl. MwSt.
zzgl. 6,90 € Versand (brutto)
einmalig pro Bestellung

Lieferzeit: 5 Werktage

Pos.
143
BOSCH O-Ring 9,0x1,2 MM | Ersatzteile für EXACT 700 | 3600210038
Hersteller: BOSCH
Artikelnummer: EB-0602490447-3600210038
Netto: 4,53 € zzgl. MwSt.
zzgl. 6,90 € Versand (brutto)
einmalig pro Bestellung

Lieferzeit: 5 Werktage

Pos.
145
BOSCH O-Ring | Ersatzteile für EXACT 700 | 3600210116
Hersteller: BOSCH
Artikelnummer: EB-0602490447-3600210116
Netto: 4,82 € zzgl. MwSt.
zzgl. 6,90 € Versand (brutto)
einmalig pro Bestellung

Lieferzeit: 5 Werktage

Pos.
657
BOSCH Schraubendreher | Ersatzteile für EXACT 700 | 3607950027
Hersteller: BOSCH
Artikelnummer: EB-0602490447-3607950027
Netto: 14,36 € zzgl. MwSt.
zzgl. 6,90 € Versand (brutto)
einmalig pro Bestellung

Lieferzeit: 5 Werktage

Pos.
750
BOSCH Aufhängebügel | Ersatzteile für EXACT 700 | 3601923024
Hersteller: BOSCH
Artikelnummer: EB-0602490447-3601923024
Netto: 9,95 € zzgl. MwSt.
zzgl. 6,90 € Versand (brutto)
einmalig pro Bestellung

Lieferzeit: 5 Werktage

Pos.
751
BOSCH Schutzkappe 5 STUECK | Ersatzteile für EXACT 700 | 3605500210
Hersteller: BOSCH
Artikelnummer: EB-0602490447-3605500210
Netto: 17,38 € zzgl. MwSt.
zzgl. 6,90 € Versand (brutto)
einmalig pro Bestellung

Lieferzeit: 5 Werktage

Pos.
801
BOSCH Einschub-Akkupaket 12V-2,6Ah,NiMh | Ersatzteile für EXACT 700 | 2607335683
Hersteller: BOSCH
Artikelnummer: EB-0602490447-2607335683
Netto: 135,20 € zzgl. MwSt.
zzgl. 6,90 € Versand (brutto)
einmalig pro Bestellung

Lieferzeit: 5 Werktage

Pos.
804
BOSCH Mikroschalter | Ersatzteile für EXACT 700 | 3609202762
Hersteller: BOSCH
Artikelnummer: EB-0602490447-3609202762
Netto: 26,88 € zzgl. MwSt.
zzgl. 6,90 € Versand (brutto)
einmalig pro Bestellung

Lieferzeit: 5 Werktage

Pos.
805
BOSCH Steckersatz | Ersatzteile für EXACT 700 | 3609202766
Hersteller: BOSCH
Artikelnummer: EB-0602490447-3609202766
Netto: 7,30 € zzgl. MwSt.
zzgl. 6,90 € Versand (brutto)
einmalig pro Bestellung

Lieferzeit: 5 Werktage

Pos.
806
BOSCH Schalter | Ersatzteile für EXACT 700 | 3607200083
Hersteller: BOSCH
Artikelnummer: EB-0602490447-3607200083
Netto: 47,09 € zzgl. MwSt.
zzgl. 6,90 € Versand (brutto)
einmalig pro Bestellung

Lieferzeit: 5 Werktage

Pos.
820
BOSCH Rastscheibe | Ersatzteile für EXACT 700 | 3603344047
Hersteller: BOSCH
Artikelnummer: EB-0602490447-3603344047
Netto: 21,16 € zzgl. MwSt.
zzgl. 6,90 € Versand (brutto)
einmalig pro Bestellung

Lieferzeit: 5 Werktage

Pos.
854
BOSCH Schnell-Lader AUS 240/7,2-24V, 30 MIN. | Ersatzteile für EXACT 700 | 2607225031
Hersteller: BOSCH
Artikelnummer: EB-0602490447-2607225031
nur Informationsartikel
Nie mehr lieferbar
keine Alternativen
Pos.
854
BOSCH Schnell-Lader EU 230/7,2-24V, 30 MIN. | Ersatzteile für EXACT 700 | 2607225027
Hersteller: BOSCH
Artikelnummer: EB-0602490447-2607225027
Netto: 106,72 € zzgl. MwSt.
zzgl. 6,90 € Versand (brutto)
einmalig pro Bestellung

Lieferzeit: 5 Werktage

Pos.
854
BOSCH Schnell-Lader GB 230/7,2-24V, 30 MIN. | Ersatzteile für EXACT 700 | 2607225029
Hersteller: BOSCH
Artikelnummer: EB-0602490447-2607225029
nur Informationsartikel
Nie mehr lieferbar
keine Alternativen
Pos.
854
BOSCH Schnell-Lader ROK 220/7,2-24V, 30 MIN. | Ersatzteile für EXACT 700 | 2607225039
Hersteller: BOSCH
Artikelnummer: EB-0602490447-2607225039
nur Informationsartikel
Nie mehr lieferbar
keine Alternativen
Pos.
854
BOSCH Schnell-Lader USA 120/7,2-24V, 30 MIN. | Ersatzteile für EXACT 700 | 2607225033
Hersteller: BOSCH
Artikelnummer: EB-0602490447-2607225033
nur Informationsartikel
Nie mehr lieferbar
keine Alternativen
Pos.
890
BOSCH Teilesatz 5 STUECK | Ersatzteile für EXACT 700 | 3600106015
Hersteller: BOSCH
Artikelnummer: EB-0602490447-3600106015
Netto: 24,13 € zzgl. MwSt.
zzgl. 6,90 € Versand (brutto)
einmalig pro Bestellung

Lieferzeit: 5 Werktage

Pos.
890
BOSCH Teilesatz 5 STUECK HELLBLAU | Ersatzteile für EXACT 700 | 3600106012
Hersteller: BOSCH
Artikelnummer: EB-0602490447-3600106012
Netto: 21,16 € zzgl. MwSt.
zzgl. 6,90 € Versand (brutto)
einmalig pro Bestellung

Lieferzeit: 5 Werktage

Pos.
890
BOSCH Teilesatz 5 STUECK HELLGRUEN | Ersatzteile für EXACT 700 | 3600106013
Hersteller: BOSCH
Artikelnummer: EB-0602490447-3600106013
Netto: 17,38 € zzgl. MwSt.
zzgl. 6,90 € Versand (brutto)
einmalig pro Bestellung

Lieferzeit: 5 Werktage

Pos.
890
BOSCH Teilesatz 5 STUECK ORANGE | Ersatzteile für EXACT 700 | 3600106014
Hersteller: BOSCH
Artikelnummer: EB-0602490447-3600106014
Netto: 21,16 € zzgl. MwSt.
zzgl. 6,90 € Versand (brutto)
einmalig pro Bestellung

Lieferzeit: 5 Werktage

Pos.
890
BOSCH Teilesatz 5 STUECK ROT | Ersatzteile für EXACT 700 | 3600106011
Hersteller: BOSCH
Artikelnummer: EB-0602490447-3600106011
Netto: 17,38 € zzgl. MwSt.
zzgl. 6,90 € Versand (brutto)
einmalig pro Bestellung

Lieferzeit: 5 Werktage

Pos.
890
BOSCH Teilesatz 5 STUECK SCHWARZ | Ersatzteile für EXACT 700 | 3600106010
Hersteller: BOSCH
Artikelnummer: EB-0602490447-3600106010
Netto: 17,38 € zzgl. MwSt.
zzgl. 6,90 € Versand (brutto)
einmalig pro Bestellung

Lieferzeit: 5 Werktage

Pos.
99
BOSCH Hinweisschild | Ersatzteile für EXACT 700 | 3601119236
Hersteller: BOSCH
Artikelnummer: EB-0602490447-3601119236
Netto: 5,19 € zzgl. MwSt.
zzgl. 6,90 € Versand (brutto)
einmalig pro Bestellung

Lieferzeit: 5 Werktage

Pos.
BOSCH Klemmbuchse | Ersatzteile für EXACT 700 | 3600499025
Hersteller: BOSCH
Artikelnummer:
Netto: 5,67 € zzgl. MwSt.
zzgl. 6,90 € Versand (brutto)
einmalig pro Bestellung

Lieferzeit: 5 Werktage

Pos.
122
BOSCH Distanzscheibe | Ersatzteile für EXACT 700 | 3600101052
Hersteller: BOSCH
Artikelnummer: EB-0602490447-3600101052
Netto: 8,33 € zzgl. MwSt.
zzgl. 6,90 € Versand (brutto)
einmalig pro Bestellung

Lieferzeit: 5 Werktage

Pos.
125
BOSCH Druckring | Ersatzteile für EXACT 700 | 3600202022
Hersteller: BOSCH
Artikelnummer: EB-0602490447-3600202022
Netto: 4,53 € zzgl. MwSt.
zzgl. 6,90 € Versand (brutto)
einmalig pro Bestellung

Lieferzeit: 5 Werktage

Pos.
802
BOSCH Gleichstrommotor 12V | Ersatzteile für EXACT 700 | 3607031577
Hersteller: BOSCH
Artikelnummer: EB-0602490447-3607031577
Netto: 77,60 € zzgl. MwSt.
zzgl. 6,90 € Versand (brutto)
einmalig pro Bestellung

Lieferzeit: 5 Werktage

Pos.
803
BOSCH Leuchtdiode | Ersatzteile für EXACT 700 | 3609202764
Hersteller: BOSCH
Artikelnummer: EB-0602490447-3609202764
Netto: 21,16 € zzgl. MwSt.
zzgl. 6,90 € Versand (brutto)
einmalig pro Bestellung

Lieferzeit: 5 Werktage

Pos.
854
BOSCH Schnell-Lader J 100/7,2-24V, 1h | Ersatzteile für EXACT 700 | 2607224435
Hersteller: BOSCH
Artikelnummer: EB-0602490447-2607224435
Netto: 101,78 € zzgl. MwSt.
zzgl. 6,90 € Versand (brutto)
einmalig pro Bestellung

Lieferzeit: 5 Werktage

Pos.
854
BOSCH Schnell-Lader SAM 115/7,2-24V, 15 MIN. | Ersatzteile für EXACT 700 | 2607225035
Hersteller: BOSCH
Artikelnummer: EB-0602490447-2607224435
nur Informationsartikel
Nie mehr lieferbar
keine Alternativen
Pos.
855
BOSCH Typschild | Ersatzteile für EXACT 700 | 16070312BY
Hersteller: BOSCH
Artikelnummer: EB-0602490447-16070312BY
Netto: 8,33 € zzgl. MwSt.
zzgl. 6,90 € Versand (brutto)
einmalig pro Bestellung

Lieferzeit: 5 Werktage

Pos.
866
BOSCH Firmenschild | Ersatzteile für EXACT 700 | 3601119887
Hersteller: BOSCH
Artikelnummer: EB-0602490447-3601119887
Netto: 5,19 € zzgl. MwSt.
zzgl. 6,90 € Versand (brutto)
einmalig pro Bestellung

Lieferzeit: 5 Werktage

Angaben zur Produktsicherheit

Hersteller:
Robert Bosch Power Tools GmbH
Postfach 30 02 20
70442 Stuttgart

E-Mail:
kontakt@bosch.de