BOSCH O-Ring 10,0x3,5 MM | Ersatzteile für GAH 350 SRE | 1610210073

Artikelnummer: EB-0611237738-1610210073

Position: 60

Marke: BOSCH


Bitte Kompatibilität prüfen!

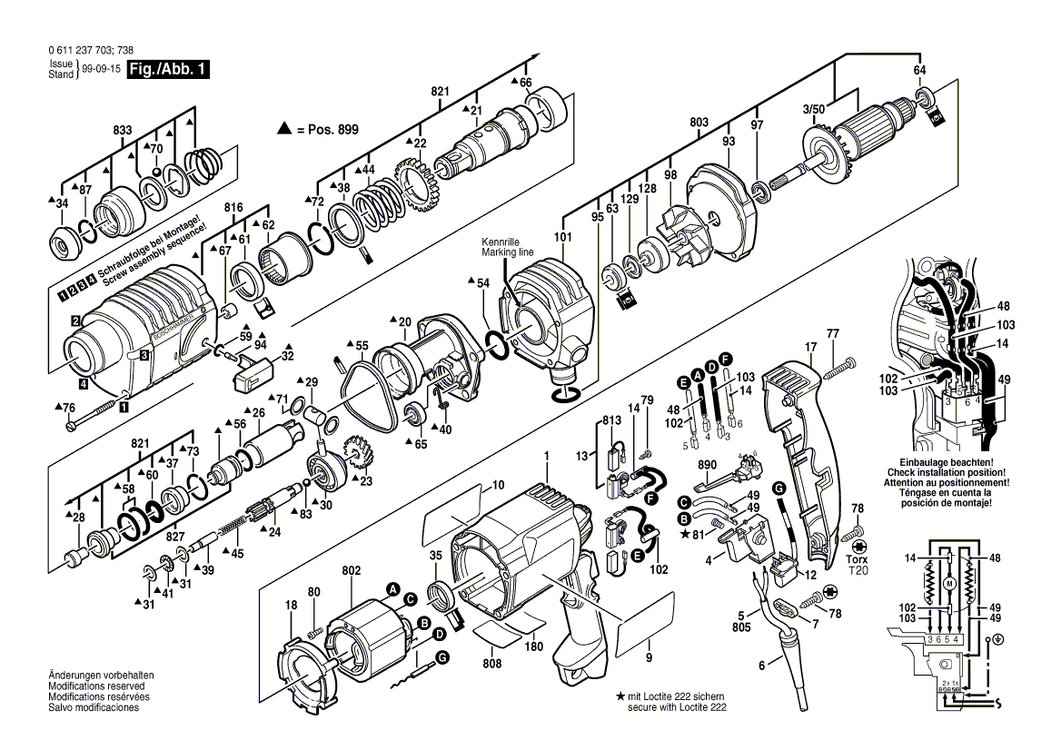
Bitte prüfen Sie unbedingt die 10-stellige Typennummer Ihrer Maschine / Ihres Gerätes. Das Ersatzteil ist nur kompatibel, wenn Sie die Typennummer Ihrer Maschine in der unten stehenden Produktbeschreibung finden.

Bitte prüfen Sie ebenfalls detailliert die Explosionszeichnung mit Ihrem Artikelwunsch und der jeweiligen Pos-Nummer.

Alle Elemente, welche vom schwarzen Strich der Pos-Nummer ausgehend berührt / erfasst werden, gehören zu dieser Pos-Nummer und somit zu diesem Artikel. Jede Pos-Nummer ist ein eigenständiger Artikel, welchen Sie in der Auflistung finden.

Sie erhalten stets die aktuellste, neueste Produktversion zu der gewählten Pos-Nummer seitens des Herstellers. Es kann daher je nach Gerätealter vorkommen, dass Sie ggf. weitere, zugehörige Elemente, welche an diese Pos-Nummer grenzen, ebenfalls mittauschen müssen.

Nähere Informationen finden Sie unter dem Link
Hinweise zu Ihrer BOSCH Ersatzteilsuche

Preisübersicht

Einzelpreis: 4,36 €* (Brutto: 5,19 €)
Gesamtpreis: 4,36 €* 
Position:

Lieferzeit: 5 Werktage


Beschreibung

  • O-Ring 10,0x3,5 MM
  • Original Bosch Zubehör / BOSCH Ersatzteil (1610210073)
  • im Gerät verbaut: 1
Dieses BOSCH Ersatzteil ist mit folgendem Gerät und Modell kompatibel:
  • BOSCH Gerätename: GAH 350 SRE
  • BOSCH Explosionszeichnung: Position 60
  • BOSCH Typennummer: 0611237738
  • BOSCH Typennummer alternative Schreibweisen: 0 611 237 738, 0611 237 738, 0.611.237.738, 0-611-237-738
    Bitte prüfen Sie diese Typennummer auf Ihrem Gerät um die Kompatibilität des BOSCH Ersatzteils zu gewährleisten.
Weitere BOSCH Ersatzteile des Gerätes GAH 350 SRE (Bohrhammer) mit der Typennummer 0611237738 finden Sie in der nachfolgenden Darstellung und im Dropdown zu Ihrer Auswahl:

Pos.
1
BOSCH Motorgehäuse BLAU | Ersatzteile für GAH 350 SRE | 1615108112
Hersteller: BOSCH
Artikelnummer: EB-0611237738-1615108112
Netto: 10,62 € zzgl. MwSt.
zzgl. 6,90 € Versand (brutto)
einmalig pro Bestellung

Lieferzeit: 5 Werktage

Pos.
100/10
BOSCH Staubbeutel | Ersatzteile für GAH 350 SRE | 2605411034
Hersteller: BOSCH
Artikelnummer: EB-0611237738-2605411034
nur Informationsartikel
Nie mehr lieferbar
keine Alternativen
Pos.
100/20
BOSCH Klemmhalter | Ersatzteile für GAH 350 SRE | 1612386001
Hersteller: BOSCH
Artikelnummer: EB-0611237738-1612386001
Netto: 4,80 € zzgl. MwSt.
zzgl. 6,90 € Versand (brutto)
einmalig pro Bestellung

Lieferzeit: 5 Werktage

Pos.
100/30
BOSCH Anschlussstutzen | Ersatzteile für GAH 350 SRE | 1610499011
Hersteller: BOSCH
Artikelnummer: EB-0611237738-1610499011
nur Informationsartikel
Nie mehr lieferbar
keine Alternativen
Pos.
100/40
BOSCH Dichtscheibe | Ersatzteile für GAH 350 SRE | 1610121001
Hersteller: BOSCH
Artikelnummer: EB-0611237738-1610121001
nur Informationsartikel
Nie mehr lieferbar
keine Alternativen
Pos.
100/50
BOSCH O-Ring 26,0x4,0 MM | Ersatzteile für GAH 350 SRE | 1610210109
Hersteller: BOSCH
Artikelnummer: EB-0611237738-1610210109
Netto: 5,65 € zzgl. MwSt.
zzgl. 6,90 € Versand (brutto)
einmalig pro Bestellung

Lieferzeit: 5 Werktage

Pos.
3/50
BOSCH Lüfter SCHWARZ | Ersatzteile für GAH 350 SRE | 1616610072
Hersteller: BOSCH
Artikelnummer: EB-0611237738-1616610072
Netto: 4,36 € zzgl. MwSt.
zzgl. 6,90 € Versand (brutto)
einmalig pro Bestellung

Lieferzeit: 5 Werktage

Pos.
700/20
BOSCH Senkschraube M6x27 LINKSGEWINDE | Ersatzteile für GAH 350 SRE | 2603421226
Hersteller: BOSCH
Artikelnummer: EB-0611237738-2603421226
Netto: 3,94 € zzgl. MwSt.
zzgl. 6,90 € Versand (brutto)
einmalig pro Bestellung

Lieferzeit: 5 Werktage

Pos.
701/7
BOSCH Bohrfutterschlüssel SG2 | Ersatzteile für GAH 350 SRE | 2607950007
Hersteller: BOSCH
Artikelnummer: EB-0611237738-2607950007
Netto: 7,26 € zzgl. MwSt.
zzgl. 6,90 € Versand (brutto)
einmalig pro Bestellung

Lieferzeit: 5 Werktage

Pos.
711/10/2
BOSCH Sprengring | Ersatzteile für GAH 350 SRE | 2604601004
Hersteller: BOSCH
Artikelnummer: EB-0611237738-2604601004
nur Informationsartikel
Nie mehr lieferbar
keine Alternativen
Pos.
720/8
BOSCH Teilesatz | Ersatzteile für GAH 350 SRE | 1617000925
Hersteller: BOSCH
Artikelnummer: EB-0611237738-1617000925
nur Informationsartikel
Nie mehr lieferbar
keine Alternativen
Pos.
4
BOSCH Schalter | Ersatzteile für GAH 350 SRE | 1617200071
Hersteller: BOSCH
Artikelnummer: EB-0611237738-1617200071
nur Informationsartikel
Nie mehr lieferbar
keine Alternativen
Pos.
5
BOSCH Netzanschlussleitung RC 5,0m 2 x 1,25mm PVC | Ersatzteile für GAH 350 SRE | 1614460052
Hersteller: BOSCH
Artikelnummer: EB-0611237738-1614460052
nur Informationsartikel
Nie mehr lieferbar
keine Alternativen
Pos.
6
BOSCH Tülle Ø8,7-Ø9,6x76 MM | Ersatzteile für GAH 350 SRE | 2600703019
Hersteller: BOSCH
Artikelnummer: EB-0611237738-2600703019
nur Informationsartikel
Nie mehr lieferbar
keine Alternativen
Pos.
7
BOSCH Leitungshalter | Ersatzteile für GAH 350 SRE | 1611035005
Hersteller: BOSCH
Artikelnummer: EB-0611237738-1611035005
nur Informationsartikel
Nie mehr lieferbar
keine Alternativen
Pos.
10
BOSCH Firmenschild | Ersatzteile für GAH 350 SRE | 1611110972
Hersteller: BOSCH
Artikelnummer: EB-0611237738-1611110972
nur Informationsartikel
Nie mehr lieferbar
keine Alternativen
Pos.
12
BOSCH Entstörfilter | Ersatzteile für GAH 350 SRE | 1617328026
Hersteller: BOSCH
Artikelnummer: EB-0611237738-1617328026
nur Informationsartikel
Nie mehr lieferbar
keine Alternativen
Pos.
13
BOSCH Bürstenhalter | Ersatzteile für GAH 350 SRE | 1617000344
Hersteller: BOSCH
Artikelnummer: EB-0611237738-1617000344
nur Informationsartikel
Nie mehr lieferbar
keine Alternativen
Pos.
14
BOSCH Entstörfilter L=148 MM SCHWARZ | Ersatzteile für GAH 350 SRE | 2604465086
Hersteller: BOSCH
Artikelnummer: EB-0611237738-2604465086
Netto: 6,75 € zzgl. MwSt.
zzgl. 6,90 € Versand (brutto)
einmalig pro Bestellung

Lieferzeit: 5 Werktage

Pos.
17
BOSCH Gehäusedeckel BLAU | Ersatzteile für GAH 350 SRE | 1615132065
Hersteller: BOSCH
Artikelnummer: EB-0611237738-1615132065
nur Informationsartikel
Nie mehr lieferbar
keine Alternativen
Pos.
18
BOSCH Luftleitring | Ersatzteile für GAH 350 SRE | 1610522008
Hersteller: BOSCH
Artikelnummer: EB-0611237738-1610522008
Netto: 3,60 € zzgl. MwSt.
zzgl. 6,90 € Versand (brutto)
einmalig pro Bestellung

Lieferzeit: 5 Werktage

Pos.
20
BOSCH Zwischenflansch | Ersatzteile für GAH 350 SRE | 1615700037
Hersteller: BOSCH
Artikelnummer: EB-0611237738-1615700037
Netto: 35,13 € zzgl. MwSt.
zzgl. 6,90 € Versand (brutto)
einmalig pro Bestellung

Lieferzeit: 5 Werktage

Pos.
21
BOSCH Rasthülse SDS-PLUS | Ersatzteile für GAH 350 SRE | 1616490058
Hersteller: BOSCH
Artikelnummer: EB-0611237738-1616490058
Netto: 185,46 € zzgl. MwSt.
zzgl. 6,90 € Versand (brutto)
einmalig pro Bestellung

Lieferzeit: 5 Werktage

Pos.
22
BOSCH Stirnrad Z=46 | Ersatzteile für GAH 350 SRE | 1616320007
Hersteller: BOSCH
Artikelnummer: EB-0611237738-1616320007
Netto: 7,66 € zzgl. MwSt.
zzgl. 6,90 € Versand (brutto)
einmalig pro Bestellung

Lieferzeit: 5 Werktage

Pos.
23
BOSCH Stirnrad Z=6/21 | Ersatzteile für GAH 350 SRE | 1616320006
Hersteller: BOSCH
Artikelnummer: EB-0611237738-1616320006
nur Informationsartikel
Nie mehr lieferbar
keine Alternativen
Pos.
24
BOSCH Zahnwelle Z=6/10 | Ersatzteile für GAH 350 SRE | 1613060010
Hersteller: BOSCH
Artikelnummer: EB-0611237738-1613060010
Netto: 46,22 € zzgl. MwSt.
zzgl. 6,90 € Versand (brutto)
einmalig pro Bestellung

Lieferzeit: 5 Werktage

Pos.
26
BOSCH Hammerkolben | Ersatzteile für GAH 350 SRE | 1618700052
Hersteller: BOSCH
Artikelnummer: EB-0611237738-1618700052
Netto: 11,58 € zzgl. MwSt.
zzgl. 6,90 € Versand (brutto)
einmalig pro Bestellung

Lieferzeit: 5 Werktage

Pos.
28
BOSCH Schlagbolzen | Ersatzteile für GAH 350 SRE | 1613124026
Hersteller: BOSCH
Artikelnummer: EB-0611237738-1613124026
Netto: 4,80 € zzgl. MwSt.
zzgl. 6,90 € Versand (brutto)
einmalig pro Bestellung

Lieferzeit: 5 Werktage

Pos.
29
BOSCH Kolbenbolzen | Ersatzteile für GAH 350 SRE | 1613105012
Hersteller: BOSCH
Artikelnummer: EB-0611237738-1613105012
Netto: 5,17 € zzgl. MwSt.
zzgl. 6,90 € Versand (brutto)
einmalig pro Bestellung

Lieferzeit: 5 Werktage

Pos.
30
BOSCH Antriebslager | Ersatzteile für GAH 350 SRE | 1615819005
Hersteller: BOSCH
Artikelnummer: EB-0611237738-1615819005
Netto: 26,41 € zzgl. MwSt.
zzgl. 6,90 € Versand (brutto)
einmalig pro Bestellung

Lieferzeit: 5 Werktage

Pos.
31
BOSCH Lagerscheibe 0,8 MM DICK | Ersatzteile für GAH 350 SRE | 1610100003
Hersteller: BOSCH
Artikelnummer: EB-0611237738-1610100003
Netto: 3,94 € zzgl. MwSt.
zzgl. 6,90 € Versand (brutto)
einmalig pro Bestellung

Lieferzeit: 5 Werktage

Pos.
32
BOSCH Knebelgriff SCHWARZ | Ersatzteile für GAH 350 SRE | 1612026023
Hersteller: BOSCH
Artikelnummer: EB-0611237738-1612026023
Netto: 4,56 € zzgl. MwSt.
zzgl. 6,90 € Versand (brutto)
einmalig pro Bestellung

Lieferzeit: 5 Werktage

Pos.
34
BOSCH Schutzkappe L=17 MM, SDS-PLUS | Ersatzteile für GAH 350 SRE | 1610508008
Hersteller: BOSCH
Artikelnummer: EB-0611237738-1610508008
nur Informationsartikel
Nie mehr lieferbar
keine Alternativen
Pos.
35
BOSCH Gummiring | Ersatzteile für GAH 350 SRE | 1610206021
Hersteller: BOSCH
Artikelnummer: EB-0611237738-1610206021
Netto: 3,94 € zzgl. MwSt.
zzgl. 6,90 € Versand (brutto)
einmalig pro Bestellung

Lieferzeit: 5 Werktage

Pos.
37
BOSCH Dämpfungsbuchse | Ersatzteile für GAH 350 SRE | 1610390011
Hersteller: BOSCH
Artikelnummer: EB-0611237738-1610390011
Netto: 5,17 € zzgl. MwSt.
zzgl. 6,90 € Versand (brutto)
einmalig pro Bestellung

Lieferzeit: 5 Werktage

Pos.
38
BOSCH Stützscheibe | Ersatzteile für GAH 350 SRE | 1610102022
Hersteller: BOSCH
Artikelnummer: EB-0611237738-1610102022
Netto: 4,36 € zzgl. MwSt.
zzgl. 6,90 € Versand (brutto)
einmalig pro Bestellung

Lieferzeit: 5 Werktage

Pos.
39
BOSCH Zylinderstift | Ersatzteile für GAH 350 SRE | 1613100013
Hersteller: BOSCH
Artikelnummer: EB-0611237738-1613100013
Netto: 4,36 € zzgl. MwSt.
zzgl. 6,90 € Versand (brutto)
einmalig pro Bestellung

Lieferzeit: 5 Werktage

Pos.
40
BOSCH Haltefeder | Ersatzteile für GAH 350 SRE | 1614690001
Hersteller: BOSCH
Artikelnummer: EB-0611237738-1614690001
Netto: 3,60 € zzgl. MwSt.
zzgl. 6,90 € Versand (brutto)
einmalig pro Bestellung

Lieferzeit: 5 Werktage

Pos.
41
BOSCH Rollenkranz | Ersatzteile für GAH 350 SRE | 1610920003
Hersteller: BOSCH
Artikelnummer: EB-0611237738-1610920003
Netto: 5,65 € zzgl. MwSt.
zzgl. 6,90 € Versand (brutto)
einmalig pro Bestellung

Lieferzeit: 5 Werktage

Pos.
44
BOSCH Druckfeder | Ersatzteile für GAH 350 SRE | 1614633001
Hersteller: BOSCH
Artikelnummer: EB-0611237738-1614633001
Netto: 4,36 € zzgl. MwSt.
zzgl. 6,90 € Versand (brutto)
einmalig pro Bestellung

Lieferzeit: 5 Werktage

Pos.
45
BOSCH Druckfeder | Ersatzteile für GAH 350 SRE | 1614614001
Hersteller: BOSCH
Artikelnummer: EB-0611237738-1614614001
Netto: 3,60 € zzgl. MwSt.
zzgl. 6,90 € Versand (brutto)
einmalig pro Bestellung

Lieferzeit: 5 Werktage

Pos.
48
BOSCH Verbindungsleitung L=78 MM WEISS | Ersatzteile für GAH 350 SRE | 2604448137
Hersteller: BOSCH
Artikelnummer: EB-0611237738-2604448137
nur Informationsartikel
Nie mehr lieferbar
keine Alternativen
Pos.
49
BOSCH Elektr Leitung L=130 MM WEISS | Ersatzteile für GAH 350 SRE | 2604448005
Hersteller: BOSCH
Artikelnummer: EB-0611237738-2604448005
Netto: 3,94 € zzgl. MwSt.
zzgl. 6,90 € Versand (brutto)
einmalig pro Bestellung

Lieferzeit: 5 Werktage

Pos.
54
BOSCH O-Ring 24,0x2,5 MM | Ersatzteile für GAH 350 SRE | 1610210068
Hersteller: BOSCH
Artikelnummer: EB-0611237738-1610210068
Netto: 3,94 € zzgl. MwSt.
zzgl. 6,90 € Versand (brutto)
einmalig pro Bestellung

Lieferzeit: 5 Werktage

Pos.
55
BOSCH Dichtring | Ersatzteile für GAH 350 SRE | 1610206023
Hersteller: BOSCH
Artikelnummer: EB-0611237738-1610206023
Netto: 4,80 € zzgl. MwSt.
zzgl. 6,90 € Versand (brutto)
einmalig pro Bestellung

Lieferzeit: 5 Werktage

Pos.
56
BOSCH O-Ring 14,0x3,0 MM | Ersatzteile für GAH 350 SRE | 1610210070
Hersteller: BOSCH
Artikelnummer: EB-0611237738-1610210070
Netto: 4,56 € zzgl. MwSt.
zzgl. 6,90 € Versand (brutto)
einmalig pro Bestellung

Lieferzeit: 5 Werktage

Pos.
58
BOSCH O-Ring 18,0x3,0 MM | Ersatzteile für GAH 350 SRE | 1610210058
Hersteller: BOSCH
Artikelnummer: EB-0611237738-1610210058
Netto: 4,56 € zzgl. MwSt.
zzgl. 6,90 € Versand (brutto)
einmalig pro Bestellung

Lieferzeit: 5 Werktage

Pos.
59
BOSCH O-Ring 6,0x2,5 MM | Ersatzteile für GAH 350 SRE | 1610210069
Hersteller: BOSCH
Artikelnummer: EB-0611237738-1610210069
Netto: 3,60 € zzgl. MwSt.
zzgl. 6,90 € Versand (brutto)
einmalig pro Bestellung

Lieferzeit: 5 Werktage

Pos.
60
BOSCH O-Ring 10,0x3,5 MM | Ersatzteile für GAH 350 SRE | 1610210073
Hersteller: BOSCH
Artikelnummer: EB-0611237738-1610210073
Netto: 4,36 € zzgl. MwSt.
zzgl. 6,90 € Versand (brutto)
einmalig pro Bestellung

Lieferzeit: 5 Werktage

Pos.
61
BOSCH Radial-Wellendichtring | Ersatzteile für GAH 350 SRE | 1610283017
Hersteller: BOSCH
Artikelnummer: EB-0611237738-1610283017
Netto: 7,66 € zzgl. MwSt.
zzgl. 6,90 € Versand (brutto)
einmalig pro Bestellung

Lieferzeit: 5 Werktage

Pos.
62
BOSCH Gleitlager | Ersatzteile für GAH 350 SRE | 1610202026
Hersteller: BOSCH
Artikelnummer: EB-0611237738-1610202026
Netto: 6,27 € zzgl. MwSt.
zzgl. 6,90 € Versand (brutto)
einmalig pro Bestellung

Lieferzeit: 5 Werktage

Pos.
63
BOSCH Rillenkugellager 9x24x7 | Ersatzteile für GAH 350 SRE | 1610905048
Hersteller: BOSCH
Artikelnummer: EB-0611237738-1610905048
Netto: 8,23 € zzgl. MwSt.
zzgl. 6,90 € Versand (brutto)
einmalig pro Bestellung

Lieferzeit: 5 Werktage

Pos.
64
BOSCH Rillenkugellager 7x19x6 | Ersatzteile für GAH 350 SRE | 1610905025
Hersteller: BOSCH
Artikelnummer: EB-0611237738-1610905025
Netto: 7,26 € zzgl. MwSt.
zzgl. 6,90 € Versand (brutto)
einmalig pro Bestellung

Lieferzeit: 5 Werktage

Pos.
65
BOSCH Rillenkugellager 8x22x7 | Ersatzteile für GAH 350 SRE | 1900900228
Hersteller: BOSCH
Artikelnummer: EB-0611237738-1900900228
Netto: 6,75 € zzgl. MwSt.
zzgl. 6,90 € Versand (brutto)
einmalig pro Bestellung

Lieferzeit: 5 Werktage

Pos.
66
BOSCH Lagerbuchse Ø30xØ37x15,7 MM | Ersatzteile für GAH 350 SRE | 1610301000
Hersteller: BOSCH
Artikelnummer: EB-0611237738-1610301000
Netto: 4,56 € zzgl. MwSt.
zzgl. 6,90 € Versand (brutto)
einmalig pro Bestellung

Lieferzeit: 5 Werktage

Pos.
67
BOSCH Nadelhülse | Ersatzteile für GAH 350 SRE | 1610910064
Hersteller: BOSCH
Artikelnummer: EB-0611237738-1610910064
nur Informationsartikel
Nie mehr lieferbar
keine Alternativen
Pos.
70
BOSCH Kugel DIN 5401-Ø7MM-III-ST | Ersatzteile für GAH 350 SRE | 1903230013
Hersteller: BOSCH
Artikelnummer: EB-0611237738-1903230013
Netto: 4,36 € zzgl. MwSt.
zzgl. 6,90 € Versand (brutto)
einmalig pro Bestellung

Lieferzeit: 5 Werktage

Pos.
71
BOSCH Distanzscheibe 1,2 MM DICK | Ersatzteile für GAH 350 SRE | 1610101011
Hersteller: BOSCH
Artikelnummer: EB-0611237738-1610101011
Netto: 3,94 € zzgl. MwSt.
zzgl. 6,90 € Versand (brutto)
einmalig pro Bestellung

Lieferzeit: 5 Werktage

Pos.
72
BOSCH Sprengring DIN 7993-A32 | Ersatzteile für GAH 350 SRE | 2916540018
Hersteller: BOSCH
Artikelnummer: EB-0611237738-2916540018
Netto: 5,17 € zzgl. MwSt.
zzgl. 6,90 € Versand (brutto)
einmalig pro Bestellung

Lieferzeit: 5 Werktage

Pos.
73
BOSCH Sprengring DIN 9045-24 | Ersatzteile für GAH 350 SRE | 1614601009
Hersteller: BOSCH
Artikelnummer: EB-0611237738-1614601009
Netto: 3,60 € zzgl. MwSt.
zzgl. 6,90 € Versand (brutto)
einmalig pro Bestellung

Lieferzeit: 5 Werktage

Pos.
76
BOSCH Blechschraube B 4,8x112,5 MM | Ersatzteile für GAH 350 SRE | 1613435003
Hersteller: BOSCH
Artikelnummer: EB-0611237738-1613435003
nur Informationsartikel
Nie mehr lieferbar
keine Alternativen
Pos.
77
BOSCH Blechschraube ST3,9x32 SILBER | Ersatzteile für GAH 350 SRE | 1603435051
Hersteller: BOSCH
Artikelnummer: EB-0611237738-1603435051
Netto: 4,33 € zzgl. MwSt.
zzgl. 6,90 € Versand (brutto)
einmalig pro Bestellung

Lieferzeit: 5 Werktage

Pos.
78
BOSCH Blechschraube ST3,9x19-TORX,T20 | Ersatzteile für GAH 350 SRE | 1603435050
Hersteller: BOSCH
Artikelnummer: EB-0611237738-1603435050
Netto: 3,94 € zzgl. MwSt.
zzgl. 6,90 € Versand (brutto)
einmalig pro Bestellung

Lieferzeit: 5 Werktage

Pos.
79
BOSCH Blechschraube DIN 7971-ST2,9x9,5-F | Ersatzteile für GAH 350 SRE | 2910211005
Hersteller: BOSCH
Artikelnummer: EB-0611237738-2910211005
nur Informationsartikel
Nie mehr lieferbar
keine Alternativen
Pos.
80
BOSCH Kreuzschlitzschraube DIN 7981-ST3,5x9,5-F | Ersatzteile für GAH 350 SRE | 2603435015
Hersteller: BOSCH
Artikelnummer: EB-0611237738-2603435015
Netto: 4,36 € zzgl. MwSt.
zzgl. 6,90 € Versand (brutto)
einmalig pro Bestellung

Lieferzeit: 5 Werktage

Pos.
81
BOSCH Zylinderschraube M3x6,5-4.8 | Ersatzteile für GAH 350 SRE | 2603410001
Hersteller: BOSCH
Artikelnummer: EB-0611237738-2603410001
Netto: 3,94 € zzgl. MwSt.
zzgl. 6,90 € Versand (brutto)
einmalig pro Bestellung

Lieferzeit: 5 Werktage

Pos.
83
BOSCH Kugel 5 MM V DIN 5401 | Ersatzteile für GAH 350 SRE | 1903230309
Hersteller: BOSCH
Artikelnummer: EB-0611237738-1903230309
Netto: 3,94 € zzgl. MwSt.
zzgl. 6,90 € Versand (brutto)
einmalig pro Bestellung

Lieferzeit: 5 Werktage

Pos.
87
BOSCH Sprengring DIN 7993-A22 | Ersatzteile für GAH 350 SRE | 2916540012
Hersteller: BOSCH
Artikelnummer: EB-0611237738-2916540012
Netto: 4,83 € zzgl. MwSt.
zzgl. 6,90 € Versand (brutto)
einmalig pro Bestellung

Lieferzeit: 5 Werktage

Pos.
93
BOSCH Gehäusedeckel SCHWARZ | Ersatzteile für GAH 350 SRE | 1615500270
Hersteller: BOSCH
Artikelnummer: EB-0611237738-1615500270
nur Informationsartikel
Nie mehr lieferbar
keine Alternativen
Pos.
94
BOSCH Rastbolzen | Ersatzteile für GAH 350 SRE | 1613120017
Hersteller: BOSCH
Artikelnummer: EB-0611237738-1613120017
Netto: 3,94 € zzgl. MwSt.
zzgl. 6,90 € Versand (brutto)
einmalig pro Bestellung

Lieferzeit: 5 Werktage

Pos.
95
BOSCH O-Ring 21,0x4,0 MM | Ersatzteile für GAH 350 SRE | 1610210146
Hersteller: BOSCH
Artikelnummer: EB-0611237738-1610210146
nur Informationsartikel
Nie mehr lieferbar
keine Alternativen
Pos.
97
BOSCH Radial-Wellendichtring | Ersatzteile für GAH 350 SRE | 1610290008
Hersteller: BOSCH
Artikelnummer: EB-0611237738-1610290008
nur Informationsartikel
Nie mehr lieferbar
keine Alternativen
Pos.
98
BOSCH Lüfter | Ersatzteile für GAH 350 SRE | 1616610069
Hersteller: BOSCH
Artikelnummer: EB-0611237738-1616610069
nur Informationsartikel
Nie mehr lieferbar
keine Alternativen
Pos.
101
BOSCH Zwischengehäuse | Ersatzteile für GAH 350 SRE | 1615190086
Hersteller: BOSCH
Artikelnummer: EB-0611237738-1615190086
nur Informationsartikel
Nie mehr lieferbar
keine Alternativen
Pos.
102
BOSCH Entstörfilter L=126 MM WEISS | Ersatzteile für GAH 350 SRE | 2604465097
Hersteller: BOSCH
Artikelnummer: EB-0611237738-2604465097
Netto: 6,75 € zzgl. MwSt.
zzgl. 6,90 € Versand (brutto)
einmalig pro Bestellung

Lieferzeit: 5 Werktage

Pos.
103
BOSCH Verbindungsleitung L=55 MM WEISS | Ersatzteile für GAH 350 SRE | 1614448017
Hersteller: BOSCH
Artikelnummer: EB-0611237738-1614448017
Netto: 4,36 € zzgl. MwSt.
zzgl. 6,90 € Versand (brutto)
einmalig pro Bestellung

Lieferzeit: 5 Werktage

Pos.
120
BOSCH Zusatzhandgriff M8 | Ersatzteile für GAH 350 SRE | 1612025019
Hersteller: BOSCH
Artikelnummer: EB-0611237738-1612025019
Netto: 7,26 € zzgl. MwSt.
zzgl. 6,90 € Versand (brutto)
einmalig pro Bestellung

Lieferzeit: 5 Werktage

Pos.
121
BOSCH Klemmhalter Ø43 MM | Ersatzteile für GAH 350 SRE | 1618040048
Hersteller: BOSCH
Artikelnummer: EB-0611237738-1618040048
Netto: 8,23 € zzgl. MwSt.
zzgl. 6,90 € Versand (brutto)
einmalig pro Bestellung

Lieferzeit: 5 Werktage

Pos.
122
BOSCH Hammerschraube M8x40 MM | Ersatzteile für GAH 350 SRE | 1613490002
Hersteller: BOSCH
Artikelnummer: EB-0611237738-1613490002
Netto: 5,65 € zzgl. MwSt.
zzgl. 6,90 € Versand (brutto)
einmalig pro Bestellung

Lieferzeit: 5 Werktage

Pos.
123
BOSCH Spannband Ø43 MM | Ersatzteile für GAH 350 SRE | 1611316006
Hersteller: BOSCH
Artikelnummer: EB-0611237738-1611316006
Netto: 4,56 € zzgl. MwSt.
zzgl. 6,90 € Versand (brutto)
einmalig pro Bestellung

Lieferzeit: 5 Werktage

Pos.
128
BOSCH Dichtscheibe | Ersatzteile für GAH 350 SRE | 1610290009
Hersteller: BOSCH
Artikelnummer: EB-0611237738-1610290009
nur Informationsartikel
Nie mehr lieferbar
keine Alternativen
Pos.
129
BOSCH Dichtscheibe 609 AV NILOS-RING | Ersatzteile für GAH 350 SRE | 2916130027
Hersteller: BOSCH
Artikelnummer: EB-0611237738-2916130027
Netto: 4,80 € zzgl. MwSt.
zzgl. 6,90 € Versand (brutto)
einmalig pro Bestellung

Lieferzeit: 5 Werktage

Pos.
180
BOSCH Warnschild ACHTUNG | Ersatzteile für GAH 350 SRE | 3601119137
Hersteller: BOSCH
Artikelnummer: EB-0611237738-3601119137
Netto: 5,17 € zzgl. MwSt.
zzgl. 6,90 € Versand (brutto)
einmalig pro Bestellung

Lieferzeit: 5 Werktage

Pos.
653
BOSCH Verschlussstopfen | Ersatzteile für GAH 350 SRE | 1610591008
Hersteller: BOSCH
Artikelnummer: EB-0611237738-1610591008
Netto: 5,17 € zzgl. MwSt.
zzgl. 6,90 € Versand (brutto)
einmalig pro Bestellung

Lieferzeit: 5 Werktage

Pos.
700
BOSCH Bohrfutterschaft SDS-PLUS | Ersatzteile für GAH 350 SRE | 1617000132
Hersteller: BOSCH
Artikelnummer: EB-0611237738-1617000132
Netto: 27,20 € zzgl. MwSt.
zzgl. 6,90 € Versand (brutto)
einmalig pro Bestellung

Lieferzeit: 5 Werktage

Pos.
701
BOSCH Bohrfutter | Ersatzteile für GAH 350 SRE | 1608571088
Hersteller: BOSCH
Artikelnummer: EB-0611237738-1608571088
Netto: 23,72 € zzgl. MwSt.
zzgl. 6,90 € Versand (brutto)
einmalig pro Bestellung

Lieferzeit: 5 Werktage

Pos.
710
BOSCH Staubbeutel | Ersatzteile für GAH 350 SRE | 1615411002
Hersteller: BOSCH
Artikelnummer: EB-0611237738-1615411002
nur Informationsartikel
Nie mehr lieferbar
keine Alternativen
Pos.
711
BOSCH Teilesatz | Ersatzteile für GAH 350 SRE | 1617000133
Hersteller: BOSCH
Artikelnummer: EB-0611237738-1617000133
nur Informationsartikel
Nie mehr lieferbar
keine Alternativen
Pos.
720
BOSCH Zusatzhandgriff Ø43 MM | Ersatzteile für GAH 350 SRE | 2602025070
Hersteller: BOSCH
Artikelnummer: EB-0611237738-2602025070
nur Informationsartikel
Nie mehr lieferbar
keine Alternativen
Pos.
751
BOSCH Tiefenanschlag SW 6x210 MM | Ersatzteile für GAH 350 SRE | 1613001009
Hersteller: BOSCH
Artikelnummer: EB-0611237738-1613001009
Netto: 5,17 € zzgl. MwSt.
zzgl. 6,90 € Versand (brutto)
einmalig pro Bestellung

Lieferzeit: 5 Werktage

Pos.
752
BOSCH Papierbeutel 10 STUECK | Ersatzteile für GAH 350 SRE | 1615411003
Hersteller: BOSCH
Artikelnummer: EB-0611237738-1615411003
Netto: 34,19 € zzgl. MwSt.
zzgl. 6,90 € Versand (brutto)
einmalig pro Bestellung

Lieferzeit: 5 Werktage

Pos.
791
BOSCH Tragkasten | Ersatzteile für GAH 350 SRE | 1615438146
Hersteller: BOSCH
Artikelnummer: EB-0611237738-1615438146
nur Informationsartikel
Nie mehr lieferbar
keine Alternativen
Pos.
796
BOSCH Absaugvorrichtung | Ersatzteile für GAH 350 SRE | 1607000263
Hersteller: BOSCH
Artikelnummer: EB-0611237738-1607000263
Netto: 45,99 € zzgl. MwSt.
zzgl. 6,90 € Versand (brutto)
einmalig pro Bestellung

Lieferzeit: 5 Werktage

Pos.
799
BOSCH Wellschlauch Ø 16,5x550 MM | Ersatzteile für GAH 350 SRE | 1610712042
Hersteller: BOSCH
Artikelnummer: EB-0611237738-1610712042
nur Informationsartikel
Nie mehr lieferbar
keine Alternativen
Pos.
802
BOSCH Polschuh 100V | Ersatzteile für GAH 350 SRE | 2604220427
Hersteller: BOSCH
Artikelnummer: EB-0611237738-2604220427
nur Informationsartikel
Nie mehr lieferbar
keine Alternativen
Pos.
803
BOSCH Anker Mit Lüfter 100V | Ersatzteile für GAH 350 SRE | 1614010208
Hersteller: BOSCH
Artikelnummer: EB-0611237738-1614010208
nur Informationsartikel
Nie mehr lieferbar
keine Alternativen
Pos.
808
BOSCH Typschild | Ersatzteile für GAH 350 SRE | 160111A3H5
Hersteller: BOSCH
Artikelnummer: EB-0611237738-160111A3H5
Netto: 4,56 € zzgl. MwSt.
zzgl. 6,90 € Versand (brutto)
einmalig pro Bestellung

Lieferzeit: 5 Werktage

Pos.
813
BOSCH Kohlebürstensatz | Ersatzteile für GAH 350 SRE | 1617014133
Hersteller: BOSCH
Artikelnummer: EB-0611237738-1617014133
nur Informationsartikel
Nie mehr lieferbar
keine Alternativen
Pos.
816
BOSCH Getriebegehäuse SCHWARZ | Ersatzteile für GAH 350 SRE | 1615806077
Hersteller: BOSCH
Artikelnummer: EB-0611237738-1615806077
Netto: 38,40 € zzgl. MwSt.
zzgl. 6,90 € Versand (brutto)
einmalig pro Bestellung

Lieferzeit: 5 Werktage

Pos.
821
BOSCH Rasthülse SDS-PLUS | Ersatzteile für GAH 350 SRE | 1617000812
Hersteller: BOSCH
Artikelnummer: EB-0611237738-1617000812
nur Informationsartikel
Nie mehr lieferbar
keine Alternativen
Pos.
827
BOSCH Schläger | Ersatzteile für GAH 350 SRE | 1617000338
Hersteller: BOSCH
Artikelnummer: EB-0611237738-1617000338
Netto: 23,72 € zzgl. MwSt.
zzgl. 6,90 € Versand (brutto)
einmalig pro Bestellung

Lieferzeit: 5 Werktage

Pos.
833
BOSCH Schutzhülse SDS-PLUS | Ersatzteile für GAH 350 SRE | 1617000163
Hersteller: BOSCH
Artikelnummer: EB-0611237738-1617000163
Netto: 7,66 € zzgl. MwSt.
zzgl. 6,90 € Versand (brutto)
einmalig pro Bestellung

Lieferzeit: 5 Werktage

Pos.
890
BOSCH Umschalter | Ersatzteile für GAH 350 SRE | 2607200231
Hersteller: BOSCH
Artikelnummer: EB-0611237738-2607200231
Netto: 13,81 € zzgl. MwSt.
zzgl. 6,90 € Versand (brutto)
einmalig pro Bestellung

Lieferzeit: 5 Werktage

Pos.
899
BOSCH Schlagwerk | Ersatzteile für GAH 350 SRE | 1617000324
Hersteller: BOSCH
Artikelnummer: EB-0611237738-1617000324
nur Informationsartikel
Nie mehr lieferbar
keine Alternativen

Angaben zur Produktsicherheit

Hersteller:
Robert Bosch Power Tools GmbH
Postfach 30 02 20
70442 Stuttgart

E-Mail:
kontakt@bosch.de