BOSCH Schlauch ausblasen | Ersatzteile für GAS 10 PS | 1607000EC3

Artikelnummer: EB-3601JE5150-1607000EC3

Position: 666

Marke: BOSCH


Bitte Kompatibilität prüfen!

Bitte prüfen Sie unbedingt die 10-stellige Typennummer Ihrer Maschine / Ihres Gerätes. Das Ersatzteil ist nur kompatibel, wenn Sie die Typennummer Ihrer Maschine in der unten stehenden Produktbeschreibung finden.

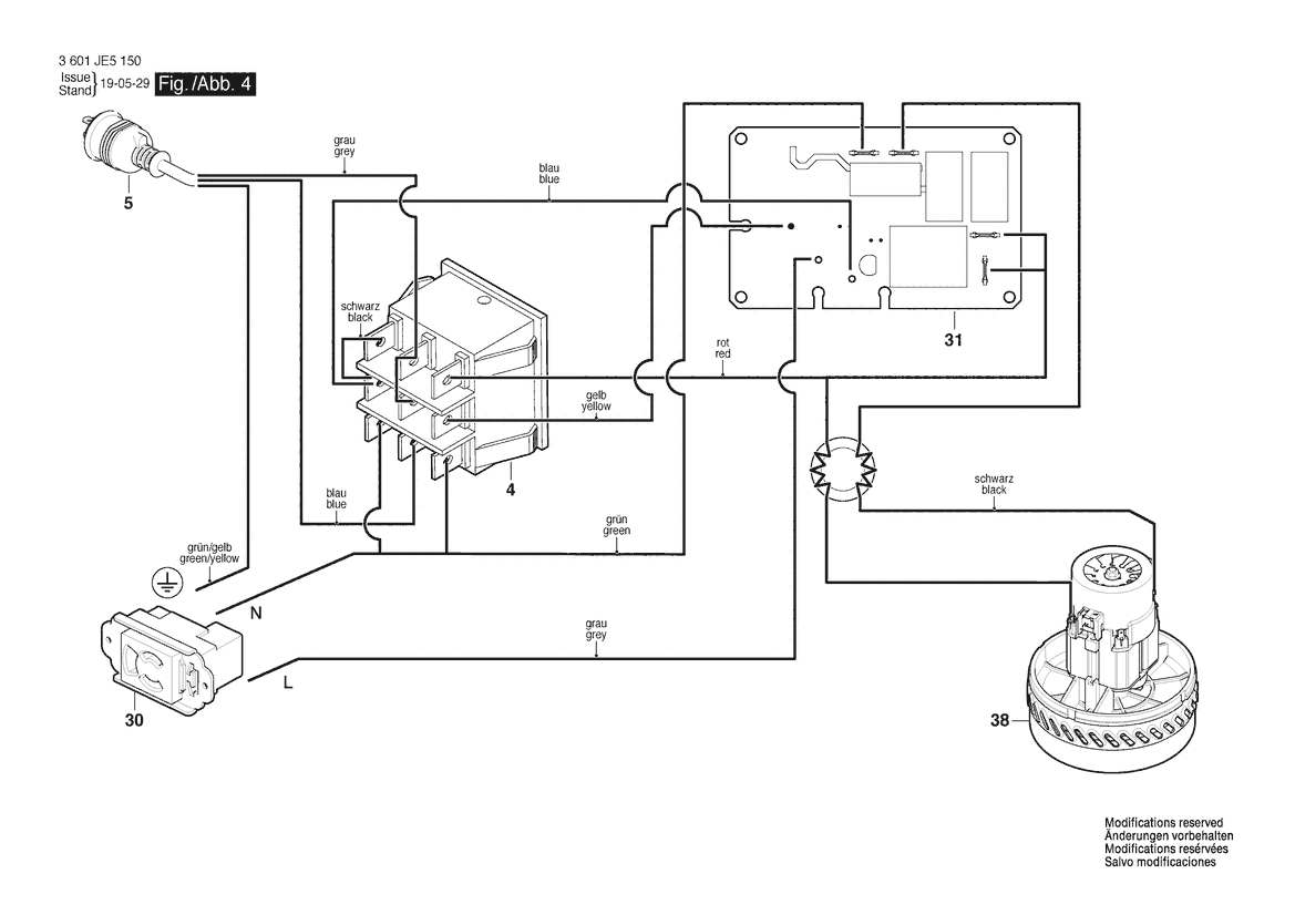
Bitte prüfen Sie ebenfalls detailliert die Explosionszeichnung mit Ihrem Artikelwunsch und der jeweiligen Pos-Nummer.

Alle Elemente, welche vom schwarzen Strich der Pos-Nummer ausgehend berührt / erfasst werden, gehören zu dieser Pos-Nummer und somit zu diesem Artikel. Jede Pos-Nummer ist ein eigenständiger Artikel, welchen Sie in der Auflistung finden.

Sie erhalten stets die aktuellste, neueste Produktversion zu der gewählten Pos-Nummer seitens des Herstellers. Es kann daher je nach Gerätealter vorkommen, dass Sie ggf. weitere, zugehörige Elemente, welche an diese Pos-Nummer grenzen, ebenfalls mittauschen müssen.

Nähere Informationen finden Sie unter dem Link
Hinweise zu Ihrer BOSCH Ersatzteilsuche

Preisübersicht

Einzelpreis: 29,45 €* (Brutto: 35,05 €)
Gesamtpreis: 29,45 €* 
Position:

Lieferzeit: 5 Werktage


Beschreibung

  • Schlauch ausblasen
  • Original Bosch Zubehör / BOSCH Ersatzteil (1607000EC3)
  • im Gerät verbaut: 1
Dieses BOSCH Ersatzteil ist mit folgendem Gerät und Modell kompatibel:
  • BOSCH Gerätename: GAS 10 PS
  • BOSCH Explosionszeichnung: Position 666
  • BOSCH Typennummer: 3601JE5150
  • BOSCH Typennummer alternative Schreibweisen: 3 601 JE5 150, 3601 JE5 150, 3.601.JE5.150, 3-601-JE5-150
    Bitte prüfen Sie diese Typennummer auf Ihrem Gerät um die Kompatibilität des BOSCH Ersatzteils zu gewährleisten.
Weitere BOSCH Ersatzteile des Gerätes GAS 10 PS (Gw-Allzwecksauger) mit der Typennummer 3601JE5150 finden Sie in der nachfolgenden Darstellung und im Dropdown zu Ihrer Auswahl:

Pos.
4
BOSCH Schaltersatz | Ersatzteile für GAS 10 PS | 1619PA7288
Hersteller: BOSCH
Artikelnummer: EB-3601JE5150-1600A01ZM8
Netto: 10,27 € zzgl. MwSt.
zzgl. 6,90 € Versand (brutto)
einmalig pro Bestellung

Lieferzeit: 5 Werktage

Pos.
5
BOSCH Netzanschlussleitung | Ersatzteile für GAS 10 PS | 1619PA7297
Hersteller: BOSCH
Artikelnummer: EB-3601JE5150-1619PA7297
Netto: 70,50 € zzgl. MwSt.
zzgl. 6,90 € Versand (brutto)
einmalig pro Bestellung

Lieferzeit: 5 Werktage

Pos.
8
BOSCH Typschild | Ersatzteile für GAS 10 PS | 1619PB0317
Hersteller: BOSCH
Artikelnummer: EB-3601JE5150-1619PB0317
Nie mehr lieferbar
keine Alternativen
Pos.
9
BOSCH Firmenschild GAS 10 PS | Ersatzteile für GAS 10 PS | 1619PB2131
Hersteller: BOSCH
Artikelnummer: EB-3601JE5150-1619PB2131
nur Informationsartikel
Nie mehr lieferbar
keine Alternativen
Pos.
22
BOSCH Handgriff | Ersatzteile für GAS 10 PS | 1619PA7266
Hersteller: BOSCH
Artikelnummer: EB-3601JE5150-1619PA7266
Netto: 5,19 € zzgl. MwSt.
zzgl. 6,90 € Versand (brutto)
einmalig pro Bestellung

Lieferzeit: 5 Werktage

Pos.
23
BOSCH Verkleidung | Ersatzteile für GAS 10 PS | 1619PA7267
Hersteller: BOSCH
Artikelnummer: EB-3601JE5150-1619PA7267
Netto: 4,82 € zzgl. MwSt.
zzgl. 6,90 € Versand (brutto)
einmalig pro Bestellung

Lieferzeit: 5 Werktage

Pos.
24
BOSCH Abdeckung | Ersatzteile für GAS 10 PS | 1619PA7269
Hersteller: BOSCH
Artikelnummer: EB-3601JE5150-1619PA7269
Netto: 3,63 € zzgl. MwSt.
zzgl. 6,90 € Versand (brutto)
einmalig pro Bestellung

Lieferzeit: 5 Werktage

Pos.
25
BOSCH Taste | Ersatzteile für GAS 10 PS | 1619PA7270
Hersteller: BOSCH
Artikelnummer: EB-3601JE5150-1619PA7270
Netto: 3,63 € zzgl. MwSt.
zzgl. 6,90 € Versand (brutto)
einmalig pro Bestellung

Lieferzeit: 5 Werktage

Pos.
26
BOSCH Druckfeder | Ersatzteile für GAS 10 PS | 1619PA7271
Hersteller: BOSCH
Artikelnummer: EB-3601JE5150-1619PA7271
Netto: 3,63 € zzgl. MwSt.
zzgl. 6,90 € Versand (brutto)
einmalig pro Bestellung

Lieferzeit: 5 Werktage

Pos.
27
BOSCH Haube | Ersatzteile für GAS 10 PS | 1619PA7280
Hersteller: BOSCH
Artikelnummer: EB-3601JE5150-1619PA7280
Netto: 19,18 € zzgl. MwSt.
zzgl. 6,90 € Versand (brutto)
einmalig pro Bestellung

Lieferzeit: 5 Werktage

Pos.
28
BOSCH Drehknopf | Ersatzteile für GAS 10 PS | 1619PA7290
Hersteller: BOSCH
Artikelnummer: EB-3601JE5150-1619PA7290
Netto: 3,94 € zzgl. MwSt.
zzgl. 6,90 € Versand (brutto)
einmalig pro Bestellung

Lieferzeit: 5 Werktage

Pos.
29
BOSCH Schutzklappe | Ersatzteile für GAS 10 PS | 1619PA7294
Hersteller: BOSCH
Artikelnummer: EB-3601JE5150-1619PA7294
Netto: 3,94 € zzgl. MwSt.
zzgl. 6,90 € Versand (brutto)
einmalig pro Bestellung

Lieferzeit: 5 Werktage

Pos.
30
BOSCH Steckdose | Ersatzteile für GAS 10 PS | 1619PA7292
Hersteller: BOSCH
Artikelnummer: EB-3601JE5150-1619PA7292
Netto: 47,09 € zzgl. MwSt.
zzgl. 6,90 € Versand (brutto)
einmalig pro Bestellung

Lieferzeit: 5 Werktage

Pos.
31
BOSCH Elektronikmodul | Ersatzteile für GAS 10 PS | 1619PA7302
Hersteller: BOSCH
Artikelnummer: EB-3601JE5150-1619PA7302
Netto: 52,14 € zzgl. MwSt.
zzgl. 6,90 € Versand (brutto)
einmalig pro Bestellung

Lieferzeit: 5 Werktage

Pos.
32
BOSCH Dichtung | Ersatzteile für GAS 10 PS | 1619PA7301
Hersteller: BOSCH
Artikelnummer: EB-3601JE5150-1619PA7301
Netto: 3,94 € zzgl. MwSt.
zzgl. 6,90 € Versand (brutto)
einmalig pro Bestellung

Lieferzeit: 5 Werktage

Pos.
33
BOSCH Klemmstück | Ersatzteile für GAS 10 PS | 1619PA7304
Hersteller: BOSCH
Artikelnummer: EB-3601JE5150-1619PA7304
Netto: 3,63 € zzgl. MwSt.
zzgl. 6,90 € Versand (brutto)
einmalig pro Bestellung

Lieferzeit: 5 Werktage

Pos.
34
BOSCH Verbindungsstange | Ersatzteile für GAS 10 PS | 1619PA7305
Hersteller: BOSCH
Artikelnummer: EB-3601JE5150-1619PA7305
Netto: 3,63 € zzgl. MwSt.
zzgl. 6,90 € Versand (brutto)
einmalig pro Bestellung

Lieferzeit: 5 Werktage

Pos.
35
BOSCH Ventil | Ersatzteile für GAS 10 PS | 1619PA7306
Hersteller: BOSCH
Artikelnummer: EB-3601JE5150-1619PA7306
Netto: 4,53 € zzgl. MwSt.
zzgl. 6,90 € Versand (brutto)
einmalig pro Bestellung

Lieferzeit: 5 Werktage

Pos.
36
BOSCH Motorgehäuse | Ersatzteile für GAS 10 PS | 1619PA7307
Hersteller: BOSCH
Artikelnummer: EB-3601JE5150-1619PA7307
Netto: 19,18 € zzgl. MwSt.
zzgl. 6,90 € Versand (brutto)
einmalig pro Bestellung

Lieferzeit: 5 Werktage

Pos.
38
BOSCH Motor | Ersatzteile für GAS 10 PS | 1619PA7309
Hersteller: BOSCH
Artikelnummer: EB-3601JE5150-1619PA7309
Netto: 63,99 € zzgl. MwSt.
zzgl. 6,90 € Versand (brutto)
einmalig pro Bestellung

Lieferzeit: 5 Werktage

Pos.
39
BOSCH Dichtungssatz | Ersatzteile für GAS 10 PS | 1619PA7311
Hersteller: BOSCH
Artikelnummer: EB-3601JE5150-1619PA7311
Netto: 8,33 € zzgl. MwSt.
zzgl. 6,90 € Versand (brutto)
einmalig pro Bestellung

Lieferzeit: 5 Werktage

Pos.
40
BOSCH Dichtung | Ersatzteile für GAS 10 PS | 1619PA7312
Hersteller: BOSCH
Artikelnummer: EB-3601JE5150-1619PA7312
Netto: 3,63 € zzgl. MwSt.
zzgl. 6,90 € Versand (brutto)
einmalig pro Bestellung

Lieferzeit: 5 Werktage

Pos.
41
BOSCH Gehäuse | Ersatzteile für GAS 10 PS | 1619PA7313
Hersteller: BOSCH
Artikelnummer: EB-3601JE5150-1619PA7313
Netto: 14,36 € zzgl. MwSt.
zzgl. 6,90 € Versand (brutto)
einmalig pro Bestellung

Lieferzeit: 5 Werktage

Pos.
42
BOSCH Dichtring | Ersatzteile für GAS 10 PS | 1619PA7314
Hersteller: BOSCH
Artikelnummer: EB-3601JE5150-1619PA7314
Netto: 4,53 € zzgl. MwSt.
zzgl. 6,90 € Versand (brutto)
einmalig pro Bestellung

Lieferzeit: 5 Werktage

Pos.
43
BOSCH Durchführungsfilter | Ersatzteile für GAS 10 PS | 1619PA7315
Hersteller: BOSCH
Artikelnummer: EB-3601JE5150-1619PA7315
Netto: 21,16 € zzgl. MwSt.
zzgl. 6,90 € Versand (brutto)
einmalig pro Bestellung

Lieferzeit: 5 Werktage

Pos.
44
BOSCH Filterhalterung | Ersatzteile für GAS 10 PS | 1619PA7316
Hersteller: BOSCH
Artikelnummer: EB-3601JE5150-1619PA7316
Netto: 5,19 € zzgl. MwSt.
zzgl. 6,90 € Versand (brutto)
einmalig pro Bestellung

Lieferzeit: 5 Werktage

Pos.
45
BOSCH Klinke | Ersatzteile für GAS 10 PS | 1619PA7318
Hersteller: BOSCH
Artikelnummer: EB-3601JE5150-1619PA7318
Netto: 5,67 € zzgl. MwSt.
zzgl. 6,90 € Versand (brutto)
einmalig pro Bestellung

Lieferzeit: 5 Werktage

Pos.
46
BOSCH Lenkrolle | Ersatzteile für GAS 10 PS | 1619PA7319
Hersteller: BOSCH
Artikelnummer: EB-3601JE5150-1619PA7319
Netto: 5,67 € zzgl. MwSt.
zzgl. 6,90 € Versand (brutto)
einmalig pro Bestellung

Lieferzeit: 5 Werktage

Pos.
47
BOSCH Lenkrolle | Ersatzteile für GAS 10 PS | 1619PA7320
Hersteller: BOSCH
Artikelnummer: EB-3601JE5150-1619PA7320
Netto: 5,67 € zzgl. MwSt.
zzgl. 6,90 € Versand (brutto)
einmalig pro Bestellung

Lieferzeit: 5 Werktage

Pos.
48
BOSCH Behälter | Ersatzteile für GAS 10 PS | 1619PA7331
Hersteller: BOSCH
Artikelnummer: EB-3601JE5150-1619PA7331
Netto: 24,13 € zzgl. MwSt.
zzgl. 6,90 € Versand (brutto)
einmalig pro Bestellung

Lieferzeit: 5 Werktage

Pos.
50
BOSCH Filterträger | Ersatzteile für GAS 10 PS | 1619PA7410
Hersteller: BOSCH
Artikelnummer: EB-3601JE5150-1619PA7410
Netto: 6,70 € zzgl. MwSt.
zzgl. 6,90 € Versand (brutto)
einmalig pro Bestellung

Lieferzeit: 5 Werktage

Pos.
61
BOSCH Filterbeutel | Ersatzteile für GAS 10 PS | 1619PA8370
Hersteller: BOSCH
Artikelnummer: EB-3601JE5150-1619PA8370
nur Informationsartikel
Nie mehr lieferbar
keine Alternativen
Pos.
651
BOSCH Schlauch | Ersatzteile für GAS 10 PS | 1619PA7322
Hersteller: BOSCH
Artikelnummer: EB-3601JE5150-1619PA7322
Netto: 29,45 € zzgl. MwSt.
zzgl. 6,90 € Versand (brutto)
einmalig pro Bestellung

Lieferzeit: 5 Werktage

Pos.
652
BOSCH Absaugschlauch | Ersatzteile für GAS 10 PS | 1619PA7325
Hersteller: BOSCH
Artikelnummer: EB-3601JE5150-1619PA7325
Netto: 6,15 € zzgl. MwSt.
zzgl. 6,90 € Versand (brutto)
einmalig pro Bestellung

Lieferzeit: 5 Werktage

Pos.
653
BOSCH Absaugschlauch | Ersatzteile für GAS 10 PS | 1619PA7324
Hersteller: BOSCH
Artikelnummer: EB-3601JE5150-1619PA7324
Netto: 14,36 € zzgl. MwSt.
zzgl. 6,90 € Versand (brutto)
einmalig pro Bestellung

Lieferzeit: 5 Werktage

Pos.
654
BOSCH Teppichdüse | Ersatzteile für GAS 10 PS | 1619PA7327
Hersteller: BOSCH
Artikelnummer: EB-3601JE5150-1619PA7327
Netto: 9,18 € zzgl. MwSt.
zzgl. 6,90 € Versand (brutto)
einmalig pro Bestellung

Lieferzeit: 5 Werktage

Pos.
655
BOSCH Fugendüse | Ersatzteile für GAS 10 PS | 1619PA7328
Hersteller: BOSCH
Artikelnummer: EB-3601JE5150-1619PA7328
Netto: 4,53 € zzgl. MwSt.
zzgl. 6,90 € Versand (brutto)
einmalig pro Bestellung

Lieferzeit: 5 Werktage

Pos.
656
BOSCH Filter | Ersatzteile für GAS 10 PS | 1619PA7285
Hersteller: BOSCH
Artikelnummer: EB-3601JE5150-1619PA7285
Netto: 5,67 € zzgl. MwSt.
zzgl. 6,90 € Versand (brutto)
einmalig pro Bestellung

Lieferzeit: 5 Werktage

Pos.
657
BOSCH Staubbeutel | Ersatzteile für GAS 10 PS | 1619PA7329
Hersteller: BOSCH
Artikelnummer: EB-3601JE5150-1619PA7329
nur Informationsartikel
Nie mehr lieferbar
keine Alternativen
Pos.
658
BOSCH Adapter | Ersatzteile für GAS 10 PS | 1600A030KS
Hersteller: BOSCH
Artikelnummer: EB-3601JE5150-1600A030KS
Netto: 6,70 € zzgl. MwSt.
zzgl. 6,90 € Versand (brutto)
einmalig pro Bestellung

Lieferzeit: 5 Werktage

Pos.
666
BOSCH Schlauch ausblasen | Ersatzteile für GAS 10 PS | 1607000EC3
Hersteller: BOSCH
Artikelnummer: EB-3601JE5150-1607000EC3
Netto: 29,45 € zzgl. MwSt.
zzgl. 6,90 € Versand (brutto)
einmalig pro Bestellung

Lieferzeit: 5 Werktage

Pos.
810
BOSCH Kohlebürstensatz | Ersatzteile für GAS 10 PS | 1619PA7344
Hersteller: BOSCH
Artikelnummer: EB-3601JE5150-1619PA7344
Netto: 9,95 € zzgl. MwSt.
zzgl. 6,90 € Versand (brutto)
einmalig pro Bestellung

Lieferzeit: 5 Werktage

Angaben zur Produktsicherheit

Hersteller:
Robert Bosch Power Tools GmbH
Postfach 30 02 20
70442 Stuttgart

E-Mail:
kontakt@bosch.de