BOSCH Durchführungsfilter | Ersatzteile für GAS 12-25 | 1619PB3284

Artikelnummer: EB-3601J7C0C0-1619PB3284

Position: 51

Marke: BOSCH


Bitte Kompatibilität prüfen!

Bitte prüfen Sie unbedingt die 10-stellige Typennummer Ihrer Maschine / Ihres Gerätes. Das Ersatzteil ist nur kompatibel, wenn Sie die Typennummer Ihrer Maschine in der unten stehenden Produktbeschreibung finden.

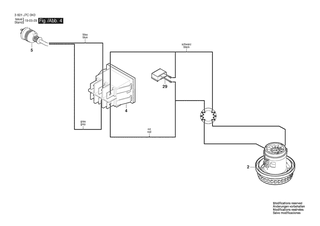
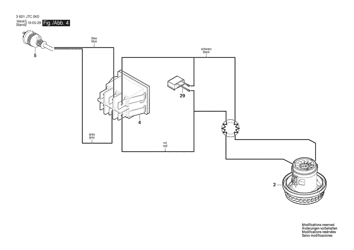
Bitte prüfen Sie ebenfalls detailliert die Explosionszeichnung mit Ihrem Artikelwunsch und der jeweiligen Pos-Nummer.

Alle Elemente, welche vom schwarzen Strich der Pos-Nummer ausgehend berührt / erfasst werden, gehören zu dieser Pos-Nummer und somit zu diesem Artikel. Jede Pos-Nummer ist ein eigenständiger Artikel, welchen Sie in der Auflistung finden.

Sie erhalten stets die aktuellste, neueste Produktversion zu der gewählten Pos-Nummer seitens des Herstellers. Es kann daher je nach Gerätealter vorkommen, dass Sie ggf. weitere, zugehörige Elemente, welche an diese Pos-Nummer grenzen, ebenfalls mittauschen müssen.

Nähere Informationen finden Sie unter dem Link
Hinweise zu Ihrer BOSCH Ersatzteilsuche

Preisübersicht

Einzelpreis: 4,56 €* (Brutto: 5,43 €)
Gesamtpreis: 4,56 €* 
Position:

Lieferzeit: 5 Werktage


Beschreibung

  • Durchführungsfilter
  • Original Bosch Zubehör / BOSCH Ersatzteil (1619PB3284)
  • im Gerät verbaut: 1
Dieses BOSCH Ersatzteil ist mit folgendem Gerät und Modell kompatibel:
  • BOSCH Gerätename: GAS 12-25
  • BOSCH Explosionszeichnung: Position 51
  • BOSCH Typennummer: 3601J7C0C0
  • BOSCH Typennummer alternative Schreibweisen: 3 601 J7C 0C0, 3601 J7C 0C0, 3.601.J7C.0C0, 3-601-J7C-0C0
    Bitte prüfen Sie diese Typennummer auf Ihrem Gerät um die Kompatibilität des BOSCH Ersatzteils zu gewährleisten.
Weitere BOSCH Ersatzteile des Gerätes GAS 12-25 (Industriestaubsauger) mit der Typennummer 3601J7C0C0 finden Sie in der nachfolgenden Darstellung und im Dropdown zu Ihrer Auswahl:

Pos.
1
BOSCH Motorgehäuse | Ersatzteile für GAS 12-25 | 1619PB3211
Hersteller: BOSCH
Artikelnummer: EB-3601J7C0C0-1619PB3211
Netto: 15,15 € zzgl. MwSt.
zzgl. 6,90 € Versand (brutto)
einmalig pro Bestellung

Lieferzeit: 5 Werktage

Pos.
2
BOSCH Motor | Ersatzteile für GAS 12-25 | 1619PB3214
Hersteller: BOSCH
Artikelnummer: EB-3601J7C0C0-1619PB3214
Netto: 61,64 € zzgl. MwSt.
zzgl. 6,90 € Versand (brutto)
einmalig pro Bestellung

Lieferzeit: 5 Werktage

Pos.
4
BOSCH Schaltersatz | Ersatzteile für GAS 12-25 | 1619PA7289
Hersteller: BOSCH
Artikelnummer: EB-3601J7C0C0-1619PA7289
Netto: 9,75 € zzgl. MwSt.
zzgl. 6,90 € Versand (brutto)
einmalig pro Bestellung

Lieferzeit: 5 Werktage

Pos.
5
BOSCH Netzanschlussleitung | Ersatzteile für GAS 12-25 | 1619PB6454
Hersteller: BOSCH
Artikelnummer: EB-3601J7C0C0-1619PB6454
Netto: 23,72 € zzgl. MwSt.
zzgl. 6,90 € Versand (brutto)
einmalig pro Bestellung

Lieferzeit: 5 Werktage

Pos.
7
BOSCH Klemmstück | Ersatzteile für GAS 12-25 | 1619PA7304
Hersteller: BOSCH
Artikelnummer: EB-3601J7C0C0-1619PA7304
Netto: 3,60 € zzgl. MwSt.
zzgl. 6,90 € Versand (brutto)
einmalig pro Bestellung

Lieferzeit: 5 Werktage

Pos.
8
BOSCH Firmenschild | Ersatzteile für GAS 12-25 | 1619PB6455
Hersteller: BOSCH
Artikelnummer: EB-3601J7C0C0-1619PB6455
Netto: 4,56 € zzgl. MwSt.
zzgl. 6,90 € Versand (brutto)
einmalig pro Bestellung

Lieferzeit: 5 Werktage

Pos.
9
BOSCH Typschild GAS 12-25 | Ersatzteile für GAS 12-25 | 1619PB3249
Hersteller: BOSCH
Artikelnummer: EB-3601J7C0C0-1619PB3249
Netto: 4,56 € zzgl. MwSt.
zzgl. 6,90 € Versand (brutto)
einmalig pro Bestellung

Lieferzeit: 5 Werktage

Pos.
22
BOSCH Handgriff | Ersatzteile für GAS 12-25 | 1619PA7266
Hersteller: BOSCH
Artikelnummer: EB-3601J7C0C0-1619PA7266
Netto: 5,17 € zzgl. MwSt.
zzgl. 6,90 € Versand (brutto)
einmalig pro Bestellung

Lieferzeit: 5 Werktage

Pos.
23
BOSCH Abdeckung | Ersatzteile für GAS 12-25 | 1619PA7268
Hersteller: BOSCH
Artikelnummer: EB-3601J7C0C0-1619PA7268
Netto: 5,17 € zzgl. MwSt.
zzgl. 6,90 € Versand (brutto)
einmalig pro Bestellung

Lieferzeit: 5 Werktage

Pos.
24
BOSCH Abdeckung | Ersatzteile für GAS 12-25 | 1619PA7269
Hersteller: BOSCH
Artikelnummer: EB-3601J7C0C0-1619PA7269
Netto: 3,60 € zzgl. MwSt.
zzgl. 6,90 € Versand (brutto)
einmalig pro Bestellung

Lieferzeit: 5 Werktage

Pos.
24
BOSCH Haube | Ersatzteile für GAS 12-25 | 1619PB3253
Hersteller: BOSCH
Artikelnummer: EB-3601J7C0C0-1619PB3253
Netto: 20,80 € zzgl. MwSt.
zzgl. 6,90 € Versand (brutto)
einmalig pro Bestellung

Lieferzeit: 5 Werktage

Pos.
26
BOSCH Drehknopf | Ersatzteile für GAS 12-25 | 1619PA7290
Hersteller: BOSCH
Artikelnummer: EB-3601J7C0C0-1619PA7290
Netto: 3,94 € zzgl. MwSt.
zzgl. 6,90 € Versand (brutto)
einmalig pro Bestellung

Lieferzeit: 5 Werktage

Pos.
29
BOSCH Kondensator | Ersatzteile für GAS 12-25 | 1619PB3264
Hersteller: BOSCH
Artikelnummer: EB-3601J7C0C0-1619PB3264
Netto: 7,66 € zzgl. MwSt.
zzgl. 6,90 € Versand (brutto)
einmalig pro Bestellung

Lieferzeit: 5 Werktage

Pos.
30
BOSCH Kissen | Ersatzteile für GAS 12-25 | 1619PB3265
Hersteller: BOSCH
Artikelnummer: EB-3601J7C0C0-1619PB3265
Netto: 7,66 € zzgl. MwSt.
zzgl. 6,90 € Versand (brutto)
einmalig pro Bestellung

Lieferzeit: 5 Werktage

Pos.
31
BOSCH Schwamm | Ersatzteile für GAS 12-25 | 1619PB3266
Hersteller: BOSCH
Artikelnummer: EB-3601J7C0C0-1619PB3266
Netto: 4,56 € zzgl. MwSt.
zzgl. 6,90 € Versand (brutto)
einmalig pro Bestellung

Lieferzeit: 5 Werktage

Pos.
32
BOSCH Dichtung | Ersatzteile für GAS 12-25 | 1619PB3267
Hersteller: BOSCH
Artikelnummer: EB-3601J7C0C0-1619PB3267
Netto: 4,36 € zzgl. MwSt.
zzgl. 6,90 € Versand (brutto)
einmalig pro Bestellung

Lieferzeit: 5 Werktage

Pos.
33
BOSCH Dichtung | Ersatzteile für GAS 12-25 | 1619PB3268
Hersteller: BOSCH
Artikelnummer: EB-3601J7C0C0-1619PB3268
Netto: 7,66 € zzgl. MwSt.
zzgl. 6,90 € Versand (brutto)
einmalig pro Bestellung

Lieferzeit: 5 Werktage

Pos.
34
BOSCH Behälter | Ersatzteile für GAS 12-25 | 1619PB3269
Hersteller: BOSCH
Artikelnummer: EB-3601J7C0C0-1619PB3269
nur Informationsartikel
Nie mehr lieferbar
keine Alternativen
Pos.
35
BOSCH Lenkrolle | Ersatzteile für GAS 12-25 | 1619PB3270
Hersteller: BOSCH
Artikelnummer: EB-3601J7C0C0-1619PB3270
Netto: 9,75 € zzgl. MwSt.
zzgl. 6,90 € Versand (brutto)
einmalig pro Bestellung

Lieferzeit: 5 Werktage

Pos.
35
BOSCH Ventil | Ersatzteile für GAS 12-25 | 1619PA7306
Hersteller: BOSCH
Artikelnummer: EB-3601J7C0C0-1619PA7306
Netto: 4,56 € zzgl. MwSt.
zzgl. 6,90 € Versand (brutto)
einmalig pro Bestellung

Lieferzeit: 5 Werktage

Pos.
36
BOSCH Rad | Ersatzteile für GAS 12-25 | 1619PB3271
Hersteller: BOSCH
Artikelnummer: EB-3601J7C0C0-1619PB3271
Netto: 18,86 € zzgl. MwSt.
zzgl. 6,90 € Versand (brutto)
einmalig pro Bestellung

Lieferzeit: 5 Werktage

Pos.
37
BOSCH Klinke | Ersatzteile für GAS 12-25 | 1619PB3272
Hersteller: BOSCH
Artikelnummer: EB-3601J7C0C0-1619PB3272
Netto: 6,75 € zzgl. MwSt.
zzgl. 6,90 € Versand (brutto)
einmalig pro Bestellung

Lieferzeit: 20 Werktage

Pos.
38
BOSCH Kabel | Ersatzteile für GAS 12-25 | 1619PB3273
Hersteller: BOSCH
Artikelnummer: EB-3601J7C0C0-1619PB3273
Netto: 5,17 € zzgl. MwSt.
zzgl. 6,90 € Versand (brutto)
einmalig pro Bestellung

Lieferzeit: 5 Werktage

Pos.
40
BOSCH Verkleidung | Ersatzteile für GAS 12-25 | 1619PB3274
Hersteller: BOSCH
Artikelnummer: EB-3601J7C0C0-1619PB3274
Netto: 4,80 € zzgl. MwSt.
zzgl. 6,90 € Versand (brutto)
einmalig pro Bestellung

Lieferzeit: 5 Werktage

Pos.
41
BOSCH Spannring | Ersatzteile für GAS 12-25 | 1619PB3275
Hersteller: BOSCH
Artikelnummer: EB-3601J7C0C0-1619PB3275
Netto: 3,60 € zzgl. MwSt.
zzgl. 6,90 € Versand (brutto)
einmalig pro Bestellung

Lieferzeit: 5 Werktage

Pos.
42
BOSCH Befestigungswinkel | Ersatzteile für GAS 12-25 | 1619PB3276
Hersteller: BOSCH
Artikelnummer: EB-3601J7C0C0-1619PB3276
Netto: 5,65 € zzgl. MwSt.
zzgl. 6,90 € Versand (brutto)
einmalig pro Bestellung

Lieferzeit: 5 Werktage

Pos.
43
BOSCH Gehäuse | Ersatzteile für GAS 12-25 | 1619PB3277
Hersteller: BOSCH
Artikelnummer: EB-3601J7C0C0-1619PB3277
Netto: 18,86 € zzgl. MwSt.
zzgl. 6,90 € Versand (brutto)
einmalig pro Bestellung

Lieferzeit: 5 Werktage

Pos.
44
BOSCH Dichtung | Ersatzteile für GAS 12-25 | 1619PB3278
Hersteller: BOSCH
Artikelnummer: EB-3601J7C0C0-1619PB3278
Netto: 3,94 € zzgl. MwSt.
zzgl. 6,90 € Versand (brutto)
einmalig pro Bestellung

Lieferzeit: 5 Werktage

Pos.
44
BOSCH Filterhalterung | Ersatzteile für GAS 12-25 | 1619PA7316
Hersteller: BOSCH
Artikelnummer: EB-3601J7C0C0-1619PA7316
Netto: 5,17 € zzgl. MwSt.
zzgl. 6,90 € Versand (brutto)
einmalig pro Bestellung

Lieferzeit: 5 Werktage

Pos.
45
BOSCH Dichtung | Ersatzteile für GAS 12-25 | 1619PB3279
Hersteller: BOSCH
Artikelnummer: EB-3601J7C0C0-1619PB3279
Netto: 5,17 € zzgl. MwSt.
zzgl. 6,90 € Versand (brutto)
einmalig pro Bestellung

Lieferzeit: 5 Werktage

Pos.
46
BOSCH Dichtung | Ersatzteile für GAS 12-25 | 1619PB3280
Hersteller: BOSCH
Artikelnummer: EB-3601J7C0C0-1619PB3280
nur Informationsartikel
Nie mehr lieferbar
keine Alternativen
Pos.
47
BOSCH Filterträger | Ersatzteile für GAS 12-25 | 1619PB3281
Hersteller: BOSCH
Artikelnummer: EB-3601J7C0C0-1619PB3281
Netto: 8,23 € zzgl. MwSt.
zzgl. 6,90 € Versand (brutto)
einmalig pro Bestellung

Lieferzeit: 5 Werktage

Pos.
48
BOSCH Durchführungsfilter | Ersatzteile für GAS 12-25 | 1619PB3282
Hersteller: BOSCH
Artikelnummer: EB-3601J7C0C0-1619PB3282
Netto: 32,16 € zzgl. MwSt.
zzgl. 6,90 € Versand (brutto)
einmalig pro Bestellung

Lieferzeit: 5 Werktage

Pos.
50
BOSCH Durchführungsfilter | Ersatzteile für GAS 12-25 | 1619PB3283
Hersteller: BOSCH
Artikelnummer: EB-3601J7C0C0-1619PB3283
nur Informationsartikel
Nie mehr lieferbar
keine Alternativen
Pos.
51
BOSCH Durchführungsfilter | Ersatzteile für GAS 12-25 | 1619PB3284
Hersteller: BOSCH
Artikelnummer: EB-3601J7C0C0-1619PB3284
Netto: 4,56 € zzgl. MwSt.
zzgl. 6,90 € Versand (brutto)
einmalig pro Bestellung

Lieferzeit: 5 Werktage

Pos.
52
BOSCH Blechschraube | Ersatzteile für GAS 12-25 | 1619PB3285
Hersteller: BOSCH
Artikelnummer: EB-3601J7C0C0-1619PB3285
Netto: 3,60 € zzgl. MwSt.
zzgl. 6,90 € Versand (brutto)
einmalig pro Bestellung

Lieferzeit: 5 Werktage

Pos.
53
BOSCH Seil | Ersatzteile für GAS 12-25 | 1619PB3255
Hersteller: BOSCH
Artikelnummer: EB-3601J7C0C0-1619PB3255
Netto: 6,75 € zzgl. MwSt.
zzgl. 6,90 € Versand (brutto)
einmalig pro Bestellung

Lieferzeit: 5 Werktage

Pos.
340
BOSCH Behälter | Ersatzteile für GAS 12-25 | 1619PC0025
Hersteller: BOSCH
Artikelnummer: EB-3601J7C0C0-1619PC0025
Netto: 42,08 € zzgl. MwSt.
zzgl. 6,90 € Versand (brutto)
einmalig pro Bestellung

Lieferzeit: 5 Werktage

Pos.
430
BOSCH Gehäuse | Ersatzteile für GAS 12-25 | 1619PC0022
Hersteller: BOSCH
Artikelnummer: EB-3601J7C0C0-1619PC0022
Netto: 26,41 € zzgl. MwSt.
zzgl. 6,90 € Versand (brutto)
einmalig pro Bestellung

Lieferzeit: 5 Werktage

Pos.
440
BOSCH Dichtung | Ersatzteile für GAS 12-25 | 1619PC0023
Hersteller: BOSCH
Artikelnummer: EB-3601J7C0C0-1619PC0023
Netto: 6,27 € zzgl. MwSt.
zzgl. 6,90 € Versand (brutto)
einmalig pro Bestellung

Lieferzeit: 5 Werktage

Pos.
500
BOSCH Durchführungsfilter | Ersatzteile für GAS 12-25 | 1600A02EM2
Hersteller: BOSCH
Artikelnummer: EB-3601J7C0C0-1600A02EM2
Netto: 35,13 € zzgl. MwSt.
zzgl. 6,90 € Versand (brutto)
einmalig pro Bestellung

Lieferzeit: 5 Werktage

Pos.
651
BOSCH Schlauch staubsaugen | Ersatzteile für GAS 12-25 | 1619PB3826
Hersteller: BOSCH
Artikelnummer: EB-3601J7C0C0-1619PB3826
Netto: 28,93 € zzgl. MwSt.
zzgl. 6,90 € Versand (brutto)
einmalig pro Bestellung

Lieferzeit: 5 Werktage

Pos.
652
BOSCH Absaugschlauch | Ersatzteile für GAS 12-25 | 1619PA7325
Hersteller: BOSCH
Artikelnummer: EB-3601J7C0C0-1619PA7325
Netto: 6,27 € zzgl. MwSt.
zzgl. 6,90 € Versand (brutto)
einmalig pro Bestellung

Lieferzeit: 5 Werktage

Pos.
653
BOSCH Absaugschlauch | Ersatzteile für GAS 12-25 | 1619PA7324
Hersteller: BOSCH
Artikelnummer: EB-3601J7C0C0-1619PA7324
Netto: 13,81 € zzgl. MwSt.
zzgl. 6,90 € Versand (brutto)
einmalig pro Bestellung

Lieferzeit: 5 Werktage

Pos.
654
BOSCH Teppichdüse | Ersatzteile für GAS 12-25 | 1619PA7327
Hersteller: BOSCH
Artikelnummer: EB-3601J7C0C0-1619PA7327
Netto: 9,05 € zzgl. MwSt.
zzgl. 6,90 € Versand (brutto)
einmalig pro Bestellung

Lieferzeit: 10 Werktage

Pos.
655
BOSCH Fugendüse | Ersatzteile für GAS 12-25 | 1619PA7328
Hersteller: BOSCH
Artikelnummer: EB-3601J7C0C0-1619PA7328
Netto: 4,56 € zzgl. MwSt.
zzgl. 6,90 € Versand (brutto)
einmalig pro Bestellung

Lieferzeit: 5 Werktage

Pos.
657
BOSCH Staubbeutel | Ersatzteile für GAS 12-25 | 1619PB3827
Hersteller: BOSCH
Artikelnummer: EB-3601J7C0C0-1619PB3827
Netto: 8,23 € zzgl. MwSt.
zzgl. 6,90 € Versand (brutto)
einmalig pro Bestellung

Lieferzeit: 5 Werktage

Pos.
659
BOSCH Staubbeutel | Ersatzteile für GAS 12-25 | 1619PB4751
Hersteller: BOSCH
Artikelnummer: EB-3601J7C0C0-1619PB4751
Netto: 9,05 € zzgl. MwSt.
zzgl. 6,90 € Versand (brutto)
einmalig pro Bestellung

Lieferzeit: 5 Werktage

Pos.
660
BOSCH Schlauch | Ersatzteile für GAS 12-25 | 1619PB4750
Hersteller: BOSCH
Artikelnummer: EB-3601J7C0C0-1619PB4750
Netto: 18,86 € zzgl. MwSt.
zzgl. 6,90 € Versand (brutto)
einmalig pro Bestellung

Lieferzeit: 5 Werktage

Pos.
666
BOSCH Schlauch ausblasen | Ersatzteile für GAS 12-25 | 1607000EC3
Hersteller: BOSCH
Artikelnummer: EB-3601J7C0C0-1607000EC3
Netto: 28,93 € zzgl. MwSt.
zzgl. 6,90 € Versand (brutto)
einmalig pro Bestellung

Lieferzeit: 5 Werktage

Pos.
843
BOSCH Gehäuse | Ersatzteile für GAS 12-25 | 1619PC0026
Hersteller: BOSCH
Artikelnummer: EB-3601J7C0C0-1619PC0026
Netto: 91,88 € zzgl. MwSt.
zzgl. 6,90 € Versand (brutto)
einmalig pro Bestellung

Lieferzeit: 5 Werktage

Angaben zur Produktsicherheit

Hersteller:
Robert Bosch Power Tools GmbH
Postfach 30 02 20
70442 Stuttgart

E-Mail:
kontakt@bosch.de