BOSCH Saugdüse | Ersatzteile für GAS 14-20 RFB | 1609201229

Artikelnummer: EB-0601976703-1609201229

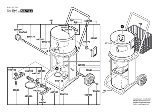
Position: 756

Marke: BOSCH


Bitte Kompatibilität prüfen!

Bitte prüfen Sie unbedingt die 10-stellige Typennummer Ihrer Maschine / Ihres Gerätes. Das Ersatzteil ist nur kompatibel, wenn Sie die Typennummer Ihrer Maschine in der unten stehenden Produktbeschreibung finden.

Bitte prüfen Sie ebenfalls detailliert die Explosionszeichnung mit Ihrem Artikelwunsch und der jeweiligen Pos-Nummer.

Alle Elemente, welche vom schwarzen Strich der Pos-Nummer ausgehend berührt / erfasst werden, gehören zu dieser Pos-Nummer und somit zu diesem Artikel. Jede Pos-Nummer ist ein eigenständiger Artikel, welchen Sie in der Auflistung finden.

Sie erhalten stets die aktuellste, neueste Produktversion zu der gewählten Pos-Nummer seitens des Herstellers. Es kann daher je nach Gerätealter vorkommen, dass Sie ggf. weitere, zugehörige Elemente, welche an diese Pos-Nummer grenzen, ebenfalls mittauschen müssen.

Nähere Informationen finden Sie unter dem Link
Hinweise zu Ihrer BOSCH Ersatzteilsuche

Preisübersicht

Einzelpreis: 28,91 €* (Brutto: 34,40 €)
Gesamtpreis: 28,91 €* 
Position:

Lieferzeit: 5 Werktage


Beschreibung

  • Saugdüse
  • Original Bosch Zubehör / BOSCH Ersatzteil (1609201229)
  • im Gerät verbaut: 1
Dieses BOSCH Ersatzteil ist mit folgendem Gerät und Modell kompatibel:
  • BOSCH Gerätename: GAS 14-20 RFB
  • BOSCH Explosionszeichnung: Position 756
  • BOSCH Typennummer: 0601976703
  • BOSCH Typennummer alternative Schreibweisen: 0 601 976 703, 0601 976 703, 0.601.976.703, 0-601-976-703
    Bitte prüfen Sie diese Typennummer auf Ihrem Gerät um die Kompatibilität des BOSCH Ersatzteils zu gewährleisten.
Weitere BOSCH Ersatzteile des Gerätes GAS 14-20 RFB (Allzwecksauger) mit der Typennummer 0601976703 finden Sie in der nachfolgenden Darstellung und im Dropdown zu Ihrer Auswahl:

Pos.
1
BOSCH Anzeigeleuchte | Ersatzteile für GAS 14-20 RFB | 1609201654
Hersteller: BOSCH
Artikelnummer: EB-0601976703-1609201654
Netto: 7,30 € zzgl. MwSt.
zzgl. 6,90 € Versand (brutto)
einmalig pro Bestellung

Lieferzeit: 5 Werktage

Pos.
690/140
BOSCH Dichtring | Ersatzteile für GAS 14-20 RFB | 1609390589
Hersteller: BOSCH
Artikelnummer: EB-0601976703-1609390589
nur Informationsartikel
Nie mehr lieferbar
keine Alternativen
Pos.
690/170
BOSCH Hebel | Ersatzteile für GAS 14-20 RFB | 1609202774
Hersteller: BOSCH
Artikelnummer: EB-0601976703-1609202774
nur Informationsartikel
Nie mehr lieferbar
keine Alternativen
Pos.
690/190
BOSCH Klinke | Ersatzteile für GAS 14-20 RFB | 1609202776
Hersteller: BOSCH
Artikelnummer: EB-0601976703-1609202776
nur Informationsartikel
Nie mehr lieferbar
keine Alternativen
Pos.
690/230
BOSCH Schenkelfeder | Ersatzteile für GAS 14-20 RFB | 1609202780
Hersteller: BOSCH
Artikelnummer: EB-0601976703-1609202780
nur Informationsartikel
Nie mehr lieferbar
keine Alternativen
Pos.
690/240
BOSCH Flachrundschraube | Ersatzteile für GAS 14-20 RFB | 1609202781
Hersteller: BOSCH
Artikelnummer: EB-0601976703-1609202781
nur Informationsartikel
Nie mehr lieferbar
keine Alternativen
Pos.
690/250
BOSCH Hutmutter | Ersatzteile für GAS 14-20 RFB | 1609202782
Hersteller: BOSCH
Artikelnummer: EB-0601976703-1609202782
nur Informationsartikel
Nie mehr lieferbar
keine Alternativen
Pos.
690/260
BOSCH Spannstift | Ersatzteile für GAS 14-20 RFB | 1609202783
Hersteller: BOSCH
Artikelnummer: EB-0601976703-1609202783
nur Informationsartikel
Nie mehr lieferbar
keine Alternativen
Pos.
690/270
BOSCH Kegelstift | Ersatzteile für GAS 14-20 RFB | 1609202784
Hersteller: BOSCH
Artikelnummer: EB-0601976703-1609202784
nur Informationsartikel
Nie mehr lieferbar
keine Alternativen
Pos.
690/280
BOSCH Haltering | Ersatzteile für GAS 14-20 RFB | 1609203222
Hersteller: BOSCH
Artikelnummer: EB-0601976703-1609203222
nur Informationsartikel
Nie mehr lieferbar
keine Alternativen
Pos.
690/40
BOSCH Spannverschluss | Ersatzteile für GAS 14-20 RFB | 1609202708
Hersteller: BOSCH
Artikelnummer: EB-0601976703-1609202708
nur Informationsartikel
Nie mehr lieferbar
keine Alternativen
Pos.
2
BOSCH Dichtring | Ersatzteile für GAS 14-20 RFB | 1609201655
Hersteller: BOSCH
Artikelnummer: EB-0601976703-1609201655
Netto: 3,94 € zzgl. MwSt.
zzgl. 6,90 € Versand (brutto)
einmalig pro Bestellung

Lieferzeit: 5 Werktage

Pos.
5
BOSCH Steckdose | Ersatzteile für GAS 14-20 RFB | 1609200948
Hersteller: BOSCH
Artikelnummer: EB-0601976703-1609200948
Netto: 17,38 € zzgl. MwSt.
zzgl. 6,90 € Versand (brutto)
einmalig pro Bestellung

Lieferzeit: 5 Werktage

Pos.
10
BOSCH Leitungshalter | Ersatzteile für GAS 14-20 RFB | 1609202693
Hersteller: BOSCH
Artikelnummer: EB-0601976703-1609202693
Netto: 3,75 € zzgl. MwSt.
zzgl. 6,90 € Versand (brutto)
einmalig pro Bestellung

Lieferzeit: 5 Werktage

Pos.
12
BOSCH Dämmplatte | Ersatzteile für GAS 14-20 RFB | 1609201660
Hersteller: BOSCH
Artikelnummer: EB-0601976703-1609201660
Netto: 3,94 € zzgl. MwSt.
zzgl. 6,90 € Versand (brutto)
einmalig pro Bestellung

Lieferzeit: 5 Werktage

Pos.
13
BOSCH Anbaurüttler 220-240V | Ersatzteile für GAS 14-20 RFB | 1609201662
Hersteller: BOSCH
Artikelnummer: EB-0601976703-1609201662
Netto: 86,83 € zzgl. MwSt.
zzgl. 6,90 € Versand (brutto)
einmalig pro Bestellung

Lieferzeit: 5 Werktage

Pos.
14
BOSCH Dichtscheibe | Ersatzteile für GAS 14-20 RFB | 1609201663
Hersteller: BOSCH
Artikelnummer: EB-0601976703-1609201663
Netto: 4,32 € zzgl. MwSt.
zzgl. 6,90 € Versand (brutto)
einmalig pro Bestellung

Lieferzeit: 5 Werktage

Pos.
8
BOSCH Ein/Aus-Schalter | Ersatzteile für GAS 14-20 RFB | 1609202734
Hersteller: BOSCH
Artikelnummer: EB-0601976703-1609202734
nur Informationsartikel
Nie mehr lieferbar
keine Alternativen
Pos.
16
BOSCH Netzanschlussleitung | Ersatzteile für GAS 14-20 RFB | 1609202714
Hersteller: BOSCH
Artikelnummer: EB-0601976703-1609202714
nur Informationsartikel
Nie mehr lieferbar
keine Alternativen
Pos.
18
BOSCH Kabelsatz | Ersatzteile für GAS 14-20 RFB | 1609202766
Hersteller: BOSCH
Artikelnummer: EB-0601976703-1609202766
Netto: 5,65 € zzgl. MwSt.
zzgl. 6,90 € Versand (brutto)
einmalig pro Bestellung

Lieferzeit: 5 Werktage

Pos.
11
BOSCH Typschild | Ersatzteile für GAS 14-20 RFB | 1601118202
Hersteller: BOSCH
Artikelnummer: EB-0601976703-1601118202
nur Informationsartikel
Nie mehr lieferbar
keine Alternativen
Pos.
19
BOSCH Dichtring | Ersatzteile für GAS 14-20 RFB | 1609201668
Hersteller: BOSCH
Artikelnummer: EB-0601976703-1609201668
Netto: 4,32 € zzgl. MwSt.
zzgl. 6,90 € Versand (brutto)
einmalig pro Bestellung

Lieferzeit: 5 Werktage

Pos.
20
BOSCH Dichtring | Ersatzteile für GAS 14-20 RFB | 1609201669
Hersteller: BOSCH
Artikelnummer: EB-0601976703-1609201669
Netto: 6,70 € zzgl. MwSt.
zzgl. 6,90 € Versand (brutto)
einmalig pro Bestellung

Lieferzeit: 5 Werktage

Pos.
21
BOSCH Führungshülse | Ersatzteile für GAS 14-20 RFB | 1609202735
Hersteller: BOSCH
Artikelnummer: EB-0601976703-1609202735
nur Informationsartikel
Nie mehr lieferbar
keine Alternativen
Pos.
28
BOSCH Luftfilter | Ersatzteile für GAS 14-20 RFB | 1609201677
Hersteller: BOSCH
Artikelnummer: EB-0601976703-1609201677
nur Informationsartikel
Nie mehr lieferbar
keine Alternativen
Pos.
37
BOSCH Zwischengehäuse | Ersatzteile für GAS 14-20 RFB | 1609202698
Hersteller: BOSCH
Artikelnummer: EB-0601976703-1609202698
nur Informationsartikel
Nie mehr lieferbar
keine Alternativen
Pos.
40
BOSCH Druckfeder | Ersatzteile für GAS 14-20 RFB | 1609201685
Hersteller: BOSCH
Artikelnummer: EB-0601976703-1609201685
Netto: 4,53 € zzgl. MwSt.
zzgl. 6,90 € Versand (brutto)
einmalig pro Bestellung

Lieferzeit: 5 Werktage

Pos.
17
BOSCH Luftleitring | Ersatzteile für GAS 14-20 RFB | 1609201666
Hersteller: BOSCH
Artikelnummer: EB-0601976703-1609201666
nur Informationsartikel
Nie mehr lieferbar
keine Alternativen
Pos.
44
BOSCH Haltebügel | Ersatzteile für GAS 14-20 RFB | 1609202749
Hersteller: BOSCH
Artikelnummer: EB-0601976703-1609202749
Netto: 5,65 € zzgl. MwSt.
zzgl. 6,90 € Versand (brutto)
einmalig pro Bestellung

Lieferzeit: 5 Werktage

Pos.
57
BOSCH Blattfeder | Ersatzteile für GAS 14-20 RFB | 1609202192
Hersteller: BOSCH
Artikelnummer: EB-0601976703-1609202192
nur Informationsartikel
Nie mehr lieferbar
keine Alternativen
Pos.
64
BOSCH Sirene | Ersatzteile für GAS 14-20 RFB | 1609202738
Hersteller: BOSCH
Artikelnummer: EB-0601976703-1609202738
Netto: 42,86 € zzgl. MwSt.
zzgl. 6,90 € Versand (brutto)
einmalig pro Bestellung

Lieferzeit: 5 Werktage

Pos.
204
BOSCH Abdeckhaube | Ersatzteile für GAS 14-20 RFB | 1609202713
Hersteller: BOSCH
Artikelnummer: EB-0601976703-1609202713
nur Informationsartikel
Nie mehr lieferbar
keine Alternativen
Pos.
217
BOSCH Luftleitring | Ersatzteile für GAS 14-20 RFB | 1609203B12
Hersteller: BOSCH
Artikelnummer: EB-0601976703-1609203B12
nur Informationsartikel
Nie mehr lieferbar
keine Alternativen
Pos.
220
BOSCH Dichtring | Ersatzteile für GAS 14-20 RFB | 1609203B13
Hersteller: BOSCH
Artikelnummer: EB-0601976703-1609203B13
Netto: 7,30 € zzgl. MwSt.
zzgl. 6,90 € Versand (brutto)
einmalig pro Bestellung

Lieferzeit: 5 Werktage

Pos.
222
BOSCH Sauggebläse 230-240V | Ersatzteile für GAS 14-20 RFB | 1609203B20
Hersteller: BOSCH
Artikelnummer: EB-0601976703-1609203B20
Netto: 244,74 € zzgl. MwSt.
zzgl. 6,90 € Versand (brutto)
einmalig pro Bestellung

Lieferzeit: 5 Werktage

Pos.
23
BOSCH Dämmplatte | Ersatzteile für GAS 14-20 RFB | 1609203478
Hersteller: BOSCH
Artikelnummer: EB-0601976703-1609203478
nur Informationsartikel
Nie mehr lieferbar
keine Alternativen
Pos.
24
BOSCH Dämmplatte | Ersatzteile für GAS 14-20 RFB | 1609202764
Hersteller: BOSCH
Artikelnummer: EB-0601976703-1609202764
nur Informationsartikel
Nie mehr lieferbar
keine Alternativen
Pos.
650/20
BOSCH Anschlussstutzen | Ersatzteile für GAS 14-20 RFB | 1609203V36
Hersteller: BOSCH
Artikelnummer: EB-0601976703-1609203V36
Netto: 21,16 € zzgl. MwSt.
zzgl. 6,90 € Versand (brutto)
einmalig pro Bestellung

Lieferzeit: 5 Werktage

Pos.
25
BOSCH Dämmplatte | Ersatzteile für GAS 14-20 RFB | 1609203423
Hersteller: BOSCH
Artikelnummer: EB-0601976703-1609203423
nur Informationsartikel
Nie mehr lieferbar
keine Alternativen
Pos.
650/30
BOSCH Anschlussstutzen Ø 49 MM | Ersatzteile für GAS 14-20 RFB | 1609390580
Hersteller: BOSCH
Artikelnummer: EB-0601976703-1609390580
Netto: 6,70 € zzgl. MwSt.
zzgl. 6,90 € Versand (brutto)
einmalig pro Bestellung

Lieferzeit: 5 Werktage

Pos.
26
BOSCH Zwischenflansch | Ersatzteile für GAS 14-20 RFB | 1609203474
Hersteller: BOSCH
Artikelnummer: EB-0601976703-1609203474
nur Informationsartikel
Nie mehr lieferbar
keine Alternativen
Pos.
690/150
BOSCH Führungsleiste | Ersatzteile für GAS 14-20 RFB | 1609202772
Hersteller: BOSCH
Artikelnummer: EB-0601976703-1609202772
Netto: 5,15 € zzgl. MwSt.
zzgl. 6,90 € Versand (brutto)
einmalig pro Bestellung

Lieferzeit: 5 Werktage

Pos.
27
BOSCH Dichtring | Ersatzteile für GAS 14-20 RFB | 1609201676
Hersteller: BOSCH
Artikelnummer: EB-0601976703-1609201676
nur Informationsartikel
Nie mehr lieferbar
keine Alternativen
Pos.
690/160
BOSCH Führungsleiste | Ersatzteile für GAS 14-20 RFB | 1609202773
Hersteller: BOSCH
Artikelnummer: EB-0601976703-1609202773
Netto: 5,67 € zzgl. MwSt.
zzgl. 6,90 € Versand (brutto)
einmalig pro Bestellung

Lieferzeit: 5 Werktage

Pos.
690/180
BOSCH Klappe | Ersatzteile für GAS 14-20 RFB | 1609202775
Hersteller: BOSCH
Artikelnummer: EB-0601976703-1609202775
Netto: 6,27 € zzgl. MwSt.
zzgl. 6,90 € Versand (brutto)
einmalig pro Bestellung

Lieferzeit: 5 Werktage

Pos.
29
BOSCH Drehknopf | Ersatzteile für GAS 14-20 RFB | 1609202768
Hersteller: BOSCH
Artikelnummer: EB-0601976703-1609202768
nur Informationsartikel
Nie mehr lieferbar
keine Alternativen
Pos.
690/20
BOSCH Laufrad Ø 200 MM | Ersatzteile für GAS 14-20 RFB | 1609202712
Hersteller: BOSCH
Artikelnummer: EB-0601976703-1609202712
Netto: 26,88 € zzgl. MwSt.
zzgl. 6,90 € Versand (brutto)
einmalig pro Bestellung

Lieferzeit: 5 Werktage

Pos.
30
BOSCH Dichtung | Ersatzteile für GAS 14-20 RFB | 1609203499
Hersteller: BOSCH
Artikelnummer: EB-0601976703-1609203499
nur Informationsartikel
Nie mehr lieferbar
keine Alternativen
Pos.
690/200
BOSCH Sperrklinke | Ersatzteile für GAS 14-20 RFB | 1609202777
Hersteller: BOSCH
Artikelnummer: EB-0601976703-1609202777
Netto: 26,88 € zzgl. MwSt.
zzgl. 6,90 € Versand (brutto)
einmalig pro Bestellung

Lieferzeit: 5 Werktage

Pos.
690/210
BOSCH Unterlegscheibe | Ersatzteile für GAS 14-20 RFB | 1609202725
Hersteller: BOSCH
Artikelnummer: EB-0601976703-1609202725
Netto: 3,94 € zzgl. MwSt.
zzgl. 6,90 € Versand (brutto)
einmalig pro Bestellung

Lieferzeit: 5 Werktage

Pos.
32
BOSCH Firmenschild | Ersatzteile für GAS 14-20 RFB | 1601118203
Hersteller: BOSCH
Artikelnummer: EB-0601976703-1601118203
nur Informationsartikel
Nie mehr lieferbar
keine Alternativen
Pos.
690/220
BOSCH Lagerbuchse | Ersatzteile für GAS 14-20 RFB | 1609202779
Hersteller: BOSCH
Artikelnummer: EB-0601976703-1609202779
Netto: 6,15 € zzgl. MwSt.
zzgl. 6,90 € Versand (brutto)
einmalig pro Bestellung

Lieferzeit: 5 Werktage

Pos.
690/290
BOSCH Sterngriff M8 | Ersatzteile für GAS 14-20 RFB | 1609202786
Hersteller: BOSCH
Artikelnummer: EB-0601976703-1609202786
Netto: 9,95 € zzgl. MwSt.
zzgl. 6,90 € Versand (brutto)
einmalig pro Bestellung

Lieferzeit: 5 Werktage

Pos.
34
BOSCH Druckschalter | Ersatzteile für GAS 14-20 RFB | 1609202748
Hersteller: BOSCH
Artikelnummer: EB-0601976703-1609202748
nur Informationsartikel
Nie mehr lieferbar
keine Alternativen
Pos.
690/30
BOSCH Stopfen | Ersatzteile für GAS 14-20 RFB | 1609202727
Hersteller: BOSCH
Artikelnummer: EB-0601976703-1609202727
Netto: 5,19 € zzgl. MwSt.
zzgl. 6,90 € Versand (brutto)
einmalig pro Bestellung

Lieferzeit: 16 Werktage

Pos.
690/300
BOSCH Unterlegscheibe | Ersatzteile für GAS 14-20 RFB | 1609202787
Hersteller: BOSCH
Artikelnummer: EB-0601976703-1609202787
Netto: 3,94 € zzgl. MwSt.
zzgl. 6,90 € Versand (brutto)
einmalig pro Bestellung

Lieferzeit: 5 Werktage

Pos.
690/50
BOSCH Blechschraube DIN 7981-ST3,5x16-C-H | Ersatzteile für GAS 14-20 RFB | 2910611012
Hersteller: BOSCH
Artikelnummer: EB-0601976703-2910611012
Netto: 3,49 € zzgl. MwSt.
zzgl. 6,90 € Versand (brutto)
einmalig pro Bestellung

Lieferzeit: 5 Werktage

Pos.
690/60
BOSCH Unterlegscheibe Ø4,2xØ11x1,2MM | Ersatzteile für GAS 14-20 RFB | 1609202726
Hersteller: BOSCH
Artikelnummer: EB-0601976703-1609202726
Netto: 3,94 € zzgl. MwSt.
zzgl. 6,90 € Versand (brutto)
einmalig pro Bestellung

Lieferzeit: 5 Werktage

Pos.
690/70
BOSCH Verschlussstück | Ersatzteile für GAS 14-20 RFB | 1609203179
Hersteller: BOSCH
Artikelnummer: EB-0601976703-1609203179
nur Informationsartikel
Nie mehr lieferbar
keine Alternativen
Pos.
690/80
BOSCH Blechschraube DIN 7981-B3,5x25 | Ersatzteile für GAS 14-20 RFB | 2910611015
Hersteller: BOSCH
Artikelnummer: EB-0601976703-2910611015
Netto: 3,94 € zzgl. MwSt.
zzgl. 6,90 € Versand (brutto)
einmalig pro Bestellung

Lieferzeit: 5 Werktage

Pos.
754/10
BOSCH Flächenbürste | Ersatzteile für GAS 14-20 RFB | 1609390493
Hersteller: BOSCH
Artikelnummer: EB-0601976703-1609390493
Netto: 19,18 € zzgl. MwSt.
zzgl. 6,90 € Versand (brutto)
einmalig pro Bestellung

Lieferzeit: 5 Werktage

Pos.
41
BOSCH Haltering | Ersatzteile für GAS 14-20 RFB | 1609203182
Hersteller: BOSCH
Artikelnummer: EB-0601976703-1609203182
nur Informationsartikel
Nie mehr lieferbar
keine Alternativen
Pos.
754/20
BOSCH Flächenbürste | Ersatzteile für GAS 14-20 RFB | 1609390494
Hersteller: BOSCH
Artikelnummer: EB-0601976703-1609390494
Netto: 10,92 € zzgl. MwSt.
zzgl. 6,90 € Versand (brutto)
einmalig pro Bestellung

Lieferzeit: 5 Werktage

Pos.
42
BOSCH Unterlegscheibe | Ersatzteile für GAS 14-20 RFB | 1609201687
Hersteller: BOSCH
Artikelnummer: EB-0601976703-1609201687
nur Informationsartikel
Nie mehr lieferbar
keine Alternativen
Pos.
754/30
BOSCH Streifenbürste | Ersatzteile für GAS 14-20 RFB | 1609390495
Hersteller: BOSCH
Artikelnummer: EB-0601976703-1609390495
Netto: 14,36 € zzgl. MwSt.
zzgl. 6,90 € Versand (brutto)
einmalig pro Bestellung

Lieferzeit: 5 Werktage

Pos.
759/20
BOSCH Bürsteneinsatz | Ersatzteile für GAS 14-20 RFB | 1609202534
Hersteller: BOSCH
Artikelnummer: EB-0601976703-1609202534
Netto: 4,82 € zzgl. MwSt.
zzgl. 6,90 € Versand (brutto)
einmalig pro Bestellung

Lieferzeit: 5 Werktage

Pos.
58
BOSCH Dämpfungsscheibe | Ersatzteile für GAS 14-20 RFB | 1609203714
Hersteller: BOSCH
Artikelnummer: EB-0601976703-1609203714
nur Informationsartikel
Nie mehr lieferbar
keine Alternativen
Pos.
237
BOSCH Zwischengehäuse | Ersatzteile für GAS 14-20 RFB | 1609203B15
Hersteller: BOSCH
Artikelnummer: EB-0601976703-1609203B15
nur Informationsartikel
Nie mehr lieferbar
keine Alternativen
Pos.
690
BOSCH Fahrgestell | Ersatzteile für GAS 14-20 RFB | 1609202744
Hersteller: BOSCH
Artikelnummer: EB-0601976703-1609202744
nur Informationsartikel
Nie mehr lieferbar
keine Alternativen
Pos.
743
BOSCH Luftfilter | Ersatzteile für GAS 14-20 RFB | 2607432005
Hersteller: BOSCH
Artikelnummer: EB-0601976703-2607432005
nur Informationsartikel
Nie mehr lieferbar
keine Alternativen
Pos.
750
BOSCH Luftschlauch | Ersatzteile für GAS 14-20 RFB | 1609202230
Hersteller: BOSCH
Artikelnummer: EB-0601976703-1609202230
Netto: 113,31 € zzgl. MwSt.
zzgl. 6,90 € Versand (brutto)
einmalig pro Bestellung

Lieferzeit: 5 Werktage

Pos.
752
BOSCH Saugrohr | Ersatzteile für GAS 14-20 RFB | 2607000162
Hersteller: BOSCH
Artikelnummer: EB-0601976703-2607000162
Netto: 24,87 € zzgl. MwSt.
zzgl. 6,90 € Versand (brutto)
einmalig pro Bestellung

Lieferzeit: 5 Werktage

Pos.
753
BOSCH Saugdüse | Ersatzteile für GAS 14-20 RFB | 2607000170
Hersteller: BOSCH
Artikelnummer: EB-0601976703-2607000170
Netto: 21,90 € zzgl. MwSt.
zzgl. 6,90 € Versand (brutto)
einmalig pro Bestellung

Lieferzeit: 5 Werktage

Pos.
754
BOSCH Saugdüse | Ersatzteile für GAS 14-20 RFB | 1609390478
Hersteller: BOSCH
Artikelnummer: EB-0601976703-1609390478
Netto: 60,47 € zzgl. MwSt.
zzgl. 6,90 € Versand (brutto)
einmalig pro Bestellung

Lieferzeit: 5 Werktage

Pos.
755
BOSCH Fugendüse | Ersatzteile für GAS 14-20 RFB | 2607000165
Hersteller: BOSCH
Artikelnummer: EB-0601976703-2607000165
Netto: 10,12 € zzgl. MwSt.
zzgl. 6,90 € Versand (brutto)
einmalig pro Bestellung

Lieferzeit: 5 Werktage

Pos.
756
BOSCH Saugdüse | Ersatzteile für GAS 14-20 RFB | 1609201229
Hersteller: BOSCH
Artikelnummer: EB-0601976703-1609201229
Netto: 28,91 € zzgl. MwSt.
zzgl. 6,90 € Versand (brutto)
einmalig pro Bestellung

Lieferzeit: 5 Werktage

Pos.
757
BOSCH Saugdüse | Ersatzteile für GAS 14-20 RFB | 1609201230
Hersteller: BOSCH
Artikelnummer: EB-0601976703-1609201230
Netto: 73,76 € zzgl. MwSt.
zzgl. 6,90 € Versand (brutto)
einmalig pro Bestellung

Lieferzeit: 5 Werktage

Pos.
759
BOSCH Saugdüse | Ersatzteile für GAS 14-20 RFB | 2607000166
Hersteller: BOSCH
Artikelnummer: EB-0601976703-2607000166
Netto: 16,02 € zzgl. MwSt.
zzgl. 6,90 € Versand (brutto)
einmalig pro Bestellung

Lieferzeit: 5 Werktage

Pos.
761
BOSCH Saugbürste | Ersatzteile für GAS 14-20 RFB | 1609390481
Hersteller: BOSCH
Artikelnummer: EB-0601976703-1609390481
Netto: 15,29 € zzgl. MwSt.
zzgl. 6,90 € Versand (brutto)
einmalig pro Bestellung

Lieferzeit: 5 Werktage

Pos.
762
BOSCH Saugdüse | Ersatzteile für GAS 14-20 RFB | 2607000168
Hersteller: BOSCH
Artikelnummer: EB-0601976703-2607000168
nur Informationsartikel
Nie mehr lieferbar
keine Alternativen
Pos.
764
BOSCH Anschlussstutzen | Ersatzteile für GAS 14-20 RFB | 1600499005
Hersteller: BOSCH
Artikelnummer: EB-0601976703-1600499005
Netto: 6,75 € zzgl. MwSt.
zzgl. 6,90 € Versand (brutto)
einmalig pro Bestellung

Lieferzeit: 5 Werktage

Pos.
765
BOSCH Reduzierhülse | Ersatzteile für GAS 14-20 RFB | 1609200933
Hersteller: BOSCH
Artikelnummer: EB-0601976703-1609200933
Netto: 11,98 € zzgl. MwSt.
zzgl. 6,90 € Versand (brutto)
einmalig pro Bestellung

Lieferzeit: 5 Werktage

Pos.
777
BOSCH Abweiser | Ersatzteile für GAS 14-20 RFB | 2607001248
Hersteller: BOSCH
Artikelnummer: EB-0601976703-2607001248
nur Informationsartikel
Nie mehr lieferbar
keine Alternativen
Pos.
792
BOSCH Staubbeutel | Ersatzteile für GAS 14-20 RFB | 2605411065
Hersteller: BOSCH
Artikelnummer: EB-0601976703-2605411065
nur Informationsartikel
Nie mehr lieferbar
keine Alternativen
Pos.
793
BOSCH Ablagekorb | Ersatzteile für GAS 14-20 RFB | 2605411066
Hersteller: BOSCH
Artikelnummer: EB-0601976703-2605411066
nur Informationsartikel
Nie mehr lieferbar
keine Alternativen
Pos.
822
BOSCH Umbausatz | Ersatzteile für GAS 14-20 RFB | 1609203G99
Hersteller: BOSCH
Artikelnummer: EB-0601976703-1609203G99
nur Informationsartikel
Nie mehr lieferbar
keine Alternativen

Angaben zur Produktsicherheit

Hersteller:
Robert Bosch Power Tools GmbH
Postfach 30 02 20
70442 Stuttgart

E-Mail:
kontakt@bosch.de