BOSCH Motor | Ersatzteile für GAS 35 L SFC | 2609200415

Artikelnummer: EB-3601JC3000-2609200415

Position: 8107

Marke: BOSCH


Bitte Kompatibilität prüfen!

Bitte prüfen Sie unbedingt die 10-stellige Typennummer Ihrer Maschine / Ihres Gerätes. Das Ersatzteil ist nur kompatibel, wenn Sie die Typennummer Ihrer Maschine in der unten stehenden Produktbeschreibung finden.

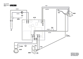
Bitte prüfen Sie ebenfalls detailliert die Explosionszeichnung mit Ihrem Artikelwunsch und der jeweiligen Pos-Nummer.

Alle Elemente, welche vom schwarzen Strich der Pos-Nummer ausgehend berührt / erfasst werden, gehören zu dieser Pos-Nummer und somit zu diesem Artikel. Jede Pos-Nummer ist ein eigenständiger Artikel, welchen Sie in der Auflistung finden.

Sie erhalten stets die aktuellste, neueste Produktversion zu der gewählten Pos-Nummer seitens des Herstellers. Es kann daher je nach Gerätealter vorkommen, dass Sie ggf. weitere, zugehörige Elemente, welche an diese Pos-Nummer grenzen, ebenfalls mittauschen müssen.

Nähere Informationen finden Sie unter dem Link
Hinweise zu Ihrer BOSCH Ersatzteilsuche

Preisübersicht

Einzelpreis: 135,20 €* (Brutto: 160,89 €)
Gesamtpreis: 135,20 €* 
Position:

Lieferzeit: 5 Werktage


Beschreibung

  • Motor
  • Original Bosch Zubehör / BOSCH Ersatzteil (2609200415)
  • im Gerät verbaut: 1
Dieses BOSCH Ersatzteil ist mit folgendem Gerät und Modell kompatibel:
  • BOSCH Gerätename: GAS 35 L SFC
  • BOSCH Explosionszeichnung: Position 8107
  • BOSCH Typennummer: 3601JC3000
  • BOSCH Typennummer alternative Schreibweisen: 3 601 JC3 000, 3601 JC3 000, 3.601.JC3.000, 3-601-JC3-000
    Bitte prüfen Sie diese Typennummer auf Ihrem Gerät um die Kompatibilität des BOSCH Ersatzteils zu gewährleisten.
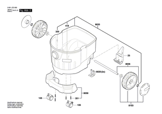
Weitere BOSCH Ersatzteile des Gerätes GAS 35 L SFC (Allzwecksauger) mit der Typennummer 3601JC3000 finden Sie in der nachfolgenden Darstellung und im Dropdown zu Ihrer Auswahl:

Pos.
15
BOSCH Gehäuse | Ersatzteile für GAS 35 L SFC | 2609200487
Hersteller: BOSCH
Artikelnummer: EB-3601JC3000-2609200487
Netto: 24,13 € zzgl. MwSt.
zzgl. 6,90 € Versand (brutto)
einmalig pro Bestellung

Lieferzeit: 5 Werktage

Pos.
23
BOSCH Halter | Ersatzteile für GAS 35 L SFC | 2609200453
Hersteller: BOSCH
Artikelnummer: EB-3601JC3000-2609200453
Netto: 7,76 € zzgl. MwSt.
zzgl. 6,90 € Versand (brutto)
einmalig pro Bestellung

Lieferzeit: 5 Werktage

Pos.
24
BOSCH Verschlussstück | Ersatzteile für GAS 35 L SFC | 2609200425
Hersteller: BOSCH
Artikelnummer: EB-3601JC3000-2609200425
Netto: 8,33 € zzgl. MwSt.
zzgl. 6,90 € Versand (brutto)
einmalig pro Bestellung

Lieferzeit: 5 Werktage

Pos.
25
BOSCH Halter | Ersatzteile für GAS 35 L SFC | 2609200452
Hersteller: BOSCH
Artikelnummer: EB-3601JC3000-2609200452
Netto: 9,18 € zzgl. MwSt.
zzgl. 6,90 € Versand (brutto)
einmalig pro Bestellung

Lieferzeit: 5 Werktage

Pos.
28
BOSCH Klemmstück | Ersatzteile für GAS 35 L SFC | 2609200423
Hersteller: BOSCH
Artikelnummer: EB-3601JC3000-2609200423
Netto: 7,76 € zzgl. MwSt.
zzgl. 6,90 € Versand (brutto)
einmalig pro Bestellung

Lieferzeit: 5 Werktage

Pos.
29
BOSCH Halter | Ersatzteile für GAS 35 L SFC | 2609200390
Hersteller: BOSCH
Artikelnummer: EB-3601JC3000-2609200390
Netto: 10,92 € zzgl. MwSt.
zzgl. 6,90 € Versand (brutto)
einmalig pro Bestellung

Lieferzeit: 5 Werktage

Pos.
37
BOSCH Sensor | Ersatzteile für GAS 35 L SFC | 2609200427
Hersteller: BOSCH
Artikelnummer: EB-3601JC3000-2609200427
Netto: 5,19 € zzgl. MwSt.
zzgl. 6,90 € Versand (brutto)
einmalig pro Bestellung

Lieferzeit: 5 Werktage

Pos.
47
BOSCH Feder | Ersatzteile für GAS 35 L SFC | 2609200483
Hersteller: BOSCH
Artikelnummer: EB-3601JC3000-2609200483
Netto: 9,18 € zzgl. MwSt.
zzgl. 6,90 € Versand (brutto)
einmalig pro Bestellung

Lieferzeit: 5 Werktage

Pos.
72
BOSCH Dichtung | Ersatzteile für GAS 35 L SFC | 2609200420
Hersteller: BOSCH
Artikelnummer: EB-3601JC3000-2609200420
Netto: 9,95 € zzgl. MwSt.
zzgl. 6,90 € Versand (brutto)
einmalig pro Bestellung

Lieferzeit: 25 Werktage

Pos.
80
BOSCH Motorgehäuse | Ersatzteile für GAS 35 L SFC | 2609200489
Hersteller: BOSCH
Artikelnummer: EB-3601JC3000-2609200489
Netto: 39,11 € zzgl. MwSt.
zzgl. 6,90 € Versand (brutto)
einmalig pro Bestellung

Lieferzeit: 5 Werktage

Pos.
85
BOSCH Schlauchhalter | Ersatzteile für GAS 35 L SFC | 2609200436
Hersteller: BOSCH
Artikelnummer: EB-3601JC3000-2609200436
Netto: 29,45 € zzgl. MwSt.
zzgl. 6,90 € Versand (brutto)
einmalig pro Bestellung

Lieferzeit: 5 Werktage

Pos.
99
BOSCH Schnur | Ersatzteile für GAS 35 L SFC | 2609200424
Hersteller: BOSCH
Artikelnummer: EB-3601JC3000-2609200424
Netto: 8,33 € zzgl. MwSt.
zzgl. 6,90 € Versand (brutto)
einmalig pro Bestellung

Lieferzeit: 25 Werktage

Pos.
100
BOSCH O-Ring | Ersatzteile für GAS 35 L SFC | 2609200392
Hersteller: BOSCH
Artikelnummer: EB-3601JC3000-2609200392
Netto: 3,94 € zzgl. MwSt.
zzgl. 6,90 € Versand (brutto)
einmalig pro Bestellung

Lieferzeit: 40 Werktage

Pos.
101
BOSCH O-Ring | Ersatzteile für GAS 35 L SFC | 2609200482
Hersteller: BOSCH
Artikelnummer: EB-3601JC3000-2609200482
Netto: 3,63 € zzgl. MwSt.
zzgl. 6,90 € Versand (brutto)
einmalig pro Bestellung

Lieferzeit: 5 Werktage

Pos.
105
BOSCH Lenkrolle | Ersatzteile für GAS 35 L SFC | 2609200450
Hersteller: BOSCH
Artikelnummer: EB-3601JC3000-2609200450
Netto: 8,33 € zzgl. MwSt.
zzgl. 6,90 € Versand (brutto)
einmalig pro Bestellung

Lieferzeit: 5 Werktage

Pos.
106
BOSCH Lenkrolle | Ersatzteile für GAS 35 L SFC | 2609200451
Hersteller: BOSCH
Artikelnummer: EB-3601JC3000-2609200451
Netto: 14,36 € zzgl. MwSt.
zzgl. 6,90 € Versand (brutto)
einmalig pro Bestellung

Lieferzeit: 5 Werktage

Pos.
113
BOSCH Stopfen | Ersatzteile für GAS 35 L SFC | 2609200406
Hersteller: BOSCH
Artikelnummer: EB-3601JC3000-2609200406
Netto: 3,63 € zzgl. MwSt.
zzgl. 6,90 € Versand (brutto)
einmalig pro Bestellung

Lieferzeit: 5 Werktage

Pos.
124
BOSCH Ferritkern | Ersatzteile für GAS 35 L SFC | 2609200569
Hersteller: BOSCH
Artikelnummer: EB-3601JC3000-2609200569
Netto: 6,70 € zzgl. MwSt.
zzgl. 6,90 € Versand (brutto)
einmalig pro Bestellung

Lieferzeit: 5 Werktage

Pos.
125
BOSCH Schalter | Ersatzteile für GAS 35 L SFC | 2609200479
Hersteller: BOSCH
Artikelnummer: EB-3601JC3000-2609200479
Netto: 4,82 € zzgl. MwSt.
zzgl. 6,90 € Versand (brutto)
einmalig pro Bestellung

Lieferzeit: 5 Werktage

Pos.
154
BOSCH Netzkabel EU | Ersatzteile für GAS 35 L SFC | 2609200429
Hersteller: BOSCH
Artikelnummer: EB-3601JC3000-2609200429
Netto: 52,14 € zzgl. MwSt.
zzgl. 6,90 € Versand (brutto)
einmalig pro Bestellung

Lieferzeit: 5 Werktage

Pos.
190
BOSCH Filter | Ersatzteile für GAS 35 L SFC | 2607432025
Hersteller: BOSCH
Artikelnummer: EB-3601JC3000-2607432025
Netto: 35,77 € zzgl. MwSt.
zzgl. 6,90 € Versand (brutto)
einmalig pro Bestellung

Lieferzeit: 5 Werktage

Pos.
199
BOSCH Schraube | Ersatzteile für GAS 35 L SFC | 2609200422
Hersteller: BOSCH
Artikelnummer: EB-3601JC3000-2609200422
Netto: 3,63 € zzgl. MwSt.
zzgl. 6,90 € Versand (brutto)
einmalig pro Bestellung

Lieferzeit: 5 Werktage

Pos.
201
BOSCH Schraube | Ersatzteile für GAS 35 L SFC | 2609200410
Hersteller: BOSCH
Artikelnummer: EB-3601JC3000-2609200410
Netto: 3,63 € zzgl. MwSt.
zzgl. 6,90 € Versand (brutto)
einmalig pro Bestellung

Lieferzeit: 5 Werktage

Pos.
206
BOSCH Fixierbauteil | Ersatzteile für GAS 35 L SFC | 2609200414
Hersteller: BOSCH
Artikelnummer: EB-3601JC3000-2609200414
Netto: 3,63 € zzgl. MwSt.
zzgl. 6,90 € Versand (brutto)
einmalig pro Bestellung

Lieferzeit: 5 Werktage

Pos.
208
BOSCH Befestigungsteil | Ersatzteile für GAS 35 L SFC | 2609200481
Hersteller: BOSCH
Artikelnummer: EB-3601JC3000-2609200481
Netto: 3,94 € zzgl. MwSt.
zzgl. 6,90 € Versand (brutto)
einmalig pro Bestellung

Lieferzeit: 5 Werktage

Pos.
215
BOSCH Linsenkopfschraube | Ersatzteile für GAS 35 L SFC | 2609200397
Hersteller: BOSCH
Artikelnummer: EB-3601JC3000-2609200397
Netto: 3,63 € zzgl. MwSt.
zzgl. 6,90 € Versand (brutto)
einmalig pro Bestellung

Lieferzeit: 5 Werktage

Pos.
250
BOSCH Spannring | Ersatzteile für GAS 35 L SFC | 2609200454
Hersteller: BOSCH
Artikelnummer: EB-3601JC3000-2609200454
Netto: 4,32 € zzgl. MwSt.
zzgl. 6,90 € Versand (brutto)
einmalig pro Bestellung

Lieferzeit: 5 Werktage

Pos.
251
BOSCH Saugrohr | Ersatzteile für GAS 35 L SFC | 2609200497
Hersteller: BOSCH
Artikelnummer: EB-3601JC3000-2609200497
Netto: 9,18 € zzgl. MwSt.
zzgl. 6,90 € Versand (brutto)
einmalig pro Bestellung

Lieferzeit: 5 Werktage

Pos.
253
BOSCH Saugrohr | Ersatzteile für GAS 35 L SFC | 2608000A15
Hersteller: BOSCH
Artikelnummer: EB-3601JC3000-2608000A15
Netto: 17,38 € zzgl. MwSt.
zzgl. 6,90 € Versand (brutto)
einmalig pro Bestellung

Lieferzeit: 5 Werktage

Pos.
255
BOSCH Düse | Ersatzteile für GAS 35 L SFC | 2609200455
Hersteller: BOSCH
Artikelnummer: EB-3601JC3000-2609200455
Netto: 24,13 € zzgl. MwSt.
zzgl. 6,90 € Versand (brutto)
einmalig pro Bestellung

Lieferzeit: 5 Werktage

Pos.
259
BOSCH Düse | Ersatzteile für GAS 35 L SFC | 2609200462
Hersteller: BOSCH
Artikelnummer: EB-3601JC3000-2609200462
Netto: 9,18 € zzgl. MwSt.
zzgl. 6,90 € Versand (brutto)
einmalig pro Bestellung

Lieferzeit: 5 Werktage

Pos.
260
BOSCH Muffe | Ersatzteile für GAS 35 L SFC | 2609200496
Hersteller: BOSCH
Artikelnummer: EB-3601JC3000-2609200496
Netto: 35,77 € zzgl. MwSt.
zzgl. 6,90 € Versand (brutto)
einmalig pro Bestellung

Lieferzeit: 5 Werktage

Pos.
307
BOSCH Aufkleber 2200W | Ersatzteile für GAS 35 L SFC | 2609200447
Hersteller: BOSCH
Artikelnummer: EB-3601JC3000-2609200447
Netto: 5,19 € zzgl. MwSt.
zzgl. 6,90 € Versand (brutto)
einmalig pro Bestellung

Lieferzeit: 5 Werktage

Pos.
308
BOSCH Schraube | Ersatzteile für GAS 35 L SFC | 2609200438
Hersteller: BOSCH
Artikelnummer: EB-3601JC3000-2609200438
Netto: 3,63 € zzgl. MwSt.
zzgl. 6,90 € Versand (brutto)
einmalig pro Bestellung

Lieferzeit: 5 Werktage

Pos.
313
BOSCH Elektro-Zubehör | Ersatzteile für GAS 35 L SFC | 2609200486
Hersteller: BOSCH
Artikelnummer: EB-3601JC3000-2609200486
Netto: 19,18 € zzgl. MwSt.
zzgl. 6,90 € Versand (brutto)
einmalig pro Bestellung

Lieferzeit: 5 Werktage

Pos.
320
BOSCH Bolzen | Ersatzteile für GAS 35 L SFC | 2609200456
Hersteller: BOSCH
Artikelnummer: EB-3601JC3000-2609200456
Netto: 4,53 € zzgl. MwSt.
zzgl. 6,90 € Versand (brutto)
einmalig pro Bestellung

Lieferzeit: 5 Werktage

Pos.
322
BOSCH Befestigungsteil | Ersatzteile für GAS 35 L SFC | 2609200461
Hersteller: BOSCH
Artikelnummer: EB-3601JC3000-2609200461
Netto: 3,63 € zzgl. MwSt.
zzgl. 6,90 € Versand (brutto)
einmalig pro Bestellung

Lieferzeit: 5 Werktage

Pos.
414
BOSCH Aufkleber | Ersatzteile für GAS 35 L SFC | 2609200441
Hersteller: BOSCH
Artikelnummer: EB-3601JC3000-2609200441
Netto: 6,70 € zzgl. MwSt.
zzgl. 6,90 € Versand (brutto)
einmalig pro Bestellung

Lieferzeit: 5 Werktage

Pos.
418
BOSCH Schild | Ersatzteile für GAS 35 L SFC | 2609200490
Hersteller: BOSCH
Artikelnummer: EB-3601JC3000-2609200490
Netto: 7,30 € zzgl. MwSt.
zzgl. 6,90 € Versand (brutto)
einmalig pro Bestellung

Lieferzeit: 5 Werktage

Pos.
419
BOSCH Warnschild | Ersatzteile für GAS 35 L SFC | 2609200498
Hersteller: BOSCH
Artikelnummer: EB-3601JC3000-2609200498
Netto: 8,33 € zzgl. MwSt.
zzgl. 6,90 € Versand (brutto)
einmalig pro Bestellung

Lieferzeit: 5 Werktage

Pos.
420
BOSCH Firmenschild GAS 35 L SFC | Ersatzteile für GAS 35 L SFC | 2609200478
Hersteller: BOSCH
Artikelnummer: EB-3601JC3000-2609200478
Netto: 4,53 € zzgl. MwSt.
zzgl. 6,90 € Versand (brutto)
einmalig pro Bestellung

Lieferzeit: 5 Werktage

Pos.
8021
BOSCH Schalter | Ersatzteile für GAS 35 L SFC | 2609200388
Hersteller: BOSCH
Artikelnummer: EB-3601JC3000-2609200388
Netto: 39,11 € zzgl. MwSt.
zzgl. 6,90 € Versand (brutto)
einmalig pro Bestellung

Lieferzeit: 5 Werktage

Pos.
8031
BOSCH Gehäuse | Ersatzteile für GAS 35 L SFC | 2609200493
Hersteller: BOSCH
Artikelnummer: EB-3601JC3000-2609200493
Netto: 96,32 € zzgl. MwSt.
zzgl. 6,90 € Versand (brutto)
einmalig pro Bestellung

Lieferzeit: 5 Werktage

Pos.
8032
BOSCH Abdeckung | Ersatzteile für GAS 35 L SFC | 2609200477
Hersteller: BOSCH
Artikelnummer: EB-3601JC3000-2609200477
Netto: 77,60 € zzgl. MwSt.
zzgl. 6,90 € Versand (brutto)
einmalig pro Bestellung

Lieferzeit: 5 Werktage

Pos.
8033
BOSCH Deckel | Ersatzteile für GAS 35 L SFC | 2609200391
Hersteller: BOSCH
Artikelnummer: EB-3601JC3000-2609200391
Netto: 42,86 € zzgl. MwSt.
zzgl. 6,90 € Versand (brutto)
einmalig pro Bestellung

Lieferzeit: 5 Werktage

Pos.
8034
BOSCH Haube | Ersatzteile für GAS 35 L SFC | 2609200430
Hersteller: BOSCH
Artikelnummer: EB-3601JC3000-2609200430
Netto: 77,60 € zzgl. MwSt.
zzgl. 6,90 € Versand (brutto)
einmalig pro Bestellung

Lieferzeit: 5 Werktage

Pos.
8035
BOSCH Behälter | Ersatzteile für GAS 35 L SFC | 2609200488
Hersteller: BOSCH
Artikelnummer: EB-3601JC3000-2609200488
Netto: 77,60 € zzgl. MwSt.
zzgl. 6,90 € Versand (brutto)
einmalig pro Bestellung

Lieferzeit: 5 Werktage

Pos.
8036
BOSCH Achse | Ersatzteile für GAS 35 L SFC | 2609200458
Hersteller: BOSCH
Artikelnummer: EB-3601JC3000-2609200458
Netto: 14,36 € zzgl. MwSt.
zzgl. 6,90 € Versand (brutto)
einmalig pro Bestellung

Lieferzeit: 5 Werktage

Pos.
8039
BOSCH Griff | Ersatzteile für GAS 35 L SFC | 2609200444
Hersteller: BOSCH
Artikelnummer: EB-3601JC3000-2609200444
Netto: 15,75 € zzgl. MwSt.
zzgl. 6,90 € Versand (brutto)
einmalig pro Bestellung

Lieferzeit: 5 Werktage

Pos.
8049
BOSCH Typschild GAS 35 L SFC | Ersatzteile für GAS 35 L SFC | 2609200485
Hersteller: BOSCH
Artikelnummer: EB-3601JC3000-2609200485
Netto: 7,30 € zzgl. MwSt.
zzgl. 6,90 € Versand (brutto)
einmalig pro Bestellung

Lieferzeit: 5 Werktage

Pos.
8058
BOSCH Anschlagpuffer | Ersatzteile für GAS 35 L SFC | 2609200449
Hersteller: BOSCH
Artikelnummer: EB-3601JC3000-2609200449
Netto: 39,11 € zzgl. MwSt.
zzgl. 6,90 € Versand (brutto)
einmalig pro Bestellung

Lieferzeit: 5 Werktage

Pos.
8068
BOSCH Dichtungssatz | Ersatzteile für GAS 35 L SFC | 2609200431
Hersteller: BOSCH
Artikelnummer: EB-3601JC3000-2609200431
Netto: 24,13 € zzgl. MwSt.
zzgl. 6,90 € Versand (brutto)
einmalig pro Bestellung

Lieferzeit: 10 Werktage

Pos.
8075
BOSCH Ventilteller | Ersatzteile für GAS 35 L SFC | 2609200480
Hersteller: BOSCH
Artikelnummer: EB-3601JC3000-2609200480
Netto: 96,32 € zzgl. MwSt.
zzgl. 6,90 € Versand (brutto)
einmalig pro Bestellung

Lieferzeit: 5 Werktage

Pos.
8090
BOSCH Schalldaemmatte | Ersatzteile für GAS 35 L SFC | 2609200413
Hersteller: BOSCH
Artikelnummer: EB-3601JC3000-2609200413
Netto: 19,18 € zzgl. MwSt.
zzgl. 6,90 € Versand (brutto)
einmalig pro Bestellung

Lieferzeit: 5 Werktage

Pos.
8092
BOSCH Schalldaemmatte | Ersatzteile für GAS 35 L SFC | 2609200437
Hersteller: BOSCH
Artikelnummer: EB-3601JC3000-2609200437
Netto: 12,98 € zzgl. MwSt.
zzgl. 6,90 € Versand (brutto)
einmalig pro Bestellung

Lieferzeit: 5 Werktage

Pos.
8103
BOSCH Rad | Ersatzteile für GAS 35 L SFC | 2609200432
Hersteller: BOSCH
Artikelnummer: EB-3601JC3000-2609200432
Netto: 24,13 € zzgl. MwSt.
zzgl. 6,90 € Versand (brutto)
einmalig pro Bestellung

Lieferzeit: 5 Werktage

Pos.
8107
BOSCH Motor | Ersatzteile für GAS 35 L SFC | 2609200415
Hersteller: BOSCH
Artikelnummer: EB-3601JC3000-2609200415
Netto: 135,20 € zzgl. MwSt.
zzgl. 6,90 € Versand (brutto)
einmalig pro Bestellung

Lieferzeit: 5 Werktage

Pos.
8110
BOSCH Halterung | Ersatzteile für GAS 35 L SFC | 2609200435
Hersteller: BOSCH
Artikelnummer: EB-3601JC3000-2609200435
Netto: 14,36 € zzgl. MwSt.
zzgl. 6,90 € Versand (brutto)
einmalig pro Bestellung

Lieferzeit: 5 Werktage

Pos.
8111
BOSCH Halterung | Ersatzteile für GAS 35 L SFC | 2609200407
Hersteller: BOSCH
Artikelnummer: EB-3601JC3000-2609200407
Netto: 14,36 € zzgl. MwSt.
zzgl. 6,90 € Versand (brutto)
einmalig pro Bestellung

Lieferzeit: 5 Werktage

Pos.
8113
BOSCH Befestigungssatz | Ersatzteile für GAS 35 L SFC | 2609200405
Hersteller: BOSCH
Artikelnummer: EB-3601JC3000-2609200405
Netto: 12,98 € zzgl. MwSt.
zzgl. 6,90 € Versand (brutto)
einmalig pro Bestellung

Lieferzeit: 5 Werktage

Pos.
8115
BOSCH Filterdeckel | Ersatzteile für GAS 35 L SFC | 2609200393
Hersteller: BOSCH
Artikelnummer: EB-3601JC3000-2609200393
Netto: 19,18 € zzgl. MwSt.
zzgl. 6,90 € Versand (brutto)
einmalig pro Bestellung

Lieferzeit: 5 Werktage

Pos.
8161
BOSCH Kabel | Ersatzteile für GAS 35 L SFC | 2609200412
Hersteller: BOSCH
Artikelnummer: EB-3601JC3000-2609200412
Netto: 12,98 € zzgl. MwSt.
zzgl. 6,90 € Versand (brutto)
einmalig pro Bestellung

Lieferzeit: 5 Werktage

Pos.
8175
BOSCH Platine | Ersatzteile für GAS 35 L SFC | 2609200386
Hersteller: BOSCH
Artikelnummer: EB-3601JC3000-2609200386
Netto: 70,50 € zzgl. MwSt.
zzgl. 6,90 € Versand (brutto)
einmalig pro Bestellung

Lieferzeit: 5 Werktage

Pos.
8257
BOSCH Schlauch | Ersatzteile für GAS 35 L SFC | 2608000A09
Hersteller: BOSCH
Artikelnummer: EB-3601JC3000-2608000A09
Netto: 70,50 € zzgl. MwSt.
zzgl. 6,90 € Versand (brutto)
einmalig pro Bestellung

Lieferzeit: 5 Werktage

Pos.
8301
BOSCH Bedienfeld | Ersatzteile für GAS 35 L SFC | 2609200484
Hersteller: BOSCH
Artikelnummer: EB-3601JC3000-2609200484
Netto: 35,77 € zzgl. MwSt.
zzgl. 6,90 € Versand (brutto)
einmalig pro Bestellung

Lieferzeit: 5 Werktage

Pos.
8321
BOSCH Federgehäuse | Ersatzteile für GAS 35 L SFC | 2609200428
Hersteller: BOSCH
Artikelnummer: EB-3601JC3000-2609200428
Netto: 15,75 € zzgl. MwSt.
zzgl. 6,90 € Versand (brutto)
einmalig pro Bestellung

Lieferzeit: 5 Werktage

Pos.
260
BOSCH Adapter | Ersatzteile für GAS 35 L SFC+ | 1600A030KS
Hersteller: BOSCH
Artikelnummer: EB-3601JC3000-1600A030KS
Netto: 6,70 € zzgl. MwSt.
zzgl. 6,90 € Versand (brutto)
einmalig pro Bestellung

Lieferzeit: 5 Werktage

Pos.
8020
BOSCH Halter | Ersatzteile für GAS 35 L SFC | 1607000D8X
Hersteller: BOSCH
Artikelnummer: EB-3601JC3000-1607000D8X
nur Informationsartikel
Nie mehr lieferbar
keine Alternativen
Pos.
8050
BOSCH Typschild MADE IN ROMANIA | Ersatzteile für GAS 35 L SFC+ | 160111AA28
Hersteller: BOSCH
Artikelnummer: EB-3601JC3000-160111AA28
Nie mehr lieferbar
keine Alternativen
Pos.
8162
BOSCH Kabel | Ersatzteile für GAS 35 L SFC | 2609200570
Hersteller: BOSCH
Artikelnummer: EB-3601JC3000-2609200570
nur Informationsartikel
Nie mehr lieferbar
keine Alternativen
Pos.
8303
BOSCH Steckdose | Ersatzteile für GAS 35 L SFC | 2609200446
Hersteller: BOSCH
Artikelnummer: EB-3601JC3000-2609200446
Netto: 24,13 € zzgl. MwSt.
zzgl. 6,90 € Versand (brutto)
einmalig pro Bestellung

Lieferzeit: 5 Werktage

Angaben zur Produktsicherheit

Hersteller:
Robert Bosch Power Tools GmbH
Postfach 30 02 20
70442 Stuttgart

E-Mail:
kontakt@bosch.de