BOSCH Dichtring | Ersatzteile für GAS 35 M AFC | 2609200457

Artikelnummer: EB-3601JC3100-2609200457

Position: 332

Marke: BOSCH


Bitte Kompatibilität prüfen!

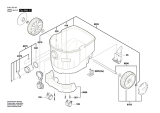
Bitte prüfen Sie unbedingt die 10-stellige Typennummer Ihrer Maschine / Ihres Gerätes. Das Ersatzteil ist nur kompatibel, wenn Sie die Typennummer Ihrer Maschine in der unten stehenden Produktbeschreibung finden.

Bitte prüfen Sie ebenfalls detailliert die Explosionszeichnung mit Ihrem Artikelwunsch und der jeweiligen Pos-Nummer.

Alle Elemente, welche vom schwarzen Strich der Pos-Nummer ausgehend berührt / erfasst werden, gehören zu dieser Pos-Nummer und somit zu diesem Artikel. Jede Pos-Nummer ist ein eigenständiger Artikel, welchen Sie in der Auflistung finden.

Sie erhalten stets die aktuellste, neueste Produktversion zu der gewählten Pos-Nummer seitens des Herstellers. Es kann daher je nach Gerätealter vorkommen, dass Sie ggf. weitere, zugehörige Elemente, welche an diese Pos-Nummer grenzen, ebenfalls mittauschen müssen.

Nähere Informationen finden Sie unter dem Link
Hinweise zu Ihrer BOSCH Ersatzteilsuche

Preisübersicht

Einzelpreis: 5,19 €* (Brutto: 6,18 €)
Gesamtpreis: 5,19 €* 
Position:

Lieferzeit: 5 Werktage


Beschreibung

  • Dichtring
  • Original Bosch Zubehör / BOSCH Ersatzteil (2609200457)
  • im Gerät verbaut: 1
Dieses BOSCH Ersatzteil ist mit folgendem Gerät und Modell kompatibel:
  • BOSCH Gerätename: GAS 35 M AFC
  • BOSCH Explosionszeichnung: Position 332
  • BOSCH Typennummer: 3601JC3100
  • BOSCH Typennummer alternative Schreibweisen: 3 601 JC3 100, 3601 JC3 100, 3.601.JC3.100, 3-601-JC3-100
    Bitte prüfen Sie diese Typennummer auf Ihrem Gerät um die Kompatibilität des BOSCH Ersatzteils zu gewährleisten.
Weitere BOSCH Ersatzteile des Gerätes GAS 35 M AFC (Allzwecksauger) mit der Typennummer 3601JC3100 finden Sie in der nachfolgenden Darstellung und im Dropdown zu Ihrer Auswahl:

Pos.
23
BOSCH Halter | Ersatzteile für GAS 35 M AFC | 2609200453
Hersteller: BOSCH
Artikelnummer: EB-3601JC3100-2609200453
Netto: 7,76 € zzgl. MwSt.
zzgl. 6,90 € Versand (brutto)
einmalig pro Bestellung

Lieferzeit: 5 Werktage

Pos.
24
BOSCH Verschlussstück | Ersatzteile für GAS 35 M AFC | 2609200425
Hersteller: BOSCH
Artikelnummer: EB-3601JC3100-2609200425
Netto: 8,33 € zzgl. MwSt.
zzgl. 6,90 € Versand (brutto)
einmalig pro Bestellung

Lieferzeit: 5 Werktage

Pos.
25
BOSCH Halter | Ersatzteile für GAS 35 M AFC | 2609200452
Hersteller: BOSCH
Artikelnummer: EB-3601JC3100-2609200452
Netto: 9,18 € zzgl. MwSt.
zzgl. 6,90 € Versand (brutto)
einmalig pro Bestellung

Lieferzeit: 5 Werktage

Pos.
27
BOSCH Magnet | Ersatzteile für GAS 35 M AFC | 2609200401
Hersteller: BOSCH
Artikelnummer: EB-3601JC3100-2609200401
Netto: 7,76 € zzgl. MwSt.
zzgl. 6,90 € Versand (brutto)
einmalig pro Bestellung

Lieferzeit: 5 Werktage

Pos.
28
BOSCH Klemmstück | Ersatzteile für GAS 35 M AFC | 2609200423
Hersteller: BOSCH
Artikelnummer: EB-3601JC3100-2609200423
Netto: 7,76 € zzgl. MwSt.
zzgl. 6,90 € Versand (brutto)
einmalig pro Bestellung

Lieferzeit: 5 Werktage

Pos.
29
BOSCH Halter | Ersatzteile für GAS 35 M AFC | 2609200390
Hersteller: BOSCH
Artikelnummer: EB-3601JC3100-2609200390
Netto: 10,92 € zzgl. MwSt.
zzgl. 6,90 € Versand (brutto)
einmalig pro Bestellung

Lieferzeit: 5 Werktage

Pos.
37
BOSCH Sensor | Ersatzteile für GAS 35 M AFC | 2609200427
Hersteller: BOSCH
Artikelnummer: EB-3601JC3100-2609200427
Netto: 5,19 € zzgl. MwSt.
zzgl. 6,90 € Versand (brutto)
einmalig pro Bestellung

Lieferzeit: 5 Werktage

Pos.
47
BOSCH Feder | Ersatzteile für GAS 35 M AFC | 2609200483
Hersteller: BOSCH
Artikelnummer: EB-3601JC3100-2609200483
Netto: 9,18 € zzgl. MwSt.
zzgl. 6,90 € Versand (brutto)
einmalig pro Bestellung

Lieferzeit: 5 Werktage

Pos.
72
BOSCH Dichtung | Ersatzteile für GAS 35 M AFC | 2609200420
Hersteller: BOSCH
Artikelnummer: EB-3601JC3100-2609200420
Netto: 9,95 € zzgl. MwSt.
zzgl. 6,90 € Versand (brutto)
einmalig pro Bestellung

Lieferzeit: 5 Werktage

Pos.
80
BOSCH Motorgehäuse | Ersatzteile für GAS 35 M AFC | 2609200409
Hersteller: BOSCH
Artikelnummer: EB-3601JC3100-2609200409
Netto: 42,86 € zzgl. MwSt.
zzgl. 6,90 € Versand (brutto)
einmalig pro Bestellung

Lieferzeit: 5 Werktage

Pos.
85
BOSCH Schlauchhalter | Ersatzteile für GAS 35 M AFC | 2609200436
Hersteller: BOSCH
Artikelnummer: EB-3601JC3100-2609200436
Netto: 29,45 € zzgl. MwSt.
zzgl. 6,90 € Versand (brutto)
einmalig pro Bestellung

Lieferzeit: 5 Werktage

Pos.
99
BOSCH Schnur | Ersatzteile für GAS 35 M AFC | 2609200424
Hersteller: BOSCH
Artikelnummer: EB-3601JC3100-2609200424
Netto: 8,33 € zzgl. MwSt.
zzgl. 6,90 € Versand (brutto)
einmalig pro Bestellung

Lieferzeit: 5 Werktage

Pos.
100
BOSCH O-Ring | Ersatzteile für GAS 35 M AFC | 2609200392
Hersteller: BOSCH
Artikelnummer: EB-3601JC3100-2609200392
Netto: 3,94 € zzgl. MwSt.
zzgl. 6,90 € Versand (brutto)
einmalig pro Bestellung

Lieferzeit: 5 Werktage

Pos.
105
BOSCH Lenkrolle | Ersatzteile für GAS 35 M AFC | 2609200450
Hersteller: BOSCH
Artikelnummer: EB-3601JC3100-2609200450
Netto: 8,33 € zzgl. MwSt.
zzgl. 6,90 € Versand (brutto)
einmalig pro Bestellung

Lieferzeit: 5 Werktage

Pos.
106
BOSCH Lenkrolle | Ersatzteile für GAS 35 M AFC | 2609200451
Hersteller: BOSCH
Artikelnummer: EB-3601JC3100-2609200451
Netto: 14,36 € zzgl. MwSt.
zzgl. 6,90 € Versand (brutto)
einmalig pro Bestellung

Lieferzeit: 5 Werktage

Pos.
113
BOSCH Stopfen | Ersatzteile für GAS 35 M AFC | 2609200406
Hersteller: BOSCH
Artikelnummer: EB-3601JC3100-2609200406
Netto: 3,63 € zzgl. MwSt.
zzgl. 6,90 € Versand (brutto)
einmalig pro Bestellung

Lieferzeit: 5 Werktage

Pos.
154
BOSCH Netzkabel EU | Ersatzteile für GAS 35 M AFC | 2609200429
Hersteller: BOSCH
Artikelnummer: EB-3601JC3100-2609200429
Netto: 52,14 € zzgl. MwSt.
zzgl. 6,90 € Versand (brutto)
einmalig pro Bestellung

Lieferzeit: 5 Werktage

Pos.
162
BOSCH Kabel | Ersatzteile für GAS 35 M AFC | 2609200426
Hersteller: BOSCH
Artikelnummer: EB-3601JC3100-2609200426
Netto: 4,32 € zzgl. MwSt.
zzgl. 6,90 € Versand (brutto)
einmalig pro Bestellung

Lieferzeit: 5 Werktage

Pos.
170
BOSCH Magnet | Ersatzteile für GAS 35 M AFC | 2609200460
Hersteller: BOSCH
Artikelnummer: EB-3601JC3100-2609200460
Netto: 77,60 € zzgl. MwSt.
zzgl. 6,90 € Versand (brutto)
einmalig pro Bestellung

Lieferzeit: 5 Werktage

Pos.
190
BOSCH Filter | Ersatzteile für GAS 35 M AFC | 2607432026
Hersteller: BOSCH
Artikelnummer: EB-3601JC3100-2607432026
Netto: 70,50 € zzgl. MwSt.
zzgl. 6,90 € Versand (brutto)
einmalig pro Bestellung

Lieferzeit: 5 Werktage

Pos.
199
BOSCH Schraube | Ersatzteile für GAS 35 M AFC | 2609200422
Hersteller: BOSCH
Artikelnummer: EB-3601JC3100-2609200422
Netto: 3,63 € zzgl. MwSt.
zzgl. 6,90 € Versand (brutto)
einmalig pro Bestellung

Lieferzeit: 5 Werktage

Pos.
201
BOSCH Schraube | Ersatzteile für GAS 35 M AFC | 2609200410
Hersteller: BOSCH
Artikelnummer: EB-3601JC3100-2609200410
Netto: 3,63 € zzgl. MwSt.
zzgl. 6,90 € Versand (brutto)
einmalig pro Bestellung

Lieferzeit: 5 Werktage

Pos.
205
BOSCH Schraube | Ersatzteile für GAS 35 M AFC | 2609200400
Hersteller: BOSCH
Artikelnummer: EB-3601JC3100-2609200400
Netto: 3,94 € zzgl. MwSt.
zzgl. 6,90 € Versand (brutto)
einmalig pro Bestellung

Lieferzeit: 5 Werktage

Pos.
206
BOSCH Fixierbauteil | Ersatzteile für GAS 35 M AFC | 2609200414
Hersteller: BOSCH
Artikelnummer: EB-3601JC3100-2609200414
Netto: 3,63 € zzgl. MwSt.
zzgl. 6,90 € Versand (brutto)
einmalig pro Bestellung

Lieferzeit: 5 Werktage

Pos.
210
BOSCH Fächerscheibe | Ersatzteile für GAS 35 M AFC | 2609200399
Hersteller: BOSCH
Artikelnummer: EB-3601JC3100-2609200399
Netto: 3,63 € zzgl. MwSt.
zzgl. 6,90 € Versand (brutto)
einmalig pro Bestellung

Lieferzeit: 5 Werktage

Pos.
215
BOSCH Linsenkopfschraube | Ersatzteile für GAS 35 M AFC | 2609200397
Hersteller: BOSCH
Artikelnummer: EB-3601JC3100-2609200397
Netto: 3,63 € zzgl. MwSt.
zzgl. 6,90 € Versand (brutto)
einmalig pro Bestellung

Lieferzeit: 5 Werktage

Pos.
250
BOSCH Spannring | Ersatzteile für GAS 35 M AFC | 2609200454
Hersteller: BOSCH
Artikelnummer: EB-3601JC3100-2609200454
Netto: 4,32 € zzgl. MwSt.
zzgl. 6,90 € Versand (brutto)
einmalig pro Bestellung

Lieferzeit: 5 Werktage

Pos.
251
BOSCH Rohrkrümmer | Ersatzteile für GAS 35 M AFC | 2608000A13
Hersteller: BOSCH
Artikelnummer: EB-3601JC3100-2608000A13
Netto: 15,75 € zzgl. MwSt.
zzgl. 6,90 € Versand (brutto)
einmalig pro Bestellung

Lieferzeit: 5 Werktage

Pos.
253
BOSCH Saugrohr | Ersatzteile für GAS 35 M AFC | 2608000A15
Hersteller: BOSCH
Artikelnummer: EB-3601JC3100-2608000A15
Netto: 17,38 € zzgl. MwSt.
zzgl. 6,90 € Versand (brutto)
einmalig pro Bestellung

Lieferzeit: 33 Werktage

Pos.
255
BOSCH Düse | Ersatzteile für GAS 35 M AFC | 2609200455
Hersteller: BOSCH
Artikelnummer: EB-3601JC3100-2609200455
Netto: 24,13 € zzgl. MwSt.
zzgl. 6,90 € Versand (brutto)
einmalig pro Bestellung

Lieferzeit: 5 Werktage

Pos.
259
BOSCH Düse | Ersatzteile für GAS 35 M AFC | 2609200462
Hersteller: BOSCH
Artikelnummer: EB-3601JC3100-2609200462
Netto: 9,18 € zzgl. MwSt.
zzgl. 6,90 € Versand (brutto)
einmalig pro Bestellung

Lieferzeit: 5 Werktage

Pos.
260
BOSCH Muffe | Ersatzteile für GAS 35 M AFC | 2609200463
Hersteller: BOSCH
Artikelnummer: EB-3601JC3100-2609200463
Netto: 39,11 € zzgl. MwSt.
zzgl. 6,90 € Versand (brutto)
einmalig pro Bestellung

Lieferzeit: 5 Werktage

Pos.
300
BOSCH Drehknopf | Ersatzteile für GAS 35 M AFC | 2609200445
Hersteller: BOSCH
Artikelnummer: EB-3601JC3100-2609200445
Netto: 3,94 € zzgl. MwSt.
zzgl. 6,90 € Versand (brutto)
einmalig pro Bestellung

Lieferzeit: 5 Werktage

Pos.
307
BOSCH Aufkleber 2200W | Ersatzteile für GAS 35 M AFC | 2609200447
Hersteller: BOSCH
Artikelnummer: EB-3601JC3100-2609200447
Netto: 5,19 € zzgl. MwSt.
zzgl. 6,90 € Versand (brutto)
einmalig pro Bestellung

Lieferzeit: 5 Werktage

Pos.
308
BOSCH Schraube | Ersatzteile für GAS 35 M AFC | 2609200438
Hersteller: BOSCH
Artikelnummer: EB-3601JC3100-2609200438
Netto: 3,63 € zzgl. MwSt.
zzgl. 6,90 € Versand (brutto)
einmalig pro Bestellung

Lieferzeit: 5 Werktage

Pos.
313
BOSCH Elektro-Zubehör | Ersatzteile für GAS 35 M AFC | 2609200439
Hersteller: BOSCH
Artikelnummer: EB-3601JC3100-2609200439
Netto: 19,18 € zzgl. MwSt.
zzgl. 6,90 € Versand (brutto)
einmalig pro Bestellung

Lieferzeit: 5 Werktage

Pos.
320
BOSCH Bolzen | Ersatzteile für GAS 35 M AFC | 2609200456
Hersteller: BOSCH
Artikelnummer: EB-3601JC3100-2609200456
Netto: 4,53 € zzgl. MwSt.
zzgl. 6,90 € Versand (brutto)
einmalig pro Bestellung

Lieferzeit: 5 Werktage

Pos.
322
BOSCH Befestigungsteil | Ersatzteile für GAS 35 M AFC | 2609200461
Hersteller: BOSCH
Artikelnummer: EB-3601JC3100-2609200461
Netto: 3,63 € zzgl. MwSt.
zzgl. 6,90 € Versand (brutto)
einmalig pro Bestellung

Lieferzeit: 5 Werktage

Pos.
332
BOSCH Dichtring | Ersatzteile für GAS 35 M AFC | 2609200457
Hersteller: BOSCH
Artikelnummer: EB-3601JC3100-2609200457
Netto: 5,19 € zzgl. MwSt.
zzgl. 6,90 € Versand (brutto)
einmalig pro Bestellung

Lieferzeit: 5 Werktage

Pos.
351
BOSCH Hupe | Ersatzteile für GAS 35 M AFC | 2609200408
Hersteller: BOSCH
Artikelnummer: EB-3601JC3100-2609200408
Netto: 21,16 € zzgl. MwSt.
zzgl. 6,90 € Versand (brutto)
einmalig pro Bestellung

Lieferzeit: 5 Werktage

Pos.
353
BOSCH Schlauch | Ersatzteile für GAS 35 M AFC | 2609200411
Hersteller: BOSCH
Artikelnummer: EB-3601JC3100-2609200411
Netto: 12,98 € zzgl. MwSt.
zzgl. 6,90 € Versand (brutto)
einmalig pro Bestellung

Lieferzeit: 5 Werktage

Pos.
414
BOSCH Aufkleber | Ersatzteile für GAS 35 M AFC | 2609200441
Hersteller: BOSCH
Artikelnummer: EB-3601JC3100-2609200441
Netto: 6,70 € zzgl. MwSt.
zzgl. 6,90 € Versand (brutto)
einmalig pro Bestellung

Lieferzeit: 5 Werktage

Pos.
415
BOSCH Aufkleber | Ersatzteile für GAS 35 M AFC | 2609200442
Hersteller: BOSCH
Artikelnummer: EB-3601JC3100-2609200442
Netto: 5,67 € zzgl. MwSt.
zzgl. 6,90 € Versand (brutto)
einmalig pro Bestellung

Lieferzeit: 5 Werktage

Pos.
416
BOSCH Aufkleber | Ersatzteile für GAS 35 M AFC | 2609200443
Hersteller: BOSCH
Artikelnummer: EB-3601JC3100-2609200443
Netto: 5,67 € zzgl. MwSt.
zzgl. 6,90 € Versand (brutto)
einmalig pro Bestellung

Lieferzeit: 5 Werktage

Pos.
418
BOSCH Schild | Ersatzteile für GAS 35 M AFC | 2609200459
Hersteller: BOSCH
Artikelnummer: EB-3601JC3100-2609200459
Netto: 7,30 € zzgl. MwSt.
zzgl. 6,90 € Versand (brutto)
einmalig pro Bestellung

Lieferzeit: 5 Werktage

Pos.
419
BOSCH Warnschild | Ersatzteile für GAS 35 M AFC | 2609200498
Hersteller: BOSCH
Artikelnummer: EB-3601JC3100-2609200498
Netto: 8,33 € zzgl. MwSt.
zzgl. 6,90 € Versand (brutto)
einmalig pro Bestellung

Lieferzeit: 5 Werktage

Pos.
420
BOSCH Firmenschild | Ersatzteile für GAS 35 M AFC | 2609200404
Hersteller: BOSCH
Artikelnummer: EB-3601JC3100-2609200404
Netto: 5,19 € zzgl. MwSt.
zzgl. 6,90 € Versand (brutto)
einmalig pro Bestellung

Lieferzeit: 5 Werktage

Pos.
8021
BOSCH Schalter | Ersatzteile für GAS 35 M AFC | 2609200388
Hersteller: BOSCH
Artikelnummer: EB-3601JC3100-2609200388
Netto: 39,11 € zzgl. MwSt.
zzgl. 6,90 € Versand (brutto)
einmalig pro Bestellung

Lieferzeit: 5 Werktage

Pos.
8031
BOSCH Gehäuse | Ersatzteile für GAS 35 M AFC | 2609200421
Hersteller: BOSCH
Artikelnummer: EB-3601JC3100-2609200421
Netto: 96,32 € zzgl. MwSt.
zzgl. 6,90 € Versand (brutto)
einmalig pro Bestellung

Lieferzeit: 5 Werktage

Pos.
8032
BOSCH Abdeckung | Ersatzteile für GAS 35 M AFC | 2609200402
Hersteller: BOSCH
Artikelnummer: EB-3601JC3100-2609200402
Netto: 77,60 € zzgl. MwSt.
zzgl. 6,90 € Versand (brutto)
einmalig pro Bestellung

Lieferzeit: 5 Werktage

Pos.
8033
BOSCH Deckel | Ersatzteile für GAS 35 M AFC | 2609200391
Hersteller: BOSCH
Artikelnummer: EB-3601JC3100-2609200391
Netto: 42,86 € zzgl. MwSt.
zzgl. 6,90 € Versand (brutto)
einmalig pro Bestellung

Lieferzeit: 5 Werktage

Pos.
8034
BOSCH Haube | Ersatzteile für GAS 35 M AFC | 2609200430
Hersteller: BOSCH
Artikelnummer: EB-3601JC3100-2609200430
Netto: 77,60 € zzgl. MwSt.
zzgl. 6,90 € Versand (brutto)
einmalig pro Bestellung

Lieferzeit: 5 Werktage

Pos.
8036
BOSCH Achse | Ersatzteile für GAS 35 M AFC | 2609200458
Hersteller: BOSCH
Artikelnummer: EB-3601JC3100-2609200458
Netto: 14,36 € zzgl. MwSt.
zzgl. 6,90 € Versand (brutto)
einmalig pro Bestellung

Lieferzeit: 5 Werktage

Pos.
8039
BOSCH Griff | Ersatzteile für GAS 35 M AFC | 2609200444
Hersteller: BOSCH
Artikelnummer: EB-3601JC3100-2609200444
Netto: 15,75 € zzgl. MwSt.
zzgl. 6,90 € Versand (brutto)
einmalig pro Bestellung

Lieferzeit: 5 Werktage

Pos.
8058
BOSCH Anschlagpuffer | Ersatzteile für GAS 35 M AFC | 2609200449
Hersteller: BOSCH
Artikelnummer: EB-3601JC3100-2609200449
Netto: 39,11 € zzgl. MwSt.
zzgl. 6,90 € Versand (brutto)
einmalig pro Bestellung

Lieferzeit: 5 Werktage

Pos.
8068
BOSCH Dichtungssatz | Ersatzteile für GAS 35 M AFC | 2609200431
Hersteller: BOSCH
Artikelnummer: EB-3601JC3100-2609200431
Netto: 24,13 € zzgl. MwSt.
zzgl. 6,90 € Versand (brutto)
einmalig pro Bestellung

Lieferzeit: 5 Werktage

Pos.
8090
BOSCH Schalldaemmatte | Ersatzteile für GAS 35 M AFC | 2609200413
Hersteller: BOSCH
Artikelnummer: EB-3601JC3100-2609200413
Netto: 19,18 € zzgl. MwSt.
zzgl. 6,90 € Versand (brutto)
einmalig pro Bestellung

Lieferzeit: 5 Werktage

Pos.
8092
BOSCH Schalldaemmatte | Ersatzteile für GAS 35 M AFC | 2609200437
Hersteller: BOSCH
Artikelnummer: EB-3601JC3100-2609200437
Netto: 12,98 € zzgl. MwSt.
zzgl. 6,90 € Versand (brutto)
einmalig pro Bestellung

Lieferzeit: 5 Werktage

Pos.
8103
BOSCH Rad | Ersatzteile für GAS 35 M AFC | 2609200432
Hersteller: BOSCH
Artikelnummer: EB-3601JC3100-2609200432
Netto: 24,13 € zzgl. MwSt.
zzgl. 6,90 € Versand (brutto)
einmalig pro Bestellung

Lieferzeit: 5 Werktage

Pos.
8107
BOSCH Motor | Ersatzteile für GAS 35 M AFC | 2609200415
Hersteller: BOSCH
Artikelnummer: EB-3601JC3100-2609200415
Netto: 135,20 € zzgl. MwSt.
zzgl. 6,90 € Versand (brutto)
einmalig pro Bestellung

Lieferzeit: 5 Werktage

Pos.
8110
BOSCH Halterung | Ersatzteile für GAS 35 M AFC | 2609200435
Hersteller: BOSCH
Artikelnummer: EB-3601JC3100-2609200435
Netto: 14,36 € zzgl. MwSt.
zzgl. 6,90 € Versand (brutto)
einmalig pro Bestellung

Lieferzeit: 5 Werktage

Pos.
8111
BOSCH Halterung | Ersatzteile für GAS 35 M AFC | 2609200407
Hersteller: BOSCH
Artikelnummer: EB-3601JC3100-2609200407
Netto: 14,36 € zzgl. MwSt.
zzgl. 6,90 € Versand (brutto)
einmalig pro Bestellung

Lieferzeit: 5 Werktage

Pos.
8113
BOSCH Befestigungssatz | Ersatzteile für GAS 35 M AFC | 2609200405
Hersteller: BOSCH
Artikelnummer: EB-3601JC3100-2609200405
Netto: 12,98 € zzgl. MwSt.
zzgl. 6,90 € Versand (brutto)
einmalig pro Bestellung

Lieferzeit: 5 Werktage

Pos.
8115
BOSCH Filterdeckel | Ersatzteile für GAS 35 M AFC | 2609200393
Hersteller: BOSCH
Artikelnummer: EB-3601JC3100-2609200393
Netto: 19,18 € zzgl. MwSt.
zzgl. 6,90 € Versand (brutto)
einmalig pro Bestellung

Lieferzeit: 5 Werktage

Pos.
8160
BOSCH Magnet | Ersatzteile für GAS 35 M AFC | 2609200398
Hersteller: BOSCH
Artikelnummer: EB-3601JC3100-2609200398
Netto: 77,60 € zzgl. MwSt.
zzgl. 6,90 € Versand (brutto)
einmalig pro Bestellung

Lieferzeit: 5 Werktage

Pos.
8161
BOSCH Kabel | Ersatzteile für GAS 35 M AFC | 2609200412
Hersteller: BOSCH
Artikelnummer: EB-3601JC3100-2609200412
Netto: 12,98 € zzgl. MwSt.
zzgl. 6,90 € Versand (brutto)
einmalig pro Bestellung

Lieferzeit: 5 Werktage

Pos.
8175
BOSCH Platine | Ersatzteile für GAS 35 M AFC | 2609200384
Hersteller: BOSCH
Artikelnummer: EB-3601JC3100-2609200384
Netto: 121,18 € zzgl. MwSt.
zzgl. 6,90 € Versand (brutto)
einmalig pro Bestellung

Lieferzeit: 5 Werktage

Pos.
8257
BOSCH Schlauch | Ersatzteile für GAS 35 M AFC | 2608000A06
Hersteller: BOSCH
Artikelnummer: EB-3601JC3100-2608000A06
Netto: 135,20 € zzgl. MwSt.
zzgl. 6,90 € Versand (brutto)
einmalig pro Bestellung

Lieferzeit: 5 Werktage

Pos.
8301
BOSCH Bedienfeld | Ersatzteile für GAS 35 M AFC | 2609200440
Hersteller: BOSCH
Artikelnummer: EB-3601JC3100-2609200440
Netto: 39,11 € zzgl. MwSt.
zzgl. 6,90 € Versand (brutto)
einmalig pro Bestellung

Lieferzeit: 5 Werktage

Pos.
8305
BOSCH Platine | Ersatzteile für GAS 35 M AFC | 2609200383
Hersteller: BOSCH
Artikelnummer: EB-3601JC3100-2609200383
Netto: 35,77 € zzgl. MwSt.
zzgl. 6,90 € Versand (brutto)
einmalig pro Bestellung

Lieferzeit: 5 Werktage

Pos.
8321
BOSCH Federgehäuse | Ersatzteile für GAS 35 M AFC | 2609200428
Hersteller: BOSCH
Artikelnummer: EB-3601JC3100-2609200428
Netto: 15,75 € zzgl. MwSt.
zzgl. 6,90 € Versand (brutto)
einmalig pro Bestellung

Lieferzeit: 5 Werktage

Pos.
8350
BOSCH Formteil | Ersatzteile für GAS 35 M AFC | 2609200433
Hersteller: BOSCH
Artikelnummer: EB-3601JC3100-2609200433
Netto: 14,36 € zzgl. MwSt.
zzgl. 6,90 € Versand (brutto)
einmalig pro Bestellung

Lieferzeit: 5 Werktage

Pos.
8352
BOSCH Platine | Ersatzteile für GAS 35 M AFC | 2609200382
Hersteller: BOSCH
Artikelnummer: EB-3601JC3100-2609200382
Netto: 77,60 € zzgl. MwSt.
zzgl. 6,90 € Versand (brutto)
einmalig pro Bestellung

Lieferzeit: 5 Werktage

Pos.
8370
BOSCH Kupplung | Ersatzteile für GAS 35 M AFC | 2609200417
Hersteller: BOSCH
Artikelnummer: EB-3601JC3100-2609200417
Netto: 26,88 € zzgl. MwSt.
zzgl. 6,90 € Versand (brutto)
einmalig pro Bestellung

Lieferzeit: 5 Werktage

Pos.
8375
BOSCH Kupplung | Ersatzteile für GAS 35 M AFC | 2609200416
Hersteller: BOSCH
Artikelnummer: EB-3601JC3100-2609200416
Netto: 26,88 € zzgl. MwSt.
zzgl. 6,90 € Versand (brutto)
einmalig pro Bestellung

Lieferzeit: 5 Werktage

Pos.
8417
BOSCH Folientastatur | Ersatzteile für GAS 35 M AFC | 2609200387
Hersteller: BOSCH
Artikelnummer: EB-3601JC3100-2609200387
Netto: 42,86 € zzgl. MwSt.
zzgl. 6,90 € Versand (brutto)
einmalig pro Bestellung

Lieferzeit: 5 Werktage

Pos.
260
BOSCH Adapter | Ersatzteile für GAS 35 M AFC | 1600A030KS
Hersteller: BOSCH
Artikelnummer: EB-3601JC3100-1600A030KS
Netto: 6,70 € zzgl. MwSt.
zzgl. 6,90 € Versand (brutto)
einmalig pro Bestellung

Lieferzeit: 5 Werktage

Pos.
8020
BOSCH Halter | Ersatzteile für GAS 35 M AFC | 1607000D8X
Hersteller: BOSCH
Artikelnummer: EB-3601JC3100-1607000D8X
nur Informationsartikel
Nie mehr lieferbar
keine Alternativen
Pos.
8030
BOSCH Ventilteller | Ersatzteile für GAS 35 M AFC | 1607000F50
Hersteller: BOSCH
Artikelnummer: EB-3601JC3100-1607000F50
Netto: 17,38 € zzgl. MwSt.
zzgl. 6,90 € Versand (brutto)
einmalig pro Bestellung

Lieferzeit: 5 Werktage

Pos.
8035
BOSCH Behälter | Ersatzteile für GAS 35 M AFC | 1600A01A4K
Hersteller: BOSCH
Artikelnummer: EB-3601JC3100-1600A01A4K
nur Informationsartikel
Nie mehr lieferbar
keine Alternativen
Pos.
8049
BOSCH Typschild GAS 35 M AFC | Ersatzteile für GAS 35 M AFC | 2609200434
Hersteller: BOSCH
Artikelnummer: EB-3601JC3100-2609200434
Netto: 4,84 € zzgl. MwSt.
zzgl. 6,90 € Versand (brutto)
einmalig pro Bestellung

Lieferzeit: 5 Werktage

Pos.
8049
BOSCH Typschild MADE IN ITALY | Ersatzteile für GAS 35 M AFC | 1619PB0910
Hersteller: BOSCH
Artikelnummer: EB-3601JC3100-1619PB0910
Netto: 4,53 € zzgl. MwSt.
zzgl. 6,90 € Versand (brutto)
einmalig pro Bestellung

Lieferzeit: 5 Werktage

Pos.
8050
BOSCH Typschild MADE IN ROMANIA | Ersatzteile für GAS 35 M AFC | 160111AA21
Hersteller: BOSCH
Artikelnummer: EB-3601JC3100-160111AA21
nur Informationsartikel
Nie mehr lieferbar
keine Alternativen
Pos.
8162
BOSCH Kabel | Ersatzteile für GAS 35 M AFC | 1600A01A4J
Hersteller: BOSCH
Artikelnummer: EB-3601JC3100-1600A01A4J
nur Informationsartikel
Nie mehr lieferbar
keine Alternativen
Pos.
8303
BOSCH Steckdose | Ersatzteile für GAS 35 M AFC | 2609200446
Hersteller: BOSCH
Artikelnummer: EB-3601JC3100-2609200446
Netto: 24,13 € zzgl. MwSt.
zzgl. 6,90 € Versand (brutto)
einmalig pro Bestellung

Lieferzeit: 5 Werktage

Pos.
8376
BOSCH Stutzen | Ersatzteile für GAS 35 M AFC | 1600A01A4L
Hersteller: BOSCH
Artikelnummer: EB-3601JC3100-1600A01A4L
nur Informationsartikel
Nie mehr lieferbar
keine Alternativen

Angaben zur Produktsicherheit

Hersteller:
Robert Bosch Power Tools GmbH
Postfach 30 02 20
70442 Stuttgart

E-Mail:
kontakt@bosch.de