BOSCH Ferritkern | Ersatzteile für GAS20-17AH | 2609200569

Artikelnummer: EB-3601J7D010-2609200569

Position: 56

Marke: BOSCH


Bitte Kompatibilität prüfen!

Bitte prüfen Sie unbedingt die 10-stellige Typennummer Ihrer Maschine / Ihres Gerätes. Das Ersatzteil ist nur kompatibel, wenn Sie die Typennummer Ihrer Maschine in der unten stehenden Produktbeschreibung finden.

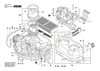
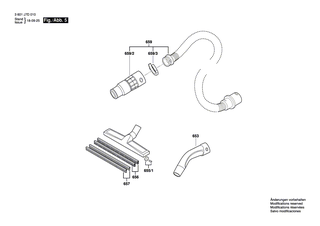
Bitte prüfen Sie ebenfalls detailliert die Explosionszeichnung mit Ihrem Artikelwunsch und der jeweiligen Pos-Nummer.

Alle Elemente, welche vom schwarzen Strich der Pos-Nummer ausgehend berührt / erfasst werden, gehören zu dieser Pos-Nummer und somit zu diesem Artikel. Jede Pos-Nummer ist ein eigenständiger Artikel, welchen Sie in der Auflistung finden.

Sie erhalten stets die aktuellste, neueste Produktversion zu der gewählten Pos-Nummer seitens des Herstellers. Es kann daher je nach Gerätealter vorkommen, dass Sie ggf. weitere, zugehörige Elemente, welche an diese Pos-Nummer grenzen, ebenfalls mittauschen müssen.

Nähere Informationen finden Sie unter dem Link
Hinweise zu Ihrer BOSCH Ersatzteilsuche

Preisübersicht

Einzelpreis: 6,70 €* (Brutto: 7,97 €)
Gesamtpreis: 6,70 €* 
Position:

Lieferzeit: 5 Werktage


Beschreibung

  • Ferritkern
  • Original Bosch Zubehör / BOSCH Ersatzteil (2609200569)
  • im Gerät verbaut: 1
Dieses BOSCH Ersatzteil ist mit folgendem Gerät und Modell kompatibel:
  • BOSCH Gerätename: GAS20-17AH
  • BOSCH Explosionszeichnung: Position 56
  • BOSCH Typennummer: 3601J7D010
  • BOSCH Typennummer alternative Schreibweisen: 3 601 J7D 010, 3601 J7D 010, 3.601.J7D.010, 3-601-J7D-010
    Bitte prüfen Sie diese Typennummer auf Ihrem Gerät um die Kompatibilität des BOSCH Ersatzteils zu gewährleisten.
Weitere BOSCH Ersatzteile des Gerätes GAS20-17AH (Druckdose) mit der Typennummer 3601J7D010 finden Sie in der nachfolgenden Darstellung und im Dropdown zu Ihrer Auswahl:

Pos.
655/1
BOSCH Laufwagen | Ersatzteile für GAS20-17AH | 1600A01C7F
Hersteller: BOSCH
Artikelnummer: EB-3601J7D010-1600A01C7F
nur Informationsartikel
Nie mehr lieferbar
keine Alternativen
Pos.
659/2
BOSCH Adapter | Ersatzteile für GAS20-17AH | 1600A030KS
Hersteller: BOSCH
Artikelnummer: EB-3601J7D010-1600A030KS
Netto: 6,70 € zzgl. MwSt.
zzgl. 6,90 € Versand (brutto)
einmalig pro Bestellung

Lieferzeit: 5 Werktage

Pos.
659/2
BOSCH Muffe | Ersatzteile für GAS20-17AH | 2609200496
Hersteller: BOSCH
Artikelnummer: EB-3601J7D010-2609200496
Netto: 35,77 € zzgl. MwSt.
zzgl. 6,90 € Versand (brutto)
einmalig pro Bestellung

Lieferzeit: 5 Werktage

Pos.
659/3
BOSCH Spannring | Ersatzteile für GAS20-17AH | 2609200454
Hersteller: BOSCH
Artikelnummer: EB-3601J7D010-2609200454
Netto: 4,32 € zzgl. MwSt.
zzgl. 6,90 € Versand (brutto)
einmalig pro Bestellung

Lieferzeit: 5 Werktage

Pos.
23
BOSCH Schraube | Ersatzteile für GAS20-17AH | 160343006R
Hersteller: BOSCH
Artikelnummer: EB-3601J7D010-160343006R
nur Informationsartikel
Nie mehr lieferbar
keine Alternativen
Pos.
24
BOSCH Knopf | Ersatzteile für GAS20-17AH | 1600A01C0V
Hersteller: BOSCH
Artikelnummer: EB-3601J7D010-1600A01C0V
nur Informationsartikel
Nie mehr lieferbar
keine Alternativen
Pos.
25
BOSCH Schraube | Ersatzteile für GAS20-17AH | 2609200410
Hersteller: BOSCH
Artikelnummer: EB-3601J7D010-2609200410
Netto: 3,63 € zzgl. MwSt.
zzgl. 6,90 € Versand (brutto)
einmalig pro Bestellung

Lieferzeit: 5 Werktage

Pos.
26
BOSCH Bedienungstafel | Ersatzteile für GAS20-17AH | 1600A01C0X
Hersteller: BOSCH
Artikelnummer: EB-3601J7D010-1600A01C0X
nur Informationsartikel
Nie mehr lieferbar
keine Alternativen
Pos.
27
BOSCH Switch | Ersatzteile für GAS20-17AH | 1600A01C13
Hersteller: BOSCH
Artikelnummer: EB-3601J7D010-1600A01C13
nur Informationsartikel
Nie mehr lieferbar
keine Alternativen
Pos.
28
BOSCH Schalterhalter | Ersatzteile für GAS20-17AH | 1600A01C15
Hersteller: BOSCH
Artikelnummer: EB-3601J7D010-1600A01C15
nur Informationsartikel
Nie mehr lieferbar
keine Alternativen
Pos.
29
BOSCH Schraube | Ersatzteile für GAS20-17AH | 2609200551
Hersteller: BOSCH
Artikelnummer: EB-3601J7D010-2609200551
Netto: 3,63 € zzgl. MwSt.
zzgl. 6,90 € Versand (brutto)
einmalig pro Bestellung

Lieferzeit: 5 Werktage

Pos.
30
BOSCH Umschlag | Ersatzteile für GAS20-17AH | 1600A01C19
Hersteller: BOSCH
Artikelnummer: EB-3601J7D010-1600A01C19
nur Informationsartikel
Nie mehr lieferbar
keine Alternativen
Pos.
31
BOSCH Scharnier | Ersatzteile für GAS20-17AH | 1600A01C1B
Hersteller: BOSCH
Artikelnummer: EB-3601J7D010-1600A01C1B
nur Informationsartikel
Nie mehr lieferbar
keine Alternativen
Pos.
32
BOSCH Befestigungsteil | Ersatzteile für GAS20-17AH | 2609200461
Hersteller: BOSCH
Artikelnummer: EB-3601J7D010-2609200461
Netto: 3,63 € zzgl. MwSt.
zzgl. 6,90 € Versand (brutto)
einmalig pro Bestellung

Lieferzeit: 5 Werktage

Pos.
33
BOSCH Scheibe | Ersatzteile für GAS20-17AH | 1600A01C1L
Hersteller: BOSCH
Artikelnummer: EB-3601J7D010-1600A01C1L
nur Informationsartikel
Nie mehr lieferbar
keine Alternativen
Pos.
34
BOSCH Isolierung | Ersatzteile für GAS20-17AH | 1600A01C1M
Hersteller: BOSCH
Artikelnummer: EB-3601J7D010-1600A01C1M
nur Informationsartikel
Nie mehr lieferbar
keine Alternativen
Pos.
35
BOSCH Isolierung | Ersatzteile für GAS20-17AH | 1600A01C1N
Hersteller: BOSCH
Artikelnummer: EB-3601J7D010-1600A01C1N
nur Informationsartikel
Nie mehr lieferbar
keine Alternativen
Pos.
37
BOSCH Teller | Ersatzteile für GAS20-17AH | 1600A01C1R
Hersteller: BOSCH
Artikelnummer: EB-3601J7D010-1600A01C1R
nur Informationsartikel
Nie mehr lieferbar
keine Alternativen
Pos.
38
BOSCH Schraube | Ersatzteile für GAS20-17AH | 160343006W
Hersteller: BOSCH
Artikelnummer: EB-3601J7D010-160343006W
nur Informationsartikel
Nie mehr lieferbar
keine Alternativen
Pos.
39
BOSCH Gerätegehäuse | Ersatzteile für GAS20-17AH | 1600A01C1S
Hersteller: BOSCH
Artikelnummer: EB-3601J7D010-1600A01C1S
nur Informationsartikel
Nie mehr lieferbar
keine Alternativen
Pos.
41
BOSCH Elektromotor | Ersatzteile für GAS20-17AH | 1607220078
Hersteller: BOSCH
Artikelnummer: EB-3601J7D010-1607220078
nur Informationsartikel
Nie mehr lieferbar
keine Alternativen
Pos.
42
BOSCH Dichtung | Ersatzteile für GAS20-17AH | 1600A01C1V
Hersteller: BOSCH
Artikelnummer: EB-3601J7D010-1600A01C1V
nur Informationsartikel
Nie mehr lieferbar
keine Alternativen
Pos.
43
BOSCH Gehäuseunterteil | Ersatzteile für GAS20-17AH | 1600A01C1W
Hersteller: BOSCH
Artikelnummer: EB-3601J7D010-1600A01C1W
nur Informationsartikel
Nie mehr lieferbar
keine Alternativen
Pos.
44
BOSCH Kabelabdeckung | Ersatzteile für GAS20-17AH | 1600A01C1Y
Hersteller: BOSCH
Artikelnummer: EB-3601J7D010-1600A01C1Y
nur Informationsartikel
Nie mehr lieferbar
keine Alternativen
Pos.
45
BOSCH Leistungskabel | Ersatzteile für GAS20-17AH | 1600A01C1Z
Hersteller: BOSCH
Artikelnummer: EB-3601J7D010-1600A01C1Z
nur Informationsartikel
Nie mehr lieferbar
keine Alternativen
Pos.
46
BOSCH Dichtung | Ersatzteile für GAS20-17AH | 1600A01C22
Hersteller: BOSCH
Artikelnummer: EB-3601J7D010-1600A01C22
nur Informationsartikel
Nie mehr lieferbar
keine Alternativen
Pos.
47
BOSCH Filter | Ersatzteile für GAS20-17AH | 1600A01C25
Hersteller: BOSCH
Artikelnummer: EB-3601J7D010-1600A01C25
nur Informationsartikel
Nie mehr lieferbar
keine Alternativen
Pos.
48
BOSCH Schnur | Ersatzteile für GAS20-17AH | 1600A01C2A
Hersteller: BOSCH
Artikelnummer: EB-3601J7D010-1600A01C2A
nur Informationsartikel
Nie mehr lieferbar
keine Alternativen
Pos.
49
BOSCH Scheibe | Ersatzteile für GAS20-17AH | 1600A01C2B
Hersteller: BOSCH
Artikelnummer: EB-3601J7D010-1600A01C2B
nur Informationsartikel
Nie mehr lieferbar
keine Alternativen
Pos.
50
BOSCH Schraube | Ersatzteile für GAS20-17AH | 160343006Z
Hersteller: BOSCH
Artikelnummer: EB-3601J7D010-160343006Z
nur Informationsartikel
Nie mehr lieferbar
keine Alternativen
Pos.
51
BOSCH Schwingfeder | Ersatzteile für GAS20-17AH | 1600A01C2C
Hersteller: BOSCH
Artikelnummer: EB-3601J7D010-1600A01C2C
nur Informationsartikel
Nie mehr lieferbar
keine Alternativen
Pos.
52
BOSCH Sensor | Ersatzteile für GAS20-17AH | 1600A01C2D
Hersteller: BOSCH
Artikelnummer: EB-3601J7D010-1600A01C2D
nur Informationsartikel
Nie mehr lieferbar
keine Alternativen
Pos.
53
BOSCH Scheibe | Ersatzteile für GAS20-17AH | 1600A01C2G
Hersteller: BOSCH
Artikelnummer: EB-3601J7D010-1600A01C2G
nur Informationsartikel
Nie mehr lieferbar
keine Alternativen
Pos.
54
BOSCH Verschlussstück | Ersatzteile für GAS20-17AH | 1600A01C2H
Hersteller: BOSCH
Artikelnummer: EB-3601J7D010-1600A01C2H
nur Informationsartikel
Nie mehr lieferbar
keine Alternativen
Pos.
55
BOSCH Leiterplatte Bestückt | Ersatzteile für GAS20-17AH | 1600A01C2J
Hersteller: BOSCH
Artikelnummer: EB-3601J7D010-1600A01C2J
nur Informationsartikel
Nie mehr lieferbar
keine Alternativen
Pos.
56
BOSCH Ferritkern | Ersatzteile für GAS20-17AH | 2609200569
Hersteller: BOSCH
Artikelnummer: EB-3601J7D010-2609200569
Netto: 6,70 € zzgl. MwSt.
zzgl. 6,90 € Versand (brutto)
einmalig pro Bestellung

Lieferzeit: 5 Werktage

Pos.
57
BOSCH Gehäuse | Ersatzteile für GAS20-17AH | 16058065WG
Hersteller: BOSCH
Artikelnummer: EB-3601J7D010-16058065WG
nur Informationsartikel
Nie mehr lieferbar
keine Alternativen
Pos.
58
BOSCH Kfz-Halterung | Ersatzteile für GAS20-17AH | 1600A01C2M
Hersteller: BOSCH
Artikelnummer: EB-3601J7D010-1600A01C2M
nur Informationsartikel
Nie mehr lieferbar
keine Alternativen
Pos.
59
BOSCH Kfz-Halterung | Ersatzteile für GAS20-17AH | 1600A01C2R
Hersteller: BOSCH
Artikelnummer: EB-3601J7D010-1600A01C2R
nur Informationsartikel
Nie mehr lieferbar
keine Alternativen
Pos.
60
BOSCH Gehäuse | Ersatzteile für GAS20-17AH | 16058065WH
Hersteller: BOSCH
Artikelnummer: EB-3601J7D010-16058065WH
nur Informationsartikel
Nie mehr lieferbar
keine Alternativen
Pos.
61
BOSCH Etikett | Ersatzteile für GAS20-17AH | 2610033022
Hersteller: BOSCH
Artikelnummer: EB-3601J7D010-2610033022
nur Informationsartikel
Nie mehr lieferbar
keine Alternativen
Pos.
62
BOSCH Isolierung | Ersatzteile für GAS20-17AH | 1600A01C2U
Hersteller: BOSCH
Artikelnummer: EB-3601J7D010-1600A01C2U
nur Informationsartikel
Nie mehr lieferbar
keine Alternativen
Pos.
63
BOSCH Schraube | Ersatzteile für GAS20-17AH | 2609200400
Hersteller: BOSCH
Artikelnummer: EB-3601J7D010-2609200400
Netto: 3,94 € zzgl. MwSt.
zzgl. 6,90 € Versand (brutto)
einmalig pro Bestellung

Lieferzeit: 5 Werktage

Pos.
64
BOSCH Lüfter | Ersatzteile für GAS20-17AH | 2609100544
Hersteller: BOSCH
Artikelnummer: EB-3601J7D010-2609100544
Netto: 6,15 € zzgl. MwSt.
zzgl. 6,90 € Versand (brutto)
einmalig pro Bestellung

Lieferzeit: 5 Werktage

Pos.
65
BOSCH Schnur | Ersatzteile für GAS20-17AH | 1600A01C2N
Hersteller: BOSCH
Artikelnummer: EB-3601J7D010-1600A01C2N
nur Informationsartikel
Nie mehr lieferbar
keine Alternativen
Pos.
66
BOSCH Linsenkopfschraube | Ersatzteile für GAS20-17AH | 2609200397
Hersteller: BOSCH
Artikelnummer: EB-3601J7D010-2609200397
Netto: 3,63 € zzgl. MwSt.
zzgl. 6,90 € Versand (brutto)
einmalig pro Bestellung

Lieferzeit: 5 Werktage

Pos.
67
BOSCH Gehäuse | Ersatzteile für GAS20-17AH | 16058065WJ
Hersteller: BOSCH
Artikelnummer: EB-3601J7D010-16058065WJ
Netto: 26,88 € zzgl. MwSt.
zzgl. 6,90 € Versand (brutto)
einmalig pro Bestellung

Lieferzeit: 5 Werktage

Pos.
68
BOSCH Schwenkhalter | Ersatzteile für GAS20-17AH | 1600A01C2W
Hersteller: BOSCH
Artikelnummer: EB-3601J7D010-1600A01C2W
nur Informationsartikel
Nie mehr lieferbar
keine Alternativen
Pos.
69
BOSCH Schraube | Ersatzteile für GAS20-17AH | 2609200422
Hersteller: BOSCH
Artikelnummer: EB-3601J7D010-2609200422
Netto: 3,63 € zzgl. MwSt.
zzgl. 6,90 € Versand (brutto)
einmalig pro Bestellung

Lieferzeit: 5 Werktage

Pos.
70
BOSCH Deckel | Ersatzteile für GAS20-17AH | 16055002G1
Hersteller: BOSCH
Artikelnummer: EB-3601J7D010-16055002G1
nur Informationsartikel
Nie mehr lieferbar
keine Alternativen
Pos.
71
BOSCH Kfz-Halterung | Ersatzteile für GAS20-17AH | 1600A01C30
Hersteller: BOSCH
Artikelnummer: EB-3601J7D010-1600A01C30
nur Informationsartikel
Nie mehr lieferbar
keine Alternativen
Pos.
73
BOSCH Kapselmutter | Ersatzteile für GAS20-17AH | 1600A01C0Y
Hersteller: BOSCH
Artikelnummer: EB-3601J7D010-1600A01C0Y
nur Informationsartikel
Nie mehr lieferbar
keine Alternativen
Pos.
74
BOSCH Verbindungsstück | Ersatzteile für GAS20-17AH | 1600A01C3A
Hersteller: BOSCH
Artikelnummer: EB-3601J7D010-1600A01C3A
nur Informationsartikel
Nie mehr lieferbar
keine Alternativen
Pos.
75
BOSCH Dichtung | Ersatzteile für GAS20-17AH | 1600A01C0Z
Hersteller: BOSCH
Artikelnummer: EB-3601J7D010-1600A01C0Z
nur Informationsartikel
Nie mehr lieferbar
keine Alternativen
Pos.
76
BOSCH Henkel | Ersatzteile für GAS20-17AH | 1600A01C10
Hersteller: BOSCH
Artikelnummer: EB-3601J7D010-1600A01C10
nur Informationsartikel
Nie mehr lieferbar
keine Alternativen
Pos.
77
BOSCH Schraube | Ersatzteile für GAS20-17AH | 160343006L
Hersteller: BOSCH
Artikelnummer: EB-3601J7D010-160343006L
nur Informationsartikel
Nie mehr lieferbar
keine Alternativen
Pos.
78
BOSCH Nuss | Ersatzteile für GAS20-17AH | 1600A01C11
Hersteller: BOSCH
Artikelnummer: EB-3601J7D010-1600A01C11
nur Informationsartikel
Nie mehr lieferbar
keine Alternativen
Pos.
79
BOSCH Schlauch | Ersatzteile für GAS20-17AH | 1600A01C12
Hersteller: BOSCH
Artikelnummer: EB-3601J7D010-1600A01C12
nur Informationsartikel
Nie mehr lieferbar
keine Alternativen
Pos.
80
BOSCH O-Ring | Ersatzteile für GAS20-17AH | 1600210088
Hersteller: BOSCH
Artikelnummer: EB-3601J7D010-1600210088
nur Informationsartikel
Nie mehr lieferbar
keine Alternativen
Pos.
81
BOSCH Scheibe | Ersatzteile für GAS20-17AH | 1600A01C16
Hersteller: BOSCH
Artikelnummer: EB-3601J7D010-1600A01C16
nur Informationsartikel
Nie mehr lieferbar
keine Alternativen
Pos.
82
BOSCH Hohlrolle | Ersatzteile für GAS20-17AH | 1600A01C17
Hersteller: BOSCH
Artikelnummer: EB-3601J7D010-1600A01C17
nur Informationsartikel
Nie mehr lieferbar
keine Alternativen
Pos.
83
BOSCH Nuss | Ersatzteile für GAS20-17AH | 1600A01C18
Hersteller: BOSCH
Artikelnummer: EB-3601J7D010-1600A01C18
nur Informationsartikel
Nie mehr lieferbar
keine Alternativen
Pos.
84
BOSCH Schraube | Ersatzteile für GAS20-17AH | 160343006S
Hersteller: BOSCH
Artikelnummer: EB-3601J7D010-160343006S
nur Informationsartikel
Nie mehr lieferbar
keine Alternativen
Pos.
85
BOSCH Puffer | Ersatzteile für GAS20-17AH | 1600A01C1C
Hersteller: BOSCH
Artikelnummer: EB-3601J7D010-1600A01C1C
nur Informationsartikel
Nie mehr lieferbar
keine Alternativen
Pos.
86
BOSCH Schraube | Ersatzteile für GAS20-17AH | 160343006T
Hersteller: BOSCH
Artikelnummer: EB-3601J7D010-160343006T
nur Informationsartikel
Nie mehr lieferbar
keine Alternativen
Pos.
87
BOSCH Rad | Ersatzteile für GAS20-17AH | 1600A01C1D
Hersteller: BOSCH
Artikelnummer: EB-3601J7D010-1600A01C1D
nur Informationsartikel
Nie mehr lieferbar
keine Alternativen
Pos.
88
BOSCH Kappe | Ersatzteile für GAS20-17AH | 1600A01C1E
Hersteller: BOSCH
Artikelnummer: EB-3601J7D010-1600A01C1E
nur Informationsartikel
Nie mehr lieferbar
keine Alternativen
Pos.
89
BOSCH Scheibe | Ersatzteile für GAS20-17AH | 1600A01C1G
Hersteller: BOSCH
Artikelnummer: EB-3601J7D010-1600A01C1G
nur Informationsartikel
Nie mehr lieferbar
keine Alternativen
Pos.
90
BOSCH Bespannung | Ersatzteile für GAS20-17AH | 1600A01C1H
Hersteller: BOSCH
Artikelnummer: EB-3601J7D010-1600A01C1H
nur Informationsartikel
Nie mehr lieferbar
keine Alternativen
Pos.
91
BOSCH Bespannung | Ersatzteile für GAS20-17AH | 1600A01C1J
Hersteller: BOSCH
Artikelnummer: EB-3601J7D010-1600A01C1J
nur Informationsartikel
Nie mehr lieferbar
keine Alternativen
Pos.
92
BOSCH Bespannung | Ersatzteile für GAS20-17AH | 1600A01C1P
Hersteller: BOSCH
Artikelnummer: EB-3601J7D010-1600A01C1P
nur Informationsartikel
Nie mehr lieferbar
keine Alternativen
Pos.
93
BOSCH Schraube | Ersatzteile für GAS20-17AH | 160343006U
Hersteller: BOSCH
Artikelnummer: EB-3601J7D010-160343006U
nur Informationsartikel
Nie mehr lieferbar
keine Alternativen
Pos.
94
BOSCH Scheibe | Ersatzteile für GAS20-17AH | 1600A01C1X
Hersteller: BOSCH
Artikelnummer: EB-3601J7D010-1600A01C1X
nur Informationsartikel
Nie mehr lieferbar
keine Alternativen
Pos.
95
BOSCH Knopfgriff | Ersatzteile für GAS20-17AH | 1600A01C3B
Hersteller: BOSCH
Artikelnummer: EB-3601J7D010-1600A01C3B
nur Informationsartikel
Nie mehr lieferbar
keine Alternativen
Pos.
96
BOSCH Gleitstein | Ersatzteile für GAS20-17AH | 1600A01C1U
Hersteller: BOSCH
Artikelnummer: EB-3601J7D010-1600A01C1U
nur Informationsartikel
Nie mehr lieferbar
keine Alternativen
Pos.
97
BOSCH Schraube | Ersatzteile für GAS20-17AH | 160343006X
Hersteller: BOSCH
Artikelnummer: EB-3601J7D010-160343006X
nur Informationsartikel
Nie mehr lieferbar
keine Alternativen
Pos.
98
BOSCH Halterung | Ersatzteile für GAS20-17AH | 1600A01C20
Hersteller: BOSCH
Artikelnummer: EB-3601J7D010-1600A01C20
nur Informationsartikel
Nie mehr lieferbar
keine Alternativen
Pos.
99
BOSCH Bügelgriff | Ersatzteile für GAS20-17AH | 1600A01C21
Hersteller: BOSCH
Artikelnummer: EB-3601J7D010-1600A01C21
nur Informationsartikel
Nie mehr lieferbar
keine Alternativen
Pos.
100
BOSCH Chassis | Ersatzteile für GAS20-17AH | 1600A01C23
Hersteller: BOSCH
Artikelnummer: EB-3601J7D010-1600A01C23
nur Informationsartikel
Nie mehr lieferbar
keine Alternativen
Pos.
101
BOSCH Achse | Ersatzteile für GAS20-17AH | 1600A01C24
Hersteller: BOSCH
Artikelnummer: EB-3601J7D010-1600A01C24
nur Informationsartikel
Nie mehr lieferbar
keine Alternativen
Pos.
102
BOSCH Achse | Ersatzteile für GAS20-17AH | 1600A01C26
Hersteller: BOSCH
Artikelnummer: EB-3601J7D010-1600A01C26
nur Informationsartikel
Nie mehr lieferbar
keine Alternativen
Pos.
103
BOSCH Nuss | Ersatzteile für GAS20-17AH | 1600A01C28
Hersteller: BOSCH
Artikelnummer: EB-3601J7D010-1600A01C28
nur Informationsartikel
Nie mehr lieferbar
keine Alternativen
Pos.
104
BOSCH Schraube | Ersatzteile für GAS20-17AH | 1600A01C29
Hersteller: BOSCH
Artikelnummer: EB-3601J7D010-1600A01C29
nur Informationsartikel
Nie mehr lieferbar
keine Alternativen
Pos.
105
BOSCH Schraube | Ersatzteile für GAS20-17AH | 160343006Y
Hersteller: BOSCH
Artikelnummer: EB-3601J7D010-160343006Y
nur Informationsartikel
Nie mehr lieferbar
keine Alternativen
Pos.
106
BOSCH Scheibe | Ersatzteile für GAS20-17AH | 1600A01C2E
Hersteller: BOSCH
Artikelnummer: EB-3601J7D010-1600A01C2E
nur Informationsartikel
Nie mehr lieferbar
keine Alternativen
Pos.
107
BOSCH Scheibe | Ersatzteile für GAS20-17AH | 1600A01C2F
Hersteller: BOSCH
Artikelnummer: EB-3601J7D010-1600A01C2F
nur Informationsartikel
Nie mehr lieferbar
keine Alternativen
Pos.
108
BOSCH Scheibe | Ersatzteile für GAS20-17AH | 1600A01C14
Hersteller: BOSCH
Artikelnummer: EB-3601J7D010-1600A01C14
nur Informationsartikel
Nie mehr lieferbar
keine Alternativen
Pos.
109
BOSCH Elektrobausatz | Ersatzteile für GAS20-17AH | 1600A01C61
Hersteller: BOSCH
Artikelnummer: EB-3601J7D010-1600A01C61
nur Informationsartikel
Nie mehr lieferbar
keine Alternativen
Pos.
115
BOSCH Kabel | Ersatzteile für GAS20-17AH | 1600A01C67
Hersteller: BOSCH
Artikelnummer: EB-3601J7D010-1600A01C67
nur Informationsartikel
Nie mehr lieferbar
keine Alternativen
Pos.
116
BOSCH Typschild | Ersatzteile für GAS20-17AH | 2610051558
Hersteller: BOSCH
Artikelnummer: EB-3601J7D010-2610051558
nur Informationsartikel
Nie mehr lieferbar
keine Alternativen
Pos.
117
BOSCH Warnzettel | Ersatzteile für GAS20-17AH | 2610051559
Hersteller: BOSCH
Artikelnummer: EB-3601J7D010-2610051559
nur Informationsartikel
Nie mehr lieferbar
keine Alternativen
Pos.
118
BOSCH Etikett | Ersatzteile für GAS20-17AH | 2610051560
Hersteller: BOSCH
Artikelnummer: EB-3601J7D010-2610051560
nur Informationsartikel
Nie mehr lieferbar
keine Alternativen
Pos.
119
BOSCH Etikett | Ersatzteile für GAS20-17AH | 2610051562
Hersteller: BOSCH
Artikelnummer: EB-3601J7D010-2610051562
nur Informationsartikel
Nie mehr lieferbar
keine Alternativen
Pos.
120
BOSCH Etikett | Ersatzteile für GAS20-17AH | 2610033023
Hersteller: BOSCH
Artikelnummer: EB-3601J7D010-2610033023
nur Informationsartikel
Nie mehr lieferbar
keine Alternativen
Pos.
121
BOSCH Etikett | Ersatzteile für GAS20-17AH | 6082942K2C
Hersteller: BOSCH
Artikelnummer: EB-3601J7D010-6082942K2C
nur Informationsartikel
Nie mehr lieferbar
keine Alternativen
Pos.
122
BOSCH Etikett | Ersatzteile für GAS20-17AH | 6082942K2D
Hersteller: BOSCH
Artikelnummer: EB-3601J7D010-6082942K2D
nur Informationsartikel
Nie mehr lieferbar
keine Alternativen
Pos.
123
BOSCH Etikett | Ersatzteile für GAS20-17AH | 6082942K2E
Hersteller: BOSCH
Artikelnummer: EB-3601J7D010-6082942K2E
nur Informationsartikel
Nie mehr lieferbar
keine Alternativen
Pos.
653
BOSCH Saugrohr | Ersatzteile für GAS20-17AH | 2609200497
Hersteller: BOSCH
Artikelnummer: EB-3601J7D010-2609200497
Netto: 9,18 € zzgl. MwSt.
zzgl. 6,90 € Versand (brutto)
einmalig pro Bestellung

Lieferzeit: 5 Werktage

Pos.
656
BOSCH Bürsteneinsatz | Ersatzteile für GAS20-17AH | 1600A01C7D
Hersteller: BOSCH
Artikelnummer: EB-3601J7D010-1600A01C7D
nur Informationsartikel
Nie mehr lieferbar
keine Alternativen
Pos.
657
BOSCH Gummistreifen | Ersatzteile für GAS20-17AH | 1600A01C7E
Hersteller: BOSCH
Artikelnummer: EB-3601J7D010-1600A01C7E
nur Informationsartikel
Nie mehr lieferbar
keine Alternativen
Pos.
659
BOSCH Schlauch | Ersatzteile für GAS20-17AH | 1600A001VP
Hersteller: BOSCH
Artikelnummer: EB-3601J7D010-1600A001VP
nur Informationsartikel
Nie mehr lieferbar
keine Alternativen
Pos.
801
BOSCH Isolierung | Ersatzteile für GAS20-17AH | 1600A01C1F
Hersteller: BOSCH
Artikelnummer: EB-3601J7D010-1600A01C1F
nur Informationsartikel
Nie mehr lieferbar
keine Alternativen
Pos.
802
BOSCH Handgriff | Ersatzteile für GAS20-17AH | 160513218M
Hersteller: BOSCH
Artikelnummer: EB-3601J7D010-160513218M
nur Informationsartikel
Nie mehr lieferbar
keine Alternativen
Pos.
803
BOSCH Siegel | Ersatzteile für GAS20-17AH | 1600A01C5Z
Hersteller: BOSCH
Artikelnummer: EB-3601J7D010-1600A01C5Z
nur Informationsartikel
Nie mehr lieferbar
keine Alternativen
Pos.
804
BOSCH Gehäuseunterteil | Ersatzteile für GAS20-17AH | 1600A01C27
Hersteller: BOSCH
Artikelnummer: EB-3601J7D010-1600A01C27
nur Informationsartikel
Nie mehr lieferbar
keine Alternativen
Pos.
805
BOSCH Isolierung | Ersatzteile für GAS20-17AH | 1600A01C2L
Hersteller: BOSCH
Artikelnummer: EB-3601J7D010-1600A01C2L
nur Informationsartikel
Nie mehr lieferbar
keine Alternativen
Pos.
806
BOSCH Magnet | Ersatzteile für GAS20-17AH | 1600A01C2T
Hersteller: BOSCH
Artikelnummer: EB-3601J7D010-1600A01C2T
nur Informationsartikel
Nie mehr lieferbar
keine Alternativen
Pos.
807
BOSCH Tank | Ersatzteile für GAS20-17AH | 1600A01C0W
Hersteller: BOSCH
Artikelnummer: EB-3601J7D010-1600A01C0W
nur Informationsartikel
Nie mehr lieferbar
keine Alternativen
Pos.
808
BOSCH Verriegelung | Ersatzteile für GAS20-17AH | 1600A01C1A
Hersteller: BOSCH
Artikelnummer: EB-3601J7D010-1600A01C1A
nur Informationsartikel
Nie mehr lieferbar
keine Alternativen
Pos.
809
BOSCH Gelenk | Ersatzteile für GAS20-17AH | 1600A01C60
Hersteller: BOSCH
Artikelnummer: EB-3601J7D010-1600A01C60
nur Informationsartikel
Nie mehr lieferbar
keine Alternativen

Angaben zur Produktsicherheit

Hersteller:
Robert Bosch Power Tools GmbH
Postfach 30 02 20
70442 Stuttgart

E-Mail:
kontakt@bosch.de