BOSCH Sechskantniedrigmutter | Ersatzteile für GBG 35-15 | 1619PB1537

Artikelnummer: EB-3601B7A3F0-1619PB1537

Position: 38

Marke: BOSCH


Bitte Kompatibilität prüfen!

Bitte prüfen Sie unbedingt die 10-stellige Typennummer Ihrer Maschine / Ihres Gerätes. Das Ersatzteil ist nur kompatibel, wenn Sie die Typennummer Ihrer Maschine in der unten stehenden Produktbeschreibung finden.

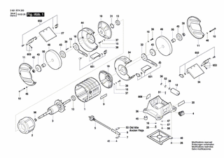
Bitte prüfen Sie ebenfalls detailliert die Explosionszeichnung mit Ihrem Artikelwunsch und der jeweiligen Pos-Nummer.

Alle Elemente, welche vom schwarzen Strich der Pos-Nummer ausgehend berührt / erfasst werden, gehören zu dieser Pos-Nummer und somit zu diesem Artikel. Jede Pos-Nummer ist ein eigenständiger Artikel, welchen Sie in der Auflistung finden.

Sie erhalten stets die aktuellste, neueste Produktversion zu der gewählten Pos-Nummer seitens des Herstellers. Es kann daher je nach Gerätealter vorkommen, dass Sie ggf. weitere, zugehörige Elemente, welche an diese Pos-Nummer grenzen, ebenfalls mittauschen müssen.

Nähere Informationen finden Sie unter dem Link
Hinweise zu Ihrer BOSCH Ersatzteilsuche

Preisübersicht

Einzelpreis: 3,59 €* (Brutto: 4,27 €)
Gesamtpreis: 3,59 €* 
Position:

Lieferzeit: 5 Werktage


Beschreibung

  • Sechskantniedrigmutter
  • Original Bosch Zubehör / BOSCH Ersatzteil (1619PB1537)
  • im Gerät verbaut: 1
Dieses BOSCH Ersatzteil ist mit folgendem Gerät und Modell kompatibel:
  • BOSCH Gerätename: GBG 35-15
  • BOSCH Explosionszeichnung: Position 38
  • BOSCH Typennummer: 3601B7A3F0
  • BOSCH Typennummer alternative Schreibweisen: 3 601 B7A 3F0, 3601 B7A 3F0, 3.601.B7A.3F0, 3-601-B7A-3F0
    Bitte prüfen Sie diese Typennummer auf Ihrem Gerät um die Kompatibilität des BOSCH Ersatzteils zu gewährleisten.
Weitere BOSCH Ersatzteile des Gerätes GBG 35-15 (Schleifbock) mit der Typennummer 3601B7A3F0 finden Sie in der nachfolgenden Darstellung und im Dropdown zu Ihrer Auswahl:

Pos.
1
BOSCH Motorgehäuse | Ersatzteile für GBG 35-15 | 1619PB1466
Hersteller: BOSCH
Artikelnummer: EB-3601B7A3F0-1619PB1466
Netto: 20,80 € zzgl. MwSt.
zzgl. 6,90 € Versand (brutto)
einmalig pro Bestellung

Lieferzeit: 5 Werktage

Pos.
2
BOSCH Polschuhbaugruppe | Ersatzteile für GBG 35-15 | 1619PB1468
Hersteller: BOSCH
Artikelnummer: EB-3601B7A3F0-1619PB1468
Netto: 46,22 € zzgl. MwSt.
zzgl. 6,90 € Versand (brutto)
einmalig pro Bestellung

Lieferzeit: 5 Werktage

Pos.
3
BOSCH Anker | Ersatzteile für GBG 35-15 | 1619PB1470
Hersteller: BOSCH
Artikelnummer: EB-3601B7A3F0-1619PB1470
Netto: 20,80 € zzgl. MwSt.
zzgl. 6,90 € Versand (brutto)
einmalig pro Bestellung

Lieferzeit: 5 Werktage

Pos.
4
BOSCH Schalter | Ersatzteile für GBG 35-15 | 1619PB1472
Hersteller: BOSCH
Artikelnummer: EB-3601B7A3F0-1619PB1472
Netto: 7,66 € zzgl. MwSt.
zzgl. 6,90 € Versand (brutto)
einmalig pro Bestellung

Lieferzeit: 5 Werktage

Pos.
5
BOSCH Netzanschlussleitung | Ersatzteile für GBG 35-15 | 1619PB1474
Hersteller: BOSCH
Artikelnummer: EB-3601B7A3F0-1619PB1474
Netto: 10,47 € zzgl. MwSt.
zzgl. 6,90 € Versand (brutto)
einmalig pro Bestellung

Lieferzeit: 5 Werktage

Pos.
6
BOSCH Tülle | Ersatzteile für GBG 35-15 | 1619PB1480
Hersteller: BOSCH
Artikelnummer: EB-3601B7A3F0-1619PB1480
Netto: 3,94 € zzgl. MwSt.
zzgl. 6,90 € Versand (brutto)
einmalig pro Bestellung

Lieferzeit: 5 Werktage

Pos.
7
BOSCH Geräteclip | Ersatzteile für GBG 35-15 | 1619PB1481
Hersteller: BOSCH
Artikelnummer: EB-3601B7A3F0-1619PB1481
Netto: 3,60 € zzgl. MwSt.
zzgl. 6,90 € Versand (brutto)
einmalig pro Bestellung

Lieferzeit: 5 Werktage

Pos.
9
BOSCH Firmenschild GBG 35-15 | Ersatzteile für GBG 35-15 | 1619PB1498
Hersteller: BOSCH
Artikelnummer: EB-3601B7A3F0-1619PB1498
Netto: 4,56 € zzgl. MwSt.
zzgl. 6,90 € Versand (brutto)
einmalig pro Bestellung

Lieferzeit: 5 Werktage

Pos.
10
BOSCH Schraube | Ersatzteile für GBG 35-15 | 1619PB1500
Hersteller: BOSCH
Artikelnummer: EB-3601B7A3F0-1619PB1500
Netto: 3,60 € zzgl. MwSt.
zzgl. 6,90 € Versand (brutto)
einmalig pro Bestellung

Lieferzeit: 5 Werktage

Pos.
11
BOSCH Seitenschutz | Ersatzteile für GBG 35-15 | 1619PB1502
Hersteller: BOSCH
Artikelnummer: EB-3601B7A3F0-1619PB1502
Netto: 9,75 € zzgl. MwSt.
zzgl. 6,90 € Versand (brutto)
einmalig pro Bestellung

Lieferzeit: 5 Werktage

Pos.
12
BOSCH Entstörkondensator | Ersatzteile für GBG 35-15 | 1619PB1504
Hersteller: BOSCH
Artikelnummer: EB-3601B7A3F0-1619PB1504
Netto: 9,05 € zzgl. MwSt.
zzgl. 6,90 € Versand (brutto)
einmalig pro Bestellung

Lieferzeit: 5 Werktage

Pos.
13
BOSCH Rillenkugellager | Ersatzteile für GBG 35-15 | 1619PB1506
Hersteller: BOSCH
Artikelnummer: EB-3601B7A3F0-1619PB1506
Netto: 7,26 € zzgl. MwSt.
zzgl. 6,90 € Versand (brutto)
einmalig pro Bestellung

Lieferzeit: 5 Werktage

Pos.
15
BOSCH Federscheibe | Ersatzteile für GBG 35-15 | 1619PB1508
Hersteller: BOSCH
Artikelnummer: EB-3601B7A3F0-1619PB1508
Netto: 3,60 € zzgl. MwSt.
zzgl. 6,90 € Versand (brutto)
einmalig pro Bestellung

Lieferzeit: 5 Werktage

Pos.
16
BOSCH Federscheibe | Ersatzteile für GBG 35-15 | 1619PB1509
Hersteller: BOSCH
Artikelnummer: EB-3601B7A3F0-1619PB1509
Netto: 3,59 € zzgl. MwSt.
zzgl. 6,90 € Versand (brutto)
einmalig pro Bestellung

Lieferzeit: 5 Werktage

Pos.
18
BOSCH Auflageplatte | Ersatzteile für GBG 35-15 | 1619PB1511
Hersteller: BOSCH
Artikelnummer: EB-3601B7A3F0-1619PB1511
Netto: 5,17 € zzgl. MwSt.
zzgl. 6,90 € Versand (brutto)
einmalig pro Bestellung

Lieferzeit: 5 Werktage

Pos.
19
BOSCH Lagerschild | Ersatzteile für GBG 35-15 | 1619PB1513
Hersteller: BOSCH
Artikelnummer: EB-3601B7A3F0-1619PB1513
Netto: 13,61 € zzgl. MwSt.
zzgl. 6,90 € Versand (brutto)
einmalig pro Bestellung

Lieferzeit: 5 Werktage

Pos.
20
BOSCH Warnzettel | Ersatzteile für GBG 35-15 | 1619PB1515
Hersteller: BOSCH
Artikelnummer: EB-3601B7A3F0-1619PB1515
Netto: 4,56 € zzgl. MwSt.
zzgl. 6,90 € Versand (brutto)
einmalig pro Bestellung

Lieferzeit: 5 Werktage

Pos.
25
BOSCH Schraube | Ersatzteile für GBG 35-15 | 1619PB1521
Hersteller: BOSCH
Artikelnummer: EB-3601B7A3F0-1619PB1521
Netto: 3,59 € zzgl. MwSt.
zzgl. 6,90 € Versand (brutto)
einmalig pro Bestellung

Lieferzeit: 5 Werktage

Pos.
26
BOSCH Flachkopfschraube | Ersatzteile für GBG 35-15 | 1619PB1522
Hersteller: BOSCH
Artikelnummer: EB-3601B7A3F0-1619PB1522
Netto: 3,60 € zzgl. MwSt.
zzgl. 6,90 € Versand (brutto)
einmalig pro Bestellung

Lieferzeit: 5 Werktage

Pos.
27
BOSCH Schutzglas | Ersatzteile für GBG 35-15 | 1619PB1523
Hersteller: BOSCH
Artikelnummer: EB-3601B7A3F0-1619PB1523
Netto: 4,80 € zzgl. MwSt.
zzgl. 6,90 € Versand (brutto)
einmalig pro Bestellung

Lieferzeit: 63 Werktage

Pos.
30
BOSCH Sechskantmutter | Ersatzteile für GBG 35-15 | 1619PB1526
Hersteller: BOSCH
Artikelnummer: EB-3601B7A3F0-1619PB1526
Netto: 3,60 € zzgl. MwSt.
zzgl. 6,90 € Versand (brutto)
einmalig pro Bestellung

Lieferzeit: 5 Werktage

Pos.
31
BOSCH Wellenscheibe | Ersatzteile für GBG 35-15 | 1619PB1527
Hersteller: BOSCH
Artikelnummer: EB-3601B7A3F0-1619PB1527
Netto: 3,59 € zzgl. MwSt.
zzgl. 6,90 € Versand (brutto)
einmalig pro Bestellung

Lieferzeit: 5 Werktage

Pos.
32
BOSCH Auflageplatte | Ersatzteile für GBG 35-15 | 1619PB1529
Hersteller: BOSCH
Artikelnummer: EB-3601B7A3F0-1619PB1529
Netto: 5,17 € zzgl. MwSt.
zzgl. 6,90 € Versand (brutto)
einmalig pro Bestellung

Lieferzeit: 5 Werktage

Pos.
34
BOSCH Schutzglas | Ersatzteile für GBG 35-15 | 1619PB1532
Hersteller: BOSCH
Artikelnummer: EB-3601B7A3F0-1619PB1532
Netto: 4,80 € zzgl. MwSt.
zzgl. 6,90 € Versand (brutto)
einmalig pro Bestellung

Lieferzeit: 5 Werktage

Pos.
36
BOSCH Sockel | Ersatzteile für GBG 35-15 | 1619PB1534
Hersteller: BOSCH
Artikelnummer: EB-3601B7A3F0-1619PB1534
Netto: 15,15 € zzgl. MwSt.
zzgl. 6,90 € Versand (brutto)
einmalig pro Bestellung

Lieferzeit: 5 Werktage

Pos.
37
BOSCH Unterlegscheibe | Ersatzteile für GBG 35-15 | 1619PB1536
Hersteller: BOSCH
Artikelnummer: EB-3601B7A3F0-1619PB1536
Netto: 3,60 € zzgl. MwSt.
zzgl. 6,90 € Versand (brutto)
einmalig pro Bestellung

Lieferzeit: 5 Werktage

Pos.
38
BOSCH Sechskantniedrigmutter | Ersatzteile für GBG 35-15 | 1619PB1537
Hersteller: BOSCH
Artikelnummer: EB-3601B7A3F0-1619PB1537
Netto: 3,59 € zzgl. MwSt.
zzgl. 6,90 € Versand (brutto)
einmalig pro Bestellung

Lieferzeit: 5 Werktage

Pos.
39
BOSCH Schraube | Ersatzteile für GBG 35-15 | 1619PB1538
Hersteller: BOSCH
Artikelnummer: EB-3601B7A3F0-1619PB1538
Netto: 3,60 € zzgl. MwSt.
zzgl. 6,90 € Versand (brutto)
einmalig pro Bestellung

Lieferzeit: 5 Werktage

Pos.
40
BOSCH Grundplatte | Ersatzteile für GBG 35-15 | 1619PB1539
Hersteller: BOSCH
Artikelnummer: EB-3601B7A3F0-1619PB1539
Netto: 4,33 € zzgl. MwSt.
zzgl. 6,90 € Versand (brutto)
einmalig pro Bestellung

Lieferzeit: 5 Werktage

Pos.
41
BOSCH Flachkopfschraube | Ersatzteile für GBG 35-15 | 1619PB1541
Hersteller: BOSCH
Artikelnummer: EB-3601B7A3F0-1619PB1541
Netto: 3,59 € zzgl. MwSt.
zzgl. 6,90 € Versand (brutto)
einmalig pro Bestellung

Lieferzeit: 5 Werktage

Pos.
42
BOSCH Sechskantmutter | Ersatzteile für GBG 35-15 | 1619PB1542
Hersteller: BOSCH
Artikelnummer: EB-3601B7A3F0-1619PB1542
Netto: 3,60 € zzgl. MwSt.
zzgl. 6,90 € Versand (brutto)
einmalig pro Bestellung

Lieferzeit: 5 Werktage

Pos.
43
BOSCH Aufspannflansch | Ersatzteile für GBG 35-15 | 1619PB1543
Hersteller: BOSCH
Artikelnummer: EB-3601B7A3F0-1619PB1543
Netto: 6,75 € zzgl. MwSt.
zzgl. 6,90 € Versand (brutto)
einmalig pro Bestellung

Lieferzeit: 5 Werktage

Pos.
44
BOSCH Schutzhaube | Ersatzteile für GBG 35-15 | 1619PB1545
Hersteller: BOSCH
Artikelnummer: EB-3601B7A3F0-1619PB1545
Netto: 10,62 € zzgl. MwSt.
zzgl. 6,90 € Versand (brutto)
einmalig pro Bestellung

Lieferzeit: 5 Werktage

Pos.
45
BOSCH Gerätefuss | Ersatzteile für GBG 35-15 | 1619PB1547
Hersteller: BOSCH
Artikelnummer: EB-3601B7A3F0-1619PB1547
Netto: 3,60 € zzgl. MwSt.
zzgl. 6,90 € Versand (brutto)
einmalig pro Bestellung

Lieferzeit: 5 Werktage

Pos.
46
BOSCH Federscheibe | Ersatzteile für GBG 35-15 | 1619PB1548
Hersteller: BOSCH
Artikelnummer: EB-3601B7A3F0-1619PB1548
Netto: 3,60 € zzgl. MwSt.
zzgl. 6,90 € Versand (brutto)
einmalig pro Bestellung

Lieferzeit: 5 Werktage

Pos.
47
BOSCH Zahnscheibe | Ersatzteile für GBG 35-15 | 1619PB1549
Hersteller: BOSCH
Artikelnummer: EB-3601B7A3F0-1619PB1549
Netto: 3,59 € zzgl. MwSt.
zzgl. 6,90 € Versand (brutto)
einmalig pro Bestellung

Lieferzeit: 5 Werktage

Pos.
48
BOSCH Schleifscheibe | Ersatzteile für GBG 35-15 | 1619PB1446
Hersteller: BOSCH
Artikelnummer: EB-3601B7A3F0-1619PB1446
Netto: 9,75 € zzgl. MwSt.
zzgl. 6,90 € Versand (brutto)
einmalig pro Bestellung

Lieferzeit: 5 Werktage

Pos.
49
BOSCH Schleifscheibe | Ersatzteile für GBG 35-15 | 1619PB1448
Hersteller: BOSCH
Artikelnummer: EB-3601B7A3F0-1619PB1448
Netto: 9,75 € zzgl. MwSt.
zzgl. 6,90 € Versand (brutto)
einmalig pro Bestellung

Lieferzeit: 63 Werktage

Pos.
50
BOSCH Reduzierhülse | Ersatzteile für GBG 35-15 | 1619PB1550
Hersteller: BOSCH
Artikelnummer: EB-3601B7A3F0-1619PB1550
Netto: 3,94 € zzgl. MwSt.
zzgl. 6,90 € Versand (brutto)
einmalig pro Bestellung

Lieferzeit: 5 Werktage

Pos.
51
BOSCH Anschlussschraube | Ersatzteile für GBG 35-15 | 1619PB1552
Hersteller: BOSCH
Artikelnummer: EB-3601B7A3F0-1619PB1552
Netto: 3,60 € zzgl. MwSt.
zzgl. 6,90 € Versand (brutto)
einmalig pro Bestellung

Lieferzeit: 5 Werktage

Pos.
52
BOSCH Zahnscheibe | Ersatzteile für GBG 35-15 | 1619PB1553
Hersteller: BOSCH
Artikelnummer: EB-3601B7A3F0-1619PB1553
Netto: 3,59 € zzgl. MwSt.
zzgl. 6,90 € Versand (brutto)
einmalig pro Bestellung

Lieferzeit: 5 Werktage

Pos.
53
BOSCH Stützplatte | Ersatzteile für GBG 35-15 | 1619PB1554
Hersteller: BOSCH
Artikelnummer: EB-3601B7A3F0-1619PB1554
Netto: 3,59 € zzgl. MwSt.
zzgl. 6,90 € Versand (brutto)
einmalig pro Bestellung

Lieferzeit: 5 Werktage

Pos.
54
BOSCH Schutzhaube | Ersatzteile für GBG 35-15 | 1619PB1555
Hersteller: BOSCH
Artikelnummer: EB-3601B7A3F0-1619PB1555
Netto: 10,62 € zzgl. MwSt.
zzgl. 6,90 € Versand (brutto)
einmalig pro Bestellung

Lieferzeit: 5 Werktage

Pos.
56
BOSCH Distanzring | Ersatzteile für GBG 35-15 | 1619PB1558
Hersteller: BOSCH
Artikelnummer: EB-3601B7A3F0-1619PB1558
Netto: 3,60 € zzgl. MwSt.
zzgl. 6,90 € Versand (brutto)
einmalig pro Bestellung

Lieferzeit: 5 Werktage

Pos.
57
BOSCH Federscheibe | Ersatzteile für GBG 35-15 | 1619PB1668
Hersteller: BOSCH
Artikelnummer: EB-3601B7A3F0-1619PB1668
Netto: 3,60 € zzgl. MwSt.
zzgl. 6,90 € Versand (brutto)
einmalig pro Bestellung

Lieferzeit: 5 Werktage

Pos.
58
BOSCH Flachkopfschraube | Ersatzteile für GBG 35-15 | 1619PB1780
Hersteller: BOSCH
Artikelnummer: EB-3601B7A3F0-1619PB1780
Netto: 3,60 € zzgl. MwSt.
zzgl. 6,90 € Versand (brutto)
einmalig pro Bestellung

Lieferzeit: 5 Werktage

Pos.
651
BOSCH Stützplatte | Ersatzteile für GBG 35-15 | 1619PB1781
Hersteller: BOSCH
Artikelnummer: EB-3601B7A3F0-1619PB1781
Netto: 9,75 € zzgl. MwSt.
zzgl. 6,90 € Versand (brutto)
einmalig pro Bestellung

Lieferzeit: 5 Werktage

Pos.
652
BOSCH Schraube | Ersatzteile für GBG 35-15 | 1619PB1782
Hersteller: BOSCH
Artikelnummer: EB-3601B7A3F0-1619PB1782
Netto: 4,80 € zzgl. MwSt.
zzgl. 6,90 € Versand (brutto)
einmalig pro Bestellung

Lieferzeit: 5 Werktage

Pos.
653
BOSCH Schutzblech | Ersatzteile für GBG 35-15 | 1619PB1783
Hersteller: BOSCH
Artikelnummer: EB-3601B7A3F0-1619PB1783
Netto: 6,75 € zzgl. MwSt.
zzgl. 6,90 € Versand (brutto)
einmalig pro Bestellung

Lieferzeit: 5 Werktage

Pos.
808
BOSCH Typschild | Ersatzteile für GBG 35-15 | 1619PB2017
Hersteller: BOSCH
Artikelnummer: EB-3601B7A3F0-1619PB2017
Netto: 4,53 € zzgl. MwSt.
zzgl. 6,90 € Versand (brutto)
einmalig pro Bestellung

Lieferzeit: 5 Werktage

Angaben zur Produktsicherheit

Hersteller:
Robert Bosch Power Tools GmbH
Postfach 30 02 20
70442 Stuttgart

E-Mail:
kontakt@bosch.de