BOSCH Auflageplatte | Ersatzteile für GBG 8 | 1619PA2255

Artikelnummer: EB-3601B7A1K1-1619PA2255

Position: 653

Marke: BOSCH


Bitte Kompatibilität prüfen!

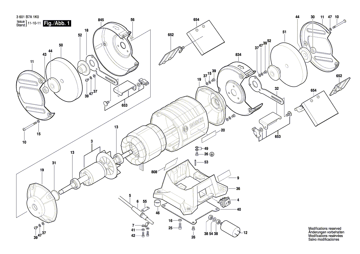
Bitte prüfen Sie unbedingt die 10-stellige Typennummer Ihrer Maschine / Ihres Gerätes. Das Ersatzteil ist nur kompatibel, wenn Sie die Typennummer Ihrer Maschine in der unten stehenden Produktbeschreibung finden.

Bitte prüfen Sie ebenfalls detailliert die Explosionszeichnung mit Ihrem Artikelwunsch und der jeweiligen Pos-Nummer.

Alle Elemente, welche vom schwarzen Strich der Pos-Nummer ausgehend berührt / erfasst werden, gehören zu dieser Pos-Nummer und somit zu diesem Artikel. Jede Pos-Nummer ist ein eigenständiger Artikel, welchen Sie in der Auflistung finden.

Sie erhalten stets die aktuellste, neueste Produktversion zu der gewählten Pos-Nummer seitens des Herstellers. Es kann daher je nach Gerätealter vorkommen, dass Sie ggf. weitere, zugehörige Elemente, welche an diese Pos-Nummer grenzen, ebenfalls mittauschen müssen.

Nähere Informationen finden Sie unter dem Link
Hinweise zu Ihrer BOSCH Ersatzteilsuche

Preisübersicht

Einzelpreis: 6,75 €* (Brutto: 8,03 €)
Gesamtpreis: 6,75 €* 
Position:

Lieferzeit: 5 Werktage


Beschreibung

  • Auflageplatte
  • Original Bosch Zubehör / BOSCH Ersatzteil (1619PA2255)
  • im Gerät verbaut: 1
Dieses BOSCH Ersatzteil ist mit folgendem Gerät und Modell kompatibel:
  • BOSCH Gerätename: GBG 8
  • BOSCH Explosionszeichnung: Position 653
  • BOSCH Typennummer: 3601B7A1K1
  • BOSCH Typennummer alternative Schreibweisen: 3 601 B7A 1K1, 3601 B7A 1K1, 3.601.B7A.1K1, 3-601-B7A-1K1
    Bitte prüfen Sie diese Typennummer auf Ihrem Gerät um die Kompatibilität des BOSCH Ersatzteils zu gewährleisten.
Weitere BOSCH Ersatzteile des Gerätes GBG 8 (Schleifbock) mit der Typennummer 3601B7A1K1 finden Sie in der nachfolgenden Darstellung und im Dropdown zu Ihrer Auswahl:

Pos.
3
BOSCH Läufer | Ersatzteile für GBG 8 | 1619PA2265
Hersteller: BOSCH
Artikelnummer: EB-3601B7A1K1-1619PA2265
Netto: 31,62 € zzgl. MwSt.
zzgl. 6,90 € Versand (brutto)
einmalig pro Bestellung

Lieferzeit: 5 Werktage

Pos.
4
BOSCH Schalter | Ersatzteile für GBG 8 | 1619PA1962
Hersteller: BOSCH
Artikelnummer: EB-3601B7A1K1-1619PA1962
Netto: 20,80 € zzgl. MwSt.
zzgl. 6,90 € Versand (brutto)
einmalig pro Bestellung

Lieferzeit: 5 Werktage

Pos.
5
BOSCH Netzanschlussleitung | Ersatzteile für GBG 8 | 1619PA2250
Hersteller: BOSCH
Artikelnummer: EB-3601B7A1K1-1619PA2250
nur Informationsartikel
Nie mehr lieferbar
keine Alternativen
Pos.
6
BOSCH Tülle | Ersatzteile für GBG 8 | 1619PA3012
Hersteller: BOSCH
Artikelnummer: EB-3601B7A1K1-1619PA3012
nur Informationsartikel
Nie mehr lieferbar
keine Alternativen
Pos.
7
BOSCH Befestigungsschelle | Ersatzteile für GBG 8 | 1619PA2102
Hersteller: BOSCH
Artikelnummer: EB-3601B7A1K1-1619PA2102
nur Informationsartikel
Nie mehr lieferbar
keine Alternativen
Pos.
9
BOSCH Firmenschild | Ersatzteile für GBG 8 | 1619PA2232
Hersteller: BOSCH
Artikelnummer: EB-3601B7A1K1-1619PA2232
Netto: 4,56 € zzgl. MwSt.
zzgl. 6,90 € Versand (brutto)
einmalig pro Bestellung

Lieferzeit: 5 Werktage

Pos.
10
BOSCH Schraube | Ersatzteile für GBG 8 | 1619PA2103
Hersteller: BOSCH
Artikelnummer: EB-3601B7A1K1-1619PA2103
Netto: 3,60 € zzgl. MwSt.
zzgl. 6,90 € Versand (brutto)
einmalig pro Bestellung

Lieferzeit: 5 Werktage

Pos.
11
BOSCH Seitenschutz | Ersatzteile für GBG 8 | 1619PA2146
Hersteller: BOSCH
Artikelnummer: EB-3601B7A1K1-1619PA2146
nur Informationsartikel
Nie mehr lieferbar
keine Alternativen
Pos.
12
BOSCH Motorkondensator | Ersatzteile für GBG 8 | 1619PA2147
Hersteller: BOSCH
Artikelnummer: EB-3601B7A1K1-1619PA2147
Netto: 13,61 € zzgl. MwSt.
zzgl. 6,90 € Versand (brutto)
einmalig pro Bestellung

Lieferzeit: 5 Werktage

Pos.
13
BOSCH Rillenkugellager | Ersatzteile für GBG 8 | 1619PA2148
Hersteller: BOSCH
Artikelnummer: EB-3601B7A1K1-1619PA2148
nur Informationsartikel
Nie mehr lieferbar
keine Alternativen
Pos.
15
BOSCH Federscheibe | Ersatzteile für GBG 8 | 1619PA2108
Hersteller: BOSCH
Artikelnummer: EB-3601B7A1K1-1619PA2108
nur Informationsartikel
Nie mehr lieferbar
keine Alternativen
Pos.
16
BOSCH Federscheibe | Ersatzteile für GBG 8 | 1619PA2109
Hersteller: BOSCH
Artikelnummer: EB-3601B7A1K1-1619PA2109
nur Informationsartikel
Nie mehr lieferbar
keine Alternativen
Pos.
18
BOSCH Aufnahmeteller | Ersatzteile für GBG 8 | 1619PA2149
Hersteller: BOSCH
Artikelnummer: EB-3601B7A1K1-1619PA2149
nur Informationsartikel
Nie mehr lieferbar
keine Alternativen
Pos.
19
BOSCH Lagerschild | Ersatzteile für GBG 8 | 1619PA2150
Hersteller: BOSCH
Artikelnummer: EB-3601B7A1K1-1619PA2150
Netto: 18,86 € zzgl. MwSt.
zzgl. 6,90 € Versand (brutto)
einmalig pro Bestellung

Lieferzeit: 5 Werktage

Pos.
20
BOSCH Warnzettel | Ersatzteile für GBG 8 | 1619PA2235
Hersteller: BOSCH
Artikelnummer: EB-3601B7A1K1-1619PA2235
nur Informationsartikel
Nie mehr lieferbar
keine Alternativen
Pos.
25
BOSCH Schraube | Ersatzteile für GBG 8 | 1619PA2117
Hersteller: BOSCH
Artikelnummer: EB-3601B7A1K1-1619PA2117
nur Informationsartikel
Nie mehr lieferbar
keine Alternativen
Pos.
26
BOSCH Flachkopfschraube | Ersatzteile für GBG 8 | 1619PA2118
Hersteller: BOSCH
Artikelnummer: EB-3601B7A1K1-1619PA2118
nur Informationsartikel
Nie mehr lieferbar
keine Alternativen
Pos.
30
BOSCH Sechskantmutter | Ersatzteile für GBG 8 | 1619PA2122
Hersteller: BOSCH
Artikelnummer: EB-3601B7A1K1-1619PA2122
nur Informationsartikel
Nie mehr lieferbar
keine Alternativen
Pos.
31
BOSCH Wellenscheibe | Ersatzteile für GBG 8 | 1619PA2151
Hersteller: BOSCH
Artikelnummer: EB-3601B7A1K1-1619PA2151
Netto: 3,60 € zzgl. MwSt.
zzgl. 6,90 € Versand (brutto)
einmalig pro Bestellung

Lieferzeit: 5 Werktage

Pos.
32
BOSCH Aufnahmeteller | Ersatzteile für GBG 8 | 1619PA2152
Hersteller: BOSCH
Artikelnummer: EB-3601B7A1K1-1619PA2152
nur Informationsartikel
Nie mehr lieferbar
keine Alternativen
Pos.
34
BOSCH Schutzglas | Ersatzteile für GBG 8 | 1619PB1532
Hersteller: BOSCH
Artikelnummer: EB-3601B7A1K1-1619PB1532
Netto: 4,80 € zzgl. MwSt.
zzgl. 6,90 € Versand (brutto)
einmalig pro Bestellung

Lieferzeit: 5 Werktage

Pos.
36
BOSCH Grundplatte | Ersatzteile für GBG 8 | 1619PA2154
Hersteller: BOSCH
Artikelnummer: EB-3601B7A1K1-1619PA2154
nur Informationsartikel
Nie mehr lieferbar
keine Alternativen
Pos.
37
BOSCH Unterlegscheibe | Ersatzteile für GBG 8 | 1619PA2129
Hersteller: BOSCH
Artikelnummer: EB-3601B7A1K1-1619PA2129
nur Informationsartikel
Nie mehr lieferbar
keine Alternativen
Pos.
38
BOSCH Sechskantniedrigmutter | Ersatzteile für GBG 8 | 1619PA2568
Hersteller: BOSCH
Artikelnummer: EB-3601B7A1K1-1619PA2568
nur Informationsartikel
Nie mehr lieferbar
keine Alternativen
Pos.
39
BOSCH Schraube | Ersatzteile für GBG 8 | 1619PA2131
Hersteller: BOSCH
Artikelnummer: EB-3601B7A1K1-1619PA2131
nur Informationsartikel
Nie mehr lieferbar
keine Alternativen
Pos.
40
BOSCH Grundplatte | Ersatzteile für GBG 8 | 1619PA2155
Hersteller: BOSCH
Artikelnummer: EB-3601B7A1K1-1619PA2155
Netto: 5,17 € zzgl. MwSt.
zzgl. 6,90 € Versand (brutto)
einmalig pro Bestellung

Lieferzeit: 5 Werktage

Pos.
41
BOSCH Federscheibe | Ersatzteile für GBG 8 | 1619PA2133
Hersteller: BOSCH
Artikelnummer: EB-3601B7A1K1-1619PA2133
nur Informationsartikel
Nie mehr lieferbar
keine Alternativen
Pos.
42
BOSCH Schraube | Ersatzteile für GBG 8 | 1619PA2134
Hersteller: BOSCH
Artikelnummer: EB-3601B7A1K1-1619PA2134
nur Informationsartikel
Nie mehr lieferbar
keine Alternativen
Pos.
43
BOSCH Sechskantmutter | Ersatzteile für GBG 8 | 1619PA2135
Hersteller: BOSCH
Artikelnummer: EB-3601B7A1K1-1619PA2135
nur Informationsartikel
Nie mehr lieferbar
keine Alternativen
Pos.
44
BOSCH Aufspannflansch | Ersatzteile für GBG 8 | 1619PA2156
Hersteller: BOSCH
Artikelnummer: EB-3601B7A1K1-1619PA2156
Netto: 11,58 € zzgl. MwSt.
zzgl. 6,90 € Versand (brutto)
einmalig pro Bestellung

Lieferzeit: 5 Werktage

Pos.
46
BOSCH Gummifuss | Ersatzteile für GBG 8 | 1619PA2138
Hersteller: BOSCH
Artikelnummer: EB-3601B7A1K1-1619PA2138
nur Informationsartikel
Nie mehr lieferbar
keine Alternativen
Pos.
47
BOSCH Federscheibe | Ersatzteile für GBG 8 | 1619PA2139
Hersteller: BOSCH
Artikelnummer: EB-3601B7A1K1-1619PA2139
nur Informationsartikel
Nie mehr lieferbar
keine Alternativen
Pos.
49
BOSCH Zahnscheibe | Ersatzteile für GBG 8 | 1619PA2141
Hersteller: BOSCH
Artikelnummer: EB-3601B7A1K1-1619PA2141
nur Informationsartikel
Nie mehr lieferbar
keine Alternativen
Pos.
50
BOSCH Schleifscheibe | Ersatzteile für GBG 8 | 1619PA1960
Hersteller: BOSCH
Artikelnummer: EB-3601B7A1K1-1619PA1960
nur Informationsartikel
Nie mehr lieferbar
keine Alternativen
Pos.
51
BOSCH Schleifscheibe | Ersatzteile für GBG 8 | 1619PA1961
Hersteller: BOSCH
Artikelnummer: EB-3601B7A1K1-1619PA1961
nur Informationsartikel
Nie mehr lieferbar
keine Alternativen
Pos.
52
BOSCH Aufspannflansch | Ersatzteile für GBG 8 | 1619PA2158
Hersteller: BOSCH
Artikelnummer: EB-3601B7A1K1-1619PA2158
nur Informationsartikel
Nie mehr lieferbar
keine Alternativen
Pos.
53
BOSCH Federstift | Ersatzteile für GBG 8 | 1619PA2143
Hersteller: BOSCH
Artikelnummer: EB-3601B7A1K1-1619PA2143
nur Informationsartikel
Nie mehr lieferbar
keine Alternativen
Pos.
54
BOSCH Zahnscheibe | Ersatzteile für GBG 8 | 1619PA2144
Hersteller: BOSCH
Artikelnummer: EB-3601B7A1K1-1619PA2144
nur Informationsartikel
Nie mehr lieferbar
keine Alternativen
Pos.
55
BOSCH Auflageplatte | Ersatzteile für GBG 8 | 1619PA2322
Hersteller: BOSCH
Artikelnummer: EB-3601B7A1K1-1619PA2322
Netto: 3,60 € zzgl. MwSt.
zzgl. 6,90 € Versand (brutto)
einmalig pro Bestellung

Lieferzeit: 5 Werktage

Pos.
56
BOSCH Blindnietmutter | Ersatzteile für GBG 8 | 1619PA2571
Hersteller: BOSCH
Artikelnummer: EB-3601B7A1K1-1619PA2571
Netto: 3,60 € zzgl. MwSt.
zzgl. 6,90 € Versand (brutto)
einmalig pro Bestellung

Lieferzeit: 5 Werktage

Pos.
652
BOSCH Schutzblech | Ersatzteile für GBG 8 | 1619PA2254
Hersteller: BOSCH
Artikelnummer: EB-3601B7A1K1-1619PA2254
nur Informationsartikel
Nie mehr lieferbar
keine Alternativen
Pos.
653
BOSCH Auflageplatte | Ersatzteile für GBG 8 | 1619PA2255
Hersteller: BOSCH
Artikelnummer: EB-3601B7A1K1-1619PA2255
Netto: 6,75 € zzgl. MwSt.
zzgl. 6,90 € Versand (brutto)
einmalig pro Bestellung

Lieferzeit: 5 Werktage

Pos.
654
BOSCH Schutzglas | Ersatzteile für GBG 8 | 1619PB1523
Hersteller: BOSCH
Artikelnummer: EB-3601B7A1K1-1619PB1523
Netto: 4,80 € zzgl. MwSt.
zzgl. 6,90 € Versand (brutto)
einmalig pro Bestellung

Lieferzeit: 63 Werktage

Pos.
808
BOSCH Typschild | Ersatzteile für GBG 8 | 1619PA2958
Hersteller: BOSCH
Artikelnummer: EB-3601B7A1K1-1619PA2958
Netto: 1,61 € zzgl. MwSt.
zzgl. 6,90 € Versand (brutto)
einmalig pro Bestellung

Lieferzeit: 5 Werktage

Pos.
834
BOSCH Schutzhaube | Ersatzteile für GBG 8 | 1619PA2585
Hersteller: BOSCH
Artikelnummer: EB-3601B7A1K1-1619PA2585
nur Informationsartikel
Nie mehr lieferbar
keine Alternativen
Pos.
845
BOSCH Schutzhaube | Ersatzteile für GBG 8 | 1619PA2586
Hersteller: BOSCH
Artikelnummer: EB-3601B7A1K1-1619PA2586
nur Informationsartikel
Nie mehr lieferbar
keine Alternativen

Angaben zur Produktsicherheit

Hersteller:
Robert Bosch Power Tools GmbH
Postfach 30 02 20
70442 Stuttgart

E-Mail:
kontakt@bosch.de