BOSCH Spannband Ø50 MM | Ersatzteile für GBH 18V-20 | 1611316021

Artikelnummer: EB-3611J11000-1611316021

Position: 822/124

Marke: BOSCH


Bitte Kompatibilität prüfen!

Bitte prüfen Sie unbedingt die 10-stellige Typennummer Ihrer Maschine / Ihres Gerätes. Das Ersatzteil ist nur kompatibel, wenn Sie die Typennummer Ihrer Maschine in der unten stehenden Produktbeschreibung finden.

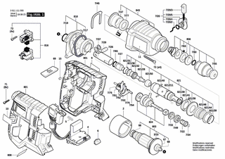
Bitte prüfen Sie ebenfalls detailliert die Explosionszeichnung mit Ihrem Artikelwunsch und der jeweiligen Pos-Nummer.

Alle Elemente, welche vom schwarzen Strich der Pos-Nummer ausgehend berührt / erfasst werden, gehören zu dieser Pos-Nummer und somit zu diesem Artikel. Jede Pos-Nummer ist ein eigenständiger Artikel, welchen Sie in der Auflistung finden.

Sie erhalten stets die aktuellste, neueste Produktversion zu der gewählten Pos-Nummer seitens des Herstellers. Es kann daher je nach Gerätealter vorkommen, dass Sie ggf. weitere, zugehörige Elemente, welche an diese Pos-Nummer grenzen, ebenfalls mittauschen müssen.

Nähere Informationen finden Sie unter dem Link
Hinweise zu Ihrer BOSCH Ersatzteilsuche

Preisübersicht

Einzelpreis: 4,82 €* (Brutto: 5,74 €)
Gesamtpreis: 4,82 €* 
Position:

Lieferzeit: 5 Werktage


Beschreibung

  • Spannband Ø50 MM
  • Original Bosch Zubehör / BOSCH Ersatzteil (1611316021)
  • im Gerät verbaut: 1
Dieses BOSCH Ersatzteil ist mit folgendem Gerät und Modell kompatibel:
  • BOSCH Gerätename: GBH 18V-20
  • BOSCH Explosionszeichnung: Position 822/124
  • BOSCH Typennummer: 3611J11000
  • BOSCH Typennummer alternative Schreibweisen: 3 611 J11 000, 3611 J11 000, 3.611.J11.000, 3-611-J11-000
    Bitte prüfen Sie diese Typennummer auf Ihrem Gerät um die Kompatibilität des BOSCH Ersatzteils zu gewährleisten.
Weitere BOSCH Ersatzteile des Gerätes GBH 18V-20 (Akku-Bohrhammer) mit der Typennummer 3611J11000 finden Sie in der nachfolgenden Darstellung und im Dropdown zu Ihrer Auswahl:

Pos.
3/15
BOSCH Axiallüfter | Ersatzteile für GBH 18V-20 | 2610909077
Hersteller: BOSCH
Artikelnummer: EB-3611J11000-2610909077
Netto: 4,53 € zzgl. MwSt.
zzgl. 6,90 € Versand (brutto)
einmalig pro Bestellung

Lieferzeit: 5 Werktage

Pos.
691/895
BOSCH Klinke | Ersatzteile für GBH 18V-20 | 1619P14336
Hersteller: BOSCH
Artikelnummer: EB-3611J11000-1619P14336
nur Informationsartikel
Nie mehr lieferbar
keine Alternativen
Pos.
7/17
BOSCH O-Ring | Ersatzteile für GBH 18V-20 | 1619P09721
Hersteller: BOSCH
Artikelnummer: EB-3611J11000-1610290108
Netto: 4,39 € zzgl. MwSt.
zzgl. 6,90 € Versand (brutto)
einmalig pro Bestellung

Lieferzeit: 5 Werktage

Pos.
7/19
BOSCH O-Ring 22,0x2,5 MM | Ersatzteile für GBH 18V-20 | 1610210184
Hersteller: BOSCH
Artikelnummer: EB-3611J11000-1610210184
nur Informationsartikel
Nie mehr lieferbar
keine Alternativen
Pos.
7/20
BOSCH Knebelgriff SCHWARZ | Ersatzteile für GBH 18V-20 | 1612026151
Hersteller: BOSCH
Artikelnummer: EB-3611J11000-1612026151
Netto: 12,98 € zzgl. MwSt.
zzgl. 6,90 € Versand (brutto)
einmalig pro Bestellung

Lieferzeit: 5 Werktage

Pos.
7/20/2
BOSCH Mitnehmerstift | Ersatzteile für GBH 18V-20 | 1614690009
Hersteller: BOSCH
Artikelnummer: EB-3611J11000-1614690009
Netto: 5,19 € zzgl. MwSt.
zzgl. 6,90 € Versand (brutto)
einmalig pro Bestellung

Lieferzeit: 5 Werktage

Pos.
7/20/3
BOSCH Schalterknopf ROT | Ersatzteile für GBH 18V-20 | 1612026035
Hersteller: BOSCH
Artikelnummer: EB-3611J11000-1612026035
Netto: 3,94 € zzgl. MwSt.
zzgl. 6,90 € Versand (brutto)
einmalig pro Bestellung

Lieferzeit: 5 Werktage

Pos.
7/20/4
BOSCH O-Ring 10,5x2,7 MM | Ersatzteile für GBH 18V-20 | 1610210046
Hersteller: BOSCH
Artikelnummer: EB-3611J11000-1610210046
Netto: 4,32 € zzgl. MwSt.
zzgl. 6,90 € Versand (brutto)
einmalig pro Bestellung

Lieferzeit: 5 Werktage

Pos.
7/20/5
BOSCH Druckfeder | Ersatzteile für GBH 18V-20 | 1614611006
Hersteller: BOSCH
Artikelnummer: EB-3611J11000-1614611006
Netto: 5,19 € zzgl. MwSt.
zzgl. 6,90 € Versand (brutto)
einmalig pro Bestellung

Lieferzeit: 5 Werktage

Pos.
7/22
BOSCH Zahnhülse | Ersatzteile für GBH 18V-20 | 1616328053
Hersteller: BOSCH
Artikelnummer: EB-3611J11000-1619PS1115
Netto: 8,33 € zzgl. MwSt.
zzgl. 6,90 € Versand (brutto)
einmalig pro Bestellung

Lieferzeit: 5 Werktage

Pos.
7/26
BOSCH Hammerkolben | Ersatzteile für GBH 18V-20 | 1618700083
Hersteller: BOSCH
Artikelnummer: EB-3611J11000-1618700083
Netto: 9,18 € zzgl. MwSt.
zzgl. 6,90 € Versand (brutto)
einmalig pro Bestellung

Lieferzeit: 5 Werktage

Pos.
7/27
BOSCH Schläger | Ersatzteile für GBH 18V-20 | 1618710085
Hersteller: BOSCH
Artikelnummer: EB-3611J11000-1618710085
Netto: 9,18 € zzgl. MwSt.
zzgl. 6,90 € Versand (brutto)
einmalig pro Bestellung

Lieferzeit: 5 Werktage

Pos.
7/29
BOSCH Kolbenbolzen | Ersatzteile für GBH 18V-20 | 1613100034
Hersteller: BOSCH
Artikelnummer: EB-3611J11000-1613100034
Netto: 4,82 € zzgl. MwSt.
zzgl. 6,90 € Versand (brutto)
einmalig pro Bestellung

Lieferzeit: 5 Werktage

Pos.
7/33
BOSCH Schaltstück | Ersatzteile für GBH 18V-20 | 1615820103
Hersteller: BOSCH
Artikelnummer: EB-3611J11000-1615820103
Netto: 4,53 € zzgl. MwSt.
zzgl. 6,90 € Versand (brutto)
einmalig pro Bestellung

Lieferzeit: 5 Werktage

Pos.
7/34
BOSCH Sprengring | Ersatzteile für GBH 18V-20 | 1619P00829
Hersteller: BOSCH
Artikelnummer: EB-3611J11000-1619P00829
Netto: 3,63 € zzgl. MwSt.
zzgl. 6,90 € Versand (brutto)
einmalig pro Bestellung

Lieferzeit: 5 Werktage

Pos.
7/37
BOSCH Führungsscheibe | Ersatzteile für GBH 18V-20 | 1610100016
Hersteller: BOSCH
Artikelnummer: EB-3611J11000-1610100016
Netto: 3,94 € zzgl. MwSt.
zzgl. 6,90 € Versand (brutto)
einmalig pro Bestellung

Lieferzeit: 5 Werktage

Pos.
7/45
BOSCH Halteblech | Ersatzteile für GBH 18V-20 | 1611016003
Hersteller: BOSCH
Artikelnummer: EB-3611J11000-1611016003
nur Informationsartikel
Nie mehr lieferbar
keine Alternativen
Pos.
7/47
BOSCH Gleitlager | Ersatzteile für GBH 18V-20 | 1610202031
Hersteller: BOSCH
Artikelnummer: EB-3611J11000-1610202031
nur Informationsartikel
Nie mehr lieferbar
keine Alternativen
Pos.
7/49
BOSCH Schaltstück | Ersatzteile für GBH 18V-20 | 1615820104
Hersteller: BOSCH
Artikelnummer: EB-3611J11000-1615820104
Netto: 4,53 € zzgl. MwSt.
zzgl. 6,90 € Versand (brutto)
einmalig pro Bestellung

Lieferzeit: 5 Werktage

Pos.
7/51
BOSCH Schaltblech | Ersatzteile für GBH 18V-20 | 1610021004
Hersteller: BOSCH
Artikelnummer: EB-3611J11000-1610021004
Netto: 3,63 € zzgl. MwSt.
zzgl. 6,90 € Versand (brutto)
einmalig pro Bestellung

Lieferzeit: 5 Werktage

Pos.
7/52
BOSCH Schaltblech | Ersatzteile für GBH 18V-20 | 1610021006
Hersteller: BOSCH
Artikelnummer: EB-3611J11000-1610021006
Netto: 3,63 € zzgl. MwSt.
zzgl. 6,90 € Versand (brutto)
einmalig pro Bestellung

Lieferzeit: 5 Werktage

Pos.
7/53
BOSCH Schaltblech | Ersatzteile für GBH 18V-20 | 1610021005
Hersteller: BOSCH
Artikelnummer: EB-3611J11000-1610021005
Netto: 3,63 € zzgl. MwSt.
zzgl. 6,90 € Versand (brutto)
einmalig pro Bestellung

Lieferzeit: 5 Werktage

Pos.
7/54
BOSCH Führungsstange | Ersatzteile für GBH 18V-20 | 1613023005
Hersteller: BOSCH
Artikelnummer: EB-3611J11000-1613023005
Netto: 3,94 € zzgl. MwSt.
zzgl. 6,90 € Versand (brutto)
einmalig pro Bestellung

Lieferzeit: 5 Werktage

Pos.
7/55
BOSCH Schutzkappe | Ersatzteile für GBH 18V-20 | 1610508052
Hersteller: BOSCH
Artikelnummer: EB-3611J11000-1610508052
Netto: 3,94 € zzgl. MwSt.
zzgl. 6,90 € Versand (brutto)
einmalig pro Bestellung

Lieferzeit: 5 Werktage

Pos.
7/60
BOSCH Sicherungsring | Ersatzteile für GBH 18V-20 | 1614601077
Hersteller: BOSCH
Artikelnummer: EB-3611J11000-1614601077
Netto: 3,94 € zzgl. MwSt.
zzgl. 6,90 € Versand (brutto)
einmalig pro Bestellung

Lieferzeit: 5 Werktage

Pos.
7/63
BOSCH Kugel DIN 5401-Ø7MM-III-ST | Ersatzteile für GBH 18V-20 | 1903230013
Hersteller: BOSCH
Artikelnummer: EB-3611J11000-1903230013
Netto: 4,32 € zzgl. MwSt.
zzgl. 6,90 € Versand (brutto)
einmalig pro Bestellung

Lieferzeit: 30 Werktage

Pos.
7/65
BOSCH O-Ring 13,0x3,0 MM | Ersatzteile für GBH 18V-20 | 1610210244
Hersteller: BOSCH
Artikelnummer: EB-3611J11000-1610210244
nur Informationsartikel
Nie mehr lieferbar
keine Alternativen
Pos.
7/75
BOSCH Druckfeder | Ersatzteile für GBH 18V-20 | 1614643025
Hersteller: BOSCH
Artikelnummer: EB-3611J11000-1614643025
Netto: 3,63 € zzgl. MwSt.
zzgl. 6,90 € Versand (brutto)
einmalig pro Bestellung

Lieferzeit: 5 Werktage

Pos.
7/76
BOSCH Druckfeder | Ersatzteile für GBH 18V-20 | 1614643023
Hersteller: BOSCH
Artikelnummer: EB-3611J11000-1614643023
Netto: 3,63 € zzgl. MwSt.
zzgl. 6,90 € Versand (brutto)
einmalig pro Bestellung

Lieferzeit: 5 Werktage

Pos.
7/77
BOSCH Wellendichtring | Ersatzteile für GBH 18V-20 | 1619P09722
Hersteller: BOSCH
Artikelnummer: EB-3611J11000-1619P09722
Netto: 4,82 € zzgl. MwSt.
zzgl. 6,90 € Versand (brutto)
einmalig pro Bestellung

Lieferzeit: 5 Werktage

Pos.
821/211
BOSCH Hammerrohr | Ersatzteile für GBH 18V-20 | 1619P09815
Hersteller: BOSCH
Artikelnummer: EB-3611J11000-1619P09815
Netto: 26,88 € zzgl. MwSt.
zzgl. 6,90 € Versand (brutto)
einmalig pro Bestellung

Lieferzeit: 5 Werktage

Pos.
821/28
BOSCH Schlagbolzen | Ersatzteile für GBH 18V-20 | 1613124084
Hersteller: BOSCH
Artikelnummer: EB-3611J11000-1613124084
Netto: 5,67 € zzgl. MwSt.
zzgl. 6,90 € Versand (brutto)
einmalig pro Bestellung

Lieferzeit: 5 Werktage

Pos.
821/31
BOSCH Sprengring | Ersatzteile für GBH 18V-20 | 1619P09816
Hersteller: BOSCH
Artikelnummer: EB-3611J11000-1619P09816
Netto: 3,63 € zzgl. MwSt.
zzgl. 6,90 € Versand (brutto)
einmalig pro Bestellung

Lieferzeit: 5 Werktage

Pos.
821/32
BOSCH Gummibuchse | Ersatzteile für GBH 18V-20 | 1619P07426
Hersteller: BOSCH
Artikelnummer: EB-3611J11000-1619P07426
nur Informationsartikel
Nie mehr lieferbar
keine Alternativen
Pos.
821/36
BOSCH Halteblech | Ersatzteile für GBH 18V-20 | 1610551008
Hersteller: BOSCH
Artikelnummer: EB-3611J11000-1610551008
Netto: 3,94 € zzgl. MwSt.
zzgl. 6,90 € Versand (brutto)
einmalig pro Bestellung

Lieferzeit: 5 Werktage

Pos.
821/38
BOSCH Stirnrad | Ersatzteile für GBH 18V-20 | 1616317084
Hersteller: BOSCH
Artikelnummer: EB-3611J11000-1616317084
Netto: 15,75 € zzgl. MwSt.
zzgl. 6,90 € Versand (brutto)
einmalig pro Bestellung

Lieferzeit: 5 Werktage

Pos.
821/39
BOSCH Sprengring | Ersatzteile für GBH 18V-20 | 1614601055
Hersteller: BOSCH
Artikelnummer: EB-3611J11000-1614601055
Netto: 3,63 € zzgl. MwSt.
zzgl. 6,90 € Versand (brutto)
einmalig pro Bestellung

Lieferzeit: 5 Werktage

Pos.
821/40
BOSCH Zylinderstift | Ersatzteile für GBH 18V-20 | 1613100032
Hersteller: BOSCH
Artikelnummer: EB-3611J11000-1613100032
Netto: 3,63 € zzgl. MwSt.
zzgl. 6,90 € Versand (brutto)
einmalig pro Bestellung

Lieferzeit: 5 Werktage

Pos.
821/41
BOSCH Klinkenscheibe | Ersatzteile für GBH 18V-20 | 1610102072
Hersteller: BOSCH
Artikelnummer: EB-3611J11000-1610102072
Netto: 6,70 € zzgl. MwSt.
zzgl. 6,90 € Versand (brutto)
einmalig pro Bestellung

Lieferzeit: 5 Werktage

Pos.
821/44
BOSCH Anlaufscheibe | Ersatzteile für GBH 18V-20 | 1610102092
Hersteller: BOSCH
Artikelnummer: EB-3611J11000-1610102092
Netto: 3,63 € zzgl. MwSt.
zzgl. 6,90 € Versand (brutto)
einmalig pro Bestellung

Lieferzeit: 5 Werktage

Pos.
821/46
BOSCH Druckfeder | Ersatzteile für GBH 18V-20 | 1614630003
Hersteller: BOSCH
Artikelnummer: EB-3611J11000-1614630003
Netto: 4,32 € zzgl. MwSt.
zzgl. 6,90 € Versand (brutto)
einmalig pro Bestellung

Lieferzeit: 5 Werktage

Pos.
821/50
BOSCH Anlaufring | Ersatzteile für GBH 18V-20 | 1600A00FL3
Hersteller: BOSCH
Artikelnummer: EB-3611J11000-1600A00FL3
nur Informationsartikel
Nie mehr lieferbar
keine Alternativen
Pos.
821/50
BOSCH Führungsbuchse | Ersatzteile für GBH 18V-20 | 1619P11562
Hersteller: BOSCH
Artikelnummer: EB-3611J11000-1619P11562
Netto: 9,18 € zzgl. MwSt.
zzgl. 6,90 € Versand (brutto)
einmalig pro Bestellung

Lieferzeit: 5 Werktage

Pos.
822/120
BOSCH Zusatzhandgriff | Ersatzteile für GBH 18V-20 | 160202507H
Hersteller: BOSCH
Artikelnummer: EB-3611J11000-160202507H
Netto: 9,95 € zzgl. MwSt.
zzgl. 6,90 € Versand (brutto)
einmalig pro Bestellung

Lieferzeit: 16 Werktage

Pos.
822/124
BOSCH Spannband Ø50 MM | Ersatzteile für GBH 18V-20 | 1611316021
Hersteller: BOSCH
Artikelnummer: EB-3611J11000-1611316021
Netto: 4,82 € zzgl. MwSt.
zzgl. 6,90 € Versand (brutto)
einmalig pro Bestellung

Lieferzeit: 5 Werktage

Pos.
822/125
BOSCH Hammerschraube M8x40 MM | Ersatzteile für GBH 18V-20 | 1613490002
Hersteller: BOSCH
Artikelnummer: EB-3611J11000-1613490002
Netto: 5,67 € zzgl. MwSt.
zzgl. 6,90 € Versand (brutto)
einmalig pro Bestellung

Lieferzeit: 5 Werktage

Pos.
822/802
BOSCH Klemmhalter | Ersatzteile für GBH 18V-20 | 1617000475
Hersteller: BOSCH
Artikelnummer: EB-3611J11000-1617000475
Netto: 9,18 € zzgl. MwSt.
zzgl. 6,90 € Versand (brutto)
einmalig pro Bestellung

Lieferzeit: 5 Werktage

Pos.
2
BOSCH Polschuh | Ersatzteile für GBH 18V-20 | 1619P13742
Hersteller: BOSCH
Artikelnummer: EB-3611J11000-1619P13742
Netto: 17,38 € zzgl. MwSt.
zzgl. 6,90 € Versand (brutto)
einmalig pro Bestellung

Lieferzeit: 5 Werktage

Pos.
4
BOSCH Elektronik-Modul | Ersatzteile für GBH 18V-20 | 1600A00F9H
Hersteller: BOSCH
Artikelnummer: EB-3611J11000-1600A00F9H
Netto: 63,99 € zzgl. MwSt.
zzgl. 6,90 € Versand (brutto)
einmalig pro Bestellung

Lieferzeit: 5 Werktage

Pos.
5
BOSCH Druckfeder | Ersatzteile für GBH 18V-20 | 2604690055
Hersteller: BOSCH
Artikelnummer: EB-3611J11000-2604690055
Netto: 3,63 € zzgl. MwSt.
zzgl. 6,90 € Versand (brutto)
einmalig pro Bestellung

Lieferzeit: 5 Werktage

Pos.
6
BOSCH Objektiv | Ersatzteile für GBH 18V-20 | 1619P13744
Hersteller: BOSCH
Artikelnummer: EB-3611J11000-1619P13744
nur Informationsartikel
Nie mehr lieferbar
keine Alternativen
Pos.
9
BOSCH Firmenschild GBH 18V-20 | Ersatzteile für GBH 18V-20 | 1619P14170
Hersteller: BOSCH
Artikelnummer: EB-3611J11000-1619P14170
nur Informationsartikel
Nie mehr lieferbar
keine Alternativen
Pos.
10
BOSCH Firmenschild GBH 18V-20 | Ersatzteile für GBH 18V-20 | 1619P14171
Hersteller: BOSCH
Artikelnummer: EB-3611J11000-1619P14171
nur Informationsartikel
Nie mehr lieferbar
keine Alternativen
Pos.
11
BOSCH Hinweisschild | Ersatzteile für GBH 18V-20 | 1619P13767
Hersteller: BOSCH
Artikelnummer: EB-3611J11000-1619P13767
nur Informationsartikel
Nie mehr lieferbar
keine Alternativen
Pos.
15
BOSCH Dämpfungsgummi | Ersatzteile für GBH 18V-20 | 2603100056
Hersteller: BOSCH
Artikelnummer: EB-3611J11000-2603100056
Netto: 3,94 € zzgl. MwSt.
zzgl. 6,90 € Versand (brutto)
einmalig pro Bestellung

Lieferzeit: 5 Werktage

Pos.
66
BOSCH Kugellager 8x22x7 | Ersatzteile für GBH 18V-20 | 1900905029
Hersteller: BOSCH
Artikelnummer: EB-3611J11000-1900905029
Netto: 17,38 € zzgl. MwSt.
zzgl. 6,90 € Versand (brutto)
einmalig pro Bestellung

Lieferzeit: 5 Werktage

Pos.
67
BOSCH Rillenkugellager | Ersatzteile für GBH 18V-20 | 1610905047
Hersteller: BOSCH
Artikelnummer: EB-3611J11000-1610905047
Netto: 7,76 € zzgl. MwSt.
zzgl. 6,90 € Versand (brutto)
einmalig pro Bestellung

Lieferzeit: 5 Werktage

Pos.
68
BOSCH Unterlegscheibe | Ersatzteile für GBH 18V-20 | 1600100037
Hersteller: BOSCH
Artikelnummer: EB-3611J11000-1600100037
Netto: 3,63 € zzgl. MwSt.
zzgl. 6,90 € Versand (brutto)
einmalig pro Bestellung

Lieferzeit: 5 Werktage

Pos.
69
BOSCH Umschalter | Ersatzteile für GBH 18V-20 | 1619P13747
Hersteller: BOSCH
Artikelnummer: EB-3611J11000-1619P13747
nur Informationsartikel
Nie mehr lieferbar
keine Alternativen
Pos.
71
BOSCH Torx-Linsenschraube 4x20 | Ersatzteile für GBH 18V-20 | 2603490023
Hersteller: BOSCH
Artikelnummer: EB-3611J11000-2603490023
Netto: 3,63 € zzgl. MwSt.
zzgl. 6,90 € Versand (brutto)
einmalig pro Bestellung

Lieferzeit: 5 Werktage

Pos.
72
BOSCH Torx-Linsenschraube | Ersatzteile für GBH 18V-20 | 1619P09645
Hersteller: BOSCH
Artikelnummer: EB-3611J11000-1619P09645
Netto: 3,63 € zzgl. MwSt.
zzgl. 6,90 € Versand (brutto)
einmalig pro Bestellung

Lieferzeit: 5 Werktage

Pos.
73
BOSCH Torx-Linsenschraube | Ersatzteile für GBH 18V-20 | 1619P06252
Hersteller: BOSCH
Artikelnummer: EB-3611J11000-1619P06252
Netto: 3,94 € zzgl. MwSt.
zzgl. 6,90 € Versand (brutto)
einmalig pro Bestellung

Lieferzeit: 5 Werktage

Pos.
651
BOSCH Tiefenanschlag SW 6x210 MM | Ersatzteile für GBH 18V-20 | 1613001009
Hersteller: BOSCH
Artikelnummer: EB-3611J11000-1613001009
Netto: 5,19 € zzgl. MwSt.
zzgl. 6,90 € Versand (brutto)
einmalig pro Bestellung

Lieferzeit: 5 Werktage

Pos.
653
BOSCH Akku-Paket | Ersatzteile für GBH 18V-20 | 1617S020T1
Hersteller: BOSCH
Artikelnummer: EB-3611J11000-1617S020T2
Netto: 63,99 € zzgl. MwSt.
zzgl. 6,90 € Versand (brutto)
einmalig pro Bestellung

Lieferzeit: 5 Werktage

Pos.
653
BOSCH Akku-Paket BBS MR, 18V, 5,0 Ah 48 S | Ersatzteile für GBH 18V-20 | 2607337069
Hersteller: BOSCH
Artikelnummer: EB-3611J11000-2607337069
Netto: 91,88 € zzgl. MwSt.
zzgl. 6,90 € Versand (brutto)
einmalig pro Bestellung

Lieferzeit: 5 Werktage

Pos.
653
BOSCH Einschub-Akkupaket BBS MR 18V, 4,0Ah, 47 S | Ersatzteile für GBH 18V-20 | 1607A350M0
Hersteller: BOSCH
Artikelnummer: EB-3611J11000-1607A350M0
Netto: 82,83 € zzgl. MwSt.
zzgl. 6,90 € Versand (brutto)
einmalig pro Bestellung

Lieferzeit: 5 Werktage

Pos.
654
BOSCH Akku-Paket 18V 3.0Ah Li SCM | Ersatzteile für GBH 18V-20 | 1607A350B2
Hersteller: BOSCH
Artikelnummer: EB-3611J11000-1607A350B2
nur Informationsartikel
Nie mehr lieferbar
keine Alternativen
Pos.
654
BOSCH Ladegerät AUS GAL 1880 CV 230/14,4-18V | Ersatzteile für GBH 18V-20 | 2607225925
Hersteller: BOSCH
Artikelnummer: EB-3611J11000-2607225925
nur Informationsartikel
Nie mehr lieferbar
keine Alternativen
Pos.
654
BOSCH Ladegerät EU GAL 1880 CV 230/14,4-18V | Ersatzteile für GBH 18V-20 | 2607225921
Hersteller: BOSCH
Artikelnummer: EB-3611J11000-2607225921
Netto: 106,72 € zzgl. MwSt.
zzgl. 6,90 € Versand (brutto)
einmalig pro Bestellung

Lieferzeit: 5 Werktage

Pos.
654
BOSCH Ladegerät EU 230/14,4-18V, 30 40 S | Ersatzteile für GBH 18V-20 | 2607225321
Hersteller: BOSCH
Artikelnummer: EB-3611J11000-2607225321
Netto: 43,84 € zzgl. MwSt.
zzgl. 6,90 € Versand (brutto)
einmalig pro Bestellung

Lieferzeit: 5 Werktage

Pos.
654
BOSCH Ladegerät GB GAL 1880 CV 230/14,4-18V | Ersatzteile für GBH 18V-20 | 2607225923
Hersteller: BOSCH
Artikelnummer: EB-3611J11000-2607225923
Netto: 106,72 € zzgl. MwSt.
zzgl. 6,90 € Versand (brutto)
einmalig pro Bestellung

Lieferzeit: 5 Werktage

Pos.
654
BOSCH Ladegerät GB 230/10,8-18V, 30 42 S | Ersatzteile für GBH 18V-20 | 2607225323
Hersteller: BOSCH
Artikelnummer: EB-3611J11000-2607225323
nur Informationsartikel
Nie mehr lieferbar
keine Alternativen
Pos.
654
BOSCH Schnell-Lader | Ersatzteile für GBH 18V-20 | 2607225875
Hersteller: BOSCH
Artikelnummer: EB-3611J11000-2607226281
nur Informationsartikel
Nie mehr lieferbar
keine Alternativen
Pos.
654
BOSCH Schnell-Lader AUS 240/10,8-18V, 1h | Ersatzteile für GBH 18V-20 | 2607225427
Hersteller: BOSCH
Artikelnummer: EB-3611J11000-2607225427
nur Informationsartikel
Nie mehr lieferbar
keine Alternativen
Pos.
654
BOSCH Schnell-Lader EU 230/10,8-18V, 1h, AL 30-CV-LI | Ersatzteile für GBH 18V-20 | 2607225347
Hersteller: BOSCH
Artikelnummer: EB-3611J11000-2607225347
nur Informationsartikel
Nie mehr lieferbar
keine Alternativen
Pos.
654
BOSCH Schnell-Lader EU 230/7,2-24V,1h | Ersatzteile für GBH 18V-20 | 2607225645
Hersteller: BOSCH
Artikelnummer: EB-3611J11000-2607225645
nur Informationsartikel
Nie mehr lieferbar
keine Alternativen
Pos.
654
BOSCH Schnell-Lader EU AL 1820 CV 220V | Ersatzteile für GBH 18V-20 | 2607225423
Hersteller: BOSCH
Artikelnummer: EB-3611J11000-2607225423
nur Informationsartikel
Nie mehr lieferbar
keine Alternativen
Pos.
654
BOSCH Schnell-Lader GB 230/10,8-18V, 1h | Ersatzteile für GBH 18V-20 | 2607225425
Hersteller: BOSCH
Artikelnummer: EB-3611J11000-2607225425
Netto: 46,22 € zzgl. MwSt.
zzgl. 6,90 € Versand (brutto)
einmalig pro Bestellung

Lieferzeit: 5 Werktage

Pos.
801
BOSCH Motorgehäuse | Ersatzteile für GBH 18V-20 | 1619P14446
Hersteller: BOSCH
Artikelnummer: EB-3611J11000-1619P14446
Netto: 19,18 € zzgl. MwSt.
zzgl. 6,90 € Versand (brutto)
einmalig pro Bestellung

Lieferzeit: 5 Werktage

Pos.
803
BOSCH Anker | Ersatzteile für GBH 18V-20 | 1619P14346
Hersteller: BOSCH
Artikelnummer: EB-3611J11000-1619P14346
Netto: 32,74 € zzgl. MwSt.
zzgl. 6,90 € Versand (brutto)
einmalig pro Bestellung

Lieferzeit: 5 Werktage

Pos.
808
BOSCH Typschild | Ersatzteile für GBH 18V-20 | 1619P14350
Hersteller: BOSCH
Artikelnummer: EB-3611J11000-1619P14350
nur Informationsartikel
Nie mehr lieferbar
keine Alternativen
Pos.
816
BOSCH Kohlebürstensatz | Ersatzteile für GBH 18V-20 | 1619P14345
Hersteller: BOSCH
Artikelnummer: EB-3611J11000-1619P14345
Netto: 10,92 € zzgl. MwSt.
zzgl. 6,90 € Versand (brutto)
einmalig pro Bestellung

Lieferzeit: 5 Werktage

Pos.
818
BOSCH Zwischenflansch | Ersatzteile für GBH 18V-20 | 1619P09616
Hersteller: BOSCH
Artikelnummer: EB-3611J11000-1619P09616
Netto: 21,16 € zzgl. MwSt.
zzgl. 6,90 € Versand (brutto)
einmalig pro Bestellung

Lieferzeit: 5 Werktage

Pos.
821
BOSCH Hammerrohr | Ersatzteile für GBH 18V-20 | 1619P09617
Hersteller: BOSCH
Artikelnummer: EB-3611J11000-1619P09617
Netto: 32,74 € zzgl. MwSt.
zzgl. 6,90 € Versand (brutto)
einmalig pro Bestellung

Lieferzeit: 5 Werktage

Pos.
822
BOSCH Zusatzhandgriff | Ersatzteile für GBH 18V-20 | 160202508X
Hersteller: BOSCH
Artikelnummer: EB-3611J11000-160202508X
Netto: 15,75 € zzgl. MwSt.
zzgl. 6,90 € Versand (brutto)
einmalig pro Bestellung

Lieferzeit: 5 Werktage

Pos.
824
BOSCH Zwischenwelle | Ersatzteile für GBH 18V-20 | 16170006BC
Hersteller: BOSCH
Artikelnummer: EB-3611J11000-16170006BC
Netto: 26,88 € zzgl. MwSt.
zzgl. 6,90 € Versand (brutto)
einmalig pro Bestellung

Lieferzeit: 5 Werktage

Pos.
843
BOSCH Getriebegehäuse | Ersatzteile für GBH 18V-20 | 1619P09186
Hersteller: BOSCH
Artikelnummer: EB-3611J11000-1619P09186
Netto: 26,88 € zzgl. MwSt.
zzgl. 6,90 € Versand (brutto)
einmalig pro Bestellung

Lieferzeit: 5 Werktage

Pos.
856
BOSCH Schutzhülse | Ersatzteile für GBH 18V-20 | 16170006D3
Hersteller: BOSCH
Artikelnummer: EB-3611J11000-16170006D3
Netto: 9,95 € zzgl. MwSt.
zzgl. 6,90 € Versand (brutto)
einmalig pro Bestellung

Lieferzeit: 5 Werktage

Pos.
892
BOSCH Fetttube 225 ML | Ersatzteile für GBH 18V-20 | 1615430020
Hersteller: BOSCH
Artikelnummer: EB-3611J11000-1615430020
Netto: 17,38 € zzgl. MwSt.
zzgl. 6,90 € Versand (brutto)
einmalig pro Bestellung

Lieferzeit: 5 Werktage

Pos.
893
BOSCH Fetttube 225 ML | Ersatzteile für GBH 18V-20 | 1615430001
Hersteller: BOSCH
Artikelnummer: EB-3611J11000-1615430001
Netto: 17,38 € zzgl. MwSt.
zzgl. 6,90 € Versand (brutto)
einmalig pro Bestellung

Lieferzeit: 5 Werktage

Angaben zur Produktsicherheit

Hersteller:
Robert Bosch Power Tools GmbH
Postfach 30 02 20
70442 Stuttgart

E-Mail:
kontakt@bosch.de