BOSCH Radial-Wellendichtring | Ersatzteile für GBH 18V-26D | 1610283035

Artikelnummer: EB-3611J16041-1610283035

Position: 321/59

Marke: BOSCH


Bitte Kompatibilität prüfen!

Bitte prüfen Sie unbedingt die 10-stellige Typennummer Ihrer Maschine / Ihres Gerätes. Das Ersatzteil ist nur kompatibel, wenn Sie die Typennummer Ihrer Maschine in der unten stehenden Produktbeschreibung finden.

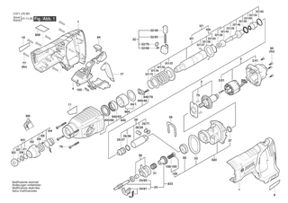
Bitte prüfen Sie ebenfalls detailliert die Explosionszeichnung mit Ihrem Artikelwunsch und der jeweiligen Pos-Nummer.

Alle Elemente, welche vom schwarzen Strich der Pos-Nummer ausgehend berührt / erfasst werden, gehören zu dieser Pos-Nummer und somit zu diesem Artikel. Jede Pos-Nummer ist ein eigenständiger Artikel, welchen Sie in der Auflistung finden.

Sie erhalten stets die aktuellste, neueste Produktversion zu der gewählten Pos-Nummer seitens des Herstellers. Es kann daher je nach Gerätealter vorkommen, dass Sie ggf. weitere, zugehörige Elemente, welche an diese Pos-Nummer grenzen, ebenfalls mittauschen müssen.

Nähere Informationen finden Sie unter dem Link
Hinweise zu Ihrer BOSCH Ersatzteilsuche

Preisübersicht

Einzelpreis: 6,75 €* (Brutto: 8,03 €)
Gesamtpreis: 6,75 €* 
Position:

Lieferzeit: 5 Werktage


Beschreibung

  • Radial-Wellendichtring
  • Original Bosch Zubehör / BOSCH Ersatzteil (1610283035)
  • im Gerät verbaut: 1
Dieses BOSCH Ersatzteil ist mit folgendem Gerät und Modell kompatibel:
  • BOSCH Gerätename: GBH 18V-26D
  • BOSCH Explosionszeichnung: Position 321/59
  • BOSCH Typennummer: 3611J16041
  • BOSCH Typennummer alternative Schreibweisen: 3 611 J16 041, 3611 J16 041, 3.611.J16.041, 3-611-J16-041
    Bitte prüfen Sie diese Typennummer auf Ihrem Gerät um die Kompatibilität des BOSCH Ersatzteils zu gewährleisten.
Weitere BOSCH Ersatzteile des Gerätes GBH 18V-26D (Bohrhammer) mit der Typennummer 3611J16041 finden Sie in der nachfolgenden Darstellung und im Dropdown zu Ihrer Auswahl:

Pos.
1
BOSCH Motorgehäuse | Ersatzteile für GBH 18V-26D | 16051082HZ
Hersteller: BOSCH
Artikelnummer: EB-3611J16041-16051082HZ
Netto: 18,86 € zzgl. MwSt.
zzgl. 6,90 € Versand (brutto)
einmalig pro Bestellung

Lieferzeit: 5 Werktage

Pos.
106/105
BOSCH Druckfeder | Ersatzteile für GBH 18V-26D | 1614611021
Hersteller: BOSCH
Artikelnummer: EB-3611J16041-1614611021
Netto: 3,94 € zzgl. MwSt.
zzgl. 6,90 € Versand (brutto)
einmalig pro Bestellung

Lieferzeit: 5 Werktage

Pos.
120/120
BOSCH Zusatzhandgriff | Ersatzteile für GBH 18V-26D | 160202509C
Hersteller: BOSCH
Artikelnummer: EB-3611J16041-160202509C
Netto: 6,27 € zzgl. MwSt.
zzgl. 6,90 € Versand (brutto)
einmalig pro Bestellung

Lieferzeit: 5 Werktage

Pos.
120/120
BOSCH Zusatzhandgriff SCHWARZ | Ersatzteile für GBH 18V-26D | 1612025083
Hersteller: BOSCH
Artikelnummer: EB-3611J16041-1612025083
Netto: 8,23 € zzgl. MwSt.
zzgl. 6,90 € Versand (brutto)
einmalig pro Bestellung

Lieferzeit: 5 Werktage

Pos.
120/124
BOSCH Spannband Ø50 MM | Ersatzteile für GBH 18V-26D | 1611316021
Hersteller: BOSCH
Artikelnummer: EB-3611J16041-1611316021
Netto: 4,80 € zzgl. MwSt.
zzgl. 6,90 € Versand (brutto)
einmalig pro Bestellung

Lieferzeit: 5 Werktage

Pos.
120/125
BOSCH Hammerschraube M8X40 MM | Ersatzteile für GBH 18V-26D | 1613490002
Hersteller: BOSCH
Artikelnummer: EB-3611J16041-1613490002
Netto: 5,65 € zzgl. MwSt.
zzgl. 6,90 € Versand (brutto)
einmalig pro Bestellung

Lieferzeit: 5 Werktage

Pos.
120/802
BOSCH Klemmhalter | Ersatzteile für GBH 18V-26D | 1617000475
Hersteller: BOSCH
Artikelnummer: EB-3611J16041-1617000475
Netto: 9,05 € zzgl. MwSt.
zzgl. 6,90 € Versand (brutto)
einmalig pro Bestellung

Lieferzeit: 5 Werktage

Pos.
2/41
BOSCH Statorgehäuse | Ersatzteile für GBH 18V-26D | 1600A016CC
Hersteller: BOSCH
Artikelnummer: EB-3611J16041-1600A016CC
Netto: 7,26 € zzgl. MwSt.
zzgl. 6,90 € Versand (brutto)
einmalig pro Bestellung

Lieferzeit: 5 Werktage

Pos.
2/81
BOSCH Torx-Flanschschraube | Ersatzteile für GBH 18V-26D | 1603435086
Hersteller: BOSCH
Artikelnummer: EB-3611J16041-1603435086
Netto: 3,60 € zzgl. MwSt.
zzgl. 6,90 € Versand (brutto)
einmalig pro Bestellung

Lieferzeit: 5 Werktage

Pos.
24/61
BOSCH Schaltstück | Ersatzteile für GBH 18V-26D | 1615820097
Hersteller: BOSCH
Artikelnummer: EB-3611J16041-1615820097
Netto: 6,27 € zzgl. MwSt.
zzgl. 6,90 € Versand (brutto)
einmalig pro Bestellung

Lieferzeit: 5 Werktage

Pos.
24/65
BOSCH Rillenkugellager | Ersatzteile für GBH 18V-26D | 1610905016
Hersteller: BOSCH
Artikelnummer: EB-3611J16041-1610905016
Netto: 9,05 € zzgl. MwSt.
zzgl. 6,90 € Versand (brutto)
einmalig pro Bestellung

Lieferzeit: 5 Werktage

Pos.
26/27
BOSCH Schläger | Ersatzteile für GBH 18V-26D | 1600A00733
Hersteller: BOSCH
Artikelnummer: EB-3611J16041-1600A00733
Netto: 9,05 € zzgl. MwSt.
zzgl. 6,90 € Versand (brutto)
einmalig pro Bestellung

Lieferzeit: 5 Werktage

Pos.
26/29
BOSCH Kolbenbolzen | Ersatzteile für GBH 18V-26D | 1600A01TD0
Hersteller: BOSCH
Artikelnummer: EB-3611J16041-1600A01TD0
Netto: 5,65 € zzgl. MwSt.
zzgl. 6,90 € Versand (brutto)
einmalig pro Bestellung

Lieferzeit: 5 Werktage

Pos.
26/56
BOSCH O-Ring | Ersatzteile für GBH 18V-26D | 1610210187
Hersteller: BOSCH
Artikelnummer: EB-3611J16041-1610210187
Netto: 4,36 € zzgl. MwSt.
zzgl. 6,90 € Versand (brutto)
einmalig pro Bestellung

Lieferzeit: 5 Werktage

Pos.
26/71
BOSCH Führungsscheibe | Ersatzteile für GBH 18V-26D | 1610100016
Hersteller: BOSCH
Artikelnummer: EB-3611J16041-1610100016
Netto: 3,94 € zzgl. MwSt.
zzgl. 6,90 € Versand (brutto)
einmalig pro Bestellung

Lieferzeit: 5 Werktage

Pos.
32/46
BOSCH Mitnehmerstift | Ersatzteile für GBH 18V-26D | 1614690002
Hersteller: BOSCH
Artikelnummer: EB-3611J16041-1614690002
Netto: 3,94 € zzgl. MwSt.
zzgl. 6,90 € Versand (brutto)
einmalig pro Bestellung

Lieferzeit: 5 Werktage

Pos.
32/49
BOSCH Schalterknopf ROT | Ersatzteile für GBH 18V-26D | 1612026035
Hersteller: BOSCH
Artikelnummer: EB-3611J16041-1612026035
Netto: 3,94 € zzgl. MwSt.
zzgl. 6,90 € Versand (brutto)
einmalig pro Bestellung

Lieferzeit: 5 Werktage

Pos.
32/76
BOSCH O-Ring 10,5X2,7 MM | Ersatzteile für GBH 18V-26D | 1610210046
Hersteller: BOSCH
Artikelnummer: EB-3611J16041-1610210046
Netto: 4,36 € zzgl. MwSt.
zzgl. 6,90 € Versand (brutto)
einmalig pro Bestellung

Lieferzeit: 5 Werktage

Pos.
32/83
BOSCH Druckfeder | Ersatzteile für GBH 18V-26D | 1614611006
Hersteller: BOSCH
Artikelnummer: EB-3611J16041-1614611006
Netto: 5,17 € zzgl. MwSt.
zzgl. 6,90 € Versand (brutto)
einmalig pro Bestellung

Lieferzeit: 5 Werktage

Pos.
321/22
BOSCH Stirnrad | Ersatzteile für GBH 18V-26D | 1600A007JW
Hersteller: BOSCH
Artikelnummer: EB-3611J16041-1600A007JW
Netto: 8,23 € zzgl. MwSt.
zzgl. 6,90 € Versand (brutto)
einmalig pro Bestellung

Lieferzeit: 5 Werktage

Pos.
321/28
BOSCH Schlagbolzen | Ersatzteile für GBH 18V-26D | 1613124081
Hersteller: BOSCH
Artikelnummer: EB-3611J16041-1613124081
Netto: 9,05 € zzgl. MwSt.
zzgl. 6,90 € Versand (brutto)
einmalig pro Bestellung

Lieferzeit: 5 Werktage

Pos.
321/33
BOSCH Aufnahmehülse | Ersatzteile für GBH 18V-26D | 1610590014
Hersteller: BOSCH
Artikelnummer: EB-3611J16041-1610590014
Netto: 4,36 € zzgl. MwSt.
zzgl. 6,90 € Versand (brutto)
einmalig pro Bestellung

Lieferzeit: 5 Werktage

Pos.
321/34
BOSCH Stützscheibe | Ersatzteile für GBH 18V-26D | 1610190067
Hersteller: BOSCH
Artikelnummer: EB-3611J16041-1610190067
Netto: 4,36 € zzgl. MwSt.
zzgl. 6,90 € Versand (brutto)
einmalig pro Bestellung

Lieferzeit: 5 Werktage

Pos.
321/37
BOSCH Zylinderstift DIN6325-2,5X12-RIKO | Ersatzteile für GBH 18V-26D | 1613100019
Hersteller: BOSCH
Artikelnummer: EB-3611J16041-1613100019
Netto: 3,94 € zzgl. MwSt.
zzgl. 6,90 € Versand (brutto)
einmalig pro Bestellung

Lieferzeit: 5 Werktage

Pos.
321/38
BOSCH Rastscheibe | Ersatzteile für GBH 18V-26D | 1600A008AG
Hersteller: BOSCH
Artikelnummer: EB-3611J16041-1600A008AG
Netto: 5,17 € zzgl. MwSt.
zzgl. 6,90 € Versand (brutto)
einmalig pro Bestellung

Lieferzeit: 5 Werktage

Pos.
321/42
BOSCH Anlaufring | Ersatzteile für GBH 18V-26D | 1610102073
Hersteller: BOSCH
Artikelnummer: EB-3611J16041-1610102073
Netto: 6,27 € zzgl. MwSt.
zzgl. 6,90 € Versand (brutto)
einmalig pro Bestellung

Lieferzeit: 5 Werktage

Pos.
321/46
BOSCH Führungsbuchse | Ersatzteile für GBH 18V-26D | 1610390051
Hersteller: BOSCH
Artikelnummer: EB-3611J16041-1610390051
Netto: 7,26 € zzgl. MwSt.
zzgl. 6,90 € Versand (brutto)
einmalig pro Bestellung

Lieferzeit: 5 Werktage

Pos.
321/50
BOSCH Druckfeder | Ersatzteile für GBH 18V-26D | 1614611020
Hersteller: BOSCH
Artikelnummer: EB-3611J16041-1614611020
Netto: 4,80 € zzgl. MwSt.
zzgl. 6,90 € Versand (brutto)
einmalig pro Bestellung

Lieferzeit: 5 Werktage

Pos.
321/58
BOSCH O-Ring | Ersatzteile für GBH 18V-26D | 1610210178
Hersteller: BOSCH
Artikelnummer: EB-3611J16041-1610210178
Netto: 3,94 € zzgl. MwSt.
zzgl. 6,90 € Versand (brutto)
einmalig pro Bestellung

Lieferzeit: 5 Werktage

Pos.
321/59
BOSCH Radial-Wellendichtring | Ersatzteile für GBH 18V-26D | 1610283035
Hersteller: BOSCH
Artikelnummer: EB-3611J16041-1610283035
Netto: 6,75 € zzgl. MwSt.
zzgl. 6,90 € Versand (brutto)
einmalig pro Bestellung

Lieferzeit: 5 Werktage

Pos.
321/60
BOSCH O-Ring 9,0X3,5 MM | Ersatzteile für GBH 18V-26D | 1610210176
Hersteller: BOSCH
Artikelnummer: EB-3611J16041-1610210176
Netto: 3,60 € zzgl. MwSt.
zzgl. 6,90 € Versand (brutto)
einmalig pro Bestellung

Lieferzeit: 5 Werktage

Pos.
321/72
BOSCH Sprengring | Ersatzteile für GBH 18V-26D | 1604601027
Hersteller: BOSCH
Artikelnummer: EB-3611J16041-1604601027
Netto: 3,60 € zzgl. MwSt.
zzgl. 6,90 € Versand (brutto)
einmalig pro Bestellung

Lieferzeit: 5 Werktage

Pos.
321/82
BOSCH Sprengring | Ersatzteile für GBH 18V-26D | 160015002R
Hersteller: BOSCH
Artikelnummer: EB-3611J16041-160015002R
Netto: 3,94 € zzgl. MwSt.
zzgl. 6,90 € Versand (brutto)
einmalig pro Bestellung

Lieferzeit: 5 Werktage

Pos.
321/83
BOSCH Sprengring A22 DIN 7993 | Ersatzteile für GBH 18V-26D | 1604601028
Hersteller: BOSCH
Artikelnummer: EB-3611J16041-1604601028
Netto: 3,60 € zzgl. MwSt.
zzgl. 6,90 € Versand (brutto)
einmalig pro Bestellung

Lieferzeit: 5 Werktage

Pos.
64/1
BOSCH Stützscheibe | Ersatzteile für GBH 18V-26D | 1610190060
Hersteller: BOSCH
Artikelnummer: EB-3611J16041-1610190060
Netto: 4,36 € zzgl. MwSt.
zzgl. 6,90 € Versand (brutto)
einmalig pro Bestellung

Lieferzeit: 5 Werktage

Pos.
840/48
BOSCH Sicherungsblech | Ersatzteile für GBH 18V-26D | 1611098008
Hersteller: BOSCH
Artikelnummer: EB-3611J16041-1611098008
Netto: 4,36 € zzgl. MwSt.
zzgl. 6,90 € Versand (brutto)
einmalig pro Bestellung

Lieferzeit: 5 Werktage

Pos.
840/63
BOSCH Nadelhülse Ø30XØ37X12 MM | Ersatzteile für GBH 18V-26D | 1610910063
Hersteller: BOSCH
Artikelnummer: EB-3611J16041-1610910063
Netto: 6,75 € zzgl. MwSt.
zzgl. 6,90 € Versand (brutto)
einmalig pro Bestellung

Lieferzeit: 5 Werktage

Pos.
840/68
BOSCH Radial-Wellendichtring | Ersatzteile für GBH 18V-26D | 1610283036
Hersteller: BOSCH
Artikelnummer: EB-3611J16041-1610283036
Netto: 7,66 € zzgl. MwSt.
zzgl. 6,90 € Versand (brutto)
einmalig pro Bestellung

Lieferzeit: 5 Werktage

Pos.
840/78
BOSCH Schraube 4X16 | Ersatzteile für GBH 18V-26D | 2603490022
Hersteller: BOSCH
Artikelnummer: EB-3611J16041-2603490022
Netto: 3,60 € zzgl. MwSt.
zzgl. 6,90 € Versand (brutto)
einmalig pro Bestellung

Lieferzeit: 5 Werktage

Pos.
870/2
BOSCH Senkschraube M6X27-KØ11 LINKSGEWINDE | Ersatzteile für GBH 18V-26D | 2603421207
Hersteller: BOSCH
Artikelnummer: EB-3611J16041-2603421207
Netto: 3,94 € zzgl. MwSt.
zzgl. 6,90 € Versand (brutto)
einmalig pro Bestellung

Lieferzeit: 5 Werktage

Pos.
2
BOSCH Stator | Ersatzteile für GBH 18V-26D | 1600A01T3V
Hersteller: BOSCH
Artikelnummer: EB-3611J16041-1600A01T3V
Netto: 35,13 € zzgl. MwSt.
zzgl. 6,90 € Versand (brutto)
einmalig pro Bestellung

Lieferzeit: 5 Werktage

Pos.
3
BOSCH Rotor | Ersatzteile für GBH 18V-26D | 1600A015AA
Hersteller: BOSCH
Artikelnummer: EB-3611J16041-1600A015AA
Netto: 38,40 € zzgl. MwSt.
zzgl. 6,90 € Versand (brutto)
einmalig pro Bestellung

Lieferzeit: 5 Werktage

Pos.
4
BOSCH Elektronikmodul | Ersatzteile für GBH 18V-26D | 1600A029LE
Hersteller: BOSCH
Artikelnummer: EB-3611J16041-1600A029LE
Netto: 74,05 € zzgl. MwSt.
zzgl. 6,90 € Versand (brutto)
einmalig pro Bestellung

Lieferzeit: 5 Werktage

Pos.
9
BOSCH Firmenschild | Ersatzteile für GBH 18V-26D | 160111C303
Hersteller: BOSCH
Artikelnummer: EB-3611J16041-160111C303
nur Informationsartikel
Nie mehr lieferbar
keine Alternativen
Pos.
10
BOSCH Firmenschild | Ersatzteile für GBH 18V-26D | 160111C304
Hersteller: BOSCH
Artikelnummer: EB-3611J16041-160111C304
nur Informationsartikel
Nie mehr lieferbar
keine Alternativen
Pos.
11
BOSCH Hinweisschild | Ersatzteile für GBH 18V-26D | 1611110X17
Hersteller: BOSCH
Artikelnummer: EB-3611J16041-1611110X17
Netto: 5,17 € zzgl. MwSt.
zzgl. 6,90 € Versand (brutto)
einmalig pro Bestellung

Lieferzeit: 5 Werktage

Pos.
17
BOSCH Schaltklinke | Ersatzteile für GBH 18V-26D | 1600A01U4C
Hersteller: BOSCH
Artikelnummer: EB-3611J16041-1600A01U4C
Netto: 4,80 € zzgl. MwSt.
zzgl. 6,90 € Versand (brutto)
einmalig pro Bestellung

Lieferzeit: 5 Werktage

Pos.
24
BOSCH Zahnwelle | Ersatzteile für GBH 18V-26D | 1600A014E1
Hersteller: BOSCH
Artikelnummer: EB-3611J16041-1600A014E1
Netto: 12,50 € zzgl. MwSt.
zzgl. 6,90 € Versand (brutto)
einmalig pro Bestellung

Lieferzeit: 5 Werktage

Pos.
26
BOSCH Hammerkolben | Ersatzteile für GBH 18V-26D | 1600A00H7D
Hersteller: BOSCH
Artikelnummer: EB-3611J16041-1600A00H7D
Netto: 16,70 € zzgl. MwSt.
zzgl. 6,90 € Versand (brutto)
einmalig pro Bestellung

Lieferzeit: 5 Werktage

Pos.
30
BOSCH Antriebslager AUF ZEICHNUNG POS.830 | Ersatzteile für GBH 18V-26D | 1600A00H7E
Hersteller: BOSCH
Artikelnummer: EB-3611J16041-1600A00H7E
Netto: 16,70 € zzgl. MwSt.
zzgl. 6,90 € Versand (brutto)
einmalig pro Bestellung

Lieferzeit: 5 Werktage

Pos.
31
BOSCH Nadelkranz | Ersatzteile für GBH 18V-26D | 1610913016
Hersteller: BOSCH
Artikelnummer: EB-3611J16041-1610913016
Netto: 5,17 € zzgl. MwSt.
zzgl. 6,90 € Versand (brutto)
einmalig pro Bestellung

Lieferzeit: 5 Werktage

Pos.
32
BOSCH Knebelgriff SCHWARZ | Ersatzteile für GBH 18V-26D | 1612026037
Hersteller: BOSCH
Artikelnummer: EB-3611J16041-1612026037
Netto: 9,05 € zzgl. MwSt.
zzgl. 6,90 € Versand (brutto)
einmalig pro Bestellung

Lieferzeit: 5 Werktage

Pos.
36
BOSCH Halteblech | Ersatzteile für GBH 18V-26D | 1611016003
Hersteller: BOSCH
Artikelnummer: EB-3611J16041-1611016003
Netto: 4,36 € zzgl. MwSt.
zzgl. 6,90 € Versand (brutto)
einmalig pro Bestellung

Lieferzeit: 5 Werktage

Pos.
55
BOSCH Dichtring 53,0X7,0 MM | Ersatzteile für GBH 18V-26D | 1610290226
Hersteller: BOSCH
Artikelnummer: EB-3611J16041-1610290226
Netto: 5,17 € zzgl. MwSt.
zzgl. 6,90 € Versand (brutto)
einmalig pro Bestellung

Lieferzeit: 5 Werktage

Pos.
57
BOSCH O-Ring 24,0X2,5 MM | Ersatzteile für GBH 18V-26D | 1610210068
Hersteller: BOSCH
Artikelnummer: EB-3611J16041-1610210068
Netto: 3,94 € zzgl. MwSt.
zzgl. 6,90 € Versand (brutto)
einmalig pro Bestellung

Lieferzeit: 5 Werktage

Pos.
66
BOSCH Gleitlager | Ersatzteile für GBH 18V-26D | 1610202021
Hersteller: BOSCH
Artikelnummer: EB-3611J16041-1610202021
Netto: 4,56 € zzgl. MwSt.
zzgl. 6,90 € Versand (brutto)
einmalig pro Bestellung

Lieferzeit: 5 Werktage

Pos.
76
BOSCH Gewindefurchschraube | Ersatzteile für GBH 18V-26D | 1613435022
Hersteller: BOSCH
Artikelnummer: EB-3611J16041-1613435022
Netto: 3,94 € zzgl. MwSt.
zzgl. 6,90 € Versand (brutto)
einmalig pro Bestellung

Lieferzeit: 5 Werktage

Pos.
77
BOSCH Torx-Linsenschraube 4X20 | Ersatzteile für GBH 18V-26D | 2603490023
Hersteller: BOSCH
Artikelnummer: EB-3611J16041-2603490023
Netto: 3,60 € zzgl. MwSt.
zzgl. 6,90 € Versand (brutto)
einmalig pro Bestellung

Lieferzeit: 5 Werktage

Pos.
79
BOSCH Gewindefurchschraube | Ersatzteile für GBH 18V-26D | 1613435023
Hersteller: BOSCH
Artikelnummer: EB-3611J16041-1613435023
Netto: 3,60 € zzgl. MwSt.
zzgl. 6,90 € Versand (brutto)
einmalig pro Bestellung

Lieferzeit: 5 Werktage

Pos.
80
BOSCH Torx-Linsenschraube | Ersatzteile für GBH 18V-26D | 160343000V
Hersteller: BOSCH
Artikelnummer: EB-3611J16041-160343000V
Netto: 3,60 € zzgl. MwSt.
zzgl. 6,90 € Versand (brutto)
einmalig pro Bestellung

Lieferzeit: 5 Werktage

Pos.
84
BOSCH Schaltschieber | Ersatzteile für GBH 18V-26D | 1600A015UH
Hersteller: BOSCH
Artikelnummer: EB-3611J16041-1600A015UH
Netto: 3,94 € zzgl. MwSt.
zzgl. 6,90 € Versand (brutto)
einmalig pro Bestellung

Lieferzeit: 5 Werktage

Pos.
100
BOSCH Linse | Ersatzteile für GBH 18V-26D | 1600A000LE
Hersteller: BOSCH
Artikelnummer: EB-3611J16041-1600A000LE
Netto: 3,94 € zzgl. MwSt.
zzgl. 6,90 € Versand (brutto)
einmalig pro Bestellung

Lieferzeit: 5 Werktage

Pos.
106
BOSCH Gleitlager | Ersatzteile für GBH 18V-26D | 1614611022
Hersteller: BOSCH
Artikelnummer: EB-3611J16041-1614611022
Netto: 4,56 € zzgl. MwSt.
zzgl. 6,90 € Versand (brutto)
einmalig pro Bestellung

Lieferzeit: 5 Werktage

Pos.
120
BOSCH Zusatzhandgriff | Ersatzteile für GBH 18V-26D | 160202509X
Hersteller: BOSCH
Artikelnummer: EB-3611J16041-160202509X
Netto: 9,05 € zzgl. MwSt.
zzgl. 6,90 € Versand (brutto)
einmalig pro Bestellung

Lieferzeit: 5 Werktage

Pos.
202
BOSCH Schutzhülse | Ersatzteile für GBH 18V-26D | 1600A028AU
Hersteller: BOSCH
Artikelnummer: EB-3611J16041-1600A028AU
Netto: 4,36 € zzgl. MwSt.
zzgl. 6,90 € Versand (brutto)
einmalig pro Bestellung

Lieferzeit: 5 Werktage

Pos.
203
BOSCH Schutzkappe | Ersatzteile für GBH 18V-26D | 1610508047
Hersteller: BOSCH
Artikelnummer: EB-3611J16041-1610508047
Netto: 4,36 € zzgl. MwSt.
zzgl. 6,90 € Versand (brutto)
einmalig pro Bestellung

Lieferzeit: 5 Werktage

Pos.
204
BOSCH Druckfeder | Ersatzteile für GBH 18V-26D | 1614643003
Hersteller: BOSCH
Artikelnummer: EB-3611J16041-1614643003
Netto: 3,60 € zzgl. MwSt.
zzgl. 6,90 € Versand (brutto)
einmalig pro Bestellung

Lieferzeit: 5 Werktage

Pos.
206
BOSCH Kugel DIN 5401-Ø7MM-III-ST | Ersatzteile für GBH 18V-26D | 1903230013
Hersteller: BOSCH
Artikelnummer: EB-3611J16041-1903230013
Netto: 4,36 € zzgl. MwSt.
zzgl. 6,90 € Versand (brutto)
einmalig pro Bestellung

Lieferzeit: 5 Werktage

Pos.
207
BOSCH Sprengring | Ersatzteile für GBH 18V-26D | 1614601027
Hersteller: BOSCH
Artikelnummer: EB-3611J16041-1614601027
Netto: 3,60 € zzgl. MwSt.
zzgl. 6,90 € Versand (brutto)
einmalig pro Bestellung

Lieferzeit: 5 Werktage

Pos.
208
BOSCH Haltescheibe | Ersatzteile für GBH 18V-26D | 1610101629
Hersteller: BOSCH
Artikelnummer: EB-3611J16041-1610101629
Netto: 3,60 € zzgl. MwSt.
zzgl. 6,90 € Versand (brutto)
einmalig pro Bestellung

Lieferzeit: 5 Werktage

Pos.
209
BOSCH Anlaufscheibe | Ersatzteile für GBH 18V-26D | 1610102025
Hersteller: BOSCH
Artikelnummer: EB-3611J16041-1610102025
Netto: 4,36 € zzgl. MwSt.
zzgl. 6,90 € Versand (brutto)
einmalig pro Bestellung

Lieferzeit: 5 Werktage

Pos.
210
BOSCH Halteblech | Ersatzteile für GBH 18V-26D | 1610190011
Hersteller: BOSCH
Artikelnummer: EB-3611J16041-1610190011
Netto: 3,94 € zzgl. MwSt.
zzgl. 6,90 € Versand (brutto)
einmalig pro Bestellung

Lieferzeit: 5 Werktage

Pos.
211
BOSCH Sprengring | Ersatzteile für GBH 18V-26D | 160460102S
Hersteller: BOSCH
Artikelnummer: EB-3611J16041-160460102S
Netto: 3,60 € zzgl. MwSt.
zzgl. 6,90 € Versand (brutto)
einmalig pro Bestellung

Lieferzeit: 5 Werktage

Pos.
321
BOSCH Werkzeughalter | Ersatzteile für GBH 18V-26D | 161859712H
Hersteller: BOSCH
Artikelnummer: EB-3611J16041-161859712H
Netto: 67,29 € zzgl. MwSt.
zzgl. 6,90 € Versand (brutto)
einmalig pro Bestellung

Lieferzeit: 5 Werktage

Pos.
651
BOSCH Tiefenanschlag SW 6X210 MM | Ersatzteile für GBH 18V-26D | 1613001009
Hersteller: BOSCH
Artikelnummer: EB-3611J16041-1613001009
Netto: 5,17 € zzgl. MwSt.
zzgl. 6,90 € Versand (brutto)
einmalig pro Bestellung

Lieferzeit: 5 Werktage

Pos.
808
BOSCH Typschild | Ersatzteile für GBH 18V-26D | 160111A3H9
Hersteller: BOSCH
Artikelnummer: EB-3611J16041-160111A3H9
Netto: 4,56 € zzgl. MwSt.
zzgl. 6,90 € Versand (brutto)
einmalig pro Bestellung

Lieferzeit: 5 Werktage

Pos.
820
BOSCH Zwischenflansch | Ersatzteile für GBH 18V-26D | 1600A01AH5
Hersteller: BOSCH
Artikelnummer: EB-3611J16041-1600A01AH5
Netto: 16,70 € zzgl. MwSt.
zzgl. 6,90 € Versand (brutto)
einmalig pro Bestellung

Lieferzeit: 5 Werktage

Pos.
821
BOSCH Werkzeughalter | Ersatzteile für GBH 18V-26D | 1607000D92
Hersteller: BOSCH
Artikelnummer: EB-3611J16041-1607000D92
Netto: 51,18 € zzgl. MwSt.
zzgl. 6,90 € Versand (brutto)
einmalig pro Bestellung

Lieferzeit: 5 Werktage

Pos.
823
BOSCH Zahnwelle | Ersatzteile für GBH 18V-26D | 1600A01AH6
Hersteller: BOSCH
Artikelnummer: EB-3611J16041-1600A01AH6
Netto: 20,80 € zzgl. MwSt.
zzgl. 6,90 € Versand (brutto)
einmalig pro Bestellung

Lieferzeit: 5 Werktage

Pos.
828
BOSCH Schlagbolzen | Ersatzteile für GBH 18V-26D | 1600A019F0
Hersteller: BOSCH
Artikelnummer: EB-3611J16041-1600A019F0
Netto: 28,93 € zzgl. MwSt.
zzgl. 6,90 € Versand (brutto)
einmalig pro Bestellung

Lieferzeit: 5 Werktage

Pos.
840
BOSCH Getriebegehäuse | Ersatzteile für GBH 18V-26D | 1607000C5N
Hersteller: BOSCH
Artikelnummer: EB-3611J16041-1607000C5N
Netto: 32,16 € zzgl. MwSt.
zzgl. 6,90 € Versand (brutto)
einmalig pro Bestellung

Lieferzeit: 5 Werktage

Pos.
843
BOSCH Schutzhülse | Ersatzteile für GBH 18V-26D | 1617000582
Hersteller: BOSCH
Artikelnummer: EB-3611J16041-1617000582
Netto: 9,75 € zzgl. MwSt.
zzgl. 6,90 € Versand (brutto)
einmalig pro Bestellung

Lieferzeit: 5 Werktage

Pos.
864
BOSCH Stützscheibe | Ersatzteile für GBH 18V-26D | 1617000A07
Hersteller: BOSCH
Artikelnummer: EB-3611J16041-1617000A07
Netto: 9,75 € zzgl. MwSt.
zzgl. 6,90 € Versand (brutto)
einmalig pro Bestellung

Lieferzeit: 5 Werktage

Pos.
870
BOSCH Bohrfutterschaft 1/2", SDS-PLUS | Ersatzteile für GBH 18V-26D | 1613523011
Hersteller: BOSCH
Artikelnummer: EB-3611J16041-1613523011
Netto: 19,83 € zzgl. MwSt.
zzgl. 6,90 € Versand (brutto)
einmalig pro Bestellung

Lieferzeit: 5 Werktage

Pos.
871
BOSCH Bohrfutter | Ersatzteile für GBH 18V-26D | 1608571088
Hersteller: BOSCH
Artikelnummer: EB-3611J16041-1608571088
Netto: 23,72 € zzgl. MwSt.
zzgl. 6,90 € Versand (brutto)
einmalig pro Bestellung

Lieferzeit: 5 Werktage

Pos.
872
BOSCH Bohrfutterschlüssel SG2 | Ersatzteile für GBH 18V-26D | 2607950007
Hersteller: BOSCH
Artikelnummer: EB-3611J16041-2607950007
Netto: 7,26 € zzgl. MwSt.
zzgl. 6,90 € Versand (brutto)
einmalig pro Bestellung

Lieferzeit: 5 Werktage

Angaben zur Produktsicherheit

Hersteller:
Robert Bosch Power Tools GmbH
Postfach 30 02 20
70442 Stuttgart

E-Mail:
kontakt@bosch.de