BOSCH Polschuh 240V | Ersatzteile für GBH 2-20 SE | 2604220430

Artikelnummer: EB-0611234606-2604220430

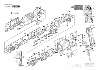
Position: 802

Marke: BOSCH


Bitte Kompatibilität prüfen!

Bitte prüfen Sie unbedingt die 10-stellige Typennummer Ihrer Maschine / Ihres Gerätes. Das Ersatzteil ist nur kompatibel, wenn Sie die Typennummer Ihrer Maschine in der unten stehenden Produktbeschreibung finden.

Bitte prüfen Sie ebenfalls detailliert die Explosionszeichnung mit Ihrem Artikelwunsch und der jeweiligen Pos-Nummer.

Alle Elemente, welche vom schwarzen Strich der Pos-Nummer ausgehend berührt / erfasst werden, gehören zu dieser Pos-Nummer und somit zu diesem Artikel. Jede Pos-Nummer ist ein eigenständiger Artikel, welchen Sie in der Auflistung finden.

Sie erhalten stets die aktuellste, neueste Produktversion zu der gewählten Pos-Nummer seitens des Herstellers. Es kann daher je nach Gerätealter vorkommen, dass Sie ggf. weitere, zugehörige Elemente, welche an diese Pos-Nummer grenzen, ebenfalls mittauschen müssen.

Nähere Informationen finden Sie unter dem Link
Hinweise zu Ihrer BOSCH Ersatzteilsuche

Preisübersicht

Einzelpreis: 24,13 €* (Brutto: 28,71 €)
Gesamtpreis: 24,13 €* 
Position:

Lieferzeit: 5 Werktage


Beschreibung

  • Polschuh 240V
  • Original Bosch Zubehör / BOSCH Ersatzteil (2604220430)
  • im Gerät verbaut: 1
Dieses BOSCH Ersatzteil ist mit folgendem Gerät und Modell kompatibel:
  • BOSCH Gerätename: GBH 2-20 SE
  • BOSCH Explosionszeichnung: Position 802
  • BOSCH Typennummer: 0611234606
  • BOSCH Typennummer alternative Schreibweisen: 0 611 234 606, 0611 234 606, 0.611.234.606, 0-611-234-606
    Bitte prüfen Sie diese Typennummer auf Ihrem Gerät um die Kompatibilität des BOSCH Ersatzteils zu gewährleisten.
Weitere BOSCH Ersatzteile des Gerätes GBH 2-20 SE (Bohrhammer) mit der Typennummer 0611234606 finden Sie in der nachfolgenden Darstellung und im Dropdown zu Ihrer Auswahl:

Pos.
1
BOSCH Motorgehäuse BLAU | Ersatzteile für GBH 2-20 SE | 1615108112
Hersteller: BOSCH
Artikelnummer: EB-0611234606-1615108112
Netto: 10,92 € zzgl. MwSt.
zzgl. 6,90 € Versand (brutto)
einmalig pro Bestellung

Lieferzeit: 5 Werktage

Pos.
3/50
BOSCH Lüfter SCHWARZ | Ersatzteile für GBH 2-20 SE | 1616610072
Hersteller: BOSCH
Artikelnummer: EB-0611234606-1616610072
Netto: 4,32 € zzgl. MwSt.
zzgl. 6,90 € Versand (brutto)
einmalig pro Bestellung

Lieferzeit: 5 Werktage

Pos.
700/20
BOSCH Senkschraube M6x27 LINKSGEWINDE | Ersatzteile für GBH 2-20 SE | 2603421226
Hersteller: BOSCH
Artikelnummer: EB-0611234606-2603421226
Netto: 3,94 € zzgl. MwSt.
zzgl. 6,90 € Versand (brutto)
einmalig pro Bestellung

Lieferzeit: 5 Werktage

Pos.
701/700
BOSCH Bohrfutterschlüssel SG2 | Ersatzteile für GBH 2-20 SE | 2607950007
Hersteller: BOSCH
Artikelnummer: EB-0611234606-2607950007
Netto: 7,30 € zzgl. MwSt.
zzgl. 6,90 € Versand (brutto)
einmalig pro Bestellung

Lieferzeit: 5 Werktage

Pos.
711/10/2
BOSCH Sprengring | Ersatzteile für GBH 2-20 SE | 2604601004
Hersteller: BOSCH
Artikelnummer: EB-0611234606-2604601004
nur Informationsartikel
Nie mehr lieferbar
keine Alternativen
Pos.
711/20
BOSCH Schrauberklinge NR.2,1/4" | Ersatzteile für GBH 2-20 SE | 1608521004
Hersteller: BOSCH
Artikelnummer: EB-0611234606-1608521004
nur Informationsartikel
Nie mehr lieferbar
keine Alternativen
Pos.
711/30
BOSCH Schraubendrehereinsatz 3 STUECK | Ersatzteile für GBH 2-20 SE | 2607000248
Hersteller: BOSCH
Artikelnummer: EB-0611234606-2607000248
nur Informationsartikel
Nie mehr lieferbar
keine Alternativen
Pos.
711/40
BOSCH Schrauberklinge GR.1,0x6, 1/4" | Ersatzteile für GBH 2-20 SE | 1608511020
Hersteller: BOSCH
Artikelnummer: EB-0611234606-1608511020
nur Informationsartikel
Nie mehr lieferbar
keine Alternativen
Pos.
822/120
BOSCH Zusatzhandgriff M8 | Ersatzteile für GBH 2-20 SE | 1612025019
Hersteller: BOSCH
Artikelnummer: EB-0611234606-1612025019
Netto: 7,30 € zzgl. MwSt.
zzgl. 6,90 € Versand (brutto)
einmalig pro Bestellung

Lieferzeit: 5 Werktage

Pos.
822/124
BOSCH Spannband Ø43 MM | Ersatzteile für GBH 2-20 SE | 1611316006
Hersteller: BOSCH
Artikelnummer: EB-0611234606-1611316006
Netto: 4,53 € zzgl. MwSt.
zzgl. 6,90 € Versand (brutto)
einmalig pro Bestellung

Lieferzeit: 5 Werktage

Pos.
822/125
BOSCH Hammerschraube M8x40 MM | Ersatzteile für GBH 2-20 SE | 1613490002
Hersteller: BOSCH
Artikelnummer: EB-0611234606-1613490002
Netto: 5,67 € zzgl. MwSt.
zzgl. 6,90 € Versand (brutto)
einmalig pro Bestellung

Lieferzeit: 5 Werktage

Pos.
822/802
BOSCH Klemmhalter Ø43 MM | Ersatzteile für GBH 2-20 SE | 2608040176
Hersteller: BOSCH
Artikelnummer: EB-0611234606-2608040176
Netto: 7,30 € zzgl. MwSt.
zzgl. 6,90 € Versand (brutto)
einmalig pro Bestellung

Lieferzeit: 5 Werktage

Pos.
5
BOSCH Netzanschlussleitung GB 230V 4,15m 2 x 1,0mm H07 RN-F | Ersatzteile für GBH 2-20 SE | 3604460084
Hersteller: BOSCH
Artikelnummer: EB-0611234606-3604460084
Netto: 19,18 € zzgl. MwSt.
zzgl. 6,90 € Versand (brutto)
einmalig pro Bestellung

Lieferzeit: 5 Werktage

Pos.
6
BOSCH Tülle Ø7,3-Ø8,6x76 MM | Ersatzteile für GBH 2-20 SE | 2600703018
Hersteller: BOSCH
Artikelnummer: EB-0611234606-2600703018
nur Informationsartikel
Nie mehr lieferbar
keine Alternativen
Pos.
7
BOSCH Leitungshalter | Ersatzteile für GBH 2-20 SE | 1611035005
Hersteller: BOSCH
Artikelnummer: EB-0611234606-1611035005
nur Informationsartikel
Nie mehr lieferbar
keine Alternativen
Pos.
10
BOSCH Typschild | Ersatzteile für GBH 2-20 SE | 1611111X08
Hersteller: BOSCH
Artikelnummer: EB-0611234606-1611111X08
nur Informationsartikel
Nie mehr lieferbar
keine Alternativen
Pos.
12
BOSCH Entstörfilter | Ersatzteile für GBH 2-20 SE | 1617328025
Hersteller: BOSCH
Artikelnummer: EB-0611234606-1617328025
nur Informationsartikel
Nie mehr lieferbar
keine Alternativen
Pos.
13
BOSCH Bürstenhalter | Ersatzteile für GBH 2-20 SE | 1617000343
Hersteller: BOSCH
Artikelnummer: EB-0611234606-1617000343
Netto: 9,95 € zzgl. MwSt.
zzgl. 6,90 € Versand (brutto)
einmalig pro Bestellung

Lieferzeit: 5 Werktage

Pos.
14
BOSCH Entstörfilter L=55 MM WEISS | Ersatzteile für GBH 2-20 SE | 1614465008
Hersteller: BOSCH
Artikelnummer: EB-0611234606-1614465008
Netto: 7,76 € zzgl. MwSt.
zzgl. 6,90 € Versand (brutto)
einmalig pro Bestellung

Lieferzeit: 5 Werktage

Pos.
17
BOSCH Gehäusedeckel BLAU | Ersatzteile für GBH 2-20 SE | 1615132065
Hersteller: BOSCH
Artikelnummer: EB-0611234606-1615132065
nur Informationsartikel
Nie mehr lieferbar
keine Alternativen
Pos.
18
BOSCH Luftleitring | Ersatzteile für GBH 2-20 SE | 1610522008
Hersteller: BOSCH
Artikelnummer: EB-0611234606-1610522008
Netto: 3,63 € zzgl. MwSt.
zzgl. 6,90 € Versand (brutto)
einmalig pro Bestellung

Lieferzeit: 5 Werktage

Pos.
20
BOSCH Zwischenflansch | Ersatzteile für GBH 2-20 SE | 1615700037
Hersteller: BOSCH
Artikelnummer: EB-0611234606-1615700037
Netto: 35,77 € zzgl. MwSt.
zzgl. 6,90 € Versand (brutto)
einmalig pro Bestellung

Lieferzeit: 5 Werktage

Pos.
21
BOSCH Rasthülse SDS-PLUS | Ersatzteile für GBH 2-20 SE | 1616490058
Hersteller: BOSCH
Artikelnummer: EB-0611234606-1616490058
Netto: 189,11 € zzgl. MwSt.
zzgl. 6,90 € Versand (brutto)
einmalig pro Bestellung

Lieferzeit: 5 Werktage

Pos.
22
BOSCH Stirnrad Z=46 | Ersatzteile für GBH 2-20 SE | 1616320007
Hersteller: BOSCH
Artikelnummer: EB-0611234606-1616320007
Netto: 7,76 € zzgl. MwSt.
zzgl. 6,90 € Versand (brutto)
einmalig pro Bestellung

Lieferzeit: 5 Werktage

Pos.
23
BOSCH Stirnrad Z=6/21 | Ersatzteile für GBH 2-20 SE | 1616320006
Hersteller: BOSCH
Artikelnummer: EB-0611234606-1616320006
nur Informationsartikel
Nie mehr lieferbar
keine Alternativen
Pos.
24
BOSCH Zahnwelle Z=6/10 | Ersatzteile für GBH 2-20 SE | 1613060010
Hersteller: BOSCH
Artikelnummer: EB-0611234606-1613060010
Netto: 47,09 € zzgl. MwSt.
zzgl. 6,90 € Versand (brutto)
einmalig pro Bestellung

Lieferzeit: 5 Werktage

Pos.
26
BOSCH Hammerkolben | Ersatzteile für GBH 2-20 SE | 1618700052
Hersteller: BOSCH
Artikelnummer: EB-0611234606-1618700052
Netto: 11,92 € zzgl. MwSt.
zzgl. 6,90 € Versand (brutto)
einmalig pro Bestellung

Lieferzeit: 5 Werktage

Pos.
28
BOSCH Schlagbolzen | Ersatzteile für GBH 2-20 SE | 1613124026
Hersteller: BOSCH
Artikelnummer: EB-0611234606-1613124026
Netto: 4,82 € zzgl. MwSt.
zzgl. 6,90 € Versand (brutto)
einmalig pro Bestellung

Lieferzeit: 5 Werktage

Pos.
29
BOSCH Kolbenbolzen | Ersatzteile für GBH 2-20 SE | 1613105012
Hersteller: BOSCH
Artikelnummer: EB-0611234606-1613105012
Netto: 5,19 € zzgl. MwSt.
zzgl. 6,90 € Versand (brutto)
einmalig pro Bestellung

Lieferzeit: 5 Werktage

Pos.
30
BOSCH Antriebslager | Ersatzteile für GBH 2-20 SE | 1615819005
Hersteller: BOSCH
Artikelnummer: EB-0611234606-1615819005
Netto: 26,88 € zzgl. MwSt.
zzgl. 6,90 € Versand (brutto)
einmalig pro Bestellung

Lieferzeit: 5 Werktage

Pos.
31
BOSCH Lagerscheibe 0,8 MM DICK | Ersatzteile für GBH 2-20 SE | 1610100003
Hersteller: BOSCH
Artikelnummer: EB-0611234606-1610100003
Netto: 3,94 € zzgl. MwSt.
zzgl. 6,90 € Versand (brutto)
einmalig pro Bestellung

Lieferzeit: 5 Werktage

Pos.
32
BOSCH Knebelgriff SCHWARZ | Ersatzteile für GBH 2-20 SE | 1612026023
Hersteller: BOSCH
Artikelnummer: EB-0611234606-1612026023
Netto: 4,53 € zzgl. MwSt.
zzgl. 6,90 € Versand (brutto)
einmalig pro Bestellung

Lieferzeit: 5 Werktage

Pos.
34
BOSCH Schutzkappe L=17 MM, SDS-PLUS | Ersatzteile für GBH 2-20 SE | 1610508008
Hersteller: BOSCH
Artikelnummer: EB-0611234606-1610508008
nur Informationsartikel
Nie mehr lieferbar
keine Alternativen
Pos.
35
BOSCH Gummiring | Ersatzteile für GBH 2-20 SE | 1610206021
Hersteller: BOSCH
Artikelnummer: EB-0611234606-1610206021
Netto: 3,94 € zzgl. MwSt.
zzgl. 6,90 € Versand (brutto)
einmalig pro Bestellung

Lieferzeit: 5 Werktage

Pos.
37
BOSCH Dämpfungsbuchse | Ersatzteile für GBH 2-20 SE | 1610390011
Hersteller: BOSCH
Artikelnummer: EB-0611234606-1610390011
Netto: 5,19 € zzgl. MwSt.
zzgl. 6,90 € Versand (brutto)
einmalig pro Bestellung

Lieferzeit: 5 Werktage

Pos.
38
BOSCH Stützscheibe | Ersatzteile für GBH 2-20 SE | 1610102022
Hersteller: BOSCH
Artikelnummer: EB-0611234606-1610102022
Netto: 4,32 € zzgl. MwSt.
zzgl. 6,90 € Versand (brutto)
einmalig pro Bestellung

Lieferzeit: 5 Werktage

Pos.
39
BOSCH Zylinderstift | Ersatzteile für GBH 2-20 SE | 1613100013
Hersteller: BOSCH
Artikelnummer: EB-0611234606-1613100013
Netto: 4,32 € zzgl. MwSt.
zzgl. 6,90 € Versand (brutto)
einmalig pro Bestellung

Lieferzeit: 5 Werktage

Pos.
40
BOSCH Haltefeder | Ersatzteile für GBH 2-20 SE | 1614690001
Hersteller: BOSCH
Artikelnummer: EB-0611234606-1614690001
Netto: 3,63 € zzgl. MwSt.
zzgl. 6,90 € Versand (brutto)
einmalig pro Bestellung

Lieferzeit: 5 Werktage

Pos.
41
BOSCH Rollenkranz | Ersatzteile für GBH 2-20 SE | 1610920003
Hersteller: BOSCH
Artikelnummer: EB-0611234606-1610920003
Netto: 5,67 € zzgl. MwSt.
zzgl. 6,90 € Versand (brutto)
einmalig pro Bestellung

Lieferzeit: 5 Werktage

Pos.
44
BOSCH Druckfeder | Ersatzteile für GBH 2-20 SE | 1614633001
Hersteller: BOSCH
Artikelnummer: EB-0611234606-1614633001
Netto: 4,32 € zzgl. MwSt.
zzgl. 6,90 € Versand (brutto)
einmalig pro Bestellung

Lieferzeit: 5 Werktage

Pos.
45
BOSCH Druckfeder | Ersatzteile für GBH 2-20 SE | 1614614001
Hersteller: BOSCH
Artikelnummer: EB-0611234606-1614614001
Netto: 3,63 € zzgl. MwSt.
zzgl. 6,90 € Versand (brutto)
einmalig pro Bestellung

Lieferzeit: 5 Werktage

Pos.
49
BOSCH Elektr Leitung L=130 MM WEISS | Ersatzteile für GBH 2-20 SE | 2604448005
Hersteller: BOSCH
Artikelnummer: EB-0611234606-2604448005
Netto: 3,94 € zzgl. MwSt.
zzgl. 6,90 € Versand (brutto)
einmalig pro Bestellung

Lieferzeit: 5 Werktage

Pos.
54
BOSCH O-Ring 24,0x2,5 MM | Ersatzteile für GBH 2-20 SE | 1610210068
Hersteller: BOSCH
Artikelnummer: EB-0611234606-1610210068
Netto: 3,94 € zzgl. MwSt.
zzgl. 6,90 € Versand (brutto)
einmalig pro Bestellung

Lieferzeit: 5 Werktage

Pos.
55
BOSCH Dichtring | Ersatzteile für GBH 2-20 SE | 1610206023
Hersteller: BOSCH
Artikelnummer: EB-0611234606-1610206023
Netto: 4,82 € zzgl. MwSt.
zzgl. 6,90 € Versand (brutto)
einmalig pro Bestellung

Lieferzeit: 5 Werktage

Pos.
56
BOSCH O-Ring 14,0x3,0 MM | Ersatzteile für GBH 2-20 SE | 1610210070
Hersteller: BOSCH
Artikelnummer: EB-0611234606-1610210070
Netto: 4,53 € zzgl. MwSt.
zzgl. 6,90 € Versand (brutto)
einmalig pro Bestellung

Lieferzeit: 5 Werktage

Pos.
58
BOSCH O-Ring 18,0x3,0 MM | Ersatzteile für GBH 2-20 SE | 1610210058
Hersteller: BOSCH
Artikelnummer: EB-0611234606-1610210058
Netto: 4,53 € zzgl. MwSt.
zzgl. 6,90 € Versand (brutto)
einmalig pro Bestellung

Lieferzeit: 5 Werktage

Pos.
59
BOSCH O-Ring 6,0x2,5 MM | Ersatzteile für GBH 2-20 SE | 1610210069
Hersteller: BOSCH
Artikelnummer: EB-0611234606-1610210069
Netto: 3,63 € zzgl. MwSt.
zzgl. 6,90 € Versand (brutto)
einmalig pro Bestellung

Lieferzeit: 5 Werktage

Pos.
60
BOSCH O-Ring 10,0x3,5 MM | Ersatzteile für GBH 2-20 SE | 1610210073
Hersteller: BOSCH
Artikelnummer: EB-0611234606-1610210073
Netto: 4,32 € zzgl. MwSt.
zzgl. 6,90 € Versand (brutto)
einmalig pro Bestellung

Lieferzeit: 5 Werktage

Pos.
61
BOSCH Radial-Wellendichtring | Ersatzteile für GBH 2-20 SE | 1610283017
Hersteller: BOSCH
Artikelnummer: EB-0611234606-1610283017
Netto: 7,76 € zzgl. MwSt.
zzgl. 6,90 € Versand (brutto)
einmalig pro Bestellung

Lieferzeit: 5 Werktage

Pos.
62
BOSCH Nadellager | Ersatzteile für GBH 2-20 SE | 1619P00306
Hersteller: BOSCH
Artikelnummer: EB-0611234606-1619P00306
nur Informationsartikel
Nie mehr lieferbar
keine Alternativen
Pos.
65
BOSCH Rillenkugellager 8x22x7 | Ersatzteile für GBH 2-20 SE | 1900900228
Hersteller: BOSCH
Artikelnummer: EB-0611234606-1900900228
Netto: 6,75 € zzgl. MwSt.
zzgl. 6,90 € Versand (brutto)
einmalig pro Bestellung

Lieferzeit: 5 Werktage

Pos.
66
BOSCH Lagerbuchse Ø30xØ37x15,7 MM | Ersatzteile für GBH 2-20 SE | 1610301000
Hersteller: BOSCH
Artikelnummer: EB-0611234606-1610301000
Netto: 4,53 € zzgl. MwSt.
zzgl. 6,90 € Versand (brutto)
einmalig pro Bestellung

Lieferzeit: 5 Werktage

Pos.
67
BOSCH Nadelhülse | Ersatzteile für GBH 2-20 SE | 1610910064
Hersteller: BOSCH
Artikelnummer: EB-0611234606-1610910064
nur Informationsartikel
Nie mehr lieferbar
keine Alternativen
Pos.
70
BOSCH Kugel DIN 5401-Ø7MM-III-ST | Ersatzteile für GBH 2-20 SE | 1903230013
Hersteller: BOSCH
Artikelnummer: EB-0611234606-1903230013
Netto: 4,32 € zzgl. MwSt.
zzgl. 6,90 € Versand (brutto)
einmalig pro Bestellung

Lieferzeit: 20 Werktage

Pos.
71
BOSCH Distanzscheibe 1,2 MM DICK | Ersatzteile für GBH 2-20 SE | 1610101011
Hersteller: BOSCH
Artikelnummer: EB-0611234606-1610101011
Netto: 3,94 € zzgl. MwSt.
zzgl. 6,90 € Versand (brutto)
einmalig pro Bestellung

Lieferzeit: 5 Werktage

Pos.
72
BOSCH Sprengring DIN 7993-A32 | Ersatzteile für GBH 2-20 SE | 2916540018
Hersteller: BOSCH
Artikelnummer: EB-0611234606-2916540018
Netto: 5,19 € zzgl. MwSt.
zzgl. 6,90 € Versand (brutto)
einmalig pro Bestellung

Lieferzeit: 5 Werktage

Pos.
73
BOSCH Sprengring DIN 9045-24 | Ersatzteile für GBH 2-20 SE | 1614601009
Hersteller: BOSCH
Artikelnummer: EB-0611234606-1614601009
Netto: 3,63 € zzgl. MwSt.
zzgl. 6,90 € Versand (brutto)
einmalig pro Bestellung

Lieferzeit: 5 Werktage

Pos.
76
BOSCH Torx-Linsenschraube | Ersatzteile für GBH 2-20 SE | 1619P00027
Hersteller: BOSCH
Artikelnummer: EB-0611234606-1619P00027
nur Informationsartikel
Nie mehr lieferbar
keine Alternativen
Pos.
77
BOSCH Schraube | Ersatzteile für GBH 2-20 SE | 1619P00106
Hersteller: BOSCH
Artikelnummer: EB-0611234606-1619P00106
nur Informationsartikel
Nie mehr lieferbar
keine Alternativen
Pos.
78
BOSCH Torx-Linsenschraube 4x20 | Ersatzteile für GBH 2-20 SE | 1619P00105
Hersteller: BOSCH
Artikelnummer: EB-0611234606-1619P00105
Netto: 3,94 € zzgl. MwSt.
zzgl. 6,90 € Versand (brutto)
einmalig pro Bestellung

Lieferzeit: 5 Werktage

Pos.
79
BOSCH Torx-Linsenschraube 3x10 | Ersatzteile für GBH 2-20 SE | 1619P00220
Hersteller: BOSCH
Artikelnummer: EB-0611234606-1619P00220
Netto: 3,63 € zzgl. MwSt.
zzgl. 6,90 € Versand (brutto)
einmalig pro Bestellung

Lieferzeit: 5 Werktage

Pos.
80
BOSCH Blechschraube ST-4,8x57,5-TORX,T20 | Ersatzteile für GBH 2-20 SE | 1613435009
Hersteller: BOSCH
Artikelnummer: EB-0611234606-1613435009
Netto: 3,94 € zzgl. MwSt.
zzgl. 6,90 € Versand (brutto)
einmalig pro Bestellung

Lieferzeit: 5 Werktage

Pos.
81
BOSCH Zylinderschraube M3x6,5-4.8 | Ersatzteile für GBH 2-20 SE | 2603410001
Hersteller: BOSCH
Artikelnummer: EB-0611234606-2603410001
Netto: 3,94 € zzgl. MwSt.
zzgl. 6,90 € Versand (brutto)
einmalig pro Bestellung

Lieferzeit: 5 Werktage

Pos.
83
BOSCH Kugel 5 MM V DIN 5401 | Ersatzteile für GBH 2-20 SE | 1903230309
Hersteller: BOSCH
Artikelnummer: EB-0611234606-1903230309
Netto: 3,94 € zzgl. MwSt.
zzgl. 6,90 € Versand (brutto)
einmalig pro Bestellung

Lieferzeit: 5 Werktage

Pos.
87
BOSCH Sprengring DIN 7993-A22 | Ersatzteile für GBH 2-20 SE | 2916540012
Hersteller: BOSCH
Artikelnummer: EB-0611234606-2916540012
Netto: 4,83 € zzgl. MwSt.
zzgl. 6,90 € Versand (brutto)
einmalig pro Bestellung

Lieferzeit: 5 Werktage

Pos.
94
BOSCH Rastbolzen | Ersatzteile für GBH 2-20 SE | 1613120017
Hersteller: BOSCH
Artikelnummer: EB-0611234606-1613120017
Netto: 3,94 € zzgl. MwSt.
zzgl. 6,90 € Versand (brutto)
einmalig pro Bestellung

Lieferzeit: 5 Werktage

Pos.
700
BOSCH Bohrfutterschaft 1/2" SDS-PLUS | Ersatzteile für GBH 2-20 SE | 1617000154
Hersteller: BOSCH
Artikelnummer: EB-0611234606-1617000154
Netto: 26,88 € zzgl. MwSt.
zzgl. 6,90 € Versand (brutto)
einmalig pro Bestellung

Lieferzeit: 5 Werktage

Pos.
701
BOSCH Bohrfutter | Ersatzteile für GBH 2-20 SE | 1608571088
Hersteller: BOSCH
Artikelnummer: EB-0611234606-1608571088
Netto: 24,13 € zzgl. MwSt.
zzgl. 6,90 € Versand (brutto)
einmalig pro Bestellung

Lieferzeit: 5 Werktage

Pos.
711
BOSCH Teilesatz | Ersatzteile für GBH 2-20 SE | 1617000133
Hersteller: BOSCH
Artikelnummer: EB-0611234606-1617000133
nur Informationsartikel
Nie mehr lieferbar
keine Alternativen
Pos.
791
BOSCH Tragkasten | Ersatzteile für GBH 2-20 SE | 1615438146
Hersteller: BOSCH
Artikelnummer: EB-0611234606-1615438146
nur Informationsartikel
Nie mehr lieferbar
keine Alternativen
Pos.
802
BOSCH Polschuh 240V | Ersatzteile für GBH 2-20 SE | 2604220430
Hersteller: BOSCH
Artikelnummer: EB-0611234606-2604220430
Netto: 24,13 € zzgl. MwSt.
zzgl. 6,90 € Versand (brutto)
einmalig pro Bestellung

Lieferzeit: 5 Werktage

Pos.
803
BOSCH Anker Mit Lüfter 240V | Ersatzteile für GBH 2-20 SE | 1614010055
Hersteller: BOSCH
Artikelnummer: EB-0611234606-1614010055
nur Informationsartikel
Nie mehr lieferbar
keine Alternativen
Pos.
804
BOSCH Schalter | Ersatzteile für GBH 2-20 SE | 1617200086
Hersteller: BOSCH
Artikelnummer: EB-0611234606-1617200086
nur Informationsartikel
Nie mehr lieferbar
keine Alternativen
Pos.
808
BOSCH Typschild | Ersatzteile für GBH 2-20 SE | 160111A3H5
Hersteller: BOSCH
Artikelnummer: EB-0611234606-160111A3H5
Netto: 4,53 € zzgl. MwSt.
zzgl. 6,90 € Versand (brutto)
einmalig pro Bestellung

Lieferzeit: 5 Werktage

Pos.
813
BOSCH Kohlebürstensatz | Ersatzteile für GBH 2-20 SE | 1617014132
Hersteller: BOSCH
Artikelnummer: EB-0611234606-1617014132
Netto: 9,18 € zzgl. MwSt.
zzgl. 6,90 € Versand (brutto)
einmalig pro Bestellung

Lieferzeit: 5 Werktage

Pos.
816
BOSCH Getriebegehäuse SCHWARZ | Ersatzteile für GBH 2-20 SE | 1615806077
Hersteller: BOSCH
Artikelnummer: EB-0611234606-1615806077
Netto: 39,11 € zzgl. MwSt.
zzgl. 6,90 € Versand (brutto)
einmalig pro Bestellung

Lieferzeit: 5 Werktage

Pos.
821
BOSCH Rasthülse SDS-PLUS | Ersatzteile für GBH 2-20 SE | 1617000812
Hersteller: BOSCH
Artikelnummer: EB-0611234606-1617000812
nur Informationsartikel
Nie mehr lieferbar
keine Alternativen
Pos.
822
BOSCH Zusatzhandgriff Ø43 MM | Ersatzteile für GBH 2-20 SE | 2602025118
Hersteller: BOSCH
Artikelnummer: EB-0611234606-2602025118
Netto: 12,98 € zzgl. MwSt.
zzgl. 6,90 € Versand (brutto)
einmalig pro Bestellung

Lieferzeit: 5 Werktage

Pos.
827
BOSCH Schläger | Ersatzteile für GBH 2-20 SE | 1617000338
Hersteller: BOSCH
Artikelnummer: EB-0611234606-1617000338
Netto: 24,13 € zzgl. MwSt.
zzgl. 6,90 € Versand (brutto)
einmalig pro Bestellung

Lieferzeit: 5 Werktage

Pos.
833
BOSCH Schutzhülse SDS-PLUS | Ersatzteile für GBH 2-20 SE | 1617000163
Hersteller: BOSCH
Artikelnummer: EB-0611234606-1617000163
Netto: 7,76 € zzgl. MwSt.
zzgl. 6,90 € Versand (brutto)
einmalig pro Bestellung

Lieferzeit: 5 Werktage

Pos.
863
BOSCH Rillenkugellager 9x24x7 | Ersatzteile für GBH 2-20 SE | 1610905048
Hersteller: BOSCH
Artikelnummer: EB-0611234606-1610905048
Netto: 8,33 € zzgl. MwSt.
zzgl. 6,90 € Versand (brutto)
einmalig pro Bestellung

Lieferzeit: 5 Werktage

Pos.
864
BOSCH Rillenkugellager 7x19x6 | Ersatzteile für GBH 2-20 SE | 1610905025
Hersteller: BOSCH
Artikelnummer: EB-0611234606-1610905025
Netto: 7,30 € zzgl. MwSt.
zzgl. 6,90 € Versand (brutto)
einmalig pro Bestellung

Lieferzeit: 5 Werktage

Pos.
879
BOSCH Tiefenanschlag SW 6x210 MM | Ersatzteile für GBH 2-20 SE | 1613001009
Hersteller: BOSCH
Artikelnummer: EB-0611234606-1613001009
Netto: 5,19 € zzgl. MwSt.
zzgl. 6,90 € Versand (brutto)
einmalig pro Bestellung

Lieferzeit: 5 Werktage

Pos.
899
BOSCH Schlagwerk | Ersatzteile für GBH 2-20 SE | 1617000353
Hersteller: BOSCH
Artikelnummer: EB-0611234606-1617000353
Netto: 63,99 € zzgl. MwSt.
zzgl. 6,90 € Versand (brutto)
einmalig pro Bestellung

Lieferzeit: 5 Werktage

Angaben zur Produktsicherheit

Hersteller:
Robert Bosch Power Tools GmbH
Postfach 30 02 20
70442 Stuttgart

E-Mail:
kontakt@bosch.de