BOSCH Kolbenbolzen | Ersatzteile für GBH 3-28 DRE | 1600A01TD0

Artikelnummer: EB-3611B3A071-1600A01TD0

Position:

Marke: BOSCH


Bitte Kompatibilität prüfen!

Bitte prüfen Sie unbedingt die 10-stellige Typennummer Ihrer Maschine / Ihres Gerätes. Das Ersatzteil ist nur kompatibel, wenn Sie die Typennummer Ihrer Maschine in der unten stehenden Produktbeschreibung finden.

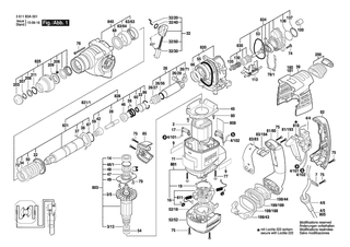
Bitte prüfen Sie ebenfalls detailliert die Explosionszeichnung mit Ihrem Artikelwunsch und der jeweiligen Pos-Nummer.

Alle Elemente, welche vom schwarzen Strich der Pos-Nummer ausgehend berührt / erfasst werden, gehören zu dieser Pos-Nummer und somit zu diesem Artikel. Jede Pos-Nummer ist ein eigenständiger Artikel, welchen Sie in der Auflistung finden.

Sie erhalten stets die aktuellste, neueste Produktversion zu der gewählten Pos-Nummer seitens des Herstellers. Es kann daher je nach Gerätealter vorkommen, dass Sie ggf. weitere, zugehörige Elemente, welche an diese Pos-Nummer grenzen, ebenfalls mittauschen müssen.

Nähere Informationen finden Sie unter dem Link
Hinweise zu Ihrer BOSCH Ersatzteilsuche

Preisübersicht

Einzelpreis: 5,67 €* (Brutto: 6,75 €)
Gesamtpreis: 5,67 €* 
Position:

Lieferzeit: 5 Werktage


Beschreibung

  • Kolbenbolzen
  • Original Bosch Zubehör / BOSCH Ersatzteil (1600A01TD0)
  • im Gerät verbaut: 1
Dieses BOSCH Ersatzteil ist mit folgendem Gerät und Modell kompatibel:
  • BOSCH Gerätename: GBH 3-28 DRE
  • BOSCH Explosionszeichnung: Position 26/29
  • BOSCH Typennummer: 3611B3A071
  • BOSCH Typennummer alternative Schreibweisen: 3 611 B3A 071, 3611 B3A 071, 3.611.B3A.071, 3-611-B3A-071
    Bitte prüfen Sie diese Typennummer auf Ihrem Gerät um die Kompatibilität des BOSCH Ersatzteils zu gewährleisten.
Weitere BOSCH Ersatzteile des Gerätes GBH 3-28 DRE (Bohrhammer) mit der Typennummer 3611B3A071 finden Sie in der nachfolgenden Darstellung und im Dropdown zu Ihrer Auswahl:

Pos.
2
BOSCH Polschuh 230V | Ersatzteile für GBH 3-28 DRE | 1614220117
Hersteller: BOSCH
Artikelnummer: EB-3611B3A071-1614220117
Netto: 14,36 € zzgl. MwSt.
zzgl. 6,90 € Versand (brutto)
einmalig pro Bestellung

Lieferzeit: 5 Werktage

Pos.
78/1
BOSCH Ausgleichscheibe 0,3 MM | Ersatzteile für GBH 3-28 DRE | 1600A003TA
Hersteller: BOSCH
Artikelnummer: EB-3611B3A071-1600A004FV
nur Informationsartikel
Nie mehr lieferbar
keine Alternativen
Pos.
3/13
BOSCH Rillenkugellager 7x19x6 | Ersatzteile für GBH 3-28 DRE | 1610905032
Hersteller: BOSCH
Artikelnummer: EB-3611B3A071-1610905032
Netto: 6,15 € zzgl. MwSt.
zzgl. 6,90 € Versand (brutto)
einmalig pro Bestellung

Lieferzeit: 5 Werktage

Pos.
3/5
BOSCH Lüfter | Ersatzteile für GBH 3-28 DRE | 1616610104
Hersteller: BOSCH
Artikelnummer: EB-3611B3A071-1616610104
Netto: 8,33 € zzgl. MwSt.
zzgl. 6,90 € Versand (brutto)
einmalig pro Bestellung

Lieferzeit: 5 Werktage

Pos.
4/101
BOSCH Verbindungsleitung | Ersatzteile für GBH 3-28 DRE | 1614490015
Hersteller: BOSCH
Artikelnummer: EB-3611B3A071-1614490015
Netto: 4,82 € zzgl. MwSt.
zzgl. 6,90 € Versand (brutto)
einmalig pro Bestellung

Lieferzeit: 5 Werktage

Pos.
4/102
BOSCH Verbindungsleitung | Ersatzteile für GBH 3-28 DRE | 1614490016
Hersteller: BOSCH
Artikelnummer: EB-3611B3A071-1614490016
Netto: 4,82 € zzgl. MwSt.
zzgl. 6,90 € Versand (brutto)
einmalig pro Bestellung

Lieferzeit: 5 Werktage

Pos.
4/4
BOSCH Schalter | Ersatzteile für GBH 3-28 DRE | 1617200127
Hersteller: BOSCH
Artikelnummer: EB-3611B3A071-1617200127
Netto: 24,13 € zzgl. MwSt.
zzgl. 6,90 € Versand (brutto)
einmalig pro Bestellung

Lieferzeit: 5 Werktage

Pos.
4/5
BOSCH Netzanschlussleitung GB 230V 4,15m 2 x 1,0mm H07 RN-F | Ersatzteile für GBH 3-28 DRE | 3604460084
Hersteller: BOSCH
Artikelnummer: EB-3611B3A071-3604460084
nur Informationsartikel
Nie mehr lieferbar
keine Alternativen
Pos.
4/6
BOSCH Tülle Ø7,3-Ø8,6x66 MM | Ersatzteile für GBH 3-28 DRE | 1600703034
Hersteller: BOSCH
Artikelnummer: EB-3611B3A071-1600703034
Netto: 4,53 € zzgl. MwSt.
zzgl. 6,90 € Versand (brutto)
einmalig pro Bestellung

Lieferzeit: 5 Werktage

Pos.
7
BOSCH Befestigungsschelle | Ersatzteile für GBH 3-28 DRE | 1601302017
Hersteller: BOSCH
Artikelnummer: EB-3611B3A071-1601302017
Netto: 3,63 € zzgl. MwSt.
zzgl. 6,90 € Versand (brutto)
einmalig pro Bestellung

Lieferzeit: 5 Werktage

Pos.
9
BOSCH Firmenschild | Ersatzteile für GBH 3-28 DRE | 160111C0UT
Hersteller: BOSCH
Artikelnummer: EB-3611B3A071-160111C0UT
nur Informationsartikel
Nie mehr lieferbar
keine Alternativen
Pos.
9
BOSCH Firmenschild GBH 3-28 DRF | Ersatzteile für GBH 3-28 DRE | 1611110Z41
Hersteller: BOSCH
Artikelnummer: EB-3611B3A071-1611110Z41
Netto: 4,53 € zzgl. MwSt.
zzgl. 6,90 € Versand (brutto)
einmalig pro Bestellung

Lieferzeit: 5 Werktage

Pos.
11
BOSCH Hinweisschild | Ersatzteile für GBH 3-28 DRE | 1611110Z43
Hersteller: BOSCH
Artikelnummer: EB-3611B3A071-1611110Z43
Netto: 4,53 € zzgl. MwSt.
zzgl. 6,90 € Versand (brutto)
einmalig pro Bestellung

Lieferzeit: 5 Werktage

Pos.
14
BOSCH Rillenkugellager | Ersatzteile für GBH 3-28 DRE | 1610905044
Hersteller: BOSCH
Artikelnummer: EB-3611B3A071-1610905044
Netto: 8,33 € zzgl. MwSt.
zzgl. 6,90 € Versand (brutto)
einmalig pro Bestellung

Lieferzeit: 5 Werktage

Pos.
16
BOSCH Bürstenplatte | Ersatzteile für GBH 3-28 DRE | 1614336064
Hersteller: BOSCH
Artikelnummer: EB-3611B3A071-1614336064
Netto: 17,38 € zzgl. MwSt.
zzgl. 6,90 € Versand (brutto)
einmalig pro Bestellung

Lieferzeit: 5 Werktage

Pos.
17
BOSCH Entstörfilter | Ersatzteile für GBH 3-28 DRE | 1614465011
Hersteller: BOSCH
Artikelnummer: EB-3611B3A071-1614465011
Netto: 7,30 € zzgl. MwSt.
zzgl. 6,90 € Versand (brutto)
einmalig pro Bestellung

Lieferzeit: 5 Werktage

Pos.
19
BOSCH Schaltkontakt | Ersatzteile für GBH 3-28 DRE | 1611329024
Hersteller: BOSCH
Artikelnummer: EB-3611B3A071-1611329024
Netto: 3,94 € zzgl. MwSt.
zzgl. 6,90 € Versand (brutto)
einmalig pro Bestellung

Lieferzeit: 5 Werktage

Pos.
22
BOSCH Stirnrad | Ersatzteile für GBH 3-28 DRE | 1616312004
Hersteller: BOSCH
Artikelnummer: EB-3611B3A071-1616312004
Netto: 10,92 € zzgl. MwSt.
zzgl. 6,90 € Versand (brutto)
einmalig pro Bestellung

Lieferzeit: 5 Werktage

Pos.
26
BOSCH Hammerkolben | Ersatzteile für GBH 3-28 DRE | 16170006A5
Hersteller: BOSCH
Artikelnummer: EB-3611B3A071-16170006A5
Netto: 29,45 € zzgl. MwSt.
zzgl. 6,90 € Versand (brutto)
einmalig pro Bestellung

Lieferzeit: 5 Werktage

Pos.
26/27
BOSCH Schläger | Ersatzteile für GBH 3-28 DRE | 1610311019
Hersteller: BOSCH
Artikelnummer: EB-3611B3A071-1610311019
Netto: 17,38 € zzgl. MwSt.
zzgl. 6,90 € Versand (brutto)
einmalig pro Bestellung

Lieferzeit: 5 Werktage

Pos.
BOSCH Kolbenbolzen | Ersatzteile für GBH 3-28 DRE | 1600A01TD0
Hersteller: BOSCH
Artikelnummer:
Netto: 5,67 € zzgl. MwSt.
zzgl. 6,90 € Versand (brutto)
einmalig pro Bestellung

Lieferzeit: 5 Werktage

Pos.
26/56
BOSCH O-Ring 17,0x3,0 MM GRUEN | Ersatzteile für GBH 3-28 DRE | 1610210121
Hersteller: BOSCH
Artikelnummer: EB-3611B3A071-1610210121
Netto: 4,53 € zzgl. MwSt.
zzgl. 6,90 € Versand (brutto)
einmalig pro Bestellung

Lieferzeit: 5 Werktage

Pos.
26/71
BOSCH Führungsscheibe | Ersatzteile für GBH 3-28 DRE | 1610100016
Hersteller: BOSCH
Artikelnummer: EB-3611B3A071-1610100016
Netto: 3,94 € zzgl. MwSt.
zzgl. 6,90 € Versand (brutto)
einmalig pro Bestellung

Lieferzeit: 5 Werktage

Pos.
28
BOSCH Schlagbolzen | Ersatzteile für GBH 3-28 DRE | 1613124098
Hersteller: BOSCH
Artikelnummer: EB-3611B3A071-1613124098
Netto: 17,38 € zzgl. MwSt.
zzgl. 6,90 € Versand (brutto)
einmalig pro Bestellung

Lieferzeit: 5 Werktage

Pos.
32
BOSCH Knebelgriff SCHWARZ | Ersatzteile für GBH 3-28 DRE | 1612026151
Hersteller: BOSCH
Artikelnummer: EB-3611B3A071-1612026151
Netto: 12,98 € zzgl. MwSt.
zzgl. 6,90 € Versand (brutto)
einmalig pro Bestellung

Lieferzeit: 5 Werktage

Pos.
32/20
BOSCH Mitnehmerstift | Ersatzteile für GBH 3-28 DRE | 1614690009
Hersteller: BOSCH
Artikelnummer: EB-3611B3A071-1614690009
Netto: 5,19 € zzgl. MwSt.
zzgl. 6,90 € Versand (brutto)
einmalig pro Bestellung

Lieferzeit: 5 Werktage

Pos.
32/30
BOSCH Schalterknopf ROT | Ersatzteile für GBH 3-28 DRE | 1612026035
Hersteller: BOSCH
Artikelnummer: EB-3611B3A071-1612026035
Netto: 3,94 € zzgl. MwSt.
zzgl. 6,90 € Versand (brutto)
einmalig pro Bestellung

Lieferzeit: 5 Werktage

Pos.
32/40
BOSCH O-Ring 10,5x2,7 MM | Ersatzteile für GBH 3-28 DRE | 1610210046
Hersteller: BOSCH
Artikelnummer: EB-3611B3A071-1610210046
Netto: 4,32 € zzgl. MwSt.
zzgl. 6,90 € Versand (brutto)
einmalig pro Bestellung

Lieferzeit: 5 Werktage

Pos.
32/50
BOSCH Druckfeder | Ersatzteile für GBH 3-28 DRE | 1614611006
Hersteller: BOSCH
Artikelnummer: EB-3611B3A071-1614611006
Netto: 5,19 € zzgl. MwSt.
zzgl. 6,90 € Versand (brutto)
einmalig pro Bestellung

Lieferzeit: 5 Werktage

Pos.
33
BOSCH Aufnahmehülse | Ersatzteile für GBH 3-28 DRE | 1610590020
Hersteller: BOSCH
Artikelnummer: EB-3611B3A071-1610590020
Netto: 7,30 € zzgl. MwSt.
zzgl. 6,90 € Versand (brutto)
einmalig pro Bestellung

Lieferzeit: 5 Werktage

Pos.
34
BOSCH Stützscheibe | Ersatzteile für GBH 3-28 DRE | 1610190067
Hersteller: BOSCH
Artikelnummer: EB-3611B3A071-1610190067
Netto: 4,32 € zzgl. MwSt.
zzgl. 6,90 € Versand (brutto)
einmalig pro Bestellung

Lieferzeit: 5 Werktage

Pos.
37
BOSCH Zylinderstift DIN6325-2,5x12-RIKO | Ersatzteile für GBH 3-28 DRE | 1613100019
Hersteller: BOSCH
Artikelnummer: EB-3611B3A071-1613100019
Netto: 3,94 € zzgl. MwSt.
zzgl. 6,90 € Versand (brutto)
einmalig pro Bestellung

Lieferzeit: 5 Werktage

Pos.
39
BOSCH Getriebedeckel BLAU | Ersatzteile für GBH 3-28 DRE | 1615808102
Hersteller: BOSCH
Artikelnummer: EB-3611B3A071-1615808102
Netto: 11,92 € zzgl. MwSt.
zzgl. 6,90 € Versand (brutto)
einmalig pro Bestellung

Lieferzeit: 5 Werktage

Pos.
42
BOSCH Anlaufring | Ersatzteile für GBH 3-28 DRE | 1610102084
Hersteller: BOSCH
Artikelnummer: EB-3611B3A071-1610102084
Netto: 8,33 € zzgl. MwSt.
zzgl. 6,90 € Versand (brutto)
einmalig pro Bestellung

Lieferzeit: 5 Werktage

Pos.
45
BOSCH Luftleitring | Ersatzteile für GBH 3-28 DRE | 1610591046
Hersteller: BOSCH
Artikelnummer: EB-3611B3A071-1610591046
Netto: 3,94 € zzgl. MwSt.
zzgl. 6,90 € Versand (brutto)
einmalig pro Bestellung

Lieferzeit: 5 Werktage

Pos.
46
BOSCH Führungsbuchse | Ersatzteile für GBH 3-28 DRE | 1610390068
Hersteller: BOSCH
Artikelnummer: EB-3611B3A071-1610390068
Netto: 14,36 € zzgl. MwSt.
zzgl. 6,90 € Versand (brutto)
einmalig pro Bestellung

Lieferzeit: 5 Werktage

Pos.
47
BOSCH Radial-Wellendichtring | Ersatzteile für GBH 3-28 DRE | 1610283047
Hersteller: BOSCH
Artikelnummer: EB-3611B3A071-1610283047
Netto: 10,92 € zzgl. MwSt.
zzgl. 6,90 € Versand (brutto)
einmalig pro Bestellung

Lieferzeit: 5 Werktage

Pos.
38
BOSCH Rastscheibe | Ersatzteile für GBH 3-28 DRE | 1610190065
Hersteller: BOSCH
Artikelnummer: EB-3611B3A071-1600A008AG
Netto: 6,45 € zzgl. MwSt.
zzgl. 6,90 € Versand (brutto)
einmalig pro Bestellung

Lieferzeit: 5 Werktage

Pos.
48
BOSCH Lagerring | Ersatzteile für GBH 3-28 DRE | 1610290102
Hersteller: BOSCH
Artikelnummer: EB-3611B3A071-1610290102
Netto: 7,30 € zzgl. MwSt.
zzgl. 6,90 € Versand (brutto)
einmalig pro Bestellung

Lieferzeit: 5 Werktage

Pos.
48/1
BOSCH O-Ring 24,0x2,0 MM | Ersatzteile für GBH 3-28 DRE | 1610210208
Hersteller: BOSCH
Artikelnummer: EB-3611B3A071-1610210208
Netto: 3,94 € zzgl. MwSt.
zzgl. 6,90 € Versand (brutto)
einmalig pro Bestellung

Lieferzeit: 5 Werktage

Pos.
49
BOSCH Lagerschild | Ersatzteile für GBH 3-28 DRE | 1615700044
Hersteller: BOSCH
Artikelnummer: EB-3611B3A071-1615700044
Netto: 4,32 € zzgl. MwSt.
zzgl. 6,90 € Versand (brutto)
einmalig pro Bestellung

Lieferzeit: 5 Werktage

Pos.
50
BOSCH Druckfeder | Ersatzteile für GBH 3-28 DRE | 1614615008
Hersteller: BOSCH
Artikelnummer: EB-3611B3A071-1614615008
Netto: 6,70 € zzgl. MwSt.
zzgl. 6,90 € Versand (brutto)
einmalig pro Bestellung

Lieferzeit: 5 Werktage

Pos.
52/18
BOSCH Schaltring | Ersatzteile für GBH 3-28 DRE | 1610290098
Hersteller: BOSCH
Artikelnummer: EB-3611B3A071-1610290098
Netto: 5,67 € zzgl. MwSt.
zzgl. 6,90 € Versand (brutto)
einmalig pro Bestellung

Lieferzeit: 5 Werktage

Pos.
52/52
BOSCH Abdeckkappe SCHWARZ | Ersatzteile für GBH 3-28 DRE | 1615108154
Hersteller: BOSCH
Artikelnummer: EB-3611B3A071-1615108154
Netto: 9,18 € zzgl. MwSt.
zzgl. 6,90 € Versand (brutto)
einmalig pro Bestellung

Lieferzeit: 5 Werktage

Pos.
53
BOSCH O-Ring | Ersatzteile für GBH 3-28 DRE | 1610210245
Hersteller: BOSCH
Artikelnummer: EB-3611B3A071-1610210245
nur Informationsartikel
Nie mehr lieferbar
keine Alternativen
Pos.
54
BOSCH Zwischenring | Ersatzteile für GBH 3-28 DRE | 1600502023
Hersteller: BOSCH
Artikelnummer: EB-3611B3A071-1600502023
Netto: 4,32 € zzgl. MwSt.
zzgl. 6,90 € Versand (brutto)
einmalig pro Bestellung

Lieferzeit: 5 Werktage

Pos.
55
BOSCH Dichtring 63,0x5,0 MM | Ersatzteile für GBH 3-28 DRE | 1610210206
Hersteller: BOSCH
Artikelnummer: EB-3611B3A071-1610210206
Netto: 6,70 € zzgl. MwSt.
zzgl. 6,90 € Versand (brutto)
einmalig pro Bestellung

Lieferzeit: 5 Werktage

Pos.
58
BOSCH O-Ring 18,0x3,5 MM | Ersatzteile für GBH 3-28 DRE | 1610210105
Hersteller: BOSCH
Artikelnummer: EB-3611B3A071-1610210105
Netto: 5,67 € zzgl. MwSt.
zzgl. 6,90 € Versand (brutto)
einmalig pro Bestellung

Lieferzeit: 5 Werktage

Pos.
59
BOSCH Radial-Wellendichtring | Ersatzteile für GBH 3-28 DRE | 1610283039
Hersteller: BOSCH
Artikelnummer: EB-3611B3A071-1610283039
Netto: 4,52 € zzgl. MwSt.
zzgl. 6,90 € Versand (brutto)
einmalig pro Bestellung

Lieferzeit: 5 Werktage

Pos.
59
BOSCH Wellendichtring | Ersatzteile für GBH 3-28 DRE | 1600A009VC
Hersteller: BOSCH
Artikelnummer: EB-3611B3A071-1600A009VC
nur Informationsartikel
Nie mehr lieferbar
keine Alternativen
Pos.
60
BOSCH O-Ring 9,5x3,5 MM | Ersatzteile für GBH 3-28 DRE | 1610210209
Hersteller: BOSCH
Artikelnummer: EB-3611B3A071-1610210209
Netto: 3,94 € zzgl. MwSt.
zzgl. 6,90 € Versand (brutto)
einmalig pro Bestellung

Lieferzeit: 5 Werktage

Pos.
63/63
BOSCH Nadelhülse Ø30xØ37x12 MM | Ersatzteile für GBH 3-28 DRE | 1610910063
Hersteller: BOSCH
Artikelnummer: EB-3611B3A071-1610910063
Netto: 6,70 € zzgl. MwSt.
zzgl. 6,90 € Versand (brutto)
einmalig pro Bestellung

Lieferzeit: 5 Werktage

Pos.
63/64
BOSCH Buchse | Ersatzteile für GBH 3-28 DRE | 1610390069
Hersteller: BOSCH
Artikelnummer: EB-3611B3A071-1610390069
Netto: 4,32 € zzgl. MwSt.
zzgl. 6,90 € Versand (brutto)
einmalig pro Bestellung

Lieferzeit: 5 Werktage

Pos.
66
BOSCH Gleitlager | Ersatzteile für GBH 3-28 DRE | 1610202021
Hersteller: BOSCH
Artikelnummer: EB-3611B3A071-1610202021
Netto: 4,53 € zzgl. MwSt.
zzgl. 6,90 € Versand (brutto)
einmalig pro Bestellung

Lieferzeit: 5 Werktage

Pos.
68
BOSCH Radial-Wellendichtring | Ersatzteile für GBH 3-28 DRE | 1610283036
Hersteller: BOSCH
Artikelnummer: EB-3611B3A071-1610283036
Netto: 7,76 € zzgl. MwSt.
zzgl. 6,90 € Versand (brutto)
einmalig pro Bestellung

Lieferzeit: 5 Werktage

Pos.
72
BOSCH Sprengring | Ersatzteile für GBH 3-28 DRE | 1604601027
Hersteller: BOSCH
Artikelnummer: EB-3611B3A071-1604601027
Netto: 3,63 € zzgl. MwSt.
zzgl. 6,90 € Versand (brutto)
einmalig pro Bestellung

Lieferzeit: 5 Werktage

Pos.
74
BOSCH Torx-Linsenschraube | Ersatzteile für GBH 3-28 DRE | 160343000V
Hersteller: BOSCH
Artikelnummer: EB-3611B3A071-160343000V
Netto: 3,63 € zzgl. MwSt.
zzgl. 6,90 € Versand (brutto)
einmalig pro Bestellung

Lieferzeit: 5 Werktage

Pos.
75
BOSCH Torx-Linsenschraube 4x20 | Ersatzteile für GBH 3-28 DRE | 2603490023
Hersteller: BOSCH
Artikelnummer: EB-3611B3A071-2603490023
Netto: 3,63 € zzgl. MwSt.
zzgl. 6,90 € Versand (brutto)
einmalig pro Bestellung

Lieferzeit: 5 Werktage

Pos.
76
BOSCH Torx-Linsenschraube 4x40 | Ersatzteile für GBH 3-28 DRE | 2603490027
Hersteller: BOSCH
Artikelnummer: EB-3611B3A071-2603490027
Netto: 3,63 € zzgl. MwSt.
zzgl. 6,90 € Versand (brutto)
einmalig pro Bestellung

Lieferzeit: 5 Werktage

Pos.
77
BOSCH Gewindefurchschraube M4x30 DIN7500-1 T-20 | Ersatzteile für GBH 3-28 DRE | 1613490017
Hersteller: BOSCH
Artikelnummer: EB-3611B3A071-1613490017
Netto: 4,53 € zzgl. MwSt.
zzgl. 6,90 € Versand (brutto)
einmalig pro Bestellung

Lieferzeit: 5 Werktage

Pos.
78/1
BOSCH Ausgleichscheibe 0,15 MM | Ersatzteile für GBH 3-28 DRE | 1600A004FU
Hersteller: BOSCH
Artikelnummer: EB-3611B3A071-1600A004FU
nur Informationsartikel
Nie mehr lieferbar
keine Alternativen
Pos.
78/1
BOSCH Ausgleichscheibe 0,45 MM | Ersatzteile für GBH 3-28 DRE | 1600A004FV
Hersteller: BOSCH
Artikelnummer: EB-3611B3A071-1600A004FV
nur Informationsartikel
Nie mehr lieferbar
keine Alternativen
Pos.
79
BOSCH Gewindefurchschraube | Ersatzteile für GBH 3-28 DRE | 1613435023
Hersteller: BOSCH
Artikelnummer: EB-3611B3A071-1613435023
Netto: 3,63 € zzgl. MwSt.
zzgl. 6,90 € Versand (brutto)
einmalig pro Bestellung

Lieferzeit: 5 Werktage

Pos.
80
BOSCH Linsenkopfschraube | Ersatzteile für GBH 3-28 DRE | 1613435038
Hersteller: BOSCH
Artikelnummer: EB-3611B3A071-1613435038
Netto: 3,63 € zzgl. MwSt.
zzgl. 6,90 € Versand (brutto)
einmalig pro Bestellung

Lieferzeit: 5 Werktage

Pos.
81/193
BOSCH Schaltklinke ROT | Ersatzteile für GBH 3-28 DRE | 1612026126
Hersteller: BOSCH
Artikelnummer: EB-3611B3A071-1612026126
Netto: 4,53 € zzgl. MwSt.
zzgl. 6,90 € Versand (brutto)
einmalig pro Bestellung

Lieferzeit: 5 Werktage

Pos.
81/80
BOSCH Handgriff BLAU | Ersatzteile für GBH 3-28 DRE | 1615133033
Hersteller: BOSCH
Artikelnummer: EB-3611B3A071-1615133033
Netto: 9,95 € zzgl. MwSt.
zzgl. 6,90 € Versand (brutto)
einmalig pro Bestellung

Lieferzeit: 5 Werktage

Pos.
82
BOSCH Griffschale SCHWARZ | Ersatzteile für GBH 3-28 DRE | 16170006AE
Hersteller: BOSCH
Artikelnummer: EB-3611B3A071-16170006AE
Netto: 10,92 € zzgl. MwSt.
zzgl. 6,90 € Versand (brutto)
einmalig pro Bestellung

Lieferzeit: 5 Werktage

Pos.
83/194
BOSCH Schraubplatte SCHWARZ | Ersatzteile für GBH 3-28 DRE | 1610099013
Hersteller: BOSCH
Artikelnummer: EB-3611B3A071-1610099013
Netto: 4,32 € zzgl. MwSt.
zzgl. 6,90 € Versand (brutto)
einmalig pro Bestellung

Lieferzeit: 5 Werktage

Pos.
83/83
BOSCH Blattfeder | Ersatzteile für GBH 3-28 DRE | 1614690008
Hersteller: BOSCH
Artikelnummer: EB-3611B3A071-1614690008
Netto: 6,15 € zzgl. MwSt.
zzgl. 6,90 € Versand (brutto)
einmalig pro Bestellung

Lieferzeit: 5 Werktage

Pos.
85
BOSCH Deckel | Ersatzteile für GBH 3-28 DRE | 1615500404
Hersteller: BOSCH
Artikelnummer: EB-3611B3A071-1615500404
Netto: 4,82 € zzgl. MwSt.
zzgl. 6,90 € Versand (brutto)
einmalig pro Bestellung

Lieferzeit: 5 Werktage

Pos.
86
BOSCH Sprengring | Ersatzteile für GBH 3-28 DRE | 1614601034
Hersteller: BOSCH
Artikelnummer: EB-3611B3A071-1614601034
Netto: 4,32 € zzgl. MwSt.
zzgl. 6,90 € Versand (brutto)
einmalig pro Bestellung

Lieferzeit: 5 Werktage

Pos.
87
BOSCH Sprengring A22 DIN 7993 | Ersatzteile für GBH 3-28 DRE | 1604601028
Hersteller: BOSCH
Artikelnummer: EB-3611B3A071-1604601028
Netto: 3,63 € zzgl. MwSt.
zzgl. 6,90 € Versand (brutto)
einmalig pro Bestellung

Lieferzeit: 5 Werktage

Pos.
100
BOSCH Dämpfungsgummi | Ersatzteile für GBH 3-28 DRE | 1610026003
Hersteller: BOSCH
Artikelnummer: EB-3611B3A071-1610026003
Netto: 3,94 € zzgl. MwSt.
zzgl. 6,90 € Versand (brutto)
einmalig pro Bestellung

Lieferzeit: 5 Werktage

Pos.
113
BOSCH Schaltgruppe | Ersatzteile für GBH 3-28 DRE | 1616325002
Hersteller: BOSCH
Artikelnummer: EB-3611B3A071-1616325002
Netto: 10,92 € zzgl. MwSt.
zzgl. 6,90 € Versand (brutto)
einmalig pro Bestellung

Lieferzeit: 5 Werktage

Pos.
120
BOSCH Zusatzhandgriff | Ersatzteile für GBH 3-28 DRE | 160202508Y
Hersteller: BOSCH
Artikelnummer: EB-3611B3A071-160202508Y
nur Informationsartikel
Nie mehr lieferbar
keine Alternativen
Pos.
120/120
BOSCH Zusatzhandgriff | Ersatzteile für GBH 3-28 DRE | 160202507H
Hersteller: BOSCH
Artikelnummer: EB-3611B3A071-160202507H
Netto: 9,95 € zzgl. MwSt.
zzgl. 6,90 € Versand (brutto)
einmalig pro Bestellung

Lieferzeit: 5 Werktage

Pos.
120/120
BOSCH Zusatzhandgriff M8 SCHWARZ | Ersatzteile für GBH 3-28 DRE | 1612025058
Hersteller: BOSCH
Artikelnummer: EB-3611B3A071-1612025058
Netto: 6,45 € zzgl. MwSt.
zzgl. 6,90 € Versand (brutto)
einmalig pro Bestellung

Lieferzeit: 5 Werktage

Pos.
120/124
BOSCH Spannband Ø50 MM | Ersatzteile für GBH 3-28 DRE | 1611316021
Hersteller: BOSCH
Artikelnummer: EB-3611B3A071-1611316021
Netto: 4,82 € zzgl. MwSt.
zzgl. 6,90 € Versand (brutto)
einmalig pro Bestellung

Lieferzeit: 5 Werktage

Pos.
120/125
BOSCH Hammerschraube M8x80 MM | Ersatzteile für GBH 3-28 DRE | 1613490001
Hersteller: BOSCH
Artikelnummer: EB-3611B3A071-1613490001
Netto: 8,33 € zzgl. MwSt.
zzgl. 6,90 € Versand (brutto)
einmalig pro Bestellung

Lieferzeit: 5 Werktage

Pos.
120/802
BOSCH Klemmhalter | Ersatzteile für GBH 3-28 DRE | 1617000685
Hersteller: BOSCH
Artikelnummer: EB-3611B3A071-1617000685
Netto: 6,15 € zzgl. MwSt.
zzgl. 6,90 € Versand (brutto)
einmalig pro Bestellung

Lieferzeit: 5 Werktage

Pos.
130
BOSCH Zahnhülse | Ersatzteile für GBH 3-28 DRE | 1616333049
Hersteller: BOSCH
Artikelnummer: EB-3611B3A071-1616333049
Netto: 15,75 € zzgl. MwSt.
zzgl. 6,90 € Versand (brutto)
einmalig pro Bestellung

Lieferzeit: 5 Werktage

Pos.
135
BOSCH Sprengring | Ersatzteile für GBH 3-28 DRE | 1614601067
Hersteller: BOSCH
Artikelnummer: EB-3611B3A071-1614601067
Netto: 3,94 € zzgl. MwSt.
zzgl. 6,90 € Versand (brutto)
einmalig pro Bestellung

Lieferzeit: 5 Werktage

Pos.
136
BOSCH Filzscheibe | Ersatzteile für GBH 3-28 DRE | 1610205017
Hersteller: BOSCH
Artikelnummer: EB-3611B3A071-1610205017
nur Informationsartikel
Nie mehr lieferbar
keine Alternativen
Pos.
137
BOSCH Sicherungsring 30x1,2MM, DIN 472 | Ersatzteile für GBH 3-28 DRE | 2916660012
Hersteller: BOSCH
Artikelnummer: EB-3611B3A071-2916660012
Netto: 3,94 € zzgl. MwSt.
zzgl. 6,90 € Versand (brutto)
einmalig pro Bestellung

Lieferzeit: 5 Werktage

Pos.
180
BOSCH Warnschild | Ersatzteile für GBH 3-28 DRE | 1611110W08
Hersteller: BOSCH
Artikelnummer: EB-3611B3A071-1611110W08
nur Informationsartikel
Nie mehr lieferbar
keine Alternativen
Pos.
199/188
BOSCH Spannelement | Ersatzteile für GBH 3-28 DRE | 1610209008
Hersteller: BOSCH
Artikelnummer: EB-3611B3A071-1610209008
Netto: 5,19 € zzgl. MwSt.
zzgl. 6,90 € Versand (brutto)
einmalig pro Bestellung

Lieferzeit: 5 Werktage

Pos.
199/199
BOSCH Faltenbalg | Ersatzteile für GBH 3-28 DRE | 1610284002
Hersteller: BOSCH
Artikelnummer: EB-3611B3A071-1610284002
Netto: 6,70 € zzgl. MwSt.
zzgl. 6,90 € Versand (brutto)
einmalig pro Bestellung

Lieferzeit: 5 Werktage

Pos.
199/43
BOSCH Kipphebel | Ersatzteile für GBH 3-28 DRE | 1612099002
Hersteller: BOSCH
Artikelnummer: EB-3611B3A071-1612099002
Netto: 4,53 € zzgl. MwSt.
zzgl. 6,90 € Versand (brutto)
einmalig pro Bestellung

Lieferzeit: 5 Werktage

Pos.
199/44
BOSCH Kipphebelfuss SCHWARZ | Ersatzteile für GBH 3-28 DRE | 1614611025
Hersteller: BOSCH
Artikelnummer: EB-3611B3A071-1614611025
Netto: 4,82 € zzgl. MwSt.
zzgl. 6,90 € Versand (brutto)
einmalig pro Bestellung

Lieferzeit: 5 Werktage

Pos.
200
BOSCH Faltenbalg | Ersatzteile für GBH 3-28 DRE | 1610284007
Hersteller: BOSCH
Artikelnummer: EB-3611B3A071-1610284007
Netto: 6,70 € zzgl. MwSt.
zzgl. 6,90 € Versand (brutto)
einmalig pro Bestellung

Lieferzeit: 5 Werktage

Pos.
203
BOSCH Schutzkappe | Ersatzteile für GBH 3-28 DRE | 1610508047
Hersteller: BOSCH
Artikelnummer: EB-3611B3A071-1610508047
Netto: 4,32 € zzgl. MwSt.
zzgl. 6,90 € Versand (brutto)
einmalig pro Bestellung

Lieferzeit: 5 Werktage

Pos.
206
BOSCH Kugel Ø7,3 MM | Ersatzteile für GBH 3-28 DRE | 1613230003
Hersteller: BOSCH
Artikelnummer: EB-3611B3A071-1613230003
Netto: 3,94 € zzgl. MwSt.
zzgl. 6,90 € Versand (brutto)
einmalig pro Bestellung

Lieferzeit: 5 Werktage

Pos.
207
BOSCH Sprengring | Ersatzteile für GBH 3-28 DRE | 1614601027
Hersteller: BOSCH
Artikelnummer: EB-3611B3A071-1614601027
Netto: 3,63 € zzgl. MwSt.
zzgl. 6,90 € Versand (brutto)
einmalig pro Bestellung

Lieferzeit: 5 Werktage

Pos.
208
BOSCH Haltescheibe | Ersatzteile für GBH 3-28 DRE | 1610101629
Hersteller: BOSCH
Artikelnummer: EB-3611B3A071-1610101629
Netto: 3,63 € zzgl. MwSt.
zzgl. 6,90 € Versand (brutto)
einmalig pro Bestellung

Lieferzeit: 5 Werktage

Pos.
209
BOSCH Anlaufscheibe | Ersatzteile für GBH 3-28 DRE | 1610102089
Hersteller: BOSCH
Artikelnummer: EB-3611B3A071-1610102089
Netto: 4,82 € zzgl. MwSt.
zzgl. 6,90 € Versand (brutto)
einmalig pro Bestellung

Lieferzeit: 5 Werktage

Pos.
211
BOSCH Sprengring DIN 7993-A22 | Ersatzteile für GBH 3-28 DRE | 2916540012
Hersteller: BOSCH
Artikelnummer: EB-3611B3A071-2916540012
Netto: 4,27 € zzgl. MwSt.
zzgl. 6,90 € Versand (brutto)
einmalig pro Bestellung

Lieferzeit: 5 Werktage

Pos.
661
BOSCH Fetttube 30 ML | Ersatzteile für GBH 3-28 DRE | 1615430010
Hersteller: BOSCH
Artikelnummer: EB-3611B3A071-1615430010
nur Informationsartikel
Nie mehr lieferbar
keine Alternativen
Pos.
688
BOSCH Tiefenanschlag SW 6x210 MM | Ersatzteile für GBH 3-28 DRE | 1613001009
Hersteller: BOSCH
Artikelnummer: EB-3611B3A071-1613001009
Netto: 5,19 € zzgl. MwSt.
zzgl. 6,90 € Versand (brutto)
einmalig pro Bestellung

Lieferzeit: 5 Werktage

Pos.
801
BOSCH Motorgehäuse BLAU | Ersatzteile für GBH 3-28 DRE | 1617000689
Hersteller: BOSCH
Artikelnummer: EB-3611B3A071-1617000689
Netto: 42,86 € zzgl. MwSt.
zzgl. 6,90 € Versand (brutto)
einmalig pro Bestellung

Lieferzeit: 5 Werktage

Pos.
803
BOSCH Anker 230V | Ersatzteile für GBH 3-28 DRE | 1617000690
Hersteller: BOSCH
Artikelnummer: EB-3611B3A071-1617000690
Netto: 57,47 € zzgl. MwSt.
zzgl. 6,90 € Versand (brutto)
einmalig pro Bestellung

Lieferzeit: 8 Werktage

Pos.
808
BOSCH Typschild 26x42 MM | Ersatzteile für GBH 3-28 DRE | 1601106035
Hersteller: BOSCH
Artikelnummer: EB-3611B3A071-1601106035
nur Informationsartikel
Nie mehr lieferbar
keine Alternativen
Pos.
811
BOSCH Kohlebürstensatz | Ersatzteile für GBH 3-28 DRE | 1617000525
Hersteller: BOSCH
Artikelnummer: EB-3611B3A071-1617000525
Netto: 9,18 € zzgl. MwSt.
zzgl. 6,90 € Versand (brutto)
einmalig pro Bestellung

Lieferzeit: 5 Werktage

Pos.
811
BOSCH Kohlebürstensatz 10 x 1 617 000 525 | Ersatzteile für GBH 3-28 DRE | 1607000485
Hersteller: BOSCH
Artikelnummer: EB-3611B3A071-1607000485
Netto: 70,50 € zzgl. MwSt.
zzgl. 6,90 € Versand (brutto)
einmalig pro Bestellung

Lieferzeit: 5 Werktage

Pos.
818
BOSCH Zylinderschraube M3x6,5-4.8 | Ersatzteile für GBH 3-28 DRE | 2603410001
Hersteller: BOSCH
Artikelnummer: EB-3611B3A071-2603410001
Netto: 3,94 € zzgl. MwSt.
zzgl. 6,90 € Versand (brutto)
einmalig pro Bestellung

Lieferzeit: 5 Werktage

Pos.
820
BOSCH Zwischenflansch | Ersatzteile für GBH 3-28 DRE | 1617000A5J
Hersteller: BOSCH
Artikelnummer: EB-3611B3A071-1617000A5J
nur Informationsartikel
Nie mehr lieferbar
keine Alternativen
Pos.
821
BOSCH Werkzeugaufnahme | Ersatzteile für GBH 3-28 DRE | 1617000692
Hersteller: BOSCH
Artikelnummer: EB-3611B3A071-1617000692
nur Informationsartikel
Nie mehr lieferbar
keine Alternativen
Pos.
821/1
BOSCH Werkzeugaufnahme | Ersatzteile für GBH 3-28 DRE | 1617000693
Hersteller: BOSCH
Artikelnummer: EB-3611B3A071-1617000693
Netto: 86,83 € zzgl. MwSt.
zzgl. 6,90 € Versand (brutto)
einmalig pro Bestellung

Lieferzeit: 5 Werktage

Pos.
824
BOSCH Zwischenwelle | Ersatzteile für GBH 3-28 DRE | 1617000A5K
Hersteller: BOSCH
Artikelnummer: EB-3611B3A071-1617000A5K
nur Informationsartikel
Nie mehr lieferbar
keine Alternativen
Pos.
825
BOSCH Werkzeugaufnahme | Ersatzteile für GBH 3-28 DRE | 1617000695
Hersteller: BOSCH
Artikelnummer: EB-3611B3A071-1617000695
Netto: 14,36 € zzgl. MwSt.
zzgl. 6,90 € Versand (brutto)
einmalig pro Bestellung

Lieferzeit: 5 Werktage

Pos.
828
BOSCH Schlagbolzen | Ersatzteile für GBH 3-28 DRE | 1617000697
Hersteller: BOSCH
Artikelnummer: EB-3611B3A071-1617000697
Netto: 35,77 € zzgl. MwSt.
zzgl. 6,90 € Versand (brutto)
einmalig pro Bestellung

Lieferzeit: 5 Werktage

Pos.
830
BOSCH Zahnhülse | Ersatzteile für GBH 3-28 DRE | 1617000698
Hersteller: BOSCH
Artikelnummer: EB-3611B3A071-1617000698
Netto: 26,88 € zzgl. MwSt.
zzgl. 6,90 € Versand (brutto)
einmalig pro Bestellung

Lieferzeit: 5 Werktage

Pos.
840
BOSCH Schlagwerkgehäuse SCHWARZ | Ersatzteile für GBH 3-28 DRE | 1617000699
Hersteller: BOSCH
Artikelnummer: EB-3611B3A071-1617000699
Netto: 24,13 € zzgl. MwSt.
zzgl. 6,90 € Versand (brutto)
einmalig pro Bestellung

Lieferzeit: 5 Werktage

Pos.
870
BOSCH Bohrfutterschaft 1/2 Zoll, SDS-Plus | Ersatzteile für GBH 3-28 DRE | 1613523011
Hersteller: BOSCH
Artikelnummer: EB-3611B3A071-1613523011
nur Informationsartikel
Nie mehr lieferbar
keine Alternativen
Pos.
870/2
BOSCH Senkschraube M6x27-KØ11 LINKSGEWINDE | Ersatzteile für GBH 3-28 DRE | 2603421207
Hersteller: BOSCH
Artikelnummer: EB-3611B3A071-2603421207
Netto: 3,94 € zzgl. MwSt.
zzgl. 6,90 € Versand (brutto)
einmalig pro Bestellung

Lieferzeit: 5 Werktage

Pos.
871
BOSCH Bohrfutter Ø1,5-13 MM, 1/2 Zoll | Ersatzteile für GBH 3-28 DRE | 1608571069
Hersteller: BOSCH
Artikelnummer: EB-3611B3A071-1608571069
Netto: 21,16 € zzgl. MwSt.
zzgl. 6,90 € Versand (brutto)
einmalig pro Bestellung

Lieferzeit: 5 Werktage

Pos.
872
BOSCH Bohrfutterschlüssel SG2 | Ersatzteile für GBH 3-28 DRE | 2607950007
Hersteller: BOSCH
Artikelnummer: EB-3611B3A071-2607950007
Netto: 7,30 € zzgl. MwSt.
zzgl. 6,90 € Versand (brutto)
einmalig pro Bestellung

Lieferzeit: 5 Werktage

Pos.
895
BOSCH Verschluss für 1 615 438 395 | Ersatzteile für GBH 3-28 DRE | 1615438426
Hersteller: BOSCH
Artikelnummer: EB-3611B3A071-1615438426
nur Informationsartikel
Nie mehr lieferbar
keine Alternativen
Pos.
808
BOSCH Typschild | Ersatzteile für GBH 3-28 DRE | 160111A3H5
Hersteller: BOSCH
Artikelnummer: EB-3611B3A071-160111A923
Netto: 4,53 € zzgl. MwSt.
zzgl. 6,90 € Versand (brutto)
einmalig pro Bestellung

Lieferzeit: 5 Werktage

Angaben zur Produktsicherheit

Hersteller:
Robert Bosch Power Tools GmbH
Postfach 30 02 20
70442 Stuttgart

E-Mail:
kontakt@bosch.de