BOSCH Blattfeder | Ersatzteile für GBH 36 V-LI | 1601200006

Artikelnummer: EB-3611J06000-1601200006

Position: 91

Marke: BOSCH


Bitte Kompatibilität prüfen!

Bitte prüfen Sie unbedingt die 10-stellige Typennummer Ihrer Maschine / Ihres Gerätes. Das Ersatzteil ist nur kompatibel, wenn Sie die Typennummer Ihrer Maschine in der unten stehenden Produktbeschreibung finden.

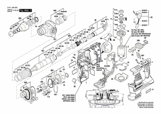
Bitte prüfen Sie ebenfalls detailliert die Explosionszeichnung mit Ihrem Artikelwunsch und der jeweiligen Pos-Nummer.

Alle Elemente, welche vom schwarzen Strich der Pos-Nummer ausgehend berührt / erfasst werden, gehören zu dieser Pos-Nummer und somit zu diesem Artikel. Jede Pos-Nummer ist ein eigenständiger Artikel, welchen Sie in der Auflistung finden.

Sie erhalten stets die aktuellste, neueste Produktversion zu der gewählten Pos-Nummer seitens des Herstellers. Es kann daher je nach Gerätealter vorkommen, dass Sie ggf. weitere, zugehörige Elemente, welche an diese Pos-Nummer grenzen, ebenfalls mittauschen müssen.

Nähere Informationen finden Sie unter dem Link
Hinweise zu Ihrer BOSCH Ersatzteilsuche

Preisübersicht

Einzelpreis: 3,63 €* (Brutto: 4,32 €)
Gesamtpreis: 3,63 €* 
Position:

Lieferzeit: 5 Werktage


Beschreibung

  • Blattfeder
  • Original Bosch Zubehör / BOSCH Ersatzteil (1601200006)
  • im Gerät verbaut: 1
Dieses BOSCH Ersatzteil ist mit folgendem Gerät und Modell kompatibel:
  • BOSCH Gerätename: GBH 36 V-LI
  • BOSCH Explosionszeichnung: Position 91
  • BOSCH Typennummer: 3611J06000
  • BOSCH Typennummer alternative Schreibweisen: 3 611 J06 000, 3611 J06 000, 3.611.J06.000, 3-611-J06-000
    Bitte prüfen Sie diese Typennummer auf Ihrem Gerät um die Kompatibilität des BOSCH Ersatzteils zu gewährleisten.
Weitere BOSCH Ersatzteile des Gerätes GBH 36 V-LI (Akku-Bohrhammer) mit der Typennummer 3611J06000 finden Sie in der nachfolgenden Darstellung und im Dropdown zu Ihrer Auswahl:

Pos.
1
BOSCH Gehäuseschale | Ersatzteile für GBH 36 V-LI | 16051082GT
Hersteller: BOSCH
Artikelnummer: EB-3611J06000-16051082GT
nur Informationsartikel
Nie mehr lieferbar
keine Alternativen
Pos.
78/1
BOSCH Ausgleichscheibe 0,3 MM | Ersatzteile für GBH 36 V-LI | 1600A003TA
Hersteller: BOSCH
Artikelnummer: EB-3611J06000-1600A004FV
nur Informationsartikel
Nie mehr lieferbar
keine Alternativen
Pos.
2
BOSCH Gleichstrommotor | Ersatzteile für GBH 36 V-LI | 1607022662
Hersteller: BOSCH
Artikelnummer: EB-3611J06000-1607022662
nur Informationsartikel
Nie mehr lieferbar
keine Alternativen
Pos.
4
BOSCH Elektronikmodul | Ersatzteile für GBH 36 V-LI | 1600A00A4B
Hersteller: BOSCH
Artikelnummer: EB-3611J06000-1600A00A4B
nur Informationsartikel
Nie mehr lieferbar
keine Alternativen
Pos.
4/4/200
BOSCH Kontakthalter | Ersatzteile für GBH 36 V-LI | 1609280A56
Hersteller: BOSCH
Artikelnummer: EB-3611J06000-1609280A56
nur Informationsartikel
Nie mehr lieferbar
keine Alternativen
Pos.
6
BOSCH Antriebsritzel | Ersatzteile für GBH 36 V-LI | 1617000A5F
Hersteller: BOSCH
Artikelnummer: EB-3611J06000-1617000A5F
nur Informationsartikel
Nie mehr lieferbar
keine Alternativen
Pos.
6/14
BOSCH Rillenkugellager | Ersatzteile für GBH 36 V-LI | 1610905044
Hersteller: BOSCH
Artikelnummer: EB-3611J06000-1610905044
Netto: 8,33 € zzgl. MwSt.
zzgl. 6,90 € Versand (brutto)
einmalig pro Bestellung

Lieferzeit: 5 Werktage

Pos.
6/47
BOSCH Radial-Wellendichtring | Ersatzteile für GBH 36 V-LI | 1610283047
Hersteller: BOSCH
Artikelnummer: EB-3611J06000-1610283047
Netto: 10,92 € zzgl. MwSt.
zzgl. 6,90 € Versand (brutto)
einmalig pro Bestellung

Lieferzeit: 5 Werktage

Pos.
6/48
BOSCH Lagerring | Ersatzteile für GBH 36 V-LI | 1610290102
Hersteller: BOSCH
Artikelnummer: EB-3611J06000-1610290102
Netto: 7,30 € zzgl. MwSt.
zzgl. 6,90 € Versand (brutto)
einmalig pro Bestellung

Lieferzeit: 5 Werktage

Pos.
6/48/1
BOSCH O-Ring 24,0x2,0 MM | Ersatzteile für GBH 36 V-LI | 1610210208
Hersteller: BOSCH
Artikelnummer: EB-3611J06000-1610210208
Netto: 3,94 € zzgl. MwSt.
zzgl. 6,90 € Versand (brutto)
einmalig pro Bestellung

Lieferzeit: 5 Werktage

Pos.
6/49
BOSCH Lagerschild | Ersatzteile für GBH 36 V-LI | 1615700044
Hersteller: BOSCH
Artikelnummer: EB-3611J06000-1615700044
Netto: 4,32 € zzgl. MwSt.
zzgl. 6,90 € Versand (brutto)
einmalig pro Bestellung

Lieferzeit: 5 Werktage

Pos.
6/6
BOSCH Lüfter | Ersatzteile für GBH 36 V-LI | 1616610157
Hersteller: BOSCH
Artikelnummer: EB-3611J06000-1616610157
nur Informationsartikel
Nie mehr lieferbar
keine Alternativen
Pos.
6/7
BOSCH Antriebsritzel | Ersatzteile für GBH 36 V-LI | 1600A001EF
Hersteller: BOSCH
Artikelnummer: EB-3611J06000-1600A01143
nur Informationsartikel
Nie mehr lieferbar
keine Alternativen
Pos.
9
BOSCH Firmenschild | Ersatzteile für GBH 36 V-LI | 160111C1CP
Hersteller: BOSCH
Artikelnummer: EB-3611J06000-160111C1CP
nur Informationsartikel
Nie mehr lieferbar
keine Alternativen
Pos.
10
BOSCH Firmenschild | Ersatzteile für GBH 36 V-LI | 160111C1CN
Hersteller: BOSCH
Artikelnummer: EB-3611J06000-160111C1CN
nur Informationsartikel
Nie mehr lieferbar
keine Alternativen
Pos.
11
BOSCH Hinweisschild | Ersatzteile für GBH 36 V-LI | 161111C02G
Hersteller: BOSCH
Artikelnummer: EB-3611J06000-161111C02G
nur Informationsartikel
Nie mehr lieferbar
keine Alternativen
Pos.
17
BOSCH Auflagering | Ersatzteile für GBH 36 V-LI | 1600A001HK
Hersteller: BOSCH
Artikelnummer: EB-3611J06000-1600A001HK
nur Informationsartikel
Nie mehr lieferbar
keine Alternativen
Pos.
18
BOSCH Motorlager | Ersatzteile für GBH 36 V-LI | 1600A001FP
Hersteller: BOSCH
Artikelnummer: EB-3611J06000-1600A001FP
nur Informationsartikel
Nie mehr lieferbar
keine Alternativen
Pos.
25/53
BOSCH O-Ring | Ersatzteile für GBH 36 V-LI | 1610210245
Hersteller: BOSCH
Artikelnummer: EB-3611J06000-1610210245
nur Informationsartikel
Nie mehr lieferbar
keine Alternativen
Pos.
26
BOSCH Hammerkolben | Ersatzteile für GBH 36 V-LI | 16170006A5
Hersteller: BOSCH
Artikelnummer: EB-3611J06000-16170006A5
Netto: 29,45 € zzgl. MwSt.
zzgl. 6,90 € Versand (brutto)
einmalig pro Bestellung

Lieferzeit: 5 Werktage

Pos.
26/27
BOSCH Schläger | Ersatzteile für GBH 36 V-LI | 1610311019
Hersteller: BOSCH
Artikelnummer: EB-3611J06000-1610311019
Netto: 17,38 € zzgl. MwSt.
zzgl. 6,90 € Versand (brutto)
einmalig pro Bestellung

Lieferzeit: 5 Werktage

Pos.
26/29
BOSCH Kolbenbolzen | Ersatzteile für GBH 36 V-LI | 1613105020
Hersteller: BOSCH
Artikelnummer: EB-3611J06000-1600A01TD0
Netto: 6,15 € zzgl. MwSt.
zzgl. 6,90 € Versand (brutto)
einmalig pro Bestellung

Lieferzeit: 5 Werktage

Pos.
26/56
BOSCH O-Ring 17,0x3,0 MM GRUEN | Ersatzteile für GBH 36 V-LI | 1610210121
Hersteller: BOSCH
Artikelnummer: EB-3611J06000-1610210121
Netto: 4,53 € zzgl. MwSt.
zzgl. 6,90 € Versand (brutto)
einmalig pro Bestellung

Lieferzeit: 5 Werktage

Pos.
26/71
BOSCH Führungsscheibe | Ersatzteile für GBH 36 V-LI | 1610100016
Hersteller: BOSCH
Artikelnummer: EB-3611J06000-1610100016
Netto: 3,94 € zzgl. MwSt.
zzgl. 6,90 € Versand (brutto)
einmalig pro Bestellung

Lieferzeit: 5 Werktage

Pos.
32
BOSCH Knebelgriff SCHWARZ | Ersatzteile für GBH 36 V-LI | 1612026151
Hersteller: BOSCH
Artikelnummer: EB-3611J06000-1612026151
Netto: 12,98 € zzgl. MwSt.
zzgl. 6,90 € Versand (brutto)
einmalig pro Bestellung

Lieferzeit: 5 Werktage

Pos.
32/32/2
BOSCH Mitnehmerstift | Ersatzteile für GBH 36 V-LI | 1614690009
Hersteller: BOSCH
Artikelnummer: EB-3611J06000-1614690009
Netto: 5,19 € zzgl. MwSt.
zzgl. 6,90 € Versand (brutto)
einmalig pro Bestellung

Lieferzeit: 5 Werktage

Pos.
32/32/3
BOSCH Schalterknopf ROT | Ersatzteile für GBH 36 V-LI | 1612026035
Hersteller: BOSCH
Artikelnummer: EB-3611J06000-1612026035
Netto: 3,94 € zzgl. MwSt.
zzgl. 6,90 € Versand (brutto)
einmalig pro Bestellung

Lieferzeit: 5 Werktage

Pos.
32/32/4
BOSCH O-Ring 10,5x2,7 MM | Ersatzteile für GBH 36 V-LI | 1610210046
Hersteller: BOSCH
Artikelnummer: EB-3611J06000-1610210046
Netto: 4,32 € zzgl. MwSt.
zzgl. 6,90 € Versand (brutto)
einmalig pro Bestellung

Lieferzeit: 5 Werktage

Pos.
32/32/5
BOSCH Druckfeder | Ersatzteile für GBH 36 V-LI | 1614611006
Hersteller: BOSCH
Artikelnummer: EB-3611J06000-1614611006
Netto: 5,19 € zzgl. MwSt.
zzgl. 6,90 € Versand (brutto)
einmalig pro Bestellung

Lieferzeit: 5 Werktage

Pos.
40/63/63
BOSCH Nadelhülse | Ersatzteile für GBH 36 V-LI | 1600A001CN
Hersteller: BOSCH
Artikelnummer: EB-3611J06000-1600A001CN
nur Informationsartikel
Nie mehr lieferbar
keine Alternativen
Pos.
40/63/64
BOSCH Buchse | Ersatzteile für GBH 36 V-LI | 1610390069
Hersteller: BOSCH
Artikelnummer: EB-3611J06000-1610390069
Netto: 4,32 € zzgl. MwSt.
zzgl. 6,90 € Versand (brutto)
einmalig pro Bestellung

Lieferzeit: 5 Werktage

Pos.
40/68
BOSCH Radial-Wellendichtring | Ersatzteile für GBH 36 V-LI | 1610283036
Hersteller: BOSCH
Artikelnummer: EB-3611J06000-1610283036
Netto: 7,76 € zzgl. MwSt.
zzgl. 6,90 € Versand (brutto)
einmalig pro Bestellung

Lieferzeit: 5 Werktage

Pos.
45
BOSCH Luftleitring | Ersatzteile für GBH 36 V-LI | 1610591055
Hersteller: BOSCH
Artikelnummer: EB-3611J06000-1610591055
nur Informationsartikel
Nie mehr lieferbar
keine Alternativen
Pos.
55
BOSCH Dichtring 63,0x5,0 MM | Ersatzteile für GBH 36 V-LI | 1610210206
Hersteller: BOSCH
Artikelnummer: EB-3611J06000-1610210206
Netto: 6,70 € zzgl. MwSt.
zzgl. 6,90 € Versand (brutto)
einmalig pro Bestellung

Lieferzeit: 5 Werktage

Pos.
66
BOSCH Gleitlager | Ersatzteile für GBH 36 V-LI | 1610202021
Hersteller: BOSCH
Artikelnummer: EB-3611J06000-1610202021
Netto: 4,53 € zzgl. MwSt.
zzgl. 6,90 € Versand (brutto)
einmalig pro Bestellung

Lieferzeit: 5 Werktage

Pos.
74
BOSCH Torx-Linsenschraube | Ersatzteile für GBH 36 V-LI | 160343000V
Hersteller: BOSCH
Artikelnummer: EB-3611J06000-160343000V
Netto: 3,63 € zzgl. MwSt.
zzgl. 6,90 € Versand (brutto)
einmalig pro Bestellung

Lieferzeit: 5 Werktage

Pos.
75
BOSCH Torx-Linsenschraube 4x20 | Ersatzteile für GBH 36 V-LI | 2603490023
Hersteller: BOSCH
Artikelnummer: EB-3611J06000-2603490023
Netto: 3,63 € zzgl. MwSt.
zzgl. 6,90 € Versand (brutto)
einmalig pro Bestellung

Lieferzeit: 5 Werktage

Pos.
76
BOSCH Torx-Linsenschraube 4x40 | Ersatzteile für GBH 36 V-LI | 2603490027
Hersteller: BOSCH
Artikelnummer: EB-3611J06000-2603490027
Netto: 3,63 € zzgl. MwSt.
zzgl. 6,90 € Versand (brutto)
einmalig pro Bestellung

Lieferzeit: 5 Werktage

Pos.
78/1
BOSCH Ausgleichscheibe 0,15 MM | Ersatzteile für GBH 36 V-LI | 1600A004FU
Hersteller: BOSCH
Artikelnummer: EB-3611J06000-1600A004FU
nur Informationsartikel
Nie mehr lieferbar
keine Alternativen
Pos.
78/1
BOSCH Ausgleichscheibe 0,45 MM | Ersatzteile für GBH 36 V-LI | 1600A004FV
Hersteller: BOSCH
Artikelnummer: EB-3611J06000-1600A004FV
nur Informationsartikel
Nie mehr lieferbar
keine Alternativen
Pos.
79
BOSCH Gewindefurchschraube | Ersatzteile für GBH 36 V-LI | 1613435023
Hersteller: BOSCH
Artikelnummer: EB-3611J06000-1613435023
Netto: 3,63 € zzgl. MwSt.
zzgl. 6,90 € Versand (brutto)
einmalig pro Bestellung

Lieferzeit: 5 Werktage

Pos.
84
BOSCH Schaltschieber | Ersatzteile für GBH 36 V-LI | 1600A001E5
Hersteller: BOSCH
Artikelnummer: EB-3611J06000-1600A001E5
Netto: 3,63 € zzgl. MwSt.
zzgl. 6,90 € Versand (brutto)
einmalig pro Bestellung

Lieferzeit: 5 Werktage

Pos.
321/38
BOSCH Rastscheibe | Ersatzteile für GBH 36 V-LI | 1610190065
Hersteller: BOSCH
Artikelnummer: EB-3611J06000-1600A008AG
Netto: 6,45 € zzgl. MwSt.
zzgl. 6,90 € Versand (brutto)
einmalig pro Bestellung

Lieferzeit: 5 Werktage

Pos.
88
BOSCH Drucktaste | Ersatzteile für GBH 36 V-LI | 1600A001CM
Hersteller: BOSCH
Artikelnummer: EB-3611J06000-1600A001CM
nur Informationsartikel
Nie mehr lieferbar
keine Alternativen
Pos.
89
BOSCH Druckfeder | Ersatzteile für GBH 36 V-LI | 1604612007
Hersteller: BOSCH
Artikelnummer: EB-3611J06000-1604612007
nur Informationsartikel
Nie mehr lieferbar
keine Alternativen
Pos.
90
BOSCH Linse | Ersatzteile für GBH 36 V-LI | 1600A001E3
Hersteller: BOSCH
Artikelnummer: EB-3611J06000-1600A001E3
nur Informationsartikel
Nie mehr lieferbar
keine Alternativen
Pos.
91
BOSCH Blattfeder | Ersatzteile für GBH 36 V-LI | 1601200006
Hersteller: BOSCH
Artikelnummer: EB-3611J06000-1601200006
Netto: 3,63 € zzgl. MwSt.
zzgl. 6,90 € Versand (brutto)
einmalig pro Bestellung

Lieferzeit: 5 Werktage

Pos.
92
BOSCH Schaltelement | Ersatzteile für GBH 36 V-LI | 1600A001ED
Hersteller: BOSCH
Artikelnummer: EB-3611J06000-1600A001ED
Netto: 4,32 € zzgl. MwSt.
zzgl. 6,90 € Versand (brutto)
einmalig pro Bestellung

Lieferzeit: 5 Werktage

Pos.
93
BOSCH Führung | Ersatzteile für GBH 36 V-LI | 1600A0022Y
Hersteller: BOSCH
Artikelnummer: EB-3611J06000-1600A0022Y
nur Informationsartikel
Nie mehr lieferbar
keine Alternativen
Pos.
113
BOSCH Schaltgruppe | Ersatzteile für GBH 36 V-LI | 1616325002
Hersteller: BOSCH
Artikelnummer: EB-3611J06000-1616325002
Netto: 10,92 € zzgl. MwSt.
zzgl. 6,90 € Versand (brutto)
einmalig pro Bestellung

Lieferzeit: 5 Werktage

Pos.
120
BOSCH Zusatzhandgriff | Ersatzteile für GBH 36 V-LI | 160202508Y
Hersteller: BOSCH
Artikelnummer: EB-3611J06000-160202508Y
nur Informationsartikel
Nie mehr lieferbar
keine Alternativen
Pos.
120/120
BOSCH Zusatzhandgriff | Ersatzteile für GBH 36 V-LI | 160202507H
Hersteller: BOSCH
Artikelnummer: EB-3611J06000-160202507H
Netto: 9,95 € zzgl. MwSt.
zzgl. 6,90 € Versand (brutto)
einmalig pro Bestellung

Lieferzeit: 43 Werktage

Pos.
120/120
BOSCH Zusatzhandgriff M8 SCHWARZ | Ersatzteile für GBH 36 V-LI | 1612025058
Hersteller: BOSCH
Artikelnummer: EB-3611J06000-1612025058
Netto: 6,45 € zzgl. MwSt.
zzgl. 6,90 € Versand (brutto)
einmalig pro Bestellung

Lieferzeit: 5 Werktage

Pos.
120/124
BOSCH Spannband Ø50 MM | Ersatzteile für GBH 36 V-LI | 1611316021
Hersteller: BOSCH
Artikelnummer: EB-3611J06000-1611316021
Netto: 4,82 € zzgl. MwSt.
zzgl. 6,90 € Versand (brutto)
einmalig pro Bestellung

Lieferzeit: 5 Werktage

Pos.
120/125
BOSCH Hammerschraube M8x80 MM | Ersatzteile für GBH 36 V-LI | 1613490001
Hersteller: BOSCH
Artikelnummer: EB-3611J06000-1613490001
Netto: 8,33 € zzgl. MwSt.
zzgl. 6,90 € Versand (brutto)
einmalig pro Bestellung

Lieferzeit: 5 Werktage

Pos.
120/802
BOSCH Klemmhalter | Ersatzteile für GBH 36 V-LI | 1617000685
Hersteller: BOSCH
Artikelnummer: EB-3611J06000-1617000685
Netto: 6,15 € zzgl. MwSt.
zzgl. 6,90 € Versand (brutto)
einmalig pro Bestellung

Lieferzeit: 5 Werktage

Pos.
130
BOSCH Zahnhülse | Ersatzteile für GBH 36 V-LI | 1616333049
Hersteller: BOSCH
Artikelnummer: EB-3611J06000-1616333049
Netto: 15,75 € zzgl. MwSt.
zzgl. 6,90 € Versand (brutto)
einmalig pro Bestellung

Lieferzeit: 5 Werktage

Pos.
135
BOSCH Sprengring | Ersatzteile für GBH 36 V-LI | 1614601067
Hersteller: BOSCH
Artikelnummer: EB-3611J06000-1614601067
Netto: 3,94 € zzgl. MwSt.
zzgl. 6,90 € Versand (brutto)
einmalig pro Bestellung

Lieferzeit: 5 Werktage

Pos.
136
BOSCH Filzscheibe | Ersatzteile für GBH 36 V-LI | 1610205017
Hersteller: BOSCH
Artikelnummer: EB-3611J06000-1610205017
nur Informationsartikel
Nie mehr lieferbar
keine Alternativen
Pos.
137
BOSCH Sicherungsring 30x1,2MM, DIN 472 | Ersatzteile für GBH 36 V-LI | 2916660012
Hersteller: BOSCH
Artikelnummer: EB-3611J06000-2916660012
Netto: 3,94 € zzgl. MwSt.
zzgl. 6,90 € Versand (brutto)
einmalig pro Bestellung

Lieferzeit: 5 Werktage

Pos.
200
BOSCH Faltenbalg | Ersatzteile für GBH 36 V-LI | 1600A001CL
Hersteller: BOSCH
Artikelnummer: EB-3611J06000-1600A001CL
Netto: 6,15 € zzgl. MwSt.
zzgl. 6,90 € Versand (brutto)
einmalig pro Bestellung

Lieferzeit: 5 Werktage

Pos.
203
BOSCH Schutzkappe | Ersatzteile für GBH 36 V-LI | 1610508047
Hersteller: BOSCH
Artikelnummer: EB-3611J06000-1610508047
Netto: 4,32 € zzgl. MwSt.
zzgl. 6,90 € Versand (brutto)
einmalig pro Bestellung

Lieferzeit: 5 Werktage

Pos.
206
BOSCH Kugel Ø7,3 MM | Ersatzteile für GBH 36 V-LI | 1613230003
Hersteller: BOSCH
Artikelnummer: EB-3611J06000-1613230003
Netto: 3,94 € zzgl. MwSt.
zzgl. 6,90 € Versand (brutto)
einmalig pro Bestellung

Lieferzeit: 5 Werktage

Pos.
207
BOSCH Sprengring | Ersatzteile für GBH 36 V-LI | 1614601027
Hersteller: BOSCH
Artikelnummer: EB-3611J06000-1614601027
Netto: 3,63 € zzgl. MwSt.
zzgl. 6,90 € Versand (brutto)
einmalig pro Bestellung

Lieferzeit: 5 Werktage

Pos.
208
BOSCH Haltescheibe | Ersatzteile für GBH 36 V-LI | 1610101629
Hersteller: BOSCH
Artikelnummer: EB-3611J06000-1610101629
Netto: 3,63 € zzgl. MwSt.
zzgl. 6,90 € Versand (brutto)
einmalig pro Bestellung

Lieferzeit: 5 Werktage

Pos.
209
BOSCH Anlaufscheibe | Ersatzteile für GBH 36 V-LI | 1610102638
Hersteller: BOSCH
Artikelnummer: EB-3611J06000-1610102638
Netto: 5,19 € zzgl. MwSt.
zzgl. 6,90 € Versand (brutto)
einmalig pro Bestellung

Lieferzeit: 5 Werktage

Pos.
211
BOSCH Sprengring DIN 7993-A22 | Ersatzteile für GBH 36 V-LI | 2916540012
Hersteller: BOSCH
Artikelnummer: EB-3611J06000-2916540012
Netto: 4,27 € zzgl. MwSt.
zzgl. 6,90 € Versand (brutto)
einmalig pro Bestellung

Lieferzeit: 5 Werktage

Pos.
321
BOSCH Werkzeughalter | Ersatzteile für GBH 36 V-LI | 16170006CA
Hersteller: BOSCH
Artikelnummer: EB-3611J06000-16170006CA
Netto: 52,14 € zzgl. MwSt.
zzgl. 6,90 € Versand (brutto)
einmalig pro Bestellung

Lieferzeit: 5 Werktage

Pos.
321/22
BOSCH Stirnrad | Ersatzteile für GBH 36 V-LI | 1616312004
Hersteller: BOSCH
Artikelnummer: EB-3611J06000-1616312004
Netto: 10,92 € zzgl. MwSt.
zzgl. 6,90 € Versand (brutto)
einmalig pro Bestellung

Lieferzeit: 5 Werktage

Pos.
321/28
BOSCH Schlagbolzen | Ersatzteile für GBH 36 V-LI | 1613124098
Hersteller: BOSCH
Artikelnummer: EB-3611J06000-1613124098
Netto: 17,38 € zzgl. MwSt.
zzgl. 6,90 € Versand (brutto)
einmalig pro Bestellung

Lieferzeit: 5 Werktage

Pos.
321/33
BOSCH Aufnahmehülse | Ersatzteile für GBH 36 V-LI | 1610590020
Hersteller: BOSCH
Artikelnummer: EB-3611J06000-1610590020
Netto: 7,30 € zzgl. MwSt.
zzgl. 6,90 € Versand (brutto)
einmalig pro Bestellung

Lieferzeit: 5 Werktage

Pos.
321/34
BOSCH Stützscheibe | Ersatzteile für GBH 36 V-LI | 1610190067
Hersteller: BOSCH
Artikelnummer: EB-3611J06000-1610190067
Netto: 4,32 € zzgl. MwSt.
zzgl. 6,90 € Versand (brutto)
einmalig pro Bestellung

Lieferzeit: 5 Werktage

Pos.
321/37
BOSCH Zylinderstift DIN6325-2,5x12-RIKO | Ersatzteile für GBH 36 V-LI | 1613100019
Hersteller: BOSCH
Artikelnummer: EB-3611J06000-1613100019
Netto: 3,94 € zzgl. MwSt.
zzgl. 6,90 € Versand (brutto)
einmalig pro Bestellung

Lieferzeit: 5 Werktage

Pos.
321/42
BOSCH Anlaufring | Ersatzteile für GBH 36 V-LI | 1610102084
Hersteller: BOSCH
Artikelnummer: EB-3611J06000-1610102084
Netto: 8,33 € zzgl. MwSt.
zzgl. 6,90 € Versand (brutto)
einmalig pro Bestellung

Lieferzeit: 5 Werktage

Pos.
321/46
BOSCH Führungsbuchse | Ersatzteile für GBH 36 V-LI | 1610390068
Hersteller: BOSCH
Artikelnummer: EB-3611J06000-1610390068
Netto: 14,36 € zzgl. MwSt.
zzgl. 6,90 € Versand (brutto)
einmalig pro Bestellung

Lieferzeit: 5 Werktage

Pos.
321/50
BOSCH Druckfeder | Ersatzteile für GBH 36 V-LI | 1614615008
Hersteller: BOSCH
Artikelnummer: EB-3611J06000-1614615008
Netto: 6,70 € zzgl. MwSt.
zzgl. 6,90 € Versand (brutto)
einmalig pro Bestellung

Lieferzeit: 5 Werktage

Pos.
321/58
BOSCH O-Ring 18,0x3,5 MM | Ersatzteile für GBH 36 V-LI | 1610210105
Hersteller: BOSCH
Artikelnummer: EB-3611J06000-1610210105
Netto: 5,67 € zzgl. MwSt.
zzgl. 6,90 € Versand (brutto)
einmalig pro Bestellung

Lieferzeit: 5 Werktage

Pos.
321/59
BOSCH Radial-Wellendichtring | Ersatzteile für GBH 36 V-LI | 1610283039
Hersteller: BOSCH
Artikelnummer: EB-3611J06000-1610283039
Netto: 4,52 € zzgl. MwSt.
zzgl. 6,90 € Versand (brutto)
einmalig pro Bestellung

Lieferzeit: 5 Werktage

Pos.
321/59
BOSCH Wellendichtring | Ersatzteile für GBH 36 V-LI | 1600A009VC
Hersteller: BOSCH
Artikelnummer: EB-3611J06000-1600A009VC
nur Informationsartikel
Nie mehr lieferbar
keine Alternativen
Pos.
321/60
BOSCH O-Ring 9,5x3,5 MM | Ersatzteile für GBH 36 V-LI | 1610210209
Hersteller: BOSCH
Artikelnummer: EB-3611J06000-1610210209
Netto: 3,94 € zzgl. MwSt.
zzgl. 6,90 € Versand (brutto)
einmalig pro Bestellung

Lieferzeit: 5 Werktage

Pos.
321/72
BOSCH Sprengring | Ersatzteile für GBH 36 V-LI | 1604601027
Hersteller: BOSCH
Artikelnummer: EB-3611J06000-1604601027
Netto: 3,63 € zzgl. MwSt.
zzgl. 6,90 € Versand (brutto)
einmalig pro Bestellung

Lieferzeit: 5 Werktage

Pos.
321/86
BOSCH Sprengring | Ersatzteile für GBH 36 V-LI | 1614601034
Hersteller: BOSCH
Artikelnummer: EB-3611J06000-1614601034
Netto: 4,32 € zzgl. MwSt.
zzgl. 6,90 € Versand (brutto)
einmalig pro Bestellung

Lieferzeit: 5 Werktage

Pos.
321/87
BOSCH Sprengring A22 DIN 7993 | Ersatzteile für GBH 36 V-LI | 1604601028
Hersteller: BOSCH
Artikelnummer: EB-3611J06000-1604601028
Netto: 3,63 € zzgl. MwSt.
zzgl. 6,90 € Versand (brutto)
einmalig pro Bestellung

Lieferzeit: 5 Werktage

Pos.
651
BOSCH Tiefenanschlag SW 6x210 MM | Ersatzteile für GBH 36 V-LI | 1613001009
Hersteller: BOSCH
Artikelnummer: EB-3611J06000-1613001009
Netto: 5,19 € zzgl. MwSt.
zzgl. 6,90 € Versand (brutto)
einmalig pro Bestellung

Lieferzeit: 5 Werktage

Pos.
653
BOSCH Akku-Paket KR, 36V, 6.0Ah, LI | Ersatzteile für GBH 36 V-LI | 1607A3504S
Hersteller: BOSCH
Artikelnummer: EB-3611J06000-1607A3504S
nur Informationsartikel
Nie mehr lieferbar
keine Alternativen
Pos.
653
BOSCH Einschub-Akkupaket KR 36V, 4,0Ah. LI | Ersatzteile für GBH 36 V-LI | 2607337049
Hersteller: BOSCH
Artikelnummer: EB-3611J06000-2607337049
nur Informationsartikel
Nie mehr lieferbar
keine Alternativen
Pos.
653
BOSCH Einschub-Akkupaket 36V, 4,0Ah, LI | Ersatzteile für GBH 36 V-LI | 2607336915
Hersteller: BOSCH
Artikelnummer: EB-3611J06000-2607336915
nur Informationsartikel
Nie mehr lieferbar
keine Alternativen
Pos.
654
BOSCH Schnell-Lader CH GAL 3680 CV 230/14,4-36V | Ersatzteile für GBH 36 V-LI | 2607226043
Hersteller: BOSCH
Artikelnummer: EB-3611J06000-2607226043
nur Informationsartikel
Nie mehr lieferbar
keine Alternativen
Pos.
654
BOSCH Schnell-Lader RC | Ersatzteile für GBH 36 V-LI | 2607226031
Hersteller: BOSCH
Artikelnummer: EB-3611J06000-2607226031
nur Informationsartikel
Nie mehr lieferbar
keine Alternativen
Pos.
654
BOSCH Schnell-Lader ROK | Ersatzteile für GBH 36 V-LI | 2607225911
Hersteller: BOSCH
Artikelnummer: EB-3611J06000-2607225911
nur Informationsartikel
Nie mehr lieferbar
keine Alternativen
Pos.
661
BOSCH Fetttube 30 ML | Ersatzteile für GBH 36 V-LI | 1615430010
Hersteller: BOSCH
Artikelnummer: EB-3611J06000-1615430010
nur Informationsartikel
Nie mehr lieferbar
keine Alternativen
Pos.
801
BOSCH Gehäuseschale | Ersatzteile für GBH 36 V-LI | 16051082FG
Hersteller: BOSCH
Artikelnummer: EB-3611J06000-16051082FG
nur Informationsartikel
Nie mehr lieferbar
keine Alternativen
Pos.
802
BOSCH Gleichstrommotor | Ersatzteile für GBH 36 V-LI | 1617000A5H
Hersteller: BOSCH
Artikelnummer: EB-3611J06000-1617000A5H
nur Informationsartikel
Nie mehr lieferbar
keine Alternativen
Pos.
804
BOSCH Elektronikmodul | Ersatzteile für GBH 36 V-LI | 1600A011GZ
Hersteller: BOSCH
Artikelnummer: EB-3611J06000-1600A011GZ
nur Informationsartikel
Nie mehr lieferbar
keine Alternativen
Pos.
808
BOSCH Typschild | Ersatzteile für GBH 36 V-LI | 160111A3H9
Hersteller: BOSCH
Artikelnummer: EB-3611J06000-160111A3H9
Netto: 4,53 € zzgl. MwSt.
zzgl. 6,90 € Versand (brutto)
einmalig pro Bestellung

Lieferzeit: 5 Werktage

Pos.
808
BOSCH Typschild 26x42 MM | Ersatzteile für GBH 36 V-LI | 1601106040
Hersteller: BOSCH
Artikelnummer: EB-3611J06000-1601106040
Netto: 6,75 € zzgl. MwSt.
zzgl. 6,90 € Versand (brutto)
einmalig pro Bestellung

Lieferzeit: 5 Werktage

Pos.
820
BOSCH Zwischenflansch | Ersatzteile für GBH 36 V-LI | 1617000A5J
Hersteller: BOSCH
Artikelnummer: EB-3611J06000-1617000A5J
nur Informationsartikel
Nie mehr lieferbar
keine Alternativen
Pos.
821
BOSCH Werkzeugaufnahme | Ersatzteile für GBH 36 V-LI | 16170006C9
Hersteller: BOSCH
Artikelnummer: EB-3611J06000-16170006C9
Netto: 42,86 € zzgl. MwSt.
zzgl. 6,90 € Versand (brutto)
einmalig pro Bestellung

Lieferzeit: 5 Werktage

Pos.
824
BOSCH Zwischenwelle | Ersatzteile für GBH 36 V-LI | 1617000A5K
Hersteller: BOSCH
Artikelnummer: EB-3611J06000-1617000A5K
nur Informationsartikel
Nie mehr lieferbar
keine Alternativen
Pos.
825
BOSCH Werkzeugaufnahme | Ersatzteile für GBH 36 V-LI | 16170006CB
Hersteller: BOSCH
Artikelnummer: EB-3611J06000-16170006CB
Netto: 10,92 € zzgl. MwSt.
zzgl. 6,90 € Versand (brutto)
einmalig pro Bestellung

Lieferzeit: 5 Werktage

Pos.
828
BOSCH Schlagbolzen | Ersatzteile für GBH 36 V-LI | 1617000697
Hersteller: BOSCH
Artikelnummer: EB-3611J06000-1617000697
Netto: 35,77 € zzgl. MwSt.
zzgl. 6,90 € Versand (brutto)
einmalig pro Bestellung

Lieferzeit: 5 Werktage

Pos.
830
BOSCH Zahnhülse | Ersatzteile für GBH 36 V-LI | 1617000698
Hersteller: BOSCH
Artikelnummer: EB-3611J06000-1617000698
Netto: 26,88 € zzgl. MwSt.
zzgl. 6,90 € Versand (brutto)
einmalig pro Bestellung

Lieferzeit: 5 Werktage

Pos.
840
BOSCH Schlagwerkgehäuse SCHWARZ | Ersatzteile für GBH 36 V-LI | 1617000699
Hersteller: BOSCH
Artikelnummer: EB-3611J06000-1617000699
Netto: 24,13 € zzgl. MwSt.
zzgl. 6,90 € Versand (brutto)
einmalig pro Bestellung

Lieferzeit: 5 Werktage

Pos.
653
BOSCH Akku-Paket 36V, 6.0Ah, LI | Ersatzteile für GBH 36 V-LI | 1607A3504P
Hersteller: BOSCH
Artikelnummer: EB-3611J06000-1607A350RC
nur Informationsartikel
Nie mehr lieferbar
keine Alternativen
Pos.
654
BOSCH Ladegerät EU GAL 3680 CV 230/14,4-36V | Ersatzteile für GBH 36 V-LI | 2607225899
Hersteller: BOSCH
Artikelnummer: EB-3611J06000-2607225901
nur Informationsartikel
Nie mehr lieferbar
keine Alternativen
Pos.
654
BOSCH Ladegerät EU GAL 3680 CV 230/14,4-36V | Ersatzteile für GBH 36 V-LI | 2607226457
Hersteller: BOSCH
Artikelnummer: EB-3611J06000-2607226457
Netto: 135,20 € zzgl. MwSt.
zzgl. 6,90 € Versand (brutto)
einmalig pro Bestellung

Lieferzeit: 5 Werktage

Pos.
654
BOSCH Ladegerät GB GAL 3680 CV 230/14,4-26V | Ersatzteile für GBH 36 V-LI | 2607226459
Hersteller: BOSCH
Artikelnummer: EB-3611J06000-2607226459
Netto: 106,72 € zzgl. MwSt.
zzgl. 6,90 € Versand (brutto)
einmalig pro Bestellung

Lieferzeit: 5 Werktage

Pos.
654
BOSCH Ladegerät GB GAL 3680 CV 230/14,4-36V | Ersatzteile für GBH 36 V-LI | 2607225901
Hersteller: BOSCH
Artikelnummer: EB-3611J06000-2607226461
nur Informationsartikel
Nie mehr lieferbar
keine Alternativen
Pos.
654
BOSCH Schnell-Lader AU | Ersatzteile für GBH 36 V-LI | 2607225903
Hersteller: BOSCH
Artikelnummer: EB-3611J06000-2607226043
nur Informationsartikel
Nie mehr lieferbar
keine Alternativen

Angaben zur Produktsicherheit

Hersteller:
Robert Bosch Power Tools GmbH
Postfach 30 02 20
70442 Stuttgart

E-Mail:
kontakt@bosch.de