BOSCH Netzanschlussleitung | Ersatzteile für GBH 7-45 DE | 1617000723

Artikelnummer: EB-0611235803-1617000723

Position: 805

Marke: BOSCH


Bitte Kompatibilität prüfen!

Bitte prüfen Sie unbedingt die 10-stellige Typennummer Ihrer Maschine / Ihres Gerätes. Das Ersatzteil ist nur kompatibel, wenn Sie die Typennummer Ihrer Maschine in der unten stehenden Produktbeschreibung finden.

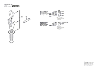
Bitte prüfen Sie ebenfalls detailliert die Explosionszeichnung mit Ihrem Artikelwunsch und der jeweiligen Pos-Nummer.

Alle Elemente, welche vom schwarzen Strich der Pos-Nummer ausgehend berührt / erfasst werden, gehören zu dieser Pos-Nummer und somit zu diesem Artikel. Jede Pos-Nummer ist ein eigenständiger Artikel, welchen Sie in der Auflistung finden.

Sie erhalten stets die aktuellste, neueste Produktversion zu der gewählten Pos-Nummer seitens des Herstellers. Es kann daher je nach Gerätealter vorkommen, dass Sie ggf. weitere, zugehörige Elemente, welche an diese Pos-Nummer grenzen, ebenfalls mittauschen müssen.

Nähere Informationen finden Sie unter dem Link
Hinweise zu Ihrer BOSCH Ersatzteilsuche

Preisübersicht

Einzelpreis: 24,13 €* (Brutto: 28,71 €)
Gesamtpreis: 24,13 €* 
Position:

Lieferzeit: 5 Werktage


Beschreibung

  • Netzanschlussleitung
  • Original Bosch Zubehör / BOSCH Ersatzteil (1617000723)
  • im Gerät verbaut: 1
Dieses BOSCH Ersatzteil ist mit folgendem Gerät und Modell kompatibel:
  • BOSCH Gerätename: GBH 7-45 DE
  • BOSCH Explosionszeichnung: Position 805
  • BOSCH Typennummer: 0611235803
  • BOSCH Typennummer alternative Schreibweisen: 0 611 235 803, 0611 235 803, 0.611.235.803, 0-611-235-803
    Bitte prüfen Sie diese Typennummer auf Ihrem Gerät um die Kompatibilität des BOSCH Ersatzteils zu gewährleisten.
Weitere BOSCH Ersatzteile des Gerätes GBH 7-45 DE (Bohrhammer) mit der Typennummer 0611235803 finden Sie in der nachfolgenden Darstellung und im Dropdown zu Ihrer Auswahl:

Pos.
1
BOSCH Motorgehäuse BLAU | Ersatzteile für GBH 7-45 DE | 1615108078
Hersteller: BOSCH
Artikelnummer: EB-0611235803-1615108078
Netto: 20,55 € zzgl. MwSt.
zzgl. 6,90 € Versand (brutto)
einmalig pro Bestellung

Lieferzeit: 5 Werktage

Pos.
129/1
BOSCH Nadellager | Ersatzteile für GBH 7-45 DE | 1610910085
Hersteller: BOSCH
Artikelnummer: EB-0611235803-1610910085
Netto: 12,98 € zzgl. MwSt.
zzgl. 6,90 € Versand (brutto)
einmalig pro Bestellung

Lieferzeit: 5 Werktage

Pos.
2
BOSCH Polschuh 220-240V | Ersatzteile für GBH 7-45 DE | 1614220124
Hersteller: BOSCH
Artikelnummer: EB-0611235803-1614220124
Netto: 26,88 € zzgl. MwSt.
zzgl. 6,90 € Versand (brutto)
einmalig pro Bestellung

Lieferzeit: 5 Werktage

Pos.
4
BOSCH Schalter | Ersatzteile für GBH 7-45 DE | 1617200048
Hersteller: BOSCH
Artikelnummer: EB-0611235803-1617200048
Netto: 15,75 € zzgl. MwSt.
zzgl. 6,90 € Versand (brutto)
einmalig pro Bestellung

Lieferzeit: 5 Werktage

Pos.
6
BOSCH Tülle Ø9,7-Ø12x89 MM | Ersatzteile für GBH 7-45 DE | 1610703053
Hersteller: BOSCH
Artikelnummer: EB-0611235803-1610703053
Netto: 4,53 € zzgl. MwSt.
zzgl. 6,90 € Versand (brutto)
einmalig pro Bestellung

Lieferzeit: 5 Werktage

Pos.
7
BOSCH Befestigungsschelle | Ersatzteile für GBH 7-45 DE | 1601302018
Hersteller: BOSCH
Artikelnummer: EB-0611235803-1601302018
Netto: 3,94 € zzgl. MwSt.
zzgl. 6,90 € Versand (brutto)
einmalig pro Bestellung

Lieferzeit: 5 Werktage

Pos.
9
BOSCH Firmenschild | Ersatzteile für GBH 7-45 DE | 1611110F01
Hersteller: BOSCH
Artikelnummer: EB-0611235803-1611110F01
Netto: 6,15 € zzgl. MwSt.
zzgl. 6,90 € Versand (brutto)
einmalig pro Bestellung

Lieferzeit: 5 Werktage

Pos.
13
BOSCH Rillenkugellager 8x24x8 | Ersatzteile für GBH 7-45 DE | 1610900026
Hersteller: BOSCH
Artikelnummer: EB-0611235803-1610900026
Netto: 10,92 € zzgl. MwSt.
zzgl. 6,90 € Versand (brutto)
einmalig pro Bestellung

Lieferzeit: 5 Werktage

Pos.
14
BOSCH Nadellager | Ersatzteile für GBH 7-45 DE | 1610910096
Hersteller: BOSCH
Artikelnummer: EB-0611235803-1610910096
Netto: 19,18 € zzgl. MwSt.
zzgl. 6,90 € Versand (brutto)
einmalig pro Bestellung

Lieferzeit: 5 Werktage

Pos.
20
BOSCH Werkzeughalter | Ersatzteile für GBH 7-45 DE | 1618597072
Hersteller: BOSCH
Artikelnummer: EB-0611235803-1618597072
Netto: 77,60 € zzgl. MwSt.
zzgl. 6,90 € Versand (brutto)
einmalig pro Bestellung

Lieferzeit: 5 Werktage

Pos.
21
BOSCH Schutzkappe | Ersatzteile für GBH 7-45 DE | 1610508035
Hersteller: BOSCH
Artikelnummer: EB-0611235803-1610508035
Netto: 6,15 € zzgl. MwSt.
zzgl. 6,90 € Versand (brutto)
einmalig pro Bestellung

Lieferzeit: 5 Werktage

Pos.
22
BOSCH Schutzhülse | Ersatzteile für GBH 7-45 DE | 1610591042
Hersteller: BOSCH
Artikelnummer: EB-0611235803-1610591042
Netto: 8,33 € zzgl. MwSt.
zzgl. 6,90 € Versand (brutto)
einmalig pro Bestellung

Lieferzeit: 5 Werktage

Pos.
23
BOSCH Anschlaghülse | Ersatzteile für GBH 7-45 DE | 1610520001
Hersteller: BOSCH
Artikelnummer: EB-0611235803-1610520001
Netto: 10,92 € zzgl. MwSt.
zzgl. 6,90 € Versand (brutto)
einmalig pro Bestellung

Lieferzeit: 5 Werktage

Pos.
24
BOSCH Bundbuchse | Ersatzteile für GBH 7-45 DE | 1610500021
Hersteller: BOSCH
Artikelnummer: EB-0611235803-1610500021
nur Informationsartikel
Nie mehr lieferbar
keine Alternativen
Pos.
25
BOSCH Sperrkörper | Ersatzteile für GBH 7-45 DE | 1612300027
Hersteller: BOSCH
Artikelnummer: EB-0611235803-1612300027
Netto: 9,95 € zzgl. MwSt.
zzgl. 6,90 € Versand (brutto)
einmalig pro Bestellung

Lieferzeit: 5 Werktage

Pos.
26
BOSCH Schaltscheibe | Ersatzteile für GBH 7-45 DE | 1610290025
Hersteller: BOSCH
Artikelnummer: EB-0611235803-1610290025
Netto: 7,30 € zzgl. MwSt.
zzgl. 6,90 € Versand (brutto)
einmalig pro Bestellung

Lieferzeit: 5 Werktage

Pos.
27
BOSCH Luftleitring | Ersatzteile für GBH 7-45 DE | 1610591023
Hersteller: BOSCH
Artikelnummer: EB-0611235803-1610591023
Netto: 3,94 € zzgl. MwSt.
zzgl. 6,90 € Versand (brutto)
einmalig pro Bestellung

Lieferzeit: 5 Werktage

Pos.
28
BOSCH Druckfeder | Ersatzteile für GBH 7-45 DE | 1614621004
Hersteller: BOSCH
Artikelnummer: EB-0611235803-1614621004
Netto: 4,53 € zzgl. MwSt.
zzgl. 6,90 € Versand (brutto)
einmalig pro Bestellung

Lieferzeit: 5 Werktage

Pos.
31
BOSCH Dämpfungsring | Ersatzteile für GBH 7-45 DE | 1610290049
Hersteller: BOSCH
Artikelnummer: EB-0611235803-1610290049
Netto: 4,82 € zzgl. MwSt.
zzgl. 6,90 € Versand (brutto)
einmalig pro Bestellung

Lieferzeit: 5 Werktage

Pos.
35
BOSCH Hammerrohr | Ersatzteile für GBH 7-45 DE | 1615806156
Hersteller: BOSCH
Artikelnummer: EB-0611235803-1615806156
nur Informationsartikel
Nie mehr lieferbar
keine Alternativen
Pos.
37
BOSCH Lagerscheibe | Ersatzteile für GBH 7-45 DE | 1610102047
Hersteller: BOSCH
Artikelnummer: EB-0611235803-1610102047
Netto: 4,82 € zzgl. MwSt.
zzgl. 6,90 € Versand (brutto)
einmalig pro Bestellung

Lieferzeit: 5 Werktage

Pos.
38
BOSCH Abdeckhaube | Ersatzteile für GBH 7-45 DE | 1615190079
Hersteller: BOSCH
Artikelnummer: EB-0611235803-1615190079
nur Informationsartikel
Nie mehr lieferbar
keine Alternativen
Pos.
39
BOSCH Abdeckhaube | Ersatzteile für GBH 7-45 DE | 1615190108
Hersteller: BOSCH
Artikelnummer: EB-0611235803-1615190108
nur Informationsartikel
Nie mehr lieferbar
keine Alternativen
Pos.
42
BOSCH Bürstenhalter | Ersatzteile für GBH 7-45 DE | 1614336026
Hersteller: BOSCH
Artikelnummer: EB-0611235803-1614336026
nur Informationsartikel
Nie mehr lieferbar
keine Alternativen
Pos.
43
BOSCH Lüfterdeckel | Ersatzteile für GBH 7-45 DE | 1615500305
Hersteller: BOSCH
Artikelnummer: EB-0611235803-1615500305
Netto: 9,95 € zzgl. MwSt.
zzgl. 6,90 € Versand (brutto)
einmalig pro Bestellung

Lieferzeit: 5 Werktage

Pos.
44
BOSCH Druckfeder | Ersatzteile für GBH 7-45 DE | 1614621005
Hersteller: BOSCH
Artikelnummer: EB-0611235803-1614621005
Netto: 4,53 € zzgl. MwSt.
zzgl. 6,90 € Versand (brutto)
einmalig pro Bestellung

Lieferzeit: 5 Werktage

Pos.
45
BOSCH Verschlussplatte | Ersatzteile für GBH 7-45 DE | 1610591022
Hersteller: BOSCH
Artikelnummer: EB-0611235803-1610591022
nur Informationsartikel
Nie mehr lieferbar
keine Alternativen
Pos.
47
BOSCH Distanzring | Ersatzteile für GBH 7-45 DE | 1619990149
Hersteller: BOSCH
Artikelnummer: EB-0611235803-1619990149
nur Informationsartikel
Nie mehr lieferbar
keine Alternativen
Pos.
48
BOSCH Schaltring | Ersatzteile für GBH 7-45 DE | 1619990151
Hersteller: BOSCH
Artikelnummer: EB-0611235803-1619990151
Netto: 24,13 € zzgl. MwSt.
zzgl. 6,90 € Versand (brutto)
einmalig pro Bestellung

Lieferzeit: 5 Werktage

Pos.
51
BOSCH Tellerrad Z=45 | Ersatzteile für GBH 7-45 DE | 1616333035
Hersteller: BOSCH
Artikelnummer: EB-0611235803-1616333035
Netto: 42,86 € zzgl. MwSt.
zzgl. 6,90 € Versand (brutto)
einmalig pro Bestellung

Lieferzeit: 5 Werktage

Pos.
52
BOSCH Sprengring | Ersatzteile für GBH 7-45 DE | 1614601056
Hersteller: BOSCH
Artikelnummer: EB-0611235803-1614601056
nur Informationsartikel
Nie mehr lieferbar
keine Alternativen
Pos.
53
BOSCH Führungsbuchse | Ersatzteile für GBH 7-45 DE | 1610231000
Hersteller: BOSCH
Artikelnummer: EB-0611235803-1610231000
Netto: 9,95 € zzgl. MwSt.
zzgl. 6,90 € Versand (brutto)
einmalig pro Bestellung

Lieferzeit: 5 Werktage

Pos.
54
BOSCH Abstandshülse | Ersatzteile für GBH 7-45 DE | 1610190033
Hersteller: BOSCH
Artikelnummer: EB-0611235803-1610190033
Netto: 7,30 € zzgl. MwSt.
zzgl. 6,90 € Versand (brutto)
einmalig pro Bestellung

Lieferzeit: 5 Werktage

Pos.
58
BOSCH Stirnrad Z=17 | Ersatzteile für GBH 7-45 DE | 1616317056
Hersteller: BOSCH
Artikelnummer: EB-0611235803-1616317056
Netto: 9,63 € zzgl. MwSt.
zzgl. 6,90 € Versand (brutto)
einmalig pro Bestellung

Lieferzeit: 5 Werktage

Pos.
59
BOSCH Lagerbock | Ersatzteile für GBH 7-45 DE | 1615805067
Hersteller: BOSCH
Artikelnummer: EB-0611235803-1615805067
nur Informationsartikel
Nie mehr lieferbar
keine Alternativen
Pos.
72
BOSCH Exzenterzahnrad | Ersatzteile für GBH 7-45 DE | 1616317067
Hersteller: BOSCH
Artikelnummer: EB-0611235803-1616317067
Netto: 63,99 € zzgl. MwSt.
zzgl. 6,90 € Versand (brutto)
einmalig pro Bestellung

Lieferzeit: 5 Werktage

Pos.
75
BOSCH Handgriff SCHWARZ | Ersatzteile für GBH 7-45 DE | 1615132102
Hersteller: BOSCH
Artikelnummer: EB-0611235803-1615132102
nur Informationsartikel
Nie mehr lieferbar
keine Alternativen
Pos.
76
BOSCH Schalthebelknopf SCHWARZ | Ersatzteile für GBH 7-45 DE | 1612026083
Hersteller: BOSCH
Artikelnummer: EB-0611235803-1612026083
nur Informationsartikel
Nie mehr lieferbar
keine Alternativen
Pos.
77
BOSCH Druckfeder | Ersatzteile für GBH 7-45 DE | 1614610010
Hersteller: BOSCH
Artikelnummer: EB-0611235803-1614610010
Netto: 3,94 € zzgl. MwSt.
zzgl. 6,90 € Versand (brutto)
einmalig pro Bestellung

Lieferzeit: 5 Werktage

Pos.
80
BOSCH Drehzahlregler 220-240V | Ersatzteile für GBH 7-45 DE | 1617233042
Hersteller: BOSCH
Artikelnummer: EB-0611235803-1617233042
Netto: 57,47 € zzgl. MwSt.
zzgl. 6,90 € Versand (brutto)
einmalig pro Bestellung

Lieferzeit: 5 Werktage

Pos.
84
BOSCH Zusatzhandgriff | Ersatzteile für GBH 7-45 DE | 160202507H
Hersteller: BOSCH
Artikelnummer: EB-0611235803-160202507H
Netto: 9,95 € zzgl. MwSt.
zzgl. 6,90 € Versand (brutto)
einmalig pro Bestellung

Lieferzeit: 17 Werktage

Pos.
85
BOSCH Klemmhalter | Ersatzteile für GBH 7-45 DE | 1618040071
Hersteller: BOSCH
Artikelnummer: EB-0611235803-1618040071
Netto: 6,70 € zzgl. MwSt.
zzgl. 6,90 € Versand (brutto)
einmalig pro Bestellung

Lieferzeit: 5 Werktage

Pos.
87
BOSCH Spannband Ø77 MM, M8 | Ersatzteile für GBH 7-45 DE | 1617000834
Hersteller: BOSCH
Artikelnummer: EB-0611235803-1617000834
Netto: 14,36 € zzgl. MwSt.
zzgl. 6,90 € Versand (brutto)
einmalig pro Bestellung

Lieferzeit: 5 Werktage

Pos.
94
BOSCH Lagerscheibe | Ersatzteile für GBH 7-45 DE | 1610290052
Hersteller: BOSCH
Artikelnummer: EB-0611235803-1610290052
Netto: 4,53 € zzgl. MwSt.
zzgl. 6,90 € Versand (brutto)
einmalig pro Bestellung

Lieferzeit: 5 Werktage

Pos.
95
BOSCH Mitnehmerbolzen | Ersatzteile für GBH 7-45 DE | 1613120018
Hersteller: BOSCH
Artikelnummer: EB-0611235803-1613120018
Netto: 4,53 € zzgl. MwSt.
zzgl. 6,90 € Versand (brutto)
einmalig pro Bestellung

Lieferzeit: 5 Werktage

Pos.
98
BOSCH Passscheibe 1,0 MM DICK | Ersatzteile für GBH 7-45 DE | 1610101015
Hersteller: BOSCH
Artikelnummer: EB-0611235803-1610101015
Netto: 3,94 € zzgl. MwSt.
zzgl. 6,90 € Versand (brutto)
einmalig pro Bestellung

Lieferzeit: 5 Werktage

Pos.
101
BOSCH Ausgleichscheibe 0,45 MM DICK | Ersatzteile für GBH 7-45 DE | 1610102049
Hersteller: BOSCH
Artikelnummer: EB-0611235803-1610102049
Netto: 4,53 € zzgl. MwSt.
zzgl. 6,90 € Versand (brutto)
einmalig pro Bestellung

Lieferzeit: 5 Werktage

Pos.
102
BOSCH Ausgleichscheibe 0,3 MM DICK | Ersatzteile für GBH 7-45 DE | 1610102048
Hersteller: BOSCH
Artikelnummer: EB-0611235803-1610102048
Netto: 4,53 € zzgl. MwSt.
zzgl. 6,90 € Versand (brutto)
einmalig pro Bestellung

Lieferzeit: 5 Werktage

Pos.
104
BOSCH Anschlagscheibe | Ersatzteile für GBH 7-45 DE | 1610190027
Hersteller: BOSCH
Artikelnummer: EB-0611235803-1610190027
Netto: 6,70 € zzgl. MwSt.
zzgl. 6,90 € Versand (brutto)
einmalig pro Bestellung

Lieferzeit: 5 Werktage

Pos.
111
BOSCH Lagerbuchse | Ersatzteile für GBH 7-45 DE | 1610290046
Hersteller: BOSCH
Artikelnummer: EB-0611235803-1610290046
Netto: 4,82 € zzgl. MwSt.
zzgl. 6,90 € Versand (brutto)
einmalig pro Bestellung

Lieferzeit: 5 Werktage

Pos.
112
BOSCH Sechskantmutter | Ersatzteile für GBH 7-45 DE | 1613300007
Hersteller: BOSCH
Artikelnummer: EB-0611235803-1613300007
Netto: 3,94 € zzgl. MwSt.
zzgl. 6,90 € Versand (brutto)
einmalig pro Bestellung

Lieferzeit: 5 Werktage

Pos.
113
BOSCH Blechschraube B 4,8x68 MM | Ersatzteile für GBH 7-45 DE | 1613412001
Hersteller: BOSCH
Artikelnummer: EB-0611235803-1613412001
Netto: 3,94 € zzgl. MwSt.
zzgl. 6,90 € Versand (brutto)
einmalig pro Bestellung

Lieferzeit: 5 Werktage

Pos.
116
BOSCH Nadelkranz | Ersatzteile für GBH 7-45 DE | 1610913029
Hersteller: BOSCH
Artikelnummer: EB-0611235803-1610913029
Netto: 5,67 € zzgl. MwSt.
zzgl. 6,90 € Versand (brutto)
einmalig pro Bestellung

Lieferzeit: 5 Werktage

Pos.
117
BOSCH Nadelkranz Ø10 MM | Ersatzteile für GBH 7-45 DE | 1610913011
Hersteller: BOSCH
Artikelnummer: EB-0611235803-1610913011
Netto: 7,30 € zzgl. MwSt.
zzgl. 6,90 € Versand (brutto)
einmalig pro Bestellung

Lieferzeit: 5 Werktage

Pos.
119
BOSCH Nadellager | Ersatzteile für GBH 7-45 DE | 1610910081
Hersteller: BOSCH
Artikelnummer: EB-0611235803-1610910081
Netto: 12,98 € zzgl. MwSt.
zzgl. 6,90 € Versand (brutto)
einmalig pro Bestellung

Lieferzeit: 5 Werktage

Pos.
121
BOSCH Lagerbuchse | Ersatzteile für GBH 7-45 DE | 1610328016
Hersteller: BOSCH
Artikelnummer: EB-0611235803-1610328016
Netto: 5,13 € zzgl. MwSt.
zzgl. 6,90 € Versand (brutto)
einmalig pro Bestellung

Lieferzeit: 5 Werktage

Pos.
125
BOSCH Torx-Linsenschraube 4,8x19 | Ersatzteile für GBH 7-45 DE | 1613435011
Hersteller: BOSCH
Artikelnummer: EB-0611235803-1613435011
Netto: 3,94 € zzgl. MwSt.
zzgl. 6,90 € Versand (brutto)
einmalig pro Bestellung

Lieferzeit: 5 Werktage

Pos.
126
BOSCH Blechschraube DIN 7971-ST3,9x16-F | Ersatzteile für GBH 7-45 DE | 2910211019
Hersteller: BOSCH
Artikelnummer: EB-0611235803-2910211019
Netto: 3,63 € zzgl. MwSt.
zzgl. 6,90 € Versand (brutto)
einmalig pro Bestellung

Lieferzeit: 5 Werktage

Pos.
127
BOSCH Lagerbuchse | Ersatzteile für GBH 7-45 DE | 1610300060
Hersteller: BOSCH
Artikelnummer: EB-0611235803-1610300060
Netto: 7,76 € zzgl. MwSt.
zzgl. 6,90 € Versand (brutto)
einmalig pro Bestellung

Lieferzeit: 5 Werktage

Pos.
129
BOSCH Lagerbuchse | Ersatzteile für GBH 7-45 DE | 1610300067
Hersteller: BOSCH
Artikelnummer: EB-0611235803-1610300067
Netto: 10,92 € zzgl. MwSt.
zzgl. 6,90 € Versand (brutto)
einmalig pro Bestellung

Lieferzeit: 5 Werktage

Pos.
138
BOSCH Dichtrahmen | Ersatzteile für GBH 7-45 DE | 1611015047
Hersteller: BOSCH
Artikelnummer: EB-0611235803-1611015047
Netto: 7,30 € zzgl. MwSt.
zzgl. 6,90 € Versand (brutto)
einmalig pro Bestellung

Lieferzeit: 5 Werktage

Pos.
139
BOSCH Dichtplatte | Ersatzteile für GBH 7-45 DE | 1612380010
Hersteller: BOSCH
Artikelnummer: EB-0611235803-1612380010
nur Informationsartikel
Nie mehr lieferbar
keine Alternativen
Pos.
141
BOSCH Radial-Wellendichtring | Ersatzteile für GBH 7-45 DE | 1610290028
Hersteller: BOSCH
Artikelnummer: EB-0611235803-1610290028
Netto: 5,19 € zzgl. MwSt.
zzgl. 6,90 € Versand (brutto)
einmalig pro Bestellung

Lieferzeit: 5 Werktage

Pos.
142
BOSCH Radial-Wellendichtring | Ersatzteile für GBH 7-45 DE | 1610290050
Hersteller: BOSCH
Artikelnummer: EB-0611235803-1610290050
Netto: 6,15 € zzgl. MwSt.
zzgl. 6,90 € Versand (brutto)
einmalig pro Bestellung

Lieferzeit: 5 Werktage

Pos.
143
BOSCH Sprengring DIN 7993-28x2 | Ersatzteile für GBH 7-45 DE | 1614601021
Hersteller: BOSCH
Artikelnummer: EB-0611235803-1614601021
Netto: 7,76 € zzgl. MwSt.
zzgl. 6,90 € Versand (brutto)
einmalig pro Bestellung

Lieferzeit: 5 Werktage

Pos.
144
BOSCH Stützscheibe | Ersatzteile für GBH 7-45 DE | 1610103021
Hersteller: BOSCH
Artikelnummer: EB-0611235803-1610103021
Netto: 4,82 € zzgl. MwSt.
zzgl. 6,90 € Versand (brutto)
einmalig pro Bestellung

Lieferzeit: 5 Werktage

Pos.
151
BOSCH O-Ring 60,0x2,0 MM | Ersatzteile für GBH 7-45 DE | 1610210148
Hersteller: BOSCH
Artikelnummer: EB-0611235803-1610210148
Netto: 4,53 € zzgl. MwSt.
zzgl. 6,90 € Versand (brutto)
einmalig pro Bestellung

Lieferzeit: 5 Werktage

Pos.
152
BOSCH Sprengring | Ersatzteile für GBH 7-45 DE | 1614601029
Hersteller: BOSCH
Artikelnummer: EB-0611235803-1614601029
Netto: 3,94 € zzgl. MwSt.
zzgl. 6,90 € Versand (brutto)
einmalig pro Bestellung

Lieferzeit: 5 Werktage

Pos.
153
BOSCH Sprengring | Ersatzteile für GBH 7-45 DE | 1614601028
Hersteller: BOSCH
Artikelnummer: EB-0611235803-1614601028
Netto: 3,94 € zzgl. MwSt.
zzgl. 6,90 € Versand (brutto)
einmalig pro Bestellung

Lieferzeit: 5 Werktage

Pos.
154
BOSCH Sicherungsring | Ersatzteile für GBH 7-45 DE | 1610119011
Hersteller: BOSCH
Artikelnummer: EB-0611235803-1610119011
Netto: 4,82 € zzgl. MwSt.
zzgl. 6,90 € Versand (brutto)
einmalig pro Bestellung

Lieferzeit: 5 Werktage

Pos.
156
BOSCH Sicherungsring DIN 471-12x1-FSt | Ersatzteile für GBH 7-45 DE | 2916650003
Hersteller: BOSCH
Artikelnummer: EB-0611235803-2916650003
Netto: 3,94 € zzgl. MwSt.
zzgl. 6,90 € Versand (brutto)
einmalig pro Bestellung

Lieferzeit: 5 Werktage

Pos.
157
BOSCH O-Ring 31,0x1,5 MM | Ersatzteile für GBH 7-45 DE | 1610210142
Hersteller: BOSCH
Artikelnummer: EB-0611235803-1610210142
Netto: 4,53 € zzgl. MwSt.
zzgl. 6,90 € Versand (brutto)
einmalig pro Bestellung

Lieferzeit: 5 Werktage

Pos.
158
BOSCH O-Ring 30,0x2,5 MM | Ersatzteile für GBH 7-45 DE | 1610210139
Hersteller: BOSCH
Artikelnummer: EB-0611235803-1610210139
Netto: 4,53 € zzgl. MwSt.
zzgl. 6,90 € Versand (brutto)
einmalig pro Bestellung

Lieferzeit: 5 Werktage

Pos.
159
BOSCH O-Ring 27,0x2,5 MM | Ersatzteile für GBH 7-45 DE | 1610210141
Hersteller: BOSCH
Artikelnummer: EB-0611235803-1610210141
Netto: 3,94 € zzgl. MwSt.
zzgl. 6,90 € Versand (brutto)
einmalig pro Bestellung

Lieferzeit: 5 Werktage

Pos.
160
BOSCH O-Ring 46,0x7,0 MM | Ersatzteile für GBH 7-45 DE | 1610210140
Hersteller: BOSCH
Artikelnummer: EB-0611235803-1610210140
Netto: 4,32 € zzgl. MwSt.
zzgl. 6,90 € Versand (brutto)
einmalig pro Bestellung

Lieferzeit: 5 Werktage

Pos.
161
BOSCH O-Ring 18,0x8,0 MM | Ersatzteile für GBH 7-45 DE | 1610210145
Hersteller: BOSCH
Artikelnummer: EB-0611235803-1610210145
Netto: 7,76 € zzgl. MwSt.
zzgl. 6,90 € Versand (brutto)
einmalig pro Bestellung

Lieferzeit: 5 Werktage

Pos.
162
BOSCH O-Ring 26,0x4,0 MM | Ersatzteile für GBH 7-45 DE | 1610210109
Hersteller: BOSCH
Artikelnummer: EB-0611235803-1610210109
Netto: 5,67 € zzgl. MwSt.
zzgl. 6,90 € Versand (brutto)
einmalig pro Bestellung

Lieferzeit: 5 Werktage

Pos.
163
BOSCH O-Ring 22,0x3,0 MM | Ersatzteile für GBH 7-45 DE | 1610210144
Hersteller: BOSCH
Artikelnummer: EB-0611235803-1610210144
Netto: 6,15 € zzgl. MwSt.
zzgl. 6,90 € Versand (brutto)
einmalig pro Bestellung

Lieferzeit: 5 Werktage

Pos.
164
BOSCH Kugel DIN 5401-Ø7MM-III-ST | Ersatzteile für GBH 7-45 DE | 1903230013
Hersteller: BOSCH
Artikelnummer: EB-0611235803-1903230013
Netto: 4,32 € zzgl. MwSt.
zzgl. 6,90 € Versand (brutto)
einmalig pro Bestellung

Lieferzeit: 31 Werktage

Pos.
167
BOSCH Radial-Wellendichtring | Ersatzteile für GBH 7-45 DE | 1610290051
Hersteller: BOSCH
Artikelnummer: EB-0611235803-1610290051
Netto: 5,67 € zzgl. MwSt.
zzgl. 6,90 € Versand (brutto)
einmalig pro Bestellung

Lieferzeit: 5 Werktage

Pos.
168
BOSCH O-Ring 46,0x5,0 MM | Ersatzteile für GBH 7-45 DE | 1610210149
Hersteller: BOSCH
Artikelnummer: EB-0611235803-1610210149
Netto: 4,53 € zzgl. MwSt.
zzgl. 6,90 € Versand (brutto)
einmalig pro Bestellung

Lieferzeit: 5 Werktage

Pos.
171
BOSCH Schraube Mikroverkapselt | Ersatzteile für GBH 7-45 DE | 1613414021
Hersteller: BOSCH
Artikelnummer: EB-0611235803-1613414021
Netto: 3,63 € zzgl. MwSt.
zzgl. 6,90 € Versand (brutto)
einmalig pro Bestellung

Lieferzeit: 5 Werktage

Pos.
172
BOSCH Kombi-Schraube | Ersatzteile für GBH 7-45 DE | 1613435008
Hersteller: BOSCH
Artikelnummer: EB-0611235803-1613435008
Netto: 3,95 € zzgl. MwSt.
zzgl. 6,90 € Versand (brutto)
einmalig pro Bestellung

Lieferzeit: 5 Werktage

Pos.
173
BOSCH Kombi-Schraube 6,3x32 | Ersatzteile für GBH 7-45 DE | 1613433001
Hersteller: BOSCH
Artikelnummer: EB-0611235803-1613433001
Netto: 3,63 € zzgl. MwSt.
zzgl. 6,90 € Versand (brutto)
einmalig pro Bestellung

Lieferzeit: 5 Werktage

Pos.
174
BOSCH Torx-Linsenschraube 5,5x25 | Ersatzteile für GBH 7-45 DE | 1613435010
Hersteller: BOSCH
Artikelnummer: EB-0611235803-1613435010
Netto: 4,32 € zzgl. MwSt.
zzgl. 6,90 € Versand (brutto)
einmalig pro Bestellung

Lieferzeit: 5 Werktage

Pos.
175
BOSCH Blechschraube DIN7981-ST3,9x13-C-Z | Ersatzteile für GBH 7-45 DE | 2912401018
Hersteller: BOSCH
Artikelnummer: EB-0611235803-2912401018
Netto: 3,63 € zzgl. MwSt.
zzgl. 6,90 € Versand (brutto)
einmalig pro Bestellung

Lieferzeit: 5 Werktage

Pos.
661
BOSCH Fetttube 30 ML | Ersatzteile für GBH 7-45 DE | 1615430010
Hersteller: BOSCH
Artikelnummer: EB-0611235803-1615430010
nur Informationsartikel
Nie mehr lieferbar
keine Alternativen
Pos.
803
BOSCH Anker 220-240V | Ersatzteile für GBH 7-45 DE | 1614010213
Hersteller: BOSCH
Artikelnummer: EB-0611235803-1614010213
Netto: 106,72 € zzgl. MwSt.
zzgl. 6,90 € Versand (brutto)
einmalig pro Bestellung

Lieferzeit: 5 Werktage

Pos.
805
BOSCH Netzanschlussleitung | Ersatzteile für GBH 7-45 DE | 1617000723
Hersteller: BOSCH
Artikelnummer: EB-0611235803-1617000723
Netto: 24,13 € zzgl. MwSt.
zzgl. 6,90 € Versand (brutto)
einmalig pro Bestellung

Lieferzeit: 5 Werktage

Pos.
808
BOSCH Typschild | Ersatzteile für GBH 7-45 DE | 160111A3H3
Hersteller: BOSCH
Artikelnummer: EB-0611235803-160111A3H3
Netto: 4,53 € zzgl. MwSt.
zzgl. 6,90 € Versand (brutto)
einmalig pro Bestellung

Lieferzeit: 5 Werktage

Pos.
810
BOSCH Kohlebürstensatz | Ersatzteile für GBH 7-45 DE | 1617014135
Hersteller: BOSCH
Artikelnummer: EB-0611235803-1617014135
Netto: 15,75 € zzgl. MwSt.
zzgl. 6,90 € Versand (brutto)
einmalig pro Bestellung

Lieferzeit: 5 Werktage

Pos.
818
BOSCH Zylinderschraube DIN 84-AM3,5x12-5.8 | Ersatzteile für GBH 7-45 DE | 2910011088
Hersteller: BOSCH
Artikelnummer: EB-0611235803-2910011088
Netto: 3,63 € zzgl. MwSt.
zzgl. 6,90 € Versand (brutto)
einmalig pro Bestellung

Lieferzeit: 5 Werktage

Pos.
821
BOSCH Lagerbuchse | Ersatzteile für GBH 7-45 DE | 1617000824
Hersteller: BOSCH
Artikelnummer: EB-0611235803-1617000824
Netto: 24,13 € zzgl. MwSt.
zzgl. 6,90 € Versand (brutto)
einmalig pro Bestellung

Lieferzeit: 5 Werktage

Pos.
840
BOSCH Schlagwerkgehäuse | Ersatzteile für GBH 7-45 DE | 1617000825
Hersteller: BOSCH
Artikelnummer: EB-0611235803-1617000825
nur Informationsartikel
Nie mehr lieferbar
keine Alternativen
Pos.
841
BOSCH Schlagbolzen | Ersatzteile für GBH 7-45 DE | 1617000474
Hersteller: BOSCH
Artikelnummer: EB-0611235803-1617000474
nur Informationsartikel
Nie mehr lieferbar
keine Alternativen
Pos.
849
BOSCH Schaltgabel | Ersatzteile für GBH 7-45 DE | 1617000826
Hersteller: BOSCH
Artikelnummer: EB-0611235803-1617000826
Netto: 42,86 € zzgl. MwSt.
zzgl. 6,90 € Versand (brutto)
einmalig pro Bestellung

Lieferzeit: 5 Werktage

Pos.
856
BOSCH Hammerkolben | Ersatzteile für GBH 7-45 DE | 1617000873
Hersteller: BOSCH
Artikelnummer: EB-0611235803-1617000873
Netto: 29,45 € zzgl. MwSt.
zzgl. 6,90 € Versand (brutto)
einmalig pro Bestellung

Lieferzeit: 5 Werktage

Pos.
860
BOSCH Stirnradkupplung Z=13/47 | Ersatzteile für GBH 7-45 DE | 1617000828
Hersteller: BOSCH
Artikelnummer: EB-0611235803-1617000828
Netto: 153,18 € zzgl. MwSt.
zzgl. 6,90 € Versand (brutto)
einmalig pro Bestellung

Lieferzeit: 5 Werktage

Pos.
866
BOSCH Rollensatz | Ersatzteile für GBH 7-45 DE | 1617000406
Hersteller: BOSCH
Artikelnummer: EB-0611235803-1617000406
Netto: 6,15 € zzgl. MwSt.
zzgl. 6,90 € Versand (brutto)
einmalig pro Bestellung

Lieferzeit: 5 Werktage

Pos.
872
BOSCH Exzenterzahnrad | Ersatzteile für GBH 7-45 DE | 1617000874
Hersteller: BOSCH
Artikelnummer: EB-0611235803-1617000874
nur Informationsartikel
Nie mehr lieferbar
keine Alternativen
Pos.
873
BOSCH Gehäusedeckel | Ersatzteile für GBH 7-45 DE | 1617000830
Hersteller: BOSCH
Artikelnummer: EB-0611235803-1617000830
nur Informationsartikel
Nie mehr lieferbar
keine Alternativen
Pos.
884
BOSCH Zusatzhandgriff Ø77 MM, M8 | Ersatzteile für GBH 7-45 DE | 1612025051
Hersteller: BOSCH
Artikelnummer: EB-0611235803-1612025051
Netto: 35,77 € zzgl. MwSt.
zzgl. 6,90 € Versand (brutto)
einmalig pro Bestellung

Lieferzeit: 5 Werktage

Pos.
896
BOSCH Verschleissteilsatz | Ersatzteile für GBH 7-45 DE | 1617000407
Hersteller: BOSCH
Artikelnummer: EB-0611235803-1617000407
nur Informationsartikel
Nie mehr lieferbar
keine Alternativen
Pos.
897
BOSCH Verschleissteilsatz | Ersatzteile für GBH 7-45 DE | 1617000408
Hersteller: BOSCH
Artikelnummer: EB-0611235803-1617000408
nur Informationsartikel
Nie mehr lieferbar
keine Alternativen
Pos.
898
BOSCH Verschleissteilsatz | Ersatzteile für GBH 7-45 DE | 1617000409
Hersteller: BOSCH
Artikelnummer: EB-0611235803-1617000409
nur Informationsartikel
Nie mehr lieferbar
keine Alternativen

Angaben zur Produktsicherheit

Hersteller:
Robert Bosch Power Tools GmbH
Postfach 30 02 20
70442 Stuttgart

E-Mail:
kontakt@bosch.de