BOSCH Leitungshalter | Ersatzteile für GBM 1 | 2601035001

Artikelnummer: EB-0601136005-2601035001

Position: 7

Marke: BOSCH


Bitte Kompatibilität prüfen!

Bitte prüfen Sie unbedingt die 10-stellige Typennummer Ihrer Maschine / Ihres Gerätes. Das Ersatzteil ist nur kompatibel, wenn Sie die Typennummer Ihrer Maschine in der unten stehenden Produktbeschreibung finden.

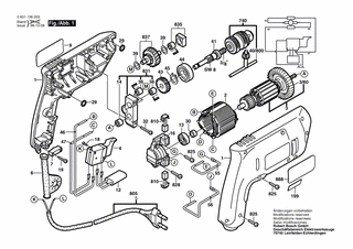
Bitte prüfen Sie ebenfalls detailliert die Explosionszeichnung mit Ihrem Artikelwunsch und der jeweiligen Pos-Nummer.

Alle Elemente, welche vom schwarzen Strich der Pos-Nummer ausgehend berührt / erfasst werden, gehören zu dieser Pos-Nummer und somit zu diesem Artikel. Jede Pos-Nummer ist ein eigenständiger Artikel, welchen Sie in der Auflistung finden.

Sie erhalten stets die aktuellste, neueste Produktversion zu der gewählten Pos-Nummer seitens des Herstellers. Es kann daher je nach Gerätealter vorkommen, dass Sie ggf. weitere, zugehörige Elemente, welche an diese Pos-Nummer grenzen, ebenfalls mittauschen müssen.

Nähere Informationen finden Sie unter dem Link
Hinweise zu Ihrer BOSCH Ersatzteilsuche

Preisübersicht

Einzelpreis: 3,94 €* (Brutto: 4,69 €)
Gesamtpreis: 3,94 €* 
Position:

Lieferzeit: 5 Werktage


Beschreibung

  • Leitungshalter
  • Original Bosch Zubehör / BOSCH Ersatzteil (2601035001)
  • im Gerät verbaut: 1
Dieses BOSCH Ersatzteil ist mit folgendem Gerät und Modell kompatibel:
  • BOSCH Gerätename: GBM 1
  • BOSCH Explosionszeichnung: Position 7
  • BOSCH Typennummer: 0601136005
  • BOSCH Typennummer alternative Schreibweisen: 0 601 136 005, 0601 136 005, 0.601.136.005, 0-601-136-005
    Bitte prüfen Sie diese Typennummer auf Ihrem Gerät um die Kompatibilität des BOSCH Ersatzteils zu gewährleisten.
Weitere BOSCH Ersatzteile des Gerätes GBM 1 (Bohrmaschine) mit der Typennummer 0601136005 finden Sie in der nachfolgenden Darstellung und im Dropdown zu Ihrer Auswahl:

Pos.
1
BOSCH Gehäuseschale BLAU | Ersatzteile für GBM 1 | 2605104342
Hersteller: BOSCH
Artikelnummer: EB-0601136005-2605104342
nur Informationsartikel
Nie mehr lieferbar
keine Alternativen
Pos.
3/60
BOSCH Lüfter | Ersatzteile für GBM 1 | 2606610027
Hersteller: BOSCH
Artikelnummer: EB-0601136005-2606610027
Netto: 4,82 € zzgl. MwSt.
zzgl. 6,90 € Versand (brutto)
einmalig pro Bestellung

Lieferzeit: 5 Werktage

Pos.
40/800
BOSCH Bohrfutterschlüssel DIN 6349-S1 | Ersatzteile für GBM 1 | 1607950028
Hersteller: BOSCH
Artikelnummer: EB-0601136005-1607950028
Netto: 10,12 € zzgl. MwSt.
zzgl. 6,90 € Versand (brutto)
einmalig pro Bestellung

Lieferzeit: 5 Werktage

Pos.
2
BOSCH Polschuh 110-115V | Ersatzteile für GBM 1 | 2604220464
Hersteller: BOSCH
Artikelnummer: EB-0601136005-2604220464
nur Informationsartikel
Nie mehr lieferbar
keine Alternativen
Pos.
3
BOSCH Anker 115V | Ersatzteile für GBM 1 | 2604010837
Hersteller: BOSCH
Artikelnummer: EB-0601136005-2604010837
nur Informationsartikel
Nie mehr lieferbar
keine Alternativen
Pos.
4
BOSCH Ein/Aus-Schalter | Ersatzteile für GBM 1 | 2607200280
Hersteller: BOSCH
Artikelnummer: EB-0601136005-2607200280
nur Informationsartikel
Nie mehr lieferbar
keine Alternativen
Pos.
5
BOSCH Netzanschlussleitung USA/CDN 2,15m 2 x 082mm SJ 18/2 | Ersatzteile für GBM 1 | 2604460170
Hersteller: BOSCH
Artikelnummer: EB-0601136005-2604460170
nur Informationsartikel
Nie mehr lieferbar
keine Alternativen
Pos.
6
BOSCH Tülle Ø8,2x84 MM | Ersatzteile für GBM 1 | 2600707063
Hersteller: BOSCH
Artikelnummer: EB-0601136005-2600707063
Netto: 3,94 € zzgl. MwSt.
zzgl. 6,90 € Versand (brutto)
einmalig pro Bestellung

Lieferzeit: 5 Werktage

Pos.
6
BOSCH Tülle Ø8,8 MM | Ersatzteile für GBM 1 | 2600707061
Hersteller: BOSCH
Artikelnummer: EB-0601136005-2600707061
nur Informationsartikel
Nie mehr lieferbar
keine Alternativen
Pos.
7
BOSCH Leitungshalter | Ersatzteile für GBM 1 | 2601035001
Hersteller: BOSCH
Artikelnummer: EB-0601136005-2601035001
Netto: 3,94 € zzgl. MwSt.
zzgl. 6,90 € Versand (brutto)
einmalig pro Bestellung

Lieferzeit: 5 Werktage

Pos.
9
BOSCH Firmenschild | Ersatzteile für GBM 1 | 2609130053
Hersteller: BOSCH
Artikelnummer: EB-0601136005-2609130053
nur Informationsartikel
Nie mehr lieferbar
keine Alternativen
Pos.
13
BOSCH Kugellager 7x19x6 | Ersatzteile für GBM 1 | 2600905032
Hersteller: BOSCH
Artikelnummer: EB-0601136005-2600905032
Netto: 6,15 € zzgl. MwSt.
zzgl. 6,90 € Versand (brutto)
einmalig pro Bestellung

Lieferzeit: 28 Werktage

Pos.
14
BOSCH Nadellager Ø8x8 MM | Ersatzteile für GBM 1 | 2600917003
Hersteller: BOSCH
Artikelnummer: EB-0601136005-2600917003
Netto: 4,82 € zzgl. MwSt.
zzgl. 6,90 € Versand (brutto)
einmalig pro Bestellung

Lieferzeit: 5 Werktage

Pos.
16
BOSCH Bürstenplatte | Ersatzteile für GBM 1 | 2605807039
Hersteller: BOSCH
Artikelnummer: EB-0601136005-2605807039
nur Informationsartikel
Nie mehr lieferbar
keine Alternativen
Pos.
18
BOSCH Zylinderschraube M3x6,5-4.8 | Ersatzteile für GBM 1 | 2603410001
Hersteller: BOSCH
Artikelnummer: EB-0601136005-2603410001
Netto: 3,94 € zzgl. MwSt.
zzgl. 6,90 € Versand (brutto)
einmalig pro Bestellung

Lieferzeit: 5 Werktage

Pos.
19
BOSCH Blechschraube DIN 7981-ST3,9x16-C-H | Ersatzteile für GBM 1 | 2910611019
Hersteller: BOSCH
Artikelnummer: EB-0601136005-2910611019
nur Informationsartikel
Nie mehr lieferbar
keine Alternativen
Pos.
29
BOSCH O-Ring 5,0x1,5 MM | Ersatzteile für GBM 1 | 1900210000
Hersteller: BOSCH
Artikelnummer: EB-0601136005-1900210000
Netto: 3,94 € zzgl. MwSt.
zzgl. 6,90 € Versand (brutto)
einmalig pro Bestellung

Lieferzeit: 5 Werktage

Pos.
30
BOSCH Distanzring | Ersatzteile für GBM 1 | 2600209004
Hersteller: BOSCH
Artikelnummer: EB-0601136005-2600209004
nur Informationsartikel
Nie mehr lieferbar
keine Alternativen
Pos.
32
BOSCH Torx-Linsenschraube 4x25 | Ersatzteile für GBM 1 | 2603490024
Hersteller: BOSCH
Artikelnummer: EB-0601136005-2603490024
Netto: 3,94 € zzgl. MwSt.
zzgl. 6,90 € Versand (brutto)
einmalig pro Bestellung

Lieferzeit: 5 Werktage

Pos.
36
BOSCH Nadelhülse | Ersatzteile für GBM 1 | 2600917004
Hersteller: BOSCH
Artikelnummer: EB-0601136005-2600917004
Netto: 5,19 € zzgl. MwSt.
zzgl. 6,90 € Versand (brutto)
einmalig pro Bestellung

Lieferzeit: 5 Werktage

Pos.
39
BOSCH Ausgleichscheibe 0,3 MM | Ersatzteile für GBM 1 | 2600100627
Hersteller: BOSCH
Artikelnummer: EB-0601136005-2600100627
Netto: 3,94 € zzgl. MwSt.
zzgl. 6,90 € Versand (brutto)
einmalig pro Bestellung

Lieferzeit: 5 Werktage

Pos.
41
BOSCH Bohrspindel 3/8", SW 8 | Ersatzteile für GBM 1 | 2606135915
Hersteller: BOSCH
Artikelnummer: EB-0601136005-2606135915
nur Informationsartikel
Nie mehr lieferbar
keine Alternativen
Pos.
43
BOSCH Stirnrad Z=26 | Ersatzteile für GBM 1 | 2606319059
Hersteller: BOSCH
Artikelnummer: EB-0601136005-2606319059
nur Informationsartikel
Nie mehr lieferbar
keine Alternativen
Pos.
44
BOSCH Rillenkugellager 6200-2Z DIN 625 | Ersatzteile für GBM 1 | 1900905232
Hersteller: BOSCH
Artikelnummer: EB-0601136005-1900905232
Netto: 19,18 € zzgl. MwSt.
zzgl. 6,90 € Versand (brutto)
einmalig pro Bestellung

Lieferzeit: 5 Werktage

Pos.
45
BOSCH Sicherungsring DIN 471-10x1MM-FSt | Ersatzteile für GBM 1 | 2916650001
Hersteller: BOSCH
Artikelnummer: EB-0601136005-2916650001
Netto: 4,53 € zzgl. MwSt.
zzgl. 6,90 € Versand (brutto)
einmalig pro Bestellung

Lieferzeit: 5 Werktage

Pos.
46
BOSCH Verbindungsleitung | Ersatzteile für GBM 1 | 2604448152
Hersteller: BOSCH
Artikelnummer: EB-0601136005-2604448152
nur Informationsartikel
Nie mehr lieferbar
keine Alternativen
Pos.
47
BOSCH Verbindungsleitung | Ersatzteile für GBM 1 | 2604448153
Hersteller: BOSCH
Artikelnummer: EB-0601136005-2604448153
nur Informationsartikel
Nie mehr lieferbar
keine Alternativen
Pos.
55
BOSCH Verbindungsleitung L=52MM WEISS | Ersatzteile für GBM 1 | 2604448016
Hersteller: BOSCH
Artikelnummer: EB-0601136005-2604448016
Netto: 3,94 € zzgl. MwSt.
zzgl. 6,90 € Versand (brutto)
einmalig pro Bestellung

Lieferzeit: 5 Werktage

Pos.
56
BOSCH Verbindungsleitung L=88 MM WEISS | Ersatzteile für GBM 1 | 2604448034
Hersteller: BOSCH
Artikelnummer: EB-0601136005-2604448034
Netto: 3,94 € zzgl. MwSt.
zzgl. 6,90 € Versand (brutto)
einmalig pro Bestellung

Lieferzeit: 5 Werktage

Pos.
210
BOSCH Hinweisschild | Ersatzteile für DRILL | 2609130002
Hersteller: BOSCH
Artikelnummer: EB-0601136005-2609130002
nur Informationsartikel
Nie mehr lieferbar
keine Alternativen
Pos.
740
BOSCH Zahnkranzbohrfutter 0,5-6,5 MM, 3/8" | Ersatzteile für GBM 1 | 2608571010
Hersteller: BOSCH
Artikelnummer: EB-0601136005-2608571010
Netto: 30,67 € zzgl. MwSt.
zzgl. 6,90 € Versand (brutto)
einmalig pro Bestellung

Lieferzeit: 5 Werktage

Pos.
810
BOSCH Kohlebürstensatz | Ersatzteile für GBM 1 | 2607014004
Hersteller: BOSCH
Artikelnummer: EB-0601136005-2607014004
nur Informationsartikel
Nie mehr lieferbar
keine Alternativen
Pos.
825
BOSCH Blechschraube DIN 7981-B2,9x16-C-H | Ersatzteile für GBM 1 | 2910611007
Hersteller: BOSCH
Artikelnummer: EB-0601136005-2910611007
Netto: 3,63 € zzgl. MwSt.
zzgl. 6,90 € Versand (brutto)
einmalig pro Bestellung

Lieferzeit: 5 Werktage

Pos.
828
BOSCH Blechschraube DIN 7981-ST3,9x19-C-H | Ersatzteile für GBM 1 | 2910611020
Hersteller: BOSCH
Artikelnummer: EB-0601136005-2910611020
Netto: 3,94 € zzgl. MwSt.
zzgl. 6,90 € Versand (brutto)
einmalig pro Bestellung

Lieferzeit: 5 Werktage

Pos.
831
BOSCH Lagerbrücke | Ersatzteile für GBM 1 | 2605807922
Hersteller: BOSCH
Artikelnummer: EB-0601136005-2605807922
nur Informationsartikel
Nie mehr lieferbar
keine Alternativen
Pos.
835
BOSCH Lagerstück | Ersatzteile für GBM 1 | 2602305003
Hersteller: BOSCH
Artikelnummer: EB-0601136005-2602305003
nur Informationsartikel
Nie mehr lieferbar
keine Alternativen
Pos.
837
BOSCH Zahnwelle Z=19/55 | Ersatzteile für GBM 1 | 2606311907
Hersteller: BOSCH
Artikelnummer: EB-0601136005-2606311907
nur Informationsartikel
Nie mehr lieferbar
keine Alternativen
Pos.
888
BOSCH Typschild | Ersatzteile für GBM 1 | 160111A3H3
Hersteller: BOSCH
Artikelnummer: EB-0601136005-160111A3H3
Netto: 4,53 € zzgl. MwSt.
zzgl. 6,90 € Versand (brutto)
einmalig pro Bestellung

Lieferzeit: 5 Werktage

Angaben zur Produktsicherheit

Hersteller:
Robert Bosch Power Tools GmbH
Postfach 30 02 20
70442 Stuttgart

E-Mail:
kontakt@bosch.de