BOSCH Zylinderschraube M3x6,5-4.8 | Ersatzteile für GBM 1 | 2603410001

Artikelnummer: EB-0601136038-2603410001

Position: 18

Marke: BOSCH


Bitte Kompatibilität prüfen!

Bitte prüfen Sie unbedingt die 10-stellige Typennummer Ihrer Maschine / Ihres Gerätes. Das Ersatzteil ist nur kompatibel, wenn Sie die Typennummer Ihrer Maschine in der unten stehenden Produktbeschreibung finden.

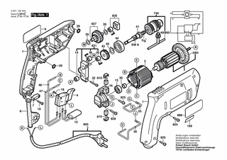
Bitte prüfen Sie ebenfalls detailliert die Explosionszeichnung mit Ihrem Artikelwunsch und der jeweiligen Pos-Nummer.

Alle Elemente, welche vom schwarzen Strich der Pos-Nummer ausgehend berührt / erfasst werden, gehören zu dieser Pos-Nummer und somit zu diesem Artikel. Jede Pos-Nummer ist ein eigenständiger Artikel, welchen Sie in der Auflistung finden.

Sie erhalten stets die aktuellste, neueste Produktversion zu der gewählten Pos-Nummer seitens des Herstellers. Es kann daher je nach Gerätealter vorkommen, dass Sie ggf. weitere, zugehörige Elemente, welche an diese Pos-Nummer grenzen, ebenfalls mittauschen müssen.

Nähere Informationen finden Sie unter dem Link
Hinweise zu Ihrer BOSCH Ersatzteilsuche

Preisübersicht

Einzelpreis: 3,94 €* (Brutto: 4,69 €)
Gesamtpreis: 3,94 €* 
Position:

Lieferzeit: 5 Werktage


Beschreibung

  • Zylinderschraube M3x6,5-4.8
  • Original Bosch Zubehör / BOSCH Ersatzteil (2603410001)
  • im Gerät verbaut: 1
Dieses BOSCH Ersatzteil ist mit folgendem Gerät und Modell kompatibel:
  • BOSCH Gerätename: GBM 1
  • BOSCH Explosionszeichnung: Position 18
  • BOSCH Typennummer: 0601136038
  • BOSCH Typennummer alternative Schreibweisen: 0 601 136 038, 0601 136 038, 0.601.136.038, 0-601-136-038
    Bitte prüfen Sie diese Typennummer auf Ihrem Gerät um die Kompatibilität des BOSCH Ersatzteils zu gewährleisten.
Weitere BOSCH Ersatzteile des Gerätes GBM 1 (Bohrmaschine) mit der Typennummer 0601136038 finden Sie in der nachfolgenden Darstellung und im Dropdown zu Ihrer Auswahl:

Pos.
3/60
BOSCH Lüfter | Ersatzteile für GBM 1 | 2606610027
Hersteller: BOSCH
Artikelnummer: EB-0601136038-2606610027
Netto: 4,82 € zzgl. MwSt.
zzgl. 6,90 € Versand (brutto)
einmalig pro Bestellung

Lieferzeit: 5 Werktage

Pos.
40/800
BOSCH Bohrfutterschlüssel DIN 6349-S1 | Ersatzteile für GBM 1 | 1607950028
Hersteller: BOSCH
Artikelnummer: EB-0601136038-1607950028
Netto: 10,12 € zzgl. MwSt.
zzgl. 6,90 € Versand (brutto)
einmalig pro Bestellung

Lieferzeit: 5 Werktage

Pos.
6
BOSCH Tülle Ø7x8,4 MM | Ersatzteile für GBM 1 | 2600707062
Hersteller: BOSCH
Artikelnummer: EB-0601136038-2600707062
Netto: 3,94 € zzgl. MwSt.
zzgl. 6,90 € Versand (brutto)
einmalig pro Bestellung

Lieferzeit: 5 Werktage

Pos.
7
BOSCH Leitungshalter | Ersatzteile für GBM 1 | 1611035005
Hersteller: BOSCH
Artikelnummer: EB-0601136038-1611035005
nur Informationsartikel
Nie mehr lieferbar
keine Alternativen
Pos.
13
BOSCH Kugellager 7x19x6 | Ersatzteile für GBM 1 | 2600905032
Hersteller: BOSCH
Artikelnummer: EB-0601136038-2600905032
Netto: 6,15 € zzgl. MwSt.
zzgl. 6,90 € Versand (brutto)
einmalig pro Bestellung

Lieferzeit: 27 Werktage

Pos.
14
BOSCH Nadellager Ø8x8 MM | Ersatzteile für GBM 1 | 2600917003
Hersteller: BOSCH
Artikelnummer: EB-0601136038-2600917003
Netto: 4,82 € zzgl. MwSt.
zzgl. 6,90 € Versand (brutto)
einmalig pro Bestellung

Lieferzeit: 5 Werktage

Pos.
18
BOSCH Zylinderschraube M3x6,5-4.8 | Ersatzteile für GBM 1 | 2603410001
Hersteller: BOSCH
Artikelnummer: EB-0601136038-2603410001
Netto: 3,94 € zzgl. MwSt.
zzgl. 6,90 € Versand (brutto)
einmalig pro Bestellung

Lieferzeit: 5 Werktage

Pos.
32
BOSCH Torx-Linsenschraube 4x25 | Ersatzteile für GBM 1 | 2603490024
Hersteller: BOSCH
Artikelnummer: EB-0601136038-2603490024
Netto: 3,94 € zzgl. MwSt.
zzgl. 6,90 € Versand (brutto)
einmalig pro Bestellung

Lieferzeit: 5 Werktage

Pos.
45
BOSCH Sicherungsring DIN 471-10x1MM-FSt | Ersatzteile für GBM 1 | 2916650001
Hersteller: BOSCH
Artikelnummer: EB-0601136038-2916650001
Netto: 4,53 € zzgl. MwSt.
zzgl. 6,90 € Versand (brutto)
einmalig pro Bestellung

Lieferzeit: 5 Werktage

Pos.
180
BOSCH Warnschild ACHTUNG | Ersatzteile für DRILL | 3601119137
Hersteller: BOSCH
Artikelnummer: EB-0601136038-3601119137
Netto: 5,19 € zzgl. MwSt.
zzgl. 6,90 € Versand (brutto)
einmalig pro Bestellung

Lieferzeit: 5 Werktage

Pos.
740
BOSCH Zahnkranzbohrfutter Ø 1,5-13 MM,1/2" | Ersatzteile für GBM 1 | 1608571048
Hersteller: BOSCH
Artikelnummer: EB-0601136038-1608571048
Netto: 36,01 € zzgl. MwSt.
zzgl. 6,90 € Versand (brutto)
einmalig pro Bestellung

Lieferzeit: 5 Werktage

Pos.
888
BOSCH Typschild | Ersatzteile für GBM 1 | 160111A3H3
Hersteller: BOSCH
Artikelnummer: EB-0601136038-160111A3H3
Netto: 4,53 € zzgl. MwSt.
zzgl. 6,90 € Versand (brutto)
einmalig pro Bestellung

Lieferzeit: 5 Werktage

Angaben zur Produktsicherheit

Hersteller:
Robert Bosch Power Tools GmbH
Postfach 30 02 20
70442 Stuttgart

E-Mail:
kontakt@bosch.de