BOSCH Lüfter | Ersatzteile für GBM 1 | 2606610027

Artikelnummer: EB-0601136142-2606610027

Position: 3/60

Marke: BOSCH


Bitte Kompatibilität prüfen!

Bitte prüfen Sie unbedingt die 10-stellige Typennummer Ihrer Maschine / Ihres Gerätes. Das Ersatzteil ist nur kompatibel, wenn Sie die Typennummer Ihrer Maschine in der unten stehenden Produktbeschreibung finden.

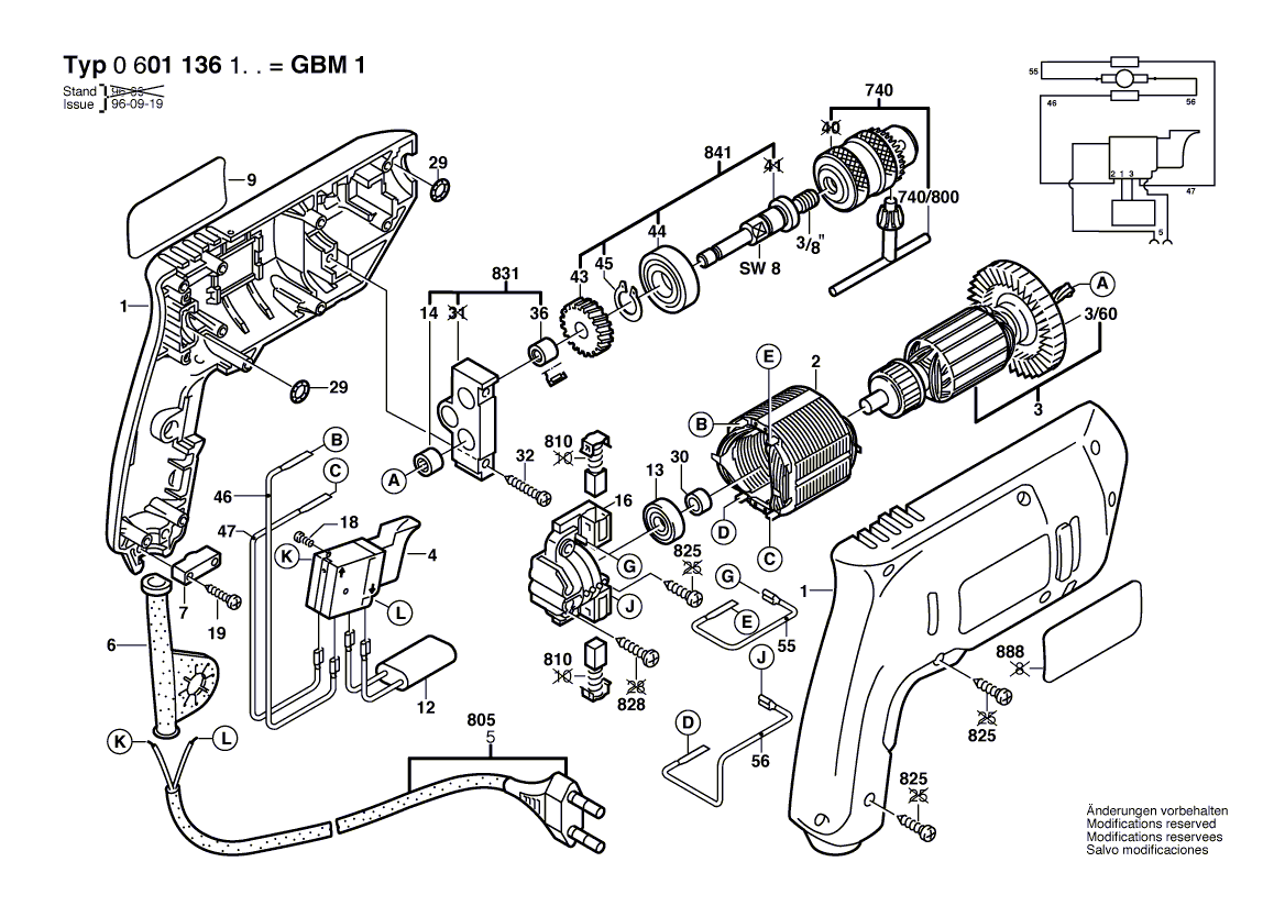
Bitte prüfen Sie ebenfalls detailliert die Explosionszeichnung mit Ihrem Artikelwunsch und der jeweiligen Pos-Nummer.

Alle Elemente, welche vom schwarzen Strich der Pos-Nummer ausgehend berührt / erfasst werden, gehören zu dieser Pos-Nummer und somit zu diesem Artikel. Jede Pos-Nummer ist ein eigenständiger Artikel, welchen Sie in der Auflistung finden.

Sie erhalten stets die aktuellste, neueste Produktversion zu der gewählten Pos-Nummer seitens des Herstellers. Es kann daher je nach Gerätealter vorkommen, dass Sie ggf. weitere, zugehörige Elemente, welche an diese Pos-Nummer grenzen, ebenfalls mittauschen müssen.

Nähere Informationen finden Sie unter dem Link
Hinweise zu Ihrer BOSCH Ersatzteilsuche

Preisübersicht

Einzelpreis: 4,82 €* (Brutto: 5,74 €)
Gesamtpreis: 4,82 €* 
Position:

Lieferzeit: 5 Werktage


Beschreibung

  • Lüfter
  • Original Bosch Zubehör / BOSCH Ersatzteil (2606610027)
  • im Gerät verbaut: 1
Dieses BOSCH Ersatzteil ist mit folgendem Gerät und Modell kompatibel:
  • BOSCH Gerätename: GBM 1
  • BOSCH Explosionszeichnung: Position 3/60
  • BOSCH Typennummer: 0601136142
  • BOSCH Typennummer alternative Schreibweisen: 0 601 136 142, 0601 136 142, 0.601.136.142, 0-601-136-142
    Bitte prüfen Sie diese Typennummer auf Ihrem Gerät um die Kompatibilität des BOSCH Ersatzteils zu gewährleisten.
Weitere BOSCH Ersatzteile des Gerätes GBM 1 (Bohrmaschine) mit der Typennummer 0601136142 finden Sie in der nachfolgenden Darstellung und im Dropdown zu Ihrer Auswahl:

Pos.
3/60
BOSCH Lüfter | Ersatzteile für GBM 1 | 2606610027
Hersteller: BOSCH
Artikelnummer: EB-0601136142-2606610027
Netto: 4,82 € zzgl. MwSt.
zzgl. 6,90 € Versand (brutto)
einmalig pro Bestellung

Lieferzeit: 5 Werktage

Pos.
740/800
BOSCH Bohrfutterschlüssel SG2 | Ersatzteile für GBM 1 | 2607950007
Hersteller: BOSCH
Artikelnummer: EB-0601136142-2607950007
Netto: 7,30 € zzgl. MwSt.
zzgl. 6,90 € Versand (brutto)
einmalig pro Bestellung

Lieferzeit: 5 Werktage

Pos.
6
BOSCH Tülle Ø7x8,4 MM | Ersatzteile für GBM 1 | 2600707062
Hersteller: BOSCH
Artikelnummer: EB-0601136142-2600707062
Netto: 3,94 € zzgl. MwSt.
zzgl. 6,90 € Versand (brutto)
einmalig pro Bestellung

Lieferzeit: 5 Werktage

Pos.
6
BOSCH Tülle Ø8,8 MM | Ersatzteile für GBM 1 | 2600707061
Hersteller: BOSCH
Artikelnummer: EB-0601136142-2600707061
nur Informationsartikel
Nie mehr lieferbar
keine Alternativen
Pos.
7
BOSCH Leitungshalter | Ersatzteile für GBM 1 | 2601035001
Hersteller: BOSCH
Artikelnummer: EB-0601136142-2601035001
Netto: 3,94 € zzgl. MwSt.
zzgl. 6,90 € Versand (brutto)
einmalig pro Bestellung

Lieferzeit: 5 Werktage

Pos.
13
BOSCH Kugellager 7x19x6 | Ersatzteile für GBM 1 | 2600905032
Hersteller: BOSCH
Artikelnummer: EB-0601136142-2600905032
Netto: 6,15 € zzgl. MwSt.
zzgl. 6,90 € Versand (brutto)
einmalig pro Bestellung

Lieferzeit: 25 Werktage

Pos.
14
BOSCH Nadellager Ø8x8 MM | Ersatzteile für GBM 1 | 2600917003
Hersteller: BOSCH
Artikelnummer: EB-0601136142-2600917003
Netto: 4,82 € zzgl. MwSt.
zzgl. 6,90 € Versand (brutto)
einmalig pro Bestellung

Lieferzeit: 5 Werktage

Pos.
18
BOSCH Zylinderschraube M3x6,5-4.8 | Ersatzteile für GBM 1 | 2603410001
Hersteller: BOSCH
Artikelnummer: EB-0601136142-2603410001
Netto: 3,94 € zzgl. MwSt.
zzgl. 6,90 € Versand (brutto)
einmalig pro Bestellung

Lieferzeit: 5 Werktage

Pos.
29
BOSCH O-Ring 5,0x1,5 MM | Ersatzteile für GBM 1 | 1900210000
Hersteller: BOSCH
Artikelnummer: EB-0601136142-1900210000
Netto: 3,94 € zzgl. MwSt.
zzgl. 6,90 € Versand (brutto)
einmalig pro Bestellung

Lieferzeit: 5 Werktage

Pos.
30
BOSCH Distanzring | Ersatzteile für GBM 1 | 2600209004
Hersteller: BOSCH
Artikelnummer: EB-0601136142-2600209004
nur Informationsartikel
Nie mehr lieferbar
keine Alternativen
Pos.
32
BOSCH Torx-Linsenschraube 4x25 | Ersatzteile für GBM 1 | 2603490024
Hersteller: BOSCH
Artikelnummer: EB-0601136142-2603490024
Netto: 3,94 € zzgl. MwSt.
zzgl. 6,90 € Versand (brutto)
einmalig pro Bestellung

Lieferzeit: 5 Werktage

Pos.
36
BOSCH Nadelhülse | Ersatzteile für GBM 1 | 2600917004
Hersteller: BOSCH
Artikelnummer: EB-0601136142-2600917004
Netto: 5,19 € zzgl. MwSt.
zzgl. 6,90 € Versand (brutto)
einmalig pro Bestellung

Lieferzeit: 5 Werktage

Pos.
44
BOSCH Rillenkugellager 6200-2Z DIN 625 | Ersatzteile für GBM 1 | 1900905232
Hersteller: BOSCH
Artikelnummer: EB-0601136142-1900905232
Netto: 19,18 € zzgl. MwSt.
zzgl. 6,90 € Versand (brutto)
einmalig pro Bestellung

Lieferzeit: 5 Werktage

Pos.
45
BOSCH Sicherungsring DIN 471-10x1MM-FSt | Ersatzteile für GBM 1 | 2916650001
Hersteller: BOSCH
Artikelnummer: EB-0601136142-2916650001
Netto: 4,53 € zzgl. MwSt.
zzgl. 6,90 € Versand (brutto)
einmalig pro Bestellung

Lieferzeit: 5 Werktage

Pos.
740
BOSCH Zahnkranzbohrfutter Ø 1-10 MM, 3/8" | Ersatzteile für GBM 1 | 1608571047
Hersteller: BOSCH
Artikelnummer: EB-0601136142-1608571047
nur Informationsartikel
Nie mehr lieferbar
keine Alternativen
Pos.
841
BOSCH Bohrspindel 3/8" - 24 UNF 2A | Ersatzteile für GBM 1 | 2606135916
Hersteller: BOSCH
Artikelnummer: EB-0601136142-2606135916
nur Informationsartikel
Nie mehr lieferbar
keine Alternativen
Pos.
888
BOSCH Typschild | Ersatzteile für GBM 1 | 160111A3H3
Hersteller: BOSCH
Artikelnummer: EB-0601136142-160111A3H3
Netto: 4,53 € zzgl. MwSt.
zzgl. 6,90 € Versand (brutto)
einmalig pro Bestellung

Lieferzeit: 5 Werktage

Angaben zur Produktsicherheit

Hersteller:
Robert Bosch Power Tools GmbH
Postfach 30 02 20
70442 Stuttgart

E-Mail:
kontakt@bosch.de