BOSCH Bürstenhalter | Ersatzteile für GBM 10-2 | 2604337003

Artikelnummer: EB-0601168037-2604337003

Position: 16

Marke: BOSCH


Bitte Kompatibilität prüfen!

Bitte prüfen Sie unbedingt die 10-stellige Typennummer Ihrer Maschine / Ihres Gerätes. Das Ersatzteil ist nur kompatibel, wenn Sie die Typennummer Ihrer Maschine in der unten stehenden Produktbeschreibung finden.

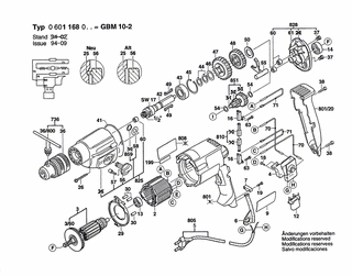
Bitte prüfen Sie ebenfalls detailliert die Explosionszeichnung mit Ihrem Artikelwunsch und der jeweiligen Pos-Nummer.

Alle Elemente, welche vom schwarzen Strich der Pos-Nummer ausgehend berührt / erfasst werden, gehören zu dieser Pos-Nummer und somit zu diesem Artikel. Jede Pos-Nummer ist ein eigenständiger Artikel, welchen Sie in der Auflistung finden.

Sie erhalten stets die aktuellste, neueste Produktversion zu der gewählten Pos-Nummer seitens des Herstellers. Es kann daher je nach Gerätealter vorkommen, dass Sie ggf. weitere, zugehörige Elemente, welche an diese Pos-Nummer grenzen, ebenfalls mittauschen müssen.

Nähere Informationen finden Sie unter dem Link
Hinweise zu Ihrer BOSCH Ersatzteilsuche

Preisübersicht

Einzelpreis: 4,32 €* (Brutto: 5,14 €)
Gesamtpreis: 4,32 €* 
Position:

Lieferzeit: 5 Werktage


Beschreibung

  • Bürstenhalter
  • Original Bosch Zubehör / BOSCH Ersatzteil (2604337003)
  • im Gerät verbaut: 1
Dieses BOSCH Ersatzteil ist mit folgendem Gerät und Modell kompatibel:
  • BOSCH Gerätename: GBM 10-2
  • BOSCH Explosionszeichnung: Position 16
  • BOSCH Typennummer: 0601168037
  • BOSCH Typennummer alternative Schreibweisen: 0 601 168 037, 0601 168 037, 0.601.168.037, 0-601-168-037
    Bitte prüfen Sie diese Typennummer auf Ihrem Gerät um die Kompatibilität des BOSCH Ersatzteils zu gewährleisten.
Weitere BOSCH Ersatzteile des Gerätes GBM 10-2 (Bohrmaschine) mit der Typennummer 0601168037 finden Sie in der nachfolgenden Darstellung und im Dropdown zu Ihrer Auswahl:

Pos.
3/60
BOSCH Lüfter | Ersatzteile für GBM 10-2 | 2606610027
Hersteller: BOSCH
Artikelnummer: EB-0601168037-2606610027
Netto: 4,82 € zzgl. MwSt.
zzgl. 6,90 € Versand (brutto)
einmalig pro Bestellung

Lieferzeit: 5 Werktage

Pos.
36/800
BOSCH Bohrfutterschlüssel SG2 | Ersatzteile für GBM 10-2 | 2607950007
Hersteller: BOSCH
Artikelnummer: EB-0601168037-2607950007
Netto: 7,30 € zzgl. MwSt.
zzgl. 6,90 € Versand (brutto)
einmalig pro Bestellung

Lieferzeit: 5 Werktage

Pos.
801/20
BOSCH Gehäusedeckel DUNKELBLAU | Ersatzteile für GBM 10-2 | 3605133521
Hersteller: BOSCH
Artikelnummer: EB-0601168037-3605133521
Netto: 8,33 € zzgl. MwSt.
zzgl. 6,90 € Versand (brutto)
einmalig pro Bestellung

Lieferzeit: 5 Werktage

Pos.
2
BOSCH Polschuh 230V | Ersatzteile für GBM 10-2 | 2604220392
Hersteller: BOSCH
Artikelnummer: EB-0601168037-2604220392
Netto: 21,16 € zzgl. MwSt.
zzgl. 6,90 € Versand (brutto)
einmalig pro Bestellung

Lieferzeit: 5 Werktage

Pos.
3
BOSCH Anker 230V | Ersatzteile für GBM 10-2 | 2604010850
Hersteller: BOSCH
Artikelnummer: EB-0601168037-2604010850
nur Informationsartikel
Nie mehr lieferbar
keine Alternativen
Pos.
4
BOSCH Schalter | Ersatzteile für GBM 10-2 | 2607200260
Hersteller: BOSCH
Artikelnummer: EB-0601168037-2607200260
Netto: 9,18 € zzgl. MwSt.
zzgl. 6,90 € Versand (brutto)
einmalig pro Bestellung

Lieferzeit: 5 Werktage

Pos.
5
BOSCH Netzanschlussleitung AUS 2,6m 2 x 0,75mm PVC | Ersatzteile für GBM 10-2 | 2604460061
Hersteller: BOSCH
Artikelnummer: EB-0601168037-2604460061
nur Informationsartikel
Nie mehr lieferbar
keine Alternativen
Pos.
6
BOSCH Tülle Ø11,6-Ø12,5x84 MM | Ersatzteile für GBM 10-2 | 2600707060
Hersteller: BOSCH
Artikelnummer: EB-0601168037-2600707060
Netto: 4,53 € zzgl. MwSt.
zzgl. 6,90 € Versand (brutto)
einmalig pro Bestellung

Lieferzeit: 5 Werktage

Pos.
6
BOSCH Tülle Ø8,8 MM | Ersatzteile für GBM 10-2 | 2600707061
Hersteller: BOSCH
Artikelnummer: EB-0601168037-2600707061
nur Informationsartikel
Nie mehr lieferbar
keine Alternativen
Pos.
7
BOSCH Leitungshalter | Ersatzteile für GBM 10-2 | 2601035001
Hersteller: BOSCH
Artikelnummer: EB-0601168037-2601035001
Netto: 3,94 € zzgl. MwSt.
zzgl. 6,90 € Versand (brutto)
einmalig pro Bestellung

Lieferzeit: 5 Werktage

Pos.
9
BOSCH Firmenschild SONNENSEITE | Ersatzteile für GBM 10-2 | 9920490125
Hersteller: BOSCH
Artikelnummer: EB-0601168037-9920490125
nur Informationsartikel
Nie mehr lieferbar
keine Alternativen
Pos.
12
BOSCH Entstörkondensator | Ersatzteile für GBM 10-2 | 2607329138
Hersteller: BOSCH
Artikelnummer: EB-0601168037-2607329138
nur Informationsartikel
Nie mehr lieferbar
keine Alternativen
Pos.
13
BOSCH Kugellager 7x22x7 | Ersatzteile für GBM 10-2 | 1900905018
Hersteller: BOSCH
Artikelnummer: EB-0601168037-1900905018
Netto: 15,75 € zzgl. MwSt.
zzgl. 6,90 € Versand (brutto)
einmalig pro Bestellung

Lieferzeit: 5 Werktage

Pos.
14
BOSCH Kugellager 9x24x7 | Ersatzteile für GBM 10-2 | 2600905095
Hersteller: BOSCH
Artikelnummer: EB-0601168037-2600905095
Netto: 10,92 € zzgl. MwSt.
zzgl. 6,90 € Versand (brutto)
einmalig pro Bestellung

Lieferzeit: 5 Werktage

Pos.
16
BOSCH Bürstenhalter | Ersatzteile für GBM 10-2 | 2604337003
Hersteller: BOSCH
Artikelnummer: EB-0601168037-2604337003
Netto: 4,32 € zzgl. MwSt.
zzgl. 6,90 € Versand (brutto)
einmalig pro Bestellung

Lieferzeit: 5 Werktage

Pos.
18
BOSCH Zylinderschraube M3x6,5-4.8 | Ersatzteile für GBM 10-2 | 2603410001
Hersteller: BOSCH
Artikelnummer: EB-0601168037-2603410001
Netto: 3,94 € zzgl. MwSt.
zzgl. 6,90 € Versand (brutto)
einmalig pro Bestellung

Lieferzeit: 5 Werktage

Pos.
19
BOSCH Blechschraube DIN 7981-ST3,9x16-C-H | Ersatzteile für GBM 10-2 | 2910611019
Hersteller: BOSCH
Artikelnummer: EB-0601168037-2910611019
nur Informationsartikel
Nie mehr lieferbar
keine Alternativen
Pos.
26
BOSCH Blechschraube DIN 7981-ST3,9x32C-H | Ersatzteile für GBM 10-2 | 2912405082
Hersteller: BOSCH
Artikelnummer: EB-0601168037-2912405082
nur Informationsartikel
Nie mehr lieferbar
keine Alternativen
Pos.
29
BOSCH Abdeckscheibe | Ersatzteile für GBM 10-2 | 3600590505
Hersteller: BOSCH
Artikelnummer: EB-0601168037-3600590505
Netto: 3,94 € zzgl. MwSt.
zzgl. 6,90 € Versand (brutto)
einmalig pro Bestellung

Lieferzeit: 5 Werktage

Pos.
30
BOSCH Gummipuffer | Ersatzteile für GBM 10-2 | 3602391503
Hersteller: BOSCH
Artikelnummer: EB-0601168037-3602391503
nur Informationsartikel
Nie mehr lieferbar
keine Alternativen
Pos.
37
BOSCH Gewindefurchschraube M4x8 | Ersatzteile für GBM 10-2 | 2603410048
Hersteller: BOSCH
Artikelnummer: EB-0601168037-2603410048
Netto: 3,94 € zzgl. MwSt.
zzgl. 6,90 € Versand (brutto)
einmalig pro Bestellung

Lieferzeit: 5 Werktage

Pos.
38
BOSCH Blechschraube DIN 7981-ST3,9x25C-H | Ersatzteile für GBM 10-2 | 2910615022
Hersteller: BOSCH
Artikelnummer: EB-0601168037-2910615022
nur Informationsartikel
Nie mehr lieferbar
keine Alternativen
Pos.
41
BOSCH Flachdichtring | Ersatzteile für GBM 10-2 | 2601015012
Hersteller: BOSCH
Artikelnummer: EB-0601168037-2601015012
Netto: 3,94 € zzgl. MwSt.
zzgl. 6,90 € Versand (brutto)
einmalig pro Bestellung

Lieferzeit: 5 Werktage

Pos.
42
BOSCH Bohrspindel 1/2", SW 17 | Ersatzteile für GBM 10-2 | 2606135011
Hersteller: BOSCH
Artikelnummer: EB-0601168037-2606135011
nur Informationsartikel
Nie mehr lieferbar
keine Alternativen
Pos.
43
BOSCH Kugellager Ø15 MM | Ersatzteile für GBM 10-2 | 1900905110
Hersteller: BOSCH
Artikelnummer: EB-0601168037-1900905110
Netto: 9,18 € zzgl. MwSt.
zzgl. 6,90 € Versand (brutto)
einmalig pro Bestellung

Lieferzeit: 5 Werktage

Pos.
44
BOSCH Sicherungsbügel DIN 471-15x1-FSt | Ersatzteile für GBM 10-2 | 2916650006
Hersteller: BOSCH
Artikelnummer: EB-0601168037-2916650006
Netto: 3,94 € zzgl. MwSt.
zzgl. 6,90 € Versand (brutto)
einmalig pro Bestellung

Lieferzeit: 5 Werktage

Pos.
45
BOSCH Sicherungsbügel DIN 472-32x1,2 MM | Ersatzteile für GBM 10-2 | 2916660013
Hersteller: BOSCH
Artikelnummer: EB-0601168037-2916660013
Netto: 4,32 € zzgl. MwSt.
zzgl. 6,90 € Versand (brutto)
einmalig pro Bestellung

Lieferzeit: 5 Werktage

Pos.
46
BOSCH Ausgleichscheibe 0,5 MM | Ersatzteile für GBM 10-2 | 2600100695
Hersteller: BOSCH
Artikelnummer: EB-0601168037-2600100695
Netto: 3,94 € zzgl. MwSt.
zzgl. 6,90 € Versand (brutto)
einmalig pro Bestellung

Lieferzeit: 5 Werktage

Pos.
47
BOSCH Stirnrad | Ersatzteile für GBM 10-2 | 2606316316
Hersteller: BOSCH
Artikelnummer: EB-0601168037-2606316316
Netto: 24,13 € zzgl. MwSt.
zzgl. 6,90 € Versand (brutto)
einmalig pro Bestellung

Lieferzeit: 5 Werktage

Pos.
48
BOSCH Stirnrad | Ersatzteile für GBM 10-2 | 2606316317
Hersteller: BOSCH
Artikelnummer: EB-0601168037-2606316317
Netto: 21,16 € zzgl. MwSt.
zzgl. 6,90 € Versand (brutto)
einmalig pro Bestellung

Lieferzeit: 5 Werktage

Pos.
49
BOSCH Flachkeil | Ersatzteile für GBM 10-2 | 2602300033
Hersteller: BOSCH
Artikelnummer: EB-0601168037-2602300033
Netto: 6,70 € zzgl. MwSt.
zzgl. 6,90 € Versand (brutto)
einmalig pro Bestellung

Lieferzeit: 5 Werktage

Pos.
50
BOSCH Ausgleichscheibe 1,5 MM | Ersatzteile für GBM 10-2 | 2600101668
Hersteller: BOSCH
Artikelnummer: EB-0601168037-2600101668
Netto: 4,82 € zzgl. MwSt.
zzgl. 6,90 € Versand (brutto)
einmalig pro Bestellung

Lieferzeit: 5 Werktage

Pos.
54
BOSCH Ausgleichscheibe 0,3 MM | Ersatzteile für GBM 10-2 | 2600100607
Hersteller: BOSCH
Artikelnummer: EB-0601168037-2600100607
Netto: 3,94 € zzgl. MwSt.
zzgl. 6,90 € Versand (brutto)
einmalig pro Bestellung

Lieferzeit: 5 Werktage

Pos.
55
BOSCH Verstellschieber SCHWARZ | Ersatzteile für GBM 10-2 | 2602033007
Hersteller: BOSCH
Artikelnummer: EB-0601168037-2602033007
nur Informationsartikel
Nie mehr lieferbar
keine Alternativen
Pos.
56
BOSCH Drehknopf | Ersatzteile für GBM 10-2 | 2602026006
Hersteller: BOSCH
Artikelnummer: EB-0601168037-2602026006
nur Informationsartikel
Nie mehr lieferbar
keine Alternativen
Pos.
57
BOSCH Rastkappe | Ersatzteile für GBM 10-2 | 2600590006
Hersteller: BOSCH
Artikelnummer: EB-0601168037-2600590006
Netto: 3,94 € zzgl. MwSt.
zzgl. 6,90 € Versand (brutto)
einmalig pro Bestellung

Lieferzeit: 5 Werktage

Pos.
58
BOSCH Distanzscheibe | Ersatzteile für GBM 10-2 | 2600100618
Hersteller: BOSCH
Artikelnummer: EB-0601168037-2600100618
Netto: 3,63 € zzgl. MwSt.
zzgl. 6,90 € Versand (brutto)
einmalig pro Bestellung

Lieferzeit: 5 Werktage

Pos.
60
BOSCH Nadellager Ø6 MM | Ersatzteile für GBM 10-2 | 2600914010
Hersteller: BOSCH
Artikelnummer: EB-0601168037-2600914010
Netto: 4,82 € zzgl. MwSt.
zzgl. 6,90 € Versand (brutto)
einmalig pro Bestellung

Lieferzeit: 5 Werktage

Pos.
61
BOSCH Haltestift | Ersatzteile für GBM 10-2 | 2603105043
Hersteller: BOSCH
Artikelnummer: EB-0601168037-2603105043
nur Informationsartikel
Nie mehr lieferbar
keine Alternativen
Pos.
63
BOSCH Torx-Linsenschraube 3x10 | Ersatzteile für GBM 10-2 | 2603490017
Hersteller: BOSCH
Artikelnummer: EB-0601168037-2603490017
Netto: 4,32 € zzgl. MwSt.
zzgl. 6,90 € Versand (brutto)
einmalig pro Bestellung

Lieferzeit: 5 Werktage

Pos.
70
BOSCH Elektr Leitung L=130 MM WEISS | Ersatzteile für GBM 10-2 | 2604448005
Hersteller: BOSCH
Artikelnummer: EB-0601168037-2604448005
Netto: 3,94 € zzgl. MwSt.
zzgl. 6,90 € Versand (brutto)
einmalig pro Bestellung

Lieferzeit: 5 Werktage

Pos.
71
BOSCH Verbindungskabel L=68 MM WEISS | Ersatzteile für GBM 10-2 | 2604448100
Hersteller: BOSCH
Artikelnummer: EB-0601168037-2604448100
Netto: 3,63 € zzgl. MwSt.
zzgl. 6,90 € Versand (brutto)
einmalig pro Bestellung

Lieferzeit: 5 Werktage

Pos.
71
BOSCH Verbindungskabel L=96MM WEISS | Ersatzteile für GBM 10-2 | 2604448133
Hersteller: BOSCH
Artikelnummer: EB-0601168037-2604448133
nur Informationsartikel
Nie mehr lieferbar
keine Alternativen
Pos.
736
BOSCH Zahnkranzbohrfutter Ø1-10 MM, 1/2"-24UNF | Ersatzteile für GBM 10-2 | 1608571054
Hersteller: BOSCH
Artikelnummer: EB-0601168037-1608571054
nur Informationsartikel
Nie mehr lieferbar
keine Alternativen
Pos.
801
BOSCH Gehäusesatz DUNKELBLAU | Ersatzteile für GBM 10-2 | 3605108576
Hersteller: BOSCH
Artikelnummer: EB-0601168037-3605108576
Netto: 12,98 € zzgl. MwSt.
zzgl. 6,90 € Versand (brutto)
einmalig pro Bestellung

Lieferzeit: 5 Werktage

Pos.
808
BOSCH Hinweisschild SCHATTENSEITE | Ersatzteile für GBM 10-2 | 9920490115
Hersteller: BOSCH
Artikelnummer: EB-0601168037-9920490115
Netto: 5,19 € zzgl. MwSt.
zzgl. 6,90 € Versand (brutto)
einmalig pro Bestellung

Lieferzeit: 5 Werktage

Pos.
810
BOSCH Kohlebürstensatz | Ersatzteile für GBM 10-2 | 2604321905
Hersteller: BOSCH
Artikelnummer: EB-0601168037-2604321905
Netto: 9,18 € zzgl. MwSt.
zzgl. 6,90 € Versand (brutto)
einmalig pro Bestellung

Lieferzeit: 5 Werktage

Pos.
825
BOSCH Getriebegehäuse SCHWARZ | Ersatzteile für GBM 10-2 | 2605806997
Hersteller: BOSCH
Artikelnummer: EB-0601168037-2605806997
nur Informationsartikel
Nie mehr lieferbar
keine Alternativen
Pos.
828
BOSCH Zwischenflansch | Ersatzteile für GBM 10-2 | 2605700940
Hersteller: BOSCH
Artikelnummer: EB-0601168037-2605700940
nur Informationsartikel
Nie mehr lieferbar
keine Alternativen
Pos.
851
BOSCH Zahnwelle Z=29/18/11 | Ersatzteile für GBM 10-2 | 2606308915
Hersteller: BOSCH
Artikelnummer: EB-0601168037-2606308915
nur Informationsartikel
Nie mehr lieferbar
keine Alternativen
Pos.
859
BOSCH Rollensatz | Ersatzteile für DRILL | 1619P01375
Hersteller: BOSCH
Artikelnummer: EB-0601168037-1619P01375
Netto: 9,95 € zzgl. MwSt.
zzgl. 6,90 € Versand (brutto)
einmalig pro Bestellung

Lieferzeit: 5 Werktage

Pos.
859
BOSCH Sicherungsscheibe DIN 6799-2,3 | Ersatzteile für GBM 10-2 | 2916080005
Hersteller: BOSCH
Artikelnummer: EB-0601168037-2916080005
Netto: 8,72 € zzgl. MwSt.
zzgl. 6,90 € Versand (brutto)
einmalig pro Bestellung

Lieferzeit: 5 Werktage

Pos.
859
BOSCH Sicherungsscheibe DIN 6799-4-FSt | Ersatzteile für GBM 10-2 | 2916080007
Hersteller: BOSCH
Artikelnummer: EB-0601168037-2916080007
Netto: 4,53 € zzgl. MwSt.
zzgl. 6,90 € Versand (brutto)
einmalig pro Bestellung

Lieferzeit: 5 Werktage

Angaben zur Produktsicherheit

Hersteller:
Robert Bosch Power Tools GmbH
Postfach 30 02 20
70442 Stuttgart

E-Mail:
kontakt@bosch.de