BOSCH Polschuh 230-240V | Ersatzteile für GBM 10 REX | 2604220526

Artikelnummer: EB-0601001762-2604220526

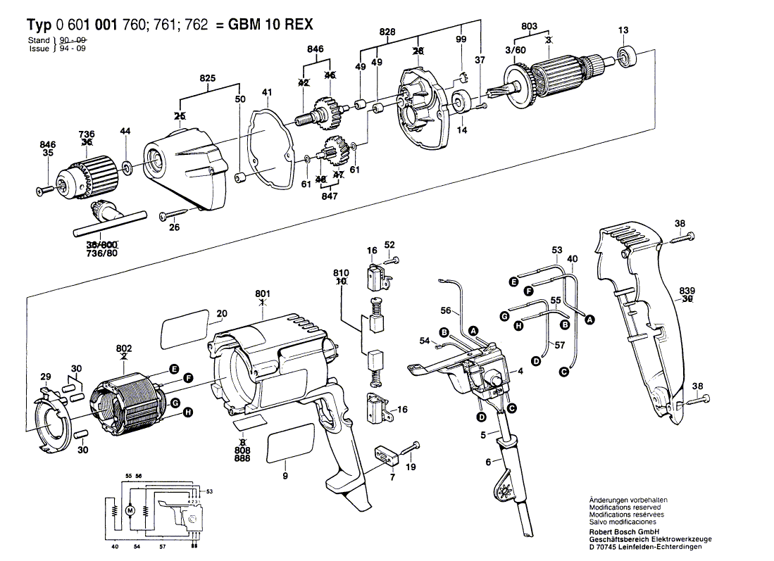
Position: 802

Marke: BOSCH


Bitte Kompatibilität prüfen!

Bitte prüfen Sie unbedingt die 10-stellige Typennummer Ihrer Maschine / Ihres Gerätes. Das Ersatzteil ist nur kompatibel, wenn Sie die Typennummer Ihrer Maschine in der unten stehenden Produktbeschreibung finden.

Bitte prüfen Sie ebenfalls detailliert die Explosionszeichnung mit Ihrem Artikelwunsch und der jeweiligen Pos-Nummer.

Alle Elemente, welche vom schwarzen Strich der Pos-Nummer ausgehend berührt / erfasst werden, gehören zu dieser Pos-Nummer und somit zu diesem Artikel. Jede Pos-Nummer ist ein eigenständiger Artikel, welchen Sie in der Auflistung finden.

Sie erhalten stets die aktuellste, neueste Produktversion zu der gewählten Pos-Nummer seitens des Herstellers. Es kann daher je nach Gerätealter vorkommen, dass Sie ggf. weitere, zugehörige Elemente, welche an diese Pos-Nummer grenzen, ebenfalls mittauschen müssen.

Nähere Informationen finden Sie unter dem Link
Hinweise zu Ihrer BOSCH Ersatzteilsuche

Preisübersicht

Einzelpreis: 18,86 €* (Brutto: 22,44 €)
Gesamtpreis: 18,86 €* 
Position:

Lieferzeit: 5 Werktage


Beschreibung

  • Polschuh 230-240V
  • Original Bosch Zubehör / BOSCH Ersatzteil (2604220526)
  • im Gerät verbaut: 1
Dieses BOSCH Ersatzteil ist mit folgendem Gerät und Modell kompatibel:
  • BOSCH Gerätename: GBM 10 REX
  • BOSCH Explosionszeichnung: Position 802
  • BOSCH Typennummer: 0601001762
  • BOSCH Typennummer alternative Schreibweisen: 0 601 001 762, 0601 001 762, 0.601.001.762, 0-601-001-762
    Bitte prüfen Sie diese Typennummer auf Ihrem Gerät um die Kompatibilität des BOSCH Ersatzteils zu gewährleisten.
Weitere BOSCH Ersatzteile des Gerätes GBM 10 REX (Bohrmaschine) mit der Typennummer 0601001762 finden Sie in der nachfolgenden Darstellung und im Dropdown zu Ihrer Auswahl:

Pos.
3/60
BOSCH Lüfter | Ersatzteile für GBM 10 REX | 2606610027
Hersteller: BOSCH
Artikelnummer: EB-0601001762-2606610027
Netto: 4,80 € zzgl. MwSt.
zzgl. 6,90 € Versand (brutto)
einmalig pro Bestellung

Lieferzeit: 5 Werktage

Pos.
736/800
BOSCH Bohrfutterschlüssel SG 2 | Ersatzteile für DRILL | 3608571511
Hersteller: BOSCH
Artikelnummer: EB-0601001762-3608571511
Netto: 6,27 € zzgl. MwSt.
zzgl. 6,90 € Versand (brutto)
einmalig pro Bestellung

Lieferzeit: 5 Werktage

Pos.
4
BOSCH Ein/Aus-Schalter | Ersatzteile für GBM 10 REX | 3607200526
Hersteller: BOSCH
Artikelnummer: EB-0601001762-3607200526
nur Informationsartikel
Nie mehr lieferbar
keine Alternativen
Pos.
5
BOSCH Netzanschlussleitung 2,65m 2 x 1,0mm PVC | Ersatzteile für GBM 10 REX | 3604460602
Hersteller: BOSCH
Artikelnummer: EB-0601001762-3604460602
nur Informationsartikel
Nie mehr lieferbar
keine Alternativen
Pos.
6
BOSCH Tülle Ø11,6-Ø12,5x84 MM | Ersatzteile für GBM 10 REX | 2600707060
Hersteller: BOSCH
Artikelnummer: EB-0601001762-2600707060
nur Informationsartikel
Nie mehr lieferbar
keine Alternativen
Pos.
7
BOSCH Leitungshalter | Ersatzteile für GBM 10 REX | 2601035001
Hersteller: BOSCH
Artikelnummer: EB-0601001762-2601035001
Netto: 3,94 € zzgl. MwSt.
zzgl. 6,90 € Versand (brutto)
einmalig pro Bestellung

Lieferzeit: 5 Werktage

Pos.
9
BOSCH Firmenschild | Ersatzteile für GBM 10 REX | 3601119710
Hersteller: BOSCH
Artikelnummer: EB-0601001762-3601119710
nur Informationsartikel
Nie mehr lieferbar
keine Alternativen
Pos.
13
BOSCH Kugellager 7x22x7 | Ersatzteile für GBM 10 REX | 1900905018
Hersteller: BOSCH
Artikelnummer: EB-0601001762-1900905018
Netto: 15,15 € zzgl. MwSt.
zzgl. 6,90 € Versand (brutto)
einmalig pro Bestellung

Lieferzeit: 5 Werktage

Pos.
14
BOSCH Rillenkugellager | Ersatzteile für GBM 10 REX | 1610905013
Hersteller: BOSCH
Artikelnummer: EB-0601001762-1610905013
nur Informationsartikel
Nie mehr lieferbar
keine Alternativen
Pos.
16
BOSCH Bürstenhalter | Ersatzteile für GBM 10 REX | 2604337003
Hersteller: BOSCH
Artikelnummer: EB-0601001762-2604337003
Netto: 4,36 € zzgl. MwSt.
zzgl. 6,90 € Versand (brutto)
einmalig pro Bestellung

Lieferzeit: 5 Werktage

Pos.
19
BOSCH Blechschraube DIN 7981-ST3,9x16-C-H | Ersatzteile für GBM 10 REX | 2910611019
Hersteller: BOSCH
Artikelnummer: EB-0601001762-2910611019
nur Informationsartikel
Nie mehr lieferbar
keine Alternativen
Pos.
20
BOSCH Hinweisschild | Ersatzteile für GBM 10 REX | 3601119677
Hersteller: BOSCH
Artikelnummer: EB-0601001762-3601119677
nur Informationsartikel
Nie mehr lieferbar
keine Alternativen
Pos.
26
BOSCH Blechschraube DIN 7981-ST3,9x32C-H | Ersatzteile für GBM 10 REX | 2912405082
Hersteller: BOSCH
Artikelnummer: EB-0601001762-2912405082
nur Informationsartikel
Nie mehr lieferbar
keine Alternativen
Pos.
29
BOSCH Abdeckscheibe | Ersatzteile für GBM 10 REX | 3600590505
Hersteller: BOSCH
Artikelnummer: EB-0601001762-3600590505
Netto: 3,94 € zzgl. MwSt.
zzgl. 6,90 € Versand (brutto)
einmalig pro Bestellung

Lieferzeit: 5 Werktage

Pos.
30
BOSCH Gummipuffer | Ersatzteile für GBM 10 REX | 3602391503
Hersteller: BOSCH
Artikelnummer: EB-0601001762-3602391503
nur Informationsartikel
Nie mehr lieferbar
keine Alternativen
Pos.
35
BOSCH Flachkopfschraube | Ersatzteile für GBM 10 REX | 3603430506
Hersteller: BOSCH
Artikelnummer: EB-0601001762-3603430506
nur Informationsartikel
Nie mehr lieferbar
keine Alternativen
Pos.
37
BOSCH Gewindefurchschraube M4x8 | Ersatzteile für GBM 10 REX | 2603410048
Hersteller: BOSCH
Artikelnummer: EB-0601001762-2603410048
Netto: 3,94 € zzgl. MwSt.
zzgl. 6,90 € Versand (brutto)
einmalig pro Bestellung

Lieferzeit: 5 Werktage

Pos.
38
BOSCH Blechschraube DIN 7981-ST3,9x25C-H | Ersatzteile für GBM 10 REX | 2910615022
Hersteller: BOSCH
Artikelnummer: EB-0601001762-2910615022
nur Informationsartikel
Nie mehr lieferbar
keine Alternativen
Pos.
40
BOSCH Verbindungsleitung | Ersatzteile für GBM 10 REX | 3604448500
Hersteller: BOSCH
Artikelnummer: EB-0601001762-3604448500
nur Informationsartikel
Nie mehr lieferbar
keine Alternativen
Pos.
41
BOSCH Flachdichtring | Ersatzteile für GBM 10 REX | 3601016502
Hersteller: BOSCH
Artikelnummer: EB-0601001762-3601016502
nur Informationsartikel
Nie mehr lieferbar
keine Alternativen
Pos.
44
BOSCH Distanzscheibe | Ersatzteile für GBM 10 REX | 3600102505
Hersteller: BOSCH
Artikelnummer: EB-0601001762-3600102505
nur Informationsartikel
Nie mehr lieferbar
keine Alternativen
Pos.
49
BOSCH Kugellager | Ersatzteile für GBM 10 REX | 3600900531
Hersteller: BOSCH
Artikelnummer: EB-0601001762-3600900531
nur Informationsartikel
Nie mehr lieferbar
keine Alternativen
Pos.
49
BOSCH Nadelbüchse | Ersatzteile für GBM 10 REX | 3600910505
Hersteller: BOSCH
Artikelnummer: EB-0601001762-3600910505
nur Informationsartikel
Nie mehr lieferbar
keine Alternativen
Pos.
50
BOSCH Nadelhülse Ø6/12 MM | Ersatzteile für GBM 10 REX | 2600914017
Hersteller: BOSCH
Artikelnummer: EB-0601001762-2600914017
nur Informationsartikel
Nie mehr lieferbar
keine Alternativen
Pos.
52
BOSCH Torx-Linsenschraube 3x10 | Ersatzteile für GBM 10 REX | 2603490017
Hersteller: BOSCH
Artikelnummer: EB-0601001762-2603490017
nur Informationsartikel
Nie mehr lieferbar
keine Alternativen
Pos.
53
BOSCH Verbindungsleitung | Ersatzteile für GBM 10 REX | 3604448501
Hersteller: BOSCH
Artikelnummer: EB-0601001762-3604448501
nur Informationsartikel
Nie mehr lieferbar
keine Alternativen
Pos.
54
BOSCH Verbindungsleitung | Ersatzteile für GBM 10 REX | 3604448502
Hersteller: BOSCH
Artikelnummer: EB-0601001762-3604448502
nur Informationsartikel
Nie mehr lieferbar
keine Alternativen
Pos.
55
BOSCH Verbindungsleitung | Ersatzteile für GBM 10 REX | 3604448503
Hersteller: BOSCH
Artikelnummer: EB-0601001762-3604448503
Netto: 4,39 € zzgl. MwSt.
zzgl. 6,90 € Versand (brutto)
einmalig pro Bestellung

Lieferzeit: 5 Werktage

Pos.
56
BOSCH Verbindungsleitung | Ersatzteile für GBM 10 REX | 3604448504
Hersteller: BOSCH
Artikelnummer: EB-0601001762-3604448504
nur Informationsartikel
Nie mehr lieferbar
keine Alternativen
Pos.
57
BOSCH Verbindungsleitung | Ersatzteile für GBM 10 REX | 3604448505
Hersteller: BOSCH
Artikelnummer: EB-0601001762-3604448505
nur Informationsartikel
Nie mehr lieferbar
keine Alternativen
Pos.
61
BOSCH Ausgleichscheibe 0,3 MM | Ersatzteile für GBM 10 REX | 2600100607
Hersteller: BOSCH
Artikelnummer: EB-0601001762-2600100607
Netto: 3,94 € zzgl. MwSt.
zzgl. 6,90 € Versand (brutto)
einmalig pro Bestellung

Lieferzeit: 5 Werktage

Pos.
99
BOSCH Sicherungsscheibe | Ersatzteile für GBM 10 REX | 3600171504
Hersteller: BOSCH
Artikelnummer: EB-0601001762-3600171504
nur Informationsartikel
Nie mehr lieferbar
keine Alternativen
Pos.
736
BOSCH Zahnkranzbohrfutter 3/8" | Ersatzteile für GBM 10 REX | 3608571535
Hersteller: BOSCH
Artikelnummer: EB-0601001762-3608571535
nur Informationsartikel
Nie mehr lieferbar
keine Alternativen
Pos.
801
BOSCH Motorgehäuse DUNKELBLAU | Ersatzteile für GBM 10 REX | 3605108557
Hersteller: BOSCH
Artikelnummer: EB-0601001762-3605108557
Netto: 20,80 € zzgl. MwSt.
zzgl. 6,90 € Versand (brutto)
einmalig pro Bestellung

Lieferzeit: 5 Werktage

Pos.
802
BOSCH Polschuh 230-240V | Ersatzteile für GBM 10 REX | 2604220526
Hersteller: BOSCH
Artikelnummer: EB-0601001762-2604220526
Netto: 18,86 € zzgl. MwSt.
zzgl. 6,90 € Versand (brutto)
einmalig pro Bestellung

Lieferzeit: 5 Werktage

Pos.
803
BOSCH Anker 230V | Ersatzteile für GBM 10 REX | 2604010803
Hersteller: BOSCH
Artikelnummer: EB-0601001762-2604010803
nur Informationsartikel
Nie mehr lieferbar
keine Alternativen
Pos.
808
BOSCH Typschild | Ersatzteile für GBM 10 REX | 3601119764
Hersteller: BOSCH
Artikelnummer: EB-0601001762-3601119764
nur Informationsartikel
Nie mehr lieferbar
keine Alternativen
Pos.
810
BOSCH Kohlebürstensatz | Ersatzteile für GBM 10 REX | 2604321905
Hersteller: BOSCH
Artikelnummer: EB-0601001762-2604321905
Netto: 9,75 € zzgl. MwSt.
zzgl. 6,90 € Versand (brutto)
einmalig pro Bestellung

Lieferzeit: 5 Werktage

Pos.
825
BOSCH Getriebegehäuse SCHWARZ | Ersatzteile für GBM 10 REX | 3605190514
Hersteller: BOSCH
Artikelnummer: EB-0601001762-3605190514
Netto: 32,85 € zzgl. MwSt.
zzgl. 6,90 € Versand (brutto)
einmalig pro Bestellung

Lieferzeit: 5 Werktage

Pos.
828
BOSCH Lagerbrücke | Ersatzteile für GBM 10 REX | 3605806537
Hersteller: BOSCH
Artikelnummer: EB-0601001762-3605806537
Netto: 23,72 € zzgl. MwSt.
zzgl. 6,90 € Versand (brutto)
einmalig pro Bestellung

Lieferzeit: 5 Werktage

Pos.
839
BOSCH Gehäusedeckel DUNKELBLAU | Ersatzteile für GBM 10 REX | 3605133521
Hersteller: BOSCH
Artikelnummer: EB-0601001762-3605133521
Netto: 8,23 € zzgl. MwSt.
zzgl. 6,90 € Versand (brutto)
einmalig pro Bestellung

Lieferzeit: 5 Werktage

Pos.
846
BOSCH Stirnradgetriebe | Ersatzteile für GBM 10 REX | 3606120552
Hersteller: BOSCH
Artikelnummer: EB-0601001762-3606120552
nur Informationsartikel
Nie mehr lieferbar
keine Alternativen
Pos.
847
BOSCH Getriebewelle | Ersatzteile für GBM 10 REX | 3606319519
Hersteller: BOSCH
Artikelnummer: EB-0601001762-3606319519
Netto: 24,19 € zzgl. MwSt.
zzgl. 6,90 € Versand (brutto)
einmalig pro Bestellung

Lieferzeit: 5 Werktage

Pos.
888
BOSCH Typschild | Ersatzteile für GBM 10 REX | 160111A3H3
Hersteller: BOSCH
Artikelnummer: EB-0601001762-160111A3H3
Netto: 4,56 € zzgl. MwSt.
zzgl. 6,90 € Versand (brutto)
einmalig pro Bestellung

Lieferzeit: 5 Werktage

Angaben zur Produktsicherheit

Hersteller:
Robert Bosch Power Tools GmbH
Postfach 30 02 20
70442 Stuttgart

E-Mail:
kontakt@bosch.de