BOSCH Tülle Ø11,6-Ø12,5x84 MM | Ersatzteile für GBM 350 | 2600707060

Artikelnummer: EB-0601139005-2600707060

Position: 6

Marke: BOSCH


Bitte Kompatibilität prüfen!

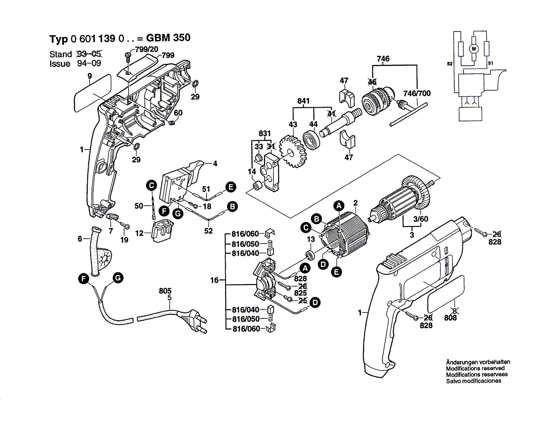
Bitte prüfen Sie unbedingt die 10-stellige Typennummer Ihrer Maschine / Ihres Gerätes. Das Ersatzteil ist nur kompatibel, wenn Sie die Typennummer Ihrer Maschine in der unten stehenden Produktbeschreibung finden.

Bitte prüfen Sie ebenfalls detailliert die Explosionszeichnung mit Ihrem Artikelwunsch und der jeweiligen Pos-Nummer.

Alle Elemente, welche vom schwarzen Strich der Pos-Nummer ausgehend berührt / erfasst werden, gehören zu dieser Pos-Nummer und somit zu diesem Artikel. Jede Pos-Nummer ist ein eigenständiger Artikel, welchen Sie in der Auflistung finden.

Sie erhalten stets die aktuellste, neueste Produktversion zu der gewählten Pos-Nummer seitens des Herstellers. Es kann daher je nach Gerätealter vorkommen, dass Sie ggf. weitere, zugehörige Elemente, welche an diese Pos-Nummer grenzen, ebenfalls mittauschen müssen.

Nähere Informationen finden Sie unter dem Link
Hinweise zu Ihrer BOSCH Ersatzteilsuche

Preisübersicht

Einzelpreis: 4,53 €* (Brutto: 5,39 €)
Gesamtpreis: 4,53 €* 
Position:

Lieferzeit: 5 Werktage


Beschreibung

  • Tülle Ø11,6-Ø12,5x84 MM
  • Original Bosch Zubehör / BOSCH Ersatzteil (2600707060)
  • im Gerät verbaut: 1
Dieses BOSCH Ersatzteil ist mit folgendem Gerät und Modell kompatibel:
  • BOSCH Gerätename: GBM 350
  • BOSCH Explosionszeichnung: Position 6
  • BOSCH Typennummer: 0601139005
  • BOSCH Typennummer alternative Schreibweisen: 0 601 139 005, 0601 139 005, 0.601.139.005, 0-601-139-005
    Bitte prüfen Sie diese Typennummer auf Ihrem Gerät um die Kompatibilität des BOSCH Ersatzteils zu gewährleisten.
Weitere BOSCH Ersatzteile des Gerätes GBM 350 (Bohrmaschine) mit der Typennummer 0601139005 finden Sie in der nachfolgenden Darstellung und im Dropdown zu Ihrer Auswahl:

Pos.
1
BOSCH Gehäuseschale BLAU | Ersatzteile für GBM 350 | 2605104316
Hersteller: BOSCH
Artikelnummer: EB-0601139005-2605104316
nur Informationsartikel
Nie mehr lieferbar
keine Alternativen
Pos.
3/60
BOSCH Lüfter | Ersatzteile für GBM 350 | 1606610116
Hersteller: BOSCH
Artikelnummer: EB-0601139005-1606610116
Netto: 5,34 € zzgl. MwSt.
zzgl. 6,90 € Versand (brutto)
einmalig pro Bestellung

Lieferzeit: 5 Werktage

Pos.
3/60
BOSCH Ventilator | Ersatzteile für DRILL | 1619P11262
Hersteller: BOSCH
Artikelnummer: EB-0601139005-1619P11262
Netto: 4,82 € zzgl. MwSt.
zzgl. 6,90 € Versand (brutto)
einmalig pro Bestellung

Lieferzeit: 5 Werktage

Pos.
746/700
BOSCH Bohrfutterschlüssel SG2 | Ersatzteile für GBM 350 | 2607950007
Hersteller: BOSCH
Artikelnummer: EB-0601139005-2607950007
Netto: 7,30 € zzgl. MwSt.
zzgl. 6,90 € Versand (brutto)
einmalig pro Bestellung

Lieferzeit: 5 Werktage

Pos.
816/040
BOSCH Kohlebürstensatz | Ersatzteile für GBM 350 | 2604321914
Hersteller: BOSCH
Artikelnummer: EB-0601139005-2604321914
nur Informationsartikel
Nie mehr lieferbar
keine Alternativen
Pos.
816/050
BOSCH Druckfeder | Ersatzteile für GBM 350 | 2604610026
Hersteller: BOSCH
Artikelnummer: EB-0601139005-2604610026
Netto: 4,53 € zzgl. MwSt.
zzgl. 6,90 € Versand (brutto)
einmalig pro Bestellung

Lieferzeit: 5 Werktage

Pos.
816/060
BOSCH Rastkappe | Ersatzteile für GBM 350 | 2601322013
Hersteller: BOSCH
Artikelnummer: EB-0601139005-2601322013
Netto: 3,94 € zzgl. MwSt.
zzgl. 6,90 € Versand (brutto)
einmalig pro Bestellung

Lieferzeit: 5 Werktage

Pos.
2
BOSCH Polschuh 100-115V | Ersatzteile für GBM 350 | 2604220543
Hersteller: BOSCH
Artikelnummer: EB-0601139005-2604220543
nur Informationsartikel
Nie mehr lieferbar
keine Alternativen
Pos.
3
BOSCH Anker 110-115V | Ersatzteile für GBM 350 | 2604011035
Hersteller: BOSCH
Artikelnummer: EB-0601139005-2604011035
nur Informationsartikel
Nie mehr lieferbar
keine Alternativen
Pos.
4
BOSCH Schalter | Ersatzteile für GBM 350 | 2607200260
Hersteller: BOSCH
Artikelnummer: EB-0601139005-2607200260
Netto: 9,18 € zzgl. MwSt.
zzgl. 6,90 € Versand (brutto)
einmalig pro Bestellung

Lieferzeit: 5 Werktage

Pos.
5
BOSCH Netzanschlussleitung USA/CDN 2,15m 2 x 0,82mm SJ 18/2 | Ersatzteile für GBM 350 | 2604460122
Hersteller: BOSCH
Artikelnummer: EB-0601139005-2604460122
nur Informationsartikel
Nie mehr lieferbar
keine Alternativen
Pos.
6
BOSCH Tülle Ø11,6-Ø12,5x84 MM | Ersatzteile für GBM 350 | 2600707060
Hersteller: BOSCH
Artikelnummer: EB-0601139005-2600707060
Netto: 4,53 € zzgl. MwSt.
zzgl. 6,90 € Versand (brutto)
einmalig pro Bestellung

Lieferzeit: 5 Werktage

Pos.
6
BOSCH Tülle Ø8,8 MM | Ersatzteile für GBM 350 | 2600707061
Hersteller: BOSCH
Artikelnummer: EB-0601139005-2600707061
nur Informationsartikel
Nie mehr lieferbar
keine Alternativen
Pos.
7
BOSCH Leitungshalter | Ersatzteile für GBM 350 | 2601035001
Hersteller: BOSCH
Artikelnummer: EB-0601139005-2601035001
Netto: 3,94 € zzgl. MwSt.
zzgl. 6,90 € Versand (brutto)
einmalig pro Bestellung

Lieferzeit: 5 Werktage

Pos.
9
BOSCH Firmenschild SONNENSEITE | Ersatzteile für GBM 350 | 2601118355
Hersteller: BOSCH
Artikelnummer: EB-0601139005-2601118355
Netto: 5,21 € zzgl. MwSt.
zzgl. 6,90 € Versand (brutto)
einmalig pro Bestellung

Lieferzeit: 5 Werktage

Pos.
13
BOSCH Rillenkugellager 8x19x6 | Ersatzteile für GBM 350 | 2600905046
Hersteller: BOSCH
Artikelnummer: EB-0601139005-2600905046
Netto: 9,95 € zzgl. MwSt.
zzgl. 6,90 € Versand (brutto)
einmalig pro Bestellung

Lieferzeit: 5 Werktage

Pos.
14
BOSCH Nadellager Ø8x8 MM | Ersatzteile für GBM 350 | 2600917003
Hersteller: BOSCH
Artikelnummer: EB-0601139005-2600917003
Netto: 4,82 € zzgl. MwSt.
zzgl. 6,90 € Versand (brutto)
einmalig pro Bestellung

Lieferzeit: 5 Werktage

Pos.
16
BOSCH Bürstenplatte | Ersatzteile für GBM 350 | 2605807055
Hersteller: BOSCH
Artikelnummer: EB-0601139005-2605807055
nur Informationsartikel
Nie mehr lieferbar
keine Alternativen
Pos.
18
BOSCH Zylinderschraube M3x6,5-4.8 | Ersatzteile für GBM 350 | 2603410001
Hersteller: BOSCH
Artikelnummer: EB-0601139005-2603410001
Netto: 3,94 € zzgl. MwSt.
zzgl. 6,90 € Versand (brutto)
einmalig pro Bestellung

Lieferzeit: 5 Werktage

Pos.
29
BOSCH O-Ring 5,0x1,75 MM | Ersatzteile für GBM 350 | 2600210036
Hersteller: BOSCH
Artikelnummer: EB-0601139005-2600210036
nur Informationsartikel
Nie mehr lieferbar
keine Alternativen
Pos.
33
BOSCH Verschlussdeckel | Ersatzteile für GBM 350 | 2605500111
Hersteller: BOSCH
Artikelnummer: EB-0601139005-2605500111
nur Informationsartikel
Nie mehr lieferbar
keine Alternativen
Pos.
44
BOSCH Rillenkugellager 6200-2Z DIN 625 | Ersatzteile für GBM 350 | 1900905232
Hersteller: BOSCH
Artikelnummer: EB-0601139005-1900905232
Netto: 19,18 € zzgl. MwSt.
zzgl. 6,90 € Versand (brutto)
einmalig pro Bestellung

Lieferzeit: 5 Werktage

Pos.
47
BOSCH Filzplatte | Ersatzteile für GBM 350 | 2600005005
Hersteller: BOSCH
Artikelnummer: EB-0601139005-2600005005
Netto: 3,95 € zzgl. MwSt.
zzgl. 6,90 € Versand (brutto)
einmalig pro Bestellung

Lieferzeit: 5 Werktage

Pos.
51
BOSCH Verbindungskabel L=83 MM SCHWARZ | Ersatzteile für GBM 350 | 2604448129
Hersteller: BOSCH
Artikelnummer: EB-0601139005-2604448129
nur Informationsartikel
Nie mehr lieferbar
keine Alternativen
Pos.
52
BOSCH Elektr Leitung L=173 MM WEISS | Ersatzteile für GBM 350 | 2604448060
Hersteller: BOSCH
Artikelnummer: EB-0601139005-2604448060
nur Informationsartikel
Nie mehr lieferbar
keine Alternativen
Pos.
746
BOSCH Zahnkranzbohrfutter Ø1-10 MM, 1/2"-24UNF | Ersatzteile für GBM 350 | 1608571054
Hersteller: BOSCH
Artikelnummer: EB-0601139005-1608571054
nur Informationsartikel
Nie mehr lieferbar
keine Alternativen
Pos.
799
BOSCH Kanalabschluss SCHWARZ | Ersatzteile für GBM 350 | 2608040050
Hersteller: BOSCH
Artikelnummer: EB-0601139005-2608040050
nur Informationsartikel
Nie mehr lieferbar
keine Alternativen
Pos.
808
BOSCH Typschild | Ersatzteile für GBM 350 | 160111A3H3
Hersteller: BOSCH
Artikelnummer: EB-0601139005-160111A3H3
Netto: 4,53 € zzgl. MwSt.
zzgl. 6,90 € Versand (brutto)
einmalig pro Bestellung

Lieferzeit: 5 Werktage

Pos.
831
BOSCH Lagerbrücke | Ersatzteile für GBM 350 | 2605807927
Hersteller: BOSCH
Artikelnummer: EB-0601139005-2605807927
nur Informationsartikel
Nie mehr lieferbar
keine Alternativen

Angaben zur Produktsicherheit

Hersteller:
Robert Bosch Power Tools GmbH
Postfach 30 02 20
70442 Stuttgart

E-Mail:
kontakt@bosch.de