BOSCH Kugel DIN 5401-5 G28 | Ersatzteile für GBM 350 RE | 1903230009

Artikelnummer: EB-060113A744-1903230009

Position: 31

Marke: BOSCH


Bitte Kompatibilität prüfen!

Bitte prüfen Sie unbedingt die 10-stellige Typennummer Ihrer Maschine / Ihres Gerätes. Das Ersatzteil ist nur kompatibel, wenn Sie die Typennummer Ihrer Maschine in der unten stehenden Produktbeschreibung finden.

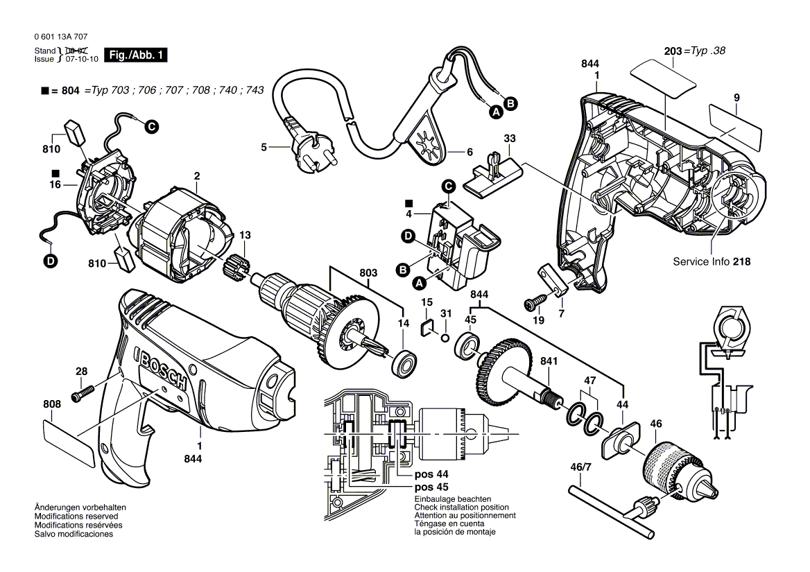
Bitte prüfen Sie ebenfalls detailliert die Explosionszeichnung mit Ihrem Artikelwunsch und der jeweiligen Pos-Nummer.

Alle Elemente, welche vom schwarzen Strich der Pos-Nummer ausgehend berührt / erfasst werden, gehören zu dieser Pos-Nummer und somit zu diesem Artikel. Jede Pos-Nummer ist ein eigenständiger Artikel, welchen Sie in der Auflistung finden.

Sie erhalten stets die aktuellste, neueste Produktversion zu der gewählten Pos-Nummer seitens des Herstellers. Es kann daher je nach Gerätealter vorkommen, dass Sie ggf. weitere, zugehörige Elemente, welche an diese Pos-Nummer grenzen, ebenfalls mittauschen müssen.

Nähere Informationen finden Sie unter dem Link
Hinweise zu Ihrer BOSCH Ersatzteilsuche

Preisübersicht

Einzelpreis: 3,63 €* (Brutto: 4,32 €)
Gesamtpreis: 3,63 €* 
Position:

Lieferzeit: 5 Werktage


Beschreibung

  • Kugel DIN 5401-5 G28
  • Original Bosch Zubehör / BOSCH Ersatzteil (1903230009)
  • im Gerät verbaut: 1
Dieses BOSCH Ersatzteil ist mit folgendem Gerät und Modell kompatibel:
  • BOSCH Gerätename: GBM 350 RE
  • BOSCH Explosionszeichnung: Position 31
  • BOSCH Typennummer: 060113A744
  • BOSCH Typennummer alternative Schreibweisen: 0 601 13A 744, 0601 13A 744, 0.601.13A.744, 0-601-13A-744
    Bitte prüfen Sie diese Typennummer auf Ihrem Gerät um die Kompatibilität des BOSCH Ersatzteils zu gewährleisten.
Weitere BOSCH Ersatzteile des Gerätes GBM 350 RE (Bohrmaschine) mit der Typennummer 060113A744 finden Sie in der nachfolgenden Darstellung und im Dropdown zu Ihrer Auswahl:

Pos.
46/7
BOSCH Bohrfutterschlüssel SG2 | Ersatzteile für GBM 350 RE | 2607950007
Hersteller: BOSCH
Artikelnummer: EB-060113A744-2607950007
Netto: 7,30 € zzgl. MwSt.
zzgl. 6,90 € Versand (brutto)
einmalig pro Bestellung

Lieferzeit: 5 Werktage

Pos.
2
BOSCH Polschuh 220-240V | Ersatzteile für GBM 350 RE | 1619P00224
Hersteller: BOSCH
Artikelnummer: EB-060113A744-1619P00224
Netto: 11,42 € zzgl. MwSt.
zzgl. 6,90 € Versand (brutto)
einmalig pro Bestellung

Lieferzeit: 5 Werktage

Pos.
4
BOSCH Schalter ROT | Ersatzteile für GBM 350 RE | 2607200567
Hersteller: BOSCH
Artikelnummer: EB-060113A744-2607200567
Netto: 24,19 € zzgl. MwSt.
zzgl. 6,90 € Versand (brutto)
einmalig pro Bestellung

Lieferzeit: 5 Werktage

Pos.
5
BOSCH Netzanschlussleitung GB 2,15m 2 x 1,0mm H05VV-F | Ersatzteile für GBM 350 RE | 1604460268
Hersteller: BOSCH
Artikelnummer: EB-060113A744-1604460268
Netto: 10,79 € zzgl. MwSt.
zzgl. 6,90 € Versand (brutto)
einmalig pro Bestellung

Lieferzeit: 5 Werktage

Pos.
6
BOSCH Tülle Ø11,6-Ø12,5x84 MM | Ersatzteile für GBM 350 RE | 2600707060
Hersteller: BOSCH
Artikelnummer: EB-060113A744-2600707060
Netto: 4,53 € zzgl. MwSt.
zzgl. 6,90 € Versand (brutto)
einmalig pro Bestellung

Lieferzeit: 5 Werktage

Pos.
6
BOSCH Tülle Ø6,9 MM | Ersatzteile für GBM 350 RE | 2600707059
Hersteller: BOSCH
Artikelnummer: EB-060113A744-2600707059
Netto: 5,19 € zzgl. MwSt.
zzgl. 6,90 € Versand (brutto)
einmalig pro Bestellung

Lieferzeit: 5 Werktage

Pos.
7
BOSCH Leitungshalter | Ersatzteile für GBM 350 RE | 2601035001
Hersteller: BOSCH
Artikelnummer: EB-060113A744-2601035001
Netto: 3,94 € zzgl. MwSt.
zzgl. 6,90 € Versand (brutto)
einmalig pro Bestellung

Lieferzeit: 5 Werktage

Pos.
19
BOSCH Schraube | Ersatzteile für GBM 350 RE | 1619P00228
Hersteller: BOSCH
Artikelnummer: EB-060113A744-1619P00228
Netto: 5,19 € zzgl. MwSt.
zzgl. 6,90 € Versand (brutto)
einmalig pro Bestellung

Lieferzeit: 5 Werktage

Pos.
28
BOSCH Blechschraube | Ersatzteile für GBM 350 RE | 1619P00219
Hersteller: BOSCH
Artikelnummer: EB-060113A744-1619P00219
Netto: 3,63 € zzgl. MwSt.
zzgl. 6,90 € Versand (brutto)
einmalig pro Bestellung

Lieferzeit: 5 Werktage

Pos.
31
BOSCH Kugel DIN 5401-5 G28 | Ersatzteile für GBM 350 RE | 1903230009
Hersteller: BOSCH
Artikelnummer: EB-060113A744-1903230009
Netto: 3,63 € zzgl. MwSt.
zzgl. 6,90 € Versand (brutto)
einmalig pro Bestellung

Lieferzeit: 5 Werktage

Pos.
46
BOSCH Bohrfutter Ø1,0-10 MM, 3/8" | Ersatzteile für GBM 350 RE | 1608571079
Hersteller: BOSCH
Artikelnummer: EB-060113A744-1608571079
Netto: 24,13 € zzgl. MwSt.
zzgl. 6,90 € Versand (brutto)
einmalig pro Bestellung

Lieferzeit: 5 Werktage

Pos.
47
BOSCH Unterlegscheibe | Ersatzteile für GBM 350 RE | 1619P00229
Hersteller: BOSCH
Artikelnummer: EB-060113A744-1619P00229
Netto: 3,94 € zzgl. MwSt.
zzgl. 6,90 € Versand (brutto)
einmalig pro Bestellung

Lieferzeit: 5 Werktage

Pos.
803
BOSCH Ankersatz 220-240V | Ersatzteile für GBM 350 RE | 1619P00065
Hersteller: BOSCH
Artikelnummer: EB-060113A744-1619P00065
Netto: 23,33 € zzgl. MwSt.
zzgl. 6,90 € Versand (brutto)
einmalig pro Bestellung

Lieferzeit: 5 Werktage

Pos.
808
BOSCH Typschild | Ersatzteile für GBM 350 RE | 1619P06064
Hersteller: BOSCH
Artikelnummer: EB-060113A744-1619P06064
nur Informationsartikel
Nie mehr lieferbar
keine Alternativen
Pos.
810
BOSCH Kohlebürstensatz | Ersatzteile für GBM 350 RE | 1619P00465
Hersteller: BOSCH
Artikelnummer: EB-060113A744-1619P00465
Netto: 7,76 € zzgl. MwSt.
zzgl. 6,90 € Versand (brutto)
einmalig pro Bestellung

Lieferzeit: 5 Werktage

Pos.
841
BOSCH Bohrspindel | Ersatzteile für GBM 350 RE | 1619P00079
Hersteller: BOSCH
Artikelnummer: EB-060113A744-1619P00079
Netto: 9,95 € zzgl. MwSt.
zzgl. 6,90 € Versand (brutto)
einmalig pro Bestellung

Lieferzeit: 5 Werktage

Angaben zur Produktsicherheit

Hersteller:
Robert Bosch Power Tools GmbH
Postfach 30 02 20
70442 Stuttgart

E-Mail:
kontakt@bosch.de