BOSCH Torx-Linsenschraube | Ersatzteile für GBR 15 CA | 1603435078

Artikelnummer: EB-3601G76071-1603435078

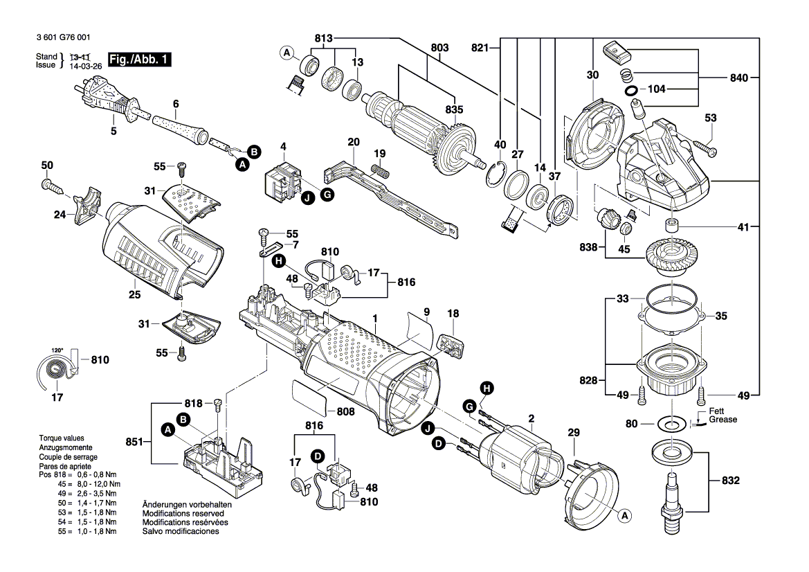
Position: 53

Marke: BOSCH


Bitte Kompatibilität prüfen!

Bitte prüfen Sie unbedingt die 10-stellige Typennummer Ihrer Maschine / Ihres Gerätes. Das Ersatzteil ist nur kompatibel, wenn Sie die Typennummer Ihrer Maschine in der unten stehenden Produktbeschreibung finden.

Bitte prüfen Sie ebenfalls detailliert die Explosionszeichnung mit Ihrem Artikelwunsch und der jeweiligen Pos-Nummer.

Alle Elemente, welche vom schwarzen Strich der Pos-Nummer ausgehend berührt / erfasst werden, gehören zu dieser Pos-Nummer und somit zu diesem Artikel. Jede Pos-Nummer ist ein eigenständiger Artikel, welchen Sie in der Auflistung finden.

Sie erhalten stets die aktuellste, neueste Produktversion zu der gewählten Pos-Nummer seitens des Herstellers. Es kann daher je nach Gerätealter vorkommen, dass Sie ggf. weitere, zugehörige Elemente, welche an diese Pos-Nummer grenzen, ebenfalls mittauschen müssen.

Nähere Informationen finden Sie unter dem Link
Hinweise zu Ihrer BOSCH Ersatzteilsuche

Preisübersicht

Einzelpreis: 3,63 €* (Brutto: 4,32 €)
Gesamtpreis: 3,63 €* 
Position:

Lieferzeit: 5 Werktage


Beschreibung

  • Torx-Linsenschraube
  • Original Bosch Zubehör / BOSCH Ersatzteil (1603435078)
  • im Gerät verbaut: 1
Dieses BOSCH Ersatzteil ist mit folgendem Gerät und Modell kompatibel:
  • BOSCH Gerätename: GBR 15 CA
  • BOSCH Explosionszeichnung: Position 53
  • BOSCH Typennummer: 3601G76071
  • BOSCH Typennummer alternative Schreibweisen: 3 601 G76 071, 3601 G76 071, 3.601.G76.071, 3-601-G76-071
    Bitte prüfen Sie diese Typennummer auf Ihrem Gerät um die Kompatibilität des BOSCH Ersatzteils zu gewährleisten.
Weitere BOSCH Ersatzteile des Gerätes GBR 15 CA (Betonschleifer) mit der Typennummer 3601G76071 finden Sie in der nachfolgenden Darstellung und im Dropdown zu Ihrer Auswahl:

Pos.
1
BOSCH Motorgehäuse | Ersatzteile für GBR 15 CA | 1605108283
Hersteller: BOSCH
Artikelnummer: EB-3601G76071-1605108283
Netto: 10,92 € zzgl. MwSt.
zzgl. 6,90 € Versand (brutto)
einmalig pro Bestellung

Lieferzeit: 5 Werktage

Pos.
202/2
BOSCH O-Ring 20,35x1,78 MM | Ersatzteile für GBR 15 CA | 1600210055
Hersteller: BOSCH
Artikelnummer: EB-3601G76071-1600210055
Netto: 3,51 € zzgl. MwSt.
zzgl. 6,90 € Versand (brutto)
einmalig pro Bestellung

Lieferzeit: 5 Werktage

Pos.
650
BOSCH Zweilochmutterndreher | Ersatzteile für GBR 15 CA | 1607950061
Hersteller: BOSCH
Artikelnummer: EB-3601G76071-1607950061
Netto: 5,60 € zzgl. MwSt.
zzgl. 6,90 € Versand (brutto)
einmalig pro Bestellung

Lieferzeit: 5 Werktage

Pos.
651
BOSCH Diamanttopfscheibe | Ersatzteile für GBR 15 CA | 3608600013
Hersteller: BOSCH
Artikelnummer: EB-3601G76071-3608600013
Netto: 99,32 € zzgl. MwSt.
zzgl. 6,90 € Versand (brutto)
einmalig pro Bestellung

Lieferzeit: 5 Werktage

Pos.
808
BOSCH Typschild | Ersatzteile für GBR 15 CA | 160111A3HH
Hersteller: BOSCH
Artikelnummer: EB-3601G76071-160111A3HH
Netto: 4,53 € zzgl. MwSt.
zzgl. 6,90 € Versand (brutto)
einmalig pro Bestellung

Lieferzeit: 5 Werktage

Pos.
828
BOSCH Lagerflansch | Ersatzteile für GBR 15 CA | 3607031753
Hersteller: BOSCH
Artikelnummer: EB-3601G76071-3607031753
Netto: 39,25 € zzgl. MwSt.
zzgl. 6,90 € Versand (brutto)
einmalig pro Bestellung

Lieferzeit: 5 Werktage

Pos.
2
BOSCH Polschuh | Ersatzteile für GBR 15 CA | 1607000F0B
Hersteller: BOSCH
Artikelnummer: EB-3601G76071-1607000F0B
Netto: 24,13 € zzgl. MwSt.
zzgl. 6,90 € Versand (brutto)
einmalig pro Bestellung

Lieferzeit: 5 Werktage

Pos.
2
BOSCH Polschuh 230V | Ersatzteile für GBR 15 CA | 1604220478
Hersteller: BOSCH
Artikelnummer: EB-3601G76071-1604220478
Netto: 23,33 € zzgl. MwSt.
zzgl. 6,90 € Versand (brutto)
einmalig pro Bestellung

Lieferzeit: 5 Werktage

Pos.
4
BOSCH Schalter | Ersatzteile für GBR 15 CA | 1607200256
Hersteller: BOSCH
Artikelnummer: EB-3601G76071-1607200256
Netto: 10,92 € zzgl. MwSt.
zzgl. 6,90 € Versand (brutto)
einmalig pro Bestellung

Lieferzeit: 5 Werktage

Pos.
5
BOSCH Netzanschlussleitung GB 230V 4,15m 2 x 1,0mm H05 RN-F | Ersatzteile für GBR 15 CA | 2604460244
Hersteller: BOSCH
Artikelnummer: EB-3601G76071-2604460244
nur Informationsartikel
Nie mehr lieferbar
keine Alternativen
Pos.
6
BOSCH Tülle | Ersatzteile für GBR 15 CA | 1600703042
Hersteller: BOSCH
Artikelnummer: EB-3601G76071-1600703042
Netto: 4,53 € zzgl. MwSt.
zzgl. 6,90 € Versand (brutto)
einmalig pro Bestellung

Lieferzeit: 5 Werktage

Pos.
7
BOSCH Befestigungsschelle | Ersatzteile für GBR 15 CA | 1601302017
Hersteller: BOSCH
Artikelnummer: EB-3601G76071-1601302017
Netto: 3,63 € zzgl. MwSt.
zzgl. 6,90 € Versand (brutto)
einmalig pro Bestellung

Lieferzeit: 5 Werktage

Pos.
9
BOSCH Firmenschild | Ersatzteile für GBR 15 CA | 3601110606
Hersteller: BOSCH
Artikelnummer: EB-3601G76071-3601110606
Netto: 4,53 € zzgl. MwSt.
zzgl. 6,90 € Versand (brutto)
einmalig pro Bestellung

Lieferzeit: 5 Werktage

Pos.
13
BOSCH Rillenkugellager 7x19x6 | Ersatzteile für GBR 15 CA | 1610905025
Hersteller: BOSCH
Artikelnummer: EB-3601G76071-1610905025
Netto: 7,30 € zzgl. MwSt.
zzgl. 6,90 € Versand (brutto)
einmalig pro Bestellung

Lieferzeit: 5 Werktage

Pos.
14
BOSCH Rillenkugellager 8x22x7 | Ersatzteile für GBR 15 CA | 1600905032
Hersteller: BOSCH
Artikelnummer: EB-3601G76071-1600905032
Netto: 6,70 € zzgl. MwSt.
zzgl. 6,90 € Versand (brutto)
einmalig pro Bestellung

Lieferzeit: 65 Werktage

Pos.
17
BOSCH Spiralfeder | Ersatzteile für GBR 15 CA | 1604652021
Hersteller: BOSCH
Artikelnummer: EB-3601G76071-1604652021
nur Informationsartikel
Nie mehr lieferbar
keine Alternativen
Pos.
18
BOSCH Schaltergriff | Ersatzteile für GBR 15 CA | 1602026091
Hersteller: BOSCH
Artikelnummer: EB-3601G76071-1602026091
Netto: 3,63 € zzgl. MwSt.
zzgl. 6,90 € Versand (brutto)
einmalig pro Bestellung

Lieferzeit: 5 Werktage

Pos.
19
BOSCH Druckfeder | Ersatzteile für GBR 15 CA | 1604611031
Hersteller: BOSCH
Artikelnummer: EB-3601G76071-1604611031
Netto: 4,53 € zzgl. MwSt.
zzgl. 6,90 € Versand (brutto)
einmalig pro Bestellung

Lieferzeit: 5 Werktage

Pos.
20
BOSCH Verstellschieber | Ersatzteile für GBR 15 CA | 1602319026
Hersteller: BOSCH
Artikelnummer: EB-3601G76071-1602319026
Netto: 3,94 € zzgl. MwSt.
zzgl. 6,90 € Versand (brutto)
einmalig pro Bestellung

Lieferzeit: 5 Werktage

Pos.
24
BOSCH Deckel | Ersatzteile für GBR 15 CA | 1605500274
Hersteller: BOSCH
Artikelnummer: EB-3601G76071-1605500274
Netto: 4,82 € zzgl. MwSt.
zzgl. 6,90 € Versand (brutto)
einmalig pro Bestellung

Lieferzeit: 5 Werktage

Pos.
25
BOSCH Gehäusedeckel | Ersatzteile für GBR 15 CA | 1605500276
Hersteller: BOSCH
Artikelnummer: EB-3601G76071-1605500276
Netto: 8,33 € zzgl. MwSt.
zzgl. 6,90 € Versand (brutto)
einmalig pro Bestellung

Lieferzeit: 5 Werktage

Pos.
27
BOSCH Gummiring | Ersatzteile für GBR 15 CA | 1600206025
Hersteller: BOSCH
Artikelnummer: EB-3601G76071-1600206025
Netto: 4,32 € zzgl. MwSt.
zzgl. 6,90 € Versand (brutto)
einmalig pro Bestellung

Lieferzeit: 5 Werktage

Pos.
29
BOSCH Luftleitring | Ersatzteile für GBR 15 CA | 1600591047
Hersteller: BOSCH
Artikelnummer: EB-3601G76071-1600591047
Netto: 4,32 € zzgl. MwSt.
zzgl. 6,90 € Versand (brutto)
einmalig pro Bestellung

Lieferzeit: 5 Werktage

Pos.
30
BOSCH Luftverteiler | Ersatzteile für GBR 15 CA | 1600591048
Hersteller: BOSCH
Artikelnummer: EB-3601G76071-1600591048
nur Informationsartikel
Nie mehr lieferbar
keine Alternativen
Pos.
31
BOSCH Bürstendeckel | Ersatzteile für GBR 15 CA | 1605500277
Hersteller: BOSCH
Artikelnummer: EB-3601G76071-1605500277
Netto: 4,32 € zzgl. MwSt.
zzgl. 6,90 € Versand (brutto)
einmalig pro Bestellung

Lieferzeit: 5 Werktage

Pos.
33
BOSCH O-Ring 46,0x1,1 MM ROT | Ersatzteile für GBR 15 CA | 3600210124
Hersteller: BOSCH
Artikelnummer: EB-3601G76071-3600210124
Netto: 4,82 € zzgl. MwSt.
zzgl. 6,90 € Versand (brutto)
einmalig pro Bestellung

Lieferzeit: 5 Werktage

Pos.
35
BOSCH Ausgleichscheibe 0,1 MM DICK | Ersatzteile für GBR 15 CA | 1600136013
Hersteller: BOSCH
Artikelnummer: EB-3601G76071-1600136013
Netto: 4,53 € zzgl. MwSt.
zzgl. 6,90 € Versand (brutto)
einmalig pro Bestellung

Lieferzeit: 5 Werktage

Pos.
35
BOSCH Ausgleichscheibe 0,15 MM DICK | Ersatzteile für GBR 15 CA | 1600136020
Hersteller: BOSCH
Artikelnummer: EB-3601G76071-1600136020
nur Informationsartikel
Nie mehr lieferbar
keine Alternativen
Pos.
35
BOSCH Ausgleichscheibe 0,2 MM DICK | Ersatzteile für GBR 15 CA | 1600136014
Hersteller: BOSCH
Artikelnummer: EB-3601G76071-1600136014
Netto: 4,53 € zzgl. MwSt.
zzgl. 6,90 € Versand (brutto)
einmalig pro Bestellung

Lieferzeit: 5 Werktage

Pos.
35
BOSCH Ausgleichscheibe 0,3 MM DICK | Ersatzteile für GBR 15 CA | 1600136015
Hersteller: BOSCH
Artikelnummer: EB-3601G76071-1600136015
nur Informationsartikel
Nie mehr lieferbar
keine Alternativen
Pos.
37
BOSCH Radial-Wellendichtring | Ersatzteile für GBR 15 CA | 1600290016
Hersteller: BOSCH
Artikelnummer: EB-3601G76071-1600290016
Netto: 4,53 € zzgl. MwSt.
zzgl. 6,90 € Versand (brutto)
einmalig pro Bestellung

Lieferzeit: 5 Werktage

Pos.
40
BOSCH Sicherungsbügel | Ersatzteile für GBR 15 CA | 1600119011
Hersteller: BOSCH
Artikelnummer: EB-3601G76071-1600119011
Netto: 4,32 € zzgl. MwSt.
zzgl. 6,90 € Versand (brutto)
einmalig pro Bestellung

Lieferzeit: 5 Werktage

Pos.
41
BOSCH Nadelhülse Ø8xØ12x8 MM | Ersatzteile für GBR 15 CA | 1600910018
Hersteller: BOSCH
Artikelnummer: EB-3601G76071-1600910018
Netto: 6,15 € zzgl. MwSt.
zzgl. 6,90 € Versand (brutto)
einmalig pro Bestellung

Lieferzeit: 5 Werktage

Pos.
45
BOSCH Sechskantmutter M7, SW10 | Ersatzteile für GBR 15 CA | 1603300016
Hersteller: BOSCH
Artikelnummer: EB-3601G76071-1603300016
Netto: 3,94 € zzgl. MwSt.
zzgl. 6,90 € Versand (brutto)
einmalig pro Bestellung

Lieferzeit: 5 Werktage

Pos.
48
BOSCH Linsenkopfschraube 3x10 ST | Ersatzteile für GBR 15 CA | 1613435034
Hersteller: BOSCH
Artikelnummer: EB-3601G76071-1613435034
nur Informationsartikel
Nie mehr lieferbar
keine Alternativen
Pos.
49
BOSCH Torx-Linsenschraube | Ersatzteile für GBR 15 CA | 3603435055
Hersteller: BOSCH
Artikelnummer: EB-3601G76071-3603435055
Netto: 4,53 € zzgl. MwSt.
zzgl. 6,90 € Versand (brutto)
einmalig pro Bestellung

Lieferzeit: 5 Werktage

Pos.
50
BOSCH Torx-Linsenschraube 4x20 | Ersatzteile für GBR 15 CA | 2603490023
Hersteller: BOSCH
Artikelnummer: EB-3601G76071-2603490023
Netto: 3,63 € zzgl. MwSt.
zzgl. 6,90 € Versand (brutto)
einmalig pro Bestellung

Lieferzeit: 5 Werktage

Pos.
53
BOSCH Torx-Linsenschraube | Ersatzteile für GBR 15 CA | 1603435078
Hersteller: BOSCH
Artikelnummer: EB-3601G76071-1603435078
Netto: 3,63 € zzgl. MwSt.
zzgl. 6,90 € Versand (brutto)
einmalig pro Bestellung

Lieferzeit: 5 Werktage

Pos.
55
BOSCH Torx-Linsenschraube 4x12 | Ersatzteile für GBR 15 CA | 2603490021
Hersteller: BOSCH
Artikelnummer: EB-3601G76071-2603490021
Netto: 3,63 € zzgl. MwSt.
zzgl. 6,90 € Versand (brutto)
einmalig pro Bestellung

Lieferzeit: 5 Werktage

Pos.
80
BOSCH Abdeckscheibe | Ersatzteile für GBR 15 CA | 1619P09390
Hersteller: BOSCH
Artikelnummer: EB-3601G76071-1619P09390
Netto: 4,32 € zzgl. MwSt.
zzgl. 6,90 € Versand (brutto)
einmalig pro Bestellung

Lieferzeit: 5 Werktage

Pos.
80
BOSCH Dichtscheibe | Ersatzteile für GBR 15 CA | 3600150021
Hersteller: BOSCH
Artikelnummer: EB-3601G76071-3600150021
Netto: 4,15 € zzgl. MwSt.
zzgl. 6,90 € Versand (brutto)
einmalig pro Bestellung

Lieferzeit: 5 Werktage

Pos.
104
BOSCH O-Ring 4,5x1,0 MM BLAU | Ersatzteile für GBR 15 CA | 1600210044
Hersteller: BOSCH
Artikelnummer: EB-3601G76071-1600210044
Netto: 3,63 € zzgl. MwSt.
zzgl. 6,90 € Versand (brutto)
einmalig pro Bestellung

Lieferzeit: 5 Werktage

Pos.
202
BOSCH Aufspannflansch Ø22,3xØ42 MM | Ersatzteile für GBR 15 CA | 2605703014
Hersteller: BOSCH
Artikelnummer: EB-3601G76071-2605703014
nur Informationsartikel
Nie mehr lieferbar
keine Alternativen
Pos.
203
BOSCH Rundmutter M14 | Ersatzteile für GBR 15 CA | 1603345043
Hersteller: BOSCH
Artikelnummer: EB-3601G76071-1603345043
Netto: 8,33 € zzgl. MwSt.
zzgl. 6,90 € Versand (brutto)
einmalig pro Bestellung

Lieferzeit: 5 Werktage

Pos.
205
BOSCH Hinweisschild | Ersatzteile für GBR 15 CA | 3601119236
Hersteller: BOSCH
Artikelnummer: EB-3601G76071-3601119236
Netto: 5,19 € zzgl. MwSt.
zzgl. 6,90 € Versand (brutto)
einmalig pro Bestellung

Lieferzeit: 5 Werktage

Pos.
206
BOSCH Handgriff | Ersatzteile für GBR 15 CA | 3602025029
Hersteller: BOSCH
Artikelnummer: EB-3601G76071-3602025029
Netto: 29,45 € zzgl. MwSt.
zzgl. 6,90 € Versand (brutto)
einmalig pro Bestellung

Lieferzeit: 5 Werktage

Pos.
207
BOSCH Sechskantschraube | Ersatzteile für GBR 15 CA | 1619P07611
Hersteller: BOSCH
Artikelnummer: EB-3601G76071-1619P07611
Netto: 5,19 € zzgl. MwSt.
zzgl. 6,90 € Versand (brutto)
einmalig pro Bestellung

Lieferzeit: 5 Werktage

Pos.
208
BOSCH Unterlegscheibe DIN 125-A10,5-ST | Ersatzteile für GBR 15 CA | 2916011017
Hersteller: BOSCH
Artikelnummer: EB-3601G76071-2916011017
Netto: 3,94 € zzgl. MwSt.
zzgl. 6,90 € Versand (brutto)
einmalig pro Bestellung

Lieferzeit: 47 Werktage

Pos.
210
BOSCH Absaughaube | Ersatzteile für GBR 15 CA | 3605510063
Hersteller: BOSCH
Artikelnummer: EB-3601G76071-3605510063
Netto: 32,74 € zzgl. MwSt.
zzgl. 6,90 € Versand (brutto)
einmalig pro Bestellung

Lieferzeit: 5 Werktage

Pos.
211
BOSCH Schwenkteil | Ersatzteile für GBR 15 CA | 3605500219
Hersteller: BOSCH
Artikelnummer: EB-3601G76071-3605500219
Netto: 15,75 € zzgl. MwSt.
zzgl. 6,90 € Versand (brutto)
einmalig pro Bestellung

Lieferzeit: 5 Werktage

Pos.
212
BOSCH Knopf | Ersatzteile für GBR 15 CA | 3602305019
Hersteller: BOSCH
Artikelnummer: EB-3601G76071-3602305019
Netto: 5,67 € zzgl. MwSt.
zzgl. 6,90 € Versand (brutto)
einmalig pro Bestellung

Lieferzeit: 5 Werktage

Pos.
213
BOSCH Druckfeder | Ersatzteile für GBR 15 CA | 3604611042
Hersteller: BOSCH
Artikelnummer: EB-3601G76071-3604611042
Netto: 3,94 € zzgl. MwSt.
zzgl. 6,90 € Versand (brutto)
einmalig pro Bestellung

Lieferzeit: 5 Werktage

Pos.
214
BOSCH Blechring | Ersatzteile für GBR 15 CA | 3600190040
Hersteller: BOSCH
Artikelnummer: EB-3601G76071-3600190040
Netto: 12,98 € zzgl. MwSt.
zzgl. 6,90 € Versand (brutto)
einmalig pro Bestellung

Lieferzeit: 5 Werktage

Pos.
BOSCH Zweilochmutterndreher | Ersatzteile für GBR 15 CA | 3607950016
Hersteller: BOSCH
Artikelnummer:
Netto: 12,98 € zzgl. MwSt.
zzgl. 6,90 € Versand (brutto)
einmalig pro Bestellung

Lieferzeit: 5 Werktage

Pos.
BOSCH Diamanttopfscheibe | Ersatzteile für GBR 15 CA | 3608600014
Hersteller: BOSCH
Artikelnummer:
Netto: 29,45 € zzgl. MwSt.
zzgl. 6,90 € Versand (brutto)
einmalig pro Bestellung

Lieferzeit: 5 Werktage

Pos.
803
BOSCH Anker Mit Lüfter 230V | Ersatzteile für GBR 15 CA | 3607031750
Hersteller: BOSCH
Artikelnummer: EB-3601G76071-3607031750
Netto: 106,72 € zzgl. MwSt.
zzgl. 6,90 € Versand (brutto)
einmalig pro Bestellung

Lieferzeit: 5 Werktage

Pos.
BOSCH Typschild | Ersatzteile für GBR 15 CA | 160111AD2G
Hersteller: BOSCH
Artikelnummer:
nur Informationsartikel
Nie mehr lieferbar
keine Alternativen
Pos.
810
BOSCH Kohlebürstensatz | Ersatzteile für GBR 15 CA | 1607000V37
Hersteller: BOSCH
Artikelnummer: EB-3601G76071-1607000V37
Netto: 12,98 € zzgl. MwSt.
zzgl. 6,90 € Versand (brutto)
einmalig pro Bestellung

Lieferzeit: 5 Werktage

Pos.
813
BOSCH Rillenkugellager | Ersatzteile für GBR 15 CA | 3607031751
Hersteller: BOSCH
Artikelnummer: EB-3601G76071-3607031751
Netto: 19,18 € zzgl. MwSt.
zzgl. 6,90 € Versand (brutto)
einmalig pro Bestellung

Lieferzeit: 5 Werktage

Pos.
816
BOSCH Bürstenhalter | Ersatzteile für GBR 15 CA | 1607000V43
Hersteller: BOSCH
Artikelnummer: EB-3601G76071-1607000V43
Netto: 5,19 € zzgl. MwSt.
zzgl. 6,90 € Versand (brutto)
einmalig pro Bestellung

Lieferzeit: 5 Werktage

Pos.
818
BOSCH Flachkopfschraube | Ersatzteile für GBR 15 CA | 1607000V42
Hersteller: BOSCH
Artikelnummer: EB-3601G76071-1607000V42
Netto: 3,63 € zzgl. MwSt.
zzgl. 6,90 € Versand (brutto)
einmalig pro Bestellung

Lieferzeit: 5 Werktage

Pos.
821
BOSCH Getriebegehäuse | Ersatzteile für GBR 15 CA | 3607031752
Hersteller: BOSCH
Artikelnummer: EB-3601G76071-3607031752
Netto: 63,99 € zzgl. MwSt.
zzgl. 6,90 € Versand (brutto)
einmalig pro Bestellung

Lieferzeit: 5 Werktage

Pos.
BOSCH Lagerflansch | Ersatzteile für GBR 15 CA | 1607000D9F
Hersteller: BOSCH
Artikelnummer:
Netto: 47,09 € zzgl. MwSt.
zzgl. 6,90 € Versand (brutto)
einmalig pro Bestellung

Lieferzeit: 13 Werktage

Pos.
829
BOSCH Streifenbürste | Ersatzteile für GBR 15 CA | 3607031875
Hersteller: BOSCH
Artikelnummer: EB-3601G76071-3607031875
Netto: 42,86 € zzgl. MwSt.
zzgl. 6,90 € Versand (brutto)
einmalig pro Bestellung

Lieferzeit: 5 Werktage

Pos.
832
BOSCH Schleifspindel | Ersatzteile für GBR 15 CA | 160312307B
Hersteller: BOSCH
Artikelnummer: EB-3601G76071-160312307B
Netto: 52,14 € zzgl. MwSt.
zzgl. 6,90 € Versand (brutto)
einmalig pro Bestellung

Lieferzeit: 5 Werktage

Pos.
835
BOSCH Lüfter | Ersatzteile für GBR 15 CA | 1606610132
Hersteller: BOSCH
Artikelnummer: EB-3601G76071-1606610132
nur Informationsartikel
Nie mehr lieferbar
keine Alternativen
Pos.
838
BOSCH Getriebeeinheit | Ersatzteile für GBR 15 CA | 1607000D4Z
Hersteller: BOSCH
Artikelnummer: EB-3601G76071-1607000D4Z
Netto: 17,38 € zzgl. MwSt.
zzgl. 6,90 € Versand (brutto)
einmalig pro Bestellung

Lieferzeit: 5 Werktage

Pos.
840
BOSCH Druckknopf | Ersatzteile für GBR 15 CA | 1607000V41
Hersteller: BOSCH
Artikelnummer: EB-3601G76071-1607000V41
Netto: 5,67 € zzgl. MwSt.
zzgl. 6,90 € Versand (brutto)
einmalig pro Bestellung

Lieferzeit: 5 Werktage

Pos.
851
BOSCH Drehzahlregler | Ersatzteile für GBR 15 CA | 16072335JJ
Hersteller: BOSCH
Artikelnummer: EB-3601G76071-16072335JJ
Netto: 39,11 € zzgl. MwSt.
zzgl. 6,90 € Versand (brutto)
einmalig pro Bestellung

Lieferzeit: 5 Werktage

Pos.
866
BOSCH Bügelgriff | Ersatzteile für GBR 15 CA | 3607031755
Hersteller: BOSCH
Artikelnummer: EB-3601G76071-3607031755
Netto: 47,09 € zzgl. MwSt.
zzgl. 6,90 € Versand (brutto)
einmalig pro Bestellung

Lieferzeit: 11 Werktage

Pos.
896
BOSCH Schnellspannmutter M14, SDS-CLIC | Ersatzteile für GBR 15 CA | 1600A016PP
Hersteller: BOSCH
Artikelnummer: EB-3601G76071-1600A016PP
Netto: 29,45 € zzgl. MwSt.
zzgl. 6,90 € Versand (brutto)
einmalig pro Bestellung

Lieferzeit: 15 Werktage

Angaben zur Produktsicherheit

Hersteller:
Robert Bosch Power Tools GmbH
Postfach 30 02 20
70442 Stuttgart

E-Mail:
kontakt@bosch.de