BOSCH Verschlusshebel | Ersatzteile für GCD 12 JL | 1609B04612

Artikelnummer: EB-3601M28041-1609B04612

Position: 88

Marke: BOSCH


Bitte Kompatibilität prüfen!

Bitte prüfen Sie unbedingt die 10-stellige Typennummer Ihrer Maschine / Ihres Gerätes. Das Ersatzteil ist nur kompatibel, wenn Sie die Typennummer Ihrer Maschine in der unten stehenden Produktbeschreibung finden.

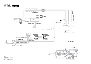
Bitte prüfen Sie ebenfalls detailliert die Explosionszeichnung mit Ihrem Artikelwunsch und der jeweiligen Pos-Nummer.

Alle Elemente, welche vom schwarzen Strich der Pos-Nummer ausgehend berührt / erfasst werden, gehören zu dieser Pos-Nummer und somit zu diesem Artikel. Jede Pos-Nummer ist ein eigenständiger Artikel, welchen Sie in der Auflistung finden.

Sie erhalten stets die aktuellste, neueste Produktversion zu der gewählten Pos-Nummer seitens des Herstellers. Es kann daher je nach Gerätealter vorkommen, dass Sie ggf. weitere, zugehörige Elemente, welche an diese Pos-Nummer grenzen, ebenfalls mittauschen müssen.

Nähere Informationen finden Sie unter dem Link
Hinweise zu Ihrer BOSCH Ersatzteilsuche

Preisübersicht

Einzelpreis: 9,95 €* (Brutto: 11,84 €)
Gesamtpreis: 9,95 €* 
Position:

Lieferzeit: 5 Werktage


Beschreibung

  • Verschlusshebel
  • Original Bosch Zubehör / BOSCH Ersatzteil (1609B04612)
  • im Gerät verbaut: 1
Dieses BOSCH Ersatzteil ist mit folgendem Gerät und Modell kompatibel:
  • BOSCH Gerätename: GCD 12 JL
  • BOSCH Explosionszeichnung: Position 88
  • BOSCH Typennummer: 3601M28041
  • BOSCH Typennummer alternative Schreibweisen: 3 601 M28 041, 3601 M28 041, 3.601.M28.041, 3-601-M28-041
    Bitte prüfen Sie diese Typennummer auf Ihrem Gerät um die Kompatibilität des BOSCH Ersatzteils zu gewährleisten.
Weitere BOSCH Ersatzteile des Gerätes GCD 12 JL (Trocken-Metallschneider) mit der Typennummer 3601M28041 finden Sie in der nachfolgenden Darstellung und im Dropdown zu Ihrer Auswahl:

Pos.
1
BOSCH Motorgehäuse | Ersatzteile für GCD 12 JL | 1609B00054
Hersteller: BOSCH
Artikelnummer: EB-3601M28041-1609B00054
Netto: 24,13 € zzgl. MwSt.
zzgl. 6,90 € Versand (brutto)
einmalig pro Bestellung

Lieferzeit: 5 Werktage

Pos.
2
BOSCH Polschuh 230V | Ersatzteile für GCD 12 JL | 1609B00115
Hersteller: BOSCH
Artikelnummer: EB-3601M28041-1609B00115
Netto: 52,14 € zzgl. MwSt.
zzgl. 6,90 € Versand (brutto)
einmalig pro Bestellung

Lieferzeit: 5 Werktage

Pos.
4
BOSCH Ein/Aus-Schalter | Ersatzteile für GCD 12 JL | 1609B05400
Hersteller: BOSCH
Artikelnummer: EB-3601M28041-1609B05400
Netto: 17,38 € zzgl. MwSt.
zzgl. 6,90 € Versand (brutto)
einmalig pro Bestellung

Lieferzeit: 5 Werktage

Pos.
5
BOSCH Netzanschlussleitung | Ersatzteile für GCD 12 JL | 1609B04687
Hersteller: BOSCH
Artikelnummer: EB-3601M28041-1609B04687
Netto: 15,75 € zzgl. MwSt.
zzgl. 6,90 € Versand (brutto)
einmalig pro Bestellung

Lieferzeit: 5 Werktage

Pos.
6
BOSCH Tülle | Ersatzteile für GCD 12 JL | 1609B04628
Hersteller: BOSCH
Artikelnummer: EB-3601M28041-1609B04628
Netto: 3,94 € zzgl. MwSt.
zzgl. 6,90 € Versand (brutto)
einmalig pro Bestellung

Lieferzeit: 5 Werktage

Pos.
7
BOSCH Leitungshalter | Ersatzteile für GCD 12 JL | 1619P03808
Hersteller: BOSCH
Artikelnummer: EB-3601M28041-1619P03808
Netto: 3,63 € zzgl. MwSt.
zzgl. 6,90 € Versand (brutto)
einmalig pro Bestellung

Lieferzeit: 5 Werktage

Pos.
18
BOSCH Linsensenkblechschraube | Ersatzteile für GCD 12 JL | 1619P03837
Hersteller: BOSCH
Artikelnummer: EB-3601M28041-1619P03837
Netto: 3,63 € zzgl. MwSt.
zzgl. 6,90 € Versand (brutto)
einmalig pro Bestellung

Lieferzeit: 5 Werktage

Pos.
19
BOSCH Schraube ECO-SYN St 3,5x16 | Ersatzteile für GCD 12 JL | 1619P03833
Hersteller: BOSCH
Artikelnummer: EB-3601M28041-1619P03833
Netto: 3,63 € zzgl. MwSt.
zzgl. 6,90 € Versand (brutto)
einmalig pro Bestellung

Lieferzeit: 5 Werktage

Pos.
22
BOSCH Endkappe | Ersatzteile für GCD 12 JL | 1609B04610
Hersteller: BOSCH
Artikelnummer: EB-3601M28041-1609B04610
Netto: 6,70 € zzgl. MwSt.
zzgl. 6,90 € Versand (brutto)
einmalig pro Bestellung

Lieferzeit: 5 Werktage

Pos.
23
BOSCH Schraube ECO-SYN St3x12 | Ersatzteile für GCD 12 JL | 1619P03832
Hersteller: BOSCH
Artikelnummer: EB-3601M28041-1619P03832
Netto: 3,63 € zzgl. MwSt.
zzgl. 6,90 € Versand (brutto)
einmalig pro Bestellung

Lieferzeit: 5 Werktage

Pos.
24
BOSCH Schraube ECO-SYN St3,5x10 | Ersatzteile für GCD 12 JL | 1619P03834
Hersteller: BOSCH
Artikelnummer: EB-3601M28041-1619P03834
Netto: 3,63 € zzgl. MwSt.
zzgl. 6,90 € Versand (brutto)
einmalig pro Bestellung

Lieferzeit: 5 Werktage

Pos.
25
BOSCH Gewindefurchschraube DIN 7500 C-M6x35 | Ersatzteile für GCD 12 JL | 1619P03835
Hersteller: BOSCH
Artikelnummer: EB-3601M28041-1619P03835
Netto: 3,63 € zzgl. MwSt.
zzgl. 6,90 € Versand (brutto)
einmalig pro Bestellung

Lieferzeit: 5 Werktage

Pos.
26
BOSCH Halteklammer | Ersatzteile für GCD 12 JL | 1609B00055
Hersteller: BOSCH
Artikelnummer: EB-3601M28041-1609B00055
Netto: 3,63 € zzgl. MwSt.
zzgl. 6,90 € Versand (brutto)
einmalig pro Bestellung

Lieferzeit: 5 Werktage

Pos.
27
BOSCH Gummiring | Ersatzteile für GCD 12 JL | 1600206030
Hersteller: BOSCH
Artikelnummer: EB-3601M28041-1600206030
Netto: 3,94 € zzgl. MwSt.
zzgl. 6,90 € Versand (brutto)
einmalig pro Bestellung

Lieferzeit: 5 Werktage

Pos.
29
BOSCH Luftleitring | Ersatzteile für GCD 12 JL | 1619P03822
Hersteller: BOSCH
Artikelnummer: EB-3601M28041-1619P03822
Netto: 5,67 € zzgl. MwSt.
zzgl. 6,90 € Versand (brutto)
einmalig pro Bestellung

Lieferzeit: 5 Werktage

Pos.
31
BOSCH Schutzoberteil | Ersatzteile für GCD 12 JL | 1609B04603
Hersteller: BOSCH
Artikelnummer: EB-3601M28041-1609B04603
Netto: 86,83 € zzgl. MwSt.
zzgl. 6,90 € Versand (brutto)
einmalig pro Bestellung

Lieferzeit: 5 Werktage

Pos.
35
BOSCH Kugellager | Ersatzteile für GCD 12 JL | 1609B01267
Hersteller: BOSCH
Artikelnummer: EB-3601M28041-1609B01267
Netto: 8,33 € zzgl. MwSt.
zzgl. 6,90 € Versand (brutto)
einmalig pro Bestellung

Lieferzeit: 5 Werktage

Pos.
37
BOSCH Lagerung | Ersatzteile für GCD 12 JL | 1609B04619
Hersteller: BOSCH
Artikelnummer: EB-3601M28041-1609B04619
Netto: 9,95 € zzgl. MwSt.
zzgl. 6,90 € Versand (brutto)
einmalig pro Bestellung

Lieferzeit: 5 Werktage

Pos.
38
BOSCH Verschlussstift | Ersatzteile für GCD 12 JL | 1609B04620
Hersteller: BOSCH
Artikelnummer: EB-3601M28041-1609B04620
Netto: 4,53 € zzgl. MwSt.
zzgl. 6,90 € Versand (brutto)
einmalig pro Bestellung

Lieferzeit: 5 Werktage

Pos.
39
BOSCH Druckfeder | Ersatzteile für GCD 12 JL | 1609B04621
Hersteller: BOSCH
Artikelnummer: EB-3601M28041-1609B04621
Netto: 3,63 € zzgl. MwSt.
zzgl. 6,90 € Versand (brutto)
einmalig pro Bestellung

Lieferzeit: 5 Werktage

Pos.
40
BOSCH Federsteg | Ersatzteile für GCD 12 JL | 1609B04678
Hersteller: BOSCH
Artikelnummer: EB-3601M28041-1609B04678
Netto: 3,63 € zzgl. MwSt.
zzgl. 6,90 € Versand (brutto)
einmalig pro Bestellung

Lieferzeit: 5 Werktage

Pos.
41
BOSCH Lagerdeckel | Ersatzteile für GCD 12 JL | 1609B04622
Hersteller: BOSCH
Artikelnummer: EB-3601M28041-1609B04622
Netto: 3,94 € zzgl. MwSt.
zzgl. 6,90 € Versand (brutto)
einmalig pro Bestellung

Lieferzeit: 5 Werktage

Pos.
42
BOSCH Schraube | Ersatzteile für GCD 12 JL | 1609B00780
Hersteller: BOSCH
Artikelnummer: EB-3601M28041-1609B00780
Netto: 3,63 € zzgl. MwSt.
zzgl. 6,90 € Versand (brutto)
einmalig pro Bestellung

Lieferzeit: 5 Werktage

Pos.
43
BOSCH Flansch | Ersatzteile für GCD 12 JL | 1609B04623
Hersteller: BOSCH
Artikelnummer: EB-3601M28041-1609B04623
Netto: 9,95 € zzgl. MwSt.
zzgl. 6,90 € Versand (brutto)
einmalig pro Bestellung

Lieferzeit: 5 Werktage

Pos.
44
BOSCH Flansch | Ersatzteile für GCD 12 JL | 1609B04624
Hersteller: BOSCH
Artikelnummer: EB-3601M28041-1609B04624
Netto: 9,18 € zzgl. MwSt.
zzgl. 6,90 € Versand (brutto)
einmalig pro Bestellung

Lieferzeit: 5 Werktage

Pos.
45
BOSCH Bundbolzen | Ersatzteile für GCD 12 JL | 1609B04625
Hersteller: BOSCH
Artikelnummer: EB-3601M28041-1609B04625
Netto: 5,19 € zzgl. MwSt.
zzgl. 6,90 € Versand (brutto)
einmalig pro Bestellung

Lieferzeit: 5 Werktage

Pos.
46
BOSCH Spanabweiser | Ersatzteile für GCD 12 JL | 1609B04664
Hersteller: BOSCH
Artikelnummer: EB-3601M28041-1609B04664
Netto: 6,70 € zzgl. MwSt.
zzgl. 6,90 € Versand (brutto)
einmalig pro Bestellung

Lieferzeit: 5 Werktage

Pos.
47
BOSCH O-Ring | Ersatzteile für GCD 12 JL | 1609B00068
Hersteller: BOSCH
Artikelnummer: EB-3601M28041-1609B00068
Netto: 3,63 € zzgl. MwSt.
zzgl. 6,90 € Versand (brutto)
einmalig pro Bestellung

Lieferzeit: 5 Werktage

Pos.
48
BOSCH Schraube | Ersatzteile für GCD 12 JL | 1609B00978
Hersteller: BOSCH
Artikelnummer: EB-3601M28041-1609B00978
Netto: 3,63 € zzgl. MwSt.
zzgl. 6,90 € Versand (brutto)
einmalig pro Bestellung

Lieferzeit: 5 Werktage

Pos.
49
BOSCH Schraube | Ersatzteile für GCD 12 JL | 1609B04649
Hersteller: BOSCH
Artikelnummer: EB-3601M28041-1609B04649
Netto: 3,63 € zzgl. MwSt.
zzgl. 6,90 € Versand (brutto)
einmalig pro Bestellung

Lieferzeit: 5 Werktage

Pos.
50
BOSCH Mattendichtung | Ersatzteile für GCD 12 JL | 1609B04650
Hersteller: BOSCH
Artikelnummer: EB-3601M28041-1609B04650
Netto: 3,94 € zzgl. MwSt.
zzgl. 6,90 € Versand (brutto)
einmalig pro Bestellung

Lieferzeit: 5 Werktage

Pos.
52
BOSCH Schaltergriff | Ersatzteile für GCD 12 JL | 1609B04605
Hersteller: BOSCH
Artikelnummer: EB-3601M28041-1609B04605
Netto: 26,88 € zzgl. MwSt.
zzgl. 6,90 € Versand (brutto)
einmalig pro Bestellung

Lieferzeit: 5 Werktage

Pos.
54
BOSCH Anschlussklotz | Ersatzteile für GCD 12 JL | 1609BP7059
Hersteller: BOSCH
Artikelnummer: EB-3601M28041-1609BP7059
Netto: 3,94 € zzgl. MwSt.
zzgl. 6,90 € Versand (brutto)
einmalig pro Bestellung

Lieferzeit: 5 Werktage

Pos.
55
BOSCH Schaltklinke | Ersatzteile für GCD 12 JL | 1609B04668
Hersteller: BOSCH
Artikelnummer: EB-3601M28041-1609B04668
Netto: 4,53 € zzgl. MwSt.
zzgl. 6,90 € Versand (brutto)
einmalig pro Bestellung

Lieferzeit: 5 Werktage

Pos.
56
BOSCH Traggriff | Ersatzteile für GCD 12 JL | 1609B04608
Hersteller: BOSCH
Artikelnummer: EB-3601M28041-1609B04608
Netto: 9,18 € zzgl. MwSt.
zzgl. 6,90 € Versand (brutto)
einmalig pro Bestellung

Lieferzeit: 5 Werktage

Pos.
57
BOSCH Schraube | Ersatzteile für GCD 12 JL | 1609B04652
Hersteller: BOSCH
Artikelnummer: EB-3601M28041-1609B04652
Netto: 3,63 € zzgl. MwSt.
zzgl. 6,90 € Versand (brutto)
einmalig pro Bestellung

Lieferzeit: 5 Werktage

Pos.
58
BOSCH Schraube | Ersatzteile für GCD 12 JL | 1609B00655
Hersteller: BOSCH
Artikelnummer: EB-3601M28041-1609B00655
Netto: 3,63 € zzgl. MwSt.
zzgl. 6,90 € Versand (brutto)
einmalig pro Bestellung

Lieferzeit: 5 Werktage

Pos.
59
BOSCH Zylinderblechschraube | Ersatzteile für GCD 12 JL | 1609B01356
Hersteller: BOSCH
Artikelnummer: EB-3601M28041-1609B01356
Netto: 3,63 € zzgl. MwSt.
zzgl. 6,90 € Versand (brutto)
einmalig pro Bestellung

Lieferzeit: 5 Werktage

Pos.
60
BOSCH Ring | Ersatzteile für GCD 12 JL | 1619P03931
Hersteller: BOSCH
Artikelnummer: EB-3601M28041-1619P03931
Netto: 3,63 € zzgl. MwSt.
zzgl. 6,90 € Versand (brutto)
einmalig pro Bestellung

Lieferzeit: 5 Werktage

Pos.
61
BOSCH Blechschraube | Ersatzteile für GCD 12 JL | 1609B00637
Hersteller: BOSCH
Artikelnummer: EB-3601M28041-1609B00637
Netto: 3,63 € zzgl. MwSt.
zzgl. 6,90 € Versand (brutto)
einmalig pro Bestellung

Lieferzeit: 5 Werktage

Pos.
81
BOSCH Schraube | Ersatzteile für GCD 12 JL | 1609B01561
Hersteller: BOSCH
Artikelnummer: EB-3601M28041-1609B01561
Netto: 3,63 € zzgl. MwSt.
zzgl. 6,90 € Versand (brutto)
einmalig pro Bestellung

Lieferzeit: 5 Werktage

Pos.
83
BOSCH Schulterschraube | Ersatzteile für GCD 12 JL | 1619P03802
Hersteller: BOSCH
Artikelnummer: EB-3601M28041-1619P03802
Netto: 3,63 € zzgl. MwSt.
zzgl. 6,90 € Versand (brutto)
einmalig pro Bestellung

Lieferzeit: 5 Werktage

Pos.
84
BOSCH Federscheibe DIN 127 B6 | Ersatzteile für GCD 12 JL | 1619P03841
Hersteller: BOSCH
Artikelnummer: EB-3601M28041-1619P03841
Netto: 3,63 € zzgl. MwSt.
zzgl. 6,90 € Versand (brutto)
einmalig pro Bestellung

Lieferzeit: 5 Werktage

Pos.
85
BOSCH Spezialschraube | Ersatzteile für GCD 12 JL | 1609B05417
Hersteller: BOSCH
Artikelnummer: EB-3601M28041-1609B05417
Netto: 3,94 € zzgl. MwSt.
zzgl. 6,90 € Versand (brutto)
einmalig pro Bestellung

Lieferzeit: 5 Werktage

Pos.
86
BOSCH O-Ring | Ersatzteile für GCD 12 JL | 1609B00931
Hersteller: BOSCH
Artikelnummer: EB-3601M28041-1609B00931
Netto: 3,63 € zzgl. MwSt.
zzgl. 6,90 € Versand (brutto)
einmalig pro Bestellung

Lieferzeit: 5 Werktage

Pos.
87
BOSCH Verschlusshebel | Ersatzteile für GCD 12 JL | 1609B04611
Hersteller: BOSCH
Artikelnummer: EB-3601M28041-1609B04611
Netto: 6,15 € zzgl. MwSt.
zzgl. 6,90 € Versand (brutto)
einmalig pro Bestellung

Lieferzeit: 5 Werktage

Pos.
88
BOSCH Verschlusshebel | Ersatzteile für GCD 12 JL | 1609B04612
Hersteller: BOSCH
Artikelnummer: EB-3601M28041-1609B04612
Netto: 9,95 € zzgl. MwSt.
zzgl. 6,90 € Versand (brutto)
einmalig pro Bestellung

Lieferzeit: 5 Werktage

Pos.
89
BOSCH Spannbuchse | Ersatzteile für GCD 12 JL | 1609B04647
Hersteller: BOSCH
Artikelnummer: EB-3601M28041-1609B04647
Netto: 3,63 € zzgl. MwSt.
zzgl. 6,90 € Versand (brutto)
einmalig pro Bestellung

Lieferzeit: 5 Werktage

Pos.
90
BOSCH Drehfeder | Ersatzteile für GCD 12 JL | 1609B04657
Hersteller: BOSCH
Artikelnummer: EB-3601M28041-1609B04657
Netto: 3,94 € zzgl. MwSt.
zzgl. 6,90 € Versand (brutto)
einmalig pro Bestellung

Lieferzeit: 5 Werktage

Pos.
91
BOSCH Ansatzschraube | Ersatzteile für GCD 12 JL | 1609B03779
Hersteller: BOSCH
Artikelnummer: EB-3601M28041-1609B03779
Netto: 3,94 € zzgl. MwSt.
zzgl. 6,90 € Versand (brutto)
einmalig pro Bestellung

Lieferzeit: 5 Werktage

Pos.
92
BOSCH Klemmutter | Ersatzteile für GCD 12 JL | 1609B00730
Hersteller: BOSCH
Artikelnummer: EB-3601M28041-1609B00730
Netto: 3,94 € zzgl. MwSt.
zzgl. 6,90 € Versand (brutto)
einmalig pro Bestellung

Lieferzeit: 5 Werktage

Pos.
93
BOSCH Drehfeder | Ersatzteile für GCD 12 JL | 1609B04658
Hersteller: BOSCH
Artikelnummer: EB-3601M28041-1609B04658
Netto: 3,94 € zzgl. MwSt.
zzgl. 6,90 € Versand (brutto)
einmalig pro Bestellung

Lieferzeit: 5 Werktage

Pos.
94
BOSCH Sicherungsmutter | Ersatzteile für GCD 12 JL | 1609B03570
Hersteller: BOSCH
Artikelnummer: EB-3601M28041-1609B03570
Netto: 3,63 € zzgl. MwSt.
zzgl. 6,90 € Versand (brutto)
einmalig pro Bestellung

Lieferzeit: 5 Werktage

Pos.
95
BOSCH Schraube | Ersatzteile für GCD 12 JL | 1609B04659
Hersteller: BOSCH
Artikelnummer: EB-3601M28041-1609B04659
Netto: 3,63 € zzgl. MwSt.
zzgl. 6,90 € Versand (brutto)
einmalig pro Bestellung

Lieferzeit: 5 Werktage

Pos.
96
BOSCH Lagerwelle | Ersatzteile für GCD 12 JL | 1609B04660
Hersteller: BOSCH
Artikelnummer: EB-3601M28041-1609B04660
Netto: 7,76 € zzgl. MwSt.
zzgl. 6,90 € Versand (brutto)
einmalig pro Bestellung

Lieferzeit: 5 Werktage

Pos.
97
BOSCH Anschlagschraube ISO 4027-M 5x8-45H | Ersatzteile für GCD 12 JL | 1619P03839
Hersteller: BOSCH
Artikelnummer: EB-3601M28041-1619P03839
Netto: 3,63 € zzgl. MwSt.
zzgl. 6,90 € Versand (brutto)
einmalig pro Bestellung

Lieferzeit: 5 Werktage

Pos.
98
BOSCH Spannbuchse | Ersatzteile für GCD 12 JL | 1609B04648
Hersteller: BOSCH
Artikelnummer: EB-3601M28041-1609B04648
Netto: 3,94 € zzgl. MwSt.
zzgl. 6,90 € Versand (brutto)
einmalig pro Bestellung

Lieferzeit: 5 Werktage

Pos.
99
BOSCH Torsionsfeder | Ersatzteile für GCD 12 JL | 1609B00024
Hersteller: BOSCH
Artikelnummer: EB-3601M28041-1609B00024
Netto: 8,33 € zzgl. MwSt.
zzgl. 6,90 € Versand (brutto)
einmalig pro Bestellung

Lieferzeit: 5 Werktage

Pos.
100
BOSCH Fuss | Ersatzteile für GCD 12 JL | 1609B04602
Hersteller: BOSCH
Artikelnummer: EB-3601M28041-1609B04602
Netto: 121,18 € zzgl. MwSt.
zzgl. 6,90 € Versand (brutto)
einmalig pro Bestellung

Lieferzeit: 5 Werktage

Pos.
103
BOSCH Klemmschraube | Ersatzteile für GCD 12 JL | 1609B04637
Hersteller: BOSCH
Artikelnummer: EB-3601M28041-1609B04637
Netto: 10,92 € zzgl. MwSt.
zzgl. 6,90 € Versand (brutto)
einmalig pro Bestellung

Lieferzeit: 5 Werktage

Pos.
104
BOSCH Klemmstein | Ersatzteile für GCD 12 JL | 1619P03760
Hersteller: BOSCH
Artikelnummer: EB-3601M28041-1619P03760
Netto: 7,76 € zzgl. MwSt.
zzgl. 6,90 € Versand (brutto)
einmalig pro Bestellung

Lieferzeit: 5 Werktage

Pos.
105
BOSCH Knebelgriff | Ersatzteile für GCD 12 JL | 1609B03523
Hersteller: BOSCH
Artikelnummer: EB-3601M28041-1609B03523
Netto: 6,15 € zzgl. MwSt.
zzgl. 6,90 € Versand (brutto)
einmalig pro Bestellung

Lieferzeit: 5 Werktage

Pos.
106
BOSCH Pleuelstange | Ersatzteile für GCD 12 JL | 1609B04638
Hersteller: BOSCH
Artikelnummer: EB-3601M28041-1609B04638
Netto: 7,30 € zzgl. MwSt.
zzgl. 6,90 € Versand (brutto)
einmalig pro Bestellung

Lieferzeit: 5 Werktage

Pos.
107
BOSCH Klemmlasche | Ersatzteile für GCD 12 JL | 1609B04639
Hersteller: BOSCH
Artikelnummer: EB-3601M28041-1609B04639
Netto: 24,13 € zzgl. MwSt.
zzgl. 6,90 € Versand (brutto)
einmalig pro Bestellung

Lieferzeit: 5 Werktage

Pos.
108
BOSCH Federstift ISO 13337-4x35 | Ersatzteile für GCD 12 JL | 1619P03762
Hersteller: BOSCH
Artikelnummer: EB-3601M28041-1619P03762
Netto: 3,63 € zzgl. MwSt.
zzgl. 6,90 € Versand (brutto)
einmalig pro Bestellung

Lieferzeit: 5 Werktage

Pos.
109
BOSCH Federstift ISO 1337 4x18 | Ersatzteile für GCD 12 JL | 1619P03752
Hersteller: BOSCH
Artikelnummer: EB-3601M28041-1619P03752
Netto: 3,63 € zzgl. MwSt.
zzgl. 6,90 € Versand (brutto)
einmalig pro Bestellung

Lieferzeit: 5 Werktage

Pos.
110
BOSCH Sicherungsring DIN 471-18 | Ersatzteile für GCD 12 JL | 1619P03755
Hersteller: BOSCH
Artikelnummer: EB-3601M28041-1619P03755
Netto: 3,63 € zzgl. MwSt.
zzgl. 6,90 € Versand (brutto)
einmalig pro Bestellung

Lieferzeit: 5 Werktage

Pos.
111
BOSCH Nietstift DIN 94-4x22 | Ersatzteile für GCD 12 JL | 1619P03756
Hersteller: BOSCH
Artikelnummer: EB-3601M28041-1619P03756
Netto: 3,63 € zzgl. MwSt.
zzgl. 6,90 € Versand (brutto)
einmalig pro Bestellung

Lieferzeit: 5 Werktage

Pos.
112
BOSCH Unterlegscheibe DIN 433-10 | Ersatzteile für GCD 12 JL | 1619P03757
Hersteller: BOSCH
Artikelnummer: EB-3601M28041-1619P03757
Netto: 3,63 € zzgl. MwSt.
zzgl. 6,90 € Versand (brutto)
einmalig pro Bestellung

Lieferzeit: 5 Werktage

Pos.
113
BOSCH Gehrungslineal | Ersatzteile für GCD 12 JL | 1609B05442
Hersteller: BOSCH
Artikelnummer: EB-3601M28041-1609B05442
Netto: 26,88 € zzgl. MwSt.
zzgl. 6,90 € Versand (brutto)
einmalig pro Bestellung

Lieferzeit: 5 Werktage

Pos.
114
BOSCH Sechskantbolzen | Ersatzteile für GCD 12 JL | 1609B04661
Hersteller: BOSCH
Artikelnummer: EB-3601M28041-1609B04661
Netto: 3,63 € zzgl. MwSt.
zzgl. 6,90 € Versand (brutto)
einmalig pro Bestellung

Lieferzeit: 5 Werktage

Pos.
115
BOSCH Hebel | Ersatzteile für GCD 12 JL | 1609B00753
Hersteller: BOSCH
Artikelnummer: EB-3601M28041-1609B00753
Netto: 6,15 € zzgl. MwSt.
zzgl. 6,90 € Versand (brutto)
einmalig pro Bestellung

Lieferzeit: 5 Werktage

Pos.
116
BOSCH Unterlegscheibe | Ersatzteile für GCD 12 JL | 1609B00757
Hersteller: BOSCH
Artikelnummer: EB-3601M28041-1609B00757
Netto: 3,63 € zzgl. MwSt.
zzgl. 6,90 € Versand (brutto)
einmalig pro Bestellung

Lieferzeit: 5 Werktage

Pos.
118
BOSCH Schraube | Ersatzteile für GCD 12 JL | 1609B00234
Hersteller: BOSCH
Artikelnummer: EB-3601M28041-1609B00234
Netto: 5,67 € zzgl. MwSt.
zzgl. 6,90 € Versand (brutto)
einmalig pro Bestellung

Lieferzeit: 5 Werktage

Pos.
119
BOSCH Ansatzschraube | Ersatzteile für GCD 12 JL | 1609B00236
Hersteller: BOSCH
Artikelnummer: EB-3601M28041-1609B00236
Netto: 3,94 € zzgl. MwSt.
zzgl. 6,90 € Versand (brutto)
einmalig pro Bestellung

Lieferzeit: 5 Werktage

Pos.
120
BOSCH Sperrhebel | Ersatzteile für GCD 12 JL | 1609B00232
Hersteller: BOSCH
Artikelnummer: EB-3601M28041-1609B00232
Netto: 3,94 € zzgl. MwSt.
zzgl. 6,90 € Versand (brutto)
einmalig pro Bestellung

Lieferzeit: 5 Werktage

Pos.
121
BOSCH Druckfeder | Ersatzteile für GCD 12 JL | 1609B00237
Hersteller: BOSCH
Artikelnummer: EB-3601M28041-1609B00237
Netto: 3,63 € zzgl. MwSt.
zzgl. 6,90 € Versand (brutto)
einmalig pro Bestellung

Lieferzeit: 5 Werktage

Pos.
122
BOSCH Sprengring | Ersatzteile für GCD 12 JL | 1609B00644
Hersteller: BOSCH
Artikelnummer: EB-3601M28041-1609B00644
Netto: 4,32 € zzgl. MwSt.
zzgl. 6,90 € Versand (brutto)
einmalig pro Bestellung

Lieferzeit: 5 Werktage

Pos.
124
BOSCH Führungsplatte | Ersatzteile für GCD 12 JL | 1609B04641
Hersteller: BOSCH
Artikelnummer: EB-3601M28041-1609B04641
Netto: 8,33 € zzgl. MwSt.
zzgl. 6,90 € Versand (brutto)
einmalig pro Bestellung

Lieferzeit: 5 Werktage

Pos.
125
BOSCH Haltezapfen | Ersatzteile für GCD 12 JL | 1609B01600
Hersteller: BOSCH
Artikelnummer: EB-3601M28041-1609B01600
Netto: 4,53 € zzgl. MwSt.
zzgl. 6,90 € Versand (brutto)
einmalig pro Bestellung

Lieferzeit: 5 Werktage

Pos.
126
BOSCH O-Ring | Ersatzteile für GCD 12 JL | 1609B00601
Hersteller: BOSCH
Artikelnummer: EB-3601M28041-1609B00601
Netto: 3,94 € zzgl. MwSt.
zzgl. 6,90 € Versand (brutto)
einmalig pro Bestellung

Lieferzeit: 5 Werktage

Pos.
127
BOSCH Gummibuchse | Ersatzteile für GCD 12 JL | 1609B00227
Hersteller: BOSCH
Artikelnummer: EB-3601M28041-1609B00227
Netto: 3,92 € zzgl. MwSt.
zzgl. 6,90 € Versand (brutto)
einmalig pro Bestellung

Lieferzeit: 5 Werktage

Pos.
128
BOSCH Reglerschraube | Ersatzteile für GCD 12 JL | 1609B01599
Hersteller: BOSCH
Artikelnummer: EB-3601M28041-1609B01599
Netto: 3,94 € zzgl. MwSt.
zzgl. 6,90 € Versand (brutto)
einmalig pro Bestellung

Lieferzeit: 5 Werktage

Pos.
129
BOSCH Blattfeder | Ersatzteile für GCD 12 JL | 1609B04633
Hersteller: BOSCH
Artikelnummer: EB-3601M28041-1609B04633
Netto: 3,63 € zzgl. MwSt.
zzgl. 6,90 € Versand (brutto)
einmalig pro Bestellung

Lieferzeit: 5 Werktage

Pos.
130
BOSCH Spanbehälter | Ersatzteile für GCD 12 JL | 1609B04634
Hersteller: BOSCH
Artikelnummer: EB-3601M28041-1609B04634
Netto: 12,98 € zzgl. MwSt.
zzgl. 6,90 € Versand (brutto)
einmalig pro Bestellung

Lieferzeit: 5 Werktage

Pos.
131
BOSCH Schutzhaube | Ersatzteile für GCD 12 JL | 1609B04635
Hersteller: BOSCH
Artikelnummer: EB-3601M28041-1609B04635
Netto: 5,67 € zzgl. MwSt.
zzgl. 6,90 € Versand (brutto)
einmalig pro Bestellung

Lieferzeit: 5 Werktage

Pos.
132
BOSCH Gelenkbolzen | Ersatzteile für GCD 12 JL | 1609B04663
Hersteller: BOSCH
Artikelnummer: EB-3601M28041-1609B04663
Netto: 3,63 € zzgl. MwSt.
zzgl. 6,90 € Versand (brutto)
einmalig pro Bestellung

Lieferzeit: 5 Werktage

Pos.
133
BOSCH Zylinderschraube ISO 4762-M 8x20-8.8 | Ersatzteile für GCD 12 JL | 1619P03827
Hersteller: BOSCH
Artikelnummer: EB-3601M28041-1619P03827
Netto: 3,63 € zzgl. MwSt.
zzgl. 6,90 € Versand (brutto)
einmalig pro Bestellung

Lieferzeit: 5 Werktage

Pos.
134
BOSCH Federscheibe DIN 127 B8 | Ersatzteile für GCD 12 JL | 1619P03829
Hersteller: BOSCH
Artikelnummer: EB-3601M28041-1619P03829
Netto: 3,63 € zzgl. MwSt.
zzgl. 6,90 € Versand (brutto)
einmalig pro Bestellung

Lieferzeit: 5 Werktage

Pos.
135
BOSCH Unterlegscheibe DIN 125 A8 | Ersatzteile für GCD 12 JL | 1619P03828
Hersteller: BOSCH
Artikelnummer: EB-3601M28041-1619P03828
Netto: 4,53 € zzgl. MwSt.
zzgl. 6,90 € Versand (brutto)
einmalig pro Bestellung

Lieferzeit: 5 Werktage

Pos.
136
BOSCH Schraube | Ersatzteile für GCD 12 JL | 1609B00634
Hersteller: BOSCH
Artikelnummer: EB-3601M28041-1609B00634
Netto: 3,63 € zzgl. MwSt.
zzgl. 6,90 € Versand (brutto)
einmalig pro Bestellung

Lieferzeit: 5 Werktage

Pos.
137
BOSCH Zeiger | Ersatzteile für GCD 12 JL | 1609B04642
Hersteller: BOSCH
Artikelnummer: EB-3601M28041-1609B04642
Netto: 3,63 € zzgl. MwSt.
zzgl. 6,90 € Versand (brutto)
einmalig pro Bestellung

Lieferzeit: 5 Werktage

Pos.
138
BOSCH Winkelschraubendreher | Ersatzteile für GCD 12 JL | 1609B05416
Hersteller: BOSCH
Artikelnummer: EB-3601M28041-1609B05416
Netto: 6,70 € zzgl. MwSt.
zzgl. 6,90 € Versand (brutto)
einmalig pro Bestellung

Lieferzeit: 5 Werktage

Pos.
139
BOSCH Gummibuchse | Ersatzteile für GCD 12 JL | 1609B05419
Hersteller: BOSCH
Artikelnummer: EB-3601M28041-1609B05419
Netto: 3,63 € zzgl. MwSt.
zzgl. 6,90 € Versand (brutto)
einmalig pro Bestellung

Lieferzeit: 5 Werktage

Pos.
140
BOSCH Gestänge | Ersatzteile für GCD 12 JL | 1609B04636
Hersteller: BOSCH
Artikelnummer: EB-3601M28041-1609B04636
Netto: 7,76 € zzgl. MwSt.
zzgl. 6,90 € Versand (brutto)
einmalig pro Bestellung

Lieferzeit: 5 Werktage

Pos.
141
BOSCH Unterlegscheibe | Ersatzteile für GCD 12 JL | 1609B00703
Hersteller: BOSCH
Artikelnummer: EB-3601M28041-1609B00703
Netto: 3,63 € zzgl. MwSt.
zzgl. 6,90 € Versand (brutto)
einmalig pro Bestellung

Lieferzeit: 5 Werktage

Pos.
142
BOSCH Lagerbuchse | Ersatzteile für GCD 12 JL | 1609B04667
Hersteller: BOSCH
Artikelnummer: EB-3601M28041-1609B04667
Netto: 3,63 € zzgl. MwSt.
zzgl. 6,90 € Versand (brutto)
einmalig pro Bestellung

Lieferzeit: 5 Werktage

Pos.
143
BOSCH Sicherungsbügel | Ersatzteile für GCD 12 JL | 1609B01956
Hersteller: BOSCH
Artikelnummer: EB-3601M28041-1609B01956
Netto: 3,63 € zzgl. MwSt.
zzgl. 6,90 € Versand (brutto)
einmalig pro Bestellung

Lieferzeit: 5 Werktage

Pos.
144
BOSCH Schraube | Ersatzteile für GCD 12 JL | 1609B00971
Hersteller: BOSCH
Artikelnummer: EB-3601M28041-1609B00971
Netto: 3,63 € zzgl. MwSt.
zzgl. 6,90 € Versand (brutto)
einmalig pro Bestellung

Lieferzeit: 5 Werktage

Pos.
146
BOSCH Ein/Aus-Schalter | Ersatzteile für GCD 12 JL | 1619P03669
Hersteller: BOSCH
Artikelnummer: EB-3601M28041-1619P03669
Netto: 16,44 € zzgl. MwSt.
zzgl. 6,90 € Versand (brutto)
einmalig pro Bestellung

Lieferzeit: 5 Werktage

Pos.
146
BOSCH Schalter | Ersatzteile für GCD 12 JL | 1609B05392
Hersteller: BOSCH
Artikelnummer: EB-3601M28041-1609B05392
Netto: 5,19 € zzgl. MwSt.
zzgl. 6,90 € Versand (brutto)
einmalig pro Bestellung

Lieferzeit: 5 Werktage

Pos.
157
BOSCH Abdeckung | Ersatzteile für GCD 12 JL | 1609B04644
Hersteller: BOSCH
Artikelnummer: EB-3601M28041-1609B04644
Netto: 3,63 € zzgl. MwSt.
zzgl. 6,90 € Versand (brutto)
einmalig pro Bestellung

Lieferzeit: 5 Werktage

Pos.
158
BOSCH Schutzbügel | Ersatzteile für GCD 12 JL | 1609B04643
Hersteller: BOSCH
Artikelnummer: EB-3601M28041-1609B04643
Netto: 3,94 € zzgl. MwSt.
zzgl. 6,90 € Versand (brutto)
einmalig pro Bestellung

Lieferzeit: 5 Werktage

Pos.
159
BOSCH Schraube | Ersatzteile für GCD 12 JL | 1609B01667
Hersteller: BOSCH
Artikelnummer: EB-3601M28041-1609B01667
Netto: 3,63 € zzgl. MwSt.
zzgl. 6,90 € Versand (brutto)
einmalig pro Bestellung

Lieferzeit: 5 Werktage

Pos.
160
BOSCH Schraube | Ersatzteile für GCD 12 JL | 1609B01663
Hersteller: BOSCH
Artikelnummer: EB-3601M28041-1609B01663
Netto: 3,63 € zzgl. MwSt.
zzgl. 6,90 € Versand (brutto)
einmalig pro Bestellung

Lieferzeit: 5 Werktage

Pos.
161
BOSCH Verbindungskabel | Ersatzteile für GCD 12 JL | 1609B01549
Hersteller: BOSCH
Artikelnummer: EB-3601M28041-1609B01549
Netto: 4,32 € zzgl. MwSt.
zzgl. 6,90 € Versand (brutto)
einmalig pro Bestellung

Lieferzeit: 5 Werktage

Pos.
163
BOSCH Schraube | Ersatzteile für GCD 12 JL | 1609B05401
Hersteller: BOSCH
Artikelnummer: EB-3601M28041-1609B05401
Netto: 3,63 € zzgl. MwSt.
zzgl. 6,90 € Versand (brutto)
einmalig pro Bestellung

Lieferzeit: 5 Werktage

Pos.
165
BOSCH Aufspannplatte | Ersatzteile für GCD 12 JL | 1609B05421
Hersteller: BOSCH
Artikelnummer: EB-3601M28041-1609B05421
Netto: 4,32 € zzgl. MwSt.
zzgl. 6,90 € Versand (brutto)
einmalig pro Bestellung

Lieferzeit: 5 Werktage

Pos.
803
BOSCH Ankerbaugruppe 230V | Ersatzteile für GCD 12 JL | 1609B04679
Hersteller: BOSCH
Artikelnummer: EB-3601M28041-1609B04679
Netto: 121,18 € zzgl. MwSt.
zzgl. 6,90 € Versand (brutto)
einmalig pro Bestellung

Lieferzeit: 5 Werktage

Pos.
810
BOSCH Kohlebürstensatz | Ersatzteile für GCD 12 JL | 1607014171
Hersteller: BOSCH
Artikelnummer: EB-3601M28041-1607014171
Netto: 11,92 € zzgl. MwSt.
zzgl. 6,90 € Versand (brutto)
einmalig pro Bestellung

Lieferzeit: 5 Werktage

Pos.
816
BOSCH Bürstenhalter | Ersatzteile für GCD 12 JL | 1604336048
Hersteller: BOSCH
Artikelnummer: EB-3601M28041-1604336048
Netto: 6,70 € zzgl. MwSt.
zzgl. 6,90 € Versand (brutto)
einmalig pro Bestellung

Lieferzeit: 5 Werktage

Pos.
822
BOSCH Welle Mit Zahnrad | Ersatzteile für GCD 12 JL | 1609B04681
Hersteller: BOSCH
Artikelnummer: EB-3601M28041-1609B04681
Netto: 63,99 € zzgl. MwSt.
zzgl. 6,90 € Versand (brutto)
einmalig pro Bestellung

Lieferzeit: 5 Werktage

Pos.
823
BOSCH Welle Mit Zahnrad | Ersatzteile für GCD 12 JL | 1609B04682
Hersteller: BOSCH
Artikelnummer: EB-3601M28041-1609B04682
Netto: 32,74 € zzgl. MwSt.
zzgl. 6,90 € Versand (brutto)
einmalig pro Bestellung

Lieferzeit: 5 Werktage

Pos.
824
BOSCH Ergänzungsgestell | Ersatzteile für GCD 12 JL | 1609B04683
Hersteller: BOSCH
Artikelnummer: EB-3601M28041-1609B04683
Netto: 26,88 € zzgl. MwSt.
zzgl. 6,90 € Versand (brutto)
einmalig pro Bestellung

Lieferzeit: 5 Werktage

Pos.
825
BOSCH Lagerblock | Ersatzteile für GCD 12 JL | 1609B03533
Hersteller: BOSCH
Artikelnummer: EB-3601M28041-1609B03533
Netto: 7,76 € zzgl. MwSt.
zzgl. 6,90 € Versand (brutto)
einmalig pro Bestellung

Lieferzeit: 5 Werktage

Pos.
826
BOSCH Arm | Ersatzteile für GCD 12 JL | 1609B04692
Hersteller: BOSCH
Artikelnummer: EB-3601M28041-1609B04692
Netto: 106,72 € zzgl. MwSt.
zzgl. 6,90 € Versand (brutto)
einmalig pro Bestellung

Lieferzeit: 5 Werktage

Pos.
827
BOSCH Schutzunterteil | Ersatzteile für GCD 12 JL | 1609B04693
Hersteller: BOSCH
Artikelnummer: EB-3601M28041-1609B04693
Netto: 70,50 € zzgl. MwSt.
zzgl. 6,90 € Versand (brutto)
einmalig pro Bestellung

Lieferzeit: 5 Werktage

Pos.
828
BOSCH Softstartmodul | Ersatzteile für GCD 12 JL | 1609B04694
Hersteller: BOSCH
Artikelnummer: EB-3601M28041-1609B04694
Netto: 39,11 € zzgl. MwSt.
zzgl. 6,90 € Versand (brutto)
einmalig pro Bestellung

Lieferzeit: 5 Werktage

Pos.
829
BOSCH Elektronik-Modul | Ersatzteile für GCD 12 JL | 1609B04695
Hersteller: BOSCH
Artikelnummer: EB-3601M28041-1609B04695
Netto: 19,18 € zzgl. MwSt.
zzgl. 6,90 € Versand (brutto)
einmalig pro Bestellung

Lieferzeit: 5 Werktage

Pos.
830
BOSCH Draht | Ersatzteile für GCD 12 JL | 1609B04696
Hersteller: BOSCH
Artikelnummer: EB-3601M28041-1609B04696
Netto: 3,94 € zzgl. MwSt.
zzgl. 6,90 € Versand (brutto)
einmalig pro Bestellung

Lieferzeit: 5 Werktage

Pos.
831
BOSCH Laser | Ersatzteile für GCD 12 JL | 1609B01726
Hersteller: BOSCH
Artikelnummer: EB-3601M28041-1609B01726
nur Informationsartikel
Nie mehr lieferbar
keine Alternativen

Angaben zur Produktsicherheit

Hersteller:
Robert Bosch Power Tools GmbH
Postfach 30 02 20
70442 Stuttgart

E-Mail:
kontakt@bosch.de