BOSCH Lagerbock | Ersatzteile für GCM 10 S | 2610024627

Artikelnummer: EB-0601B20537-2610024627

Position: 154

Marke: BOSCH


Bitte Kompatibilität prüfen!

Bitte prüfen Sie unbedingt die 10-stellige Typennummer Ihrer Maschine / Ihres Gerätes. Das Ersatzteil ist nur kompatibel, wenn Sie die Typennummer Ihrer Maschine in der unten stehenden Produktbeschreibung finden.

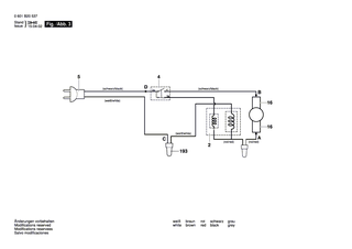
Bitte prüfen Sie ebenfalls detailliert die Explosionszeichnung mit Ihrem Artikelwunsch und der jeweiligen Pos-Nummer.

Alle Elemente, welche vom schwarzen Strich der Pos-Nummer ausgehend berührt / erfasst werden, gehören zu dieser Pos-Nummer und somit zu diesem Artikel. Jede Pos-Nummer ist ein eigenständiger Artikel, welchen Sie in der Auflistung finden.

Sie erhalten stets die aktuellste, neueste Produktversion zu der gewählten Pos-Nummer seitens des Herstellers. Es kann daher je nach Gerätealter vorkommen, dass Sie ggf. weitere, zugehörige Elemente, welche an diese Pos-Nummer grenzen, ebenfalls mittauschen müssen.

Nähere Informationen finden Sie unter dem Link
Hinweise zu Ihrer BOSCH Ersatzteilsuche

Preisübersicht

Einzelpreis: 52,14 €* (Brutto: 62,05 €)
Gesamtpreis: 52,14 €* 
Position:

Lieferzeit: 5 Werktage


Beschreibung

  • Lagerbock
  • Original Bosch Zubehör / BOSCH Ersatzteil (2610024627)
  • im Gerät verbaut: 1
Dieses BOSCH Ersatzteil ist mit folgendem Gerät und Modell kompatibel:
  • BOSCH Gerätename: GCM 10 S
  • BOSCH Explosionszeichnung: Position 154
  • BOSCH Typennummer: 0601B20537
  • BOSCH Typennummer alternative Schreibweisen: 0 601 B20 537, 0601 B20 537, 0.601.B20.537, 0-601-B20-537
    Bitte prüfen Sie diese Typennummer auf Ihrem Gerät um die Kompatibilität des BOSCH Ersatzteils zu gewährleisten.
Weitere BOSCH Ersatzteile des Gerätes GCM 10 S (Kapp-/Gehrungssäge) mit der Typennummer 0601B20537 finden Sie in der nachfolgenden Darstellung und im Dropdown zu Ihrer Auswahl:

Pos.
1
BOSCH Motorgehäuse | Ersatzteile für GCM 10 S | 1609902531
Hersteller: BOSCH
Artikelnummer: EB-0601B20537-1609902531
Netto: 47,09 € zzgl. MwSt.
zzgl. 6,90 € Versand (brutto)
einmalig pro Bestellung

Lieferzeit: 5 Werktage

Pos.
4/1
BOSCH Schraube | Ersatzteile für GCM 10 S | 2610993109
Hersteller: BOSCH
Artikelnummer: EB-0601B20537-2610993109
Netto: 3,63 € zzgl. MwSt.
zzgl. 6,90 € Versand (brutto)
einmalig pro Bestellung

Lieferzeit: 5 Werktage

Pos.
2
BOSCH Stator 240V | Ersatzteile für GCM 10 S | 1609203K19
Hersteller: BOSCH
Artikelnummer: EB-0601B20537-1609203K19
Netto: 52,14 € zzgl. MwSt.
zzgl. 6,90 € Versand (brutto)
einmalig pro Bestellung

Lieferzeit: 5 Werktage

Pos.
3
BOSCH Rotor 220V | Ersatzteile für GCM 10 S | 1619P03776
Hersteller: BOSCH
Artikelnummer: EB-0601B20537-1619P03776
Netto: 106,72 € zzgl. MwSt.
zzgl. 6,90 € Versand (brutto)
einmalig pro Bestellung

Lieferzeit: 5 Werktage

Pos.
4
BOSCH Ein/Aus-Schalter | Ersatzteile für GCM 10 S | 1609902366
Hersteller: BOSCH
Artikelnummer: EB-0601B20537-1609902366
nur Informationsartikel
Nie mehr lieferbar
keine Alternativen
Pos.
5
BOSCH Netzanschlussleitung | Ersatzteile für GCM 10 S | 1609902395
Hersteller: BOSCH
Artikelnummer: EB-0601B20537-1609902395
Netto: 26,88 € zzgl. MwSt.
zzgl. 6,90 € Versand (brutto)
einmalig pro Bestellung

Lieferzeit: 5 Werktage

Pos.
6
BOSCH Kabeltülle | Ersatzteile für GCM 10 S | 2610911932
Hersteller: BOSCH
Artikelnummer: EB-0601B20537-2610911932
Netto: 4,82 € zzgl. MwSt.
zzgl. 6,90 € Versand (brutto)
einmalig pro Bestellung

Lieferzeit: 5 Werktage

Pos.
7
BOSCH Befestigungsschelle | Ersatzteile für GCM 10 S | 1609902108
Hersteller: BOSCH
Artikelnummer: EB-0601B20537-1609902108
Netto: 3,63 € zzgl. MwSt.
zzgl. 6,90 € Versand (brutto)
einmalig pro Bestellung

Lieferzeit: 5 Werktage

Pos.
9
BOSCH Firmenschild | Ersatzteile für GCM 10 S | 1609902550
Hersteller: BOSCH
Artikelnummer: EB-0601B20537-1609902550
Netto: 5,19 € zzgl. MwSt.
zzgl. 6,90 € Versand (brutto)
einmalig pro Bestellung

Lieferzeit: 5 Werktage

Pos.
10
BOSCH Typschild | Ersatzteile für GCM 10 S | 1609902554
Hersteller: BOSCH
Artikelnummer: EB-0601B20537-1609902554
nur Informationsartikel
Nie mehr lieferbar
keine Alternativen
Pos.
11
BOSCH Federscheibe | Ersatzteile für GCM 10 S | 2610911924
Hersteller: BOSCH
Artikelnummer: EB-0601B20537-2610911924
Netto: 5,19 € zzgl. MwSt.
zzgl. 6,90 € Versand (brutto)
einmalig pro Bestellung

Lieferzeit: 5 Werktage

Pos.
12
BOSCH Gummiring | Ersatzteile für GCM 10 S | 2610996948
Hersteller: BOSCH
Artikelnummer: EB-0601B20537-2610996948
Netto: 3,94 € zzgl. MwSt.
zzgl. 6,90 € Versand (brutto)
einmalig pro Bestellung

Lieferzeit: 5 Werktage

Pos.
13
BOSCH Kugellager | Ersatzteile für GCM 10 S | 2610911928
Hersteller: BOSCH
Artikelnummer: EB-0601B20537-2610911928
Netto: 10,92 € zzgl. MwSt.
zzgl. 6,90 € Versand (brutto)
einmalig pro Bestellung

Lieferzeit: 5 Werktage

Pos.
14
BOSCH Kugellager | Ersatzteile für GCM 10 S | 2610911927
Hersteller: BOSCH
Artikelnummer: EB-0601B20537-2610911927
Netto: 21,16 € zzgl. MwSt.
zzgl. 6,90 € Versand (brutto)
einmalig pro Bestellung

Lieferzeit: 5 Werktage

Pos.
15
BOSCH Kabelklemme | Ersatzteile für GCM 10 S | 1609203K06
Hersteller: BOSCH
Artikelnummer: EB-0601B20537-1609203K06
Netto: 3,63 € zzgl. MwSt.
zzgl. 6,90 € Versand (brutto)
einmalig pro Bestellung

Lieferzeit: 5 Werktage

Pos.
16
BOSCH Bürstenhalter alt | Ersatzteile für GCM 10 S | 2610911858
Hersteller: BOSCH
Artikelnummer: EB-0601B20537-2610911858
Netto: 14,36 € zzgl. MwSt.
zzgl. 6,90 € Versand (brutto)
einmalig pro Bestellung

Lieferzeit: 5 Werktage

Pos.
17
BOSCH Elektr Leitung 280 MM | Ersatzteile für GCM 10 S | 2610911930
Hersteller: BOSCH
Artikelnummer: EB-0601B20537-2610911930
Netto: 3,63 € zzgl. MwSt.
zzgl. 6,90 € Versand (brutto)
einmalig pro Bestellung

Lieferzeit: 5 Werktage

Pos.
18
BOSCH Elektr Leitung | Ersatzteile für GCM 10 S | 1609203J63
Hersteller: BOSCH
Artikelnummer: EB-0601B20537-1609203J63
Netto: 4,33 € zzgl. MwSt.
zzgl. 6,90 € Versand (brutto)
einmalig pro Bestellung

Lieferzeit: 5 Werktage

Pos.
19
BOSCH Luftleitring | Ersatzteile für GCM 10 S | 2610911931
Hersteller: BOSCH
Artikelnummer: EB-0601B20537-2610911931
Netto: 5,19 € zzgl. MwSt.
zzgl. 6,90 € Versand (brutto)
einmalig pro Bestellung

Lieferzeit: 5 Werktage

Pos.
20
BOSCH Getriebegehäuse | Ersatzteile für GCM 10 S | 2610911572
Hersteller: BOSCH
Artikelnummer: EB-0601B20537-2610911572
nur Informationsartikel
Nie mehr lieferbar
keine Alternativen
Pos.
21
BOSCH Bürstendeckel Ø 20mm | Ersatzteile für GCM 10 S | 2610911859
Hersteller: BOSCH
Artikelnummer: EB-0601B20537-2610911859
Netto: 4,32 € zzgl. MwSt.
zzgl. 6,90 € Versand (brutto)
einmalig pro Bestellung

Lieferzeit: 5 Werktage

Pos.
22
BOSCH Lagerdeckel | Ersatzteile für GCM 10 S | 2610911566
Hersteller: BOSCH
Artikelnummer: EB-0601B20537-2610911566
Netto: 4,82 € zzgl. MwSt.
zzgl. 6,90 € Versand (brutto)
einmalig pro Bestellung

Lieferzeit: 5 Werktage

Pos.
23
BOSCH Schraube | Ersatzteile für GCM 10 S | 2610911929
Hersteller: BOSCH
Artikelnummer: EB-0601B20537-2610911929
Netto: 3,63 € zzgl. MwSt.
zzgl. 6,90 € Versand (brutto)
einmalig pro Bestellung

Lieferzeit: 5 Werktage

Pos.
24
BOSCH Schraube | Ersatzteile für GCM 10 S | 2610911926
Hersteller: BOSCH
Artikelnummer: EB-0601B20537-2610911926
nur Informationsartikel
Nie mehr lieferbar
keine Alternativen
Pos.
25
BOSCH Schraube | Ersatzteile für GCM 10 S | 2610911865
Hersteller: BOSCH
Artikelnummer: EB-0601B20537-2610911865
Netto: 3,63 € zzgl. MwSt.
zzgl. 6,90 € Versand (brutto)
einmalig pro Bestellung

Lieferzeit: 5 Werktage

Pos.
26
BOSCH Federdraht | Ersatzteile für GCM 10 S | 2610911567
Hersteller: BOSCH
Artikelnummer: EB-0601B20537-2610911567
nur Informationsartikel
Nie mehr lieferbar
keine Alternativen
Pos.
27
BOSCH Schraube | Ersatzteile für GCM 10 S | 2610304698
Hersteller: BOSCH
Artikelnummer: EB-0601B20537-2610304698
nur Informationsartikel
Nie mehr lieferbar
keine Alternativen
Pos.
28
BOSCH Scheibenfeder | Ersatzteile für GCM 10 S | 2610993102
Hersteller: BOSCH
Artikelnummer: EB-0601B20537-2610993102
Netto: 4,32 € zzgl. MwSt.
zzgl. 6,90 € Versand (brutto)
einmalig pro Bestellung

Lieferzeit: 5 Werktage

Pos.
29
BOSCH Schraube | Ersatzteile für GCM 10 S | 2610911903
Hersteller: BOSCH
Artikelnummer: EB-0601B20537-2610911903
Netto: 3,63 € zzgl. MwSt.
zzgl. 6,90 € Versand (brutto)
einmalig pro Bestellung

Lieferzeit: 5 Werktage

Pos.
30
BOSCH Schraube | Ersatzteile für GCM 10 S | 2610911904
Hersteller: BOSCH
Artikelnummer: EB-0601B20537-2610911904
Netto: 3,63 € zzgl. MwSt.
zzgl. 6,90 € Versand (brutto)
einmalig pro Bestellung

Lieferzeit: 5 Werktage

Pos.
31
BOSCH Sechskantmutter | Ersatzteile für GCM 10 S | 1609902684
Hersteller: BOSCH
Artikelnummer: EB-0601B20537-1609902684
Netto: 3,63 € zzgl. MwSt.
zzgl. 6,90 € Versand (brutto)
einmalig pro Bestellung

Lieferzeit: 5 Werktage

Pos.
32
BOSCH Schleifspindel | Ersatzteile für GCM 10 S | 1619P03323
Hersteller: BOSCH
Artikelnummer: EB-0601B20537-1619P03323
nur Informationsartikel
Nie mehr lieferbar
keine Alternativen
Pos.
33
BOSCH Zahnrad | Ersatzteile für GCM 10 S | 2610911943
Hersteller: BOSCH
Artikelnummer: EB-0601B20537-2610911943
Netto: 26,88 € zzgl. MwSt.
zzgl. 6,90 € Versand (brutto)
einmalig pro Bestellung

Lieferzeit: 5 Werktage

Pos.
34
BOSCH Kugellager | Ersatzteile für GCM 10 S | 2610943105
Hersteller: BOSCH
Artikelnummer: EB-0601B20537-2610943105
nur Informationsartikel
Nie mehr lieferbar
keine Alternativen
Pos.
35
BOSCH Nadelhülse | Ersatzteile für GCM 10 S | 2610993106
Hersteller: BOSCH
Artikelnummer: EB-0601B20537-2610993106
nur Informationsartikel
Nie mehr lieferbar
keine Alternativen
Pos.
38
BOSCH Annietmutter | Ersatzteile für GCM 10 S | 2610024626
Hersteller: BOSCH
Artikelnummer: EB-0601B20537-2610024626
Netto: 5,67 € zzgl. MwSt.
zzgl. 6,90 € Versand (brutto)
einmalig pro Bestellung

Lieferzeit: 5 Werktage

Pos.
41
BOSCH Klemmstein | Ersatzteile für GCM 10 S | 1609902392
Hersteller: BOSCH
Artikelnummer: EB-0601B20537-1609902392
Netto: 4,53 € zzgl. MwSt.
zzgl. 6,90 € Versand (brutto)
einmalig pro Bestellung

Lieferzeit: 5 Werktage

Pos.
42
BOSCH Knopf | Ersatzteile für GCM 10 S | 2610911583
Hersteller: BOSCH
Artikelnummer: EB-0601B20537-2610911583
Netto: 7,76 € zzgl. MwSt.
zzgl. 6,90 € Versand (brutto)
einmalig pro Bestellung

Lieferzeit: 5 Werktage

Pos.
43
BOSCH Feder | Ersatzteile für GCM 10 S | 2610911582
Hersteller: BOSCH
Artikelnummer: EB-0601B20537-2610911582
Netto: 3,63 € zzgl. MwSt.
zzgl. 6,90 € Versand (brutto)
einmalig pro Bestellung

Lieferzeit: 5 Werktage

Pos.
44
BOSCH Lagerbock | Ersatzteile für GCM 10 S | 2610911592
Hersteller: BOSCH
Artikelnummer: EB-0601B20537-2610911592
Netto: 96,32 € zzgl. MwSt.
zzgl. 6,90 € Versand (brutto)
einmalig pro Bestellung

Lieferzeit: 5 Werktage

Pos.
45
BOSCH Schutzabdeckung | Ersatzteile für GCM 10 S | 1609203K12
Hersteller: BOSCH
Artikelnummer: EB-0601B20537-1609203K12
Netto: 5,21 € zzgl. MwSt.
zzgl. 6,90 € Versand (brutto)
einmalig pro Bestellung

Lieferzeit: 5 Werktage

Pos.
46
BOSCH Schraube | Ersatzteile für GCM 10 S | 1609203K13
Hersteller: BOSCH
Artikelnummer: EB-0601B20537-1609203K13
Netto: 3,62 € zzgl. MwSt.
zzgl. 6,90 € Versand (brutto)
einmalig pro Bestellung

Lieferzeit: 5 Werktage

Pos.
47
BOSCH Spannstift | Ersatzteile für GCM 10 S | 2610911593
Hersteller: BOSCH
Artikelnummer: EB-0601B20537-2610911593
Netto: 3,63 € zzgl. MwSt.
zzgl. 6,90 € Versand (brutto)
einmalig pro Bestellung

Lieferzeit: 5 Werktage

Pos.
48
BOSCH Kabelklemme | Ersatzteile für GCM 10 S | 2610911872
Hersteller: BOSCH
Artikelnummer: EB-0601B20537-2610911872
Netto: 3,63 € zzgl. MwSt.
zzgl. 6,90 € Versand (brutto)
einmalig pro Bestellung

Lieferzeit: 5 Werktage

Pos.
49
BOSCH Halter | Ersatzteile für GCM 10 S | 2610911586
Hersteller: BOSCH
Artikelnummer: EB-0601B20537-2610911586
Netto: 24,13 € zzgl. MwSt.
zzgl. 6,90 € Versand (brutto)
einmalig pro Bestellung

Lieferzeit: 5 Werktage

Pos.
50
BOSCH Grundplatte | Ersatzteile für GCM 10 S | 2610911551
Hersteller: BOSCH
Artikelnummer: EB-0601B20537-2610911551
Netto: 241,95 € zzgl. MwSt.
zzgl. 6,90 € Versand (brutto)
einmalig pro Bestellung

Lieferzeit: 5 Werktage

Pos.
51
BOSCH Stab | Ersatzteile für GCM 10 S | 2610911869
Hersteller: BOSCH
Artikelnummer: EB-0601B20537-2610911869
Netto: 5,67 € zzgl. MwSt.
zzgl. 6,90 € Versand (brutto)
einmalig pro Bestellung

Lieferzeit: 5 Werktage

Pos.
52
BOSCH Haltebolzen | Ersatzteile für GCM 10 S | 2610911577
Hersteller: BOSCH
Artikelnummer: EB-0601B20537-2610911577
Netto: 3,94 € zzgl. MwSt.
zzgl. 6,90 € Versand (brutto)
einmalig pro Bestellung

Lieferzeit: 5 Werktage

Pos.
53
BOSCH Kontaktlasche | Ersatzteile für GCM 10 S | 2610911561
Hersteller: BOSCH
Artikelnummer: EB-0601B20537-2610911561
Netto: 5,67 € zzgl. MwSt.
zzgl. 6,90 € Versand (brutto)
einmalig pro Bestellung

Lieferzeit: 5 Werktage

Pos.
54
BOSCH Spannhebel | Ersatzteile für GCM 10 S | 2610911559
Hersteller: BOSCH
Artikelnummer: EB-0601B20537-2610911559
Netto: 6,15 € zzgl. MwSt.
zzgl. 6,90 € Versand (brutto)
einmalig pro Bestellung

Lieferzeit: 5 Werktage

Pos.
55
BOSCH Unterlegscheibe | Ersatzteile für GCM 10 S | 2610351415
Hersteller: BOSCH
Artikelnummer: EB-0601B20537-2610351415
Netto: 3,63 € zzgl. MwSt.
zzgl. 6,90 € Versand (brutto)
einmalig pro Bestellung

Lieferzeit: 5 Werktage

Pos.
56
BOSCH Schiebelager | Ersatzteile für GCM 10 S | 2610915760
Hersteller: BOSCH
Artikelnummer: EB-0601B20537-2610915760
Netto: 77,60 € zzgl. MwSt.
zzgl. 6,90 € Versand (brutto)
einmalig pro Bestellung

Lieferzeit: 5 Werktage

Pos.
57
BOSCH Zwischenplatte | Ersatzteile für GCM 10 S | 2610911587
Hersteller: BOSCH
Artikelnummer: EB-0601B20537-2610911587
Netto: 7,30 € zzgl. MwSt.
zzgl. 6,90 € Versand (brutto)
einmalig pro Bestellung

Lieferzeit: 5 Werktage

Pos.
58
BOSCH Rohr | Ersatzteile für GCM 10 S | 2610911590
Hersteller: BOSCH
Artikelnummer: EB-0601B20537-2610911590
Netto: 77,60 € zzgl. MwSt.
zzgl. 6,90 € Versand (brutto)
einmalig pro Bestellung

Lieferzeit: 5 Werktage

Pos.
59
BOSCH Welle | Ersatzteile für GCM 10 S | 2610911875
Hersteller: BOSCH
Artikelnummer: EB-0601B20537-2610911875
Netto: 12,98 € zzgl. MwSt.
zzgl. 6,90 € Versand (brutto)
einmalig pro Bestellung

Lieferzeit: 5 Werktage

Pos.
60
BOSCH Sperrstift | Ersatzteile für GCM 10 S | 2610911594
Hersteller: BOSCH
Artikelnummer: EB-0601B20537-2610911594
Netto: 7,76 € zzgl. MwSt.
zzgl. 6,90 € Versand (brutto)
einmalig pro Bestellung

Lieferzeit: 5 Werktage

Pos.
61
BOSCH Feder | Ersatzteile für GCM 10 S | 2610911564
Hersteller: BOSCH
Artikelnummer: EB-0601B20537-2610911564
nur Informationsartikel
Nie mehr lieferbar
keine Alternativen
Pos.
62
BOSCH Schraube | Ersatzteile für GCM 10 S | 2610911899
Hersteller: BOSCH
Artikelnummer: EB-0601B20537-2610911899
Netto: 3,63 € zzgl. MwSt.
zzgl. 6,90 € Versand (brutto)
einmalig pro Bestellung

Lieferzeit: 5 Werktage

Pos.
63
BOSCH Gewindestift | Ersatzteile für GCM 10 S | 2610911908
Hersteller: BOSCH
Artikelnummer: EB-0601B20537-2610911908
Netto: 3,94 € zzgl. MwSt.
zzgl. 6,90 € Versand (brutto)
einmalig pro Bestellung

Lieferzeit: 5 Werktage

Pos.
64
BOSCH Klammer | Ersatzteile für GCM 10 S | 2610911902
Hersteller: BOSCH
Artikelnummer: EB-0601B20537-2610911902
Netto: 3,63 € zzgl. MwSt.
zzgl. 6,90 € Versand (brutto)
einmalig pro Bestellung

Lieferzeit: 5 Werktage

Pos.
65
BOSCH Anschlag | Ersatzteile für GCM 10 S | 2610911563
Hersteller: BOSCH
Artikelnummer: EB-0601B20537-2610911563
nur Informationsartikel
Nie mehr lieferbar
keine Alternativen
Pos.
66
BOSCH Ausgleichscheibe | Ersatzteile für GCM 10 S | 2610911937
Hersteller: BOSCH
Artikelnummer: EB-0601B20537-2610911937
Netto: 5,19 € zzgl. MwSt.
zzgl. 6,90 € Versand (brutto)
einmalig pro Bestellung

Lieferzeit: 5 Werktage

Pos.
69
BOSCH Schraube | Ersatzteile für GCM 10 S | 2610004925
Hersteller: BOSCH
Artikelnummer: EB-0601B20537-2610004925
nur Informationsartikel
Nie mehr lieferbar
keine Alternativen
Pos.
71
BOSCH Ansatzschraube | Ersatzteile für GCM 10 S | 2610911911
Hersteller: BOSCH
Artikelnummer: EB-0601B20537-2610911911
Netto: 3,63 € zzgl. MwSt.
zzgl. 6,90 € Versand (brutto)
einmalig pro Bestellung

Lieferzeit: 5 Werktage

Pos.
72
BOSCH Sicherungsmutter | Ersatzteile für GCM 10 S | 2610911886
Hersteller: BOSCH
Artikelnummer: EB-0601B20537-2610911886
Netto: 3,63 € zzgl. MwSt.
zzgl. 6,90 € Versand (brutto)
einmalig pro Bestellung

Lieferzeit: 5 Werktage

Pos.
74
BOSCH Schraube | Ersatzteile für GCM 10 S | 1609902686
Hersteller: BOSCH
Artikelnummer: EB-0601B20537-1609902686
Netto: 4,53 € zzgl. MwSt.
zzgl. 6,90 € Versand (brutto)
einmalig pro Bestellung

Lieferzeit: 5 Werktage

Pos.
75
BOSCH Anschlagschraube | Ersatzteile für GCM 10 S | 2610911873
Hersteller: BOSCH
Artikelnummer: EB-0601B20537-2610911873
Netto: 4,53 € zzgl. MwSt.
zzgl. 6,90 € Versand (brutto)
einmalig pro Bestellung

Lieferzeit: 5 Werktage

Pos.
76
BOSCH Mutter | Ersatzteile für GCM 10 S | 2610911579
Hersteller: BOSCH
Artikelnummer: EB-0601B20537-2610911579
Netto: 6,15 € zzgl. MwSt.
zzgl. 6,90 € Versand (brutto)
einmalig pro Bestellung

Lieferzeit: 5 Werktage

Pos.
77
BOSCH Mutter | Ersatzteile für GCM 10 S | 2610934688
Hersteller: BOSCH
Artikelnummer: EB-0601B20537-2610934688
Netto: 3,93 € zzgl. MwSt.
zzgl. 6,90 € Versand (brutto)
einmalig pro Bestellung

Lieferzeit: 5 Werktage

Pos.
79
BOSCH Mutter | Ersatzteile für GCM 10 S | 1609902689
Hersteller: BOSCH
Artikelnummer: EB-0601B20537-1609902689
Netto: 3,94 € zzgl. MwSt.
zzgl. 6,90 € Versand (brutto)
einmalig pro Bestellung

Lieferzeit: 5 Werktage

Pos.
81
BOSCH Gewindestift | Ersatzteile für GCM 10 S | 2610911914
Hersteller: BOSCH
Artikelnummer: EB-0601B20537-2610911914
Netto: 4,32 € zzgl. MwSt.
zzgl. 6,90 € Versand (brutto)
einmalig pro Bestellung

Lieferzeit: 5 Werktage

Pos.
82
BOSCH Mutter | Ersatzteile für GCM 10 S | 2610328618
Hersteller: BOSCH
Artikelnummer: EB-0601B20537-2610328618
Netto: 3,63 € zzgl. MwSt.
zzgl. 6,90 € Versand (brutto)
einmalig pro Bestellung

Lieferzeit: 5 Werktage

Pos.
83
BOSCH Unterlegscheibe | Ersatzteile für GCM 10 S | 2610911887
Hersteller: BOSCH
Artikelnummer: EB-0601B20537-2610911887
Netto: 3,63 € zzgl. MwSt.
zzgl. 6,90 € Versand (brutto)
einmalig pro Bestellung

Lieferzeit: 5 Werktage

Pos.
84
BOSCH Federscheibe | Ersatzteile für GCM 10 S | 2610911868
Hersteller: BOSCH
Artikelnummer: EB-0601B20537-2610911868
Netto: 3,63 € zzgl. MwSt.
zzgl. 6,90 € Versand (brutto)
einmalig pro Bestellung

Lieferzeit: 5 Werktage

Pos.
87
BOSCH Kombi-Schraube | Ersatzteile für GCM 10 S | 2610911907
Hersteller: BOSCH
Artikelnummer: EB-0601B20537-2610911907
Netto: 3,63 € zzgl. MwSt.
zzgl. 6,90 € Versand (brutto)
einmalig pro Bestellung

Lieferzeit: 5 Werktage

Pos.
88
BOSCH Ansatzschraube | Ersatzteile für GCM 10 S | 2610911562
Hersteller: BOSCH
Artikelnummer: EB-0601B20537-2610911562
nur Informationsartikel
Nie mehr lieferbar
keine Alternativen
Pos.
89
BOSCH Schraube | Ersatzteile für GCM 10 S | 2610911560
Hersteller: BOSCH
Artikelnummer: EB-0601B20537-2610911560
Netto: 8,33 € zzgl. MwSt.
zzgl. 6,90 € Versand (brutto)
einmalig pro Bestellung

Lieferzeit: 5 Werktage

Pos.
90
BOSCH Federscheibe | Ersatzteile für GCM 10 S | 2610911891
Hersteller: BOSCH
Artikelnummer: EB-0601B20537-2610911891
Netto: 3,63 € zzgl. MwSt.
zzgl. 6,90 € Versand (brutto)
einmalig pro Bestellung

Lieferzeit: 5 Werktage

Pos.
92
BOSCH Warnschild | Ersatzteile für GCM 10 S | 2610911671
Hersteller: BOSCH
Artikelnummer: EB-0601B20537-2610911671
Netto: 5,19 € zzgl. MwSt.
zzgl. 6,90 € Versand (brutto)
einmalig pro Bestellung

Lieferzeit: 5 Werktage

Pos.
93
BOSCH Sechskantschraube | Ersatzteile für GCM 10 S | 2610911861
Hersteller: BOSCH
Artikelnummer: EB-0601B20537-2610911861
Netto: 5,17 € zzgl. MwSt.
zzgl. 6,90 € Versand (brutto)
einmalig pro Bestellung

Lieferzeit: 5 Werktage

Pos.
94
BOSCH Schraubbolzen | Ersatzteile für GCM 10 S | 2610911884
Hersteller: BOSCH
Artikelnummer: EB-0601B20537-2610911884
Netto: 4,82 € zzgl. MwSt.
zzgl. 6,90 € Versand (brutto)
einmalig pro Bestellung

Lieferzeit: 5 Werktage

Pos.
95
BOSCH Rastbolzen | Ersatzteile für GCM 10 S | 1609902685
Hersteller: BOSCH
Artikelnummer: EB-0601B20537-1609902685
Netto: 4,32 € zzgl. MwSt.
zzgl. 6,90 € Versand (brutto)
einmalig pro Bestellung

Lieferzeit: 5 Werktage

Pos.
96
BOSCH Druckfeder | Ersatzteile für GCM 10 S | 2610911576
Hersteller: BOSCH
Artikelnummer: EB-0601B20537-2610911576
nur Informationsartikel
Nie mehr lieferbar
keine Alternativen
Pos.
97
BOSCH Knopf | Ersatzteile für GCM 10 S | 2610911578
Hersteller: BOSCH
Artikelnummer: EB-0601B20537-2610911578
nur Informationsartikel
Nie mehr lieferbar
keine Alternativen
Pos.
101
BOSCH Flansch | Ersatzteile für GCM 10 S | 1609203J71
Hersteller: BOSCH
Artikelnummer: EB-0601B20537-1609203J71
Netto: 8,33 € zzgl. MwSt.
zzgl. 6,90 € Versand (brutto)
einmalig pro Bestellung

Lieferzeit: 5 Werktage

Pos.
102
BOSCH Unterlegscheibe | Ersatzteile für GCM 10 S | 2610911870
Hersteller: BOSCH
Artikelnummer: EB-0601B20537-2610911870
Netto: 4,53 € zzgl. MwSt.
zzgl. 6,90 € Versand (brutto)
einmalig pro Bestellung

Lieferzeit: 5 Werktage

Pos.
103
BOSCH Torsionsfeder | Ersatzteile für GCM 10 S | 2610911860
Hersteller: BOSCH
Artikelnummer: EB-0601B20537-2610911860
Netto: 14,36 € zzgl. MwSt.
zzgl. 6,90 € Versand (brutto)
einmalig pro Bestellung

Lieferzeit: 5 Werktage

Pos.
104
BOSCH Hülse | Ersatzteile für GCM 10 S | 2610911874
Hersteller: BOSCH
Artikelnummer: EB-0601B20537-2610911874
Netto: 5,19 € zzgl. MwSt.
zzgl. 6,90 € Versand (brutto)
einmalig pro Bestellung

Lieferzeit: 5 Werktage

Pos.
105
BOSCH Auflageplatte | Ersatzteile für GCM 10 S | 2610911862
Hersteller: BOSCH
Artikelnummer: EB-0601B20537-2610911862
Netto: 6,27 € zzgl. MwSt.
zzgl. 6,90 € Versand (brutto)
einmalig pro Bestellung

Lieferzeit: 5 Werktage

Pos.
106
BOSCH Aufnahme | Ersatzteile für GCM 10 S | 2610911867
Hersteller: BOSCH
Artikelnummer: EB-0601B20537-2610911867
Netto: 7,76 € zzgl. MwSt.
zzgl. 6,90 € Versand (brutto)
einmalig pro Bestellung

Lieferzeit: 5 Werktage

Pos.
107
BOSCH Zeiger | Ersatzteile für GCM 10 S | 2610911877
Hersteller: BOSCH
Artikelnummer: EB-0601B20537-2610911877
Netto: 4,53 € zzgl. MwSt.
zzgl. 6,90 € Versand (brutto)
einmalig pro Bestellung

Lieferzeit: 5 Werktage

Pos.
108
BOSCH Bolzen | Ersatzteile für GCM 10 S | 2610911597
Hersteller: BOSCH
Artikelnummer: EB-0601B20537-2610911597
Netto: 3,94 € zzgl. MwSt.
zzgl. 6,90 € Versand (brutto)
einmalig pro Bestellung

Lieferzeit: 5 Werktage

Pos.
109
BOSCH Zapfen | Ersatzteile für GCM 10 S | 2610911910
Hersteller: BOSCH
Artikelnummer: EB-0601B20537-2610911910
Netto: 8,33 € zzgl. MwSt.
zzgl. 6,90 € Versand (brutto)
einmalig pro Bestellung

Lieferzeit: 5 Werktage

Pos.
110
BOSCH Handgriff | Ersatzteile für GCM 10 S | 2610911568
Hersteller: BOSCH
Artikelnummer: EB-0601B20537-2610911568
nur Informationsartikel
Nie mehr lieferbar
keine Alternativen
Pos.
111
BOSCH Sägetisch | Ersatzteile für GCM 10 S | 2610911552
Hersteller: BOSCH
Artikelnummer: EB-0601B20537-2610911552
nur Informationsartikel
Nie mehr lieferbar
keine Alternativen
Pos.
112
BOSCH Knopfgriff | Ersatzteile für GCM 10 S | 2610911866
Hersteller: BOSCH
Artikelnummer: EB-0601B20537-2610911866
Netto: 10,92 € zzgl. MwSt.
zzgl. 6,90 € Versand (brutto)
einmalig pro Bestellung

Lieferzeit: 5 Werktage

Pos.
113
BOSCH Zeiger | Ersatzteile für GCM 10 S | 2610911876
Hersteller: BOSCH
Artikelnummer: EB-0601B20537-2610911876
Netto: 4,32 € zzgl. MwSt.
zzgl. 6,90 € Versand (brutto)
einmalig pro Bestellung

Lieferzeit: 5 Werktage

Pos.
115
BOSCH Blattfeder | Ersatzteile für GCM 10 S | 2610911913
Hersteller: BOSCH
Artikelnummer: EB-0601B20537-2610911913
Netto: 3,94 € zzgl. MwSt.
zzgl. 6,90 € Versand (brutto)
einmalig pro Bestellung

Lieferzeit: 5 Werktage

Pos.
116
BOSCH Halter | Ersatzteile für GCM 10 S | 2610911912
Hersteller: BOSCH
Artikelnummer: EB-0601B20537-2610911912
Netto: 3,94 € zzgl. MwSt.
zzgl. 6,90 € Versand (brutto)
einmalig pro Bestellung

Lieferzeit: 5 Werktage

Pos.
117
BOSCH Bolzen | Ersatzteile für GCM 10 S | 2610911864
Hersteller: BOSCH
Artikelnummer: EB-0601B20537-2610911864
Netto: 6,15 € zzgl. MwSt.
zzgl. 6,90 € Versand (brutto)
einmalig pro Bestellung

Lieferzeit: 5 Werktage

Pos.
118
BOSCH Druckfeder | Ersatzteile für GCM 10 S | 2610911917
Hersteller: BOSCH
Artikelnummer: EB-0601B20537-2610911917
Netto: 4,53 € zzgl. MwSt.
zzgl. 6,90 € Versand (brutto)
einmalig pro Bestellung

Lieferzeit: 5 Werktage

Pos.
119
BOSCH Scheibe | Ersatzteile für GCM 10 S | 2610320126
Hersteller: BOSCH
Artikelnummer: EB-0601B20537-2610320126
Netto: 3,94 € zzgl. MwSt.
zzgl. 6,90 € Versand (brutto)
einmalig pro Bestellung

Lieferzeit: 5 Werktage

Pos.
120
BOSCH Verschlusshebel | Ersatzteile für GCM 10 S | 1609902690
Hersteller: BOSCH
Artikelnummer: EB-0601B20537-1609902690
Netto: 9,05 € zzgl. MwSt.
zzgl. 6,90 € Versand (brutto)
einmalig pro Bestellung

Lieferzeit: 5 Werktage

Pos.
121
BOSCH Gleitplatte | Ersatzteile für GCM 10 S | 2610911863
Hersteller: BOSCH
Artikelnummer: EB-0601B20537-2610911863
Netto: 7,76 € zzgl. MwSt.
zzgl. 6,90 € Versand (brutto)
einmalig pro Bestellung

Lieferzeit: 5 Werktage

Pos.
122
BOSCH Warnschild | Ersatzteile für GCM 10 S | 2610911658
Hersteller: BOSCH
Artikelnummer: EB-0601B20537-2610911658
nur Informationsartikel
Nie mehr lieferbar
keine Alternativen
Pos.
124
BOSCH Gummibuchse | Ersatzteile für GCM 10 S | 2610911920
Hersteller: BOSCH
Artikelnummer: EB-0601B20537-2610911920
Netto: 3,63 € zzgl. MwSt.
zzgl. 6,90 € Versand (brutto)
einmalig pro Bestellung

Lieferzeit: 5 Werktage

Pos.
125
BOSCH Sechskantsteckschlüssel | Ersatzteile für GCM 10 S | 1609203J88
Hersteller: BOSCH
Artikelnummer: EB-0601B20537-1609203J88
Netto: 6,70 € zzgl. MwSt.
zzgl. 6,90 € Versand (brutto)
einmalig pro Bestellung

Lieferzeit: 5 Werktage

Pos.
126
BOSCH Gewindeplatte | Ersatzteile für GCM 10 S | 2610911919
Hersteller: BOSCH
Artikelnummer: EB-0601B20537-2610911919
Netto: 3,63 € zzgl. MwSt.
zzgl. 6,90 € Versand (brutto)
einmalig pro Bestellung

Lieferzeit: 5 Werktage

Pos.
127
BOSCH Warnschild | Ersatzteile für GCM 10 S | 2610911667
Hersteller: BOSCH
Artikelnummer: EB-0601B20537-2610911667
Netto: 5,17 € zzgl. MwSt.
zzgl. 6,90 € Versand (brutto)
einmalig pro Bestellung

Lieferzeit: 5 Werktage

Pos.
130
BOSCH Gummibuchse | Ersatzteile für GCM 10 S | 2610358846
Hersteller: BOSCH
Artikelnummer: EB-0601B20537-2610358846
Netto: 3,94 € zzgl. MwSt.
zzgl. 6,90 € Versand (brutto)
einmalig pro Bestellung

Lieferzeit: 5 Werktage

Pos.
131
BOSCH Warnschild | Ersatzteile für GCM 10 S | 2610911666
Hersteller: BOSCH
Artikelnummer: EB-0601B20537-2610911666
Netto: 5,19 € zzgl. MwSt.
zzgl. 6,90 € Versand (brutto)
einmalig pro Bestellung

Lieferzeit: 5 Werktage

Pos.
132
BOSCH Schutzhaube | Ersatzteile für GCM 10 S | 1619P03778
Hersteller: BOSCH
Artikelnummer: EB-0601B20537-1619P03778
nur Informationsartikel
Nie mehr lieferbar
keine Alternativen
Pos.
133
BOSCH Rundgummi | Ersatzteile für GCM 10 S | 2610911921
Hersteller: BOSCH
Artikelnummer: EB-0601B20537-2610911921
Netto: 3,63 € zzgl. MwSt.
zzgl. 6,90 € Versand (brutto)
einmalig pro Bestellung

Lieferzeit: 5 Werktage

Pos.
134
BOSCH Warnschild | Ersatzteile für GCM 10 S | 2610911669
Hersteller: BOSCH
Artikelnummer: EB-0601B20537-2610911669
Netto: 5,19 € zzgl. MwSt.
zzgl. 6,90 € Versand (brutto)
einmalig pro Bestellung

Lieferzeit: 5 Werktage

Pos.
135
BOSCH Absaugstutzen | Ersatzteile für GCM 10 S | 2610911934
Hersteller: BOSCH
Artikelnummer: EB-0601B20537-2610911934
Netto: 6,15 € zzgl. MwSt.
zzgl. 6,90 € Versand (brutto)
einmalig pro Bestellung

Lieferzeit: 5 Werktage

Pos.
136
BOSCH Anschlussklemme | Ersatzteile für GCM 10 S | 2610913718
Hersteller: BOSCH
Artikelnummer: EB-0601B20537-2610913718
Netto: 4,32 € zzgl. MwSt.
zzgl. 6,90 € Versand (brutto)
einmalig pro Bestellung

Lieferzeit: 5 Werktage

Pos.
137
BOSCH Schraube | Ersatzteile für GCM 10 S | 2610911893
Hersteller: BOSCH
Artikelnummer: EB-0601B20537-2610911893
nur Informationsartikel
Nie mehr lieferbar
keine Alternativen
Pos.
138
BOSCH Schraube | Ersatzteile für GCM 10 S | 2610356733
Hersteller: BOSCH
Artikelnummer: EB-0601B20537-2610356733
Netto: 3,63 € zzgl. MwSt.
zzgl. 6,90 € Versand (brutto)
einmalig pro Bestellung

Lieferzeit: 5 Werktage

Pos.
139
BOSCH Schraube | Ersatzteile für GCM 10 S | 2610911900
Hersteller: BOSCH
Artikelnummer: EB-0601B20537-2610911900
Netto: 3,63 € zzgl. MwSt.
zzgl. 6,90 € Versand (brutto)
einmalig pro Bestellung

Lieferzeit: 5 Werktage

Pos.
140
BOSCH Sicherungsring | Ersatzteile für GCM 10 S | 2610993108
Hersteller: BOSCH
Artikelnummer: EB-0601B20537-2610993108
Netto: 3,63 € zzgl. MwSt.
zzgl. 6,90 € Versand (brutto)
einmalig pro Bestellung

Lieferzeit: 5 Werktage

Pos.
145
BOSCH Sicherungsmutter | Ersatzteile für GCM 10 S | 2610911901
Hersteller: BOSCH
Artikelnummer: EB-0601B20537-2610911901
Netto: 3,94 € zzgl. MwSt.
zzgl. 6,90 € Versand (brutto)
einmalig pro Bestellung

Lieferzeit: 5 Werktage

Pos.
146
BOSCH Schraube | Ersatzteile für GCM 10 S | 2610911918
Hersteller: BOSCH
Artikelnummer: EB-0601B20537-2610911918
Netto: 4,53 € zzgl. MwSt.
zzgl. 6,90 € Versand (brutto)
einmalig pro Bestellung

Lieferzeit: 5 Werktage

Pos.
150
BOSCH Schraubbolzen | Ersatzteile für GCM 10 S | 1619P03324
Hersteller: BOSCH
Artikelnummer: EB-0601B20537-1619P03324
Netto: 4,53 € zzgl. MwSt.
zzgl. 6,90 € Versand (brutto)
einmalig pro Bestellung

Lieferzeit: 5 Werktage

Pos.
151
BOSCH Warnschild | Ersatzteile für GCM 10 S | 2610911668
Hersteller: BOSCH
Artikelnummer: EB-0601B20537-2610911668
Netto: 5,19 € zzgl. MwSt.
zzgl. 6,90 € Versand (brutto)
einmalig pro Bestellung

Lieferzeit: 5 Werktage

Pos.
154
BOSCH Lagerbock | Ersatzteile für GCM 10 S | 2610024627
Hersteller: BOSCH
Artikelnummer: EB-0601B20537-2610024627
Netto: 52,14 € zzgl. MwSt.
zzgl. 6,90 € Versand (brutto)
einmalig pro Bestellung

Lieferzeit: 5 Werktage

Pos.
155
BOSCH Rohr | Ersatzteile für GCM 10 S | 2610911591
Hersteller: BOSCH
Artikelnummer: EB-0601B20537-2610911591
Netto: 77,60 € zzgl. MwSt.
zzgl. 6,90 € Versand (brutto)
einmalig pro Bestellung

Lieferzeit: 5 Werktage

Pos.
162
BOSCH Einsatz | Ersatzteile für GCM 10 S | 2610911569
Hersteller: BOSCH
Artikelnummer: EB-0601B20537-2610911569
Netto: 4,53 € zzgl. MwSt.
zzgl. 6,90 € Versand (brutto)
einmalig pro Bestellung

Lieferzeit: 5 Werktage

Pos.
163
BOSCH Federscheibe | Ersatzteile für GCM 10 S | 1609902688
Hersteller: BOSCH
Artikelnummer: EB-0601B20537-1609902688
Netto: 3,94 € zzgl. MwSt.
zzgl. 6,90 € Versand (brutto)
einmalig pro Bestellung

Lieferzeit: 5 Werktage

Pos.
164
BOSCH Schraube | Ersatzteile für GCM 10 S | 2610911923
Hersteller: BOSCH
Artikelnummer: EB-0601B20537-2610911923
Netto: 4,32 € zzgl. MwSt.
zzgl. 6,90 € Versand (brutto)
einmalig pro Bestellung

Lieferzeit: 5 Werktage

Pos.
165
BOSCH Schraube | Ersatzteile für GCM 10 S | 2610993104
Hersteller: BOSCH
Artikelnummer: EB-0601B20537-2610993104
Netto: 3,63 € zzgl. MwSt.
zzgl. 6,90 € Versand (brutto)
einmalig pro Bestellung

Lieferzeit: 5 Werktage

Pos.
166
BOSCH Unterlegscheibe | Ersatzteile für GCM 10 S | 2610993221
Hersteller: BOSCH
Artikelnummer: EB-0601B20537-2610993221
Netto: 3,63 € zzgl. MwSt.
zzgl. 6,90 € Versand (brutto)
einmalig pro Bestellung

Lieferzeit: 5 Werktage

Pos.
167
BOSCH Flansch | Ersatzteile für GCM 10 S | 1609902199
Hersteller: BOSCH
Artikelnummer: EB-0601B20537-1609902199
Netto: 8,33 € zzgl. MwSt.
zzgl. 6,90 € Versand (brutto)
einmalig pro Bestellung

Lieferzeit: 5 Werktage

Pos.
184
BOSCH Hülse | Ersatzteile für GCM 10 S | 1609902074
Hersteller: BOSCH
Artikelnummer: EB-0601B20537-1609902074
Netto: 3,94 € zzgl. MwSt.
zzgl. 6,90 € Versand (brutto)
einmalig pro Bestellung

Lieferzeit: 5 Werktage

Pos.
650
BOSCH Staubbeutel | Ersatzteile für GCM 10 S | 1609902393
Hersteller: BOSCH
Artikelnummer: EB-0601B20537-1609902393
Netto: 19,18 € zzgl. MwSt.
zzgl. 6,90 € Versand (brutto)
einmalig pro Bestellung

Lieferzeit: 5 Werktage

Pos.
652
BOSCH Schlüssel | Ersatzteile für GCM 10 S | 2610911565
Hersteller: BOSCH
Artikelnummer: EB-0601B20537-2610911565
nur Informationsartikel
Nie mehr lieferbar
keine Alternativen
Pos.
652
BOSCH Steckschlüsseleinsatz | Ersatzteile für GCM 10 S | 1609203J74
Hersteller: BOSCH
Artikelnummer: EB-0601B20537-1609203J74
Netto: 6,15 € zzgl. MwSt.
zzgl. 6,90 € Versand (brutto)
einmalig pro Bestellung

Lieferzeit: 5 Werktage

Pos.
653
BOSCH Schnellspannvorrichtung | Ersatzteile für GCM 10 S | 2610009615
Hersteller: BOSCH
Artikelnummer: EB-0601B20537-2610009615
Netto: 24,13 € zzgl. MwSt.
zzgl. 6,90 € Versand (brutto)
einmalig pro Bestellung

Lieferzeit: 5 Werktage

Pos.
654
BOSCH Kabelsatz | Ersatzteile für GCM 10 S | 1609902174
Hersteller: BOSCH
Artikelnummer: EB-0601B20537-1609902174
Netto: 25,97 € zzgl. MwSt.
zzgl. 6,90 € Versand (brutto)
einmalig pro Bestellung

Lieferzeit: 5 Werktage

Pos.
670
BOSCH Anschlussstutzen | Ersatzteile für GCM 10 S | 2610919256
Hersteller: BOSCH
Artikelnummer: EB-0601B20537-2610919256
nur Informationsartikel
Nie mehr lieferbar
keine Alternativen
Pos.
805
BOSCH Wartungsset | Ersatzteile für GCM 10 S | 2610022571
Hersteller: BOSCH
Artikelnummer: EB-0601B20537-2610022571
nur Informationsartikel
Nie mehr lieferbar
keine Alternativen
Pos.
810
BOSCH Kohlebürstensatz | Ersatzteile für GCM 10 S | 1609203L02
Hersteller: BOSCH
Artikelnummer: EB-0601B20537-1609203L02
Netto: 12,98 € zzgl. MwSt.
zzgl. 6,90 € Versand (brutto)
einmalig pro Bestellung

Lieferzeit: 5 Werktage

Pos.
832
BOSCH Schleifspindel | Ersatzteile für GCM 10 S | 2610992363
Hersteller: BOSCH
Artikelnummer: EB-0601B20537-2610992363
Netto: 52,14 € zzgl. MwSt.
zzgl. 6,90 € Versand (brutto)
einmalig pro Bestellung

Lieferzeit: 5 Werktage

Pos.
869
BOSCH Ersatzteilsatz | Ersatzteile für GCM 10 S | 2610026667
Hersteller: BOSCH
Artikelnummer: EB-0601B20537-2610026667
nur Informationsartikel
Nie mehr lieferbar
keine Alternativen

Angaben zur Produktsicherheit

Hersteller:
Robert Bosch Power Tools GmbH
Postfach 30 02 20
70442 Stuttgart

E-Mail:
kontakt@bosch.de